钢筋弯曲调整值的计算
- 格式:doc
- 大小:28.00 KB
- 文档页数:4
钢筋弯钩为180度,135度,90度时,弯钩长度怎么计算钢筋弯曲调整值与弯钩计算一、弯曲调整值的概念对于单根预算长度和下料长度是不同的,预算长度是按照钢筋的外皮计算,下料长度是按照钢筋的中轴线计算。
例如一根预算长度为1米长的钢筋,其下料长度不需要1米,是小于1米的,因为钢筋在弯曲的过程中会变长,如果按照1米下料,肯定会长出一些。
预算长度和下料长度的差值也就是钢筋的弯曲调整值,也称为量度差值。
它实际上由两方面造成的,一是由于量度的不同,例如下面这根钢筋,预算的长度是100+300=400mm,而实际上在下料时只需要截取100-d/2+300-d/2长的一段钢筋即可弯制成下面的形式。
二是由于钢筋在弯曲的过程中长度会变化:外皮伸长、内皮缩短、中轴线不变。
二、弯曲调整值的计算在这里用到一个弧度和角度的换算公式:1rad=3.14*r*2/360,即一度角对应的弧长是0.01745r。
另外《钢筋混凝土施工及验收规范》(GB500204-2002)规定180度弯钩的弯曲直径不得小于2.5d,在下面的推导中D取2.5d。
1、180度弯钩的计算见下图,钢筋的直径为d,弯曲直径为D。
按照外皮计算钢筋的长度:L1=AE水平段的长度+CD水平段长度=300+3d按照中轴线计算钢筋的长度:L2=AB水平段长度+BC段弧长+CD段水平长度=300-D/2-d+0.01745*(D/2+d/2)*180+3d=300+6.25d,弯曲调整值=L1-L2=3.25d2、90度弯钩的计算见下图,钢筋的直径为d,弯曲直径为D。
按照外皮计算钢筋的长度:L1=300+100按照中轴线计算钢筋的长度:L2=AB水平段长度+BC段弧长+CD段竖直长度=300-D/2-d+0.01745*(D/2+d/2)*90+100-D/2-d=300+100-1.75d,弯曲调整值=L1-L2=1.75d 3、135度弯钩的计算见下图,钢筋的直径为d,弯曲直径为D。
钢筋弯曲调整值与弯钩计算〔图文并茂〕一、弯曲调整值的概念对于单根预算长度和下料长度是不同的,预算长度是按照钢筋的外皮计算,下料长度是按照钢筋的中轴线计算例如一根预算长度为1米长的钢筋,其下料长度不需要1米,是小于1米的,因为钢筋在弯曲的过程中会变长,如果按照1米下料,肯定会长出一些,预算长度和下料长度的差值也就是钢筋的弯曲调整值,也称为量度差值它实际上由两方面造成的,一是由于量度的不同,例如下面这根钢筋,预算的长度是100300=400mm,而实际上在下料时只需要截取100-d/2300-d/2长的一段钢筋即可弯制成下面的形式二是由于钢筋在弯曲的过程中长度会变化:外皮伸长内皮缩短中轴线不变二、弯曲调整值的计算在这里用到一个弧度和角度的换算公式:1rad=*r*2/360,即一度角对应的弧长是另外钢筋混凝土施工及验收标准〔GB50020212021〕规定180度弯钩的弯曲直径不得小于,在下面的推导中D取1、180度弯钩的计算见下列图,钢筋的直径为d,弯曲直径为D按照外皮计算钢筋的长度:L1=AE水平段的长度CD水平段长度=3003d按照中轴线计算钢筋的长度:L2=AB水平段长度BC段弧长CD段水平长度=〔300-D/2-d〕3d=300,弯曲调整值=L2-L1= ,从而L2=L15d。
2、90度弯钩的计算见下列图,钢筋的直径为d,弯曲直径为D按照外皮计算钢筋的长度:L1=300100按照中轴线计算钢筋的长度:L2=AB水平段长度BC段弧长CD段竖直长度=〔300-D/2-d〕〔100-D/2-d〕=300,弯曲调整值=L1-L2= ,从而L2=。
3、135度弯钩的计算见下列图,钢筋的直径为d,弯曲直径为D按照外皮计算钢筋的长度:L1=30010d按照中轴线计算钢筋的长度:L2=AB水平段长度BD段弧长DE段长度=〔300-D/2-d〕10d=30010d,弯曲调整值=L2-L1= ,从而L2=L1。
钢筋弯钩为180度,135度,90度时,弯钩长度怎么计算之樊仲川亿创作钢筋弯曲调整值与弯钩计算一、弯曲调整值的概念对于单根预算长度和下料长度是分歧的,预算长度是依照钢筋的外皮计算,下料长度是依照钢筋的中轴线计算。
例如一根预算长度为1米长的钢筋,其下料长度不需要1米,是小于1米的,因为钢筋在弯曲的过程中会变长,如果依照1米下料,肯定会长出一些。
预算长度和下料长度的差值也就是钢筋的弯曲调整值,也称为量度差值。
它实际上由两方面造成的,一是由于量度的分歧,例如下面这根钢筋,预算的长度是100+300=400mm,而实际上在下料时只需要截取100-d/2+300-d/2长的一段钢筋即可弯制成下面的形式。
二是由于钢筋在弯曲的过程中长度会变更:外皮伸长、内皮缩短、中轴线不变。
二、弯曲调整值的计算在这里用到一个弧度和角度的换算公式:1rad=3.14*r*2/360,即一度角对应的弧长是0.01745r。
另外《钢筋混凝土施工及验收规范》(GB500204-2002)规定180度弯钩的弯曲直径不得小于2.5d,在下面的推导中D取2.5d。
1、180度弯钩的计算见下图,钢筋的直径为d,弯曲直径为D。
依照外皮计算钢筋的长度:L1=AE水平段的长度+CD水平段长度=300+3d依照中轴线计算钢筋的长度:L2=AB水平段长度+BC段弧长+CD段水平长度=300-D/2-d+0.01745*(D/2+d/2)*180+3d=300+6.25d,弯曲调整值=L1-L2=3.25d2、90度弯钩的计算见下图,钢筋的直径为d,弯曲直径为D。
依照外皮计算钢筋的长度:L1=300+100依照中轴线计算钢筋的长度:L2=AB水平段长度+BC段弧长+CD段竖直长度=300-D/2-d+0.01745*(D/2+d/2)*90+100-D/2-d=300+100-1.75d,弯曲调整值=L1-L2=1.75d3、135度弯钩的计算见下图,钢筋的直径为d,弯曲直径为D。
钢筋弯钩为180度,135度,90度时,弯钩长度怎么计算之马矢奏春创作钢筋弯曲调整值与弯钩计算一、弯曲调整值的概念对于单根预算长度和下料长度是分歧的,预算长度是依照钢筋的外皮计算,下料长度是依照钢筋的中轴线计算。
例如一根预算长度为1米长的钢筋,其下料长度不需要1米,是小于1米的,因为钢筋在弯曲的过程中会变长,如果依照1米下料,肯定会长出一些。
预算长度和下料长度的差值也就是钢筋的弯曲调整值,也称为量度差值。
它实际上由两方面造成的,一是由于量度的分歧,例如下面这根钢筋,预算的长度是100+300=400mm,而实际上在下料时只需要截取100-d/2+300-d/2长的一段钢筋即可弯制成下面的形式。
二是由于钢筋在弯曲的过程中长度会变更:外皮伸长、内皮缩短、中轴线不变。
二、弯曲调整值的计算在这里用到一个弧度和角度的换算公式:1rad=3.14*r*2/360,即一度角对应的弧长是0.01745r。
另外《钢筋混凝土施工及验收规范》(GB500204-2002)规定180度弯钩的弯曲直径不得小于2.5d,在下面的推导中D取2.5d。
1、180度弯钩的计算见下图,钢筋的直径为d,弯曲直径为D。
依照外皮计算钢筋的长度:L1=AE水平段的长度+CD水平段长度=300+3d依照中轴线计算钢筋的长度:L2=AB水平段长度+BC段弧长+CD段水平长度=300-D/2-d+0.01745*(D/2+d/2)*180+3d=300+6.25d,弯曲调整值=L1-L2=3.25d2、90度弯钩的计算见下图,钢筋的直径为d,弯曲直径为D。
依照外皮计算钢筋的长度:L1=300+100依照中轴线计算钢筋的长度:L2=AB水平段长度+BC段弧长+CD段竖直长度=300-D/2-d+0.01745*(D/2+d/2)*90+100-D/2-d=300+100-1.75d,弯曲调整值=L1-L2=1.75d3、135度弯钩的计算见下图,钢筋的直径为d,弯曲直径为D。
钢筋弯曲长度计算
引用钢筋的下料长
由于钢筋弯曲后内侧缩短,外侧伸长。
又因图示的钢筋尺寸是外包尺寸,所以在下料时需要进行调整。
钢筋下料长度计算如下:
1)直钢筋 = 构件长度 - 保护层厚度 + 弯钩增加长度
2)弯起钢筋 = 直段钢筋 + 斜段钢筋 - 弯曲调整值 + 弯钩增加长度
3)箍筋 = 箍筋周长 + 箍筋调整值
钢筋弯曲调整值(d为钢筋直径)
弯钩增加长度:按弯心直径2.5d,平直部分3d则是,
半圆弯钩是6.25d;直弯钩是3.5d;斜弯钩是
4.9d。
对半圆弯钩可参考以下数值:
Φ8--10可选6d;Φ12--18可选5.5d;Φ20--28可选5d;
Φ32--36可选4.5d。
在实际工作中,由于机具条件的不同,以及实际的曲率半径与理论的曲率半径不一致,有可能出现计算的下料长度与设计长度有点误差。
如批量生产时应先试弯一根,检查其弯曲形状、尺寸是否符合设计要求,再批量生产。
几个计算问题
变截面箍筋高度、弯曲钢筋斜长
图十五
钢筋每米重量 = 直径× 直径× 0.00617(公斤)。
一、弯曲调整值的概念对于单根预算长度和下料长度是不同的,预算长度是按照钢筋的外皮计算,下料长度是按照钢筋的中轴线计算。
例如一根预算长度为1米长的钢筋,其下料长度不需要1米,是小于1米的,因为钢筋在弯曲的过程中会变长,如果按照1米下料,肯定会长出一些。
预算长度和下料长度的差值也就是钢筋的弯曲调整值,也称为量度差值。
它实际上由两方面造成的,一是由于量度的不同,例如下面这根钢筋,预算的长度是100+300=400mm,而实际上在下料时只需要截取100-d/2+300-d/2长的一段钢筋即可弯制成下面的形式。
二是由于钢筋在弯曲的过程中长度会变化:外皮伸长、内皮缩短、中轴线不变。
二、弯曲调整值的计算在这里用到一个弧度和角度的换算公式:1rad=3.14*r*2/360,即一度角对应的弧长是0.01745r。
另外《钢筋混凝土施工及验收规范》(GB500204-2002)规定180度弯钩的弯曲直径不得小于2.5d,在下面的推导中D取2.5d。
1、180度弯钩的计算见下图,钢筋的直径为d,弯曲直径为D。
按照外皮计算钢筋的长度:L1=AE水平段的长度+CD水平段长度=300+3d 按照中轴线计算钢筋的长度:L2=AB水平段长度+BC段弧长+CD段水平长度=300-D/2-d+0.01745*(D/2+d/2)*180+3d=300+6.25d,弯曲调整值=L1-L2=3.25d 2、90度弯钩的计算见下图,钢筋的直径为d,弯曲直径为D。
按照外皮计算钢筋的长度:L1=300+100 按照中轴线计算钢筋的长度:L2=AB水平段长度+BC段弧长+CD段竖直长度=300-D/2-d+0.01745*(D/2+d/2)*90+100-D/2-d=300+100-1.75d,弯曲调整值=L1-L2=1.75d 3、135度弯钩的计算见下图,钢筋的直径为d,弯曲直径为D。
按照外皮计算钢筋的长度:L1=300+10d 按照中轴线计算钢筋的长度:L2=AB水平段长度+BD 段弧长+DE段长度=300-D/2-d+0.01745*(D/2+d/2)*135+10d=300+10d+1.9d,弯曲调整值=L1-L2=1.9d 三、弯钩长度的计算1、计算弯钩时的原则是无论下料长度还是预算长度都按照中轴线计算。
四肢箍为例广联达箍筋计算如下:03G 外皮长度:2*(b+h-4c)+2*弯钩+8d03G 中心长度:2*(b+h-4c)+2*弯钩+8d-弯曲调整值11G 外皮长度:2*(b+h-4c)+2*弯钩11G 中心长度:2*(b+h-4c)+2*弯钩-弯曲调整值b h 为构件尺寸c为保护层d为箍筋尺寸D不难发现(1)03G 区别11G在于保护层的定义不同、导致8d (2)中心轴线和外皮计算的区别在于弯曲调整值弯曲调整:就是有图中AO+OB≠A′B′̂(即|AO+OB|-调整值=A′B̂′;A′B′̂调整值以下用∆表示不难发现软件中一级钢∆= 1.75d二级钢∆= 2.08d三级钢∆= 2.29d这个怎么来的呢?其实使我们自己计算来的。
∆= |AO+OB|-A′B′̂= (D2+d)+(D2+d) - 2π(D+d2)* θ360°= [1- θ360°* π]D- ( θ360°* π-2)dπ取3.14 θ取90°可以得到 ∆ = 0.215D+1.215dD 和d 啥关系呢?最新的施工规范GB50204-2015有如下规定目前软件还是使用的老规范,沿用GBJ204-83例如三级钢老规范自然D≥5d90°的∆ = 0.215D+1.215d ≥2.29d柱子178.152/178.424 =99.85%梁103.709/103.792 =99.92%所以,大致的量差柱0.15% 梁0.08%,在实际工程中,可以自己按照自己的工程构建类型测出相应的值,然后换算总重即可。
备注:《钢筋混凝土工程施工及验收规范》GBJ204-83《混凝土结构工程施工及验收规范》GB50204-92《混凝土结构工程施工质量验收规范》GB50204-2002故局部修订最新版应是:GB50204-2011版目前使用《GB50204-2015混凝土结构工程施工质量验收规范》2015年9月1日执行一算知命格。
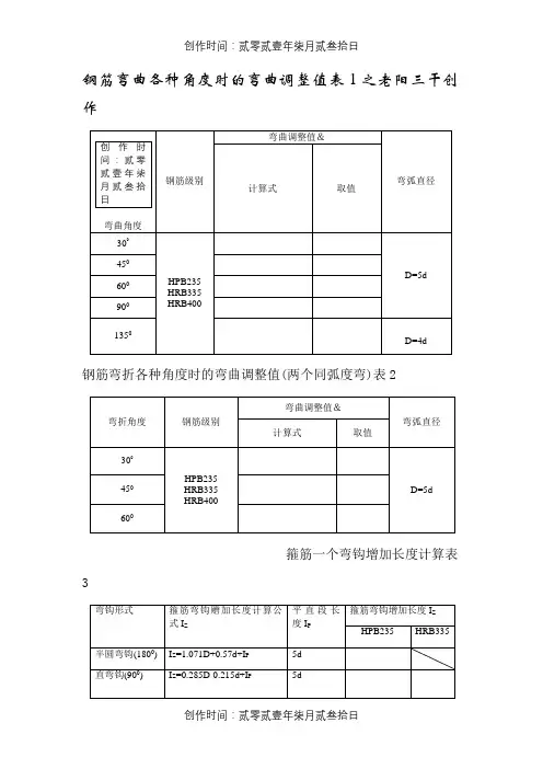
钢筋弯曲各种角度时的弯曲调整值表1之老阳三干创作
钢筋弯折各种角度时的弯曲调整值(两个同弧度弯)表2
箍筋一个弯钩增加长度计算表3
注:表中900弯钩:HPB235、HRB335级钢筋均取D=5d;1350、1800(1)一般钢筋下料长度计算
1)直钢筋下料长度=构件长度-混凝土呵护层厚度+弯钩增加长度2)弯起钢筋下料长度=直段长度+斜段长度-弯曲调整值+弯钩增加长度
3)箍筋下料长度=直段长度+弯钩增加长度-弯曲调整值或:箍筋下料长度=箍筋周长+箍筋长度调整值
4)曲线钢筋(环形钢筋、螺旋箍筋、抛物线钢筋等)下料长度计算公式为:下料长度=钢筋长度计算值+弯钩增加长度。
预算钢筋弯钩增加长度的理论计算值:135°弯钩11.9d,对转半圆180°弯钩为6.25d,对直弯钩为3.5d,对斜弯钩为4.9d。
锚固长度参考03G101-1在这里用到一个弧度和角度的换算公式:1rad=3.14*r*2/360,即一度角对应的弧长是0.01745r。
另外《钢筋混凝土施工及验收规范》(GB500204-2002)规定180度弯钩的弯曲直径不得小于2.5d,在下面的推导中D取2.5d。
1、180度弯钩的计算钢筋的直径为d,弯曲直径为D。
按照外皮计算钢筋的长度:L1=AE水平段的长度+CD水平段长度=300+3d按照中轴线计算钢筋的长度:L2=AB水平段长度+BC段弧长+CD段水平长度=300-D/2-d+0.01745*(D/2+d/2)*180+3d=300+6.25d,弯曲调整值=L1-L2=+3.25d2、90度弯钩的计算钢筋的直径为d,弯曲直径为D。
按照外皮计算钢筋的长度:L1=300+100按照中轴线计算钢筋的长度:L2=AB水平段长度+BC段弧长+CD段竖直长度=300-D/2-d+0.01745*(D/2+d/2)*90+100-D/2-d=300+100-1.75d,弯曲调整值=L1-L2=-1.75d3、135度弯钩的计算钢筋的直径为d,弯曲直径为D。
按照外皮计算钢筋的长度:L1=300+10d按照中轴线计算钢筋的长度:L2=AB水平段长度+BD段弧长+DE段长度=300-D/2-d+0.01745*(D/2+d/2)*135+10d=300+10d+1.9d,弯曲调整值=L1-L2=+1.9d4、计算弯钩时的原则是无论下料长度还是预算长度都按照中轴线计算。
可以想一下,我们做预算时直钢筋180度弯钩时取的长度是6.25d,历来我们都是这么做的,没有人问为什么,而实际上6.25d取的钢筋的中轴线长度。
其实箍筋、拉筋末端135弯钩的长度计算也是一个道理,规范规定的长度是10d,而我们计算时取11.9d,同样也是遵循上面的原则。
钢筋弯曲调整值与弯钩计算一弯曲调整值的概念对于单根预算长度和下料长度是不同的,预算长度是按照钢筋的外皮计算,下料长度是按照钢筋的中轴线计算例如一根预算长度为1米长的钢筋,其下料长度不需要1米,是小于1米的,因为钢筋在弯曲的过程中会变长,如果按照1米下料,肯定会长出一些预算长度和下料长度的差值也就是钢筋的弯曲调整值,也称为量度差值它实际上由两方面造成的,一是由于量度的不同,例如下面这根钢筋,预算的长度是100+300=400mm,而实际上在下料时只需要截取100-d/2+300-d/2长的一段钢筋即可弯制成下面的形式二是由于钢筋在弯曲的过程中长度会变化:外皮伸长内皮缩短中轴线不变二弯曲调整值的计算在这里用到一个弧度和角度的换算公式:1rad=3.14*r*2/360,即一度角对应的弧长是0.01745r 另外钢筋混凝土施工及验收规范(GB500204-2002)规定180度弯钩的弯曲直径不得小于2.5d ,在下面的推导中D 取2.5d1180度弯钩的计算见下图,钢筋的直径为d, 弯曲直径为D按照外皮计算钢筋的长度:L1=AE水平段的长度+CD水平段长度=300+3d 按照中轴线计算钢筋的长度:L2=AB水平段长度+BC段弧长+CD段水平长度=300-D/2-d+0.01745*(D/2+d/2)*180+3d=300+6.25d,弯曲调整值=L1-L2=3.25d 290度弯钩的计算见下图,钢筋的直径为d, 弯曲直径为D按照外皮计算钢筋的长度:L1=300+100按照中轴线计算钢筋的长度:L2=AB水平段长度+BC段弧长+CD段竖直长度=300-D/2-d+0.01745*(D/2+d/2)*90+100-D/2-d=300+100-1.75d,弯曲调整值=L1-L2=1.75d3135度弯钩的计算见下图,钢筋的直径为d, 弯曲直径为D按照外皮计算钢筋的长度:L1=300+10d按照中轴线计算钢筋的长度:L2=AB水平段长度+BD段弧长+DE段长度=300-D/2-d+0.01745*(D/2+d/2)*135+10d=300+10d+1.9d,弯曲调整值=L1-L2=1.9d三弯钩长度的计算1计算弯钩时的原则是无论下料长度还是预算长度都按照中轴线计算可以想一下,我们做预算时直钢筋180度弯钩时取的长度是6.25d, 历来我们都是这么做的,没有人问为什么,而实际上6.25d 取的钢筋的中轴线长度其实箍筋拉筋末端135弯钩的长度计算也是一个道理,规范规定的长度是10d, 而我们计算时取11.9d, 同样也是遵循上面的原则2需要指出的是,无论箍筋弯钩还是拉筋弯钩,弯折角度都是135度,这在03G101-1第35页有明确的说明因此如果在计算拉筋弯钩长度时取12.5d 是错误的四弯曲调整值的应用1尽管我们对这个名词可能不了解,但实际上我们在不知不觉中就在应用它例如上面所说的180度的弯钩平直段长度本来是3d, 而计算时取6.25d;135度弯钩平直段长度是10d, 而计算时取11.9d2当我们知道了90度弯钩的弯曲调整值以后就可以根据预算长度计算下料长度了:如下图:梁截面尺寸a=300b=500计算箍筋的预算长度(按外皮计算):L1=(a-25*2+b-25*2*2+(2*11.9+8d这里对于8d 是否有疑问,实际上这涉及到保护层的概念钢筋的保护层指的是主筋外皮到构件外边缘的尺寸,而我们要计算箍筋的外皮长度,因此,上式中每-25就多减了一个箍筋的直径,因此在后面要加上8d计算箍筋的下料长度(按中轴线计算):L2=(a-25*2+b-25*2*2+(2*11.9+8d-3*1.75d这里就利用了90度弯钩的弯曲调整值,箍筋有三个180弯钩,应该减去3*1.75d在施工中有个计算箍筋长度的公式是2A+2B+26.8d就是这样推导出来的,当然,这里AB 都是指箍筋的内皮长度。
弯曲调整值的概念对于单根预算长度和下料长度是不同的,预算长度是按照钢筋的外皮计算,下料长度是按照钢筋的中轴线计算。
例如一根预算长度为1米长的钢筋,其下料长度不需要1米,是小于等于1米的,因为钢筋在弯曲的过程中会变长,如果按照1米下料,肯定会长出一些。
预算长度和下料长度的差值也就是钢筋的弯曲调整值,也称为量度差值。
它实际上由两方面造成的,一是由于量度的不同,例如下面这根钢筋,预算的长度是100+300=400mm,而实际上在下料时只需要截取100-d/2+300-d/2长的一段钢筋即可弯制成下面的形式。
二是由于钢筋在弯曲的过程中长度会变化:外皮伸长、内皮缩短、中轴线不变。
二、弯曲调整值的计算在这里用到一个弧度和角度的换算公式:1rad=3.14*r*2/360,即一度角对应的弧长是0.01745r。
另外《钢筋混凝土施工及验收规范》(GB500204-2002)规定180度弯钩的弯曲直径不得小于2.5d,在下面的推导中D取2.5d。
1、180度弯钩的计算见下图,钢筋的直径为d,弯曲直径为D。
纠错:图中3d应该标注为CD,D处改为C,原C处删掉。
按照外皮计算钢筋的长度:L1=AE水平段的长度+CD水平段长度=300+3d按照中轴线计算钢筋的长度:L2=AB水平段长度+BC段弧长+CD段水平长度=300-D/2-d+0.01745*(D/2+d/2)*180+3d=300+6.25d,弯曲调整值=L1-L2=3.25d2、90度弯钩的计算见下图,钢筋的直径为d,弯曲直径为D。
按照外皮计算钢筋的长度:L1=300+100按照中轴线计算钢筋的长度:L2=AB水平段长度+BC段弧长+CD段竖直长度=300-D/2-d+0.01745*(D/2+d/2)*90+100-D/2-d=300+100-1.75d,弯曲调整值=L1-L2=1.75d 3、135度弯钩的计算见下图,钢筋的直径为d,弯曲直径为D。
按照外皮计算钢筋的长度:L1=300+10d按照中轴线计算钢筋的长度:L2=AB水平段长度+BD段弧长+DE段长度=300-D/2-d+0.01745*(D/2+d/2)*135+10d=300+10d+1.9d,弯曲调整值=L1-L2=1.9d三、弯钩长度的计算1、计算弯钩时的原则是无论下料长度还是预算长度都按照中轴线计算。
钢筋弯曲值计算公式一、弯曲调整值的概念对于单根预算长度和下料长度是不同的,预算长度是按照钢筋的外皮计算,下料长度是按照钢筋的中轴线计算。
例如一根预算长度为1米长的钢筋,其下料长度不需要1米,是小于1米的,因为钢筋在弯曲的过程中会变长,如果按照1米下料,肯定会长出一些。
预算长度和下料长度的差值也就是钢筋的弯曲调整值,也称为量度差值。
它实际上由两方面造成的,一是由于量度的不同,例如下面这根钢筋,预算的长度是100+300=400mm,而实下料时只需要截取100-d/2+300-d/2 长的一段钢筋即可弯制成下面的形式。
二是由于钢筋在弯曲的过程中长度会变化:外皮伸长、内皮缩短、中轴线不变。
二、弯曲调整值的计算在这里用到一个弧度和角度的换算公式:1rad=3. 14*r*2/360,即一度角对应的弧长是0.01745r。
另《钢筋混凝土施工及验收规范》(GB500204-2002)规定180度弯钩的弯曲直径不得小于2.5d,在下面的推导中D取2.5d。
1、180度弯钩的计算钢筋的直径为d,弯曲直径为D。
按照外皮计算钢筋的长度:L1=AE水平段的长度+CD水平段长度=300+3d按照中轴线计算钢筋的长度 L2=AB水平段长度+BC段弧长+CD段水平长度=300-D/2-d+0.01745*(D/2+d/2)*180+3d=300+6.25d,弯曲调整值=L1-L2=3.25d;2、90度弯钩的计算钢筋的直径为d, 弯曲直径为D。
按照外皮计算钢筋的长度 L1=300+100按照中轴线计算钢筋的长度:L2=AB水平段长度+BC段弧长+CD段竖直长度=300-D/2-d+0. 01745*(D/2+d/2)*90+100-D/2-d=300+100-1. 75d,弯曲调整值=L1-L2=1.75d3、135 度弯钩的计算钢筋的直径为d, 弯曲直径为D。
按照外皮计算钢筋的长度:L1=300+10d按照中轴线计算钢筋的长度 L2=AB水平段长度+BD段弧长+DE段长度=300-D/2-d+0.01745*(D/2+d/2)*135+10d=300+10d+1.9d,弯曲调整值=L1-L2=1.9d三、弯钩长度的计算1、计算弯钩时的原则是无论下料长度还是预算长度都按照中轴线计算。
钢筋弯曲各种角度时的弯曲调整值表1
钢筋弯折各种角度时的弯曲调整值(两个同弧度弯) 表2
箍筋一个弯钩增加长度计算表3
注:表中90弯钩:HPB235、HRB335级钢筋均取D=5d;135、180弯钩HPB级取D=
(1)一般钢筋下料长度计算
1)直钢筋下料长度=构件长度-混凝土保护层厚度+弯钩增加长度
2)弯起钢筋下料长度=直段长度+斜段长度-弯曲调整值+弯钩增加长度
3)箍筋下料长度=直段长度+弯钩增加长度-弯曲调整值或:箍筋下料长度=箍筋周长+箍筋长度调整值
4)曲线钢筋(环形钢筋、螺旋箍筋、抛物线钢筋等)下料长度计算公式为:下料长度=钢筋长度计算值+弯钩增加长度。
钢筋弯曲调整值与弯钩计算修订后(图⽂并茂)钢筋弯曲调整值与弯钩计算(图⽂并茂)⼀、弯曲调整值的概念对于单根预算长度和下料长度是不同的,预算长度是按照钢筋的外⽪计算,下料长度是按照钢筋的中轴线计算例如⼀根预算长度为1⽶长的钢筋,其下料长度不需要1⽶,是⼩于1⽶的,因为钢筋在弯曲的过程中会变长,如果按照1⽶下料,肯定会长出⼀些,预算长度和下料长度的差值也就是钢筋的弯曲调整值,也称为量度差值它实际上由两⽅⾯造成的,⼀是由于量度的不同,例如下⾯这根钢筋,预算的长度是100+300=400mm,⽽实际上在下料时只需要截取100-d/2+300-d/2长的⼀段钢筋即可弯制成下⾯的形式⼆是由于钢筋在弯曲的过程中长度会变化:外⽪伸长内⽪缩短中轴线不变⼆、弯曲调整值的计算在这⾥⽤到⼀个弧度和⾓度的换算公式:1rad=3.14*r*2/360,即⼀度⾓对应的弧长是0.01745r另外钢筋混凝⼟施⼯及验收规范(GB500204-2002)规定180度弯钩的弯曲直径不得⼩于2.5d,在下⾯的推导中D取2.5d1、180度弯钩的计算见下图,钢筋的直径为d,弯曲直径为D按照外⽪计算钢筋的长度:L1=AE⽔平段的长度+CD⽔平段长度=300+3d按照中轴线计算钢筋的长度:L2=AB⽔平段长度+BC段弧长+CD段⽔平长度=(300-D/2-d)+[0.01745*(D/2+d/2)*180]+3d=300+6.25d,弯曲调整值=L2-L1=3.25d ,从⽽L2=L1+3.25d。
2、90度弯钩的计算见下图,钢筋的直径为d,弯曲直径为D按照外⽪计算钢筋的长度:L1=300+100按照中轴线计算钢筋的长度:L2=AB⽔平段长度+BC段弧长+CD段竖直长度=(300-D/2-d)+[0.01745*(D/2+d/2)*90]+(100-D/2-d)=300+100-1.75d,弯曲调整值=L1-L2=1.75d ,从⽽L2=L1-1.75d。
附:钢筋弯曲调整值的计算
一、弯曲调整值的概念
对于单根预算长度和下料长度是不同的,预算长度是按照钢筋的外皮计算,下料长度是按照钢筋的中轴线计算。
例如一根预算长度为1米长的钢筋,其下料长度不需要1米,是小于1米的,因为钢筋在弯曲的过程中会变长,如果按照1米下料,肯定会长出一些。
预算长度和下料长度的差值也就是钢筋的弯曲调整值,也称为量度差值。
它实际上由两方面造成的,一是由于量度的不同,例如下面这根钢筋,预算的长度是100+300=400mm,而实际上在下料时只需要截取100-d/2+300-d/2长的一段钢筋即可弯制成下面的形式。
二是由于钢筋在弯曲的过程中长度会变化:外皮伸长、内皮缩短、中轴线不变。
二、弯曲调整值的计算
在这里用到一个弧度和角度的换算公式:1rad=3.14*r*2/360,即一度角对应的弧长是0.01745r。
另外《钢筋混凝土施工及验收规范》(GB500204-2002)规定180度弯钩的弯曲直径不得小于2.5d,在下面的推导中D取2.5d。
1、180度弯钩的计算
见下图,钢筋的直径为d,弯曲直径为D。
按照外皮计算钢筋的长度:L1=AE水平段的长度+CD水平段长度=300+3d
按照中轴线计算钢筋的长度:L2=AB水平段长度+BC段弧长+CD段水平长度=300-D/2-d+0.01745*(D/2+d/2)*180+3d=300+6.25d,弯曲调整值=L1-L2=3.25d
2、90度弯钩的计算
见下图,钢筋的直径为d,弯曲直径为D。
按照外皮计算钢筋的长度:L1=300+100
按照中轴线计算钢筋的长度:L2=AB水平段长度+BC段弧长+CD段竖直长度=300-D/2-d+0.01745*(D/2+d/2)*90+100-D/2-d=300+100-1.75d,弯曲调整值=L1-L2=1.75d
3、135度弯钩的计算
见下图,钢筋的直径为d,弯曲直径为D。
按照外皮计算钢筋的长度:L1=300+10d
按照中轴线计算钢筋的长度:L2=AB水平段长度+BD段弧长+DE段长度=300-D/2-d+0.01745*(D/2+d/2)*135+10d=300+10d+1.9d,弯曲调整值=L1-L2=1.9d
三、弯钩长度的计算
1、计算弯钩时的原则是无论下料长度还是预算长度都按照中轴线计算。
可以想一下,我们做预算时直钢筋180度弯钩时取的长度是6.25d,
历来我们都是这么做的,没有人问为什么,而实际上6.25d取的钢筋的中轴线长度。
其实箍筋、拉筋末端135弯钩的长度计算也是一个道理,规范规定的长度是10d,而我们计算时取11.9d,同样也是遵循上面的原则。
2、需要指出的是,无论箍筋弯钩还是拉筋弯钩,弯折角度都是135度,这在03G101-1第35页有明确的说明。
因此如果在计算拉筋弯钩长度时取12.5d是错误的。
四、弯曲调整值的应用
1、尽管我们对这个名词可能不了解,但实际上我们在不知不觉中就在应用它。
例如上面所说的180度的弯钩平直段长度本来是3d,而计算时取6.25d;135度弯钩平直段长度是10d,而计算时取11.9d。
2、当我们知道了90度弯钩的弯曲调整值以后就可以根据预算长度计算下料长度了:
如下图:梁截面尺寸a=300、b=500
计算箍筋的预算长度(按外皮计算):
L1=(a-25*2+b-25*2)*2+(2*11.9+8)d
这里对于8d是否有疑问,实际上这涉及到保护层的概念。
钢筋的保护层指的是主筋外皮到构件外边缘的尺寸,而我们要计算箍筋的外皮长度,因此,上式中每“-25”就多减了一个箍筋的直径,因此在后
面要加上8d。
计算箍筋的下料长度(按中轴线计算):
L2=(a-25*2+b-25*2)*2+(2*11.9+8)d-3*1.75d
这里就利用了90度弯钩的弯曲调整值,箍筋有三个180弯钩,应该减去“3*1.75d”。
在施工中有个计算箍筋长度的公式是“2A+2B+26.8d”就是这样推导出来的,当然,这里A、B都是指箍筋的内皮长度。