岗位安全风险清单
- 格式:doc
- 大小:208.00 KB
- 文档页数:13
*****煤矿有限责任公司安全风险辨识和管控措施手册序言进一步贯彻落实国务院安委办《标本兼治遏制重特大事故工作指南》依据国家安监总局《煤矿安全风险预控管理体系规范》(AQ/T/1093-2011)和国家煤监局《煤矿安全生产标准化基本要求及评分方法》(煤安监行管[2017]5号),按照《永乐煤矿安全生产风险管控和隐患排查治理双重预防体系建设实施方案》工作要求,**煤矿组织广大员工对各岗位作业中存在或潜在的风险进行评估辨识,相应制定管控标准和措施,2017年7月底完成本手册。
****煤矿有限责任公司2017年7月目录第一章概述 (6)第一节辨识评估的目的、原则、对象和范围 (6)第二节岗位安全风险辨识依据 (7)第三节安全风险辩识评估的基本程序 (9)第二章岗位安全风险辨识和分类 (10)第二节岗位风险辨识过程 (11)第三节岗位风险辨识结果 (11)第四节岗位安全风险划分 (11)第三章岗位安全风险产生原因分析 (13)第一节知识与技能缺陷 (13)第二节思想和情绪因素 (13)第三节利益与管理原因 (14)第四节生产环境影响 (14)第四章岗位风险分级管理 (14)第五章各工种岗位风险管控措施 (15)采掘部分 (15)输送机司机安全风险管控制 (16)装、运、卸料工安全风险管控制 (16)锚网支护巷道掘进安全风险管控制—临时支护 (17)锚杆巷道掘进安全风险管控制—永久支护 (18)掘进机司机安全风险管控制 (19)掘进工安全风险控制 (21)机电运输部分 (22)一般电气维修工安全风险控制 (22)地面电工安全风险控制 (26)电焊与氧气切割工安全风险控制 (27)管道工安全风险控制 (28)车工安全风险控制 (30)钳工安全风险控制 (31)司炉工安全风险控制 (32)锅炉维修工安全风险控制 (33)矿井小绞车司机安全风险控制 (35)矿井绞车信号工安全风险控制 (36)井下电气设备检修安全风险控制 (37)矿灯工安全风险控制 (39)主通风机司机安全风险控制 (40)主通风机电气维修工安全风险控制 (41)主通风机机械维修工安全风险控制 (44)主排水泵司机安全风险管控制 (45)主排水泵电气维修工安全风险管控制 (46)主排水泵机械维修工安全风险管控制 (48)空压机司机安全风险管控制 (50)空压机电气维修工安全风险管控制 (51)空压机机械维修工安全风险管控制 (53)带式输送机司机安全风险管控制 (54)带式输送机电气维修工安全风险管控制 (56)带式输送机机械维修工安全风险管控制 (58)带式输送机司机安全风险管控制 (59)给煤机司机安全风险管控制 (60)变电所值班员安全风险管控制 (61)井筒装备维修工安全风险控制 (63)井下电钳工安全风险管控制 (64)斜井上信号工安全风险管控制 (65)斜井下信号工安全风险管控制 (67)防爆柴油车司机安全风险管控制 (68)矿车维修工安全风险管控制 (69)通风部分 (72)爆破材料保管员安全风险管控制 (72)爆破材料运送工安全风险管控制 (73)矿井爆破工安全风险管控制 (74)设备工安全风险管控制 (76)采煤工作面跟班瓦检员安全风险管控制 (78)掘进工作面瓦检员安全风险管控制 (81)监测工安全风险管控制 (85)第一章概述第一节辨识评估的目的、原则、对象和范围一、评估目的为实现我矿安全生产由被动防范向源头管理转变,有效遏制和防范重特大事故的发生,落实“安全第一、预防为主、综合治理”的安全生产工作方针,加强安全生产工作的控制力和事故的防范能力,落实安全措施自主保安,实现安全生产工作的制度化、规范化和科学化,本次对全矿井主要岗位进行安全风险辨识、评估,明确岗位安全风险管控内容,制定管控措施,提高煤矿的整体安全监控、管理水平。
岗位安全风险评估清单
以下是岗位安全风险评估清单的一些示例项目:
1. 工作环境
- 是否存在燃气泄漏或火灾风险?
- 是否有不合规的电气设备或线路?
- 是否有脱落物品或杂物堆放的风险?
- 是否有防护设施不完善的地方,如没有防护栏杆或护栏?
2. 人员安全
- 是否存在身体攻击或抢劫的风险?
- 是否为工作人员提供了合适的防身装备,如安全帽或防护手套?
- 是否存在工作过度或长期工作的风险,可能导致疲劳或身体
不适?
- 是否为员工提供适当的培训以处理紧急情况,如如火灾或自
然灾害?
3. 物品安全
- 是否存在盗窃或损坏财产的风险?
- 是否有适当的物品存储和保护措施,如保险柜或安全存储箱?- 是否有检查员工离开岗位时的安全程序和措施,如包检查或
办公室检查?
4. 应急响应
- 是否有应急计划和程序,以处理突发事件如火灾,地震或自然灾害?
- 是否定期进行应急演练或培训,以确保员工熟悉应急程序?- 是否提供适当的应急设备,如灭火器,急救箱和应急出口指示?
以上仅仅是一些常见的岗位安全风险评估项目,实际的清单可以根据具体行业和岗位的特定要求进行个性化的调整和补充。
加工安全生产岗位风险清单加工安全生产岗位风险清单加工行业是现代工业生产不可或缺的重要环节之一。
加工生产岗位每天接触各种机械设备、化学物品和高温环境,面临着许多潜在的安全风险。
为了保证工作场所的安全和员工的健康,下面将列举一些加工安全生产岗位的风险清单。
1. 机械伤害风险:- 机械设备的不当操作可能导致手指或其他身体部位的夹伤、撞伤等;- 机械设备故障或意外启动可能导致身体部位的切割、撕裂等伤害;- 长时间操作振动机械设备可能导致震动损伤或尘土对眼睛的伤害。
2. 化学品暴露风险:- 接触化学物品可能导致皮肤炎症、过敏反应或其他健康问题;- 不正确的存储和使用化学品可能引发火灾、爆炸或中毒事故;- 化学品泄漏或溅入眼睛、口腔或呼吸道可能导致严重的伤害。
3. 高温和火灾风险:- 操作高温设备可能导致烫伤或烧伤;- 高温设备或材料可能引发火灾和爆炸事故;- 高温环境可能导致中暑和热衰竭等健康问题。
4. 高处作业风险:- 高处作业可能导致坠落事故和身体损伤;- 使用不正确的工具或设备可能增加坠落风险;- 高处作业可能受到天气条件的影响,如风速和降雨量等。
5. 噪声和振动风险:- 长时间接触噪音可能导致听力损失、耳鸣或其他听力问题; - 长时间接触振动设备可能导致手部和腕部疾病,如手臂震动综合征;- 高噪音环境可能干扰员工集中注意力,增加错误操作和意外事故的风险。
6. 电气安全风险:- 不正确的维护和使用电气设备可能导致触电伤害;- 电气线路故障可能引发火灾、爆炸或其他事故;- 操作带电设备时不正确的操作可能导致电击伤害。
7. 物体打击风险:- 物体从高处坠落可能导致身体损伤;- 不恰当的堆放和存储可能导致物体滚落、倾斜等意外;- 使用不正确的工具或设备可能增加物体打击风险。
8. 疲劳和缺乏警觉风险:- 长时间工作可能导致疲劳和注意力不集中,增加错误操作和事故的风险;- 长时间单调重复的工作可能导致肌肉疲劳和重复性劳损; - 缺乏充足的休息和睡眠可能影响员工的身体和精神健康。
安全风险是指在生产经营活动中可能导致人员伤亡或财产损失的不确定性。
为了防范这些风险,需要制定相应的措施。
以下是一些较大安全风险的清单及防范措施:1. 高处坠落及物体打击风险:在施工作业过程中,工人可能会从高处坠落或被落下的物体击中。
为了防范这些风险,需要采取以下措施:* 为工人配备安全带、安全网等防护用品;* 在高处作业时设置安全网或防坠落设施;* 严禁向下抛掷物品;* 定期检查和维护高处作业设备。
2. 机械伤害风险:机械设备在运转过程中可能会对工人造成夹击、割伤等伤害。
为了防范这些风险,需要采取以下措施:* 为工人配备防护眼镜、手套等防护用品;* 定期检查和维护机械设备,确保其安全性能;* 培训工人正确操作机械设备,避免误操作。
3. 触电风险:电气设备可能存在漏电或电击等风险。
为了防范这些风险,需要采取以下措施:* 为工人配备绝缘鞋、手套等防护用品;* 对电气设备进行定期检查和维护,确保其正常运行;* 培训工人正确操作电气设备,避免误操作。
4. 火灾和爆炸风险:在生产过程中,可能会发生火灾或爆炸等事故。
为了防范这些风险,需要采取以下措施:* 配备灭火器、消防栓等消防设备;* 定期检查和维护消防设备,确保其正常使用;* 制定火灾应急预案,并进行演练;* 培训工人掌握灭火和疏散逃生的技能。
5. 中毒和窒息风险:在某些生产过程中,可能会产生有毒气体或导致工人中毒或窒息。
为了防范这些风险,需要采取以下措施:* 为工人配备呼吸器、防护服等防护用品;* 定期检查和维护通风设备,确保其正常运行;* 培训工人掌握中毒和窒息的应急处理技能;* 制定中毒和窒息应急预案,并进行演练。
以上是一些较大安全风险的清单及防范措施。
企业需要根据自身实际情况制定相应的安全管理制度和操作规程,并加强员工的安全教育和培训,确保安全生产无事故。
岗位职责风险点清单物业
1.负责小区内的安全防范工作,包括巡逻、监控和应急处理。
风险点:可能遇到盗窃、纵火等安全问题,需要及时处置和报警。
2.负责小区内的环境卫生保洁工作,包括垃圾清理、道路清扫等。
风险点:可能接触危险化学物品、垃圾等需注意个人防护和正确处理方式。
3. 负责小区内的设备设施的维护和维修工作,包括电梯、给排水系统等。
风险点:可能存在电气、机械等安全隐患,需遵循相关操作规程和安全操作规范。
4. 负责小区内的客户服务工作,包括接待、投诉处理等。
风险点:可能遇到矛盾纠纷,需善于沟通和处理问题。
5. 负责小区内的后勤保障工作,包括供水、供电等。
风险点:可能存在供水中断、电力故障等问题,需及时解决并通知相关部门。
目录第一章概述 (1)第一节辨识评估的目的、原则、对象和范围 (1)第二节岗位安全风险辨识依据 (2)第三节安全风险辩识评估的基本程序 (4)第二章岗位安全风险辨识和分类 (6)第一节岗位人员概况 (6)第二节岗位风险辨识过程 (6)第三节岗位风险辨识结果 (6)第四节岗位安全风险划分 (7)岗位风险等级划分 (7)第三章岗位安全风险产生原因分析 (8)第一节知识与技能缺陷 (8)第二节思想和情绪因素 (8)第三节利益与管理原因 (9)第四节生产环境影响 (9)第四章岗位风险分级管理 (9)第五章各工种岗位风险管控措施 (11)装、运、卸料工安全风险管控制 (11)锚网支护巷道掘进安全风险管控制—临时支护 (12)掘进安全风险管控制—永久支护 (13)掘进工安全风险控制 (14)一般电气维修工安全风险控制 (15)一般机械维修工安全风险控制 (17)地面电工安全风险控制 (19)电焊与氧气切割工安全风险控制 (21)管道工安全风险控制 (23)车工安全风险控制 (25)钳工安全风险控制 (27)司炉工安全风险控制 (29)锅炉维修工安全风险控制 (31)矿井小绞车司机安全风险控制 (33)矿井绞车信号工安全风险控制 (34)井下电气设备检修安全风险控制 (36)矿灯工安全风险控制 (38)主通风机司机安全风险控制 (40)主通风机电气维修工安全风险控制 (41)主通风机机械维修工安全风险控制 (43)主排水泵司机安全风险管控制 (45)主排水泵电气维修工安全风险管控制 (47)主排水泵机械维修工安全风险管控制 (49)空压机司机安全风险管控制 (51)空压机电气维修工安全风险管控制 (53)空压机机械维修工安全风险管控制 (55)变电所值班员安全风险管控制 (57)井筒装备维修工安全风险控制 (58)井下电钳工安全风险管控制 (60)斜井上信号工安全风险管控制 (61)斜井下信号工安全风险管控制 (62)矿车维修工安全风险管控制 (63)清理斜坡安全风险管控制 (64)爆破材料保管员安全风险管控制 (65)爆破材料运送工安全风险管控制 (66)矿井爆破工安全风险管控制 (67)掘进工作面瓦检员安全风险管控制 (69)安全检查工安全风险管控制 (70)第一章概述第一节辨识评估的目的、原则、对象和范围一、评估目的为实现我矿安全生产由被动防范向源头管理转变,有效遏制和防范重特大事故的发生,落实“安全第一、预防为主、综合治理”的安全生产工作方针,加强安全生产工作的控制力和事故的防范能力,落实安全措施自主保安,实现安全生产工作的制度化、规范化和科学化,本次对全矿井主要岗位进行安全风险辨识、评估,明确岗位安全风险管控内容,制定管控措施,提高煤矿的整体安全监控、管理水平。
各岗位安全生产负面清单岗位安全生产负面清单是指各个工作岗位上容易出现的安全隐患或不良习惯。
这些负面清单的存在对于维护员工的生命安全、保护企业的财产安全具有重要意义。
下面将为大家总结一份岗位安全生产负面清单,以便大家更好地避免这些问题的发生。
1. 零售店员:- 在忙碌的销售工作中,忽视货架上的物品摆放是否牢固。
- 不按规定的方法和工具搬运货物,导致摔伤或其他伤害。
- 忽视库存过高导致货架上物品容易从高处掉落。
2. 建筑工人:- 不正确使用安全带、头盔等防护装备。
- 不严格遵守搭建脚手架的操作规范,容易发生坠落事故。
- 擅自使用没有通过检验的工具或设备,增加了工作风险。
3. 渔民:- 忽视穿戴救生衣,容易发生溺水事故。
- 不按规定使用绳网,导致鱼船的倾覆等意外事故。
- 不了解海洋天气情况,进入恶劣条件下进行作业。
4. 印刷工人:- 忽视眼睛和手部的防护措施,导致眼睛受损、手部受伤。
- 不注意机器的维护保养,增加了机器故障和事故的概率。
- 忽视用火安全规定,导致火灾的发生。
5. 农民工:- 不按照操作规范使用农业机械,容易发生事故。
- 忽视安全防护用品的使用,如防护眼镜、口罩等,增加了健康风险。
- 不注意管理和处理农药,导致农药中毒的风险。
6. 快递员:- 驾驶时超速、违章行驶,增加了交通事故的风险。
- 忽视货物的规范存放,导致货物滑动或破损。
- 不按照操作规范把车辆停在安全区域,增加了行人和自己的安全风险。
7. 医护人员:- 忽视洗手和消毒等感染控制措施,导致病菌传播。
- 不规范使用医疗器械和操作方法,增加了医疗事故的风险。
8. 教师:- 忽视课堂安全,如实验时不正确操作,导致化学品泄漏或火灾等事故。
- 不按照规定进行学校安全演练,增加了学生在紧急情况下的伤害风险。
9. 厨师:- 忽视食品卫生和加工规范,导致食物中毒的发生。
- 不注意操作台的整洁和工作区域的清洁,导致跌倒或滑倒事故。
- 忽视炉灶的安全操作,增加火灾事故的风险。
岗位安全风险清单1、采煤机司机安全风险清单2、采煤机检修工安全风险清单3、液压支架操作工安全风险清单4、液压支架检修工安全风险清单5、刮板运输机司机安全风险清单6、刮板运输机检修工安全风险清单7、转载机司机安全风险清单8、转载机检修工安全风险清单9、液压泵站司机安全风险清单10、液压泵站检修工安安全风险清单11、端头(尾)支护工安全风险清单12、机械安装工安安全风险清单13、井下维修电工安全风险清单14、井下维修钳工安全风险清单15、胶带运输机司机安全风险清单16、胶带运输机检修工安全风险清单17、胶带运输机清理工安全风险清单18、电气安装工安全风险清单19、小水泵工安安全风险清单20、掘进机司机安全风险清单21、掘进机检修工安全风险清单22、打眼工安全风险清单23、锚网杆(索)支护工安全风险清单24、转载机司机安全风险清单25、管路维护工安全风险清单26、主水泵司机安全风险清单27、空压机司机安全风险清单28、主扇司机安全风险清单29、地面变配电工安全风险清单30、井下变配电工安全风险清单31、外线电工安全风险清单32、电气焊工安全风险清单33、搬运工安全风险清单34、局部通风机司机安全风险清单35、测风工安全风险清单36、测尘工安全风险清单37、注水工安全风险清单38、束管维护工安全风险清单39、风筒工安全风险清单40、监控员安全风险清单41、监测监控工安全风险清单42、防尘工安全风险清单43、通风设施工安全风险清单44、瓦斯检查工安全风险清单45、巷道维护工安全风险清单46、探放水操作工安全风险清单47、无轨胶轮车司机安全风险清单。
石材岗位风险清单石材岗位是一个具有一定危险性的职业,工作人员在操作过程中需要面对各种潜在的风险。
为了保障员工的安全和健康,必须对石材岗位的风险进行全面的评估和控制。
以下是石材岗位可能存在的风险清单。
1. 坠落风险:石材岗位常常需要在高处进行作业,如搬运石材、安装墙面等。
工人需要站在梯子上或者脚手架上进行操作,存在坠落风险。
为了减少坠落事故的发生,必须确保梯子和脚手架的稳固性,并且工人必须正确使用安全带等个人防护装备。
2. 物体打击风险:在搬运和安装大型石材时,如果操作不当,石材可能会突然滑落或者掉落,造成工人被物体打击伤害。
为了避免这种风险,必须使用合适的设备和工具,如吊车、吊装索具等,并确保操作人员熟悉操作流程和安全要求。
3. 石尘危害:在石材的切割、打磨、抛光等过程中,会产生大量的石尘。
长时间暴露在石尘中会对呼吸系统造成损害,引发呼吸道疾病。
为了保护工人的健康,必须提供合适的防护装备,如口罩、防护眼镜等,并确保工作区域有良好的通风设备。
4. 化学品危害:在石材加工过程中,常常需要使用化学品,如胶水、清洁剂等。
这些化学品可能存在刺激性或者腐蚀性,对工人的皮肤和眼睛造成伤害。
为了防止化学品危害,必须提供适当的防护装备,如手套、护目镜,并确保工人使用化学品时遵循安全操作规程。
5. 电击风险:石材岗位常常需要使用电动工具和设备,如电锯、砂轮机等。
如果工人在操作过程中不小心触碰电源线或者接触带电部件,可能会发生电击事故。
为了预防电击风险,必须确保设备的接地良好,并提供绝缘手套、绝缘鞋等个人防护装备。
6. 意外伤害风险:石材岗位的操作需要使用各种工具和设备,如切割机、起重机等。
如果操作人员不熟悉设备的使用方法或者操作不当,可能会发生意外伤害。
为了减少意外伤害风险,必须提供充足的培训和指导,并确保工人使用设备前进行必要的检查和维护。
7. 工作场所安全隐患:石材岗位的工作场所可能存在一些安全隐患,如地面的不平整、杂物堆放不当等。
电子厂岗位安全风险告知卡
1. 引言
这份文档旨在告知电子厂岗位工作人员相关的安全风险,并提供相应的预防措施,以确保工作场所的安全与健康。
2. 岗位安全风险列表
以下是电子厂岗位常见的安全风险:
2.1 电器危险
相关岗位:电工、维修人员、操作工
- 危险描述:使用电气设备时存在触电风险。
- 预防措施:
- 要求工作人员接受正规的电气安全培训。
- 使用带有绝缘手柄的工具。
- 定期检查电气设备的绝缘状况。
2.2 化学危险
相关岗位:实验室人员、化工操作工
- 危险描述:接触或吸入有害化学物质可能导致中毒或损害健康。
- 预防措施:
- 配备个人防护装备,如手套、眼镜和口罩。
- 提供关于化学品的标签和安全使用指南。
- 保持工作场所通风良好。
2.3 高处作业风险
相关岗位:搬运工、仓储人员、维修人员
- 危险描述:进行高处作业时可能发生坠落事故。
- 预防措施:
- 提供合适的工作平台和设备。
- 强制工作人员佩戴安全带。
- 设立明确的安全警戒区域。
2.4 机械危险
相关岗位:机械操作工、装配人员
- 危险描述:使用机械设备时可能出现夹紧、切割和压伤等事故。
- 预防措施:
- 要求工作人员接受机械操作安全培训。
- 定期检查和维护机械设备。
- 操作机械设备时要注意安全规程。
3. 总结
以上列出了电子厂岗位常见的安全风险以及相应的预防措施。
工作人员在工作过程中应保持高度警惕,并始终遵守安全规程,以确保工作场所的安全与健康。
岗位风险清单及管控措施一、岗位风险清单1. 身体健康风险:包括长时间坐姿引发的腰椎疼痛、眼睛疲劳和颈椎病等问题。
2. 工作压力风险:来自于工作量过大、工期紧张、任务重复和高强度工作等因素。
3. 精神压力风险:包括与同事或上级之间的关系紧张、工作不顺利导致的情绪低落和焦虑等问题。
4. 信息泄露风险:涉及到岗位处理的敏感信息可能被泄露给未经授权的人员。
5. 意外伤害风险:如电器设备故障、火灾、地震等突发事件可能导致员工受伤。
6. 个人安全风险:包括工作时遭遇威胁、袭击或抢劫等情况。
7. 职业发展风险:如技能过时、晋升机会不足等问题可能影响员工的职业发展。
二、管控措施1. 身体健康风险管控:a. 设定合理的工作时间和休息间隔,鼓励员工进行适当的体育锻炼。
b. 提供舒适的工作环境,如调整座椅高度、使用合适的显示器和键盘等。
c. 定期进行健康体检,及时发现和处理潜在的健康问题。
2. 工作压力风险管控:a. 合理分配工作量和工期,确保员工有足够的时间和资源完成任务。
b. 提供培训和发展机会,提升员工的工作能力和技能。
c. 建立有效的沟通机制,让员工能够及时反馈和解决工作中的问题。
3. 精神压力风险管控:a. 建立和谐的工作氛围,鼓励员工相互支持和帮助。
b. 提供心理咨询和支持服务,帮助员工应对工作中的情绪问题。
c. 培养员工的情绪管理和压力调节能力,提升心理素质。
4. 信息泄露风险管控:a. 严格管理敏感信息的访问权限,确保只有授权人员能够访问和处理相关信息。
b. 加强信息安全培训,提高员工对信息安全的意识和保护能力。
c. 定期进行信息安全审查,发现和修复潜在的漏洞和问题。
5. 意外伤害风险管控:a. 定期检查和维护电器设备,确保其正常运行和安全使用。
b. 制定逃生和应急预案,提供适当的应急设备和培训。
c. 加强员工安全意识教育,提醒他们在遇到突发事件时保持冷静并采取正确的应对措施。
6. 个人安全风险管控:a. 安装监控设备和报警系统,提高工作场所的安全性。
运输系统各岗位安全风险管控清单一、电机车司机岗位安全风险管控清单(一)风险描述1.巷道照明不良,轨道质量差,可能造成运输事故。
2.防范措施:确保巷道照明良好,满足照度要求。
加强轨道维护,确保轨道质量。
(二)风险描述1.风险描述:制动器、控制器等设备缺陷及其他缺陷,可能造成车辆运输事故。
2.防范措施:加强日常检修、维护工作。
(三)风险描述1.无警示标志可能造成运输事故。
2.防范措施:安装警示标志。
(四)风险描述1.风险描述:装车质量差,车辆重心不稳,可能发生掉道及材料滑出伤人事故。
2.防范措施:运输作业前检查装车质量,确保车辆捆绑、重心符合要求。
(五)风险描述1.道岔、弯道未减速慢行,可能造成掉道、翻车伤人事故。
2.防范措施:通过道岔、弯道等地段时要减速慢行。
(六)风险描述1.风险描述:处理掉道,可能造成车辆撞人、挤人、压人事故。
2.防范措施:严格执行掉道处置措施。
(七)风险描述1.风险描述:严格执行吹口哨制度,以吹口哨信号为准。
2.防范措施:保持安全跟车距离,严格执行“行人不行车、行车不行人”规定。
(八)风险描述1.风险描述:电机车进入弯道或视线不好路线时打滑、掉道。
2.防范措施:电机车必须有跟车查看是否具备开车条件,发出信息后,在开始作业。
二、架空乘人装置司机岗位安全风险管控清单(一)风险描述1.吊椅窜动、倾斜可能造成伤人。
2.防范措施:乘坐时人员检查抱索器衬垫是否磨损超限,吊椅是否变形、固定牢固;乘坐过程中不得前后左右摆动,并保持安全间距;发现吊椅倾斜时要及时处理,防止挂拌皮带架或横梁及其他障碍物。
(二)风险描述1.风险描述:钢丝绳断裂导致伤人。
2.防范措施:定期对钢丝绳进行检查,发现问题及时处理。
(三)风险描述1.风险描述:保护失效可能造成伤人。
2.防范措施:加强日常检查,定期试验各类保护。
(四)风险描述1.风险描述:人员乘坐不规范可能导致伤人。
2.防范措施:岗位司机随时监护人员乘坐情况,发现人员不在指定位置上下车、哄抢拥挤、带“四超件”上下车要及时制止。
抽采系统各岗位安全风险管控清单一、瓦斯抽采管路工岗位安全风险管控清单(一)风险描述1.风险描述:登高作业存在跌落摔伤风险;2.防范措施:严格按章作业,系好安全带,专人看护楼梯。
(二)风险隐患1.风险描述:在倒运物料,搬、拿、抬、杠作业时,存在碰手碰脚风险;2.防范措施:在搬、拿、抬、杠作业时,拿牢抬稳,严格执行手指口述、相互提醒,杜绝造成碰手碰脚事故。
(三)风险描述1.风险描述:起吊用具不完好、作业人员站位不当存在重物坠落伤人风险2.防范措施:检查起吊用具及吊挂点完好;起吊前先试吊,确认安全后方可继续起吊;人员远离起吊过程中物件可能波及的范围;专人监护,发生异常情况立即停止起吊;手拉链拉不动时,排查原因,严禁生拉硬拽;起吊作业中途停止,专人看护手拉链。
(四)风险描述1.风险描述:登高作业过程中,路径湿滑,存在崴伤风险。
2.防范措施:作业时,按章作业,站稳、系好安全带。
(五)风险描述1.风险描述:在抬运管路过程中,存在管路滑落挤伤,砸伤人员风险。
2.防范措施:抬运管路作业时,必须采用“软抬方式”即多人使用钻杆抬运,同时抬运过程中要步调一致,严禁上肩抬运。
二、钻机司机岗位安全风管控清单(一)风险描述1.风险描述:施工过程中,孔口喷出有毒有害气体危害2.防范措施:孔口悬挂便携仪,严禁干打眼,关注孔口瓦斯情况。
(二)风险描述1.风险描述:钻机操作不当,失误操作伤人2.防控措施:开钻前检查周围作业环境,确保作业环境安全;施工过程中按照作业流程施工。
(三)风险描述1.风险描述:作业地点存在透水伤害因素2.防范措施:发现透水隐患及时组织人员按避灾路线逃生,采取自救措施,严格执行各项探放水措施流程。
(四)风险描述1.风险描述:水力冲孔时高压水喷出、水管射出伤人2.防范措施:高压水管接口处连接小链紧固,动态检查连接销完好情况。
(五)风险描述1.风险描述:顶板不完好,存在冒顶片帮,矸掉落伤人风险2.防范措施:严格执行敲帮问顶制度;顶板支护必须完好,每班检查,存在隐患第一时间处理。
职业安全风险清单
以下是职业安全的一些常见风险清单,旨在帮助员工和雇主认识并管理工作环境中可能存在的潜在威胁。
1.物理危险
不稳定的工作环境:如施工工地、高处作业等存在跌倒、滑倒等风险。
使用危险工具和设备:破碎机械、电锯等易引发伤害的工具和设备需要注意操作和保护。
电气设备故障:电线老化、电路短路等因素可能导致触电和火灾等危险。
2.化学危险
有害物质:接触、吸入、低剂量长期接触有害物质,如毒化学品等。
化学品泄漏:处理、运输化学品时泄漏可能产生气体、液体和固体危险。
3.生物危险
感染病原体:在医疗、动物接触和处理垃圾等环境中引起疾病的微生物感染。
昆虫咬伤:某些工作环境可能存在蚊虫、蜜蜂等昆虫叮咬导致疾病传播的风险。
4.劳动强度风险
长时间操作:工作时间过长可能引发疲劳和身体不适。
重复动作:进行长时间、频繁的身体动作可能导致肌肉和骨骼问题。
5.精神压力风险
工作压力:高强度、高频率的工作压力可能导致焦虑、抑郁等心理健康问题。
职业暴力:某些行业(如警务、服务业)可能遭受暴力威胁。
6.人为因素风险
安全意识不足:员工对职业安全重要性的认识不足,可能导致疏忽大意。
不遵守操作规程:违反操作规程或标准程序可能导致事故和伤害发生。
对于每一种风险,雇主和员工应该加强安全意识、提供必要的培训和装备,并遵守相关法规和标准,以最大程度地减少职业安全风险的发生。
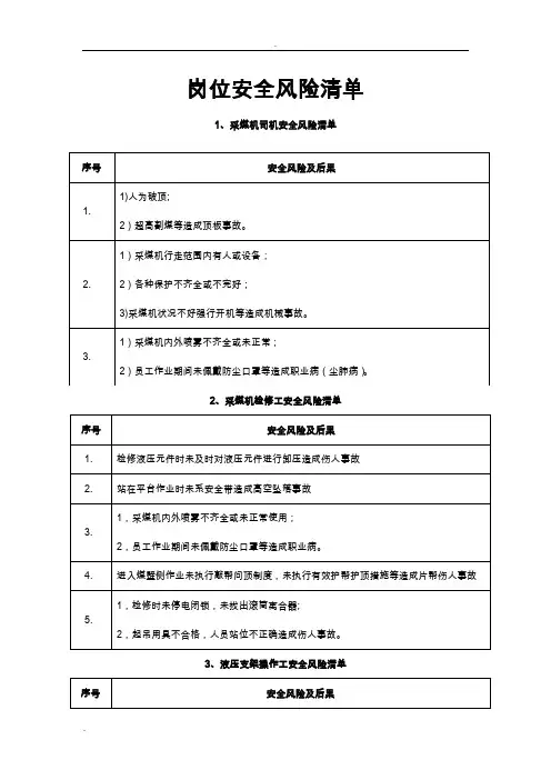
岗位安全风险清单
1、采煤机司机安全风险清单
2、采煤机检修工安全风险清单
3、液压支架操作工安全风险清单
4、液压支架检修工安全风险清单
5、刮板运输机司机安全风险清单
8、转载机检修工安全风险清单
10、液压泵站检修工安安全风险清单
12、机械安装工安安全风险清单
18、电气安装工安全风险清单
20、掘进机司机安全风险清单
21、掘进机检修工安全风险清单
22、打眼工安全风险清单
26、主水泵司机安全风险清单
33、搬运工安全风险清单
34、局部通风机司机安全风险清单
42、防尘工安全风险清单。