单层钢结构安装检验批质量验收记录
- 格式:xls
- 大小:31.00 KB
- 文档页数:2
钢结构工程检验批质量验收记录表旁站监理方案本文介绍了钢结构零部件加工工程的检验批质量验收记录表,以及钢构件组装工程检验批质量验收记录表。
其中,钢结构天桥和吊车梁(桁架)是本文中需要进行验收的两个部位。
钢结构零部件加工工程检验批质量验收记录表中,需要检验的内容包括材料品种、规格、钢材复验、切面质量、矫正和成型、边缘加工和制孔等方面。
具体的验收标准和规定在表格中有详细说明。
钢构件组装工程检验批质量验收记录表中,需要检验的内容包括焊接H型钢接缝、焊接H型钢精度、焊接组装精度、顶紧接触面、轴线交点错位、焊缝坡口精度、铣平面保护和外形尺寸等方面。
同样,具体的验收标准和规定在表格中有详细说明。
在进行验收时,需要由专业工长(施工员)进行检查评定,并由施工单位进行检查评定记录。
如果符合验收标准和规定,则为合格,否则为不合格。
最后,本文提供了监理(建设)单位验收结论的空白表格,需要由专业监理工程师进行填写,并由建设单位项目专业技术负责人进行签字确认。
总之,本文提供了一份完整的钢结构零部件加工工程和钢构件组装工程的验收记录表格,有助于确保工程质量的合格性。
项目经理XXX加强分包项目经理施工执行标准名称及编号为《钢结构工程施工质量验收规范》(GB-2001)。
其中,多层板叠螺栓孔第9.2.1条规定施工单位检查评定记录监理(建设)单位验收记录通过率应达标。
经检查,主控项目符合要求,一般项目抽样检查均符合设计及规范要求。
针对涂料性能第4.9.1条,涂装基层验收、涂层厚度、涂料质量、表面质量、附着力测试、标志等方面的验收,施工单位检查评定记录应符合设计标准要求。
经检验,涂层符合要求,无结皮、结块、误涂、漏涂,标志清晰。
施工班组长表示主控项目检验合格,一般项目抽样检验符合设计及规范要求。
针对钢结构防火涂料涂装工程的验收,施工单位检查评定记录应符合《钢结构工程施工质量验收规范》(GB-2001)的规定。
涂层表面质量的验收应符合第14.3.6条。
钢结构分部(子分部)工程验收记录(GB50300-2001)表编号:□□□□□□注:除地基基础分部外,勘察单位可不参加。
钢结构焊接分项工程质量验收表(GB50300-2001)表编号:□□□□□□钢结构(钢构件焊接)分项工程检验批质量验收记录(GB50205-2001)表编号:010901/020401□□□零件及部件加工分项工程质量验收表(GB50300-2001)表编号:□□□□□□钢结构(零件及部件加工)分项工程检验批质量验收记录(GB50205-2001)表编号:010905/020405□□□构件组装分项工程质量验收表(GB50300-2001)表编号:□□□□□□钢结构(构件组装)分项工程检验批质量验收记录(GB50205-2001)表编号:020406□□□预拼装分项工程质量验收表(GB50300-2001)表编号:钢结构(预拼装)分项工程检验批质量验收记录(GB50205-2001)表编号:020407□□□单层结构安装分项工程质量验收表(GB50300-2001)表编号:钢结构(单层结构安装)分项工程检验批质量验收记录(GB50205-2001)表编号:020408□□□普通坚固件连接分项工程质量验收表(GB50300-2001)表编号:□□□□□□钢结构(普通紧固件连接)分项工程检验批质量验收记录(GB50205-2001)表编号:010903/020403□□□高强度螺栓连接分项工程质量验收表(GB50300-2001)表编号:□□□□□□钢结构(高强度螺栓连接)分项工程检验批质量验收记录(GB50205-2001)表编号:010904/020404□□□压型金属板分项工程质量验收表(GB50300-2001)表编号:□□□□□□钢结构(压型金属板)分项工程检验批质量验收记录(GB50205-2001)表编号:020411□□□防腐涂料涂装分项工程质量验收表(GB50300-2001)表编号:□□□□□□钢结构(防腐涂料涂装)分项工程检验批质量验收记录(GB50205-2001)表编号:020412□□□(GB50300-2001)表编号:□□□□(GB50300-2001)表编号:□□□□金属板材屋面分项工程质量验收表(GB50300-2001)表编号:□□□□□□钢结构(金属板材屋面)分项工程检验批质量验收记录(GB50207-2002)表编号:040403□□□细部构造分项工程质量验收表(GB50300-2001)表编号:□□□□□□钢结构(细部结构)分项工程检验批质量验收记录(GB50207-2002)表编号:040404□□□。
钢结构工程有关安全及功能的检验和见证检测项目钢结构分部(子分部)工程有关安全及功能的检验和见证检测项目按下表规定进行。
钢结构分部(子分部)工程有关安全及功能的检验和见证检测项目项次项目抽检数量及检验方法合格质量标准备注见证取样送样试验项目符合设计要求和见规范第 4.2.2、4.3.2、(1)钢材及焊接材料复4.4.2、4.4.3、6.3.1、12.3.3 国家现行有关产验条规定品标准的规定1 (2)高强度螺栓预拉力、扭矩系数复验(3)摩擦面抗滑移系数复验(4)网架节点承载力试验焊缝质量:一、二级焊缝按焊缝处规范第 5.2.4 、(1)内部缺陷数随机抽检3%,且不应5.2.6、5.2.8、5.2.92(2) 外观缺陷(3) 焊缝尺寸少于 3 处;检验采用超声波或射线探伤及本规条规定范第 5.2.6、5.2.8、5.2.9条方法。
高强度螺栓施工质量按节点数随机抽验3%,规范第 6.3.2 、3(1)终拧扭矩(2)梅花头检查且不应少于 3 个节点,检验按本规范第 6.3.2、6.3.3、6.3.8 条的规定(3)网架螺栓球节点6.3.6、6.3.8 条方法执行柱脚及网架支座按柱脚及网架支座数随符合设计要求和4(1)锚栓紧固(2)垫板、垫块机抽检10%,且不应少于3 个;采用观察和尺规范的规定(3)二次灌浆量等方法进行检验主要构件变形除网架结构外,其他按规范第10.3.3 、(1)钢屋(托)架、桁架构件数随机抽检3%,且11.3.2 、11.3.4 、5钢梁、吊车梁等垂直度和侧向弯曲不应少于 3 个;检验方法按本规范第10.3.3、12.3.4 条的规范(2)钢柱垂直度11.3.2 、11.3.4 、12.3.4(3)网架结构挠度条执行主体结构尺寸见规范第10.3.4、11.3.5 规范第10.3.4 、注:以上所指规范皆为GB50205——2001 《钢结构工程施工质量验收规范》1钢结构工程有关观感质量检查项目钢结构部分(子分部)工程观感质量检查项目按以下表规定进行钢结构分部(子分部)工程观感质量检查项目项次项目抽检数量合格质量标准备注1 普通涂层表面随机抽查 3 个轴线结构构件规范第14.2.3 条的要求2 防火涂层表面随机抽查3 个轴线结构构件随机抽查个轴3规范第14.3.4、14.3.5、14.3.6 条的要求3 压型金属板表面规范第13.3.4 条的要求线间压型金属板表面4 钢平台、钢梯、钢栏杆随机抽查10% 连接牢固,无明显外观缺陷注:以上所指规范皆为GB50205——2001 《钢结构工程施工质量验收规范》钢结构分项工程检验批验收质量验收记录表钢结构(钢构件焊接)分项工程检验批质量验收应按下表进行记录。
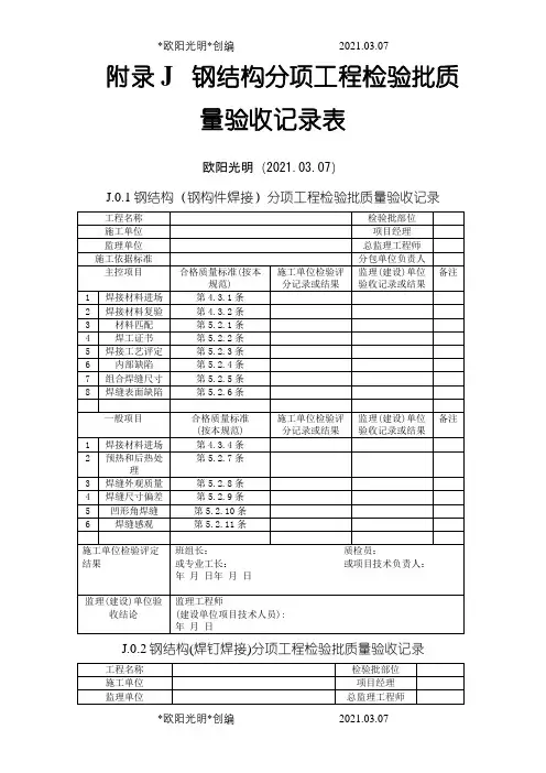
钢结构(钢构件焊接)分项工程检验批质量验收记录表J.0.1 工程名称检验批部位施工单位项目经理监理单位总监理工程师施工依据标准钢结构工程质量验收规范(GB50205-2001)分包单位负责人主控项目合格质量标准(GB50205-2001)施工单位检验评分记录或结果监理(建设)单位验收记录或结果备 注1 焊接材料进场第4.3.1条2 焊接材料复验第4.3.2条3 材料匹配第5.2.1条4 焊工证书第5.2.2条5 焊接工艺评定第5.2.3条6 内部缺陷第5.2.4条7 组合焊缝尺寸第5.2.5条8 焊缝表面缺陷第5.2.6条一般项目合格质量标准(GB50205-2001)施工单位检验评分记录或结果监理(建设)单位验收记录或结果备 注1 焊接材料进场第4.3.4条2 预热和后热处理第5.2.7条3 焊缝外观质量第5.2.8条4 焊缝尺寸偏差第5.2.9条5 凹形角焊缝第5.2.10条6 焊缝感观第5.2.11条施工单位 检验评定结果班 组 长: 质检员:或专业工长: 或项目技术负责人: 年 月日年 月 日监理(建设)单位验收结论监理工程师(建设单位项目技术人员): 年 月 日钢结构(焊钉焊接)分项工程检验批质量验收记录表J.0.2工程名称检验批部位施工单位项目经理监理单位总监理工程师施工依据标准钢结构工程质量验收规范(GB50205-2001)分包单位负责人主控项目合格质量标准(GB50205-2001)施工单位检验评定记录或结果监理(建设)单位验收记录或结果备 注1 焊接材料进场第4.3.1条2 焊接材料复验第4.3.2条3 焊接工艺评定第5.3.1条4 焊后弯曲试验第5.3.2条一般项目合格质量标准(GB50205-2001)施工单位检验评定记录或结果监理(建设)单位验收记录或结果备 注1 焊钉和瓷环尺寸第4.3.3条2 焊缝外观质量第5.3.3条施工单位检验评定结果班 组 长: 质检员:或专业工长: 或项目技术负责人:年 月日年 月 日监理(建设)单位验收结论监理工程师(建设单位项目技术人员): 年月 日表J.0.3工程名称检验批部位施工单位项目经理监理单位总监理工程师施工依据标准钢结构工程质量验收规范(GB50205-2001)分包单位负责人主控项目合格质量标准(GB50205-2001)施工单位检验评定记录或结果监理(建设)单位验收记录或结果备 注1 成品进场第4.4.1条2 螺栓实物复验第6.2.1条3 匹配及间距第6.2.2条一般项目合格质量标准(GB50205-2001)施工单位检验评定记录或结果监理(建设)单位验收记录或结果备 注1 螺栓紧固第6.2.3条2 外观质量第6.2.4条施工单位检验评定结果班 组 长: 质检员:或专业工长: 或项目技术负责人:年 月 日年月 日监理(建设)单位验收结论监理工程师(建设单位项目技术人员): 年月 日表J.0.4工程名称检验批部位施工单位项目经理监理单位总监理工程师施工依据标准钢结构工程质量验收规范(GB50205-2001)分包单位负责人主控项目合格质量标准(GB50205-2001)施工单位检验评分记录或结果监理(建设)单位验收记录或结果备 注1 成品进场第4.1.1条2 扭矩系数或预拉力复验第4.2.2条或第4.2.3条3 抗滑移系数试验第6.3.1条4 终拧扭矩第6.3.2条或 第6.3.3条5一般项目合格质量标准(GB50205-2001)施工单位检验评分记录或结果监理(建设)单位验收记录或结果备 注1 成品包装第4.4.4条2 表面硬度试验第4.4.5条3 初拧、复拧扭矩第6.3.4条4 连接外观质量第6.3.5条5 摩擦面外观第6.3.6条6 扩孔第6.3.7条7 网架螺栓紧固第6.3.8条8施工单位 检验评定结果班 组 长: 质检员: 或专业工长: 或项目技术负责人: 年月日年月日监理(建设)单位验收结论监理工程师(建设单位项目技术人员): 年 月日钢结构(零件及部部件加工)分项工程检验批质量验收记录表J.0.5工程名称检验批部位施工单位项目经理监理单位总监理工程师施工依据标准钢结构工程质量验收规范(GB50205-2001)分包单位负责人主控项目合格质量标准(GB50205-2001)施工单位检验评分记录或结果监理(建设)单位验收记录或结果备 注1 材料进场第4.2.1条2 钢材复验第4.2.2条3 切面质量第6.3.1条4 矮正和成型第7.3.1条或第7.3.2条5 边缘加工第7.4.1条6 螺栓球、焊接球加工第7.5.1条和第7.5.2条7 制孔第7.6.1条8一般项目合格质量标准(GB50205-2001)施工单位检验评分记录或结果监理(建设)单位验收记录或结果备 注1 材料规格尺寸第4.2.3条或第4.2.3条2 钢材表面质量第4.2.5条3 切割精度第7.2.2条或第7.2.3条4 矫正质量第7.3.3条、第7.3.4条和第7.3.5条5 边缘加工精第7.4.2条6 螺栓球、焊接球加工精度第7.5.3条和第7.5.4条7 管件加工精第7.5.5条8 制孔精度第7.6.2条和第7.6.3条9施工单位 检验评定结果班 组 长: 质检员: 或专业工长: 或项目技术负责人: 年月 日年月日监理(建设)单位验收结论监理工程师(建设单位项目技术人员): 年 月 日钢结构(构件组装)分项工程检验批质量验收记录表J.0.6工程名称检验批部位施工单位项目经理监理单位总监理工程师施工依据标准钢结构工程质量验收规范(GB50205-2001)分包单位负责人主控项目合格质量标准(GB50205-2001)施工单位检验评分记录或结果监理(建设)单位验收记录或结果备 注1 吊车梁(桁架)第8.3.1条2 端部铣平精度第8.4.1条3 外形尺寸第8.5.1条4一般项目合格质量标准(GB50205-2001)施工单位检验评分记录或结果监理(建设)单位验收记录或结果备 注1 焊接H型钢接缝第8.2.1条2 焊接H型钢精度第8.2.2条3 焊接组装精度第8.3.2条4 顶紧接触面第8.3.3条5 轴线交点错位第8.3.4条6 焊缝坡口精度第8.4.2条7 铣平面保护第8.4.3条8 外形尺寸第8.5.2条9施工单位 检验评定结果班 组 长: 质检员: 或专业工长: 或项目技术负责人: 年 月日年月日监理(建设)单位验收结论监理工程师(建设单位项目技术人员): 年 月日钢结构(预拼装)分项工程检验批质量验收记录表J.0.7工程名称检验批部位施工单位项目经理监理单位总监理工程师施工依据标准钢结构工程质量验收规范(GB50205-2001)分包单位负责人主控项目合格质量标准(GB50205-2001)施工单位检验评定记录或结果监理(建设)单位验收记录或结果备 注1 多层板叠栓孔第9.2.1条23一般项目合格质量标准(GB50205-2001)施工单位检验评定记录或结果监理(建设)单位验收记录或结果备 注1 预拼装精度23施工单位 检验评定结果班 组 长: 质检员: 或专业工长: 或项目技术负责人: 年 月日年 月 日监理(建设)单位验收结论监理工程师(建设单位项目技术人员): 年 月日表J.0.8工程名称检验批部位施工单位项目经理监理单位总监理工程师施工依据标准钢结构工程质量验收规范(GB50205-2001)分包单位负责人主控项目合格质量标准(GB50205-2001)施工单位检验评分记录或结果监理(建设)单位验收记录或结果备 注1 基础验收第10.2.1条、第10.2.2条、第10.2.3条、第10.2.4条2 构件验收第10.3.1条3 顶紧接触面第10.3.2条4 垂直度和侧弯曲第10.3.3条5 主体结构尺寸第10.3.4条6一般项目合格质量标准(GB50205-2001)施工单位检验评分记录或结果监理(建设)单位验收记录或结果备 注1 地脚螺栓精度第10.2.5条2 标记第10.3.5条3 桁架、梁安装精度第10.3.6条4 钢柱安装精度第10.3.7条5 吊车梁安装精度第10.3.8条6 檀条等安装精度第10.3.9条7 平台等安装精度第10.3.10条8 现场组对精度第10.3.11条9 结构表面第10.3.12条施工单位 检验评定结果班 组 长: 质检员: 或专业工长: 或项目技术负责人: 年 月 日年 月日监理(建设)单位验收结论监理工程师(建设单位项目技术人员): 年月日表J.0.9工程名称检验批部位施工单位项目经理监理单位总监理工程师施工依据标准钢结构工程质量验收规范(GB50205-2001)分包单位负责人主控项目合格质量标准(GB50205-2001)施工单位检验评分记录或结果监理(建设)单位验收记录或结果备 注1 基础验收第11.2.1条、第11.2.2条、第11.2.3条、第11.2.4条2 构件验收第11.3.1条3 钢柱安装精度第11.3.2条4 顶紧接触面第11.3.3条5 垂直度和侧弯曲第11.3.4条6 主体结构尺寸第11.3.5条一般项目合格质量标准(GB50205-2001)施工单位检验评分记录或结果监理(建设)单位验收记录或结果备 注1 地脚螺栓精度第11.2.5条2 标记第11.3.7条3 构件安装精度第11.3.8条和 第11.3.10条4 主体结构高度第11.3.9条5 吊车梁安装精度第11.3.11条6 檀条等安装精度第11.3.12条7 平台等安装精度第11.3.13条8 现场组对精度第11.3.14条9 结构表面第11.3.6条施工单位 检验评定结果班 组 长: 质检员:或专业工长: 或项目技术负责人: 年月 日年 月 日监理(建设)单位验收结论监理工程师(建设单位项目技术人员): 年 月日表J.0.10工程名称检验批部位施工单位项目经理监理单位总监理工程师施工依据标准钢结构工程质量验收规范(GB50205-2001)分包单位负责人主控项目合格质量标准(GB50205-2001)施工单位检验评分记录或结果监理(建设)单位验收记录或结果备 注1 焊接球第4.5.1条和 第4.5.2条2 螺栓球第4.6.1条和 第4.6.2条3 封板、锥头、套筒第4.7.1条 第4.7.2条4 橡胶垫第4.10.1条5 基础验收第12.2.1条、 第12.2.2条6 支座第12.2.3条、 第12.2.4条7 拼装精度第12.3.1条、 第12.3.2条8 节点承载力试验第12.3.3条9 结构挠度第12.3.4条一般项目合格质量标准(GB50205-2001)施工单位检验评分记录或结果监理(建设)单位验收记录或结果备 注1 焊接球精度第4.5.3条、 第4.5.4条2 螺栓球精度第4.6.4条3 螺栓球螺纹精度第4.6.3条4 锚栓精度第12.2.5条5 结构表面第12.3.5条6 安装第12.3.6条施工单位检验评定结果班组长: 质检员: 或专业组长: 或项目技术负责人: 年月日年月日监理(建设)单位验收结论监理工程师(建筑单位项目技术人员): 年月日钢结构(压型金属片)分项工程检验批质量验收记录表 J.0.11工程名称检验批部位施工单位项目经理监理单位总监理工程师施工依据标准钢结构工程质量验收规范(GB50205-2001)分包单位负责人主控项目合格质量标准(GB50205-2001)施工单位检验评定记录或结果监理(建设)单位验收记录或结果备注1 压型金属板进场 第4.8.1条 第4.8.2条2 基板裂纹 第13.2.1条3 涂层缺陷 第13.2.2条4 现场安装 第13.3.1条5 搭接 第13.3.2条6 端部锚固 第13.3.3条一般项目合格质量标准(GB50205-2001)施工单位检验评定记录或结果监理(建设)单位验收记录或结果备 注1 压型金属板精度 第14.8.3条2 轧制精度 第13.2.3条 第13.2.5条3 表面质量 第13.2.4条4 安装质量 第13.3.4条5 安装精度 第13.3.5条施工单位检验评定结果 班 组 长: 质 检 员:或专业工长: 或项目技术负责人:年 月 日 年 月 日监理(建设)单位验收结论监理工程师(建设单位项目技术人员): 年 月 日钢结构(防腐涂料涂装)分项工程检验批质量验收记录表 J.0.12工程名称检验批部位施工单位项目经理监理单位 总监理工程师施工依据标准 钢结构工程质量验收规范(GB50205-2001)分包单位负责人主控项目合格质量标准(GB50205-2001)施工单位检验评定记录或结果监理(建设)单位验收记录或结果备 注1 产品进场 第4.9.1条2 表面处理 第14.2.1条3 涂层厚度 第14.2.2条一般项目合格质量标准(GB50205-2001)施工单位检验评定记录或结果监理(建设)单位验收记录或结果备注1 产品进场 第4.9.3条2 表面质量 第14.2.3条3 附着力测试 第14.2.4条4 标志 第14.2.5条施工单位检验评定结果 班 组 长: 质 检 员:或专业工长: 或项目技术负责人:年 月 日 年 月 日监理(建设)单位验收结论监理工程师(建设单位项目技术人员): 年 月 日钢结构(防火涂料涂)分项工程检验批质量验收记录表 J.0.13工程名称检验批部位施工单位项目经理监理单位总监理工程师施工依据标准钢结构工程质量验收规范(GB50205-2001)分包单位负责人主控项目合格质量标准(GB50205-2001)施工单位检验评定记录或结果监理(建设)单位验收记录或结果备注1 产品进场 第4.9.2条2 涂装基层验收 第14.3.1条3 强度试验 第14.3.2条4 涂层厚度 第14.3.3条5 表面裂缝 第14.3.4条一般项目合格质量标准(GB50205-2001)施工单位检验评定记录或结果监理(建设)单位验收记录或结果备注1 产品进场第4.9.3条2 基层表面第14.3.5条3 涂层表面质量第14.3.6条施工单位检验评定结果班组长:质检员:或专业工长:或项目技术负责人:年月日年月日监理(建设)单位验收结论监理工程师(建设单位项目技术人员):年月日。
附录J 钢结构分项工程检验批质
量验收记录表
欧阳光明(2021.03.07)
J.0.1钢结构(钢构件焊接)分项工程检验批质量验收记录
J.0.2钢结构(焊钉焊接)分项工程检验批质量验收记录
J.0.3钢结构(普通紧固件连接)分项工程检验批质量验收记录
J.0.4钢结构(高强度螺栓连接)分项工程检验批质量验收记录
J.0.5钢结构(零件及部部件加工)分项工程检验批质量验收记录
J.0.6钢结构(构件组装)分项工程检验批质量验收记录
J.0.7钢结构(预拼装)分项工程检验批质量验收记录
J.0.8钢结构(单层结构安装)分项工程检验批质量验收记录
表J.0.9钢结构(多层结构安装)分项工程检验批质量验收记录
J.0.10钢结构(网架结构安装)分项工程检验批质量验收记录
J.0.11钢结构(压型金属板)分项工程检验批质量验收记录
J.0.12钢结构(防腐涂料涂装)分项工程检验批质量验收记录
J.0.13钢结构(防火涂料涂装)分项工程检验批质量验收记录。
附录J钢结构分项工程检验批质量验收记录表J.0.1钢结构(钢构件焊接)分项工程检验批质量验收应按表J.0.1进行记录。
表J.0.1钢结构(钢构件焊接)分项工程检验批质量验收记录J.0.2钢结构(焊钉焊接)分项工程检验批质量验收应按表J.0.2进行记录。
表J.0.2钢结构(焊钉焊接)分项工程检验批质量验收记录J.O.3钢结构(普通紧固件连接)分项工程检验批质量验收应按表J.O.3进行记录。
表J.0.3钢结构(普通紧固件连接)分项工程检验批质量验收记录J.0.4钢结构(高强度螺栓连接)分项工程检验批质量验收应按表J.0.4进行记录。
表J.0.4钢结构(高强度螺栓连接)分项工程检验批质量验收记录J.0.5钢结构(零件及部件加工)分项工程检验批质量验收应按表J.O.5进行记录。
表J.O.5钢结构(零件及部件加工)分项工程检验批质量验收记录J.O.6钢结构(构件组装)分项工程检验批质量验收应按表J.O.6进行记录。
表J.0.6钢结构(构件组装)分项工程检验批质量验收记录J.0.7钢结构(预拼装)分项工程检验批质量验收应按表J.0.7进行记录。
表J.0.7钢结构(预拼装)分项工程检验批质量验收记录J.0.8钢结构(单层结构安装)分项工程检验批质量验收应按表J.0.8进行记录。
表J.0.8钢结构(单层结构安装)分项工程检验批质量验收记录J.0.9钢结构(多层及高层结构安装)分项工程检验批质量验收应按表J.0.9进行记录。
表J.O.9钢结构(多层及高层结构安装)分项工程检验批质量验收记录J.O.10钢结构(网架结构安装)分项工程检验批质量验收应按表J.O.10进行记录。
表J.O.10钢结构(网架结构安装)分项工程检验批质量验收记录J.0.11钢结构(压型金属板)分项工程检验批质量验收应按表J.O.11进行记录。
表J.0.11钢结构(压型金属板)分项工程检验批质量验收记录J.0.12钢结构(防腐涂料涂装)分项工程检验批质量验收应按表J.0.12进行记录。
建筑钢结构工程检验批质量验收记录表
项目名称:______________________
建设单位:______________________
施工单位:______________________
监理单位:______________________
检验批次:______________________
以上为建筑钢结构工程检验批质量验收记录表的样本。
根据具体工程情况和技术要求,填写构件名称、规格型号、构件数量、技术要求,并进行逐项检验。
填写检验结果,如合格或不合格。
如有需要,可以在备注栏中添加额外信息。
验收记录表可根据具体工程的要求进行自定义和修改,以满足实际需要。
请注意,本文档仅为样本,具体填写内容需要根据实际工程情况进行调整。
填写时应严格按照项目要求和相关规范进行操作。
附录J 钢结构分项工程检验批质量验收记录表
令狐文艳
J.0.1钢结构(钢构件焊接)分项工程检验批质量验收记录
J.0.2钢结构(焊钉焊接)分项工程检验批质量验收记录
J.0.3钢结构(普通紧固件连接)分项工程检验批质量验收记录
J.0.4钢结构(高强度螺栓连接)分项工程检验批质量验收记录
J.0.5钢结构(零件及部部件加工)分项工程检验批质量验收
记录
J.0.6钢结构(构件组装)分项工程检验批质量验收记录
J.0.7钢结构(预拼装)分项工程检验批质量验收记录
J.0.8钢结构(单层结构安装)分项工程检验批质量验收记录
表J.0.9钢结构(多层结构安装)分项工程检验批质量验收记
录
J.0.10钢结构(网架结构安装)分项工程检验批质量验收记
录
J.0.11钢结构(压型金属板)分项工程检验批质量验收记录
J.0.12钢结构(防腐涂料涂装)分项工程检验批质量验收记
录
J.0.13钢结构(防火涂料涂装)分项工程检验批质量验收记
录。
钢结构焊接检验批质量验收记录记录编号:XXXXX日期:XXXX年XX月XX日一、基本信息:项目名称:XXXXX委托单位:XXXXX监理单位:XXXXX施工单位:XXXXX焊接工程师:XXXXX二、焊接材料检验:1.焊条或焊丝的合格证、质量证明、检验报告等相关文件齐全,并符合项目要求。
2.焊接材料的外观无任何锈蚀、氧化等缺陷。
3.焊接材料的规格、型号、批号、标识等信息与合格证一致。
三、焊工资质:1.所有焊工持有焊工资质证书,并定期进行职业技能培训,保持良好的焊接技能水平。
2.焊工的技术档案齐全,并符合项目要求。
四、工艺规程合格性:1.工艺规程符合相关国家标准和项目要求,并得到了监理单位的审查和批准。
2.对于特殊工艺要求,焊接工程师要进行一对一指导,并监督焊工的操作。
3.工艺规程的填写符合要求,包括焊接方法、参数、预热温度、层间温度控制等内容。
五、焊接设备检验:1.焊接设备具有合法的检验合格证明,并定期进行检验维护。
2.焊接设备的接地和保护措施符合要求。
3.焊机输出电压、电流等参数与工艺规程一致。
六、焊接工艺过程监控:1.焊接工艺过程记录的填写规范、完整,并符合相关国家标准和项目要求。
2.对于每道焊缝,焊接工艺过程记录中包括焊接参数、预热温度、焊后处理等信息。
3.工艺过程监控的记录中包括焊接操作人员的签字和日期,并得到了焊接工程师的确认。
七、可视检验:1.对于每道焊缝,进行可视检验,确保焊缝外观光洁,无裂纹、夹渣、气孔、夹杂物等缺陷。
2.合格的焊缝应符合相关国家标准和项目要求的质量要求。
八、无损检测:1.对于焊缝的关键部位,进行无损检测,包括超声波检测、射线检测等。
2.检测报告齐全,并有资质检验单位的签章和报告编号。
九、力学性能检验:1.从焊接出来的构件中取样,进行拉伸、冲击等力学性能测试。
2.检测报告齐全,并有资质检验单位的签章和报告编号。
十、其他:(根据具体项目要求填写其他相关内容)十一、验收结论:本次焊接检验批的质量验收结果如下:□合格□不合格验收人员(签字):XXX验收日期:XXXX年XX月XX日附:焊接工艺规程、焊接过程记录、焊接设备检验报告、可视检验记录、无损检测报告、力学性能检验报告等相关资料的复印件。
钢结构分项工程检验批质量验收记录表钢结构(钢构件焊接)分项工程检验批质量验收记录
钢结构(焊钉焊接)分项工程检验批质量验收记录
钢结构(普通紧固件连接)分项工程检验批质量验收记录
钢结构(高强度螺栓连接)分项工程检验批质量验收记录
钢结构(零件及部件加工)分项工程检验批质量验收记录
钢结构(构件组装)分项工程检验批质量验收记录
钢结构(预拼装)分项工程检验批质量验收记录
钢结构(单层结构安装)分项工程检验批质量验收记录
钢结构(单层结构安装)分项工程检验批质量验收记录
钢结构(网架结构安装)分项工程检验批质量验收记录
钢结构(钢管桁架结构)分项工程检验批质量验收记录
钢结构(预应力索杆及膜结构)分项工程检验批质量验收记录
钢结构(压型金属板)分项工程检验批质量验收记录
钢结构(防腐涂料涂装)分项工程检验批质量验收记录
钢结构(防火涂料涂装)分项工程检验批质量验收记录。