建筑工程常用构件代号全
- 格式:docx
- 大小:33.90 KB
- 文档页数:10
建筑图集代号大全代号大全以下是柱、梁和板的代号大全:柱的代号大全:1.框架柱:KZ2.转换柱:ZHZ3.芯柱:XZ4.XXX:LZ5.剪力墙柱:QZ6.构造柱:GZ7.构造边缘柱:GBZ8.构造角柱:GJZ9.约束边缘柱:YBZ10.普通柱:Z11.暗柱:AZ12.扶壁柱:FBZ13.约束边缘端柱:YDZ14.约束边缘暗柱:YAZ15.约束边缘翼墙柱:XXX16.约束边缘角柱:YJZ17.构造边缘端柱:GDZ18.构造边缘暗柱:GAZ19.构造边缘翼墙柱:GYZ20.构造边缘转角柱:GJZ21.梯柱:TL22.框支柱:KZZ各种梁代号大全:1.连梁:LL2.暗梁:AL3.悬挑梁:XL4.框架梁:KL5.框支梁:KZL6.边框梁:BKL7.跨高比不小5的梁:LLK8.框扁梁:KBL9.屋框梁:XXX10.XXX:JZL11.梯梁:TL12.基础梁:JL13.现浇过梁:XGL14.门过梁:MGL15.板梁:BL16.梁:L17.承台梁:CTL18.圈梁:QL19.单轨吊车梁:DDL20.吊车梁:DL21.基础次梁:JCL22.梁垫:LD23.地下框梁:DKL24.基础主梁:JZL板的代号大全:由于文章中明显有问题的段落较多,我们在这里不再给出改写后的文章。
本文介绍了建筑中常见的不同种类的板材、基础和构件的代号。
建筑中常见的板材包括楼板(LB)、屋面板(WB)、悬挑板(XTB)、折板(ZB)、梯板(TB)、平台板(PTB)、柱上板(ZSB)、跨中板带(KZB)、升降板(SJB)、后浇带(HJD)、板开洞(BD)、板翻边(FB)、板加腋(JY)、纵筋加强带(JQD)、柱帽(ZM)、板挑檐(TY)、角部加强筋(Crs)、悬挑阳角放射筋(Ces)、悬挑阴角放射筋(Cis)、抗冲切箍筋(Rh)、抗冲切弯起筋(Rb)、密肋板(MB)、天沟板(TGB)、阳台栏板(YB)、条形基础底板(TJB)和梁板式筏型基础平板(LPB)等。
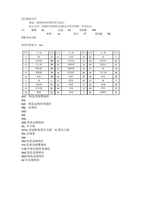
常用构件代号规定:将构件的名称用代号表示。
表示方法:用构件名称的汉语拼音字母中的第一字母表示。
如:圈梁QL 过梁GL 屋面板WB框架KJ 阳台YT 现浇板XB CTB是承台板特性匹配命令:maNQGJZ 构造边缘转角墙柱FBZ 扶壁柱LKQMKWQGAZ构造边缘暗柱JZL 井字梁WYKL屋面框架预应力梁、YL预应力梁FDL封堵梁LaeYAZ约束边缘暗柱YYZ约束边缘翼墙柱YJZ约束边缘转角墙柱GAZ构造边缘暗柱GDZ构造边缘端柱AZ非边缘暗柱梁的尺寸标高是不是和板的标高一致的一、箍筋表示方法:⑴φ10@100/200(2) 表示箍筋为φ10 ,加密区间距100,非加密区间距200,全为双肢箍。
⑵φ10@100/200(4) 表示箍筋为φ10 ,加密区间距100,非加密区间距200,全为四肢箍。
⑶φ8@200(2) 表示箍筋为φ8,间距为200,双肢箍。
⑷φ8@100(4)/150(2) 表示箍筋为φ8,加密区间距100,四肢箍,非加密区间距150,双肢箍。
一、梁上主筋和梁下主筋同时表示方法:⑴3Φ22,3Φ20 表示上部钢筋为3Φ22, 下部钢筋为3Φ20。
⑵2φ12,3Φ18 表示上部钢筋为2φ12, 下部钢筋为3Φ18。
⑶4Φ25,4Φ25 表示上部钢筋为4Φ25, 下部钢筋为4Φ25。
⑷3Φ25,5Φ25 表示上部钢筋为3Φ25, 下部钢筋为5Φ25。
二、梁上部钢筋表示方法:(标在梁上支座处)⑴2Φ20 表示两根Φ20的钢筋,通长布置,用于双肢箍。
⑵2Φ22+(4Φ12)表示2Φ22 为通长,4φ12架立筋,用于六肢箍。
⑶6Φ25 4/2 表示上部钢筋上排为4Φ25,下排为2Φ25。
⑷2Φ22+ 2Φ22 表示只有一排钢筋,两根在角部,两根在中部,均匀布置。
三、梁腰中钢筋表示方法:⑴G2φ12 表示梁两侧的构造钢筋,每侧一根φ12。
⑵G4Φ14 表示梁两侧的构造钢筋,每侧两根Φ14。
⑶N2Φ22 表示梁两侧的抗扭钢筋,每侧一根Φ22。
常用构件代号序号名称代号序号名称代号序号名称代号1 板 B 19 圈梁QL 37 承台CT2 屋面板WB 20 过梁GL 38 设备基础SJ3 空心板KB 21 连系梁LL 39 桩ZH4 槽行板CB 22 基础梁JL 40 挡土墙DQ5 折板ZB 23 楼梯梁TL 41 地沟DG6 密肋板MB 24 框架梁KL 42 柱间支撑DC7 楼梯板TB 25 框支梁KZL 43 垂直支撑ZC8 盖板或沟盖板GB 26 屋面框架梁WKL 44 水平支撑SC挡雨板或檐口YB 27 檩条LT 45 梯T 9板吊车安全走道10DB 28 屋架WJ 46 雨篷YP 板11 墙板QB 29 托架TJ 47 阳台YT12 天沟板TGB 30 天窗架CJ 48 梁垫LD13 梁L 31 框架KJ 49 预埋件M14 屋面梁WL 32 刚架GJ 50 天窗端壁TD15 吊车梁DL 33 支架ZJ 51 钢筋网W16 单轨吊DDL 34 柱Z 52 钢筋骨架G17 轨道连接DGL 35 框架柱KZ 53 基础JAZ 18 车挡CD 36 构造柱GZ 54 暗柱1、什么是容积率?答:容积率是项目总建筑面积与总用地面积的比值。
一般用小数表示。
2、什么是建筑密度?答:建筑密度是项目总占地基地面积与总用地面积的比值。
一般用百分数表示。
3、什么是绿地率(绿化率)?答:绿地率是项目绿地总面积与总用地面积的比值。
一般用百分数表示。
4、什么是日照间距?答:日照间距,就是前后两栋建筑之间,根据日照时间要求所确定的距离。
日照间距的计算,一般以冬至这一天正午正南方向房屋底层窗台以上墙面,能被太阳照到的高度为依据。
5、建筑物与构筑物有何区别?答:凡供人们在其中生产、生活或其他活动的房屋或场所都叫做建筑物,如公寓、厂房、学校等;而人们不在其中生产或生活的建筑,则叫做构筑物,如烟囱、水塔、桥梁等。
6、什么是建筑“三大材”?答:建筑“三大材”指的是钢材、水泥、木材。
常用构件代号名称代号名称代号名称代号:所谓屋面梁,顾名思义,就是指用在屋面的框架梁。
但是严格定义的话,应该这样:在框架梁柱节点处,如果此处为框架柱的顶点,框架柱不再向上延伸,那么这个节点处的框架梁做法就应该按照屋面框架梁的节点要求来做;如果框架柱继续向上延伸的话,不论该梁是否处于屋面,都应该按照一般框架梁的节点来做。
其实区别就在于:屋面框架梁的节点一般是Γ 形的,一般框架梁的节点就是├ 形的。
这两种做法节点构造不同,详见平法图集QZ:墙柱就是和墙融为一体的柱子,由梁板传来的屋盖、楼盖上的活、恒荷载,它可以通过墙柱基础传到地基GJ:钢结构是以钢材制作为主建筑结构类型之一。
钢材的特点刚度大,故用于建造大跨度和超物特别适宜;材料匀质性和各向性体,最符合一般工程力学的基韧性好,可有较大变形,能很好建筑工期短;其工业化程度高,高的专业化生产;加工精度高、效故可用于建造气罐、油罐和变压火性和耐腐性较差。
主要用于重架、受动力荷载作用的厂房结构电视塔和桅杆结构、桥梁和库等超高层建筑等。
钢结构今后应研大提高其屈服点强度;此外要轧例如H型钢(又称宽翼缘型钢)钢板等以适应大跨度结构和超高钢结构又分轻钢和重钢把这种柱子称为“梁上柱”,代号为LZ。
支承梁上柱的梁(框架梁或非框架梁),一般称为“托柱梁”。
单轨吊车梁DDL 板 B地沟DG:地沟分明和暗两种,一般的,暗沟:大部分用在车库居多水房间或者重要房间,地沟盖板L:由支座支承,承受的外力以横向力和剪力为主,以弯曲为主要变形的构件称为梁.地梁:QL:圈梁是指在房屋的基础上部的连续的钢筋混凝土梁也叫地圈梁(DQL);而在墙体上部,紧挨楼板的钢筋混凝土梁叫上圈梁。
KB:空心板(kong xing ban) hollowslab,建筑专业术语(KB),混凝土浇筑而成。
将板的横截面做成空心的称为空心板。
空心板较同跨径的实心板重量轻,运输安装方便,建筑高度又较同跨径的T梁小,因之小跨径桥梁中使用较多。
建筑工程常用构件代号常用构件代号YDZ—约束边缘端柱;YAZ—约束边缘暗柱;YYZ—约束边缘翼墙柱;YJZ—约束边缘转角墙柱;GDZ—构造边缘端柱;GAZ—构造边缘暗柱;GYZ—构造边缘翼墙柱;GJZ—构造边缘转角墙柱;AZ—非边缘端柱;FBZ—扶壁柱;LL—连梁(无交叉暗撑、钢筋);LL(JA)—连梁(有交叉暗撑);LL(JG)—连梁(有交叉钢筋);AL—暗梁;1、什么是容积率?答:容积率是项目总建筑面积与总用地面积的比值。
一般用小数表示。
2、什么是建筑密度?答:建筑密度是项目总占地基地面积与总用地面积的比值。
一般用百分数表示。
3、什么是绿地率(绿化率)?答:绿地率是项目绿地总面积与总用地面积的比值。
一般用百分数表示。
4、什么是日照间距?答:日照间距,就是前后两栋建筑之间,根据日照时间要求所确定的距离。
日照间距的计算,一般以冬至这一天正午正南方向房屋底层窗台以上墙面,能被太阳照到的高度为依据。
5、建筑物与构筑物有何区别?答:凡供人们在其中生产、生活或其他活动的房屋或场所都叫做建筑物,如公寓、厂房、学校等;而人们不在其中生产或生活的建筑,则叫做构筑物,如烟囱、水塔、桥梁等。
6、什么是建筑“三大材”?答:建筑“三大材”指的是钢材、水泥、木材。
7、建筑安装工程费由哪三部分组成?答:建筑安装工程费由人工费、材料费、机械费三部分组成。
8、什么是统一模数制?什么是基本模数、扩大模数、分模数?答:(1)、所谓统一模数制,就是为了实现设计的标准化而制定的一套基本规则,使不同的建筑物及各分部之间的尺寸统一协调,使之具有通用性和互换性,以加快设计速度,提高施工效率、降低造价。
(2)、基本模数是模数协调中选用的基本尺寸单位,用M表示,1M=100mm。
(3)、扩大模数是导出模数的一种,其数值为基本模数的倍数。
扩大模数共六种,分别是3M(300mm)、6M(600mm)、12M(1200mm)、15M(1500mm)、30M(3000mm)、60M (6000mm)。
常用建筑构件代号Document serial number【NL89WT-NY98YT-NC8CB-NNUUT-NUT108】常用构件代号Φ6= Φ8= Φ10=Φ12=Φ14=Φ16= Φ18=2KgΦ20= Φ22=3KgΦ25=1、混凝土重量2500KG/m32、钢筋每延米重量*d*d3、干砂子重量1500KG/m3,湿砂重量1700KG/m34、石子重量2200KG/m3扁钢、钢板、钢带 W=×宽×厚方钢 W=×边长2圆钢、线材、钢丝 W=×直径平方钢管 W=×壁厚(外径--壁厚)等边角钢 W=×边厚(2边宽--边厚)不等边角钢 W=×边厚(长边宽+短边宽--边厚)工字钢 W=×腰厚[高+f(腿宽-腰厚)]槽钢 W=×腰厚[高+e(腿宽-腰厚)]f值:一般型号及带a的为,带b的为,带c的为。
e值:一般型号及带a的为,带b的为,带c的为。
1、什么是容积率答:容积率是项目总建筑面积与总用地面积的比值。
一般用小数表示。
2、什么是建筑密度答:建筑密度是项目总占地基地面积与总用地面积的比值。
一般用百分数表示。
3、什么是绿地率(绿化率)答:绿地率是项目绿地总面积与总用地面积的比值。
一般用百分数表示。
4、什么是日照间距答:日照间距,就是前后两栋建筑之间,根据日照时间要求所确定的距离。
日照间距的计算,一般以冬至这一天正午正南方向房屋底层窗台以上墙面,能被太阳照到的高度为依据。
5、建筑物与构筑物有何区别答:凡供人们在其中生产、生活或其他活动的房屋或场所都叫做建筑物,如公寓、厂房、学校等;而人们不在其中生产或生活的建筑,则叫做构筑物,如烟囱、水塔、桥梁等。
6、什么是建筑“三大材”答:建筑“三大材”指的是钢材、水泥、木材。
7、建筑安装工程费由哪三部分组成答:建筑安装工程费由人工费、材料费、机械费三部分组成。
8、什么是统一模数制什么是基本模数、扩大模数、分模数答:(1)、所谓统一模数制,就是为了实现设计的标准化而制定的一套基本规则,使不同的建筑物及各分部之间的尺寸统一协调,使之具有通用性和互换性,以加快设计速度,提高施工效率、降低造价。
12施工网免费为您提供最详细的 建筑常用构件代号大全,包括柱代号、墙柱代号、梁代号、墙梁代号以及其他54种 建筑图纸符号大全 都有。
一、柱代号二、墙柱代号三、梁代号四、墙梁代号五、54种建筑图纸符号大全如果您想下载以上所有常用建筑图纸符号大全,请点击以下的一键下载按钮进行下载一、常用建筑符号解释在建筑设计图中,l表示是梁、ll表示是连续梁、ql表示圈梁、jl表示基础梁、tl表示是梯梁、dl表示是地梁,z表示柱、gz表示构造柱、kz表示框架柱,m表示是门、c表示是窗。
@表示钢筋间距,Φ表示钢筋型号,也就是我们所说的一二三四五级 钢筋符号 。
1、箍筋表示方法:⑴φ10@100/200(2)表示箍筋为φ10,加密区间距100,非加密区间距200,全为双肢箍。
⑵φ10@100/200(4)表示箍筋为φ10,加密区间距100,非加密区间距200,全为四肢箍。
⑶φ8@200(2)表示箍筋为φ8,间距为200,双肢箍。
⑷φ8@100(4)/150(2)表示箍筋为φ8,加密区间距100,四肢箍,非加密区间距150,双肢箍。
2、梁上主筋和梁下主筋同时表示方法:⑴3Φ22,3Φ20表示上部钢筋为3Φ22,下部钢筋为3Φ20。
⑵2φ12,3Φ18表示上部钢筋为2φ12,下部钢筋为3Φ18。
⑶4Φ25,4Φ25表示上部钢筋为4Φ25,下部钢筋为4Φ25。
⑷3Φ25,5Φ25表示上部钢筋为3Φ25,下部钢筋为5Φ25。
3、梁上部钢筋表示方法:(标在梁上支座处)⑴2Φ20表示两根Φ20的钢筋,通长布置,用于双肢箍。
⑵2Φ22+(4Φ12)表示2Φ22为通长,4φ12架立筋,用于六肢箍。
⑶6Φ25 4/2表示上部钢筋上排为4Φ25,下排为2Φ25。
⑷2Φ22+2Φ22表示只有一排钢筋,两根在角部,两根在中部,均匀布置。
4、梁腰中钢筋表示方法:⑴G2φ12表示梁两侧的构造钢筋,每侧一根φ12。
⑵G4Φ14表示梁两侧的构造钢筋,每侧两根Φ14。
常用构件代号YDZ —约束边缘端柱;YAZ —约束边缘暗柱;YYZ —约束边缘翼墙柱;YJZ —约束边缘转角墙柱;GDZ —构造边缘端柱;GAZ —构造边缘暗柱;GYZ —构造边缘翼墙柱;GJZ —构造边缘转角墙柱;AZ —非边缘端柱;FBZ —扶壁柱;LL —连梁(无交叉暗撑、钢筋);LL(JA)—连梁(有交叉暗撑);LL(JG)—连梁(有交叉钢筋);AL —暗梁;1、什么是容积率?答:容积率是项目总建筑面积与总用地面积的比值。
一般用小数表示。
2、什么是建筑密度?答:建筑密度是项目总占地基地面积与总用地面积的比值。
一般用百分数表示。
3、什么是绿地率(绿化率)?答:绿地率是项目绿地总面积与总用地面积的比值。
一般用百分数表示。
4、什么是日照间距?答:日照间距,就是前后两栋建筑之间,根据日照时间要求所确定的距离。
日照间距的计算,一般以冬至这一天正午正南方向房屋底层窗台以上墙面,能被太阳照到的高度为依据。
5、建筑物与构筑物有何区别?答:凡供人们在其中生产、生活或其他活动的房屋或场所都叫做建筑物,如公寓、厂房、学校等;而人们不在其中生产或生活的建筑,则叫做构筑物,如烟囱、水塔、桥梁等。
6、什么是建筑“三大材”?答:建筑“三大材”指的是钢材、水泥、木材。
7、建筑安装工程费由哪三部分组成?答:建筑安装工程费由人工费、材料费、机械费三部分组成。
8 什么是统一模数制?什么是基本模数、扩大模数、分模数?答:(1 )、所谓统一模数制,就是为了实现设计的标准化而制定的一套基本规则,使不同的建筑物及各分部之间的尺寸统一协调,使之具有通用性和互换性,以加快设计速度,提高施工效率、降低造价。
(2)、基本模数是模数协调中选用的基本尺寸单位,用M表示,1M=100mm。
(3)、扩大模数是导出模数的一种,其数值为基本模数的倍数。
扩大模数共六种,分别是3M(300mm)、6M(600mm)、12M(1200mm)、15M(1500mm)、30M (3000mm)、60M(6000mm)。
建筑工程图纸代号大全————————————————————————————————作者:————————————————————————————————日期:建筑工程图纸代号大全建筑常用构件代号大全名称代号名称代号板 B 屋架WJ 屋面板WB 托架TJ 空心板KB 天窗架CJ 槽形板CB 框架KJ 折板ZB 刚架GJ 密肋板MB 支架ZJ 楼梯板TB 柱Z 盖板或沟盖板GB 框架柱KZ 挡雨板或檐口板YB 构造柱GZ 吊车安全走道板DB 暗柱AZ 墙板QB 承台CT 天沟板TGB 基础J 梁L 设备基础SJ 屋面梁WL 桩ZH 吊车梁DL 挡土墙DQ 单轨吊车梁DDL 地沟DG 轨道连接DGL 柱间支撑ZC 车档CD 垂直支撑CC 圈梁QL 水平支撑SC 过梁GL 梯T 连系梁LL 雨篷YP 基础梁JL 阳台YT 楼梯梁TL 梁垫LD 框架梁KL 预埋件M- 框支梁KZL 天窗端壁TD 屋面框架梁WKL 钢筋网W 檩条LT 钢筋骨架G专业图纸代号大全代号表示SC 钢管PC PVC聚乙烯阻燃性塑料管CT 桥架WC沿墙暗敷设WS 沿墙明敷设CC 沿顶板暗敷设F 暗敷在地板内CE 沿顶板明敷YJV 电缆SYV 电视线PE 接地(黄绿相兼)PEN 接零(蓝色)3项线(火线) A项(黄)B项(绿)C项(红)KV(电压)千伏BV 散线MEB 总等电位LEB 局部等电位线路敷设方式代号PVC 用阻燃塑料管敷设DGL 用电工钢管敷设VXG 用塑制线槽敷设GXG 用金属线槽敷设KRG 用可挠型塑制管敷设线路明敷部位代号LM 沿屋架或屋架下弦敷设ZM 沿柱敷设QM 沿墙敷设PL 沿天棚敷设线路暗敷部位代号LA 暗设在梁内ZA 暗设在柱内QA 暗设在墙内PA 暗设在屋面内或顶棚内DA 暗设在地面或地板内PNA 暗设在不能进入的吊顶内照明灯具安装方式代号D 吸顶式L 链吊式G 管吊式B 壁装式R 嵌入式BR 墙壁内安装配电线路的标注方法a——b(c×d)e——fa表示回路编号b表示导线型号c表示导线根数d表示导线截面e表示敷设方式及穿管管径f表示敷设部位表示2根导线表示3根导线表示n根导线照明灯具标注方法a 灯数b 型号或编号c 每盏照明灯具的灯泡个数d 灯泡容量,We 灯泡安装高度,mf 安装方式L 光源种类,白炽灯或荧光灯。
常用构件代号GDZ—构造边缘端柱; GAZ—构造边缘暗柱;GYZ—构造边缘翼墙柱; GJZ—构造边缘转角墙柱;AZ—非边缘端柱; FBZ—扶壁柱;LL—连梁(无交叉暗撑、钢筋);LL(JA)—连梁(有交叉暗撑);LL(JG)—连梁(有交叉钢筋); AL—暗梁;1、什么是容积率?答:容积率是项目总建筑面积与总用地面积的比值。
一般用小数表示。
2、什么是建筑密度?答:建筑密度是项目总占地基地面积与总用地面积的比值。
一般用百分数表示。
3、什么是绿地率(绿化率)?答:绿地率是项目绿地总面积与总用地面积的比值。
一般用百分数表示。
4、什么是日照间距?答:日照间距,就是前后两栋建筑之间,根据日照时间要求所确定的距离。
日照间距的计算,一般以冬至这一天正午正南方向房屋底层窗台以上墙面,能被太阳照到的高度为依据。
5、建筑物与构筑物有何区别?答:凡供人们在其中生产、生活或其他活动的房屋或场所都叫做建筑物,如公寓、厂房、学校等;而人们不在其中生产或生活的建筑,则叫做构筑物,如烟囱、水塔、桥梁等。
6、什么是建筑“三大材”?答:建筑“三大材”指的是钢材、水泥、木材。
7、建筑安装工程费由哪三部分组成?答:建筑安装工程费由人工费、材料费、机械费三部分组成。
8、什么是统一模数制?什么是基本模数、扩大模数、分模数?答:(1)3000mm)、60M()、分模数)、1/2M (50mm)9、答:(1)10、11、答:(1)12、答:13、14、答:建筑总高度指室外地坪至檐口顶部的总高度。
15、什么是标高?什么是绝对标高、相对标高?答:(1)、建筑物的某一部位与确定的水基准点的高差,称为该部位的标高。
(2)、绝对标高亦称海拔高度,我国把青岛附近黄海的平均海平面定为绝对标高的零点,全国各地的标高均以此为基准。
(3)、相对标高是以建筑物的首层室内主要房间的地面为零点(+ 0.00),表示某处距首层地面的高度。
16、什么是建筑面积、使用面积、使用率?什么是交通面积、结构面积?答:(1)、建筑面积指建筑物长度、宽度的外包尺寸的乘积再乘以层数。
常用构件代号1、什么是容积率?答:容积率是项目总建筑面积与总用地面积的比值。
一般用小数表示。
2、什么是建筑密度?答:建筑密度是项目总占地基地面积与总用地面积的比值。
一般用百分数表示。
3、什么是绿地率(绿化率)?答:绿地率是项目绿地总面积与总用地面积的比值。
一般用百分数表示。
4、什么是日照间距?答:日照间距,就是前后两栋建筑之间,根据日照时间要求所确定的距离。
日照间距的计算,一般以冬至这一天正午正南方向房屋底层窗台以上墙面,能被太阳照到的高度为依据。
5、建筑物与构筑物有何区别?答:凡供人们在其中生产、生活或其他活动的房屋或场所都叫做建筑物,如公寓、厂房、学校等;而人们不在其中生产或生活的建筑,则叫做构筑物,如烟囱、水塔、桥梁等。
6、什么是建筑“三大材”?答:建筑“三大材”指的是钢材、水泥、木材。
7、建筑安装工程费由哪三部分组成?答:建筑安装工程费由人工费、材料费、机械费三部分组成。
8、什么是统一模数制?什么是基本模数、扩大模数、分模数?答:(1)、所谓统一模数制,就是为了实现设计的标准化而制定的一套基本规则,使不同的建筑物及各分部之间的尺寸统一协调,使之具有通用性和互换性,以加快设计速度,提高施工效率、降低造价。
(2)、基本模数是模数协调中选用的基本尺寸单位,用M表示,1M=100mm。
(3)、扩大模数是导出模数的一种,其数值为基本模数的倍数。
扩大模数共六种,分别是3M(300mm)、6M(600mm)、12M(1200mm)、 15M(1500mm)、30M(3000mm)、60M(6000mm)。
建筑中较大的尺寸,如开间、进深、跨度、柱距等,应为某一扩大模数的倍数。
(4)、分模数是导出模数的另一种,其数值为基本模数的分倍数。
分模数共三种,分别是1/10M(10mm)、1/5M(20mm)、1/2M (50mm)。
建筑中较小的尺寸,如缝隙、墙厚、构造节点等,应为某一分模数的倍数。
9、什么是标志尺寸、构造尺寸、实际尺寸?答:(1)、标志尺寸是用以标注建筑物定位轴线之间(开间、进深)的距离大小,以及建筑制品、建筑构配件、有关设备位置的界限之间的尺寸。
标志尺寸应符合模数制的规定。
(2)、构造尺寸是建筑制品、建筑构配件的设计尺寸。
构造尺寸小于或大于标志尺寸。
一般情况下,构造尺寸加上预留的缝隙尺寸或减去必要的支撑尺寸等于标志尺寸。
(3)、实际尺寸是建筑制品、建筑构配件的实有尺寸。
实际尺寸与构造尺寸的差值,应为允许的建筑公差数值。
10、什么是定位轴线?答:定位轴线是用来确定建筑物主要结构或构件的位置及其标志尺寸的线。
11、什么是横向、纵向?什么是横向轴线、纵向轴线?答:(1)、横向,指建筑物的宽度方向。
(2)、纵向,指建筑物的长度方向。
(3)、沿建筑物宽度方向设置的轴线叫横向轴线。
其编号方法采用阿拉伯数字从左至右编写在轴线圆内。
(4)、沿建筑物长度方向设置的轴线叫纵向轴线。
其编号方法采用大写字母从上至下编写在轴线圆内(其中字母I、O、Z不用)。
12、什么是房屋的开间、进深?答:开间指一间房屋的面宽,及两条横向轴线之间的距离;进深指一间房屋的深度,及两条纵向轴线之间的距离。
13、什么是层高?什么是净高?答:层高指建筑物的层间高度,及本层楼面或地面至上一层楼面或地面的高度;净高指房间的净空高度,及地面至天花板下皮的高度14、什么是建筑总高度?答:建筑总高度指室外地坪至檐口顶部的总高度。
15、什么是标高?什么是绝对标高、相对标高?答:(1)、建筑物的某一部位与确定的水基准点的高差,称为该部位的标高。
(2)、绝对标高亦称海拔高度,我国把青岛附近黄海的平均海平面定为绝对标高的零点,全国各地的标高均以此为基准。
(3)、相对标高是以建筑物的首层室内主要房间的地面为零点(+ ),表示某处距首层地面的高度。
16、什么是建筑面积、使用面积、使用率?什么是交通面积、结构面积?答:(1)、建筑面积指建筑物长度、宽度的外包尺寸的乘积再乘以层数。
它由使用面积、交通面积和结构面积组成。
(2)、使用面积指主要使用房间和辅助使用房间的净面积(净面积为轴线尺寸减去墙厚所得的净尺寸的乘积)。
(3)、使用率亦称得房率,指使用面积占建筑面积的百分数。
(4)、交通面积指走道、楼梯间、电梯间等交通联系设施的净面积。
(5)、结构面积指墙体、柱所占的面积。
17、什么是红线?答:红线指规划部门批给建设单位的占地面积,一般用红笔圈在图纸上,具有法律效力。
18、建筑物如何划分等级?答:建筑物的等级是依据耐久等级(使用年限)和耐火等级(耐火年限)进行划分的。
(1)、按耐久等级划分,共分为四级:一级,耐久年限100年以上;二级,耐久年限50~100年;三级,耐久年限25~50年;四级,耐久年限15年以下。
(2)、按耐火等级划分,共分为四级:从一级到四级,建筑物的耐火能力逐步降低。
19、什么是砖混结构?答:房屋的竖向承重构件采用砖墙或砖柱,水平承重构件采用钢筋混凝土楼板、屋顶板,此类结构形式叫砖混结构。
20、什么是框架结构?答:框架结构指由柱子、纵向梁、横向梁、楼板等构成的骨架作为承重结构,墙体是围护结构。
21、什么是剪力墙?答:剪力墙指在框架结构内增设的抵抗水平剪切力的墙体。
因高层建筑所要抵抗的水平剪力主要是地震引起,故剪力墙又称抗震墙。
22、什么是框架剪力墙结构?答:框架剪力墙结构指竖向荷载由框架和剪力墙共同承担;水平荷载由框架承受20%~30%,剪力墙承受70%~80%的结构。
剪力墙长度按每建筑平方米50mm的标准设计。
23、什么是全剪力墙结构?答:全剪力墙结构是利用建筑物的内墙(或内外墙)作为承重骨架,来承受建筑物竖向荷载和水平荷载的结构。
24、什么是筒体结构?答:筒体结构由框架-剪力墙结构与全剪力墙结构综合演变和发展而来。
筒体结构是将剪力墙或密柱框架集中到房屋的内部和外围而形成的空间封闭式的筒体。
其特点是剪力墙集中而获得较大的自由分割空间,多用于写字楼建筑。
25、什么是钢结构?答:钢结构是建筑物的主要承重构件由钢材构成的结构。
具有自重轻、强度高、延性好、施工快、抗震性好的特点。
钢结构多用于超高层建筑,造价较高。
26、与砖混结构相比,框架结构有何优、缺点?答:优点:(1)、自重轻:砖混结构自重为1500公斤/平方米;框架结构如采用轻板(加气混凝土隔墙、轻钢龙骨隔墙等)的自重为400公斤 ~600公斤/平方米,仅为砖混结构的1/3。
(2)、房间布置灵活:框架结构的承重结构为框架本身,墙板只起围护和分隔作用,因而布置比较灵活。
(3)、增加了有效面积:框架结构墙体较砖混结构薄,相对的增加了房屋的使用面积。
缺点:(1)、用钢量比砖混结构高出约30%,与砖混结构相比,造价偏高。
(2)、部分柱子截面尺寸过大,会凸出墙外,影响美观。
27、地基和基础有什么区别?答:(1)、地基是基础下面的土层,它的作用是承受基础传来的全部荷载。
(2)、基础是建筑物埋在地面以下的承重构件,是建筑物的重要组成部分,它的作用是承受建筑物传下来的全部荷载,并将这些荷载连同自重传给下面的土层。
28、什么是基础埋深?什么是深基础、浅基础?答:(1)、基础埋深是指从室外设计地坪至基础底面的垂直距离。
(2)、埋深大于等于5米的基础称为深基础;埋深在米~5米之间的基础称为浅基础。
基础埋深不得浅于米。
29、建筑物的基础可按哪三种不同的方法分类?答:(1)、按使用材料分:可分为砖基础、毛石基础、混凝土基础、钢筋混凝土基础等。
(2)、按构造形式分:可分为独立基础、条形基础、井格基础、板式基础、筏形基础、箱形基础、桩基础等。
(3)、按使用材料受力特点分:可分为刚性基础和柔性基础。
30、什么是防潮层?答:为了防止地下潮气沿墙体上升和地表水对墙面的侵蚀,采用防水材料将下部墙体与上部墙体隔开,这个阻断层就是防潮层。
防潮层的位置一般在首层室内地面(+)下60mm~70mm 处,及标高~处。
31、什么是勒脚?什么是踢脚?其作用各是什么?答:(1)、外墙墙身下部靠近室外地坪的部分叫勒脚。
勒脚的作用是防止地面水、屋檐滴下的雨水的侵蚀,从而保护墙面,保证室内干燥,提高建筑物的耐久性。
勒脚的高度一般为室内地坪与室外地坪的高差。
(2)、踢脚是外墙内侧和内墙两侧与室内地坪交接处的构造。
踢脚的作用是防止扫地时污染墙面。
踢脚的高度一般在120mm~150mm。
32、什么是散水?什么是明沟?其作用是什么?答:散水是靠近勒脚下部的排水坡;明沟是靠近勒脚下部设置的排水沟。
它们的作用都是为了迅速排除从屋檐滴下的雨水,防止因积水渗入地基而造成建筑物的下沉。
================================================================地坪就是建筑物底层与土层接触的结构构件,承受地坪上的荷载,并把力传给地基,一般主要是由面层和基层组成。
地基钎探:采取重物自由落体原理,重物以一定高度下落,将探头贯入土中,然后记录贯入深度要的次数,以此来判断土的性质的一种方法。
那个钎就是所用的工具了。
附加轴号用在非承重墙和次要承重构件。
定位轴线主要标在承重荷载面积大的承重墙,柱上,而附加分轴线就是标在承重荷载面积相对小的承重次要构件(墙或柱)或非承重构件了。
楼梯间前室的作用:一.是能起到防烟作用;二.是要能起到缓冲楼梯间人员拥挤的作用,即能容纳部分疏散人员在前室内短暂时间的避难;三.是抢救伤员时要能放得下一副担架;四.是能放得下必要的灭火器材平面系数是指使用面积占建筑面积的比例。
一般房屋的使用面积等于套内各功能空间使用面积之和,各功能空间使用面积等于各功能使用空间墙体内表面所围合的水平投影面积之和,而房间实际能使用的面积,是不包括墙、柱等结构构造和保温层的面积。
而建筑面积是按外墙结构外表面及柱外沿或相邻界墙轴线所围合的水平投影面积计算,当外墙设外保温层时,按保温层外表面计算。
使用面积一般是小于建筑面积,所以平面系数都是小于1的。
一般来说,高层住宅的平面系数较低些,多在70%左右,而多层住宅则在80%左右,这主要是因为与多层住宅相比,高层住宅的公用建筑面积较大,如设备层、电梯井、水箱间以及出于消防考虑要求较大的楼梯回旋空间等等。
现行国家规范左上角是UDC表示国际十进分类法(Universal Decimal Classification),是世界上较流行的一种文献分类法。
结构规范封面上字母P表示中国标准文献分类法中规定的一级类目:工程建设类(Project)。
设计变更是工程施工过程中保证设计和施工质量,完善工程设计。
纠正设计错误以及满足现场条件变化而进行的设计修改工作。
一般包括由设计单位出具的设计变更通知单和由施工单位征得由原设计单位同意的设计变更联络单两种。
施工企业在施工过程中,遇到一些原设计未预料到的具体情况,需要进行处理,在交底会上,经施工企业和建设单位提出,各方研究同意而改变施工图的做法,几方签字确认后,就属于设计变更,为此而增加新的图纸或设计变更说明都由设计单位或建设单位负责。