通风管道加工工艺
- 格式:doc
- 大小:91.00 KB
- 文档页数:4
镀锌铁皮风管施工工艺及要求一、工艺流程1、风管制作工艺流程施工准备→切角→调直→压加强筋→咬口→法兰成型→折弯→组装→加固→检验2、风管系统安装流程施工准备→支吊架制作→支吊架安装→风管连接安装→部件安装→漏光及漏风检测→复合检验二、施工要点1、风管制作风管制作安装前,必须到现场实测核对图纸,对各规格型号风管及配件进行汇总记录,然后进行制作.合格标准按《通风与空调工程施工质量规范GB50243—2002》标准执行。
钢板风管板材厚度(mm)三、风管安装按照设计图纸,结合现场综合布置定位安装,风管连接螺栓应为镀锌材料,风管直径或长边防火阀、调节阀等部件安装应设独立支吊架,法兰之间应有垫料,防排烟风管法兰垫料应选用不然材料。
风管水平安装,直径或长边尺寸小于等于400mm,间距不应大于4m;大于400mm,不应大于3m。
对于薄钢板法兰的风管,其支、吊架间距不应大于3m。
当水平悬吊的主、干风管长度超过20m时,应设置防止摆动的固定点,每个系统不应少于1个.四、质量控制管道制作安装施工质量必须符合《通风与空调工程施工质量规范GB50243—2002》标准的有关规定.沟槽连接施工工艺及要点一、工艺流程安装准备→滚槽→开孔→安装机械三通、四通→管道安装→系统试压.二、安装准备1、检查开孔机、滚槽机、确保安全使用.2、材料、工具的准备,包括管材、刚卷尺、扳手、游标卡尺、水平仪、润滑剂等.3、按设计要求装好待装管的支吊架。
槽式连接管道的沟槽及支、吊架的间距人防工程施工技术要求及注意事项一、通风系统1、战时通风管穿密闭墙时必须预埋到位,应满足以下要求:a、预埋管件应除锈,并在内刷红丹防锈漆两道,应随土建施工时一起浇捣在墙内。
b、预埋管直径应与所连接的管道或密闭阀门、超压自动排气活门的接管直径相一致。
C、短管预埋时应先焊好密闭肋,管道与管道、管道与法兰、管道与密闭肋的连接应采用满焊,保证密封。
密闭肋宽度≥50mm、厚≥3mm。
通风管道加工制作流程通风管道的作用就是为我们工作生活的大楼提供清新空气的流通。
苏州饶丰机电通风管道公司的工程师指出,由于是直接和空气接触,空气中含有大量的水分会对金属材质的通风管道造成腐蚀,所以在风管加工中需要注意选好制作材料。
此外风管加工过程中对尺寸也有严格的要求,不能过大也不能过小,必须保证在公差范围内,这样在铺设安装过程中才不会出现接口故障。
风管有圆形、矩形、除尘性风管,对于他们的厚度也是有严格的要求。
同时,通风管道也要具有较高的耐火、密封、耐热特点。
为达到以上要求特点,通风管道在制作过程中一定要按照规定进行。
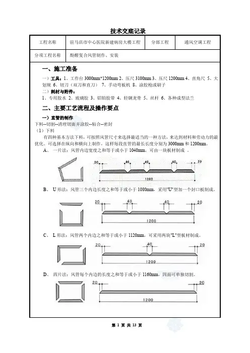
操作工艺1、工艺流程2、操作方法2.1 板材下料、成型2.1.1 矩形铝箔复合保温风管的四面壁板可由一片整切3个90°豁口、2个45°边口折合粘接而成;也可由两片整板、四片整板切口、切边拼合粘接而成,如图2.1.1所示。
一片法二片法二片法四片法图2.1.1 切口、切边成型2.1.2 板材厚20mm、板宽1200mm、长度为4000mm;当风管长边尺寸小于等于1160mm或风管两边之和小于等于1120mm、或三边(四边长度)之和小于等于1080mm (1040mm)时,风管可按板材长度做成每节4m,以减少管段接口。
2.1.3 风管板材可以拼接,见图2.1.3.当风管长边尺寸小于等于1600mm时,可切45°角直接粘接,粘接后在接缝处双面贴铝箔胶带;当风管长边尺寸大于1600mm时,板材的拼接需采用“H”型专用连接件粘接,以增强拼接强度。
切45°角粘接中间加“H”型连接件拼接图2.1.3 风管板材拼接方式2.1.4 风管的三通、四通采用分隔式或分叉式;弯头、三通、四通、大小头的圆弧面或折线面应等分对称划线。
风管每节管段(包括三通、弯头等管件)的两端面应平行,与管中线垂直。
2.1.5 采用机械压弯成型制作风管弯头的圆弧面,其内弧半径小于150mm时,轧压间距宜为20~35mm;内弧半径150~300mm时,扎压间距宜在35~50mm之间;内弧半径大于300mm时,扎压间距宜在50~70mm。
通风管道安施工工艺一、施工准备(一)、作业条件1、一般送风机系统和空调系统的安装,要在建筑物围护结构施工完,障碍物已清理,地面无杂物的条件下进行。
2、对空气洁净系统的安装,应在建筑物内部安装部件的地面已做好,墙面已抹灰完毕,室内无灰尘飞扬或有防尘措施的条件下进行。
3、一般除尘系统风管安装宜在厂房的工艺设备安装完或设备基础已确定,设备连接器、罩体方位已知的情况下进行。
4、检查现场预留孔洞位置、尺寸应符合图纸要求,每边比实际截面大100mm。
5、作业地点要有相应的辅助设施,如梯子、架子、安全防护、消防器材,并有施工员的技术、质量、安全交底。
(二)材质要求1、各种安装材料应具有出厂合格证明书或质量鉴定文件及产品清单。
2、风管成品不允许有变形、扭曲、开裂、孔洞、法兰脱落、开焊、漏铆、漏打螺栓孔等缺陷:3、安装的阀体、风口等部件应检查调节装置是否灵活,消声片、油漆层有无损伤。
4、安装使用的材料:螺栓、螺母、垫圈、垫料、密封条、自攻螺钉,拉铆钉,焊条、各种帆布、无纺布、射钉、膨胀螺栓应符合产品质量要求。
(三)工器具主要工器具有:手锤、电锤、手电钻、手锯、电动双刃剪、砂轮锯、角向磨光机、台钻、电气焊具、扳手、改锥、手剪、倒链、高凳、大绳、尖冲、射钉枪、刷子等。
二、质量要求(一)送、排风,防排烟,除尘系统1、主控项目(1)在风管穿过需要封闭的防火、防爆的墙体或楼板时,应设预埋管或防护套管,其钢板厚度不应小于1.6mm。
风管与防护套管之间,应用不燃且对人体无危害的柔性材料封堵。
(2)风管安装必须符合下列规定:1)风管内严禁其他管线穿越;2)输送含有易燃、易爆气体或安装在易燃、易爆环境的风管系统应有良好的接地,通过生活区或其他辅助生产房间时必须严密,并不得设置接口;3)室外立管的固定拉索严禁拉在避雷针或避雷网上。
(3)输送空气温度高于80℃的风管,应按设计规定采取防护措施。
(4)风管部件安装必须符合下列规定:1)各类风管部件及操作机构的安装,应能保证其正常的使用功能,并便于操作;2)斜插板风阀的安装,阀板必须为向上拉启;水平安装时,阀板还应为顺气流方向插入;3)止回风阀、自动排气活门的安装方向应正确。
风管的制作和安装通风空调系统的风管,按材质可分为金属风管和非金属风管。
金属风管包括钢板风管(普通薄钢板风管、镀锌薄钢板风管)、不锈钢板风管、铝板风管、塑料复合钢板风管等。
非金属风管包括硬聚氯乙烯板风管、玻璃钢风管、炉渣石膏板风管等。
此外还有由土建部门施工的砖、混凝土风道等。
一、风管制作1.制作流程风管和配件大多由平整的板材和型材加工而成。
从平板到成品的加工,虽然由于材质的不同、形状的差异而有各种要求,但从工艺过程来看,基本工序可分为画线→剪切→成型(折方和卷圆)→连接(咬口和焊接)→打孔→安装法兰→翻边→成品喷漆→检验→出厂等步骤,如图10-1所示。
图10-1 风管加工制作工艺流程图2.制作工艺通风管道及部件、配件的加工制作是通风空调工程安装施工的主要工序,先对其主要工序做简介。
(1)画线。
画线就是利用几何作图的基本方法,画出各种线段和几何图形的过程。
在风管和配件加工制作时,按照风管和配件的空间立体的外形尺寸,在平面上根据它的实际尺寸画出平面图,这个过程称为“风管的展开画线”。
(2)剪切。
板材的剪切就是将板材按照画线的形状进行裁剪下料的过程,剪切应做到切口准确、整齐,直线平直,曲线圆滑,剪切的方法分为手工剪切和机械剪切两种。
①手工剪切。
手工剪切使用工具简单,操作方法简捷。
但工人劳动强度大,施工速度慢。
②机械剪切。
机械剪切就是利用机械设备对金属板材进行剪切,这种方法工作效率高,且切口质量较好。
(3)连接。
用平面板材加工制作风管和各种配件时,必须把板材的各种纵向或横向闭合缝进行连接。
根据连接的目的不同,可将连接分为拼接、闭合接和延长接三种。
拼接是把两张板材的板边相连,以增大板材的面积,适应风管及配件的加工要求。
闭合接是把板材合围成风管和配件时,其板边相连的纵向对口缝的连接。
延长接是把短管连成长管或将配件拼装成成品或半成品的连接。
在通风空调工程中,用金属薄板加工制作风管和配件时,其加工连接的方法有咬口连接、焊接和铆接三种,咬口连接是较常见的连接方式。
通风管道制作、安装1、通风管道制作安装(1)通风工程首先应根据设计要求,认真熟悉图纸,掌握系统的工作原理及技术参数,参阅土建结构图。
(2)通风管、排风管,按设计图纸、图纸答疑及招标文件,密切配合土建按设计要求选用材料。
(3)风管的制作下料应根据设计要求尺寸进行加工制作,对板材厚度选用应根据图纸要求或风管的直径,或边长选用,制作按施工验收规范标准执行。
(4)风管的制作要求划线下料正确,板面保持平整,咬口缝应紧密,防止风管与法兰尺寸不匹配,而造成风管起皱或扭曲翘角,咬口缝宽度均匀,纵面接缝应错开一定距离,交叉错开不得小于50mm,表面无明显的凹凸现象,矩型风管四角成90°,无明显的翘角。
(5)法兰制作加工,应根据设计风管的规格型号以及施工验收规范要求,并按规定选用适当的规格角钢。
(6)风管法兰加工完毕,应按规定进行打眼,法兰孔距应符合设计要求,做到每付法兰可以互换和通用。
在打眼时必须用钻床钻孔,严禁用电焊氧气割孔。
(7)对圆型法兰的制作加工,可分为两种,一是手工制作,可分冷煨和热煨;另一种是机械煨制。
无论哪一种下料时,必须留用余量力求准确,热煨时防止收缩。
(8)风管与法兰的连接组装,当风管壁厚≤1.5时,可采用翻边铆接,并且铆接部位放在法兰的外侧,装配时法兰平面与风管或部件的中心线相互垂直,风管翻边平整,宽度为6~9mm,但不得遮盖螺栓孔。
(9)风管制作后按图纸设计要求参数做好质量检查工作,风管的外径或外边长允许的偏差为负偏差,其偏差值小于或等于300mm为(-1mm),大于300mm为(-2mm),但偏差值不能过大,否则将影响风管与法兰的套接。
(10)风管阀件加工制作尺寸要求准确,开启转动灵活,叶片外框不得有碰擦现象,止回阀阀板关闭处与外框内则应密闭措施。
防止大气倒流,在水平管上安装斜拉板地插板应顺气流安装,各种阀件在风管外部必须标有明显的启闭方向。
(11)风管的安装,首先应根据风管设计的标高安装支吊架,在安装支吊架时,应尽量选择吊在大梁的侧面,并且打孔点为大梁1/2以上处,然后以设备进出口为起点,接顺序依次进行排列编号,可在地上进行多节组对拼装,吊装时应注意安全并采取安全措施,预防风管吊装时碰撞而影响风管安装的质量。
通风管道及部件制作工程1. 简介通风管道及部件制作工程是指为建筑物、工厂、车间等提供通风换气系统的工程项目。
通风系统是建筑物内部空气质量的关键保障措施,它能够有效地排除建筑物内部潜在的有害气体、烟雾、蒸汽等,并保持空气的新鲜和流通。
通风管道及部件制作工程主要包括通风管道的设计、制作、安装和维护等环节。
2. 通风管道制作工艺通风管道的制作工艺主要分为以下几个步骤:2.1 设计通风管道的设计需要根据实际施工场所的情况和通风需求进行合理的规划。
设计师需要考虑到通风管道的走向、尺寸、材质等因素,并结合通风系统的整体布局进行综合考虑。
在设计过程中,还需要遵循相关的建筑安全和消防规范。
2.2 材料准备通风管道的制作需要使用具有一定强度和耐腐蚀性的材料,常见的材料有镀锌钢板、不锈钢板等。
在材料准备阶段,需要将材料按照设计要求进行切割成相应的尺寸,并进行必要的连接件的加工。
2.3 制作通风管道的制作主要包括以下几个环节:2.3.1 弯制根据设计要求,将切割好的材料置于管道弯曲机中,通过适当的压力和角度,使管道按照设计要求进行弯制。
弯制过程中需要注意材料的变形和垂直度控制。
2.3.2 连接通风管道的连接通常采用螺旋连接、焊接连接或法兰连接等方式。
具体选择哪种连接方式取决于设计要求和施工情况。
连接时需要注意连接的紧密性和密封性。
2.3.3 衬垫通风管道的衬垫是为了保持管道的稳定性和密封性。
根据通风管道的材料和规格,选用相应的衬垫材料,并将其安装在管道的接缝处。
2.3.4 补强为了提高通风管道的强度和稳定性,可以在必要的位置进行补强处理,常见的补强方式有加装角钢、加固肋等。
补强部分的制作需要根据具体情况进行。
2.4 安装和维护通风管道的安装需要根据设计要求进行合理布置,并且要确保管道的稳定性和密封性。
在安装过程中,要注意通风管道与其他设备的协调配合,以及与建筑物结构的连接。
通风管道的维护主要包括定期检查、清洁和润滑等工作。
硬聚氯乙烯(PVC)风管施工工艺一、PVC风管施工工艺(一)、主要使用加工机具1. 平台式木工锯床。
2. 手提式切割锯。
3. 电热式塑料焊枪。
5. 木工刨刀、小手锤,6 手枪钻,角磨机,冲击钻等工具。
(二)、施工程序1. 施工前项目经理和专业工程师应到达工地现场,确定施工图纸、技术方案、施工方案、施工配合方案,并向现场工程师交底;2.现场工程师必须熟悉现场施工环境和施工图纸,熟悉系统布局和通风设备、风管、风口布置及设计技术要求,了解有关规范、规程和风管、风口制安工艺,按《技术交底制度》对施工班组长进行技术交底。
(三)、施工工艺1. GB50243-2016通风与空调工程施工质量及验收规范。
2. T-635塑料风管及附件。
PVC风管常用于腐蚀性气体的送排风。
工艺流程为:下料—制作—焊接—加固—运输—安装。
PVC风管优点是耐腐蚀,密封性好;加工的灵活性不如镀锌板。
PVC风管在加工时应尽量减少风管的变径,分支管道可在主管道上开口做变径引出。
当风管长度超过20m应加伸缩软接,厚度根据规范要求依据风管管径的大小确定,切不可以薄代厚,避免减少软接的韧性。
制作好的软接表面应平整,美观,不应有明显的扭曲现象,两端尺寸相等,软接长度一般为200mm;风管边接方式:可以采用套管式承插焊接,也可以法兰连接。
本工程风管的风管连接为套管式承插焊接形式,所有焊缝均满焊。
矩形风管用料表矩形风管加工规格(mm)PVC板用料厚度(mm)≥630 6mm800~1250 8mm(四)、本工程下料为工厂加工焊接和现场制作方式1.风管的下料若为成批量加工可以从锯床上定好靠尺,既能保证下料的速度,又能使下料准确。
因为PVC材料有一定的脆性故切割时必须保持切割锯片的锋利,下料时勤测量以保证下料的风管的精确。
单块小部分的板材用墨笔画线然后用锯床或手提切割锯。
锯好的风管料片通过工具将扳边刨平,去掉毛边也可以在角磨机作坡口,手提角磨机,,具有较强的灵活性,使用与在现场使用。
镀锌铁皮风管施工工艺及要求一、工艺流程1、风管制作工艺流程施工准备→切角→调直→压加强筋→咬口→法兰成型→折弯→组装→加固→检验2、风管系统安装流程施工准备→支吊架制作→支吊架安装→风管连接安装→部件安装→漏光及漏风检测→复合检验二、施工要点1、风管制作风管制作安装前,必须到现场实测核对图纸,对各规格型号风管及配件进行汇总记录,然后进行制作。
合格标准按《通风与空调工程施工质量规范GB50243-2002》标准执行。
钢板风管板材厚度(mm)三、风管安装按照设计图纸,结合现场综合布置定位安装,风管连接螺栓应为镀锌材料,风管直径或长边≤1000mm吊杆规格为M8mm,大于1000mm则为M10mm。
防火阀、调节阀等部件安装应设独立支吊架,法兰之间应有垫料,防排烟风管法兰垫料应选用不然材料。
风管水平安装,直径或长边尺寸小于等于400mm,间距不应大于4m;大于400mm,不应大于3m。
对于薄钢板法兰的风管,其支、吊架间距不应大于3m。
当水平悬吊的主、干风管长度超过20m时,应设置防止摆动的固定点,每个系统不应少于1个。
四、质量控制管道制作安装施工质量必须符合《通风与空调工程施工质量规范GB50243-2002》标准的有关规定。
沟槽连接施工工艺及要点一、工艺流程安装准备→滚槽→开孔→安装机械三通、四通→管道安装→系统试压。
二、安装准备1、检查开孔机、滚槽机、确保安全使用。
2、材料、工具的准备,包括管材、刚卷尺、扳手、游标卡尺、水平仪、润滑剂等。
3、按设计要求装好待装管的支吊架。
槽式连接管道的沟槽及支、吊架的间距三、滚槽1、用切管机将钢管按需要的长度切割,确保切断面与管中轴线垂直。
2、将需要加工沟槽的钢管架设在滚槽机尾架上,使钢管处于水平位置。
3、将钢管加工的段面紧贴滚槽机尾架,使钢管中轴线与滚轮面垂直。
4、缓缓下压千斤顶,使压轮贴紧钢管,开动滚槽机,使滚轮转动一周,此时注意观察钢管断面是否贴紧,如果未贴紧应调整管子至水平,如果贴紧缓缓下压千斤顶,使上压轮均匀滚压钢管至预定沟槽深度为至。
工艺流程施工准备--板材切割--风管制作--风管验收--风管链接--风管吊装一操作要点1施工准备根据施工现场情况及设计图纸,画出风管加工草图。
2 板材切割直管采用平台切割,变径、三通、弯头等异径管件板材采用手提切割机。
切割时,切割线平直,板对角线长度误差小于5mm。
梯阶线、切割线与板面成90°。
风管左右板与上下板粘接处切割成台阶形。
台阶线的深度15mm。
分别见图1-1、1-2。
图1-1风管上下、左右板拼装示意图图1-2风管上下、左右板拼装照片实例二、风管制作1 专用胶的配制专用胶由氯化镁、氧化镁粉剂与卤水液剂两部分组成。
液剂是由卤片按照说明书现场配置。
粉剂与液剂的重量比为5∶3。
专用胶采用电动搅拌机拌和,不宜过稠,以流动为宜。
2 直管制作1)首先用刮刀将侧面板的梯阶形保温层刮去,保证梯阶平整。
2)在左右板侧面的台阶处敷上专用胶,均匀饱满不缺浆。
3)把风管底板放于组装架上,将左右侧板插在底面板边沿,左右侧板与上下板对口纵向粘结方向错位100mm,然后将上面板左右侧板间。
用龙门架形箍定位,再用捆扎带将组合的风管捆扎紧。
捆扎带间距650mm,捆扎带与风管四转角接合处用90°护脚保护。
分别见图2-1、2-2。
4)捆扎好的风管周长小于2000mm 时,对角线误差不大于3mm;周长大于2000mm 以上时,对角线的误差不大于5mm,风管内角加临时支撑保证转角90°。
清除挤压出来的余胶,确保连接处无空隙,风管外壁无残胶。
图2-1风管用捆扎带紧固示意图图2-2风管用捆扎带紧固照片实例3 变径风管制作变径风管制作与直管制作方法相同,其中一面、二面或三面风管板是斜面。
分别见图3-1 3-2。
图3-1变径风管拼装示意图图3-2变径风管拼装照片实例4 三通风管制作1)相同截面的三通制作。
按图纸尺寸切割风管板,顺风方向设置45°导流角,导流角的长度不得小于支风管宽度的1/2。
侧面板切割成台阶形,在台阶位置敷上专用胶,然后用捆扎带固定。
通风管道制作工艺与安装要求有哪些?1、划线要据风管的不同尺寸形状和规格分别进行,同时对一段风管要完整进行,防止划线错孔和下料的多少有误。
2、板材剪切依据划线的阶段不同,分别进行,同时必须进行下料的复核,以免有误。
按划线形状用机械剪刀进行剪切。
3、剪切时,手严禁伸入机械压板空隙中,上刀架不准放置工具等物品,调整板料时,脚不能放在踏板机上,使用固定式震动剪两手要扶稳钢板,手离刀口不得小于5cm,用力均匀适当。
4、板材下料后在轧口之前,必须用倒角机或剪刀进行倒角工作。
5、金属薄钢板制作的风管用咬口连接、铆钉连接、焊接等不同方法。
6、咬口宽度和留量要根据板材厚度而定。
7、焊接时必须焊缝均匀,无裂纹及加渣现象,铆钉连接时,铆钉中心先垂直于面板,铆钉头把板材压紧,使板材密合并排列整齐、均匀。
板材之间铆接,一般中间不可以加垫料,设计规定时,遵循设计。
8、咬口时手指据滚轮护壳不小于50mm,手不准放在咬口机管道上扶稳板料。
9、咬口后的板料将画好的折方线放在折方机上,置于下模的中心线,操作时,使机械上刀片与下模中心线重合,折成所需的角度。
10、折方时应相互配合并与折方机保持一定距离,以免被翻转的钢板或配件碰伤。
11、制作员风管时,将咬口两端拍成圆弧状放在卷圆机上卷圆。
按风管直径规格适当调整上、下辊间距,操作时,手不得直接推送钢板。
12、折方或卷圆后的钢板用合口机或手工进行缝合。
操作时,用力均匀,不易过重。
单、双口确定咬合,无脏裂或半咬口现象。
镀锌钢板风管是以镀锌钢板为主要原材料,经过咬口,机械加工成型,具有现场制作方便,同时具有可设计性,是传统的通风、空调用管道,同时随着技术的发展,由以前的手工制作改变为现在得全部机械化化生产,具有效率高,加工尺寸精确等特点。
安装要求一、通风管道制作一般规定:制作风管前,首先要检查使用的材料是否符合质量要求,是否有出厂合格证明或质量鉴定文件,如无上述证明文件应进行外观检查,并应符合下列要求:1、板材表面应平整,厚度均匀,无凹凸及明显的压伤现象,并不得有裂纹、砂眼、结疤及刺边和锈蚀情况。
通风管道安装施工工艺本文档介绍了通风管道安装的施工工艺,以确保良好的通风效果和安全运行。
施工前准备在开始施工之前,需要进行以下准备工作:1. 确定通风管道的设计方案,包括管道材质、尺寸和布局。
2. 根据设计方案准备所需的材料和工具。
3. 检查施工现场,确保安全和通风条件。
4. 安排施工人员和分工。
施工步骤通风管道安装的施工步骤如下:1. 进行基础施工:根据设计方案,在施工现场进行必要的基础施工,例如地面平整和支架安装。
2. 制作管道:根据设计方案和实际情况,将所需的管道材料进行加工和制作,确保尺寸和连接方式的准确性。
3. 安装管道:根据设计方案和管道制作的要求,将管道按照正确的布局和连接方式进行安装,确保连接紧密和管道通畅。
4. 进行接口处理:根据需要,在管道连接处进行密封处理,以防止漏风和漏水。
5. 安装风机和风口:根据设计方案,安装风机和风口,确保通风系统的正常运行。
6. 进行系统调试:在安装完成后,对通风系统进行调试,确保各部件的正常工作和通风效果的达到设计要求。
7. 进行安全检查:完成调试后,进行通风系统的安全检查,确保所有部件的安全运行和防火防爆措施的有效性。
8. 进行验收和记录:对通风管道安装工作进行验收,记录施工过程和结果,以备将来参考和维护。
安全注意事项在通风管道安装的施工过程中,需要注意以下安全事项:1. 使用合适的个人防护装备,如手套、护目镜等。
2. 遵守施工现场的安全规定,如使用安全网、警示标识等。
3. 使用合适的工具进行施工,确保操作安全。
4. 注意电气安全,禁止在有电源的地方使用金属工具。
5. 定期检查施工现场,清理垃圾和杂物,防止意外发生。
以上是通风管道安装施工的工艺介绍,希望能对您有所帮助。
如有任何问题,请随时与我们联系。
谢谢!。
十万级净化风管施工工艺流程一、工程概况本工程为十万级净化风管施工项目,属于大型工业净化系统。
该系统通过风管网络将净化后的清洁空气输送到各个生产车间,以提供合格的工作环境。
二、材料准备1. 主要设备和材料:风机、过滤器、空气净化设备、风管等。
2. 风管采用环氧树脂内衬焊接钢管,管径根据风量计算设计,一般为Φ500-Φ2000。
3. 所有设备和材料必须进行进场检验,确保质量符合设计标准和规范要求。
三、施工准备1. 根据设计图纸和施工方案进行施工布置,做好场地平整、临时设施等准备工作。
2. 对风管接口位置进行测量和标记,确保接口位置精确匹配。
3. 现场制作钢结构支架和吊装装置,确保吊装时风管的安全。
四、风管安装1. 将风管按设计高度进行吊装,精确控制接口接驳。
接口接驳后进行校正和调整,控制中心线对齐误差在规定范围内。
2. 所有环氧树脂内衬焊接接口进行检查,修补内衬涂层。
3. 安装固定支撑,调整支撑高度,使风管保持设计高度和倾角。
4. 所有接口连接处进行气密性检查,必要时进行补焊和修补。
五、设备安装1. 按设计要求完成风机、过滤器等设备的吊装和定位。
2. 设备的进出口接口必须与风管中心线对齐,允许的偏差范围在规范规定内。
3. 设备电气连接、传感器连接等按图纸要求完成。
4. 设备安装完成后,对设备进行调试,检查运行情况。
六、系统调试1. 全部系统恒压运行,检查每个节点的风量和压力,必要时进行调节。
2. 调试空气净化系统,确认滤网运行正常,出口气体质量符合标准。
3. 所有设备和监测系统连续运行24小时,检查运行参数,确认系统运行稳定。
以上是十万级净化风管施工的基本工艺流程。
施工过程中,必须严格按照设计图纸和规范标准进行操作,确保系统质量和使用安全。
一、 施工准备(一) 作业条件 1、 一般排风机系统和空调系统的安装,要在建筑物围护结构施工完,障碍物已清理,地面无杂物的条件下进行.2、 对空气洁净系统的安装,应在建筑物内部安装部件的地面做好,墙面已抹灰完毕,室内无灰尘飞扬或有防尘措施的条件下进行。
3、 一般除尘系统风管安装宜在厂房的工艺设备安装完或设备基础己确定,设备连接器、罩体方位已知的情况下进行.4、 检查现场预留孔洞位置、尺寸应符合图纸要求,每边比实际截面大100mm 。
5、 作业地点要有相应的辅助设施,如梯子、架子、安全防护、消防器材,并有施工员的技术、质量、安全交底.(二) 材料要求 1、各类板材、管材等应有质量证明文件(包括出厂合格证、质量合格证明及检测报告等)和产品清单。
2、 风管成品不允许有变形、扭曲、开裂、孔洞、法兰脱落、开焊、漏铆、漏打螺栓孔等缺陷。
3、 安装的阀体消声器、罩体、风口等部件应检查调节装置是否灵活,消声片、油漆层有无损伤。
4、 安装使用的材料:螺栓、螺母、垫圈、垫料、密封条、自攻螺钉、拉铆钉、电焊条、各种帆布、无纺布、射钉、膨胀螺栓等应符合产品质量要求。
(三) 施工机具手锤、电锤、手电钻、手锯、电动双刃剪、砂轮锯、角向磨光机、台钻、电气焊具、扳手、改锥、手剪、倒链、高凳、大绳、尖冲、射钉枪、刷子等。
二、 质量要求(一) 风管系统安装工作(送、排风,防排烟,除尘系统)质量要求符合《通风与空调工程施工质量验收规范》(GB50243-2002)的规定。
表6—21续表(二)风管系统安装工程(空调系统)质量要求符合《通风与空调工程施工质量验收规范》(GB50243-2002)的规定。
表6-22(三)风管系统安装工程(净化空调系统)质量要求符合《通风与空调工程施工质量验收规范》(GB50243—2002)的规定。
表6—23四、操作工艺(一)按设计要求并参照土建基准线找出风管标高(二)制作吊架及高吊点1、标高确定后,按照风管系统所在的空间位置,确定风管支、吊架形式。
浅谈铁皮风管工厂化预制工艺方法作者:李心中来源:《装饰装修天地》2020年第12期摘 ; ;要:通风管道是指用于工业与民用建筑中通风与空调工程的金属或非金属管道,是为了使空气流通,降低有害气体溶度的一種市政基础设施。
通风管道常用的金属板材有普通钢板(黑铁皮)、镀锌薄钢板(白铁皮)、铝板、不锈钢板和塑料复合钢板等;常用的非金属材料有玻璃钢风管、硬聚氯乙烯板等。
通风管道与其它系统管道安装相比较,它具有风管及配件的加工、制作和板材连接方法以及风道连接方法的特殊性。
关键词:铁皮风管;工厂化;预制工艺1 ;前言近年来,建筑物的体量越来越大,通风管道安装面积也随之增多,传统的铁皮风管手工制作方法已经远远不能满足质量和生产效率的需求,因此,铁皮风管工厂化预制应运而生。
2 ;工艺特点2.1 ;准备阶段准备工作主要包括绘制加工草图、选料、配备加工机具和人员、安排好运输工具、加工场地、板材的整平、除锈、划线等工作。
2.2 ;装配阶段对加工制作好的产品进行质量检查、防腐处理、管段编号和运输等。
2.3 ;完成阶段对风管进行吊装,完成对漏光、漏风量的检测,对检测不合格的风管。
2.4 ;传统铁皮风管加工工艺存在的问题及原因(1)传统铁皮风管加工工艺普遍存在的问题:风管扭曲与翘角、风管塌陷或凸起、铆钉脱落、纵横向偏差大、加固强度不够、耗时、耗材。
(2)引起这些问题的主要因素:施工时在板材上随意踩踏、对施工工艺流程不熟悉、放样下料尺寸没有复核、咬口精度不够、风管拼接方法不正确、风管加固不合理等。
(3)对传统工艺普遍存在的问题进行实地分析归纳,我们发现:制作环节越复杂,参与制作的人员越多,质量越得不到控制。
(4)采用铁皮风管工厂化预制工法,就是利用电脑控制设备,将铁皮风管的压平、加固、剪切、咬口、倒角、折方等工序全部在工厂里完成,然后运输到施工现场进行组装,可以省去复杂的人工制造环节,使之不受现场条件制约,可与现场同步进行风管制作,提高生产效率,降低了生产成本和工期,使质量得以保证,资源实现共享。
一、实训目的本次实训旨在通过实际操作,使学生掌握通风管道的制作工艺,了解通风管道的种类、材料、加工方法和安装要求,提高学生的动手能力和实际操作技能。
二、实训时间2023年11月15日三、实训地点XX学院实训楼通风管道制作室四、实训内容1. 通风管道的种类及材料2. 通风管道的制作工艺3. 通风管道的安装要求4. 通风管道的检测与验收五、实训过程1. 通风管道的种类及材料(1)通风管道的种类:通风管道主要分为圆形通风管道和矩形通风管道两种。
(2)通风管道的材料:通风管道的主要材料有钢板、铝板、不锈钢板、玻璃钢等。
2. 通风管道的制作工艺(1)下料:根据设计图纸,计算通风管道的尺寸,将板材裁剪成所需长度。
(2)咬口:将板材的边缘咬合在一起,形成管道的密封接口。
(3)折弯:将板材折弯成所需的形状,形成管道的弯头、三通等配件。
(4)焊接:对管道的接口进行焊接,确保管道的密封性和稳定性。
(5)防腐处理:对管道进行防腐处理,提高管道的使用寿命。
3. 通风管道的安装要求(1)管道安装应按照设计图纸的要求进行,确保管道的安装位置、高度和方向正确。
(2)管道连接应牢固,接口处应密封良好。
(3)管道的支架应稳固,保证管道在运行过程中的稳定。
(4)管道的支吊架间距应符合规范要求。
4. 通风管道的检测与验收(1)管道的尺寸、形状和接口应符合设计要求。
(2)管道的焊接质量应符合规范要求。
(3)管道的防腐处理应符合规范要求。
(4)管道的安装位置、高度和方向应符合设计要求。
六、实训总结1. 通过本次实训,我对通风管道的种类、材料、制作工艺和安装要求有了更深入的了解。
2. 在实训过程中,我学会了如何使用通风管道制作工具,掌握了通风管道的制作工艺。
3. 实训过程中,我明白了团队合作的重要性,学会了与他人协作完成工作任务。
4. 本次实训使我认识到自己在实际操作中存在的问题,为今后的学习和工作打下了基础。
七、实训心得1. 实践是检验真理的唯一标准。
风道吹塑工艺风道吹塑工艺是一种常用于制造风道的加工方法。
通过这种工艺,可以将塑料材料吹塑成所需的风道形状,具有成本低、制作周期短、加工精度高等优点,因此在建筑、空调、通风系统等领域得到广泛应用。
风道吹塑工艺的基本原理是利用高压空气将热塑性塑料挤出成型。
首先,将塑料颗粒或粉末放入吹塑机的加料口,经过加热和熔融后,形成可塑性的熔融塑料。
然后,通过挤出机将熔融塑料挤出成型口,形成一个圆柱形的塑料管道,即风道的原型。
接下来,利用高压空气通过成型口对塑料进行吹塑,使其沿着模具的内壁均匀吹开,形成所需的风道形状。
最后,冷却后取出风道,进行修整和整理,使其达到设计要求。
风道吹塑工艺具有以下几个特点:1. 加工成本低廉。
相比于传统的铁皮风道制作方法,风道吹塑工艺无需制作复杂的模具,只需设计一个适用于吹塑的模具即可,因此成本较低。
2. 制作周期短。
风道吹塑工艺无需制作模具,只需进行简单的设计和调整,因此制作周期较短,可以快速满足客户的需求。
3. 加工精度高。
风道吹塑工艺可以通过调整吹塑机的参数来控制风道的尺寸和形状,因此可以实现较高的加工精度和一致性。
4. 硬度可调。
根据实际应用需求,可以选择不同硬度的塑料材料进行吹塑,从而满足不同的强度和刚度要求。
5. 具有良好的密封性能。
风道吹塑工艺制作的风道表面光滑,并且吹塑过程中可以加入密封条等辅助材料,从而提高风道的密封性能,减少气体泄漏。
6. 维护方便。
由于风道吹塑工艺制作的风道具有较好的耐腐蚀性和韧性,因此在使用过程中不易破裂或损坏,维护方便。
风道吹塑工艺在建筑、空调、通风系统等领域得到广泛应用。
它可以制作各种形状的风道,如直线型、弯曲型、分支型等,满足不同建筑布局和风道系统的需求。
同时,风道吹塑工艺可以制作大口径风道,具有较好的承压性能,适用于大型建筑物和工业设施。
此外,风道吹塑工艺还可以制作特殊形状的风道,如扇形风道、变径风道等,满足特殊环境和需求的要求。
风道吹塑工艺作为一种先进的制造方法,在建筑、空调、通风系统等领域具有广泛的应用前景。
通风管道加工工艺
通风管道是工业与民用建筑的通风与空调工程用金属或复合管道,是为了使空气流通,降低有害气体浓度的一种市政基础设施。
[1]
通风管道中的风管制作与安装所用板材、型材以及其他主要成品材料,应符合设计及相关产品国家现行标准的规定,并应用出厂检验合格证明,材料进场时应按国家现行有关标准进行验收。
目录
1. 1概述
2. ▪用途分类
3. ▪形状分类
4. ▪加工工艺
1. 2应用
2. ▪按用途区分
3. ▪风管施工
4. ▪无机玻璃钢
1. ▪分类
2. ▪产品规格
3. 3共板法兰风管
概述
通风管道是为了使空气流通,降低有害气体浓度的一种市政基础设施。
通风管,风管制作与安装所用板材、型材以及其他主要成品材料,应符合设计及相关产品国家现行标准的规定,并应用出厂检验合格证明,材料进场时应按国家现行有关标准进行验收。
通风管道按材质分:一般有:钢板风管(普通钢板)、镀锌板(白铁)风管、不锈钢通风管、玻璃钢通风管、塑料通风管、复合材料通风管、彩钢夹心保温板通风管、双面铝箔保温通风管、单面彩钢保温风管、涂胶布通风管(如矿用风筒)、矿用塑料通风管等;
用途分类
一般有:净化系统送回风管、中央空调通风管、工业送排风通风管、环保系统吸排风管、矿用抽放瓦斯管、矿用涂胶布风筒等;
形状分类
一般有:圆形、矩形、螺旋形等;
加工工艺
可分为角铁法兰风管,共板法兰风管。
应用
风管主要应用在工业及建筑工程中,应用领域主要涉及:电子工业无尘厂房净化系统,医药食品无菌车间净化系统,酒店宾馆、商场医院、工厂及写字楼的中央空调系统,工业污染控制用除尘、排烟、吸油等排风管、工业环境或岗位舒适用送风管、煤矿抽放瓦斯用抽放瓦斯系统、煤矿矿井环境控制用送回风系统...等等;PS:常被影视、动漫中开发成逃生及潜入专用路线。
材质等级
按用途区分
1、净化空调系统用风管:镀锌板、不锈钢;(使用中可能出现尘源污染的玻璃钢、复合材料禁用)
2、中央空调系统用风管:镀锌板、彩钢保温板;(
通风管道
可使用玻璃钢、复合材料)
3、环境控制系统用风管:镀锌板、不锈钢;(可使用塑料、玻璃钢、复合材料)
4、工业通风系统用风管:钢板、镀锌板;(丽博通风管.可使用塑料、玻璃钢、复合材料)
注:玻璃钢风管可分有机、无机二种,根据设计规范有消防要求的禁用有机材质;
5、特殊使用场合用风管:矿用涂胶布风筒、矿用塑料通风管;(要求阻燃抗静电矿用安全特性)
风管施工
1)对于比较复杂的民用建筑,在设计阶段,各工种(暖通、给水排水,供电照明与建筑专业)首先应协商好空间分隔,定出每种管道的标高范围。
一般情况下不得越出给自己规定的界限。
遇有个别管段要越界时应与
通风管道
其他工程协商。
2)解决各种通风管道相碰及协调的原则,一般为:“小管让大管,有压让无压”。
例如,自来水管与风管相撞,则应当自来水管拐弯。
冷、热水管与下水管相碰,则应改变冷、热水管道。
3)施工前应设备总管的工程师,将各工种的管线,单线画在一张平面图上。
每种管道用一种彩色笔。
在各交点处综合其标高,看是否有矛盾之处,及时发现,将问题解决在安装之前。
4)为了减少投资,节省空间,降低层高,有些敷设无坡度要求的管道,可以穿梁敷设(如自来水管道,消防喷洒干管等)。
无机玻璃钢
无机玻璃钢通风管(又称玻璃纤维氯氧镁水泥通风管)是以氯氧镁水泥为胶结料中碱玻璃纤维为增强材料、加入填充材料和改性剂等所制成的一种管材。
它具有不燃烧、属不燃材料A级,耐腐蚀、强度高和重量轻等特点。
在建筑工程、地下工程及工业厂房的通风中,它已经完全取代了不耐燃的有机玻璃钢通风管,并在逐步取代防腐性能差的镀锌铁皮通风管。
尤其是在湿度大的地下工程和长江以南地区,它的优越性更为显著。
通过氯氧镁胶凝材料的研究及制品的检测,发现无机玻璃钢通风管在生产中及工程应用中仍存在一些质量问题。
有的质量问题严重影响了工程的使用寿命,应引起大家足够重视。
分类
根据国家建筑材料行业标准《玻镁风管》JC646-2006标准的规定,通风管道分为整体普通型风管、整体保温型风管和组合保温型风管三种类型,该三种通风管道不适用于住宅建筑的排油烟管道。
根据通风管道的物理力学性能和外观质量,通风管道分为一级品和合格品两个等级。
产品规格
菱镁通风管道的尺寸主要由设计单位根据工程需要的通风量进行设计,也可根据客户的具体要求设计。
菱镁通风管道的外形分圆形和矩形两种截面。
管道的长一般为2~3m,如果圆形管直径和矩形管的边长大于1.5m时,管段长度可适当缩短。
管段之间的连接方式有两种:一是法兰连接,一是承插式连接。
P类管的的规格尺寸见表1。
表1 P类管的规格尺寸/mm。