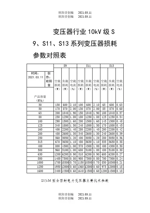
变压器行业10kV级S9、S11、S13系列变压器损耗参数对照表
- 格式:doc
- 大小:163.00 KB
- 文档页数:6
变压器行业10k V级S9、S11、S13系列变压器损耗参数对照表变压器行业10kV级S9、S11、S13系列变压器损耗参数对照表S13-M型全密封电力变压器主要技术参数负载损耗:即可变损失。
与通过的电流的平方成正比。
负载损耗是额定电流下与参考温度下的负载损耗。
展开些说,所谓额定电流是指一次侧分接位置必须是主分接,不能是其它分接的额定电流。
对参考温度而言,要看变压器的绝缘材料的耐热等级。
对油浸式变压器而言,不论是自冷、风冷或强油风冷,都有是A级绝缘材料,其参考温度是根据传统概念加以规定的,都是75℃。
1900年左右,经研究发现在铁中加入少量的硅或铝可大大降低磁路损耗,增大导磁率,且使电阻率增大,涡流损耗降低。
经多次改进,用0.35mm厚的硅钢片来代替铁线制作变压器铁芯。
1903来世界各国都在积极研究生产节能材料,变压器的铁芯材料已发展到现在最新的节能材料——非晶态磁性材料如2605S2,非晶合金铁芯变压器便应运而生。
使用2605S2制作的变压器,其铁损仅为硅钢变压器的1/5,铁损大幅度降低。
(2)变压器系列的节能效果上述非晶合金铁芯变压器,具有低噪音、低损耗等特点,其空载损耗仅为常规产品的1/5,且全密封免维护,运行费用极低。
我国S7系列变压器是1980年后推出的变压器,其效率较SJ、SJL、SL、SL1系列的变压器高,其负载损耗也较高。
80年代中期又设计生产出S9系列变压器,其价格较S7系列平均高出20%,空载损耗较S7系列平均降低8%,负载损耗平均降低24%,并且国家已明令在1998年底前淘汰S7、SL7系列,推广应用S9系列。
S11是推广应用的低损耗变压器。
S11型变压器卷铁心改变了传统的叠片式铁心结构。
硅钢片连续卷制,铁心无接缝,大大减少了磁阻,空载电流减少了60~80,提高了功率因数,降低了电网线损,改善了电网的供电品质。
连续卷绕充分利用了硅钢片的取向性,空载损耗降低20~35。
运行时的噪音水平降低到30~45dB,保护了环境。
变压器行业10kV级S9、S11、S13系列变压器损耗参数对照表S13-M型全密封电力变压器主要技术参数负载损耗:即可变损失。
与通过的电流的平方成正比。
负载损耗是额定电流下与参考温度下的负载损耗。
展开些说,所谓额定电流是指一次侧分接位置必须是主分接,不能是其它分接的额定电流。
对参考温度而言,要看变压器的绝缘材料的耐热等级。
对油浸式变压器而言,不论是自冷、风冷或强油风冷,都有是A级绝缘材料,其参考温度是根据传统概念加以规定的,都是75℃。
1900年左右,经研究发现在铁中加入少量的硅或铝可大大降低磁路损耗,增大导磁率,且使电阻率增大,涡流损耗降低。
经多次改进,用0.35mm厚的硅钢片来代替铁线制作变压器铁芯。
1903来世界各国都在积极研究生产节能材料,变压器的铁芯材料已发展到现在最新的节能材料——非晶态磁性材料如2605S2,非晶合金铁芯变压器便应运而生。
使用2605S2制作的变压器,其铁损仅为硅钢变压器的1/5,铁损大幅度降低。
(2)变压器系列的节能效果上述非晶合金铁芯变压器,具有低噪音、低损耗等特点,其空载损耗仅为常规产品的1/5,且全密封免维护,运行费用极低。
我国S7系列变压器是1980年后推出的变压器,其效率较SJ、SJL、SL、SL1系列的变压器高,其负载损耗也较高。
80年代中期又设计生产出S9系列变压器,其价格较S7系列平均高出20%,空载损耗较S7系列平均降低8%,负载损耗平均降低24%,并且国家已明令在1998年底前淘汰S7、SL7系列,推广应用S9系列。
S11是推广应用的低损耗变压器。
S11型变压器卷铁心改变了传统的叠片式铁心结构。
硅钢片连续卷制,铁心无接缝,大大减少了磁阻,空载电流减少了60~80,提高了功率因数,降低了电网线损,改善了电网的供电品质。
连续卷绕充分利用了硅钢片的取向性,空载损耗降低20~35。
运行时的噪音水平降低到30~45dB,保护了环境。
非晶合金铁心的S11系列配电变压器系列的空载损耗较S9系列降低75%左右,但其价格仅比S9系列平均高出30%,其负载损耗与S9系列变压器相等。
变压器行业10kV级S9、S11、S13系列变压器损耗参数对照表S13-M型全密封电力变压器主要技术参数负载损耗:即可变损失。
与通过的电流的平方成正比。
负载损耗是额定电流下与参考温度下的负载损耗。
展开些说,所谓额定电流是指一次侧分接位置必须是主分接,不能是其它分接的额定电流。
对参考温度而言,要看变压器的绝缘材料的耐热等级。
对油浸式变压器而言,不论是自冷、风冷或强油风冷,都有是A级绝缘材料,其参考温度是根据传统概念加以规定的,都是75℃。
1 变压器损耗大致为两项:铁损和线损。
其中铁损主要为变压器铁芯在工作时的磁滞损耗所造成的,其大小与电压相关较大,变压器空载还是带负载对于铁损影响不大;2 负载电流流过变压器线圈,由于线圈本身的电阻,将有一部分功率损耗在线圈中,这部分损耗为“线损”,电流越大,损耗越大,所以负荷越大,线损也越大;3 空载时,只有励磁电流流过变压器,所以线损很小;4 上述“铁损”和“线损”之和就是变压器的大部分损耗,负载时的线损与铁损之和就是变压器的负载损耗,而空载损耗意义也是如此。
相关知识:1)推广使用低损耗变压器(1)铁芯损耗的控制变压器损耗中的空载损耗,即铁损,主要发生在变压器铁芯叠片内,主要是因交变的磁力线通过铁芯产生磁滞及涡流而带来的损耗。
最早用于变压器铁芯的材料是易于磁化和退磁的软熟铁,为了克服磁回路中由周期性磁化所产生的磁阻损失和铁芯由于受交变磁通切割而产生的涡流,变压器铁芯是由铁线束制成,而不是由整块铁构成。
1900年左右,经研究发现在铁中加入少量的硅或铝可大大降低磁路损耗,增大导磁率,且使电阻率增大,涡流损耗降低。
经多次改进,用0.35mm厚的硅钢片来代替铁线制作变压器铁芯。
1903来世界各国都在积极研究生产节能材料,变压器的铁芯材料已发展到现在最新的节能材料——非晶态磁性材料如2605S2,非晶合金铁芯变压器便应运而生。
使用2605S2制作的变压器,其铁损仅为硅钢变压器的1/5,铁损大幅度降低。
变压器行业10kV级S9、S11、S13系列变压器损耗参数对照表S13-M型全密封电力变压器主要技术参数负载损耗:即可变损失。
与通过的电流的平方成正比。
负载损耗是额定电流下与参考温度下的负载损耗。
展开些说,所谓额定电流是指一次侧分接位置必须是主分接,不能是其它分接的额定电流。
对参考温度而言,要看变压器的绝缘材料的耐热等级。
对油浸式变压器而言,不论是自冷、风冷或强油风冷,都有是A级绝缘材料,其参考温度是根据传统概念加以规定的,都是75℃。
1 变压器损耗大致为两项:铁损和线损。
其中铁损主要为变压器铁芯在工作时的磁滞损耗所造成的,其大小与电压相关较大,变压器空载还是带负载对于铁损影响不大;2 负载电流流过变压器线圈,由于线圈本身的电阻,将有一部分功率损耗在线圈中,这部分损耗为“线损”,电流越大,损耗越大,所以负荷越大,线损也越大;3 空载时,只有励磁电流流过变压器,所以线损很小;4 上述“铁损”和“线损”之和就是变压器的大部分损耗,负载时的线损与铁损之和就是变压器的负载损耗,而空载损耗意义也是如此。
相关知识:1)推广使用低损耗变压器(1)铁芯损耗的控制变压器损耗中的空载损耗,即铁损,主要发生在变压器铁芯叠片内,主要是因交变的磁力线通过铁芯产生磁滞及涡流而带来的损耗。
最早用于变压器铁芯的材料是易于磁化和退磁的软熟铁,为了克服磁回路中由周期性磁化所产生的磁阻损失和铁芯由于受交变磁通切割而产生的涡流,变压器铁芯是由铁线束制成,而不是由整块铁构成。
1900年左右,经研究发现在铁中加入少量的硅或铝可大大降低磁路损耗,增大导磁率,且使电阻率增大,涡流损耗降低。
经多次改进,用0.35mm厚的硅钢片来代替铁线制作变压器铁芯。
1903来世界各国都在积极研究生产节能材料,变压器的铁芯材料已发展到现在最新的节能材料——非晶态磁性材料如2605S2,非晶合金铁芯变压器便应运而生。
使用2605S2制作的变压器,其铁损仅为硅钢变压器的1/5,铁损大幅度降低。
变压器行业10kV 级S9、S11、S13 系列变压器损耗参数对照表变压器行业10kV级S9、S11、S13系列变压器损耗参数对照表S13-M型全密封电力变压器主要技术参数是主分接,不能是其它分接的额定电流。
对参考温度而言,要看变压器的绝缘材料的耐热等级。
对油浸式变压器而言,不论是自冷、风冷或强油风冷,都有是A级绝缘材料,其参考温度是根据传统概念加以规定的,都是75 C。
1变压器损耗大致为两项:铁损和线损。
其中铁损主要为变压器铁芯在工作时的磁滞损耗所造成的,其大小与电压相关较大,变压器空载还是带负载对于铁损影响不大;2负载电流流过变压器线圈,由于线圈本身的电阻,将有一部分功率损耗在线圈中,这部分损耗为线损”电流越大,损耗越大,所以负荷越大,线损也越大;3空载时,只有励磁电流流过变压器,所以线损很小;4上述铁损”和线损”之和就是变压器的大部分损耗,负载时的线损与铁损之和就是变压器的负载损耗,而空载损耗意义也是如此。
相关知识:1 )推广使用低损耗变压器(1 )铁芯损耗的控制变压器损耗中的空载损耗,即铁损,主要发生在变压器铁芯叠片内,主要是因交变的磁力线通过铁芯产生磁滞及涡流而带来的损耗。
最早用于变压器铁芯的材料是易于磁化和退磁的软熟铁,为了克服磁回路中由周期性磁化所产生的磁阻损失和铁芯由于受交变磁通切割而产生的涡流,变压器铁芯是由铁线束制成,而不是由整块铁构成。
1900年左右,经研究发现在铁中加入少量的硅或铝可大大降低磁路损耗,增大导磁率,且使电阻率增大,涡流损耗降低。
经多次改进,用0. 35mm厚的硅钢片来代替铁线制作变压器铁芯。
1903来世界各国都在积极研究生产节能材料,变压器的铁芯材料已发展到现在最新的节能材料一一非晶态磁性材料如2605S2,非晶合金铁芯变压器便应运而生。
使用2605S2制作的变压器,其铁损仅为硅钢变压器的1/5,铁损大幅度降低。
(2 )变压器系列的节能效果上述非晶合金铁芯变压器,具有低噪音、低损耗等特点,其空载损耗仅为常规产品的1/5,且全密封免维护,运行费用极低。
[s9系列变压器参数]变压器行业10kV级S9、S11、S13系列变压器损耗参数对照表[s9系列变压器参数]变压器行业10kV级S9、S11、S13系列变压器损耗参数对照表篇一 : 变压器行业10kV级S9、S11、S13系列变压器损耗参数对照表变压器行业10kV级S9、S11、S13系列变压器损耗参数对照表S13-M型全密封电力变压器主要技术参数篇二 : 1155针全系列CPU参数列表Socket 1155,1155针全系列CPU,型号,主频,缓存,设计功耗,制造工艺,核心代号,参数对比列表供货商 CPU 型号 Frequency L3Cache Core Name Process Stepping Wattage BCLK BIOS支持Intel Core i7-2600 3.40GHz 8MB Sandy Bridge 32nm D2 95W 100 F7 Intel Core i7-2600K 3.40GHz 8MB Sandy Bridge 32nm D2 95W 100 F7 Intel Core i7-2600S 2.80GHz 8MB Sandy Bridge 32nm D2 65W 100 F7 Intel Core i5-2500 3.30GHz 6MB Sandy Bridge 32nm D2 95W100 F7Intel Core i5-2500K 3.30GHz 6MB Sandy Bridge 32nm D2 95W 100 F7 Intel Core i5-2500S 2.70GHz 6MB Sandy Bridge 32nm D2 65W 100 F7 Intel Core i5-2500T 2.30GHz 6MB Sandy Bridge 32nm D2 45W 100 F7 Intel Core i5-2405S 2.50GHz 6MB Sandy Bridge 32nm D2 65W 100 F7 Intel Core i5-2400 3.10GHz 6MB Sandy Bridge 32nm D2 95W 100 F7Intel Core i5-2400S 2.50GHz 6MB Sandy Bridge 32nm D2 65W 100 F7 Intel Core i5-2390T 2.70GHz 3MB Sandy Bridge 32nm Q0 35W 100 F7 Intel Core i5-2320 3.00GHz 6MB Sandy Bridge 32nm D2 95W 100 F7 Intel Core i5-2310 2.90GHz 6MB Sandy Bridge 32nm D2 95W 100 F7 Intel Core i5-2300 2.80GHz 6MB Sandy Bridge 32nm D2 95W 100 F7 Intel Core i3-2130 3.40GHz 3MB Sandy Bridge 32nm D2 65W100 F7Intel Core i3-2125 3.30GHz 3MB Sandy Bridge 32nm D2 65W 100 F7 Intel Core i3-2120 3.30GHz 3MB Sandy Bridge 32nm Q0 65W 100 F7 Intel Core i3-2120T 2.60GHz 3MB Sandy Bridge 32nm Q0 35W 100 F7 Intel Core i3-2105 3.10GHz 3MB Sandy Bridge 32nm D2 65W 100 F7 Intel Core i3-2100T 2.50GHz 3MB Sandy Bridge 32nm Q0 35W 100 F7 Intel Core i3-2100 3.10GHz 3MB Sandy Bridge 32nm Q0 65W 100 F7 Intel Pentium G860 3.00GHz 3MB Sandy Bridge 32nm Q0 65W 100 F7 Intel Pentium G850 2.90GHz 3MB Sandy Bridge 32nm Q0 65W 100 F7 Intel Pentium G840 2.80GHz 3MB Sandy Bridge 32nm Q0 65W 100 F7 Intel Pentium G630 2.70GHz 3MB Sandy Bridge 32nm Q0 65W 100 F7 Intel Pentium G630T 2.30GHz 3MB Sandy Bridge 32nm Q0 35W100 F7Intel Pentium G620 2.60GHz 3MB Sandy Bridge 32nm Q0 65W 100 F7 Intel Pentium G620T 2.20GHz 3MB Sandy Bridge 32nm Q0 35W 100 F7 Intel Celeron G540 2.50GHz 2MB Sandy Bridge 32nm Q0 65W 100 F7 Intel Celeron G530 2.40GHz 2MB Sandy Bridge 32nm Q0 65W 100 F7 实话说“瘦死的骆驼比马大”,虽然G620在目前所有的SandyBridge架构的CPU中,主频最低,不支持Sandy Bridge最大的特色AVX指令集,不支持SMT同步多线程技术,不支持睿频2.0技术,几乎就是一普通的CPU,但由于架构的大幅优化,性能还是要比酷睿系列双核表现得好。
变压器行业10kV级S9、S11、S13系列变压器损耗参数对照表S13-M型全密封电力变压器主要技术参数公文写作公文写作是指根据公务活动的客观现实和需求,运用科学的逻辑思路和写作手法完成公文的撰写。
没有一篇公文不是为了解决工作中所遇到的实际问题,所以公文的写作具有很强的现实效用,对写作者的综合能力要求较高。
公文的现实效用成为公文和其他常见文学作品最大的区别。
部分文学作品虽然能够给我们带来思想上的启迪,影响我们的生活,但是没有一纸公文的影响力来得快,带来的波动大。
写作一篇合格的公文对于撰写人员的综合要求是很高的,因为公文写作本身就是一项综合性的脑力劳动.撰写人员往往需要具备大量的知识储备、工作经验以及熟练的写作技巧。
公文写作的语言特征公文的语言是非常讲究的。
一篇公文如果没有规范的语言作为载体,那么在上传下达的过程中可能无法达到预期的效果。
以下是笔者根据多年的公文写作经验总结出的五个要点。
1.真实准确真实准确的用语是公文写作的底线,是一个公文撰写者必备的职业技能,也是公文写作中最重要的一点。
写进公文中的材料必须是能够真实展现实际工作中真实发生的事件,不能有任何的虚构和编造。
因此在撰写公文的时候应该做到内容不真实的不写,材料没有落实的不写,没了解清楚的不写。
2.严谨庄重在处理公务的时候,应该保持公正的立场和严肃的态度,这一点在公文中也应该得到很好的体现。
怎样才能让公文的表达显得严谨和庄重呢?少用口语,不用方言,多用陈述性的语言,少用描绘性的语言。
在行文的过程中,要保持逻辑性,前后内容不能相互矛盾,全文要做到严谨周密。
3.简单明了公文的内容应简明扼要,让人能够直截了当地明白其中传达的意思,要做到言之有物,简而不空。
因此在写作公文前就要了解公文的核心思想和目的,整理出公文的重点,做到成竹在胸。
4.平实易懂公文中的语言只有平实易懂,才能有效地在各级机关中传播。
如果在公文中使用华丽或者带有修饰性的语言,则需要格外注意使用场合和公文的内容。
变压器行业10k V级S9、S11、S13系列变压器损耗参数对照表变压器行业10kV级S9、S11、S13系列变压器损耗参数对照表S13-M型全密封电力变压器主要技术参数负载损耗:即可变损失。
与通过的电流的平方成正比。
负载损耗是额定电流下与参考温度下的负载损耗。
展开些说,所谓额定电流是指一次侧分接位置必须是主分接,不能是其它分接的额定电流。
对参考温度而言,要看变压器的绝缘材料的耐热等级。
对油浸式变压器而言,不论是自冷、风冷或强油风冷,都有是A级绝缘材料,其参考温度是根据传统概念加以规定的,都是75℃。
1900年左右,经研究发现在铁中加入少量的硅或铝可大大降低磁路损耗,增大导磁率,且使电阻率增大,涡流损耗降低。
经多次改进,用0.35mm厚的硅钢片来代替铁线制作变压器铁芯。
1903来世界各国都在积极研究生产节能材料,变压器的铁芯材料已发展到现在最新的节能材料——非晶态磁性材料如2605S2,非晶合金铁芯变压器便应运而生。
使用2605S2制作的变压器,其铁损仅为硅钢变压器的1/5,铁损大幅度降低。
(2)变压器系列的节能效果上述非晶合金铁芯变压器,具有低噪音、低损耗等特点,其空载损耗仅为常规产品的1/5,且全密封免维护,运行费用极低。
我国S7系列变压器是1980年后推出的变压器,其效率较SJ、SJL、SL、SL1系列的变压器高,其负载损耗也较高。
80年代中期又设计生产出S9系列变压器,其价格较S7系列平均高出20%,空载损耗较S7系列平均降低8%,负载损耗平均降低24%,并且国家已明令在1998年底前淘汰S7、SL7系列,推广应用S9系列。
S11是推广应用的低损耗变压器。
S11型变压器卷铁心改变了传统的叠片式铁心结构。
硅钢片连续卷制,铁心无接缝,大大减少了磁阻,空载电流减少了60~80,提高了功率因数,降低了电网线损,改善了电网的供电品质。
连续卷绕充分利用了硅钢片的取向性,空载损耗降低20~35。
运行时的噪音水平降低到30~45dB,保护了环境。
变压器行业10kV级S 9、S11、S13系列变压器损耗参数对照表S13-M型全密封电力变压器主要技术参数负载损耗:即可变损失。
与通过的电流的平方成正比。
负载损耗是额定电流下与参考温度下的负载损耗。
展开些说,所谓额定电流是指一次侧分接位置必须是主分接,不能是其它分接的额定电流。
对参考温度而言,要看变压器的绝缘材料的耐热等级。
对油浸式变压器而言,不论是自冷、风冷或强油风冷,都有是A级绝缘材料,其参考温度是根据传统概念加以规定的,都是75℃。
1 变压器损耗大致为两项:铁损和线损。
其中铁损主要为变压器铁芯在工作时的磁滞损耗所造成的,其大小与电压相关较大,变压器空载还是带负载对于铁损影响不大;2 负载电流流过变压器线圈,由于线圈本身的电阻,将有一部分功率损耗在线圈中,这部分损耗为“线损”,电流越大,损耗越大,所以负荷越大,线损也越大;3 空载时,只有励磁电流流过变压器,所以线损很小;4 上述“铁损”和“线损”之和就是变压器的大部分损耗,负载时的线损与铁损之和就是变压器的负载损耗,而空载损耗意义也是如此。
相关知识:1)推广使用低损耗变压器(1)铁芯损耗的控制变压器损耗中的空载损耗,即铁损,主要发生在变压器铁芯叠片内,主要是因交变的磁力线通过铁芯产生磁滞及涡流而带来的损耗。
最早用于变压器铁芯的材料是易于磁化和退磁的软熟铁,为了克服磁回路中由周期性磁化所产生的磁阻损失和铁芯由于受交变磁通切割而产生的涡流,变压器铁芯是由铁线束制成,而不是由整块铁构成。
1900年左右,经研究发现在铁中加入少量的硅或铝可大大降低磁路损耗,增大导磁率,且使电阻率增大,涡流损耗降低。
经多次改进,用0.35mm厚的硅钢片来代替铁线制作变压器铁芯。
1903来世界各国都在积极研究生产节能材料,变压器的铁芯材料已发展到现在最新的节能材料——非晶态磁性材料如2605S2,非晶合金铁芯变压器便应运而生。
使用2605S2制作的变压器,其铁损仅为硅钢变压器的1/5,铁损大幅度降低。
变压器行业10kV级S9、S11、S13系列变压器损耗参数对照表S13-M型全密封电力变压器主要技术参数负载损耗:即可变损失。
与通过的电流的平方成正比。
负载损耗是额定电流下与参考温度下的负载损耗。
展开些说,所谓额定电流是指一次侧分接位置必须是主分接,不能是其它分接的额定电流。
对参考温度而言,要看变压器的绝缘材料的耐热等级。
对油浸式变压器而言,不论是自冷、风冷或强油风冷,都有是A级绝缘材料,其参考温度是根据传统概念加以规定的,都是75℃。
1 变压器损耗大致为两项:铁损和线损。
其中铁损主要为变压器铁芯在工作时的磁滞损耗所造成的,其大小与电压相关较大,变压器空载还是带负载对于铁损影响不大;2 负载电流流过变压器线圈,由于线圈本身的电阻,将有一部分功率损耗在线圈中,这部分损耗为“线损”,电流越大,损耗越大,所以负荷越大,线损也越大;3 空载时,只有励磁电流流过变压器,所以线损很小;4 上述“铁损”和“线损”之和就是变压器的大部分损耗,负载时的线损与铁损之和就是变压器的负载损耗,而空载损耗意义也是如此。
相关知识:1)推广使用低损耗变压器(1)铁芯损耗的控制变压器损耗中的空载损耗,即铁损,主要发生在变压器铁芯叠片内,主要是因交变的磁力线通过铁芯产生磁滞及涡流而带来的损耗。
最早用于变压器铁芯的材料是易于磁化和退磁的软熟铁,为了克服磁回路中由周期性磁化所产生的磁阻损失和铁芯由于受交变磁通切割而产生的涡流,变压器铁芯是由铁线束制成,而不是由整块铁构成。
1900年左右,经研究发现在铁中加入少量的硅或铝可大大降低磁路损耗,增大导磁率,且使电阻率增大,涡流损耗降低。
经多次改进,用0.35mm厚的硅钢片来代替铁线制作变压器铁芯。
1903来世界各国都在积极研究生产节能材料,变压器的铁芯材料已发展到现在最新的节能材料——非晶态磁性材料如2605S2,非晶合金铁芯变压器便应运而生。
使用2605S2制作的变压器,其铁损仅为硅钢变压器的1/5,铁损大幅度降低。
变压器行业10kV级S9、S11、S13系列变压器损耗参数对照表S13—M型全密封电力变压器主要技术参数负载损耗:即可变损失。
与通过的电流的平方成正比。
负载损耗是额定电流下与参考温度下的负载损耗。
展开些说,所谓额定电流是指一次侧分接位置必须是主分接,不能是其它分接的额定电流。
对参考温度而言,要看变压器的绝缘材料的耐热等级。
对油浸式变压器而言,不论是自冷、风冷或强油风冷,都有是A级绝缘材料,其参考温度是根据传统概念加以规定的,都是75℃。
1 变压器损耗大致为两项:铁损和线损。
其中铁损主要为变压器铁芯在工作时的磁滞损耗所造成的,其大小与电压相关较大,变压器空载还是带负载对于铁损影响不大;2 负载电流流过变压器线圈,由于线圈本身的电阻,将有一部分功率损耗在线圈中,这部分损耗为“线损",电流越大,损耗越大,所以负荷越大,线损也越大;3 空载时,只有励磁电流流过变压器,所以线损很小;4 上述“铁损”和“线损”之和就是变压器的大部分损耗,负载时的线损与铁损之和就是变压器的负载损耗,而空载损耗意义也是如此.相关知识:1)推广使用低损耗变压器(1)铁芯损耗的控制变压器损耗中的空载损耗,即铁损,主要发生在变压器铁芯叠片内,主要是因交变的磁力线通过铁芯产生磁滞及涡流而带来的损耗。
最早用于变压器铁芯的材料是易于磁化和退磁的软熟铁,为了克服磁回路中由周期性磁化所产生的磁阻损失和铁芯由于受交变磁通切割而产生的涡流,变压器铁芯是由铁线束制成,而不是由整块铁构成。
1900年左右,经研究发现在铁中加入少量的硅或铝可大大降低磁路损耗,增大导磁率,且使电阻率增大,涡流损耗降低。
经多次改进,用0.35mm厚的硅钢片来代替铁线制作变压器铁芯.1903来世界各国都在积极研究生产节能材料,变压器的铁芯材料已发展到现在最新的节能材料——非晶态磁性材料如2605S2,非晶合金铁芯变压器便应运而生。
使用2605S2制作的变压器,其铁损仅为硅钢变压器的1/5,铁损大幅度降低。
变压器行业10kV级S9、S11、S13系列变压器损耗参数对照表S13-M型全密封电力变压器主要技术参数负载损耗:即可变损失。
与通过的电流的平方成正比。
负载损耗是额定电流下与参考温度下的负载损耗。
展开些说,所谓额定电流是指一次侧分接位置必须是主分接,不能是其它分接的额定电流。
对参考温度而言,要看变压器的绝缘材料的耐热等级。
对油浸式变压器而言,不论是自冷、风冷或强油风冷,都有是A级绝缘材料,其参考温度是根据传统概念加以规定的,都是75℃。
1 变压器损耗大致为两项:铁损和线损。
其中铁损主要为变压器铁芯在工作时的磁滞损耗所造成的,其大小与电压相关较大,变压器空载还是带负载对于铁损影响不大;2 负载电流流过变压器线圈,由于线圈本身的电阻,将有一部分功率损耗在线圈中,这部分损耗为“线损”,电流越大,损耗越大,所以负荷越大,线损也越大;3 空载时,只有励磁电流流过变压器,所以线损很小;4 上述“铁损”和“线损”之和就是变压器的大部分损耗,负载时的线损与铁损之和就是变压器的负载损耗,而空载损耗意义也是如此。
相关知识:1)推广使用低损耗变压器(1)铁芯损耗的控制变压器损耗中的空载损耗,即铁损,主要发生在变压器铁芯叠片内,主要是因交变的磁力线通过铁芯产生磁滞及涡流而带来的损耗。
最早用于变压器铁芯的材料是易于磁化和退磁的软熟铁,为了克服磁回路中由周期性磁化所产生的磁阻损失和铁芯由于受交变磁通切割而产生的涡流,变压器铁芯是由铁线束制成,而不是由整块铁构成。
1900年左右,经研究发现在铁中加入少量的硅或铝可大大降低磁路损耗,增大导磁率,且使电阻率增大,涡流损耗降低。
经多次改进,用0.35mm厚的硅钢片来代替铁线制作变压器铁芯。
1903来世界各国都在积极研究生产节能材料,变压器的铁芯材料已发展到现在最新的节能材料——非晶态磁性材料如2605S2,非晶合金铁芯变压器便应运而生。
使用2605S2制作的变压器,其铁损仅为硅钢变压器的1/5,铁损大幅度降低。
(2)变压器系列的节能效果上述非晶合金铁芯变压器,具有低噪音、低损耗等特点,其空载损耗仅为常规产品的1/5,且全密封免维护,运行费用极低。
我国S7系列变压器是1980年后推出的变压器,其效率较SJ、SJL、SL、SL1系列的变压器高,其负载损耗也较高。
80年代中期又设计生产出S9系列变压器,其价格较S7系列平均高出20%,空载损耗较S7系列平均降低8%,负载损耗平均降低24%,并且国家已明令在1998年底前淘汰S7、SL7系列,推广应用S9系列。
S11是推广应用的低损耗变压器。
S11型变压器卷铁心改变了传统的叠片式铁心结构。
硅钢片连续卷制,铁心无接缝,大大减少了磁阻,空载电流减少了60~80,提高了功率因数,降低了电网线损,改善了电网的供电品质。
连续卷绕充分利用了硅钢片的取向性,空载损耗降低20~35。
运行时的噪音水平降低到30~45dB,保护了环境。
非晶合金铁心的S11系列配电变压器系列的空载损耗较S9系列降低75%左右,但其价格仅比S9系列平均高出30%,其负载损耗与S9系列变压器相等。
变压器的负载损耗和空载损耗是什么意思?空载损耗主要是铜损,负载损耗用铜损加铁损就可以了。
1 变压器损耗大致为两项:铁损和线损。
其中铁损主要为变压器铁芯在工作时的磁滞损耗所造成的,其大小与电压相关较大,变压器空载还是带负载对于铁损影响不大;2 负载电流流过变压器线圈,由于线圈本身的电阻,将有一部分功率损耗在线圈中,这部分损耗为“线损”,电流越大,损耗越大,所以负荷越大,线损也越大;3 空载时,只有励磁电流流过变压器,所以线损很小;4 上述“铁损”和“线损”之和就是变压器的大部分损耗,负载时的线损与铁损之和就是变压器的负载损耗,而空载损耗意义也是如此。
变压器的负载损耗:变压器在工作时本身也消耗电能。
负载损耗就是在带有负荷时的本身消耗的电能。
空载损耗就是不带负荷时的本身消耗的电能。
变压器的功耗,分有功和无功无功只是占有功率,并不消耗,功率因数概念考核的就是它了。
有功包括铁损、铜损、输出功率1)空载损耗:指不带负载时,变压器的损耗,主要是铁损和极少量的原边铜损2)负载损耗:指带负载工作时,变压器的损耗,主要是铁损和原副边的铜损什么是线电压和相电压对于三相四线制的电网,三根相线中任意两根间的电压称线电压,任意一根的相线与零线间的电压称相电压,三相电压的相位相差120度,线电压是两个相的相电压的矢量和,线电压与相电压的大小关系是:线电压=根号3倍的相电压。
对于市电,相电压220伏,线电压是220伏的根号3倍,即380伏三相线与线之间的电压为线电压,三相线任一根与零线(220V)的电压为相电压。
回答者:陈坚道- 十二级2009-7-1 16:03相电压----三相输电线(火线)与中性线间的电压叫相电压。
如:日常用电系统中的三相四线制中电压为380/220V,即线电压为380V,相电压为220V.线电压----三相输电线各线(火线)间的电压叫线电压,线电压的大小为相电压的1.73倍。
空载损耗即不变损失。
与通过的电流无关,但与元件所承受的电压有关。
空载损耗:当变压器二次绕组开路,一次绕组施加额定频率正弦波形的额定电压时,所消耗的有功功率称空载损耗。
负载损耗负载损耗即可变损失。
与通过的电流的平方成正比。
详细介绍负载损耗是额定电流下与参与温度下的负载损耗。
展开些说,所谓额定电流是指一次侧分接位置必须是主分接,不能是其它分接的额定电流。
对参考温度而言,要看变压器的绝缘材料的耐热等级。
对油浸式变压器而言,不论是自冷、风冷或强油风冷,都有是A级绝缘材料,其参考温度是根据传统概念加以规定的,都是75℃。
而干式变压器的参考温度都按公式算出,参考温度等于允许温升加20℃,其物理概念是绝缘材料的年平均温度。
A级绝缘材料的参考温度为60℃加20℃等于80℃,它与油浸式(同为A级绝缘材料)的参考温度75℃差5℃。
干式变压器的E级绝缘材料参考温度为95℃,B级为100℃,F级为120℃,H级145℃,C级为170℃。
负载损耗只是衡量产品损耗水平的一个参数,或者说是考核产品合格与否的一参数,而不是运行中的实际损耗值。
运行中温度是变量,负载电流也是变量,所以运行中负载损耗不是变压器名牌上标定的负载损耗值,主要是运行温度不等到于参考温度。
另外,对比产品损耗水平时,尤其干式变压器,一定要在规定参考温度下对比。
反过来,如B级与H级干式变压器有相同负载损耗,因为参考温度是在温升限值的基础上加以规定的,在实际运行中如都是额定负载,实际负载也接近相同。
在温度换算时应注意,电阻损耗与温度成正比,负载损耗中附加损耗与温度成反比。
所以应将负载损耗分解成二部分后再换算。
在温度换算时,对铜导线而言,参考温度应按规定35加规定参考温度值计算,测量负载损耗时温度也应加35后再换算。
低损耗变压器的负载损耗的功率因数较低,所以测量系统与测量设备与仪表的选取用与以前提到的测量空载损耗的要求相同。
负载损耗的计算值、标准值、保证值与实测的概念也与空载损耗相同。
但是在实际测量中,所加电流不能低于50%额定电流。
这是新标准的要求,否则实测值不能换算,即使换算也无效。
负载损耗的评价值比空载损耗要低些,但负载损耗的绝对值大,如超出同样的百分数,或同样的测量误差,其z绝对值还是大的。
空载损耗与温度基本无关,而负载损耗是温度的函数。
这里还要强调一下,如果产品要进行型式试验,空载损耗是指冲击试验后的实测值,如果硅钢片的漆膜质量不好,冲击试验后空载损耗会增加。
测负载损耗时,绕组温度应接近外围温度,在干燥出炉后不久,或注油的油温比室温高时不宜立即测量负载损耗,因为负载损耗是温度的函数。
另外,测负载损耗的时间要短,时间一长,绕组温度会变。
用作短接绕组的短路工具要有足够的导电截面,短接大电流绕组时必须用螺栓拧紧。
否则短路工具联接不好时会在联接处产生局部过热,这部分热量倒涌入绕组时会影响测量精度。
对有载调压变压器而言,在新标准里还有新的要求,除保证额定电流下,即主分接位置下的负载损耗外,还要保证最大与最小分接位置的负载损耗。
对最大或最小分接位置的负载损耗,应通相应的分接电流。
如最小分接位置不能保证满容量而要降容量时,应取得用户同意,或向用户说明是按哪个标准或技术条件执行。
附机的损耗,不包括在空载损耗与负载损耗中。
这种损耗如风扇电机、潜油泵、有载分接开关操动机构中的电机等。
这种损耗虽不加考核,但应尽量的低。
如强油风冷却器的风机与泵的损耗一般应在散热功率的5%以下。
即100kW以下。
对多绕组变压器而言,负载损耗的保证值是指具有最大负载损耗的一对绕组在运行或绕组复合运行时的最大负载损耗。
复合运行的绕组必须在技术条件上规定,即哪些绕组对哪些绕组供电。
大容量变压器应计及横向漏磁引起的涡流损耗,故导线不宜过宽,螺旋式绕组的也不宜在均匀间隔内换位,绕组两端的换位间应略大些。
空载损耗:当变压器二次绕组开路,一次绕组施加额定频率正弦波形的额定电压时,所消耗的有功功率称空载损耗。
算法如下:空载损耗=空载损耗工艺系数×单位损耗×铁心重量计算方法当变压器二次绕组短路(稳态),一次绕组流通额定电流时所消耗的有功功率称为负载损耗。
算法如下:负载损耗=最大的一对绕组的电阻损耗+附加损耗附加损耗=绕组涡流损耗+并绕导线的环流损耗+杂散损耗+引线损耗阻抗电压:当变压器二次绕组短路(稳态),一次绕组流通额定电流而施加的电压称阻抗电压Uz。
通常Uz以额定电压的百分数表示,即uz=(Uz/U1n)*100% 匝电势:u=4.44*f*B*At,V其中:B—铁心中的磁密,TAt—铁心有效截面积,平方米可以转化为变压器设计计算常用的公式:当f=50Hz时:u=B*At/450*10^5,V当f=60Hz时:u=B*At/375*10^5,V如果已知道相电压和匝数,匝电势等于相电压除以匝数。