水泥砂浆面层分项工程质量验收记录表
- 格式:doc
- 大小:14.93 KB
- 文档页数:2
一、分项工程质量验收记录表(RFJ01-2002) 7.1-工程名称施工单位分包单位结构类型项目经理分 包 单 位 负 责 人检查结果检查结论11 2 3 4项 目材料的品种、质量必须符合设计要求。
各抹抹 灰层之间及抹灰层与基体之间必须粘结坚固, 无脱层、空鼓,面层无爆灰和裂缝 (风裂除外) 等缺陷项 目1 2 3表 面孔洞、槽、盒和管道后面抹灰表面 门窗框与墙体间缝隙 分格条(缝)质4 量5情6项目1 立面垂直2 表面平整3 阴阳角垂直4 阴阳角方正5 分格条(缝)平直 允许偏差 (mm )普通 中级 高级 1 2 3 4- 5 35 4 2- 4 2 - 4 2 - 3 -项,其中优良 项,优良率 ﹪点,其中合格 点,合格率 ﹪验收结论 监理工程师保 证 项 目基 本 项 目允许偏差项目检查实测专业技术负责人 部 位项 目 技 术 负 责 人 分 包 项 目 经 理 质 量 情 况况等 级7 8 9 10测 偏 差 值(mm )5 6 7 8 9 10保证 项 目实 允 许 偏 差 项 目基本项目年 月 日 年 月 日(RFJ01-2002) 7.2-1工程名称施工单位分包单位项 目材料的品种、质量必须符合设计要求。
各抹灰层之 间及抹灰层与基体之间必须粘结坚固,无脱层、空 鼓和裂缝等缺陷项 目7 8 9 101 表 面2 分格条(缝)项目1 2 3 1 立面垂直 2 表面平整 3 阴阳角垂直4 阴阳角方正5 墙裙、勒脚上口平直6 分格条(缝)平直保 证 项 目检查 实测允许偏差 (mm )322232部 位项 目 技 术 负 责 人 分 包 项 目 经 理 质 量 情 况实测偏差值(mm )4 5 6 7 8 9 10结构类型项目经理分 包 单 位 负 责 人允许偏 差项目检查结果项,其中优良点,其中合格基 本 项 目允许偏差项目项,优良率点,合格率保证 项 目基本项目1 2 3情 6 量 5 质4 等 级﹪﹪况检验查收结结专业技术负责人论年月日监理工程师论年月日-工程名称施工单位分包单位结构类型项目经理分包单位负责人保证项目基本项目项目材料的品种、质量必须符合设计要求;各抹灰层之间及抹灰层与基体之间必须粘结坚固,无脱层、空鼓和裂缝等缺陷质量项目1 2 3 4 51 表面2 分格条(缝)允许偏差 (mm)假面砖1 立面垂直2 表面平整3 阴阳角垂直4 阴阳角方正5 墙裙、勒脚上口平直6 分格条(缝)平直保证项目基本项目允许偏差项目检查实测项,其中优良点,其中合格项,优良率点,合格率部位项目技术负责人分包项目经理质量情况情况等级6 7 8 9 10实测偏差值(mm)2 3 4 5 6 7 8 9 10﹪﹪允许偏差项目5444--54-4-3项目仿色石抹 1彩灰433333检查结果拉毛灰拉条灰检 验查 收结 结专业技术负责人论年 月 日监理工程师论年 月日注: 1.假面砖、拉条灰、拉毛灰等装饰抹灰,表中第 4 项阴角方正可不检查。
表420 水泥混凝土面层模板安装检验批质量验收记录填表说明1、检验批容量填写:同一检验批内的面积数。
2、最小/实际检查数量栏中,最小数量填写按检查数量栏中规定的检查数量。
3、表头中“施工依据”栏目应依照实际的施工操作依据填写,如施工企业的操作规程、工法、施工工艺标准等。
4、主控项目:应符合《城镇道路工程施工与质量验收规范》CJJ1-2008条例10.4.1规定(1)板安装应符合下列规定:模板应与混凝土的摊铺机械相匹配。
模板高度为混凝土板设计厚度,木模板直线部分板厚不小于5cm,每0.8~1m设1处支撑装置;弯道部分板厚为1.5~3cm,每0.5~0.8m设1处支撑装置,模板与混凝土接触面及模板顶面刨光。
5、一般项目(1)模板安装支模前应核对路面标高、面板分块、胀缝和构造物位置。
模板应安装稳固、顺直、平整,无扭曲,相邻模板连接应紧密平顺,不得错位。
严禁在基层上挖槽嵌入模板。
使用轨道摊铺机应采用专用钢制轨模。
模板安装完毕,应进行检验,合格方可使用。
其安装质量应符合表10.4.2的规定。
(2)中线偏位表面均匀、平整、稳定,无推移、浮石。
检查数量:每100米检测1点。
检验方法:钢尺或经纬仪检查。
(3)宽度表面均匀、平整、稳定,无推移、浮石。
检查数量:每20米检测1点。
检验方法:钢尺检测。
(4)顶面高程表面均匀、平整、稳定,无推移、浮石。
检查数量:每20米检测1点。
检验方法:水准仪检测。
(5) 横坡表面均匀、平整、稳定。
检查数量:每20米检测1点。
检验方法:钢尺检测。
(6)相邻板高差表面均匀、平整、稳定。
检查数量:每道缝检测1点。
检验方法:水平尺或塞尺检查。
(7) 模板接缝宽度表面平整、稳定。
检查数量:每道缝检测1点。
检验方法:钢尺检查。
(8) 侧面垂直度表面均匀、平整、稳定。
检查数量:每20米检测1点。
检验方法:水平尺、卡尺检查。
(9) 纵向垂直度表面均匀、平整。
检查数量:每40米检测1点。
检验方法:20米线和钢尺检查。
水泥混凝土面层检验批质量验收记录表1. 基本信息1.工程名称:2.工程地点:3.工程编号:4.检验批号:5.验收日期:2. 材料与设备检查2.1 水泥•规格:•等级:•制造厂家:•检验报告编号:2.2 砂•规格:•等级:•制造厂家:•检验报告编号:2.3 石料•规格:•等级:•制造厂家:•检验报告编号:2.4 骨料•规格:•等级:•制造厂家:•检验报告编号:2.5 添加剂•规格:•等级:•制造厂家:•检验报告编号:2.6 配合比•水泥:•砂:•石料:•骨料:•添加剂:2.7 设备•搅拌机:•水泥罐:•砂罐:•石料罐:•骨料罐:3. 浇注检查3.1 模板•材质:•规格:•安装情况:•钢筋骨架:3.2 浇注•管理员:•工艺操作是否规范:•浇注厚度检查:•浇注密实度检查:3.3 抹光•管理员:•工艺操作是否规范:•抹光是否平整:•抹光是否光滑:3.4 能见度•管理员:•检查位置:•能见度是否达标:4. 强度检测4.1 试块制作•管理员:•试块数量:•试块尺寸:•所采取的试块数量是否足够:4.2 试块养护•管理员:•养护方法:•养护时间:•试块编号:4.3 试块检测•检测单位:•检测时间:•检测方法:•报告编号:5.本次检验批混凝土面层的质量验收结果为合格。
6. 备注1.检验员签名:2.监理签名:3.施工单位签名:。
水泥砂浆施工质量验收记录表
项目信息
- 项目名称:
- 施工单位:
- 验收日期:
验收人员
- 验收人员1:
- 验收人员2:
施工质量验收内容
1. 砂浆配合比
砂浆配合比应符合设计要求,以下为具体检查内容:
- 检查砂浆配合比是否按照设计要求进行;
- 检查砂浆配比中材料比例是否合理;
- 检查砂浆配比中所使用的水泥牌号、水泥用量是否符合要求。
2. 施工过程控制
在施工过程中,需要注意以下控制要点:
- 检查砂浆的搅拌过程是否充分;
- 检查搅拌后的砂浆是否具有均匀性;
- 检查砂浆的保水措施是否得当;
- 检查施工人员是否按要求进行了罩面。
3. 成品砂浆质量
验收时需要对成品砂浆进行检查,以下为具体内容:
- 检查成品砂浆的颜色、均匀度;
- 检查成品砂浆的抗压强度是否符合设计要求;
- 检查成品砂浆的抗渗性能。
验收结果
根据以上的检查内容,结合实际施工情况,给出以下验收结果:
- 砂浆配合比:合格/不合格;
- 施工过程控制:合格/不合格;
- 成品砂浆质量:合格/不合格。
验收意见
根据以上的验收结果,给出以下验收意见:
- 如果出现不合格情况,需要详细描述具体问题,并提出整改措施;
- 如果全部合格,则可以给予施工单位肯定和表扬。
验收人员签字
- 验收人员1:__________________
- 验收人员2:__________________
备注
- 其他需要补充的内容或备注信息可以在此处填写。
地面水泥混凝土面层工程检验批质量验收记录
表
GB50209-2002
地面细石混凝土面层工程检验批质量验收记录表GB50209-2002
地面细石混凝土面层工程检验批质量验收记录表GB50209-2002
地面细石混凝土面层工程检验批质量验收记录表GB50209-2002
地面细石混凝土面层工程检验批质量验收记录表GB50209-2002
说明
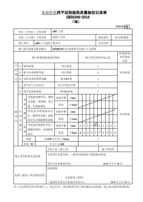
030102
检验数量:按自然间(或标准间)检验,抽查数量应随机检验不应少于3间;不足3间,应全数检查;其中走廊(过道)应以10延长米为一间,工业厂房(按单跨计)、礼堂、门厅应以两个轴线为一间计算。
有防水要求施工质量每检验批抽查数量按其房间总数随机检验不应少于4间,不足4间应全数检查。
主控项目:
检验方法:1.观察检查和检查材质合格证明文件及检测报告。
2.检查配合比通知单及检测报告。
强度试块组数:按每一层(或检验批)建筑地面工程不应少于1组,且每1000m2应做试块1组,当改变配合比时,亦应相应地制作试块组数。
3.用小锤轻击检查。
注:空鼓面积不应大于400cm2,且每自然间(标准间)不多于2处可不计。
一般项目:
检验方法:1.观察检查。
2.观察和采用泼水或用坡度尺检查。
3.用小锤轻击、尺量检查和观察检查。
注:局部空鼓长度不应大于300mm,且每自然间(标准间)不多于2处可不计。
4.观察和尺量检查。
5.用2m靠尺和楔形塞尺检查。
6.拉5m线(不足5m拉通线)和用钢尺检查。
7.同上。
地面细石混凝土面层工程检验批质量验收记录表GB50209-20021 / 6地面细石混凝土面层工程检验批质量验收记录表GB50209-2002地面细石混凝土面层工程检验批质量验收记录表GB50209-20023 / 6地面细石混凝土面层工程检验批质量验收记录表GB50209-2002地面细石混凝土面层工程检验批质量验收记录表GB50209-20025 / 6说明030102 检验数量:按自然间(或标准间)检验,抽查数量应随机检验不应少于3间;不足3间,应全数检查;其中走廊(过道)应以10延长米为一间,工业厂房(按单跨计)、礼堂、门厅应以两个轴线为一间计算。
有防水要求的施工质量每检验批抽查数量按其房间总数随机检验不应少于4间,不足4间应全数检查。
主控项目:检验方法:1.观察检查和检查材质合格证明文件及检测报告。
2.检查配合比通知单及检测报告。
强度试块的组数:按每一层(或检验批)建筑地面工程不应少于1组,且每1000m2应做试块1组,当改变配合比时,亦应相应地制作试块组数。
3.用小锤轻击检查。
注:空鼓面积不应大于400cm2,且每自然间(标准间)不多于2处可不计。
一般项目:检验方法:1.观察检查。
2.观察和采用泼水或用坡度尺检查。
3.用小锤轻击、尺量检查和观察检查。
注:局部空鼓长度不应大于300mm,且每自然间(标准间)不多于2处可不计。
4.观察和尺量检查。
5.用2m靠尺和楔形塞尺检查。
6.拉5m线(不足5m拉通线)和用钢尺检查。
7.同上。
水泥砂浆地面分项工程质量验收记录一、项目基本信息:工程名称:XXX项目项目地点:XXX建设单位:XXX施工单位:XXX监理单位:XXX验收日期:XXXX年X月X日二、验收内容:1.砂浆材料的验收情况a.水泥的型号、厂家、产品合格证明是否齐全并符合设计要求;b.砂子的质地、筛分曲线、含泥量是否符合设计要求;c.外加剂和黏结剂的型号、厂家、产品合格证明是否齐全并符合设计要求。
2.现场施工记录a.砂浆配合比:记录砂浆的配合比是否符合设计要求,包括水泥、砂子、外加剂和黏结剂的用量;b.施工工艺:记录砂浆的搅拌、运输、浇筑、抹平、养护等施工工艺是否符合规范要求;c.砂浆浇注和抹平情况:记录砂浆浇注和抹平的水平度、垂直度是否符合设计要求;d.养护情况:记录砂浆养护的时间、养护措施是否符合设计要求;e.砂浆防撞墙角部位的处理:记录防撞墙角部位的处理情况,包括型号、尺寸、质量等。
a.砂浆地面平整度测量:记录砂浆地面的平整度测量值和偏差,是否符合设计要求;b.砂浆地面强度检测:记录砂浆地面的抗压强度检测值和标准值比较,是否符合设计要求;c.砂浆地面的附着力检测:记录砂浆地面的附着力检测值和标准值比较,是否符合设计要求;d.其他质量检测指标:根据设计要求和行业标准,进行相应的质量检测,并记录检测值和比较结果。
4.问题和整改情况a.记录施工过程中发现的问题和整改措施,例如砂浆地面品质不佳、开裂、起泡等问题;b.记录整改后的效果,并经相关责任人签字确认。
5.验收结论根据以上质量验收结果和整改情况,综合评定砂浆地面工程的质量是否合格。
若合格,则验收通过;若不合格,则提出整改要求,并确定重新验收的时间和责任人。
以上是一个水泥砂浆地面工程质量验收记录的范例,具体内容可以根据实际工程情况进行调整和补充。
在编写过程中需要注意准确记录施工过程中的关键信息,并进行充分核实和证明。