后锚固拉结筋工程锚孔施工检验批质量验收记录表
- 格式:doc
- 大小:57.50 KB
- 文档页数:3
施工现场质量管理检查记录表附表A开工日期:年月日工程名称肃南三级水电站生活用房施工许可证(开工证)建设单位肃南裕固族自治县白泉门水电开发有限责任公司项目负责人设计单位甘肃澳华建筑规划设计有限责任公司项目负责人监理单位张掖金水水利水电监理有限责任公司总监理工程师施工单位武威市水利水电有限责任公司项目经理项目技术负责人序号项目内容1 现场质量管理制度①质量例会制度;②月评比及奖罚制度;③三检及交接验制度;④质量与经济挂勾制度2 质量责任制①岗位责任制;②设计交底会制度;③技术交底制;④挂牌制度3 主要专业工种操作上岗证书测量工、钢筋工、起重工、电焊工、架子工有证4 分包方资质与对分包单位的管理制度/5 施工图审查情况审查报告及审查批准书6 地质勘察资料地质报告书7 施工组织设计、施工方案及审批施工组织设计、编制、审核、批准齐全8 施工技术标准有模板、钢筋、混凝土灌注等20多种9 工程质量检验制度①有原材料及施工检验制度;②抽测项目的检验计划10 搅拌站及计量设置有管理制度和计量设施精确度及控制措施11 现场材料、设备存放与管理钢筋、砂、石、水泥及玻璃、地面砖的管理办法检查结论:现场质量管理制度基本完整。
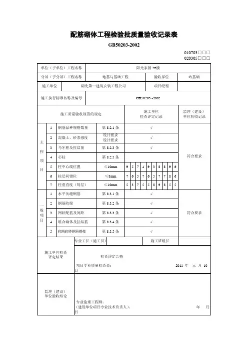
总监理工程师(建设单位项目负责人)年月日砖砌体工程检验批质量验收记录表GB50203-2002附表B □□单位(子单位)工程名称肃南三级水电站生活用房分部(子分部)工程名称验收部位施工单位武威市水利水电有限责任公司项目经理施工执行标准名称及编号《砌体工程施工质量验收规范》GB50203—2002质量验收规范的规定施工单位检查评定记录监理(建设)单位验收记录主控项目1 砖强度等级MU102 砂浆强度等级M103 水平灰缝砂浆饱满度≥80%4 斜槎留置第5.2.3条5 直槎拉结筋及接槎处理第5.2.4条6 轴线位移≤10mm7 垂直度(每层)≤5mm一般项目1 组砌方法第5.3.1条2 水平灰缝厚度10mm 8~12mm3 基础顶面、楼面标高±15mm4 表面平整度(混水)8mm5 门窗洞口高宽度±5mm6 外墙上下窗口偏移20mm7 水平灰缝平直度10mm施工单位检查评定结果专业工厂(施工员)施工班组长项目专业质量检查员:年月日监理(建设)单位验收结论专业监理工程师:(建设单位项目专业技术负责人):年月日砖砌体分项工程质量验收记录表附表C单位(子单位)工程名称肃南三级水电站生活用房结构类型砖混结构分部(子分部)工程名称检验批数施工单位武威市水利水电有限责任公司项目经理序号检验批部位、区段施工单位检查评定结果监理(建设)单位验收结论1234567说明:检查结论项目专业技术负责人:年月日验收结论监理工程师:(建设单位项目专业技术负责人):年月日填表说明:1.将分项工程名称填写具体和检验批表的名称一致;2.检验批逐项填写,并注明部位、区段,以便检查是否有没有检查到的部位;3.由项目专业技术负责人和该专业的监理工程师签字。
福建省后锚固拉结钢筋施工及验收规程福建省工程建设地方标准DBJ/T13-?—2010建设部备案号:JXXXXX—2010福建省后锚固拉结钢筋施工及验收规程Specification for post-installed fastenings oftie wall in concrete structures of Fujianprovince2010-00—00发布2010-00—00实施1福建省住房和城乡建设厅发布福建省工程建设地方标准福建省后锚固拉结钢筋施工及验收规程Specification for post-installed fasteningsoftie wall in concrete structures of FujianprovinceDBJ/T13-?—2010建设部备案号:?主编单位:福州市建筑工程质量监督站批准部门:福建省住房和城乡建设厅实行日期:2010年00月00日22010年福州前言根据福建省住房和城乡建设厅文件闽建科[2009]42号《福建省住房和城乡建设厅关于印发<2009年科学技术项目计划>的通知》,由福州市建筑工程质量监督站,在总结建筑后锚固拉结钢筋工程实践经验,参考和借鉴有关规范规程,广泛征求意见的基础上,共同编制本规程.本规程共分5章及2个附录。
主要技术内容是:1.总则;2.术语;3.材料;4后锚固拉结钢筋工程施工质量控制;5后锚固拉结钢筋工程施工质量验收;6 附录一化学植筋锚固承载力的检验与评定;7 附录二拉结钢筋的施工质量检验评定;8条文说明为了提高规程质量,请各单位注意总结经验,积累资料,随时将有关意见反馈给福建省住房和城乡建设厅科技处(地址:福州市北大路242号,邮政编码:350001),以供今后修订时参考。
本规程主编单位: 福州市建筑工程质量监督站本规程主要起草人:本规程主要审查人:目次1总则 (5)2 术语…………………………………………………………………………………………63 材料 (7)4 后锚固拉结钢筋工程施工质量控制 (9)4。
土方开挖分项工程平行(píngxíng)检验记录
土方(tǔfāng)回填分项工程平行检验记录
模板分项工程(现浇结构(jiégòu)模板安装)检验批质量平行检验记录
模板分项工程(模板拆除(chāichú))检验批质量
平行检验记录
钢筋分项工程(原材料、钢筋加工)检验批质量(zhìliàng)平行检验记录
混凝土分项工程(gōngchéng)(原材料配合比设计)检验批质量
平行(píngxíng)检验记录
混凝土分项工程(混凝土施工)检验批质量(zhìli
àng)平行检验记录
现浇结构分项工程(结构施工)检验批质量(zhìli
àng)平行检验记录
砖砌体分项工程检验批质量平行(píngxíng)检验记录
水泥砂浆防水层分项工程检验(jiǎnyàn)批质量平
填充墙砌体分项工程(gōngchéng)检验批质量平行检验(jiǎnyàn)记录
内容总结。
Ⅲ-编号9监理工程师检查记录表(D1) 承包单位:分项工程:部位:主控项目项目质量情况123456一般项目项目实测情况(mm)备注1 2 3 4 5 6 7 8 9 101234567检查结果主控项目一般项目检查(项)点,其中合格(项)点,合格率 %监理工程师意见:专业监理工程师:日期:Ⅲ-编号10监理工程师检查记录表模板安装工程检验批单位(子单位)工程名称分部(子分部)工程名称验收部位施工单位项目经理施工执行标准名称及编号质量验收规范的规定监理单位检查评定记录主控项目1 模板立撑、立柱位置和垫板第4.2.1条2 避免隔离剂沾污第4.2.2条一般项目1 模板安装的一般要求第4.2.3条2 用作模板地坪、胎模质量第4.2.4条3 模板起拱高度第4.2.5条4预埋件、预留孔允许偏差预埋钢板中心线位置(mm) 3预埋管、预留孔中心线位置(mm)3 插筋中心线位置(mm) 5外露长度(mm)±10,0 预埋螺栓中心线位置(mm) 2尺寸(mm)±10,0 预留洞中心线位置(mm)10尺寸(mm)±10,0 5模板安装允许偏差轴线位置(mm) 5底模上表面标高(mm)±5截面内部尺寸(mm)基础±10柱、墙、梁+4,-5 层高垂直度(mm)不大于5m 6大于5m 8 相邻两板表面高低差(mm) 2表面平整度(mm) 5监理工程师意见:专业监理工程师:日期:Ⅲ-编号11监理工程师检查记录表模板拆除工程检验批单位(子单位)工程名称分部(子分部)工程名称验收部位施工单位项目经理施工执行标准名称及编号质量验收规范的规定监理单位检查评定记录主控项目1 底模及其支架拆除时的混凝土强度第4.3.1条2后张法预应力构件侧模和底模的拆除时间第4.3.2条3 后浇带拆模和支顶第4.3.3条一般项目1 避免拆模损伤和支顶第4.3.4条2 模板拆模损伤、堆放和清运第4.3.5条监理工程师意见:专业监理工程师:日期:Ⅲ-编号12监理工程师检查记录表钢筋加工检验批单位(子单位)工程名称分部(子分部)工程名称验收部位施工单位项目经理施工执行标准名称及编号质量验收规范的规定监理单位检查评定记录主控项目1 力学性能检验第5.2.1条2 抗震用钢筋强度实测值第5.2.2条3 化学成分等专项检验第5.2.1条4 受力钢筋的弯钩和弯折第5.3.1条5 箍筋弯钩形式第5.3.2条一般项目1 外观质量第5.2.4条2 钢筋调直第5.3.3条3钢筋加工的形状、尺寸受力钢筋顺长度方向全长的净尺寸±10 弯起钢筋的弯折位置±20箍筋内净尺寸±5监理工程师意见:专业监理工程师:日期:监理工程师检查记录表钢筋安装工程检验批单位(子单位)工程名称分部(子分部)工程名称验收部位施工单位项目经理施工执行标准名称及编号质量验收规范的规定监理单位检查评定记录主控项目1 纵向受力钢筋的连接方式第5.4.1条2 机械连接和焊接接头的力学性能第5.4.2条3 受力钢筋的品种、级别、规格和数量第5.5.1条一般项目1 接头位置和数量第5.4.3条2 机械连接、焊接的外观质量第5.4.4条3 机械连接、焊接的接头面积百分率第5.4.5条4 绑扎搭接接头面积百分率和搭接长度第5.4.6条附录B 5 绑扎长度范围内的箍筋第5.4.7条6钢筋安装允许偏差绑扎钢筋网长、宽(mm)±10网眼尺寸(mm)±20 绑扎钢筋骨架长(mm)±10宽、高(mm)±5受力钢筋间距(mm)±10排距(mm)±5保护层厚度(mm)基础±10柱、梁±5板、墙、壳±3 绑扎箍筋、横向钢筋间距(mm)±10钢筋弯起点位置(mm)20预埋件中心线位置(mm) 5水平高差(mm)±3,0监理工程师意见:专业监理工程师:日期:监理工程师检查记录表混凝土原材料及配合比设计检验批单位(子单位)工程名称分部(子分部)工程名称验收部位施工单位项目经理施工执行标准名称及编号质量验收规范的规定监理单位检查评定记录主控项目1 水泥进场检验第7.2.1条2 外加剂质量及应用第7.2.2条3 混凝土中氯化物、碱的总含量控制第7.2.3条4 配合比设计第7.3.1条一般项目1 矿物掺合料质量及掺量第7.2.4条2 粗细骨料的质量第7.2.5条3 拌制混凝土用水第7.2.6条4 开盘鉴定第7.3.2条5 依砂、石含水率调整配合比第7.3.3条监理工程师意见:专业监理工程师:日期:监理工程师检查记录表混凝土施工检验批单位(子单位)工程名称分部(子分部)工程名称验收部位施工单位项目经理施工执行标准名称及编号质量验收规范的规定监理单位检查评定记录主控项目1混凝土强度等级及试件的取样和留置第7.4.1条2 混凝土抗渗及试件取样的留置第7.4.2条3 原材料每盘称量的偏差第7.4.3条4 初凝时间控制第7.4.4条一般项目1 施工缝的位置和处理第7.4.5条2 后浇带的位置和浇筑第7.4.6条3 混凝土养护第7.4.7条监理工程师意见:专业监理工程师:日期:Ⅲ-编号16监理工程师检查记录表现浇结构外观及尺寸偏差检验批单位(子单位)工程名称分部(子分部)工程名称验收部位施工单位项目经理施工执行标准名称及编号质量验收规范的规定监理单位检查评定记录主控项目1 外观质量第8.2.1条2 过大尺寸偏差处理及验收第8.3.1条一般项目1 外观质量一般缺陷第8.2.2条2轴线位置(mm)基础15独立基础10墙、柱、梁8剪力墙 53垂直度(mm)层高≤5m 8>5m 10全高(H)H/1000且≤30 4 标高(mm)层高±10全高±305 截面尺寸+8,-56 电梯井井筒长、宽对定位中心线(mm)+25,0井筒全高(H)垂直度(mm)H/1000且≤30 7 表面平整度(mm)88预埋设施中心线位置(mm)预埋件10预埋螺栓 5预埋管 59 预留洞中心线位置(mm)15监理工程师意见:专业监理工程师:日期:监理工程师检查记录表砖砌体(混水)工程检验批单位(子单位)工程名称分部(子分部)工程名称验收部位施工单位项目经理施工执行标准名称及编号质量验收规范的规定监理单位检查评定记录主控项目1 砖强度等级设计要求MU2 砂浆强度等级设计要求M3 水平灰缝砂浆饱满度≥80%4 斜磋留置第5.2.3条5 直槎拉结筋及接槎处理第5.2.46 轴线位移≤10mm7 垂直度(每层)≤5mm一般项目1 组砌方法第5.3.1条2 水平灰缝厚度10mm 8~12mm3 基础顶面、楼面标高±15mm4 表面平整度(混水)8mm5 门窗洞口高宽度±5mm6 外墙上下宽口偏移20mm7 水平灰缝平直度(混水)10mm监理工程师意见:专业监理工程师:日期:监理工程师检查记录表填充墙砌体工程检验批单位(子单位)工程名称分部(子分部)工程名称验收部位施工单位项目经理分包单位分包项目经理施工执行标准名称及编号质量验收规范的规定监理单位检查评定记录主控项目1 块材强度等级设计要求MU2 砂浆强度等级设计要求M一般项目1 无混砌现象第9.3.2条2 拉结钢筋网片位置第9.3.4条3 错缝搭砌第9.3.5条4 灰缝厚度、宽度第9.3.5条5 梁底砌法第9.3.6条6 水平灰缝砂浆饱满度≥80%7 轴线位移≤10mm8 垂直度≥3m,≥5m>3m,≤10mm9 表面平整度≥80mm10 门窗洞口高宽度(后塞口)±5mm11 外墙上下窗口偏移20mm监理工程师意见:专业监理工程师:日期:。
高延性混凝土加固农村危房B.1 一般规定B.1.1 本章适用于河北省抗震设防烈度为6~8度区的农村一、二层砌体结构、木结构房屋砌体构件的构造加固。
其中,砌体结构所用块材为烧结普通砖、烧结多孔砖、混凝土小型空心砌块、蒸压灰砂砖、蒸压粉煤灰砖、毛石砌体。
B.1.2 农村危房的加固改造应满足《农村危房改造基本安全技术导则》(建办村函[2018]172号)的规定,因地制宜开展C级危房加固维修,D级危房确无加固维修价值的,应拆除重建。
B.1.3 高延性混凝土加固农村危房,除应符合本规程的有关规定外,尚应符合国家及河北省现行有关标准的规定。
B.2 基本要求B.2.1 当基础无腐蚀、酥碱、松散和剥落,上部结构无不均匀沉降裂缝和倾斜,或虽有裂缝、倾斜但倾斜率不超过7‰且无发展趋势时,应以加强上部结构的整体性为主;当地基基础沉降和上部结构开裂、倾斜仍在发展时,应先对地基基础进行加固,再进行上部结构加固处理。
B.2.2 上部结构的加固改造,首先应增强房屋的整体性,提高关键部位或关键构件的承载能力,并应兼顾房屋的使用性和耐久性。
B.2.3 农村危房加固所采用的高延性混凝土,其各项性能指标应满足本规程第4.2.1条相关规定。
B.2.4 高延性混凝土加固农村危房,宜首先对局部出现危险点的墙体以及砌体柱、过梁等进行加固处理,再采用高延性混凝土面层或条带对房屋进行整体性构造加固。
B.2.5 采用高延性混凝土加固农村危房时,宜采用单面外侧加固,当砌体结构构件砌筑质量很差时,宜采用双面加固。
B.3 砌体结构农村危房整体性加固B.3.1 采用高延性混凝土条带加固砌体结构农村危房,应同时设置竖向和水平条带,单面加固时条带宜设置在墙体外侧。
高延性混凝土施工时,墙体拐角处及水平和竖向条带相交处应连续压抹,严禁在此部位留施工冷缝。
B.3.2 根据抗震设防烈度不同,高延性混凝土加固砌体结构农村危房的条带最小宽度和最小厚度可按表B.3.2取值。
通用表格A01 施工现场质量管理检查记录A02 检验批质量验收记录A03 分项工程质量验收记录A04 分部(子分部)工程质量验收记录A05 单位(子单位)工程质量竣工验收记录A06 单位(子单位)工程质量控制资料核查记录A07 单位(子单位)工程安全和功能检验资料核查及主要功能抽查记录A08 单位(子单位)工程观感质量检查记录A02-301 单位(子单位)工程观感质量检查记录A02-302 混凝土小型空心砌块砌体工程检验批质量验收记录A02-303 石砌体工程检验批质量验收记录A02-304 配筑砌体工程检验批质量验收记录A02-305 填充墙砌体工程检验批质量验收记录A01施工现场质量管理检查记录编号:开工日期:工程名称施工许可证(开工证)建设单位项目负责人设计单位项目负责人监理单位总监理工程师施工单位项目经理项目技术负责人序号项目内容1 现场质量管理制度2 质量责任制3 主要专业工种操作上岗证4 分包方资质一对分包单位的管理制度5 施工图审查情况6 地质勘察资料7 施工组织设计、施工方案及审批8 施工技术标准9 工程质量检验制度10 搅拌站及计量设置11 现场材料、设备存放与管理12检查结论:总监理工程师:建设单位代表:年月日注:1、本表由施工单位填写报监理单位。
总监理工程师检查并做出检查结论。
2、检查结论中需要整改的内容由施工单位以附页复报。
3、完成后,原件存监理单位复印件交施工单位。
A02检验批质量验收记录编号:工程名称大泽碧桂园山湖湾二区二期高层洋房室内消防工程分项工程名称室内消防安装工程检验批部位一号楼1层施工单位广东建安消防机电工程有限公司开平分公司专业工长项目经理阮建军监理单位江门市新会区冈州工程建设监理有限公司总监理工程师分包单位分包单位负责人施工班组长施工依据标准建筑给水排水及采暖工程施工质量验收规范(GB50242-2002)主控项目质量验收规范的规定施工单位检验评定记录或结果监理(建设)单位验收记录结果备注123456789一般项目12345678施工单位检验评定结果班组长或专业工长:质检员或项目技术负责人:年月日年月日监理(建设)单位验收结论监理工程师:建设单位代表:年月日分项工程质量验收记录编号:工程名称结构类型检验指数施工单位项目经理::项目技术负责人分包单位项目经理::项目技术负责人序号检验批部位、区段施工单位检查评定结果监理建设单位验收结论备注1234567891011121314151617检查结论项目专业技术负责人:年月日验收结论监理工程师:建设单位项目专业技术负责人:年月日分部(子分部)工程质量验收记录编号:工程名称结构类型层数施工单位项目经理::项目技术负责人分包单位项目经理::项目技术负责人序号分项工程名称检验批数施工单位检查评定结果验收意见12345678质量控制资料安全和功能检验(检测)报告观感质量验收验收单位分包单位项目经理:日期:施工单位项目经理:日期:勘察单位项目负责人:日期:设计单位项目负责人:日期:建设单位项目负责人:日期:监理单位总监理工程师:日期:单位(子单位)工程质量竣工验收记录编号:工程名称结构类型层数/建筑面积施工单位技术负责人开工日期项目经理项目技术负责人竣工日期序号项目验收记录验收结论1 分部工程共分部经查分部符合标准要求分部2 质量控制资料核查共项,经审查,符合要求项3 安全和主要使用功能核查及抽查结果共核查项符合要求项。
地面分项工程质量验收记录表土方开挖工程检验批质量验收记录表土方开挖工程报验申请表贵州省建设监理协会印制土方回填工程检验批质量验收记录表土方回填工程报验申请表贵州省建设监理协会印制模板安装工程检验批质量验收记录表GB50202-2002(Ⅰ)砖砌体(混水)工程检验批质量验收记录表GB50203-2002砌体工程报验申请表贵州省建设监理协会印制混凝土原材料及配合比设计检验批质量验收记录表GB50202-2002(Ⅰ)混凝土工程报验申请表贵州省建设监理协会印制混凝土施工检验批质量验收记录表GB50202-2002(Ⅱ)涂饰工程检验批质量验收记录表GB50210-2002涂饰工程报验申请表特种门安装工程检验批质量验收记录表GB50210-2002特种门安装工程报验申请表贵州省建设监理协会印制金属门窗安装工程检验批质量验收记录表(铝合金门窗)GB50210-2002(Ⅱ)金属门窗安装工程报验申请表饰面砖粘贴工程检验批质量验收记录表GB50210-2002饰面砖粘贴工程报验申请表贵州省建设监理协会印制暗龙骨吊顶工程检验批质量验收记录表GB50210-2002暗龙骨安装工程报验申请表饰面板安装工程检验批质量验收记录表GB50210-2002饰面板安装工程报验申请表建筑物照明通电试运行检验批质量验收记录表建筑物照明通电试运行报验申请表贵州省建设监理协会印制专用灯具安装检验批质量验收记录表GB50202-2002专用灯具安装工程报验申请表贵州省建设监理协会印制普通灯具安装检验批质量验收记录表GB50202-2002电气工程报验申请表贵州省建设监理协会印制开关、插座、风扇安装检验批质量验收记录表电气工程报验申请表贵州省建设监理协会印制高强度螺栓连接工程检验批质量验收记录表GB50205-2002(Ⅱ)高强度螺栓连接工程报验申请表贵州省建设监理协会印制混凝土施工检验批质量验收记录表GB50202-2002(Ⅱ)混凝土施工报验申请表贵州省建设监理协会印制混凝土原材料及配合比设计检验批质量验收记录表GB50202-2002(Ⅰ)钢结构制作(安装)焊接工程检验批质量验收记录表GB50202-2002(Ⅰ)钢结构制作工程报验申请表贵州省建设监理协会印制饰面板安装工程检验批质量验收记录表GB50210-2002饰面板安装工程报验申请表贵州省建设监理协会印制贵州省建设监理协会印制饰面板安装工程检验批质量验收记录表GB50210-2001饰面板安装工程报验申请表贵州省建设监理协会印制。