单元工程施工质量检测记录表
- 格式:doc
- 大小:382.00 KB
- 文档页数:15
单元工程施工检验记录备查表
青海省引大济湟西干渠建前工程单元工程施工质量报验单
青海省引大济湟西干渠建前工程
混凝土浇筑开仓报审表
合同名称:青海省引大济湟西干渠建前工程合同编号:XG-DL-12-03
青海省引大济湟西干渠建前工程混凝土单元工程质量评定表
青海省引大济湟西干渠建前工程
基础面(施工缝)处理施工工序质量评定表
青海省引大济湟西干渠建前工程钢筋制作及安装工序质量评定表
青海省引大济湟西干渠建前工程钢筋连接施工质量控制检查记录表
青海省引大济湟西干渠建前工程模板制作及安装工序质量评定表
青海省引大济湟西干渠建前工程混凝土浇筑工序质量评定表
青海省引大济湟西干渠建前工程混凝土外观工序质量评定表。
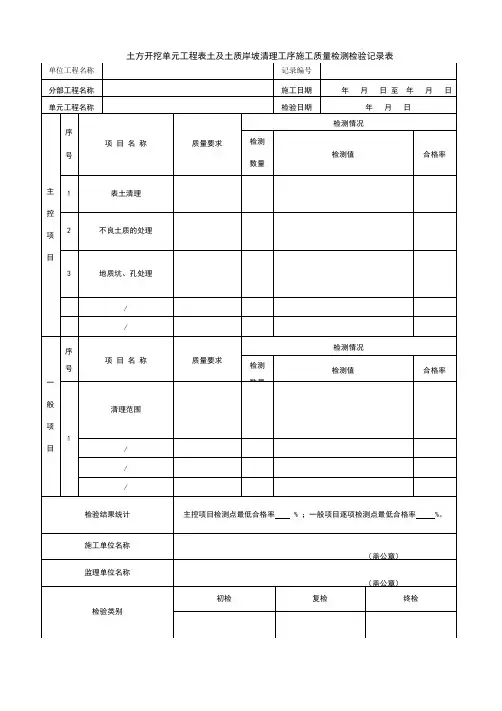
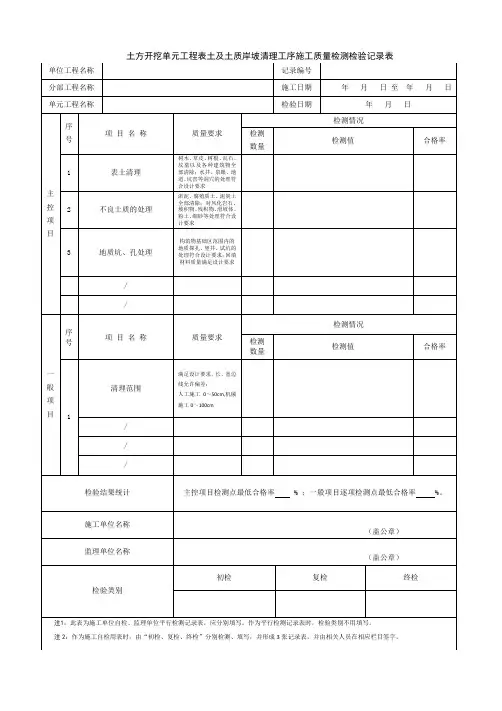
土方开挖单元工程表土及土质岸坡清理工序施工质量检测检验记录表
土方开挖单元工程软基或土质岸坡开挖工序施工质量检测检验记录表
岩石岸坡开挖单元工程开挖工序施工质量检测检验记录表
岩石地基开挖单元工程开挖工序施工质量检测检验记录表
普通混凝土单元工程基础面或施工缝处理工序施工质量检测检验记录表
普通混凝土单元工程模板制作及安装工序施工质量检测检验记录表
普通混凝土单元工程钢筋制作及安装工序施工质量检测检验记录表
普通混凝土单元工程预埋件制作及安装工序施工质量记录表
普通混凝土单元工程预埋件制作及安装工序施工质量记录表(续)
普通混凝土单元工程浇筑工序施工质量检测检验记录表
单元工程锚杆工序施工质量检测检验记录表
CB17 混凝土浇筑开仓报审表
(承包[ ]开仓号)
合同名称:安徽省月潭水库工程主体工程施工标合同编号:
说明:本表一式份,由承包人填写,监理机构审批后,承包人份、监理机构份、
发包人份。
单元工程施工质量报验单编号:WHXNS-2013-06-Ⅰ-01合同名称:五河县2013年小农水重点县建设项目施工六标段合同编号:WHXNSSG-2013-06说明:本表一式4份,由承包人填写。
监理机构审签后,承包人2份、监理机构、发包人各1份。
水利水电工程表31软基和岸坡开挖单元工程质量评定表单元工程施工质量报验单编号:WHXNS-2013-06-Ⅰ-02合同名称:五河县2013年小农水重点县建设项目施工六标段合同编号:WHXNSSG-2013-06说明:本表一式4份,由承包人填写。
监理机构审签后,承包人2份、监理机构、发包人各1份。
水利水电工程表60 建筑物土方回填单元工程质量评定表单元工程施工质量报验单编号:WHXNS-2013-06-Ⅰ-03合同名称:五河县2013年小农水重点县建设项目施工六标段合同编号:WHXNSSG-2013-06说明:本表一式4份,由承包人填写。
监理机构审签后,承包人2份、监理机构、发包人各1份。
水利水电工程表50浆砌石护底单元工程质量评定表SL239-1999单元工程施工质量报验单编号:WHXNS-2013-06-Ⅰ-04合同名称:五河县2013年小农水重点县建设项目施工六标段合同编号:WHXNSSG-2013-06说明:本表一式4份,由承包人填写。
监理机构审签后,承包人2份、监理机构、发包人各1份。
水利水电工程表50浆砌石护坡单元工程质量评定表SL239-1999单元工程施工质量报验单编号:WHXNS-2013-06-Ⅰ-05合同名称:五河县2013年小农水重点县建设项目施工六标段合同编号:WHXNSSG-2013-06说明:本表一式4份,由承包人填写。
监理机构审签后,承包人2份、监理机构、发包人各1份。
水利水电工程表49 护坡垫层单元工程质量评定表SL239-1999单元工程施工质量报验单编号:WHXNS-2013-06-Ⅰ-06合同名称:五河县2013年小农水重点县建设项目施工六标段合同编号:WHXNSSG-2013-06说明:本表一式4份,由承包人填写。
土方开挖单元工程表土及土质岸坡清理工序施工质量检测检验记录表
土方开挖单元工程软基或土质岸坡开挖工序施工质量检测检验记录表
普通混凝土单元工程模板制作及安装工序施工质量检测检验记录表
普通混凝土单元工程钢筋制作及安装工序施工质量检测检验记录表
普通混凝土单元工程预埋件制作及安装工序施工质量记录表
普通混凝土单元工程预埋件制作及安装工序施工质量记录表(续)
普通混凝土单元工程浇筑工序施工质量检测检验记录表
单元工程锚杆工序施工质量检测检验记录表
CB17 混凝土浇筑开仓报审表
(承包[ ]开仓号)
说明:本表一式份,由承包人填写,监理机构审批后,承包人份、监理机构份、发包人份。
CB18 新打机井单元工程施工质量报验单(***[2020]质报F5-10号)合同名称:工程说明:本表一式 4 份,由承包人填写,监理机构审签后,承包人 1 份、监理机构 1 份、发包人1份、设代机构 1 份。
表4.18.4 机井单元工程施工质量评定表单位工程名称单元工程量分部工程名称机电设备及安装工程施工单位单元工程名称、部位新打机井施工日期年月日- 年月日项次检验项目质量标准检查(测)记录或备查资料名称合格数合格率合格优良主控项目1井壁管、滤水管、砾料等质量符合规范规定和设计要求井壁管、滤水管、砾料等质量完全符合设计要求全数100.0 2井位、井深和井径符合设计要求井位、井深和井径检查结果完全符合设计要求全数100.0 3洗井洗井方法、抽水程序符合规范要求洗井方法、抽水程序完全符合设计要求全数100.0 4机井出水流量不小于设计出水流量(设计30m³/h)39 36 37 35 32 38 36 36 37 3810100.0一般项目1下管清孔、滤水管长度及下管保护、连接及密封质量符合规范要求清孔、滤水管长度及下管保护、连接及密封质量符合规范要求/90.0 2填砾连续均匀沿管四周填入,填入量符合计算体积连续均匀沿管四周填入,填入量符合计算体积/90.0 3滤水管安装位置允许偏差:300mm允许偏差:200mm162 -74 -17 -98 -36 238 210 325 -71 -218990.0 4井口封闭符合设计和规范要求井口封闭符合设计和规范要求/90.0 5井孔倾斜度允许偏差:2允许偏差:10.6 0.7 0.5 2.3 1 0.1 2.2 0.5 1.4 0.6880.06出水含沙量小于1/20000体积比(设计值1.5dm³)0.6 0.9 0.2 0.1 0.3 0.5 1.2 0.1 1.4 1.6990.07井内沉淀物高度不大于设计井深的5%(设计值2.5m)0.6 1 2.7 0.3 0.5 2.1 2 2.8 1.8 2880.0施工单位自评意见主控项目检验点100%合格,一般项目逐项检验点的合格率不小于%且不合格点不集中分布。
单位工程名称单元工程量
分部工程名称施工单位
单元(工序)工程名
施工日期年月日~年月日称、部位
检验项目基础面或施工缝处理模板安装
检测数据
年月日年月日
检验项目混凝土浇筑(含养护、脱模)外观质量检查
检测数据
年月日年月日
检验项目
检测数据
年月日年月日注:记录内容不可打印,只能书写,字迹要清晰、工整。
单位工程名称单元工程量
分部工程名称施工单位
单元(工序)工程名
施工日期年月日~年月日称、部位
检验项目基础面或施工缝处理模板安装
检测数据
年月日年月日
检验项目钢筋制作与安装预埋件(止水、伸缩缝等)制作安装
检测数据
年月日年月日
检验项目混凝土浇筑(含养护、脱模)外观质量检查
检测数据
年月日年月日
注:记录内容不可打印,只能书写,字迹要清晰、工整。
施工现场质量管理检查记录表(填写范例)1. 检查项目及标准检查项目检查标准地基基础施工1.施工前必须踏勘地基的情况和性质;2.在地基标志点处进行开挖及施工;3.清除土方作业的杂物和杂土;4.确保基础横平竖直、平整、无裂缝。
结构工艺施工1.外墙、内墙、柱、梁等结构件在安装前应进行加固,保证其有承载能力;2.安装钢结构时必须按照设计方案的要求进行装配;3.预应力构件配盘、平衡、张拉、固定的前期准备工作必须做到位。
室内装饰工程施工1.建筑物外窗口设置必须符合规范要求和安全要求;2.电线、电缆等接地防雷保护措施必须到位;3.洁具、附件、家具等必须按照有关标准要求安装。
2. 施工现场质量管理检查记录2.1 地基基础施工检查时间检查地点检查情况备注2021年10月1日A栋1楼基础开挖完毕,未清理杂物工人开始清理2021年10月2日A栋2楼基础完工,表面平整无裂缝无2.2 结构工艺施工检查时间检查地点检查情况备注2021年10月5日B栋1楼钢结构安装中,安全措施到位无2021年10月6日C栋3楼预应力构件张拉固定后进行拆胶拆胶效果不理想,需重做2.3 室内装饰工程施工检查时间检查地点检查情况备注2021年10月8日A栋1楼电线、电缆等接地防雷保护措施到位无2021年10月9日D栋2楼安装洁具、附件等符合标准要求有一个水龙头泄漏,需更换3. 检查意见与处理3.1 地基基础施工发现问题:基础开挖完毕,未清理杂物。
处理意见:责令监理立即要求施工单位进行清理,确保基础内部干净整洁。
3.2 结构工艺施工发现问题:预应力构件张拉固定后进行拆胶,拆胶效果不理想。
处理意见:立即责令施工单位进行重新拆胶,并做好定期检查工作,确保工程质量。
3.3 室内装饰工程施工发现问题:有一个水龙头泄漏,需更换。
处理意见:立即安排施工单位更换泄漏的水龙头,并在检查工作中严格把关,确保工程质量。
4. 附:检查人签名检查人:XXX签名:YYYY.MM.DD。
水利水电工程混凝土防渗墙单元工程质量评定表及施工记录表附表1~11注:未填写检验具体内容的不得评定质量等级。
填表说明填表时必须遵守“填表基本规则”,并符合以下要求:1、单元工程划分:以每一槽孔为一个单元工程。
2、单元工程量:本单元混凝土体积(m 3)及单元槽段长度L X (m)。
3、填表依据:本表依据附表1至附表11防渗墙工程的施工记录填写。
施工单位务必作好施工记录,监理单位要认真检查。
如单元工程划分为重要隐蔽单元工程,项目法人、设计、工程运行管理(施工阶段已经有时)单位应与施工、监理单位组成联合小组,共同检查核定其质量等级并填写签证表。
4、检查项目项次2、4、10、12、15的质量标准栏中有设计要求,须填写设计具体要求,如内容较多应另附页。
项次17必须填写检查结果。
混凝土芯结构、表面情况、混凝土抗压强度、抗渗标号、弹性模量必须符合设计标准,强度保证率在80%以上。
5、单元工程质量标准:在槽孔的主要检查(测)项目符合质量标准的前提下,凡其它检查项目基本符合质量标准,且其它检测项目有70%及以上符合质量标准的,评为“合格”;凡其它检查项目全部符合质量标准,且其它检测项目有90%及以上符合质量标准的,评为“优良”。
单元工程名称及部位: 施工单位:钻机类型:槽孔编号:单孔编号:第页施工机组:接班孔深: m 交班孔深: m 班次:年月日时至月日时机长:班长:记录员:cheng单元工程名称及部位: 施工单位:抓斗型号:抓斗宽度: mm 槽孔编号:施工机组:接班孔深: m 交班孔深: m 年月日时机长:班长:记录员:cheng附表3:防渗墙单孔(槽)基岩/相对不透水层鉴定表单元工程名称及部位: 槽孔编号:单孔编号:施工单位:施工机组:中心桩号:附表4:防渗墙造孔质量检查记录表单元工程名称及部位: 槽孔编号: 槽孔长度: m检查孔位: 桅杆高: m 检查方法:施工单位: 施工机组:检查时间:年月日机长:质检员:记录员:监理工程师:注:上游方向偏差为正值,下游方向偏差为负值,面向下游左偏差为正值,右偏差为负值。
普通混凝土单元工程浇筑单元(工序)施工质量检测项检测记录表表4.6.2单位工程名称工序编号分部工程名称施工单位单元工程名称、部位施工日期年月日~年月日项次检验项目质量标准检验方法检验数量检查(测)记录合格数合格率主控项目1 入仓混凝土料无不合格料入仓。
如有少量不合格料入仓,应及时处理至达到要求观察不少于入仓总次数的50% 2 平仓分层厚度不大于振捣棒有效长度的90%,铺设均匀,分层清楚,无骨料集中现象观察、量测全部3 混凝土振捣分层浇筑时,振捣器垂直插入下层5cm,有次序,间距、留振时间合理,无漏振、无超振在混凝土浇筑过程中全部检查4 铺筑间歇时间符合要求,无初凝现象在混凝土浇筑过程中全部检查5浇筑温度(指有温控要求的混凝土)满足设计要求温度计测量6 混凝土养护表面保持湿润;连续养护时间基本满足设计要求观察一般项目1 砂浆铺筑厚度宜为2~3cm,均匀平整,无漏铺观察2 积水和泌水无外部水流入,泌水排除及时观察3插筋、管路等埋设件以及模板的保护保护好,符合设计要求观察、量测4混凝土表面保护保护时间、保温材料质量符合设计要求观察5 脱模脱模时间符合施工技术规范或设计要求观察或查阅施工记录不少于脱模总次数的30%检验结果统计主控项目检测点最低合格率 % ;一般项目逐项检测点最底合格率 %。
施工单位名称(盖公章)监理单位名称(盖公章)检验类别初检复检终检注 1:此表为施工单位自检、监理单位平行检测记录表,应分别填写。
作为平行检测记录表时,检验类别不用填写。
注2:作为施工自检用表时,由“初检、复检、终检”分别检测、填写,并形成3张记录表,并由相关人员在相应栏目签字。
1混凝土浇筑施工质量验收评定表表4.6.2单位工程名称工序编号分部工程名称施工单位单元工程名称、部位施工日期年月日~年月日项次检验项目质量标准检查(测)记录合格数合格率主控项目1 入仓混凝土料无不合格料入仓。
如有少量不合格料入仓,应及时处理至达到要求2 平仓分层厚度不大于振捣棒有效长度的90%,铺设均匀,分层清楚,无骨料集中现象3 混凝土振捣振捣器垂直插入下层5cm,有次序,间距、留振时间合理,无漏振、无超振4 铺筑间歇时间符合要求,无初凝现象5浇筑温度(指有温控要求的混凝土)满足设计要求6 混凝土养护表面保持湿润;连续养护时间基本满足设计要求一般项目1 砂浆铺筑厚度宜为2~3cm,均匀平整,无漏铺2 积水和泌水无外部水流入,泌水排除及时3插筋、管路等埋设件以及模板的保护保护好,符合设计要求4混凝土表面保护保护时间、保温材料质量符合设计要求5 脱模脱模时间符合施工技术规范或设计要求施工单位自评意见主控项目检验点100%合格,一般项目逐项检验点的合格率%,且不合格点不集中分布。
岩石地基开挖单元工程开挖工序施工质量检测检验记录表
普通混凝土单元工程基础面或施工缝处理工序施工质量检测检验记录表
普通混凝土单元工程模板制作及安装工序施工质量检测检验记录表
普通混凝土单元工程钢筋制作及安装工序施工质量检测检验记录表
普通混凝土单元工程预埋件制作及安装工序施工质量记录表
CB17 混凝土浇筑开仓报审表
(承包[ ]开仓号)
合同名称:安徽省月潭水库工程主体工程施工标合同编号:
说明:本表一式份,由承包人填写,监理机构审批后,承包人份、监理机构份、发包人份。