红花质量标准及检验操作规程
- 格式:doc
- 大小:61.00 KB
- 文档页数:6
红花的薄层色谱鉴别
红花是一种常用药材,具有清热解毒、活血化瘀、消肿止痛等功效。
为了确保红花的质量和安全性,可以采用薄层色谱进行鉴别。
薄层色谱是一种常用的分离技术,可以将混合物中的化合物分离出来并进行鉴定。
在红花的薄层色谱鉴别中,首先需要制备红花的提取液,然后将提取液涂布在薄层色谱板上。
接下来,将薄层色谱板放入色谱槽中,加入色谱溶剂,使溶剂沿着薄层色谱板上升。
在升程过程中,样品中的化合物会在不同的位置上出现不同的色带,通过比对标准品和未知样品的色带位置和颜色,可以确定红花的质量和真实性。
红花的薄层色谱鉴别需要注意样品的制备和色谱条件的控制,以保证鉴别的准确性和可靠性。
同时,还需要结合其他鉴别方法,如显微镜鉴别、化学成分分析等,综合判断红花的质量和真实性。
- 1 -。
4.依据:《中国药典》2005年版P1035.质量标准5.1 通用名称:红花5.2本品为菊科植物红花Carhamus tinctorius L.的干燥花。
夏季花由黄变红时采摘,阴干或晒干。
5.3性状:5.4本品为不带子房的管状花,长1~2cm。
表面红黄色或红色。
花冠筒细长,先端5裂,裂片呈狭条形,长5~8mm,雄蕊5,花药聚合成筒状,黄白色;柱头长圆柱形,顶端微分叉。
质柔软。
气微香,味微苦。
5.5鉴别:5.5.1本品粉末橙黄色。
花冠、花丝、柱头碎片多见,有长管道状分泌细胞,常位于导管旁,直径约至66um,含黄棕色至红棕色分泌物。
花冠裂片顶端表皮细胞外壁突起呈短绒毛状。
柱头及花柱上部个萌发孔,外壁有齿状突起。
草酸钙方晶存在于薄壁细胞中,直径2~6um。
5.5.2取本品粉末0.5g,加80%丙酮溶液5ml密塞,振摇15分钟,静置,吸取上清液,作为供试品溶液。
另取红花对照品0.5g,同法制成对照药材溶液。
照薄层色谱法(2005版药典附录VI B)试验,吸取上述两种溶液各5ul。
分别点于同一以羧甲基纤维钠为黏合剂的硅胶H薄层板上,以乙酸乙酯-甲酸-水-甲醇(7:2:3:0.4)为展开剂,展开,取出,晾干。
供试品色谱中,在与对照药材色谱相应的位置上,显相同颜色的斑点。
5.6检查:5.6.1杂质不得过2%(2005版药典附录IX A)。
5.6.2水分照水分测定法(2005版药典附录IX H第一法)测定,不得过13.0%。
5.6.3总灰分不得过15.0%(2005版药典附录IX K)。
5.6.4酸不溶性灰分不得过5.0%(2005版药典附录IX K)。
5.6.5吸光度红色素取本品,置硅胶干燥器中干燥24小时,研成细粉,取约0.25g,精密称定,置锥形瓶中,加80%丙酮溶液50ml,连接冷凝器,置50℃水浴上温浸90分钟,放冷,用3号垂熔玻璃漏斗滤过,收集滤液于100ml量瓶中,用80%丙酮25ml分次洗涤,洗液并入量瓶中,加80%丙酮溶液至刻度,摇匀,照紫外-可见分光光度法(2005版药典附录V A),在518nm的波长处测定吸收光度,不得低于0.20。
目的:为红花生产提供符合要求的生产工艺,规范红花生产操作,严格工艺管理,特制订本规程。
范围:本规程适用于红花的生产操作。
责任:生产车间、生产部、质量部。
内容:
1产品概述
1.1别名:
1.2规格:个
2根据《中华人民共和国药典》(2005年版)
3工艺流程
红花择过净红花包装
4炮制工艺操作要求
4.1原料加工:择净杂质。
4.2过净:用筛药机筛去碎末。
4.3包装:根据本品包装规格要求进行包装。
5原料规格(等级)质量标准
符合文件TS-QS1-2052-00要求。
6内包材质量标准
符合文件TS-QS3-2003-00要求。
7中间产品
符合文件TS-QS4-2069-00要求。
8成品质量标准
符合文件TS-QS5-2069-00要求。
9成品贮存及注意事项
置阴凉干燥处、防蛀。
10消耗定额
成品率(%)=成品量(㎏)/药材投料量(㎏)×100%
挑选耗率(%)=1-挑选后净药材量(㎏)/原药材投料量(㎏)×100%
切烘耗率(%)=1-切制烘干过净后饮片量(㎏)/净药材投料量(㎏)×100% 包装耗率(%)=1-包装成品量(㎏)/包装投料量(㎏)×100%
11包装规格
聚氯乙烯装,1kg/袋。
中药材辨别判断优质红花的要点红花是一种常用的中药材,被广泛用于中医药学中的调经活血、解疮疡等方面。
然而,市面上的红花质量参差不齐,如何准确辨别优质红花成为了中药材行业关注的焦点。
本文将介绍辨别优质红花的几个关键要点。
一、外观特征优质红花的外观特征是判断其质量的重要指标之一。
一般来说,优质红花的花瓣呈红色或暗红色,鲜艳而富有光泽。
而劣质红花的花瓣颜色则普遍比较暗淡,质感较差。
此外,优质红花的花瓣完整而饱满,不易碎裂,而劣质红花的花瓣则常有破损或缺失的情况。
二、气味辨别优质红花的气味也是判断其质量的重要依据。
优质红花常常具有独特的香气,有时会散发出淡淡的橙花香味。
而劣质红花的气味则较为淡薄或无味,甚至可能带有异味或霉味。
辨别红花时,可以将其放在手掌心轻轻揉搓,通过嗅觉来鉴别。
三、湿润度测试优质红花的湿润度也是判断其质量的一项重要指标。
通常来说,优质红花应该保持一定的湿润度,足够柔软而不至于过干或过湿。
劣质红花的湿润度则常常欠佳,可能过于干燥或过于湿润,这往往意味着质量不佳。
四、品尝辨别虽然用品尝红花来辨别其质量并不常见,但有时候也可以采用这种方式来判断。
优质的红花通常具有微苦的味道,同时也能感受到一丝辛辣的味道。
而劣质红花的味道往往较为淡薄,甚至可能呈现出酸臭的味道,这可能是由于红花的保存方式或其他因素所致。
综上所述,辨别优质红花的要点包括外观特征、气味、湿润度和品尝等方面。
作为中药材行业从业者,我们应该掌握这些关键要点,以便能够准确判断红花的质量,保障中药材的疗效和安全性。
(字数:520字)。
红花质量评价的实验报告实验报告:红花质量评价实验一、引言红花作为一种草本花卉,常用于生活中的装饰、观赏和药用等多个领域。
然而,市场上存在着各种质量不一的红花产品,消费者往往难以判断红花的质量优劣。
因此,本次实验旨在通过一系列实验方法来评价红花的质量,为消费者提供科学准确的购买参考。
二、实验方法1. 样品准备从市场上购买了5个不同品牌的红花样品,每个品牌各购买2份,总共10份样品。
确保样品的采购来源广泛,以代表市场上常见的红花产品。
2. 外观评价将每份红花样品放在白色的背景下,对其外观进行评价。
包括颜色的鲜艳程度、花朵的形状和完整度、花瓣的清洁度等因素。
评价采用1-5分进行打分,分数越高表示外观越好。
3. 水浸法测定含水量将每份红花样品称取2g放入烘干室中,在100℃下烘干2小时,取出冷却至室温后再称重。
通过计算差值来确定其含水量百分比。
含水量越低表示红花的质量越好。
4. 有机酸含量检测采用高效液相色谱法检测红花样品中的有机酸含量。
将红花样品加入乙酸乙酯中进行超声提取,然后进行高效液相色谱分析,测定有机酸的浓度。
有机酸含量越高表示红花的质量越好。
三、实验结果与分析1. 外观评价通过对10份红花样品进行外观评价,得到了如下评分:样品A-1:4分,样品A-2:3分,样品B-1:5分,样品B-2:4分,样品C-1:2分,样品C-2:3分,样品D-1:5分,样品D-2:3分,样品E-1:4分,样品E-2:5分。
综合外观评价结果,样品B-1和样品D-1的外观评分较高,可以认为它们的外观质量较好。
2. 含水量测定结果通过烘干和称重的实验操作,测定得到红花样品的含水量百分比如下:样品A-1:5%,样品A-2:4%,样品B-1:3%,样品B-2:2%,样品C-1:3%,样品C-2:5%,样品D-1:4%,样品D-2:3%,样品E-1:2%,样品E-2:1%。
综合含水量测定结果,样品E-2的含水量最低,可以认为它的质量最好。
目录2、生产工艺流程4、质量监控:见“SCGL514901 红花生产关键工序质量监控要点”。
5、原辅料、中间产品、成品质量标准5.1 红花原料质量标准:见“ZLJS100101原药材质量标准”。
5.2 红花中间产品质量标准:见“ZLJS400101饮片中间产品质量标准”。
5.3 红花成品质量标准:见“ZLJS500101饮片成品质量标准”。
6、包材质量标准和文字说明6.1 包材质量标准:见“ZLJS300101~ZLJS300601包装材料质量标准”6.2 包装说明文字:品名:红花规格:产地:重量:产品批号:生产日期:贮藏:置干燥处生产企业:7、生产区的工艺卫生要求7.1 生产区卫生要求:执行“CSGL001401一般生产区环境卫生管理规程”,7.2 生产区清洁工作要求:执行“CSSOP000301一般生产区厂房清洁规程”, 7.3 生产区人员卫生要求:执行“SCGL000101一般生产区个人卫生规程”,7.4 生产区工作服管理要求:执行“SCGL005701一般生产区工作服管理规程”8、设备一览表9、技术经济指标核算9.2包装材料物料平衡使用量+残损量+剩余量塑料袋物料平衡= ×100% (99.0-101.0%) 本批领用量使用数+残损数+剩余数标签物料平衡= ×100%(99.0-101.0%) 本批领用数10、技术安全及劳动保护10.1 员工转岗或新工上岗前均要进行安全操作培训,熟悉本岗位的操作要点、质控要点及注意事项。
10.2 严格按工艺规程和岗位标准操作程序操作,切忌擅改工艺和岗位操作方法,工作应严肃认真。
10.3 电机设备严禁用水直接冲洗,清洁时亦不可用湿布擦拭。
在确保一切准备工作就绪后方可开机,以防轧手等事故发生。
10.4 设备定期保养,严格按设备维护保养管理制度操作使用。
10.5 拣选、切药、干燥、筛分等产尘、产湿岗位应有除尘排湿装置。
11、劳动组织和岗位定员11.1 劳动组织11.1.1 由生产部下达生产指令,车间依此组织生产。
红花质量评价研究实验报告
红花是一种常见的中药材,具有活血化瘀、调经止痛、清热解毒等功效。
然而,市场上的红花质量良莠不齐,有些甚至掺杂了其他杂质,影响了其药效和安全性。
因此,本文旨在通过实验评价红花的质量,为消费者提供参考。
实验方法:
1.外观检查:观察红花的颜色、形状、大小、气味等特征,判断是否符合标准。
2.显微镜检查:取少量红花样品,加入少量水后,放在显微镜下观察,检查是否有杂质、虫卵等。
3.化学成分分析:采用高效液相色谱法(HPLC)检测红花中的主要成分——花青素的含量,判断其质量。
实验结果:
1.外观检查:样品颜色鲜艳,形状规整,大小均匀,气味芳香,符合标准。
2.显微镜检查:样品中未发现杂质、虫卵等。
3.化学成分分析:样品中花青素的含量为2.5%,符合国家标准。
综合以上实验结果,可以得出结论:该红花样品质量良好,符合国
家标准,可以放心使用。
结论:
本实验通过外观检查、显微镜检查和化学成分分析等方法,对红花的质量进行了评价。
结果表明,该红花样品质量良好,符合国家标准。
因此,消费者在购买红花时,应选择正规渠道,注意查看产品标签和质量证明,以确保购买到优质的红花。
红花的真伪鉴别品为菊科植物红花的干燥花,主产于新疆,全国均有栽培,是我国传统常用中药材。
红花味辛,性温。
归心、肝经。
有活血通经,散瘀止疼等功能。
由于前几年价位较高,市场上出现假劣红花,现就市上一些掺假手段揭露如下:伪品红花一般多以添加杂质来加重其份量,也有用其它花类染色后加工而掺入红花中的。
杂质类:用净红花加入细沙、滑石粉、玉米糖稀、红颜色及杏黄色加工而成。
伪品类:用陈菊花、黄连须等粉碎后染色加工而成。
鉴别方法:1.从重量上进行鉴别:纯净红花(标准麻袋)每包20-23公斤,医学教|育网收集|整理伪品一般麻袋中加上塑料薄膜,装的较松,也会超过25公斤。
2.从颜色上进行鉴别:净品红花,颜色鲜艳。
伪品红花,颜色较暗淡。
3.从手感上进行鉴别:净品红花,手感柔软,泡松。
伪品手感,觉得有硬硬的感觉,较顶手,轻揉后手中留有细微杂物。
4.水鉴别:把本品放入水杯中,加入热水,轻轻搅拌,放置一会。
把上半部分倒掉,这时水杯底如有杂物,系伪品或含杂。
如用菊花染色者,上面颜色会洗掉,露出原形。
注:红花与菊花药性相反,误用伪品,非但不能治病,还会加重病情。
红花又称红蓝花、草红花,为常用的活血化瘀药,每年5~6月份,当花瓣由黄变红时采摘管状花,阴干即可入药,其性温,味辛,入心、肝经,具有活血通经、去瘀止痛的功效,用于治疗经闭、癥瘕、难产、产后恶露不行、瘀血作痛、痈肿、跌扑损伤等症。
现代药理研究证实,红花对处于缺血、缺氧状态下的脑组织有保护作用,可以维护血脑屏障以及神经胶质细胞的作用。
红花由于作用广泛,用量较大,于是,有些药贩在红花中掺伪,以增加重量,牟取不当利益,故使用时注意识别掺伪红花,以保证药效。
正品红花为干燥的管状花,呈橙红色,花管狹细,裂片狹线形,雄蕊5枚,花药黄色,联合成管,高出裂片之外,其中央有柱头露出,具有一种特异香气,用手触之,感觉质地柔软,手感好,味微苦。
以花片长、色鲜红、杂色少、手感柔者为佳。
下面介绍几种掺伪手段和识别方法:掺糖水将糖水均匀喷洒在红花上。
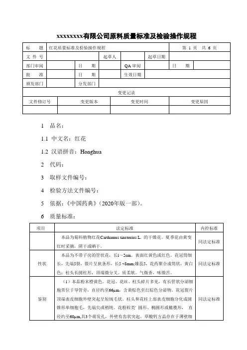
xxxxxxxx有限公司原料质量标准及检验操作规程1 品名:1.1 中文名:红花1.2 汉语拼音:Honghua2 代码:3 取样文件编号:4 检验方法文件编号:5 依据:《中国药典》(2020年版一部)。
6 质量标准:7 检验操作规程:7.1 试药与试剂:水、丙酮溶液、乙酸乙酯、甲醇、甲酸、硝酸盐、稀盐酸、80%丙酮溶液、乙腈、0.7%磷酸溶液、0.4%磷酸溶液、氢氧化钠滴定液、甲基红乙醇溶液指示剂。
7.2 仪器与用具:电子天平、显微镜、薄层色谱仪烘箱、硅胶H薄层板、水浴锅、分光光度计、蒸发皿、高效液相色谱仪、中药二氧化硫测定仪。
7.3 性状:本品为不带子房的管状花,长l~2cm。
表面红黄色或红色。
花冠筒细长,先端5裂,裂片呈狭条形,长5 ~8mm;雄蕊5,花药聚合成筒状,黄白色;柱头长圆柱形,顶端微分叉。
质柔软。
气微香,味微苦。
7.4 鉴别:7.4.1本品粉末橙黄色。
花冠、花丝、柱头碎片多见,有长管状分泌细胞常位于导管旁,直径约至66µm,含黄棕色至红棕色分泌物。
花冠裂片顶端表皮细胞外壁突起呈短绒毛状。
柱头和花柱上部表皮细胞分化成圆锥形单细胞毛,先端尖或稍钝。
花粉粒类' 圆形、椭圆形或橄榄形,直径约至60µm,具3个萌发孔,外壁有齿状突起。
草酸钙方晶存在于薄壁细胞中,直径2~6µm。
7.4.2取本品粉末0.5g,加80%丙酮溶液5ml,密塞,振摇15分钟,静置,取上清液作为供试品溶液。
另取红花对照药材0.5g,同法制成对照药材溶液。
照薄层色谱法(附录7)试验,吸取上述两种溶液各5µl,分别点于同一硅胶H薄层板上,以乙酸乙酯-甲酸-水-甲醇(7 :2 :3 :0.4)为展开剂,展开,取出,晾干。
供试品色谱中,在与对7.5 检查7.5.1杂质:不得过2.0%(附录12)。
7.5.2水分:不得过13.0%(附录15第二法)7.5.3总灰分:不得过5.0%(附录17)。
红花成品的检验操作规程红花成品的检验操作规程一、检验目的:红花成品的检验是为了确保产品的质量和安全性,检验包括外观、颜色、气味、口感等多个指标,确保产品符合相关国家标准和要求。
二、检验人员:红花成品的检验应由经过相关培训和资质认证的专业人员进行,确保检验结果的准确性。
三、检验设备和器材:1. 放大镜:用于观察红花成品的细节;2. 光泽度仪:用于测量产品的光泽度;3. 色差仪:用于测量产品的颜色差异;4. 干燥箱:用于进行水分含量测试;5. 称量仪:用于测量产品的净重。
四、检验流程:1. 外观检验:a. 检查包装是否完好,有无破损、变形等情况;b. 检查产品是否有杂质、虫蛀、霉变等情况;c. 检查产品的颜色是否均匀,有无色差;d. 使用放大镜观察产品的细节,如有黑点、麻点等缺陷。
2. 气味检验:a. 打开包装,用鼻子闻产品的气味,应无异常气味,如有刺激性气味、霉味等应视为不合格。
3. 口感检验:a. 取适量产品尝试食用,应具有红花特有的香气和口感,无异味。
4. 光泽度检验:a. 用光泽度仪测量红花成品的光泽度,应在合格范围内。
5. 颜色检验:a. 使用色差仪测量产品的颜色,与标准色值进行比对,应在合格范围内。
6. 水分含量检验:a. 取适量产品进行水分含量测试,检测结果应在合格范围内。
7. 净重检验:a. 使用称量仪测量产品的净重,应与标示的净重相符。
五、检验记录:1. 检验人员应准确记录每个环节的检验结果,包括外观、气味、口感、光泽度、颜色、水分含量以及净重等指标的测试结果。
2. 如果发现产品不合格,应立即进行记录,并通知相关部门进行处理和调查。
六、检验结果处理:1. 如果产品符合检验标准,则视为合格,准予出售和使用。
2. 如果产品不符合检验标准,则视为不合格,应立即停止销售和使用,并通知相关部门进行处理和调查。
3. 不合格产品应及时进行退货或返工处理,确保问题得到解决。
七、检验频率:红花成品的检验频率应根据生产批次和质量控制要求进行确定,一般应每批次抽检一定数量的产品,确保检验结果的代表性和准确性。
红花的薄层色谱鉴别
红花是传统草药中常用的一味药材,但市面上也有一些伪品和混淆品。
为了区分真伪和鉴别红花的不同品种,可以采用薄层色谱技术进行鉴别。
薄层色谱是一种简单、快速、灵敏的分析方法,适用于红花的鉴别。
首先需要提取红花中的色素,然后将提取物沿薄层硅胶板均匀涂布,待它们在板上分离后,可以通过比较它们的色谱图案和Rf值(色谱移动率)来区分不同的红花品种。
对于不同的红花品种,它们在薄层硅胶板上的色素组成和Rf值都是有所不同的。
通过对比标准品和待测样品的色谱图案和Rf值,可以确定红花的品种和真伪情况。
同时,薄层色谱法不仅可用于红花的鉴别,还可用于其他草药和化学品的分析和鉴别。
总之,薄层色谱是一种可靠的鉴别红花品种和真伪的方法,有望在传统草药的质量控制和品质评估中得到更广泛的应用。
- 1 -。
红花注射液国家药品标准
一、药品品质标准。
红花注射液的药品品质标准主要包括原料药材的产地、采集、贮存等要求,以及药品外观、溶解性、有机溶剂残留、重金属含量、微生物限度等方面的指标。
其中,原料药材的产地和采集要求是确保原料药材的品质和安全性的重要环节,而药品外观、溶解性、有机溶剂残留、重金属含量和微生物限度等指标则是评价药品品质的主要标准。
二、药品性状标准。
红花注射液的性状标准包括药品的外观、溶解性和pH值等指标。
药品外观的标准主要包括颜色、悬浮性、透明度等指标,用于判断药品的质量和纯度。
药品的溶解性是指在一定的条件下,药品可以完全溶解于溶媒中的能力。
药品的溶解性标准可以通过测定药品在一定溶剂中的溶解度来确定,通常用重量法或体积法进行测定。
药品的pH值是一个反映药品酸碱性质的指标,也是评价药品稳定性和适应性的重要参考。
三、药品规格标准。
四、质量控制标准。
红花注射液的质量控制标准主要包括药材的质量控制、制剂的质量控制和稳定性研究等方面。
药材的质量控制是指对红花和枸杞子等原料药材的质量进行严格控制,以保证原料药材的品质和安全性。
制剂的质量控制是指对红花注射液制剂的各项指标进行检测和控制,以保证产品的一致性和优良性。
稳定性研究是指对红花注射液在不同条件下的物理化学性质、有效成分含量和微生物限度等方面进行研究,以保证产品的质量稳定性和有效性。
总之,红花注射液国家药品标准是对该药品在品质、性状、规格和质量控制等方面的要求进行规范和指导的文件。
通过严格按照红花注射液国家药品标准制定和生产药品,可以保证药品的质量和安全性,提高药品的疗效和临床应用水平。
XXXXXXXXX有限公司
一、目的:建立红花药材及饮片的质量标准,确保投用药材及饮片的质量。
二、范围:本规定适用于红花药材及饮片的质量控制。
三、责任:
四、内容:
1.标准来源
《中国药典》2015年版一部、药品检验补充检验方法和检验项目批准件2.技术要求
3.贮存条件:阴凉干燥处,防潮。
4.相关标准操作规程:红花检验操作规程(SOP-ZL-JG(YL)-092)、物料取样标准操作规程(SOP-ZL-QA-001)。
5.企业统一指定的物料名称:与2015年版《中国药典》一部一致。
6.内部使用的物料代码:1101057。
7.经批准的供应商:见合格供应商目录。
8.印刷包装材料的实样或样稿:无此项内容。
9.注意事项:无此项内容。
10.复验期:执行“物料有效期及复验期管理规程(SMP-WL-008)”相关规定。
11.文件附件:共0份。
12.修订及变更历史:。
哈尔滨商业大学中药鉴定学大实验(论文)市售中药红花质量评价研究学生姓名* ***指导教师* * *专业制药工程学院药学院2012年3 月20日摘要目的:评价市售三种红花(分别为人民同泰药店、红旗药店、海晖药店出售)的质量及其总黄酮含量的测定方法:1。
性状鉴别评价市售红花的质量2。
显微鉴别评价市售红花的质量3.紫外—可见分光光度法测定市售红花中总黄酮的含量结果:1.通过性状鉴别、显微组织、杂质的检验,观察到了三种红花的性状和组织特征。
在清水中浸泡一段时间后都为水染金黄不退色,且三种红花都有少量颗粒状杂质;2.在显微鉴别中,出现了明显的组织特征(花粉粒,花柱碎片,花瓣顶端细胞和分泌管碎片),还有少量的黑色杂质;通过色,味,质的经验鉴别,红花质量良好; 3。
通过紫外分光度法测定三种红花的总黄酮含量分别是:人民同泰为0.62%,红旗为1。
4%,海晖为0.98%。
结论:上述方法操作简便、可行, 可供评价市售红花的质量以及总黄酮含量的测定。
关键词:市售红花;总黄酮含量;紫外分光光度法.1绪论1.1论文主要内容评价三种市售红花的质量及其总黄酮含量的测定1.2论文研究目的和意义红花是临床中常用的一种中药材,由于其价格较高,市场上不法分子不顾药材的质量,不择手段,造假作假。
医疗机构及中药生产企业应给予注意.目前,常见的掺伪手法主要有以下四种:一是以添加细沙、滑石粉来增加其重量。
二是用其他花染色后掺入红花中。
三是用一部分陈货(颜色暗、黑)掺入好的红花中,以次充好。
四是掺糖( 药材市场习称搓糖)。
黄酮类化合物是红花中最主要的化学成分之一。
本文建立采用分光光度法测定红花中总黄酮的含量,精密度、稳定性良好,结果可信,为红花中总黄酮的含量测定提供了一种简便可行的方法,为红花的质量控制提供了评价手段。
1。
3红花概述红花是菊科草本植物,为不带子房的管状花,长1~2cm,表面红黄色或红色;花冠筒细长,先端5裂,裂片狭条形,长5~8mm;雄蕊5,花药聚合成筒状,黄白色。
制药GMP管理文件一.目的:为规范红花的检验标准和生产要求,特制定此标准。
二.适用范围:适用于中药材红花的质量检验。
三.责任者:质量检验员四.正文:检品名称:红花检验依据:《红花内控质量标准》检验仪器:显微镜干燥箱马弗炉高效液相色谱仪操作内容:【性状】本品为不带子房的管状花,长1~2cm。
表面红黄色或红色。
花冠筒细长,先端5裂,裂片呈狭条形,长5~8mm;雄蕊5,花药聚合成筒状,黄白色;柱头长圆柱形,顶端微分叉。
质柔软。
气微香,味微苦。
【鉴别】(1)本品粉末橙黄色,花冠、花丝、柱头碎片多见,有长管道状分泌细胞,常位于导管旁,直径约至66um,含黄棕色至红棕色分泌物。
花冠裂片顶端表皮细胞外壁突起呈短绒毛状。
柱头及花柱上部表皮细胞分化长圆锥形单细胞毛,先端尖或稍钝。
花粉粒呈类圆形、椭圆形或橄榄形,直径约至60um,具3个萌发孔,外壁有齿状突起。
草酸钙方晶存在与薄壁细胞中,直径2-6um。
(2)取本品粉末0.5g,加80%丙酮溶液5ml,密塞,振摇15分钟,静置,吸取上清液,作为供试品溶液。
另取红花对照药材0.5g,同法制成对照药材溶液。
照薄层色谱法试验,吸取上述两种溶液各5ul,分别点于同一羧甲基纤维素钠为黏合剂的硅胶H薄层板上,以乙酸乙酯-甲酸-水-甲醇(7:2:3:0.4)为展开剂,展开,取出,晾干。
供试品色谱中,在与对照药材色谱相应的位置上,显相同颜色的斑点。
【检查】杂质不得过2%。
水分照水分测定法测定,不得过13.0%。
总灰分不得过15.0%。
酸不溶性灰分不得过5.0%。
吸光度红色素取本品,置硅胶干燥器中干燥24小时,研成细粉,精密称取0.25g,置锥形瓶中,加80%丙酮溶液50ml,连接冷凝器,置50℃水浴上温浸90分钟,放冷,用3号垂熔玻璃漏斗滤过,收集滤液与100ml量瓶中,用80%丙酮溶液25ml分次洗涤,洗液并入量瓶中,加80%丙酮溶液至刻度,摇匀,照紫外-可见分光光度法,在518nm的波长处测定吸光度,不得低于0.20。
xxxxxxxx有限公司原料质量标准及检验操作规程
1 品名:
1.1 中文名:红花
1.2 汉语拼音:Honghua
2 代码:
3 取样文件编号:
4 检验方法文件编号:
5 依据:《中国药典》(2020年版一部)。
6 质量标准:
7 检验操作规程:
7.1 试药与试剂:水、丙酮溶液、乙酸乙酯、甲醇、甲酸、硝酸盐、稀盐酸、80%丙酮溶液、乙腈、0.7%磷酸溶液、0.4%磷酸溶液、氢氧化钠滴定液、甲基红乙醇溶液指示剂。
7.2 仪器与用具:电子天平、显微镜、薄层色谱仪烘箱、硅胶H薄层板、水浴锅、分光光度计、蒸发皿、高效液相色谱仪、中药二氧化硫测定仪。
7.3 性状:本品为不带子房的管状花,长l~2cm。
表面红黄色或红色。
花冠筒细长,先端5裂,裂片呈狭条形,长5 ~8mm;雄蕊5,花药聚合成筒状,黄白色;柱头长圆柱形,顶端微分叉。
质柔软。
气微香,味微苦。
7.4 鉴别:
7.4.1本品粉末橙黄色。
花冠、花丝、柱头碎片多见,有长管状分泌细胞常位于导管旁,直径约至66µm,含黄棕色至红棕色分泌物。
花冠裂片顶端表皮细胞外壁突起呈短绒毛状。
柱头和花柱上部表皮细胞分化成圆锥形单细胞毛,先端尖或稍钝。
花粉粒类' 圆形、椭圆形或橄榄形,直径约至60µm,具3个萌发孔,外壁有齿状突起。
草酸钙方晶存在于薄壁细胞中,直径2~6µm。
7.4.2取本品粉末0.5g,加80%丙酮溶液5ml,密塞,振摇15分钟,静置,取上清液作为供试品溶液。
另取红花对照药材0.5g,同法制成对照药材溶液。
照薄层色谱法(附录7)试验,吸取上述两种溶液各5µl,分别点于同一硅胶H薄层板上,以乙酸乙酯-甲酸-水-甲醇(7 :2 :3 :0.4)为展开剂,展开,取出,晾干。
供试品色谱中,在与对
7.5 检查
7.5.1杂质:不得过2.0%(附录12)。
7.5.2水分:不得过13.0%(附录15第二法)
7.5.3总灰分:不得过5.0%(附录17)。
7.5.4酸不溶性灰分:不得过5.0%(附录17)。
7.5.5吸光度:红色素取本品,置硅胶干燥器中干燥24小时,研成细粉,取约0.25g,精密称定,置锥形瓶中,加80%丙酮溶液50ml,连接冷凝器,置50℃水浴上温浸90分钟,放冷,用3号垂熔玻璃漏斗滤过,收集滤液于100ml 量瓶中,用80%丙酮溶液25ml分次洗涤,洗液并人量瓶中,加80%丙酮溶液至刻度,摇匀,照紫外-可见分光光度法(附录5),在518nm的波长处测定吸光度,不得低于0.20。
7.5.6二氧化硫残留量:照二氧化硫残留量测定法(附录58)测定,不得
过150mg/kg。
7.6浸出物:照水溶性浸出物测定法(附录19 )项下的冷浸法测定,不得少于30.0% 。
7.7 含量测定
7.7.1羟基红花黄色素A:照高效液相色谱法(附录8)测定。
色谱条件与系统适用性试验:以十八烷基硅烷键合硅胶为填充剂;以甲醇-乙腈-0.7%瞵酸溶液(26:2:72)为流动相;检测波长为403nm。
理论板数按羟基红花黄色素A峰计算应不低于3000。
对照品溶液的制备:取羟基红花黄色素A 对照品适量,精密称定,加25 %甲醇制成每lml含0.13mg的溶液,即得。
供试品溶液的制备:取本品粉末(过三号筛)约0.4g,精密称定,置具塞维形瓶中精密加入25%甲醇50ml ,称定重量,超声处理(功率300W,频率50kHz)40分钟,放冷,再称定重量,用25%甲醇补足减失的重量,摇匀,滤过,取续滤液,即得。
测定法:分别精密吸取对照品溶液与供试品溶液各10µl注入液相色谱仪,测定,即得。
本品按干燥品计算,含羟基红花黄色素A(C27H30O15)不得少于1.0 % 。
7.7.2山柰酚:高效液相色谱法(附录8)测定
色谱条件与系统适用性试验:以十八烷基硅烷键合硅胶为填充剂;以甲醇-0.4%磷酸溶液(52:48)为流动相;检测波长为367nm。
理论板数按山柰酚峰计算应不低于3000。
对照品溶液的制备:取山柰酚对照品适量,精密称定,加甲醇制成每lml 含9µg的溶液,即得。
供试品溶液的制备:取本品粉末(过三号筛)约0.5g,精密称定,置具塞锥形瓶中,精密加入甲醇25ml ,称定重量,加热回流30分钟.放冷,再称定重量,用甲醇补足减失的重量,摇匀,滤过,精密量取续滤液15ml ,置平底烧瓶中,加盐酸溶液(15→37)5ml,摇匀,置水浴中加热水解30分钟,立即冷却,转移至25ml量瓶中,用甲醇稀释至刻度,摇匀.滤过,取续滤液,即得。
测定法:分别精密吸取对照品溶液与供试品溶液各10µl,注入液相色谱仪,测定,即得。
本品按干燥品计算,含山柰酚(C15H10 O6)不得少于0.050%。