《建筑结构实训》作业
- 格式:docx
- 大小:96.56 KB
- 文档页数:6
建筑构造实训作业班级----——-----学号———-——-—-——姓名-———-—---—-《建筑构造实训》作业一一、填空题1、房屋建筑施工图是工程技术的“语言”,它能够准确地表达建筑物的()、( )、()、()等。
2、一套房屋建筑施工图,一般按专业可分为( )、()、( )3类.3、建筑施工图主要反映建筑物的()、( )、()、()、()及施工要求等。
4、总平面图除总平面图定位图外,还包括()、()、()、()布置图、详图.5、对于一幢房屋主要有以下几种平面图:()、()、()、()。
6、建筑剖面图的剖切符号应标注在( )图上7、建筑施工图主要包括()、( )、()、()、( )、( )、()、( )、()等.8、建筑施工图中容易出现的问题主要有()、()、()。
建筑施工图和结构施工图等其他图纸相关的内容不呢不过对应9、指北针一般应标注在()上.10、详图符号用()线绘制,其直径为()mm。
二、简答题1、从建筑平面图上可以了解到哪些内容?其识读要点是什么?2、从建筑立面图上可以了解到哪些内容?3、建筑剖面图一般选择哪些位置进行剖切?建筑剖面图的主要内容有哪些?4、建筑施工图的识读方法和步骤是什么?三、建筑施工图的识读.认真识读图中教学楼的某局部平面图图样,并按要求完成下列各题:(20分)⑴该平面图的图名应为几层平面图?比例是多少?⑵纵、横向各有几条定位轴线?几条附加轴线?定位轴线和附加轴线编号分别从几号到号?⑶轴线上有几个门、几个窗?其代号分别是什么?⑷教学楼的总宽度是多少?房间的最大开间、最大进深各是多少?散水的宽度是多少?《建筑构造实训》作业二一、填空题1、墙身节点详图的比例为()2、散水的宽度为(),坡度为()。
3、由于建筑物的沉降,在勒脚与散水交接处应设置分隔缝,缝宽为()。
4、水平防潮层一般设在()处,可采用()厚的防水砂浆或( )厚的细石混凝土内配()或()钢筋。
5、踢脚的高度一般为(),为突出墙面效果或防潮,可将其延伸至(),形成墙裙.6、突出墙面的窗台面应做不小于()的外倾坡度;内窗台应比外窗台高出()。
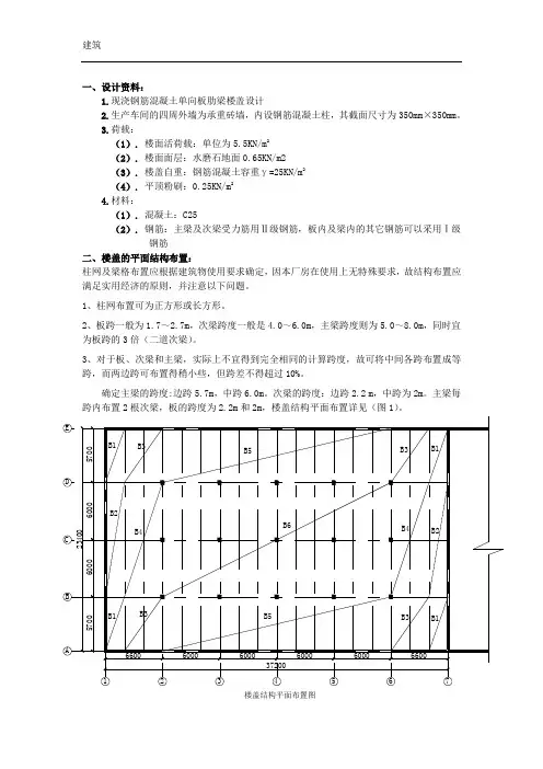
甘肃广播电视大学建筑结构实训题目:现浇钢筋混凝土单向板肋梁楼盖板设计学生姓名:殷万霖学生学号: 0962001456130专业层次:大专分校(教学点):甘肃电大高台工作站导师姓名、职称:闫刚实践活动时间: 2013 年 10月至 2013年 11月报告提交日期: 2013 年 11 月 21 日一、设计资料:1.现浇钢筋混凝土单向板肋梁楼盖的设计2.生产车间的四周外墙为承重砖墙,内设钢筋混凝土柱,其截面尺寸为350mm ×350mm 。
3.荷载:(1). 楼面活荷载:单位为5.5KN/m 2(2). 楼面面层:水磨石地面0.65KN/m2 (3). 楼盖自重:钢筋混凝土容重γ=25KN/m 2(4). 平顶粉刷:0.25KN/m 24.材料: (1). 混凝土:C25 (2). 钢筋:主梁及次梁受力筋用Ⅱ级钢筋,板内及梁内的其它钢筋可以采用Ⅰ级钢筋二、楼盖的平面结构布置: 1、柱网布置可为正方形或长方形。
2、板跨一般为1.7~2.7m ,次梁跨度一般是4.0~6.0m ,主梁跨度则为5.0~8.0m ,同时宜为板跨的3倍(二道次梁)。
3、对于板、次梁和主梁,实际上不宜得到完全相同的计算跨度,故可将中间各跨布置成等跨,而两边跨可布置得稍小些,但跨差不得超过10%。
确定主梁的跨度:边跨5.7m ,中跨6.0m 。
次梁的跨度:边跨2.2 m ,中跨为2m 。
主梁每跨内布置2根次梁,板的跨度为2.2m 和2m ,楼盖结构平面布置详见(图1)。
66006000ABCDB1B3B4B2B1B3B5B5B6B1B3B4B1B3B26000600060006600E570060006000570023400二、板的设计(按塑性内力重分布计算):1、板、次梁、主梁的截面尺寸确定。
(规范)板厚 mm h B 80≥,(当l h 401≥时,满足刚度要求,可不验算挠度)。
次梁 121(=c h ~L )181, 21(=b ~c h )31。
《建筑结构》作业一1.现浇楼盖的结构形式有哪几种?答:现浇楼盖得结构形式有肋形楼盖、井式楼盖、密肋楼盖和无梁楼盖。
2.何谓单向板?何谓双向板?如何区分?对于四边支承的板,当长短边之比超过某一数值时,可认为全部荷载都通过短边传递,忽略长跨方向的弯矩,这种板叫单向板。
当长短跨之比3/12≥l l 时,应按沿短边方向受力的单向板计算;当长短跨之比3/12≤l l 时,应按双向板计算;当长短跨之比3/212<<l l 时,宜按双向板计算;当按单向板计算时,应沿长边方向布置足够数量的构造钢筋。
3.截面活载最不利布置原则是什么?1)求某跨跨中最大正弯矩时,首先在该跨布置活载外,然后隔跨布置。
2)求某支座截面最大负弯矩或最大剪力时,首先在该支座左右跨布置活荷载,然后隔跨布置。
3)求某跨跨中最小弯矩时,则该跨不布置活荷载,然后隔跨布置。
4.用塑性理论.如何计算多跨连续梁板的支座弯矩和跨中弯矩?当考虑塑性内力重分布时,板的弯矩应按下式计算:20)(l q g M +=αα为板的弯矩系数,边跨跨中为1/11,边支座为-1/11,中间跨中为1/16,中间支座为-1/14 5.采用调幅法必须满足哪些条件?1) 弯矩的调幅幅度不应大于30%;2) 为了保证塑性铰有足够的转动能力,要求混凝土的相对受压区高度ξ不应大于0.35;3) 构件在塑性内力重分布的过程中。
不发生其他脆性破坏,如斜截面受剪破坏,钢筋锚固破坏。
6.均布荷载作用下单块四边支承双向板的弯矩如何计算(弹性理论)?根据板的边界条件,查表,得出弯矩系数,按下列公式计算=1m 表中系数×21)(l q g +=2m 表中系数×21)(l q g +21,m m ----平行于1l 方向,2l 方向板中心点单位板宽内的弯矩;1l --短跨方向的计算跨度;7.均布荷载作用下连续四边支承双向板的弯矩如何计算(弹性理论)?采用一定原则将多区格板中的每区格等效为单区格板,然后查表计算。
建筑结构实训报告.doc 建筑结构实训报告一、实训目的1.学会正确应用结构设计的方法和原理进行现浇楼盖的设计。
2.学会绘制板和梁的结构施工图。
3.熟练掌握框架施工图的识读。
二、实训内容1.楼盖结构的形式2.整体式单向板肋形楼盖结构平面布置连续梁和板的内力计算,考虑塑性内力重分布截面计算和配筋构造板、次梁、主梁受弯构件的构造要求3.整体式双向板肋形楼盖的受力特征、弹性和塑性计算方法。
4.楼梯和雨蓬的结构设计要点及构造要求。
5.框架的结构施工图内容。
三、实训成果1.现浇钢筋混凝土单向板肋梁楼盖设计计算书平面结构布置内力计算截面高度的确定2.板的设计(按塑性内力重分布计算)荷载计算内力计算次梁截面的确定注:删除了明显有问题的段落,并对部分内容进行了简洁的改写。
根据题目要求,需要计算弯矩设计值和确定钢筋的分布。
首先,根据塑性内力重分布理论计算弯矩设计值。
根据各跨跨中及支座弯矩,可以列出如下表格:截面 | 1 | B | 2 | C | M |1.72 | -1.73 | 1.19 | 0.95 | -1.36 |1.09 | 0.040 | 0.040 | 0.028 | 0.022 |0.032 | 0.025 | 0.041 | 0.028 | 0.022 |mm2) | 139.3 | 340 | 95.8 | 76.2 | 340 |然后根据表格,选择合适的钢筋进行配筋,其中①~②轴线和⑤~⑥轴线选用A8150钢筋,②~⑤轴线和①~②轴线选用A8150钢筋,实际配筋分别为335mm2和2335mm2.位于次梁内跨上的板带的内区格四周与梁整体连接,所以其中间跨的跨中截面和中间支座计算弯矩可以减少20,其他截面则不予以减少。
接下来,需要确定各种构造钢筋的分布。
分别选用A8200钢筋作为分布筋、嵌入墙内的板面附加钢筋、垂直于主梁的板面附加钢筋和板角构造钢筋。
板的配筋采用弯起式筋,详见板的配筋图。
最后,需要进行次梁设计。
2.设计书根据建筑结构实训任务书完成.可参考中央电大出版社编《建筑结构实训》教材P12整体式单项板肋型楼盖设计例题。
任务书见附录1, 任务书封面见附录2.实训报告见附录3.
口试在课程结束后进行,由各办学单位负责组织实施.
3.装订顺序:楼盖设计书封面—设计计算书—实训报告.统一要求A4纸型,装订成册,图纸另附。
复印者成绩无效。
建筑结构实训任务书
要求绘图准确整洁,并要求写仿宋体字。
三、进度计划
四、设计成果要求
1、写出完整的计算书,要求手写,A4纸型,与封面统一装订成册。
打印或者复印者成绩无效。
2、绘制梁格布置与板配筋图于一张3号图上,次梁、主梁配筋图于一张3号图上,铅笔作图或者计算机绘图。
复印者成绩无效。
附录2
建筑施工与管理专业(专科)建筑结构实训
某多层工业建筑
现浇单向板肋型楼盖设计书
姓名
学号
级别
指导教师
分校名称
日期年月日。
一、设计资料:1.现浇钢筋混凝土单向板肋梁楼盖设计2.生产车间的四周外墙为承重砖墙,内设钢筋混凝土柱,其截面尺寸为350mm×350mm。
3.荷载:(1). 楼面活荷载:单位为5.5KN/m2(2).楼面面层:水磨石地面0.65KN/m2(3). 楼盖自重:钢筋混凝土容重γ=25KN/m2(4). 平顶粉刷:0.25KN/m24.材料:(1). 混凝土:C25(2).钢筋:主梁及次梁受力筋用Ⅱ级钢筋,板内及梁内的其它钢筋可以采用Ⅰ级钢筋二、楼盖的平面结构布置:柱网及梁格布置应根据建筑物使用要求确定,因本厂房在使用上无特殊要求,故结构布置应满足实用经济的原则,并注意以下问题。
1、柱网布置可为正方形或长方形。
2、板跨一般为1.7~2.7m,次梁跨度一般是4.0~6.0m,主梁跨度则为5.0~8.0m,同时宜为板跨的3倍(二道次梁)。
3、对于板、次梁和主梁,实际上不宜得到完全相同的计算跨度,故可将中间各跨布置成等跨,而两边跨可布置得稍小些,但跨差不得超过10%。
确定主梁的跨度:边跨5.7m,中跨6.0m。
次梁的跨度:边跨2.2 m,中跨为2m。
主梁每跨内布置2根次梁,板的跨度为2.2m和2m,楼盖结构平面布置详见(图1)。
楼盖结构平面布置图二、板的设计(按塑性内力重分布计算): 1、板、次梁、主梁的截面尺寸确定。
(规范)板厚 mm h B 80≥,(当l h 401≥时,满足刚度要求,可不验算挠度)。
次梁 121(=c h ~L )181, 21(=b ~c h )31。
主梁 81(=z h ~L )141, 21(=b ~z h )31。
板厚:为了保证刚度,单向板的厚度尚应不小于跨度的1/40(连续板)、1/25(简支板)、以及1/12(悬臂板)本设计为连续板,按跨度比条件h ≥2200/40=55mm 对于工业建筑的楼盖板要求h ≥80mm ,取板厚h=100mm.次梁:次梁截面高度应满足h=(1/18~1/12)L=6000/18~6000/12=(333~500)mm,取h=400mm.截面宽度取b=(1/3~1/2)h=(133~200)mm 取b=200mm.主梁:主梁的截面高度应满足h=(1/15~1/10)L=6600/15~6600/10=(440~660)mm 取h=600mm.截面宽度取b=(1/3~1/2)h=(200~300)mm 取=300mm 。
《建筑构造实训》第一套试卷总共50题共100分一、单选题(共20题,共40分)1. 一般建筑跨度30m以上的大跨度建筑采用()结构。
(2分)A. 砌体B.框架C.板墙D.空间★标准答案:B2. 下列砖混结构建筑中不用横墙承重的方案是()。
(2分)A. 宿舍B.住宅C.旅馆D.影剧院D■ ★标准答案:3. 民用建筑常用的门的高度一般应大于()。
(2分)A. 1800mmB.2000mmC.2400mmD.2100mmD■ ★标准答案:4. 建筑物的耐久等级为二级时其耐久年限为()年,适用于一般性建筑。
(2分)A. 50~100B.80~150C.25~50D.15~25(2 分).★标准答案:A5. 现浇钢筋砼梁板式楼板由()组成。
(2分) A. 混凝土、砂浆、钢筋 B. 板、次梁、主梁 C. 柱、次梁、主梁 D. 砂浆、次梁、主梁.★标准答案:B6. 基本模数的数值符号为 M 竖向扩大模数的基数为()o (2分) A. 3M 、M B.3M 6M C.12M 15M D.6M 12M■★标准答案:D7.我国单层厂房主要采用钢筋混凝土排架结构体系,其基本柱距是 ()米A. 1B.3C.6D.9■★标准答案:C8.伸缩缝是为了预防()对建筑物的不利影响而设置的。
(2分)A.温度变化B.地基不均匀沉降C.地震D.风荷载 .★标准答案:A9. 现浇钢筋砼楼梯由()组成。
(2分)A. 踏步、栏杆B. 柱、梯段、平台C. 梯段、平台、栏杆和扶手D. 栏杆和扶手C■ ★标准答案:10. 地下室的外包卷材防水构造中,墙身处防水卷材须从底板包上来,并在最高设计水位()处收头。
(2分)A.以下50mm B以上50mmC.以下 500mm D以上 500mmD■ ★标准答案:11. 下列不能兼作采光、通风的天窗是()。
(2分) A.矩形B.下沉式天窗C.锯齿形D.平天窗D■ ★标准答案:12. 压型钢板屋面的防水方式属于()。
成绩:建筑结构试验形成性考核册专业:土木工程学号:姓名:河北广播电视大学开放教育学院(请按照顺序打印,并左侧装订)建筑结构试验作业1说明:本次形成性考核是针对教材第一章和第二章的内容编写的。
一、选择题(每小题2分,共30分)1.关于建筑结构模型试验的优点,如下表述中,(D )项是不对的。
A.模型结构的制作较真实结构复杂、且技术要求更高B.可以根据试验目的突出问题的主要因素,针对性强C.可以严格控制模型试验的主要参数,以避免外界因素干扰,保证试验数据的准确性D.模型试验仅能够表达真实结构的指定特征2.下列选项中,( D )项不属于科学研究性试验。
A.验证结构计算理论的假定B.为制订设计规范提供依据C.为发展和推广新结构、新材料与新工艺提供实践经验D.通过试验鉴定结构的施工3.按试验目的进行分类,可将结构试验分成(A )。
A.生产检验性试验和科学研究性试验B.真型试验和模型试验C.短期荷载试验和长期荷载试验D.静力试验与动力试验4.下列各项,( A )项不属于生产检验性试验。
A.为发展和推广新结构、新材料与新工艺提供实践经验B.鉴定结构的设计和施工C.预制构件的性能检验D.服役结构的可靠性鉴定5.(C )的最大优点是所有加载设备相对简单,荷载逐级施加,可以停下来仔细观测结构变形,给人们以最明晰的破坏概念。
A.真型试验 B. 模型试验 C .静力试验 D. 动力试验6.为了了解结构的动力特性及在动力荷载作用下的响应,一般要进行结构(D )。
A.真型试验 B. 模型试验 C.静力试验 D. 动力试验7.(A )的原理清晰,加载设备操作简单方便、安全可靠,能产生较大的荷载,而且荷载容易控制、准确、稳定,并能实现多点同步加载。
A.液压加载 B. 重物加载 C. 机械式加载 D. 气压加载8.下列各项中,(C )项属于动荷加载方法。
A.气压加载法 B. 重物加载法 C. 激振器加载法 D. 机械式加载法9.电液伺服作动器和控制系统可以完成(D )等。
建筑结构实训报告建筑结构实训报告(3篇)在当下社会,报告的使用成为日常生活的常态,我们在写报告的时候要避免篇幅过长。
你知道怎样写报告才能写的好吗?下面是小编收集整理的建筑结构实训报告,供大家参考借鉴,希望可以帮助到有需要的朋友。
建筑结构实训报告1(一)、实习目的通过在网上对建筑结构课程的学习,结合自己的理解和实践,加强理论学习联系实际的结合,加深对建筑构造知识的理解和做法,以及结构使用地方的见解,培养独立思考和学习的能力,增加对以后建筑设计时的结构选择和运用的能力,了解社会上的一般框架结构,积累专业知识。
(二)、实习时间20xx年7月18日(三)、实习地点湖北省麻城市妇幼保健院(四)、实习内容了解框架结构构造的内容,室内外结构的运用,观察其作用和性能,询问做法以及相关知识,并联系所学的内容和相关资料图集,进行一定深度的探索和研究。
(五)、实习成果20xx年暑期时候我有幸参加蓝天监理公司的实习工作,我在麻城市妇幼保健院住院部扩建工程进行监理实习。
这是一个让我学习并运用自己已学的专业知识的好机遇,能够了解构造的做法和作用,让我更深一步的了解理论与现实的差别和两者相结合的运用。
一、工程简介本工程是湖北麻城妇幼保健院住院部扩建工程,承建企业是湖20xx-10-19北麻城市华兴建筑公司。
该工程采用桩基础,框架结构,柱子为方柱子,现浇混凝土楼板,楼梯采用现浇梁板式,楼层一共五层。
面积约为1500平方米。
二、学习内容1、基础的种类构造做法以及材料和保护措施。
(讨论了桩基础的类型:摩擦桩,端承桩,摩擦端承桩。
桩的深度最少要大于3米以及当打不到岩石层就是应该采用摩擦端承桩基础或者箱型基础)2、墙的种类以及做法,保护措施和作用。
(特别是讨论了墙的顶部斜砌的作用:填充维护,减少梁受弯矩时对墙的破坏等)3、构造做法,种类及作用。
(谈到构造柱的作用及使用位子)4、梯的构筑方式及种类,大体尺度。
5、道井的构筑类型及作用。
6、窗的构造及尺度,作用。
建筑结构实训报告集合6篇建筑结构实训报告1一、实习目的通过接触和参加实际工作,充实和扩大自己的知识面,培养综合应用的能力,为以后走上工作岗位打下基础。
二、实习内容参加测量工程、钢筋工程、模板工程、混凝土工程、砌筑工程施工全过程的操作实习,学习每个工种的施工技术和施工组织管理方法,学习和应用有关工程施工规范及质量检验评定标准,学习施工过程中对技术的处理方法。
三、实习概况在实习期间遵守实习单位和学校的安全规章制度,出勤率高,积极向工人师傅请教善于发现问题,并运用所学的理论知识,在工地技术员的帮助下解决问题。
对钢筋工程、模板工程、混凝土工程等有了很具体的了解,同时对部分工程进行实践操作。
1.钢筋工程钢筋使用必须坚持先检查后使用的原则;钢筋必须有出厂合格证和检验报告,按国家规范进行复检合格后方可用于工程中,钢筋在现场加工,制作加工工序为:钢筋机械安装→钢筋对焊→锥螺纹加工→弯曲成型→钢筋绑扎。
2.模板工程模板及其支架应根据工程结构形式、荷载大小、地基土类别、施工设备和材料供应等条件进行设计。
模板及其支架应具有足够的承载能力、刚度和稳定性,能可靠地承受浇筑混凝土的重量、侧压力以及施工荷载。
浇筑混凝土时模板及支架在混凝土重力、侧压力及施工荷载等作用下胀模(变形)、跑模(位移)甚至坍塌的情况时有发生。
为避免事故,保证工程质量和施工安全,提出了对模板及其支架进行观察、维护和发生异常情况时进行处理的要求。
3.混凝土工程结构混凝土的强度等级必须符合设计要求。
用于检查结构构件混凝土强度的试件,应在混凝土的浇筑地点随机抽取。
取样与试件留置应符合下列规定:1、每拌制100盘且不超过100m3的同配合比的混凝土,取样不得少于一次;2、每工作班拌制的同一配合比的混凝土不足100盘时,取样不得少于一次;3、当一次连续浇筑超过100m3时,同一配合比的混凝土每200m3取样不得少于一次;4、每一楼层、同一配合比的混凝土,取样不得少于一次;5、每次取样应至少留置一组标准养护试件,同条件养护试件的留置组数应根据实际需要确定。
建筑结构实训-形考任务1一、单选题1.当求多跨连续梁某跨最大跨中弯矩时,活荷载应在()。
A. 该跨布置活荷载,然后向两侧隔跨布置B. 每跨都布置C. 该跨不布置,左右相邻跨布置,然后再向两侧隔跨布置2.在计算钢筋混凝土肋梁楼盖连续次梁内力时,为考虑主梁对次梁的转动约束,用折算荷载代替实际计算荷载,其做法是( ) 。
A. 减小恒载,减小活载B. 增大恒载,减小活载C. 减小恒载,增大活载D. 增大恒载,增大活载3.现浇钢筋混凝土单向板肋梁楼盖的主次梁相交处,在主梁中设置附加横向钢筋的目的是( )。
A. 承担剪力B. 防止主梁发生受弯破坏C. 防止主梁产生过大的挠度D. 防止主梁由于斜裂缝引起的局部破坏4.在计算框架梁截面惯性矩I时应考虑到楼板的影响,假定I0为矩形截面梁的截面惯性矩,则对现浇楼盖中框架梁截面惯性矩I应取()。
A. I=2I0 B. I=1.5I0 C. I=1.2I0 D. I=1.0I05.板内分布钢筋不仅可使主筋定位,分担局部荷载,还可()。
A. 承担负弯矩B. 承受收缩和温度应力C. 减少裂缝宽度D. 增加主筋与混凝土的粘结6.五跨等跨连续梁,现求第三跨跨中最大弯矩,活荷载应布置在哪几跨?() A. 1,2,3 B. 1,2,4 C. 2,4,5 D. 1,3,57.五跨等跨连续梁,现求最左端支座最大剪力,活荷载应布置在哪几跨?() A. 1,2,4 B. 2,3,4 C. 1,2,3 D. 1,3,58.下列按单向板进行设计的是()。
A. 600mmX3300mm的预制空心楼板B. 长短边之比小于2的四边固定板C. 长短边之比等于1.5,两短边嵌固,两长边简支D. 长短边相等的四边简支板9.超静定结构考虑塑性内力重分布计算时,必须满足()。
A. 变形连续条件B. 静力平衡条件C. 采用热处理钢筋的限制D. 受拉区混凝土的应力小于等于混凝土轴心抗拉强度10.在确定梁的纵筋弯起奌时,要求抵抗弯矩图不得切入设计弯矩图以内,即应包在设计弯矩图的外面,这是为了保证梁的()。
一、设计资料:1.现浇钢筋混凝土单向板肋梁楼盖设计2.生产车间的四周外墙为承重砖墙,内设钢筋混凝土柱,其截面尺寸为350mm ×350mm 。
3.荷载:(1). 楼面活荷载:单位为5.5KN/m 2(2). 楼面面层:水磨石地面0.65KN/m2(3). 楼盖自重:钢筋混凝土容重γ=25KN/m2(4). 平顶粉刷:0.25KN/m 24.材料:(1). 混凝土:C25(2). 钢筋:主梁及次梁受力筋用Ⅱ级钢筋,板内及梁内的其它钢筋可以采用Ⅰ级钢筋二、楼盖的平面结构布置:柱网及梁格布置应根据建筑物使用要求确定,因本厂房在使用上无特殊要求,故结构布置应满足实用经济的原则,并注意以下问题。
1、柱网布置可为正方形或长方形。
2、板跨一般为1.7~2.7m ,次梁跨度一般是4.0~6.0m ,主梁跨度则为5.0~8.0m ,同时宜为板跨的3倍(二道次梁)。
3、对于板、次梁和主梁,实际上不宜得到完全相同的计算跨度,故可将中间各跨布置成等跨,而两边跨可布置得稍小些,但跨差不得超过10%。
确定主梁的跨度:边跨5.7m ,中跨6.0m 。
次梁的跨度:边跨2.2 m ,中跨为2m 。
主梁每跨内布置2根次梁,板的跨度为2.2m 和2m ,楼盖结构平面布置详见(图1)。
66006000ABCDB1B3B4B2B1B3B5B5B6B1B3B4B1B3B260006000600066007654321楼盖结构平面布置图37200E570060006000570023400二、板的设计(按塑性内力重分布计算): 1、板、次梁、主梁的截面尺寸确定。
(规范)板厚 mm h B 80≥,(当l h 401≥时,满足刚度要求,可不验算挠度)。
次梁 121(=c h ~L )181, 21(=b ~c h )31。
主梁 81(=z h ~L )141, 21(=b ~z h )31。
板厚:为了保证刚度,单向板的厚度尚应不小于跨度的1/40(连续板)、1/25(简支板)、以及1/12(悬臂板)本设计为连续板,按跨度比条件h ≥2200/40=55mm 对于工业建筑的楼盖板要求h ≥80mm ,取板厚h=100mm.次梁:次梁截面高度应满足h=(1/18~1/12)L=6000/18~6000/12=(333~500)mm,取h=400mm.截面宽度取b=(1/3~1/2)h=(133~200)mm 取b=200mm.主梁:主梁的截面高度应满足h=(1/15~1/10)L=6600/15~6600/10=(440~660)mm 取h=600mm.截面宽度取b=(1/3~1/2)h=(200~300)mm 取=300mm 。
国家开放大学一网一平台电大《建筑结构试验》形考任务作业1-4题库及答案一、单项选择題1.下列选项中,()项不属于科学研究性试验。
【正确答案】检验结构的质量,说明工程的可靠性2.下列各项,()项不属于工程鉴定性试验。
【正确答案】验证结构计算理论的假定3.按试验目的进行分类,可将结构试验分成()。
[正确答案】工程鉴定性试验和科学研究性试验4.按试验对象进行分类,可将结构试验分成()。
【正确答案】原型试验和模型试验5.按荷载性质进行分类,可将结构试验分成()。
【正确答案】静力试验和动力试验6.按试验场合进行分类,可将结构试验分成()。
【正确答案】实验室试验和现场试验7.()的最大优点是加载设备相对比较简单,荷载可以逐步施加,并可根据试验要求,分阶段观测结构的受力及变形的发展,给人们以最明确和清晰的破坏概念。
【正确答案】静力试验8.为了了解结构在动力荷载作用下的工作性能,一般要进行结构()。
【正确答案】动力试验9.()是利用物体本身的重量施加于结构作为荷载,也可以利用杠杆将荷载放大后作用在结构上,以扩大荷载的使用范围和减轻加载的劳动强度。
【正确答案】重力加载10.()具有响应快、灵敏度高、量測与控制精度好、出力大、波形多、频带宽、可以与计算机联机等优点,在结构试验中应用广泛。
可以做静态、动态、低周疲劳和地震模拟振动台试验及利用造波机用于海洋结构试验等。
【正确答案】电液伺服液压加载11.()用于对结构施加低周往复荷载试验。
[正确答案】双向液压加载12.施加均布荷载的方法有()。
【正确答案】气压加载和重力加载13.荷载支承机构必须具有足够的(),才能满足大型结构构件试验的要求。
【正确答案】强度和刚度14.()的端部建有高大的、刚度极大的抗侧力结构,用以承受和抵抗水平荷载所产生的反作用力。
【正确答案】抗侧力试验台座15.()的功能是将加载装置施加的集中荷载按一定比例分配成两个集中荷载。
【正确答案】分配梁16.贴电阻应变片处的应变为1500 P £,电阻应变片的灵敏系数K=2.C,则在这个电阻应变片上应产生的电阻变化率是下列哪一项?()【正确答案】0.3%17.量測仪表有多项性能指标,其中()是指被测量的单位变化引起仪表示值的变化值。
建筑结构实训形成性考核作业学校:沧州电大班级:2010秋建筑06班学号:1013001463734姓名:吴静兰形考作业一一、填空题1、钢筋混凝土受弯构件正裁面的破坏形式有三种,即( )、( )、和( )。
2、结构上的荷裁分为( )、( )和( )。
二、单项选择题1、钢筋混凝土圈梁纵向钢筋不宜少于()。
A、2Φ10;B、2Φ12;C、4Φ10;D、4Φ12。
2、混凝土强度等级是根据()确定的。
A、轴心抗压强度fc;B、轴心抗拉强度ft;C、立方体抗压强度fcu。
3、现浇整体式楼梯一般用于跨度在()以内的楼梯较为经济。
A、2m;B、2.5m;C、3m;D、3.5m.4、钢筋混凝土结构当HRB335级钢筋时,婚嫁土强度等级不宜低于()。
A、C15;B、C20;C、C30;D、C40。
5、当梁的跨度为4---6m时,其架立钢筋的直径不小于()。
A、8mm;B、10mm;C、12mm;D、14mm。
6、钢筋混凝土现浇板的厚度一般不宜小于()。
A、80mm;B、70mm;C、50mm;D、60mm.。
三、多项选择1、单筋T形裁面承裁力计算时,对翼缘宽度的取值应取下列()三项的最小值。
A、按计算跨度考虑;B、按T形裁面面积考虑;C、按梁(纵肋)净距考虑;D、按翼缘高度考虑。
2、下列说法正确的是()A、加裁速度越快、测得的砼立方体抗压强度越低;B、棱柱体试件的高宽比越大,测得的抗压强度越高;C、砼立方体试件比棱柱体试件能更好的反映砼的实际抗压情况;D、砼试件与压力机垫板间的摩擦力使得砼的抗压强度提高。
3、影响钢筋与砼粘结强度的因素主要有()。
A、砼强度、保护层;B、横向钢筋、横向压力;C、钢筋的强度、保护层;D、浇注位置。
四、判断题(对的在括号内打“√”,错的打“×”)1、在梁内受拉区配筋量越多,梁的承裁力就越大。
()2、受压构件的砼,宜采用较高强度等级的砼,但不宜采用高强度的钢筋。
()3、在受压构件中,选用钢筋时,在钢筋裁面积相同情况下选用钢筋直径大、根数少的比选用直径小、根数多的好。
中央广播电视大学人才培养模式改革与开放教育试点建筑结构实训形成性考核册姓名学号专业教学点黄山广播电视大学建筑结构实训一、填空题(每空1.5分,共45分)1.现浇楼盖的结构形式主要有____、____、____和____等形式。
2.肋形楼盖由____、____和____组成,楼面荷载的传力途径为________________。
3.楼梯按施工方法的不同,可分为____和____;按结构受力状态的不同可分为____、____、____和____。
4.梁式楼梯由____、____、____和____组成。
它的传力途径为____________________。
5.板式楼梯由____、____和____组成。
它的传力途径为________________。
6.在平面布置图上,表示各构件尺寸和配筋方式有______、______和________。
7.在平面表示法中,L、KL、LZ、KZ分别表示____、____、____、____。
二、简答题(1.2.3题各8分,4题11分)1.采用调幅法必须满足的条件。
2.截面最不利活荷载的布置原则。
3.试说明在梁平法表示中φ10@100/200(4)、G4φ16、N6φ16的含义。
4.当受扭纵筋和箍筋的配筋率恰当时,纯扭构件的破坏形式表现如何?当纵筋和箍筋的配置过多或过少时,破坏形式又如何?三、计算题(20分)某教学楼楼梯结构布置如图所示,采用C25混凝土,平台板和踏步斜板采用HPB235级钢筋,平台梁受力钢筋采用HRB335级钢筋,踏步面层为20mm厚水泥砂浆,板底为20mm 厚混合砂浆抹灰,楼梯踏步详图见图所示,采用金属栏杆,已知楼梯活荷载为 2.5kN/m2,试设计板式楼梯。
《建筑构造实训》形成性考核册
学校名称电大绍兴学院
学生姓名_________________________
学生学号_________________________
班 级_________________________
教师孟迎春
浙江广播电视大学绍兴学院
请各学员根据下列建筑施工图纸,完成以下思考题
1.建筑施工图有哪几部分组成?每一部分主要有哪些内容?P1
2.建筑总说明中主要表述哪些内容?P1~7
3.从建筑平面图上可以了解到哪些内容?其识读要点是什么?P4
4.建筑平面图的尺寸是怎样标注的?图中建筑的总长和总宽分别为多少?P13
5.图中建筑采用哪种形式的屋面?屋面坡度多少?采用哪种排水方式?P12
6.从建筑立面图上可以了解到哪些内容?P5
7.建筑剖面图一般选择哪些位置进行剖切?剖切符号标注在哪张图纸上?P9
8.从建筑剖面图上主要了解到哪些内容?图中建筑各层的层高分别是多少?P5
9.指北针一般标注在哪张图纸上?图中建筑的正门朝向如何?P11。
建筑施工与管理专科:《建筑结构实训》作业
设计一现浇钢筋混凝土单向板肋梁楼盖设计某多层工业建筑的楼盖平面如图1所示,楼梯设置在旁边的附属房屋内。
楼盖拟采用现浇钢筋混凝土单向板肋梁楼盖。
图1楼盖平面图
主梁每跨内布置两根次梁,板的跨度为 2.0m 、2.2m 。
楼盖平面布置
图2楼盖结构平面布置图
按高垮比条件,要求板厚 h > 2200/40=55mm 对工业建筑的楼盖板, 要求h > 80mm 取板厚h =80mm
次梁截面高度应满足
h =l /10~l /12=4500/18~4500/12=(250~375)mm 。
考虑到楼面活荷载比 较大,取h =400mm 截面宽度取为 b =200mm
主梁的截面高度应满足
h =l /15~l /10=6600/15~6600/10=(440~660)mm ,取 h = 600mm 截面宽 度取为b =250mm
3. 设计要求
(1) 板、次梁内力按塑性内力重分布计算。
(2) 主梁内力按弹性理论计算。
(3)
根据
AT
C
B
A
, n 」 一 m 一 円 in .
, I noiidj
I [I I
1;
2 3 4 567
计算结果绘制板、次梁、主梁的配筋图(画在若干张A3图
纸上)。
提示:参考课本P13至24页的解答过程完成本题,答案参照《单向板、双向板肋形楼盖设计》.pdf 文件P60-80 页。
注意:计算书部分(A4或16开纸打印)和图纸部分(A3图幅CAD绘
图并打印或手绘)分别装订成册。
(参考课本P66页的要求)
设计二现浇钢筋混凝土双向板肋形楼盖设计
1 .设计资料
某多层工业厂房结构布置如下图所示,采用钢筋混凝土内框架承重,外墙370mm专砌承重。
设计时,只考虑竖向荷载作用,要求完成
钢筋混凝土整体现浇双向板楼盖的结构设计。
(1)楼面构造做法:30mn厚水泥砂浆抹面;
(2)天棚抹灰:梁板下面及天棚抹灰用20mm后的石灰砂浆抹面;
(3)可变荷载:楼面可变荷载标准值为 6.0kN/m
___________________________ t»D0 ____________________________
(E $ @ @
2.设计要求
(1) 采用塑性理论方法,对板和梁进行内力和截面设计与计算。
(2) 绘制板、梁的配筋图(按塑性理论计算的)。
(参考设计三) 提示:参考课本P34例题2-2的解答过程和《双向板混凝土楼盖设 计》.doc 文档完成本题。
注意:计算书部分(A4或16开纸打印)和图纸部分(A3图幅CAD 绘 图并打印或手绘)分别装订成册。
(参考课本 P68 页的要求)
1. 设计资料
-r ri —
i- B? 1 I ! CH ! !
iii 81 iii 莎
■
■ IL ・
(1)楼面做法:20mn水泥砂浆面层,钢筋混凝土现浇板,20mm
石灰砂浆抹底。
(2)楼面荷载:均布活荷载标准值7kN/ m1 2o
(3)材料:混凝土强度等级C25;梁内受力纵筋HRB335其它
为HRB235钢筋。
2. 楼盖的结构平面布置
确定主梁的跨度为6.0m、6.6m,次梁的跨度为4.2m、4.5m、4.8m,。