第八章8255A并行接口
- 格式:ppt
- 大小:2.88 MB
- 文档页数:80
8255可编程并⾏接⼝知识点总结可编程并⾏接⼝8255知识点总结8255A 是INTEL系列的并⾏接⼝芯⽚,由于它是⼀种可编程的外部接⼝部件,通常作为微机系统总线与外部设备的接⼝控制部件,可通过软件来设置芯⽚的⼯作⽅式,⽤8255A 连接外部设备时,通常不需要附加外部电路,给使⽤带来很⼤的⽅便。
1、内部结构2、引脚说明8255作为主机与外设的连接芯⽚,必须提供与主机相连的3个总线接⼝,即数据线、地址线、控制线接⼝。
同时必须具有与外设连接的接⼝A、B、C⼝。
由于8255可编程,所以必须具有逻辑控制部分,因⽽8255内部结构分为3个部分:与CPU连接部分、与外设连接部分、控制部分。
(1)与CPU连接部分根据定义,8255能并⾏传送8位数据,所以其数据线为8根D0~D7。
由于8255具有3个通道A、B、C,所以只要两根地址线就能寻址A、B、C⼝及控制寄存器,故地址线为两根A0、A1。
此外CPU要对8255进⾏读、写与⽚选操作,所以控制线为⽚选、复位、读、写信号。
各信号的引脚编号如下:总线分类:(2)与外设接⼝部分8255有3个通道A、B、C与外设连接,每个通道⼜有8根线与外设连接,所以8255可以⽤24根线与外设连接,若进⾏开关量控制,则8255可同时控制24路开关。
①数据端⼝A、B、C端⼝A(PA0-PA7):对应了1个8位的数据输⼊锁存器和1个数据输出锁存/缓冲器。
所以A 作为输⼊或输出时,数据均受到锁存。
端⼝B(PB0-PB7):对应了1个8位的数据输⼊缓冲器和1个数据输出锁存器/缓冲器。
所以B 输⼊锁存,输出不受到锁存。
端⼝C(PC0-PB7):对应1个8位数据缓冲器和1个数据输出锁存/缓冲器,所以C输⼊不锁村,输出锁存。
当8255⼯作于应答I/O⽅式时,C⼝⽤于应答信号的通信。
A、B组的逻辑控制功能A组:组成:端⼝A(PA0-PA7)和端⼝C的⾼4位(PC4-PC7)这⼏个端⼝由A组统⼀进⾏逻辑控制。
实验七8255A 并行口实验(二)一、实验目的掌握通过8255A 并行口传输数据的方法,以控制发光二极管的亮与灭。
二、实验内容用8255 做输出口,控制十二个发光管亮灭,模拟交通灯管理。
三、实验程序CODE SEGMENTASSUME CS:CODEIOCONPT EQU 0FF2BH;8255控制口IOAPT EQU 0FF28H;PA口IOBPT EQU 0FF29H;PB口IOCPT EQU 0FF2AH;PC口ORG 11E0HSTART: MOV AL,82H;PB输入,PA,PC输出MOV DX,IOCONPTOUT DX,AL;写命令字MOV DX,IOBPT;读PB口IN AL,DXMOV BYTE PTR DS:[0601H],AL;保存PBMOV DX,IOCONPT;8255控制口MOV AL,80HOUT DX,AL;写命令字,PA,PB,PC输出MOV DX,IOBPTMOV AL,DS:[0601H]OR AL,0F0HOUT DX,AL;将读入的PB状态重新置到PB上MOV DX,IOCPTMOV AL,0F0HOUT DX,AL;四路口红灯全亮CALL DELAY1;延时IOLED0:MOV AL,10100101BMOV DX,IOCPTOUT DX,AL;南北绿灯亮,东西红灯亮;-----------------------------------------------CALL DELAY1;延时CALL DELAY1;延时CALL DELAY1;延时CALL DELAY1;延时CALL DELAY1;延时CALL DELAY1;延时;------------------------此处为南北绿灯亮的时间-------------OR AL,0F0HOUT DX,AL;南北绿灯灭,东西红灯亮MOV CX,8IOLED1:MOV DX,IOBPTMOV AL,DS:[0601H]AND AL,10101111BOUT DX,AL;南北黄灯亮,东西黄灯亮CALL DELAY2;延时 --------------南北黄灯闪烁时间OR AL,01010000BOUT DX,AL;南北黄灯灭,东西黄灯灭CALL DELAY2;延时LOOP IOLED1;南北黄灯闪烁8次MOV DX,IOCPTMOV AL,0F0HOUT DX,AL;四路口红灯全亮;----------------------------------------------------------CALL DELAY2;延时;----------------------此处为四路口红灯全亮时间---------------- MOV AL,01011010BOUT DX,AL;东西绿灯亮,南北红灯亮;---------------------------------------------------------CALL DELAY1;延时CALL DELAY1;延时CALL DELAY1;延时CALL DELAY1;延时CALL DELAY2;延时CALL DELAY2;延时CALL DELAY2;延时CALL DELAY2;延时CALL DELAY2;延时CALL DELAY2;延时CALL DELAY2;延时CALL DELAY2;延时;----------------------此处为东西绿灯亮的时间-----------------------------------OR AL,0F0HOUT DX,AL;东西绿灯灭MOV CX,8IOLED2:MOV DX,IOBPTMOV AL,DS:[0601H]AND AL,01011111BOUT DX,AL;东西黄灯亮,CALL DELAY2;延时 --------------东西黄灯闪烁时间OR AL,10100000BOUT DX,AL;东西黄灯灭,CALL DELAY2;延时LOOP IOLED2;东西黄灯闪烁8次,南北黄灯亦然MOV DX,IOCPTMOV AL,0F0HOUT DX,AL;四路口红灯全亮;---------------------------------------------------------- CALL DELAY2;延时;----------------------此处为四路口红灯全亮时间------------ JMP IOLED0;循环继续DELAY1:PUSH AXPUSH CXMOV CX,0030HDELY2:CALL DELAY2;延时,DELAY1延时是DELAY2的48倍LOOP DELY2POP CXPOP AXRETDELAY2:PUSH CXMOV CX,8000HDELA1:LOOP DELA1POP CXRETCODE ENDSEND START四、实验结果本实验实现了双路口的,交通灯循环。
8255a并行接口芯片的基本结构及工作原理-回复[8255a并行接口芯片的基本结构及工作原理]是指针对特定应用设计的一种集成电路芯片,用于实现计算机系统与外部设备之间的并行通信。
本文将逐步介绍8255a并行接口芯片的基本结构和工作原理。
一、引言随着电子技术的发展,计算机系统逐渐与外部设备进行连接,实现数据的输入和输出。
为了满足不同应用场景的需求,芯片设计者提出了各种接口芯片,其中并行接口芯片是其中之一。
并行接口芯片的作用是实现计算机系统和外部设备之间的高速数据传输,其基本结构和工作原理对于提高系统的数据传输效率具有重要作用。
二、基本结构8255a并行接口芯片是一种功能强大的集成电路芯片,基本结构包括以下组成部分:1. 端口组(Port Group):8255a芯片内部包含三个8位的端口组,分别为A、B、C端口组。
每个端口组都可由外部设备进行数据的输入和输出。
同时,每个端口组都包含了相关的控制寄存器,用来设置和控制端口的工作状态。
2. 控制寄存器(Control Register):8255a芯片中的每个端口组都有一个对应的控制寄存器,用于设置和控制端口的工作模式。
其中,控制寄存器的位数和功能根据不同的芯片型号而变化。
3. 数据寄存器(Data Register):8255a芯片中的每个端口组都有一个对应的数据寄存器,用于存放从外部设备中读取的数据或要写入到外部设备中的数据。
数据寄存器的位数根据芯片型号和端口组而定。
4. 模式控制寄存器(Mode Control Register):8255a芯片内部还包含一个模式控制寄存器,用于设置和控制端口组的工作模式。
该寄存器中的位数和功能根据不同的芯片型号而变化。
三、工作原理8255a并行接口芯片的工作原理主要包括以下几个方面:1. 初始化:在开始使用8255a芯片之前,需要对芯片进行初始化设置。
通过设置控制寄存器和模式控制寄存器,可以设置端口组的输入和输出模式,以及中断使能等参数。
并行接口芯片8255A8255A的基本特性⏹具有三个8位的双向数据端口(A口、B口、C口) ;⏹具有3种工作方式,可通过编程选择☐A口—方式0、1、2;B口—方式0、1;C口—方式0⏹支持无条件、程序查询、中断等数据传送方式;⏹数据端口C口的使用较为特殊:☐既可作为一个8位端口,也可作为两个4位端口来使用;☐即可作为数据端口,也可用作联络信号配合A、B口工作;☐既可传送并行数据,也可单独按位控制,有专门的控制字8255A PA7~PA 0 PB7~PB0 PC7~PC0D7~D0A1A0RDWRCSRESETV CCGND8255A的引脚8255A的引脚⏹面向CPU的引脚☐RESET、CS、RD、WR、A1、A0、D7~D0 ;◆按下RESET后的复位状态为:片内所有寄存器清零,三个数据端口设为为输入状态;⏹面向外设的引脚☐PA0~PA7、PB0~PB7、PC0~PC7;8255APA7~PA0PB7~PB0PC7~PC0 D7~D0A1A0RDWRCSRESETV CCGND8255A 的内部结构A 组控制数据总线缓冲器读/写控制逻辑B 组控制D 0~D 7CS WR A 1A 0RESETRD A 组A 口(8位)A 组C 口高位(4位)B 组C 口低位(4位)B 组B 口(8位)PA 0~PA 7PC 4~PC 7PC 0~PC 3PB 0~PB 78255A的内部结构8255芯片内部主要由控制寄存器、状态寄存器和数据寄存器组成。
☐数据总线缓冲器:这是一个三态双向8位缓冲器,它是8255A与CPU系统数据总线的接口。
☐读/写控制逻辑:读/写控制逻辑由读信号RD、写信号WR、片选信号CS以及端口选择信号A1A0等组成。
数据总线缓冲器读/写控制逻辑D0~D7CSWRA1A0RESETRD8255A的内部结构CS RD WR A1A0执行的操作类型1X X XX无操作00100读A端口01000写A端口00101读B端口01001写B端口00110读C端口01010写C端口00111无效01011写命令字8255A的内部结构⏹A组控制电路和B组控制电路☐A组——A口和C口的高4位(PC4~PC7)☐B组——B口和C口的低4位(PC0~PC3)⏹控制电路的作用:☐A、B组控制电路接收来自读/写部件的命令和CPU写入命令端口的控制字,用于控制对应端口的工作方式和读/写操作方式。
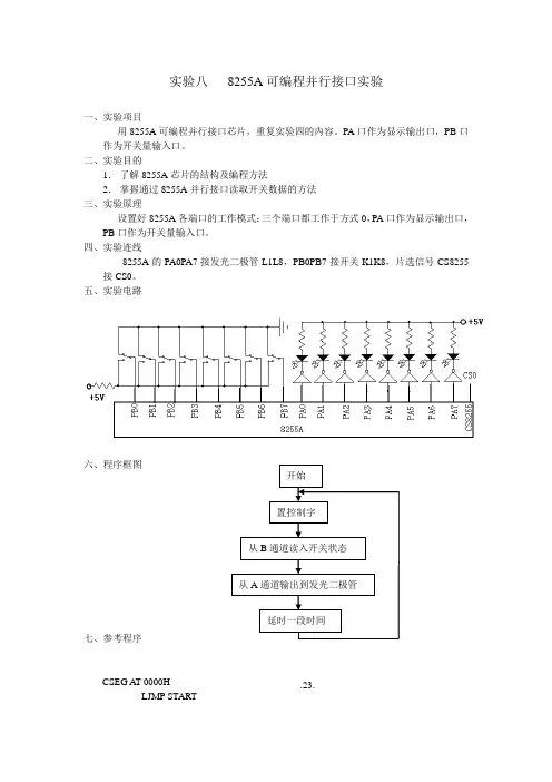
实验八8255A可编程并行接口实验一、实验项目用8255A可编程并行接口芯片,重复实验四的内容。
PA口作为显示输出口,PB口作为开关量输入口。
二、实验目的1.了解8255A芯片的结构及编程方法2.掌握通过8255A并行接口读取开关数据的方法三、实验原理设置好8255A各端口的工作模式:三个端口都工作于方式0,PA口作为显示输出口,PB口作为开关量输入口。
四、实验连线8255A的PA0PA7接发光二极管L1L8,PB0PB7接开关K1K8,片选信号CS8255接CS0。
五、实验电路六、程序框图七、参考程序CSEG AT 0000HLJMP START开始置控制字从B通道读入开关状态从A通道输出到发光二极管延时一段时间.23.CSEG AT 4100HPA EQU 0CFA0HPB EQU HPCTL EQU HSTART: MOV DPTR, #PCTL ;置8255A控制字,A、B、C口均工作MOV A, # H ;方式0,A、C口为输出,B口为输入MOVX @DPTR, ALOOP: MOV DPTR, #PB ;从B口读入开关状态值MOVX A,MOV DPTR, #PA ;从A口将状态值输出显示MOVX , AMOV R7, #10H ;延时DEL0: MOV R6, #0FFHDEL1: DJNZ R6,DJNZ R7,LJMP LOOPEND八、问题思考试分析改置8255A控制字,A、B、C口工作方式1,B、C口为输出,A口为输入,可不可以。
.24.。
沈阳大学沈阳大学课程设计说明书NO.3图3 方式1选通输入方式沈阳大学课程设计说明书 NO.6图8 方式0选通输入时序图图10 8255A芯片内部结构图11 8255A内部引脚图12 8255A三端口排列示意图图16 程序设计流程图沈阳大学参考文献要列出3篇以上,格式如下:[1]谢宋和,甘勇.微机原理与接口技术[M].北京:北京大学出版社, 1999.5:23-25[1]单片机模糊控制系统设计与应用实例[M].北京:电子工业出版社, 1999.5:20-25(参考书或专著格式为:著者.书名[M].版本(第1版不注).出版地:出版者,出版年月:引文所在页码)[2]潘新民,王燕芳.微型计算机控制技术[M],第2版.北京:电子工业出版社, 2003.4:305-350(1本书只能作为1篇参考文献,不能将1本书列为多个参考文献)[3]范立南,谢子殿.单片机原理及应用教程[M].北京:北京大学出版社, 2006.1:123-130[4] Newman W M, Sbroull R F. Principles of Interactive Computer Graphics[M]. New York: McGraw Hill, 1979.10:10-25(参考期刊杂志格式为:作者.论文题目[J].期刊名,出版年,卷号(期号):页码)(期刊名前不写出版地)[6]Mastri A R. Neuropathy of diabetic neurogenic bladder[J]. Ann Intern Med, 1980, 92(2):316-318[7]范立南,韩晓微,王忠石等.基于多结构元的噪声污染灰度图像边缘检测研究[J].武汉大学学报(工学版), 2003,49(3):45-49[8] index.asp(一般情况下不要用网址作为参考文献,如果用,最多1个)注:[M]表示参考的是书籍;[J]表示参考的是学术期刊的论文;如果参考会议论文集中的论文用[C]。
8255a并行接口芯片的基本结构及工作原理-回复8255A并行接口芯片的基本结构及工作原理引言随着计算机技术的不断发展,人们对于外设与计算机之间的数据传输速度和效率提出了更高的要求。
并行接口芯片作为计算机与外设之间传输数据的重要媒介,起到了至关重要的作用。
本文将详细介绍8255A并行接口芯片的基本结构及工作原理。
一、基本结构8255A是一款通用的并行接口芯片,其基本结构包括三部分:控制字寄存器、端口A/B/C以及控制逻辑。
1. 控制字寄存器控制字寄存器是8255A并行接口芯片的核心部件,用于控制输入输出的方向、模式以及数据格式等。
该寄存器由三个字节组成,分别是A口控制字寄存器(PC0-PC7)、B口控制字寄存器(PC8-PC15)和C口控制字寄存器。
其中,A口用于配置端口A的输入输出方式,B口用于配置端口B的输入输出方式,而C口则配置8255A芯片的工作模式和特殊功能。
2. 端口A/B/C端口A和端口B是8255A芯片的两个并行输入输出端口,每个端口由8个I/O线组成。
端口C包括PC0-PC3和PC4-PC7两部分,分别用于控制8255A的工作模式和特殊功能。
3. 控制逻辑控制逻辑是8255A芯片的控制单元,根据控制字寄存器中的设置,控制端口A/B的输入输出方式,以及控制芯片的特殊功能。
控制逻辑还负责监测和处理外部信号,将其与控制字寄存器中的设置进行匹配,确定8255A 芯片的工作模式和特殊功能。
二、工作原理8255A芯片的工作原理相对简单,通过控制字寄存器、端口A/B/C以及控制逻辑之间的相互配合,实现数据的传输与处理。
1. 配置工作模式首先,需要通过向控制字寄存器中写入相应的值来配置8255A芯片的工作模式。
控制字寄存器的配置主要包括端口A/B的输入输出方式、数据的格式以及芯片的特殊功能。
通过配置控制字寄存器,可以将端口A/B设置为输入或输出模式,并设置数据格式为8位、4位或2位。
此外,如果需要使用8255A芯片的特殊功能,也可以进行相应的配置。
实验二8255A并行接口应用一、实验目的1.掌握8255A的功能及方式0、1的实现2.熟悉8255A与CPU的接口,以及传输数据的工作原理及编程方法。
3.了解七段数码管显示数字的原理。
4.掌握同时显示多位数字的技术。
二、8255应用小结1.8255的工作方式一片8255内部有3个端口,A口可以工作在方式0、方式1或方式2,B口可以工作在方式0、方式1,C口可以工作在方式0。
方式0是基本型输入/输出。
这种方式和外设交换数据时,8255端口与外设之间不使用联络线。
方式1为选通型输入/输出。
用这种方式和外界交换数据时,端口和外设之间要有联络信号。
方式2是双向数据传送,仅A口有这项功能。
当A口工作在方式2时,B口仍可以工作在方式0或方式1,但此时B口方式1只能用查询方式与CPU交换信息。
2. 工作方式选择字8255工作方式选择字共8位(如图),存放在8255控制寄存器中。
最高位D7为标志位,D7=1表示控制寄存器中存放的是工作方式选择字,D7=0表示控制寄存器中存放的是C口置位/复位控制字。
3.C口置/复位控制字8255的C口可进行位操作,即:可对8255C口的每一位进行置位或清零操作,该操作是通过设置C口置/复位字实现的(图8-10)。
C口置/复位字共8位,各位含义如下:3.8255A的控制信号与传输动作的对应关系4.命令字与初始化编程8255有两个命令字,即方式选择控制字和C口置0/置1控制字,初始化编程的步骤是:①向8255控制寄存器写入“方式选择控制字”,从而预置端口的工作方式。
②当端口预置为方式1或方式2时,再向控制寄存器写入“C口置0/置1控制字”。
这一操作的主要目的是使相应端口的中断允许触发器置0,从而禁止中断,或者使相应端口的中断允许触发器置1,从而允许端口提出中断请求。
注意:“C口置0/置1控制字”虽然是对C口进行操作,但是该控制字是命令字,所以要写入控制寄存器,而不是写入C口控制寄存器。