《贵州省住宅工程质量分户验收管理规定》
- 格式:doc
- 大小:31.50 KB
- 文档页数:7
分户验收管理制度一、总则为加强分户验收工作的管理,确保分户验收过程的规范化和顺利进行,提高工作效率和质量,制定本制度。
二、分户验收的范围分户验收适用于所有建设项目的竣工验收环节,包括建筑工程、市政工程、园林景观工程等。
三、分户验收的程序1.预验收项目负责人提交预验收申请,验收组组织相关人员进行现场考察和材料查阅,对工程建设过程中的材料、施工工艺、施工质量进行初步评估。
2.缺陷整改如果在预验收中发现问题和缺陷,项目负责人需在规定时间内进行整改,随后提交整改报告。
3.正式验收验收组组织专业技术人员对整改情况进行检查,评估工程质量和达到设计要求的程度,对整改合格的进行正式验收。
四、分户验收的要求1.质量要求建设项目必须符合相关法律法规关于工程建设质量的要求,并达到设计要求的标准。
2.安全要求建筑工程必须符合相关法律法规关于建筑施工安全方面的要求,保证施工过程中的安全。
3.环境要求建筑工程必须符合相关法律法规关于环境保护的要求,保护周边环境和生态。
4.验收标准建设项目的验收标准由国家标准和行业标准为主,对于特殊项目应制定相应的标准。
五、验收组的组织与工作1.验收组的组织验收组由项目负责人、技术人员、监理单位和相关部门的代表组成。
2.验收组的工作验收组负责组织和协调分户验收的各项工作,进行现场检查和材料审查,对项目施工质量进行评估,制定验收报告。
六、分户验收的结果与处理1.合格验收当建设项目符合相关要求并通过验收时,视为合格验收,可进行工程竣工手续办理。
2.不合格验收当建设项目未达到相关要求时,视为不合格验收,项目负责人需补充完善工程,并提出整改方案,重新申请验收。
七、分户验收的记录与归档1.验收报告验收组在验收结束后编写《建设项目分户验收报告》,记录验收的情况、结果和存在的问题及处理意见,由项目负责人签字。
2.验收档案分户验收相关的文件、报告和材料应归档管理,便于查阅和日后需要。
八、监督与检查1.内部监督项目负责人应加强对施工过程和施工质量的内部监督,确保工程按照合同要求进行。
贵州省住房和城乡建设厅关于公布贵州省住房和城乡建设厅现行有效和废止的规范性文件目录的通知
文章属性
•【制定机关】贵州省住房和城乡建设厅
•【公布日期】2012.09.26
•【字号】黔建法通[2012]558号
•【施行日期】2012.09.26
•【效力等级】地方规范性文件
•【时效性】现行有效
•【主题分类】法制工作
正文
贵州省住房和城乡建设厅关于公布贵州省住房和城乡建设厅现行有效和废止的规范性文件目录的通知
(黔建法通〔2012〕558号)
各市(州)住房和城乡建设局、规划局、城管局、房管局、园林局,省住房城乡建设系统企事业单位:
为推进依法行政,我们对省住房和城乡建设厅行政规范性文件进行了清理。
现将《贵州省住房和城乡建设厅现行有效的规范性文件目录》、《贵州省住房和城乡建设厅废止的规范性文件目录》予以公布,接受社会监督。
附件:1.贵州省住房和城乡建设厅现行有效的规范性文件目录
2.贵州省住房和城乡建设厅废止的规范性文件目录
贵州省住房和城乡建设厅
2012年9月26日附件1:
贵州省住房和城乡建设厅现行有效的规范性文件目录
附件2:。
分户验收管理规定一、概述分户验收是指对房屋建筑工程的分户(单元)进行验收的过程。
纵向分户验收是指一个建筑工程完工后,对按照规定进行纵向划分的各个单元(分户)进行验收;横向分户验收是指一个建筑工程完工后,对按照规定进行横向划分的各个功能区划(如商业、住宅、办公区)进行验收。
分户验收是施工单位按照工程技术规范施工要求,确保房屋建筑工程达到国家法律法规及工程建设标准所要求的实物验收。
二、分户验收的组成(一)资料准备:1.已报建工程项目实物分户验收申报表;2.工程建设项目规划许可证;3.建筑工程施工许可证;4.工程施工组织设计文件及施工图;5.工程工程质量证明文件;6.建筑工程竣工验收验收规范及文件等。
(二)实物检查:1.经检查,要求实测实量符合建设用地、规划、建设工程规划方案及建筑设计文件等的规定;2.经检查,实物质量符合施工图及有关技术规范和标准的要求;3.施工中的关键工序、关键节点构件和对工程安全、质量具有重要影响的设备及材料的使用是否符合技术规范和标准;4.工程质量保证文件,如水泥品种、品牌、性能、含水率、拌合比、硬化时间、石子的含量和强度检测等记录是否真实、完整,并做到有效的管理。
(三)验收标准:1.凡未达到规定标准的要求建设单位必须整改;2.由建设单位、房屋建设工程监理机构、房屋建设工程施工单位及相关工程技术人员综合审查后合格即验收合格。
三、分户验收的程序(一)分户验收申报自建筑工程的层数高度到达规定数量时(适用于纵向分户)或者按功能划分到达转交状态(适用于横向分户),房屋建设单位应向房屋建设工程监理机构申报分户验收。
(二)分户验收组织房屋建设工程监理机构应根据合同约定和相关规定派出专业验收人员组织验收。
(三)现场验收由专业验收人员对建筑工程完成的实物进行验收,并将质量达到要求的建筑工程现场签字。
(四)验收经专业验收人员审查,建筑工程内部实物质量符合规范、规定、标准的部位达到92%以上(不含质量保证文件),并由房屋建设工程监理机构提出质量保证文件资料齐全的意见后,方可出具合格证、使用证或办理竣工备案等手续。
住宅工程质量分户验收管理办法前言住宅建设是人民群众基本需求的一部分,保障房屋的质量是重中之重。
为了确保住宅工程建设的质量,各级政府制定了相关的质量验收管理制度。
本文将详细介绍住宅工程质量分户验收的管理办法。
管理目的本管理办法的目的是规范住宅工程分户验收的程序和标准,确保住宅工程质量符合法律法规的要求,保障购房人合法权益,维护社会公共利益。
管理范围本管理办法适用于新建住宅工程的分户验收工作,不适用于其他类别的工程和已投入使用的住宅。
主要内容分户验收的基本要求1.住宅工程的分户验收应该按照程序、标准和要求进行,坚持“把握重点、突出重点”的原则。
2.住宅工程的分户验收应该由建设单位和施工单位共同组织实施,包括现场验收和资料审核两部分。
3.住宅工程的分户验收应该满足设计图纸的要求,建筑安全、使用性能以及工程质量,同时要符合当地的法律法规和行业标准。
4.住宅工程的分户验收过程中应该与购房人进行沟通,告知验收的详细过程和前期工作。
重点关注购房人的需求,给予满意的解决方案。
分户验收的程序和标准1.资料审核资料审核主要包括住宅工程竣工图设计文件、竣工验收报告等,应在分户验收前完成审核,以保证分户验收的准确性和科学性。
2.现场验收现场验收应该由建设单位、施工单位和监理单位三方组成,分别负责现场验收、技术交流和备案工作。
验收重点在于建筑结构、设备安装、建筑施工、水电和供暖等方面,确保住宅工程的质量安全。
分户验收的结果处理1.验收合格若住宅工程符合验收标准和法律法规的要求,则验收合格。
建设单位应出具《住宅工程质量分户验收合格证书》。
2.验收不合格若住宅工程不符合验收标准和法律法规的要求,则验收不合格。
建设单位应当对问题及时进行整改并提交复验,验收合格后再出具《住宅工程质量分户验收合格证书》。
后记住宅建设过程中的质量安全是很重要的,分户验收是建设单位和监管单位的重要职责。
建设单位要严格按照验收程序和标准进行分户验收,确保住宅工程质量符合国家要求。
住宅工程质量分户验收管理办法第一条为了加强住宅工程质量管理,保障竣工房屋使用功能,根据《中华人民共和国建筑法》、《建设工程质量管理条例》、《陕西省建设工程质量和安全生产管理条例》及国家现行有关工程质量验收标准,结合本省实际,制定本办法。
第二条凡在本省行政区域内的住宅工程质量分户验收及其监督管理,适用本办法。
本办法所称住宅工程质量分户验收,是指在住宅工程竣工验收前,依据国家有关工程质量验收标准,对每户住宅及相关公共部位的观感质量及使用功能等进行专门验收,并出具验收合格证明的活动。
第三条县级以上建设行政主管部门对本行政区域内住宅工程质量分户验收工作实施监督管理,其所属的建设工程质量安全监督机构负责具体监督管理工作.第四条住宅工程质量分户验收应依据国家工程质量验收规范和本省工程质量验收有关规定、技术标准及经审查合格的施工图设计文件进行。
第五条住宅工程质量分户验收由建设单位组织监理、施工单位及有关分包单位进行,已选定物业管理公司的,物业管理公司也应参加.分户验收应具备下列条件:(一)工程已完成设计和合同约定的工作内容;(二)所含分部、分项工程的质量验收均合格;(三)工程质量控制资料完整;(四)主要功能项目的抽查结果均符合要求;(五)有关安全和功能的检测资料完整。
第六条对于精装修住宅工程,分户验收应分两个阶段进行验收,第一阶段为土建工作量基本施工完毕,在交付精装修前进行分户验收,形成土建毛胚房分户验收资料;第二阶段为精装修完成后,工程竣工验收前进行分户验收,第二阶段结合第一阶段形成分户验收最终资料.第七条住宅工程质量分户验收应以检查工程观感质量和使用功能为主,户内验收主要检查以下内容:(一)室内空间尺寸偏差;(二)门窗安装质量;(三)地面、墙面和顶棚质量;(四)防水工程质量;(五)栏杆安装质量;(六)采暖系统安装质量;(七)给排水系统安装质量;(八)室内电气工程安装质量;(九)其他有关规定、标准中要求分户检查的内容;(十)有关合同中规定的其他内容。
住宅工程质量分户验收规则1. 前言住宅工程质量分户验收是指竣工时,业主依据《房屋建筑工程竣工验收规范》(GB156-2008)、《建筑工程质量通则》(GB50300-2015)和《住宅工程质量验收规范》(GB50330-2013)等国家标准,对于建筑工程验收标准进行分户验收的程序,以确定住宅工程质量是否合格的一项重要工作。
本文将对住宅工程质量分户验收规则进行详细介绍。
2. 分户验收程序住宅工程质量分户验收程序如下: ### 2.1 业主向开发商提出验收申请业主在符合预验收条件的情况下,向房屋开发商提出验收申请。
开发商需要派遣相关人员组织验收方案。
根据实际情况,若业主不在现场或拒绝验收,开发商应与所在区县房屋建设管理部门取得联系并告知业主验收后续处理方式。
2.2 现场验收•验收单位或双方协商到验收后,现场指定日期进行验收;•指定专人对房屋装修质量、水、电、气等相关设备进行逐户检查,记录各户存在的问题;•验收过程中应掌握一定的技术标准,商讨不同细节方案,以达到公正、合理的验收结果。
2.3 问题整改验收人员按照验收情况记录,编写《住宅分户质量验收表》,并提出必须整改的项与合格项。
开发商需在规定时间内完成整改,并再次邀请验收,确保合格质量,达到验收标准。
2.4 验收合格验收结果“符合于验收标准或规范”的建筑项目可以转入下一个阶段。
否则,需要整改后重新验收。
3. 验收标准住宅工程质量分户验收标准应符合国家相关的标准和规范。
3.1 质量标准住宅工程质量分户验收应首先考虑的是质量问题。
验收基本要点如下: * 结构工程验收; * 房屋内墙验收; * 人防验收及供排水验收; * 建筑内外附件设施验收; * 消防验收3.2 安全标准住宅工程的验收标准还包括人身安全和财产安全两个方面的安全问题。
主要包括: * 装修验收; * 电力安装验收; * 供水、排水及燃气安装验收; * 门窗验收; * 电梯验收等。
4. 结语以上就是住宅工程质量分户验收规则,必须按照相关规范进行验收,以保障人们生活环境的安全和健康。
住宅工程质量分户验收管理办法第一条为了加强住宅工程质量管理,保障竣工房屋使用功能,根据《中华人民共和国建筑法》、《建设工程质量管理条例》、《陕西省建设工程质量和安全生产管理条例》及国家现行有关工程质量验收标准,结合本省实际,制定本办法。
第二条凡在本省行政区域内的住宅工程质量分户验收及其监督管理,适用本办法。
本办法所称住宅工程质量分户验收,是指在住宅工程竣工验收前,依据国家有关工程质量验收标准,对每户住宅及相关公共部位的观感质量及使用功能等进行专门验收,并出具验收合格证明的活动。
第三条县级以上建设行政主管部门对本行政区域内住宅工程质量分户验收工作实施监督管理,其所属的建设工程质量安全监督机构负责具体监督管理工作。
第四条住宅工程质量分户验收应依据国家工程质量验收规范和本省工程质量验收有关规定、技术标准及经审查合格的施工图设计文件进行。
第五条住宅工程质量分户验收由建设单位组织监理、施工单位及有关分包单位进行,已选定物业管理公司的,物业管理公司也应参加。
分户验收应具备下列条件:(一)工程已完成设计和合同约定的工作内容;(二)所含分部、分项工程的质量验收均合格;(三)工程质量控制资料完整;(四)主要功能项目的抽查结果均符合要求;(五)有关安全和功能的检测资料完整。
第六条对于精装修住宅工程,分户验收应分两个阶段进行验收,第一阶段为土建工作量基本施工完毕,在交付精装修前进行分户验收,形成土建毛胚房分户验收资料;第二阶段为精装修完成后,工程竣工验收前进行分户验收,第二阶段结合第一阶段形成分户验收最终资料。
第七条住宅工程质量分户验收应以检查工程观感质量和使用功能为主,户内验收主要检查以下内容:(一)室内空间尺寸偏差;(二)门窗安装质量;(三)地面、墙面和顶棚质量;(四)防水工程质量;(五)栏杆安装质量;(六)采暖系统安装质量;(七)给排水系统安装质量;(八)室内电气工程安装质量;(九)其他有关规定、标准中要求分户检查的内容;(十)有关合同中规定的其他内容。
关于印发《贵阳市住宅工程质量分户验收
指导意见》(试行)的通知
各区、县(市)建设局,各有关单位:
为加强住宅工程质量管理,强化各市场责任主体质量意识,保障竣工住宅使用功能,进一步推动住宅工程 质量整体水平的提高,根据《建设部关于转发北京市建设委员会<住宅工程质量分户验收管理规定>和<关于实施住
宅工程质量分户验收工作的指导意见>的通知》(建质质函[2006]17号)和{关于转发《关于印发<贵州省住宅工 程量分户验收暂行规定>的通知》的通知}(筑建字[2008]146号)文件精神,结合本地实际,市建设局拟定了《贵阳市住宅工程质量分户验收指导意见》及其相关应用表格,现印发给你们,请认真执行,并将执行中遇到的问题及时反馈。
附:《贵阳市住宅工程质量分户验收指导意见》。
贵州省城镇房地产开发项目竣工验收规定一、总则1. 为加强对贵州省城镇房地产开发项目的管理,确保工程质量和安全,保障人民群众的生命财产安全,根据《建设工程质量管理条例》等法律法规,制定本规定。
2. 本规定适用于贵州省城镇房地产开发项目的竣工验收,包括住宅、商业用房、办公楼等各类房地产项目。
二、竣工验收申请1. 开发商在房地产项目完工前应向地方房地产主管部门提交竣工验收申请。
项目概况:房地产项目的主要信息和规模等。
施工组织设计:包括施工图纸、施工方案等。
竣工图纸:按照国家有关规定提供的建筑、结构、给排水、电气、通风、消防等图纸。
施工记录:包括施工日志、质量检查记录等。
竣工报告:对房地产项目的各项工作进行总结和评价。
相关证明:包括项目经理、施工单位等的相关资质证明。
其他相关材料。
三、竣工验收程序1. 竣工验收包括现场检查、资料审核和试验等环节。
2. 竣工验收由地方房地产主管部门组织实施,可以委托第三方检测机构进行部分或全部验收工作。
3. 竣工验收程序如下:1. 提交申请:开发商向地方房地产主管部门提交竣工验收申请。
2. 审核申请:地方房地产主管部门对申请材料进行审核。
3. 现场检查:地方房地产主管部门组织现场检查,确认工程的实际情况。
4. 资料审核:对房地产项目的竣工图纸、施工记录等进行审核。
5. 试验检测:对房地产项目的结构、隔声、消防等进行试验检测。
6. 验收意见:地方房地产主管部门根据现场检查、资料审核和试验检测的结果,提出验收意见。
7. 验收决定:地方房地产主管部门根据验收意见,作出验收决定。
8. 验收结果公示:地方房地产主管部门将验收结果进行公示。
四、竣工验收标准1. 房地产项目的设计、施工、质量应符合国家建设工程质量标准及相关规范要求。
2. 竣工验收主要检查下列内容:结构安全:主要检查房地产项目的结构是否满足抗震、防火等安全要求。
消防设施:主要检查消防设施的设置是否符合国家规定。
环境保护:主要检查房地产项目的环保设施是否合理设置。
住宅工程质量分户验收管理办法第一条为了加强住宅工程质量管理,保障竣工房屋使用功能,根据《中华人民共和国建筑法》、《建设工程质量管理条例》、《陕西省建设工程质量和安全生产管理条例》及国家现行有关工程质量验收标准,结合本省实际,制定本办法。
第二条凡在本省行政区域内的住宅工程质量分户验收及其监督管理,适用本办法。
本办法所称住宅工程质量分户验收,是指在住宅工程竣工验收前,依据国家有关工程质量验收标准,对每户住宅及相关公共部位的观感质量及使用功能等进行专门验收,并出具验收合格证明的活动。
第三条县级以上建设行政主管部门对本行政区域内住宅工程质量分户验收工作实施监督管理,其所属的建设工程质量安全监督机构负责具体监督管理工作。
第四条住宅工程质量分户验收应依据国家工程质量验收规范和本省工程质量验收有关规定、技术标准及经审查合格的施工图设计文件进行。
第五条住宅工程质量分户验收由建设单位组织监理、施工单位及有关分包单位进行,已选定物业管理公司的,物业管理公司也应参加。
分户验收应具备下列条件:(一)工程已完成设计和合同约定的工作内容;(二)所含分部、分项工程的质量验收均合格;(三)工程质量控制资料完整;(四)主要功能项目的抽查结果均符合要求;(五)有关安全和功能的检测资料完整。
第六条对于精装修住宅工程,分户验收应分两个阶段进行验收,第一阶段为土建工作量基本施工完毕,在交付精装修前进行分户验收,形成土建毛胚房分户验收资料;第二阶段为精装修完成后,工程竣工验收前进行分户验收,第二阶段结合第一阶段形成分户验收最终资料。
第七条住宅工程质量分户验收应以检查工程观感质量和使用功能为主,户内验收主要检查以下内容:(一)室内空间尺寸偏差;(二)门窗安装质量;(三)地面、墙面和顶棚质量;(四)防水工程质量;(五)栏杆安装质量;(六)采暖系统安装质量;(七)给排水系统安装质量;(八)室内电气工程安装质量;(九)其他有关规定、标准中要求分户检查的内容;(十)有关合同中规定的其他内容。
贵州省住宅工程质量分户验收管理规定一、总则1、为了加强住宅工程质量管理,保障竣工房屋使用功能,保护消费者的合法权益,促进房地产市场持续健康发展,根据《中华人民共和国建筑法》、《建设工程质量管理条例》和国家施工验收规范以及《贵州省建筑市场管理条例》,结合本省实际,制定本规定.2 、本省行政区域内,住宅工程质量分户验收及监督管理,适用本规定。
本规定所称住宅工程质量分户验收,是在对住宅工程进行整体竣工验收前,依据《建筑工程施工质量验收统一标准》和相关验收标准对每一户住宅和单位工程公共部位进行观感质量、使用功能的专门检查验收,并逐户出具分户验收合格证明的活动。
3、住宅工程质量分户验收是完善验收程序,加强过程控制、消除质量通病、提高工程质量、降低工程返修率的重要措施。
住宅工程的建设单位、施工单位和监理单位要强化检验批验收,对于不符合质量要求的检验批,应当严格按照《建筑工程施工质量验收统一标准》有关规定进行处理。
通过返修或者加固处理仍不能满足安全使用要求的分部工序、单位(子单位)工程,严禁验收。
4、住宅工程建设单位必须按照《建设工程质量管理条例》和建设部有关规定,严格工程竣工验收程序,验收合格后方可支付使用。
二、分户验收的依据5、住宅工程质量分户验收应当依据国家和本省工程质量标准、规范、规定以及经审查合格的施工图设计文件进行。
分户验收的质量标准主要包括《混凝土结构工程施工质量验收规范》、《建筑装饰装修工程质量验收规范》、《建筑地面工程施工质量验收规范》、《建筑给水排水及采暖工程施工质量验收规范》、《建筑电气工程施工质量验收规范》、《建筑工程施工质量验收统一标准》等,以及经审查合格的施工图设计文件以及施工合同,购房合同等。
三、分户验收内容和数量6、分户验收应以住宅工程的每套住宅和公共部分的走廊(含楼梯间、电梯间)、地下车库划分为一个子单位工程进行验收。
分户验收应以施工过程中和竣工验收时可观察到的工程观感质量和影响使用功能的质量为主要验收项目,分户验收内容应以检验批检查内容为主.在施工过程中和竣工验收时,应依据质量验收标准以及经审查合格的施工图设计文件,对每套住宅涉及到的分户验收项目和验收内容进行验收。
贵州省住宅工程质量分户验收管理规定
一、总则
1、为了加强住宅工程质量管理,保障竣工房屋使用功能,保护消费者的合法权益,促进房地产市场持续健康发展,根据《中华人民共和国建筑法》、《建设工程质量管理条例》和国家施工验收规范以及《贵州省建筑市场管理条例》,结合本省实际,制定本规定。
2 、本省行政区域内,住宅工程质量分户验收及监督管理,适用本规定。
本规定所称住宅工程质量分户验收,是在对住宅工程进行整体竣工验收前,依据《建筑工程施工质量验收统一标准》和相关验收标准对每一户住宅和单位工程公共部位进行观感质量、使用功能的专门检查验收,并逐户出具分户验收合格证明的活动。
3、住宅工程质量分户验收是完善验收程序,加强过程控制、消除质量通病、提高工程质量、降低工程返修率的重要措施。
住宅工程的建设单位、施工单位和监理单位要强化检验批验收,对于不符合质量要求的检验批,应当严格按照《建筑工程施工质量验收统一标准》有关规定进行处理。
通过返修或者加固处理仍不能满足安全使用要求的分部工序、单位(子单位)工程,严禁验收。
4、住宅工程建设单位必须按照《建设工程质量管理条例》和建设部有关规定,严格工程竣工验收程序,验收合格后方可支付使用。
二、分户验收的依据
5、住宅工程质量分户验收应当依据国家和本省工程质量标准、规范、规定以及经审查合格的施工图设计文件进行。
分户验收的质量标准主要包
括《混凝土结构工程施工质量验收规范》、《建筑装饰装修工程质量验收规范》、《建筑地面工程施工质量验收规范》、《建筑给水排水及采暖工程施工质量验收规范》、《建筑电气工程施工质量验收规范》、《建筑工程施工质量验收统一标准》等,以及经审查合格的施工图设计文件以及施工合同,购房合同等。
三、分户验收内容和数量
6、分户验收应以住宅工程的每套住宅和公共部分的走廊(含楼梯间、电梯间)、地下车库划分为一个子单位工程进行验收。
分户验收应以施工过程中和竣工验收时可观察到的工程观感质量和影响使用功能的质量为主要验收项目,分户验收内容应以检验批检查内容为主。
在施工过程中和竣工验收时,应依据质量验收标准以及经审查合格的施工图设计文件,对每套住宅涉及到的分户验收项目和验收内容进行验收。
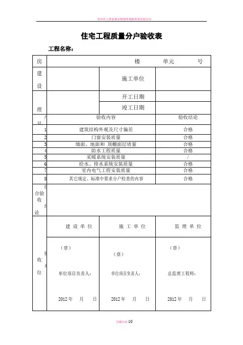
7、初装修住宅工程分户验收的主要包括以下7类20个项目的内容:
(1)建筑结构外观及尺寸偏差
1)现浇结构外观及尺寸偏差分户质量验收记录表
(2)门窗安装质量
2)铝合金门窗安装工程分户质量验收记录表
3)塑料门窗安装工程分户质量验收记录表
4)木门窗安装工程分户质量验收记录表
5)特种门安装工程分户质量验收记录表
(3)墙面、地面和顶棚面层质量
6)一般抹灰工程分户质量验收记录有
7)水性涂料涂饰工程分户质量验收记录表
8)水泥混凝土面层分户质量验收记录表
(4)防水工程质量
10)隔离层分户质量验收记录表
(5)采暖系统安装质量
11)室内采暖辅助设备及散热器及金属辐射板安装工程分户质量验收记录表
12)室内采暖管道及配件安装工程分户质量验收记录表
13)低温热水地板辐射采暖系统安装工程分户质量验收记录表
(6)给水、排水系统安装质量
14)室内给水管道及配件安装工程分户质量验收记录表
15)室空排水管道及配件安装工程分户质量验收记录表
16)建筑中水系统及游泳池水系统安装工程分户质量验收记录表
(7)室内电气工程安装质量
17)普通灯具安装分户验收质量记录表
18)开关、插座、风扇安装分户验收质量记录表
19)成套配电柜、控制柜(屏、台)和动力、照明配电箱(盘)安装分户质量验收记录表
20)建筑物等电位联结分户质量验收记录表
(8)其他有关合同中规定的内容
8、分户验收检验批主控项目和一般项目的观感质量应全数检查验收。
观感检查项目应通过目测观察的方法检查。
平整度、垂直度、标高等
需要实测实量的检查内容,应使用靠尺板、水平仪和尺子等专业检查工具,按照质量验收标准规定的检查数量和方法进行检查验收。
9、精装修住宅工程分户验收按照上述分户验收项目划分原则,经建设、施工和监理单位协商,自行确定验收项目和制定验收表格。
四、分户验收的组织实施
10、分户验收由建设单位组织监理、施工单位有关人员和已选定物业管理单位的有关人员实施,建设单位项目负责人应认真组织分户验收工作,组织施工单位编制分户验收方案,明确各方职责。
确定验收数量和每户住宅的验收项目、内容,落实质量检查人员的检查工具。
物业管理单位可委托具有工程师专业技术职称,经过专业培训的人员参加分户验收。
尚未确定的,由建设单位组织房屋买受人推举3~5名代表参加,也可由买受人委托工程质量中介机构参加。
11、建设、施工、监量和物业管理单位(买受人代表或中介)应对每户住宅的检查部位和项目认真进行检查,对不合格项目,由监理单位签发不合格项处置记录,施工单位认真进行返修,返修后重新组织验收。
分户验收不合格的,建设单位不得组织单位工程竣工验收。
五、分户验收的程序
12、住宅工程质量分户验收应当按照以下程序进行:
(1)在分户验收前根据分户验收的有关规定及房屋情况,确定检查部位和数量,在施工图纸上绘制抽查点分布图。
(2)按照国家有关规范要求的方法及分户验收内容进行检查、验收。
(3)填写检查记录表,发现工程观感质量和使用功能质量不符合规
范或设计文件要求的,书面责成施工单位整改,并对整改情况进行复查。
(4)观感检查以目测检查方法为主,对室内空间尺寸等实测检查内容,可使用仪器设备进行检测。
(5)填写《室内层高、开间净尺寸抽测表》(附件三)和《分项工程分户质量验收记录表》(附件四),发现工程观感质量和使用功能不符合规范或设计文件要求的,书面责成施工单位整改并对整改情况进行复查。
13、分户验收应在分部工程或单位工程竣工验收前进行,当某一套住宅的某项检验批具备质量验收条件时,就可组织验收。
14、住宅工程进行整体竣工验收合格后,必须按户出具由建设(项目)单位负责人、总监理工程师、和施工单位负责人、已选定的物业管理单位负责人以及分户验收人员分别签字加盖公章的《住宅工程质量分户验收记录表》(附件二)。
填写《住宅工程质量分户验收汇总表》(附件一)
六、分户验收的其它要求
15、住宅工程竣工验收前,施工单位应制作工程标牌,并镶嵌在建筑工程外墙的显著部位。
工程标牌应包括以下内容:
(1)工程名称、竣工日期;
(2)建设、设计、监理、施工单位全称;
(3)建设、设计、监理、施工单位法定代表人或技术负责人姓名。
16、在住宅工程交付使用时,建设单位应将《住宅工程质量分户验收表》作为《住宅质量保证书》的附件交给业主(住户),并应在《住宅质量保证书》中注明以下事项:
(1)保修项目、范围和各自的保修期限;
(2)施工单位工程质量保修负责人姓名、电话以及办公地点;
(3)、监理单位、物业公司名称、电话;
(4)工程质量保修程序和处理时限;
(5)建设单位工程质量保修监督电话。
上列事项应当在住宅工程交付使用时,在住宅单元入口进行公示,公示期不得少于6个月。
17、住宅工程竣工验收前,建设、施工、监理单位应将分户验收资料按户整理成册分别存档。
七、对分户验收前的监督管理
18、工程质量监督机构对分户验收实施监督检查。
应随机验证抽查总户数的5%,且不少于3户,按提供的《住宅工程质量分户验收表》内容进行核查,对分户验收提出的问题是否进行了整改。
监督抽查实体质量与验收结论出入较大,责令重新组织分户验收和竣工验收。
工程质量监督机构对分户验收中存在的问题应当责令责任单位进行整改。
19、对于住宅工程质量分户验收不合格的,建设单位不得组织单位工程竣工验收。
对于在分户验收中弄虚作假、降低标准,将不合格工程按合格工程验收的,要对责任单位和责任人记入不良行为记录并上网公示,情节严重的对责任单位和责任人进行严肃处理。
20、严格执行《建筑工程施工质量评价标准》GB /T50375-2006。
对已竣工,但达不到《建筑工程施工施工质量评价标准》规定的优良指标的住宅工程不能评为优良工程,不能推荐参加贵州省“黄果树”杯优质施工工程评选。
21、分户验收资料中《住宅工程质量分户验收表》和《住宅工程质量分户验收汇总表》应作为质量监督档案资料保存。
22、本规定自2007年6月1日起施行。
附件一《住宅工程质量分户验收汇总表》
附件二《住宅工程质量分户验收记录表》
附件三《室内层高、开间净尺寸抽测表》
附件四《分项工程分户质量验收记录表》
贵州省建设厅2007年印发。