最新公路工程试验检测仪器设备校准指南-表格
- 格式:doc
- 大小:1.61 MB
- 文档页数:67
公路工程试验检测仪器设备校准指南常用非强检设备校准方法目录1.4 电动击实仪校准方法(JTJZ 01-04) (2)1.7 CBR试验装置校准方法(JTJZ 01-07) (4)2.8容量筒校准方法(JTJZ 02-08) (6)3.1透气比表面积仪校准方法(JTJZ 03-01) (8)3.2水泥负压筛析仪校准方法(JTJZ 03-02) (10)3.4量水器校准方法(JTJZ 03-04) (12)3.6雷氏夹校准方法(JTJZ 03-06) (15)3.13坍落度测定仪校准方法(JTJZ 03-13) (17)3.16水泥混凝土抗渗仪校准方法(JTJZ 03-16) (19)3.18水泥砂浆分层度仪校准方法(JTJZ 03-18) (22)3.19水泥混凝土试模、砂浆试模校准方法(JTJZ 03-19) (24)5.1 灌砂筒校准方法(JTJZ 05-01) (27)5.6玻璃器皿校准方法(JTJZ 05-06) (29)游标卡尺:最大量程不小于200 mm,分度值0.02 mm。
钢直尺:量程不少于500 mm,分度值1 mm。
塞尺:0.02~2 mm。
电子天平:量程不小于2000g,感量为0.01g。
电子天平:量程不小于5000g,感量为1g。
电子天平:量程不小于15kg,感量为1g。
分析天平:量程不小于100g,感量为0.0001g。
电子秤或磅秤:量程不小于50kg,感量为5g。
1.4 电动击实仪校准方法(JTJZ 01-04)1 适用范围本方法适用于电动击实仪的校准,参照《土工击实仪检定规程》[JJG(交通)058-2004]编制。
2 技术要求2.1 仪器应带有名牌(包括仪器名称、型号规格、出厂编号、出厂日期、制造厂等)、合格证、使用说明书。
3 校准项目3.1 外观检查。
3.2 击实锤质量。
3.3 击实锤落高。
3.4 击实锤锤头直径。
3.5 击实锤体的侧母线与击实筒内壁的间隙。
3.6 击实筒几何尺寸。
公路工程试验检测仪器设备校准表格-标准化文件发布号:(9456-EUATWK-MWUB-WUNN-INNUL-DDQTY-KII目录土工标准筛校准记录表(B01-01).................................... 错误!未定义书签。
电热鼓风干燥箱校准记录表(B01-02)............................. 错误!未定义书签。
液塑限联合测定仪校准记录表(B01-03) ......................... 错误!未定义书签。
电动击实仪校准记录表(B01-04).................................... 错误!未定义书签。
面材料强度试验仪校准记录表(B01-05) .............................. 错误!未定义书签。
环刀校准记录表(B01-06) .................................................... 错误!未定义书签。
CBR试验装置校准记录表(B01-07) ...................................... 错误!未定义书签。
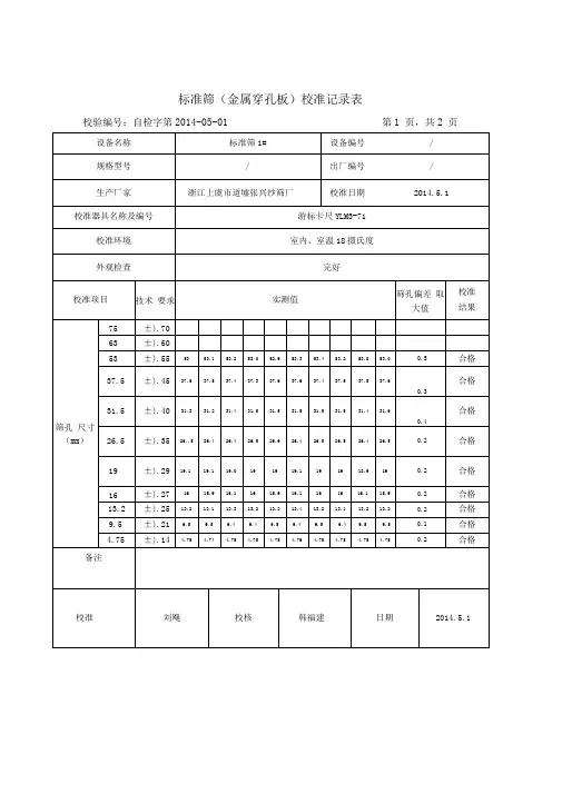
标准筛(金属穿孔板)校准记录表(B02-01-1).................... 错误!未定义书签。
标准筛(金属编织网)校准记录表(B02-01-2).................... 错误!未定义书签。
针片状规准仪校准记录表(B02-02)...................................... 错误!未定义书签。
压碎值试验仪校准记录表(GB/T 14685压碎值试验仪)(B02-03-1)错误!未定义书签。
压碎值试验仪校准记录表(JTG E42压碎值试验仪)(B02-03-2)错误!未定义书签。
洛杉矶磨耗试验机校准记录表(B02-04) .............................. 错误!未定义书签。
公路工程试验检测仪器设备校准表格
前言
公路工程的建设和维护需要依赖各种试验检测仪器设备来确保工程质量和安全性,而这些仪器设备的准确性和稳定性则需要经过定期的校准来保证。
本文将介绍公路工程试验检测仪器设备的校准表格,以便工程人员记录和管理校准过程中的关键信息。
仪器设备信息
以下是公路工程试验检测仪器设备的基本信息:
•仪器名称:____
•仪器型号:____
•制造厂家:____
•校准日期:____
•校准有效期:____
校准项
下表列出了此次校准的各项内容及结果:
校准项校准前数值校准后数值校准结果
温度
湿度
压力
流量
电压
频率
加速度
材料强度测试
道路平整度测试
道路摩擦系数测试
校准结论
根据以上校准结果,我校准的仪器设备符合/不符合要求,需/不需进行进一步的维护和调整。
校准日期为____,校准有效期为____。
建议在下次校准前密切关注仪器设备的使用情况,确保其准确性和稳定性。
结语
公路工程试验检测仪器设备的校准是确保工程质量和安全性的重要环节,希望本文提供的校准表格能为相关人员提供便利,有效管理和记录校准过程中的关键信息,保障公路工程试验检测仪器设备的正常运行和准确性。
以上为公路工程试验检测仪器设备校准表格的内容,希望对您有所帮助。
目录土工标准筛校准记录表(B01-01) (4)电热鼓风干燥箱校准记录表(B01-02) (5)液塑限联合测定仪校准记录表(B01-03) (6)电动击实仪校准记录表(B01-04) (7)面材料强度试验仪校准记录表(B01-05) (8)环刀校准记录表(B01-06) (9)CBR试验装置校准记录表(B01-07) (10)标准筛(金属穿孔板)校准记录表(B02-01-1) (11)标准筛(金属编织网)校准记录表(B02-01-2) (12)针片状规准仪校准记录表(B02-02) (13)压碎值试验仪校准记录表(GB/T 14685压碎值试验仪)(B02-03-1) (14)压碎值试验仪校准记录表(JTG E42压碎值试验仪)(B02-03-2) (15)洛杉矶磨耗试验机校准记录表(B02-04) (16)加速磨光机校准记录表(B02-05) (17)砂当量仪校准记录表(B02-06) (18)细集料棱角性(流动时间法)测定仪校准记录表(B02-07) (19)容量筒校准记录表(B02-08) (20)透气比表面积仪校准记录表(B03-01) (21)水泥负压筛析仪校准记录表(B03-02) (22)水泥净浆搅拌机校准记录表(B03-03) (23)量水器校准记录表(称重法)(B03-04-1) (24)量水器校准记录表(移液管法)(B03-04-2) (25)水泥标准稠度和凝结时间测定仪校准记录表(B03-05) (26)雷式夹校准记录表(B03-06) (27)雷氏沸煮箱校准记录表(B03-07) (28)行星式水泥胶砂搅拌机校准记录表(B03-08) (29)水泥胶砂振实台校准记录表(B03-09) (30)水泥胶砂流动度测定仪校准记录表(B03-10) (31)标准养护室校准记录表(B03-11) (32)水泥混凝土振动台校准记录表(B03-12) (33)坍落度测定仪校准记录表(B03-13) (34)混合式气压法含气量测定仪校准记录表(B03-14) (35)混凝土贯入阻力仪校准记录表(B03-15) (36)混凝土抗渗仪校准记录表(B03-16) (37)水泥砂浆稠度测定仪校准记录表(B03-17) (38)水泥砂浆分层度仪校准记录表(B03-18) (39)水泥混凝土试模、砂浆试模校准记录表(B03-19-01) (40)水泥混凝土试模、砂浆试模校准记录表(B03-19-02) (41)沥青针入度仪校准记录表(B04-01) (42)沥青延度仪校准记录表(B04-02) (43)沥青软化点仪校准记录表(B04-03) (44)沥青闪点仪校准记录表(B04-04) (45)沥青标准粘度计校准记录表(B04-05) (46)沥青混合料拌和机校准记录表(B04-06) (47)沥青混合料击实仪校准记录表(B04-07) (48)马歇尔稳定度仪校准记录表(B04-08) (49)轮碾成型机校准记录表(B04-09) (50)车辙试验机校准记录表(B04-10) (51)全自动抽提仪校准记录表(B04-11) (52)马歇尔试模校准记录表(B04-12) (53)恒温烘箱校准记录表(B04-13) (54)灌砂筒校准记录表(B05-01) (55)贝克曼梁弯沉仪校准记录表(B05-02) (56)摆式摩擦系数测定仪校准记录表(B05-03) (57)2M、3M直尺校准记录表(B05-04) (58)酸度计校准记录表(B05-05) (59)玻璃器皿校准记录表(B05-06) (60)工作温度计校准记录表B05-07 (61)电动脱模器检查记录表(B06-01) (62)水泥混凝土搅拌机检查记录表(B06-02) (63)水泥砂浆搅拌机检查记录表(B06-03) (64)取芯机检查记录表(B06-04) (65)环刀取土器检查记录表(B06-05) (66)土工标准筛校准记录表(B01-01)电热鼓风干燥箱校准记录表(B01-02)液塑限联合测定仪校准记录表(B01-03)电动击实仪校准记录表(B01-04)路面材料强度试验仪校准记录表(B01-05)环刀校准记录表(B01-06)CBR试验装置校准记录表(B01-07)针片状规准仪校准记录表(B02-02)压碎值试验仪校准记录表(GB/T 14685压碎值试验仪)(B02-03-1)压碎值试验仪校准记录表(JTG E42压碎值试验仪)(B02-03-2)洛杉矶磨耗试验机校准记录表(B02-04)加速磨光机校准记录表(B02-05)砂当量仪校准记录表(B02-06)细集料棱角性(流动时间法)测定仪校准记录表(B02-07)容量筒校准记录表(B02-08)透气比表面积仪校准记录表(B03-01)水泥负压筛析仪校准记录表(B03-02)水泥净浆搅拌机校准记录表(B03-03)水泥标准稠度和凝结时间测定仪校准记录表(B03-05)雷式夹校准记录表(B03-06)雷氏沸煮箱校准记录表(B03-07)行星式水泥胶砂搅拌机校准记录表(B03-08)水泥胶砂振实台校准记录表(B03-09)水泥胶砂流动度测定仪校准记录表(B03-10)标准养护室校准记录表(B03-11)水泥混凝土振动台校准记录表(B03-12)坍落度测定仪校准记录表(B03-13)混合式气压法含气量测定仪校准记录表(B03-14)混凝土贯入阻力仪校准记录表(B03-15)混凝土抗渗仪校准记录表(B03-16)水泥砂浆稠度测定仪校准记录表(B03-17)水泥砂浆分层度仪校准记录表(B03-18)水泥混凝土试模、砂浆试模校准记录表(B03-19-01)水泥混凝土试模、砂浆试模校准记录表(B03-19-02)沥青标准粘度计校准记录表(B04-05)马歇尔稳定度仪校准记录表(B04-08)轮碾成型机校准记录表(B04-09)。
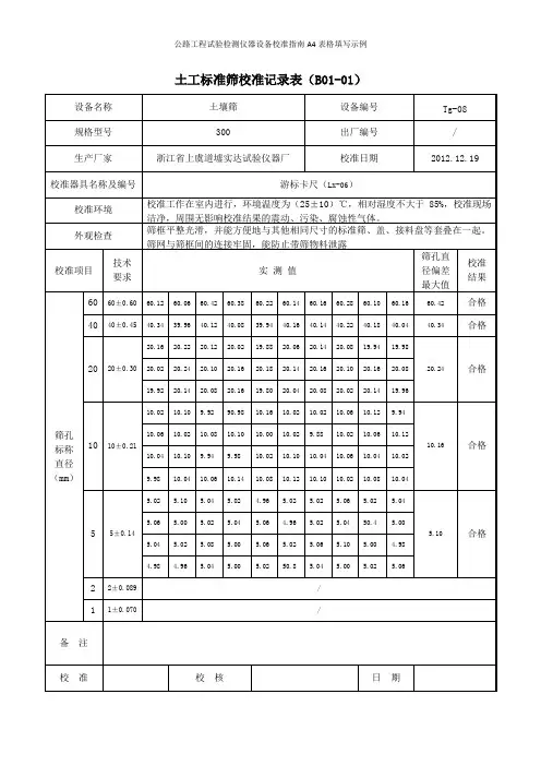
土工标准筛校准记录表(B01-01)设备名称规格型号生产厂家校准器具名称及编号校准环境外观检查技术校准项目要求6060±0.604040±0.452020±0.30筛孔1010±0.21标称直径(m m)55±0.14土壤筛设备编号Tg-08300 出厂编号/ 浙江省上虞道墟实达试验仪器厂校准日期2012.12.19游标卡尺( Lx-06 )校准工作在室内进行,环境温度为(25±10)℃,相对湿度不大于85%,校准现场洁净,周围无影响校准结果的震动、污染、腐蚀性气体。
筛框平整光滑,并能方便地与其他相同尺寸的标准筛、盖、接料盘等套叠在一起。
筛网与筛框间的连接牢固,能防止带筛物料泄露筛孔直校准实测值径偏差结果最大值60.1260.0660.4260.3860.2260.1460.16 60.2860.10 60.16 60.42 合格40.3439.9640.1240.0839.9440.1640.14 40.2240.18 40.04 40.34 合格20.1620.2220.1220.0219.8820.0620.14 20.0819.94 19.9820.0220.2420.120.1620.1820.1420.16 20.1020.16 20.08 20.24 合格19.9220.1420.0820.1619.820.0420.08 20.0220.14 19.9610.0210.10 9.9290.9810.1610.0210.02 10.0610.12 9.9410.0610.0210.0810.110.010.02 9.88 10.0210.06 10.1210.16 合格10.0410.10 9.94 9.9810.0210.1010.04 10.0610.04 10.029.9810.0410.0610.1410.0810.1210.10 10.0210.08 10.045.02 5.10 5.04 5.02 4.965.02 5.02 5.06 5.02 5.045.06 5.00 5.02 5.04 5.064.96 5.02 5.04 50.4 5.005.10合格5.04 5.02 5.08 5.00 5.065.02 5.06 5.10 5.00 4.984.98 4.965.04 5.00 5.0250.8 5.04 5.00 5.02 5.062 1 2±0.089 /1±0.070 /备注校准校核日期环刀校准记录表( B01-06)设备名称环刀设备编号规格型号/出厂编号生产厂家/校准日期校准器具名称及编号游标卡尺( Lx-06 )校准环境检验项目内径( mm)高度( mm)79.8 ±0.1520.0 ±0.10技术要求61.8 ±0.1520.0 ±0.1060~ 8020~ 30环刀编号 1 2 3 平均 1 2 3 平均1 79.82 79.86 79.82 79.83 20.02 20.04 20.0420.03备注Jc-09/2012.12.19体积外观检校准3查结果(cm)圆整、无100 变形、无合格缺损校准校核日期标准筛(金属穿孔板)校准记录表(B02-01-1 )设备名称石子筛设备编号Jl-03规格型号/ 出厂编号/生产厂家浙江省上虞申克试验仪器厂校准日期2012.12.19校准器具名称及编号游标卡尺( Lx-06 )校准工作在室内进行,环境温度为(25± 10)℃,相对湿度不大于85%,校准环境校准现场洁净,周围无影响校准结果的震动、污染、腐蚀性气体。
土工标准筛校准记录表(B01-01)电热鼓风干燥箱校准记录表(B01-02)液塑限联合测定仪校准记录表(B01-03)电动击实仪校准记录表(B01-04)路面材料强度试验仪校准记录表(B01-05)环刀校准记录表(B01-06)CBR试验装置校准记录表(B01-07)针片状规准仪校准记录表(B02-02)压碎值试验仪校准记录表(GB/T 14685压碎值试验仪)(B02-03-1)压碎值试验仪校准记录表(JTG E42压碎值试验仪)(B02-03-2)洛杉矶磨耗试验机校准记录表(B02-04)加速磨光机校准记录表(B02-05)砂当量仪校准记录表(B02-06)细集料棱角性(流动时间法)测定仪校准记录表(B02-07)容量筒校准记录表(B02-08)透气比表面积仪校准记录表(B03-01)水泥负压筛析仪校准记录表(B03-02)水泥净浆搅拌机校准记录表(B03-03)水泥标准稠度和凝结时间测定仪校准记录表(B03-05)雷式夹校准记录表(B03-06)雷氏沸煮箱校准记录表(B03-07)行星式水泥胶砂搅拌机校准记录表(B03-08)水泥胶砂振实台校准记录表(B03-09)水泥胶砂流动度测定仪校准记录表(B03-10)标准养护室校准记录表(B03-11)水泥混凝土振动台校准记录表(B03-12)坍落度测定仪校准记录表(B03-13)混合式气压法含气量测定仪校准记录表(B03-14)混凝土贯入阻力仪校准记录表(B03-15)混凝土抗渗试模校准记录表(B03-16-01)混凝土抗渗校准记录表(B03-16)水泥砂浆稠度测定仪校准记录表(B03-17)水泥砂浆分层度仪校准记录表(B03-18)水泥混凝土试模、试模校准记录表(B03-19-01)水泥混凝土试模、砂浆试模校准记录表(B03-19-02)水泥胶砂试模校准记录表(B03-19-02)沥青标准粘度计校准记录表(B04-05)马歇尔稳定度仪校准记录表(B04-08)。
公路工程试验检测仪器
设备校准指南表格
HUA system office room 【HUA16H-TTMS2A-HUAS8Q8-HUAH1688】
土工标准筛校准记录表(B01-01)
环刀校准记录表(B01-06)
标准筛(金属穿孔板)校准记录表(B02-01-1)
标准筛(金属编织网)校准记录表(B02-01-2)
针片状规准仪校准记录表(B02-02)
压碎值试验仪校准记录表(GB/T 14685压碎值试验仪)(B02-03-1)
压碎值试验仪校准记录表(JTG E42压碎值试验仪)(B02-03-2)
坍落度测定仪校准记录表(B03-13-01)
坍落度测定仪校准记录表(B03-13-02)
坍落度测定仪校准记录表(B03-13-03)
水泥混凝土试模、砂浆试模校准记录表(B03-19-01)
水泥混凝土试模、砂浆试模校准记录表(B03-19-01)
水泥混凝土试模、砂浆试模校准记录表(B03-19-01)
水泥混凝土试模、砂浆试模校准记录表(B03-19-01)
水泥混凝土试模、砂浆试模校准记录表(B03-19-01)
水泥混凝土试模、砂浆试模校准记录表(B03-19-01)
水泥混凝土试模、砂浆试模校准记录表(B03-19-01)
水泥混凝土试模、砂浆试模校准记录表(B03-19-01)
水泥混凝土试模、砂浆试模校准记录表(B03-19-01)
水泥混凝土试模、砂浆试模校准记录表(B03-19-01)
水泥混凝土试模、砂浆试模校准记录表(B03-19-01)
水泥混凝土试模、砂浆试模校准记录表(B03-19-01)。
土工标准筛校准记录表(B01-01)电热鼓风干燥箱校准记录表(B01-02)液塑限联合测定仪校准记录表(B01-03)电动击实仪校准记录表(B01-04)面材料强度试验仪校准记录表(B01-05)环刀校准记录表(B01-06)CBR试验装置校准记录表(B01-07)标准筛(金属穿孔板)校准记录表(B02-01-1)标准筛(金属编织网)校准记录表(B02-01-2)针片状规准仪校准记录表(B02-02)压碎值试验仪校准记录表(GB/T 14685压碎值试验仪)(B02-03-1)压碎值试验仪校准记录表(JTG E42压碎值试验仪)(B02-03-2)洛杉矶磨耗试验机校准记录表(B02-04)加速磨光机校准记录表(B02-05)砂当量仪校准记录表(B02-06)细集料棱角性(流动时间法)测定仪校准记录表(B02-07)容量筒校准记录表(B02-08)透气比表面积仪校准记录表(B03-01)水泥负压筛析仪校准记录表(B03-02)水泥净浆搅拌机校准记录表(B03-03)量水器校准记录表(称重法)(B03-04-1)量水器校准记录表(移液管法)(B03-04-2)水泥标准稠度和凝结时间测定仪校准记录表(B03-05)雷式夹校准记录表(B03-06)雷氏沸煮箱校准记录表(B03-07)行星式水泥胶砂搅拌机校准记录表(B03-08)水泥胶砂振实台校准记录表(B03-09)水泥胶砂流动度测定仪校准记录表(B03-10)标准养护室校准记录表(B03-11)水泥混凝土振动台校准记录表(B03-12)坍落度测定仪校准记录表(B03-13)混合式气压法含气量测定仪校准记录表(B03-14)混凝土贯入阻力仪校准记录表(B03-15)混凝土抗渗仪校准记录表(B03-16)水泥砂浆稠度测定仪校准记录表(B03-17)水泥砂浆分层度仪校准记录表(B03-18)水泥混凝土试模、砂浆试模校准记录表(B03-19-01)水泥混凝土试模、砂浆试模校准记录表(B03-19-02)沥青标准粘度计校准记录表(B04-05)马歇尔稳定度仪校准记录表(B04-08)。
公路工程试验检测仪器设备校准指南-表格
土工标准筛校准记录表(B01-01)
电热鼓风干燥箱校准记录表(B01-02)
液塑限联合测定仪校准记录表(B01-03)
电动击实仪校准记录表(B01-04)
路面材料强度试验仪校准记录表(B01-05)
环刀校准记录表(B01-06)
CBR试验装置校准记录表(B01-07)
标准筛(金属穿孔板)校准记录表(B02-01-1)
标准筛(金属编织网)校准记录表(B02-01-2)
针片状规准仪校准记录表(B02-02)
压碎值试验仪校准记录表(GB/T 14685压碎值试验仪)(B02-03-
1)
压碎值试验仪校准记录表(JTG E42压碎值试验仪)(B02-03-2)
洛杉矶磨耗试验机校准记录表(B02-04)
加速磨光机校准记录表(B02-05)
砂当量仪校准记录表(B02-06)
细集料棱角性(流动时间法)测定仪校准记录表(B02-07)
容量筒校准记录表(B02-08)
透气比表面积仪校准记录表(B03-01)
水泥负压筛析仪校准记录表(B03-02)
水泥净浆搅拌机校准记录表(B03-03)
量水器校准记录表(称重法)(B03-04-1)
量水器校准记录表(移液管法)(B03-04-2)
水泥标准稠度和凝结时间测定仪校准记录表(B03-05)
雷式夹校准记录表(B03-06)
雷氏沸煮箱校准记录表(B03-07)
行星式水泥胶砂搅拌机校准记录表(B03-08)
水泥胶砂振实台校准记录表(B03-09)
水泥胶砂流动度测定仪校准记录表(B03-10)
标准养护室校准记录表(B03-11)
水泥混凝土振动台校准记录表(B03-12)
坍落度测定仪校准记录表(B03-13)
混合式气压法含气量测定仪校准记录表(B03-14)
混凝土贯入阻力仪校准记录表(B03-15)
混凝土抗渗仪校准记录表(B03-16)
水泥砂浆稠度测定仪校准记录表(B03-17)
水泥砂浆分层度仪校准记录表(B03-18)
水泥混凝土试模、砂浆试模校准记录表(B03-19-01)
水泥混凝土试模、砂浆试模校准记录表(B03-19-02)
沥青针入度仪校准记录表(B04-01)
沥青延度仪校准记录表(B04-02)
沥青软化点仪校准记录表(B04-03)
沥青闪点仪校准记录表(B04-04)
沥青标准粘度计校准记录表(B04-05)
沥青混合料拌和机校准记录表(B04-06)
沥青混合料击实仪校准记录表(B04-07)
马歇尔稳定度仪校准记录表(B04-08)
轮碾成型机校准记录表(B04-09)
车辙试验机校准记录表(B04-10)。