钢材热处理性能综述
- 格式:doc
- 大小:39.00 KB
- 文档页数:9
钢的热处理总结钢的热处理是一种利用加热和冷却控制材料微观结构的工艺。
它可以改变钢的物理和化学性质,从而使其适应不同的使用环境。
下面我总结了一些关于钢的常见热处理方法以及其原理和应用。
1. Annealing(退火)退火是一种在高温下加热钢材并缓慢冷却的过程。
这种处理会减弱钢材的硬度和韧性,但增强其可加工性和塑性。
退火的应用包括:- 柔化和改善钢材的可加工性。
一些冷处理过的钢材在加工过程中会产生裂缝和变形。
- 消除钢材中的应力。
在钢材加工或制造过程中,会产生内部应力,这些应力可能会导致钢材在长期使用过程中发生变形和疲劳。
- 改善钢材的韧性。
对于高碳钢或淬火后钢材,退火可以使其恢复一定程度的韧性,防止其在使用过程中产生断裂。
2. Tempering(回火)回火是一种加热已经淬火并硬化的钢材,然后在特定温度下保温一段时间,最后缓慢冷却的过程。
回火可以减轻钢材的硬度,减少其脆性,并增加其韧性,常见于淬火后的钢材。
3. Quenching(淬火)淬火是一种将已经加热到高温的钢材快速冷却的过程。
这种处理会导致钢材的硬度和脆性增加。
淬火的应用包括:- 改变钢材的物理和化学性质。
淬火可以增加钢材的硬度和韧性,从而使其更适合用于需要高强度和耐磨性的地方。
-制造工具。
淬火可以制造各种刀具和钻具,这些工具需要具有高强度和耐磨性。
- 防止钢材变形。
该过程可以有效防止大尺寸钢材在冷却时产生变形。
4. Normalizing(正火)正火是一种将钢材加热到高温,然后通过自然空气冷却的过程。
正火可以使钢材的微观结构均匀,并且具有一定的韧性和硬度。
热处理通常涉及加热和冷却过程,其中加热温度和持续时间,以及冷却速度都是影响最终结果的关键因素。
这些因素取决于钢材的成分,形状和处理的目的。
例如,某些钢材需要较高的回火温度和较长的保温时间,以减轻其脆性并增加其韧性。
而淬火后的钢材需要较长时间的回火过程,以消除其残余应力并提高其韧性。
总而言之,热处理是钢材生产和加工过程中不可或缺的一步。
热处理对钢材的强度和硬度的影响钢材是一种常见且重要的材料,在机械制造、建筑结构、汽车工业等领域中得到广泛应用。
而热处理作为一种重要的材料处理方法,对钢材的强度和硬度有着显著的影响。
本文将介绍热处理对钢材性能的作用机制以及热处理方法的选择。
一、热处理对钢材的强度的影响钢材的强度是指其在外力作用下的抗变形能力,通常以屈服强度、抗拉强度等指标来评估。
热处理对钢材的强度有以下几方面的影响。
1. 相变过程的影响热处理中的加热和冷却过程会引发钢材的相变,其中最常见的是奥氏体相变和马氏体相变。
奥氏体相变可以增加钢材的强度,而马氏体相变则会进一步提高钢材的强度。
因此,通过调控热处理中的相变过程,可以有效提高钢材的强度。
2. 残余应力的影响热处理会导致钢材产生残余应力,这种残余应力对钢材的强度有着重要的影响。
恰当地控制热处理过程中的冷却速率和温度可以减小钢材中的残余应力,从而提高钢材的强度。
3. 晶粒尺寸的影响热处理会影响钢材的晶粒尺寸,从而影响其强度。
一般来说,细小的晶粒可以提高钢材的强度,因为细小的晶粒有更多的晶界,阻碍了位错的移动,从而提高了材料的强度。
二、热处理对钢材的硬度的影响钢材的硬度是指其抵抗局部压痕的能力,一般通过洛氏硬度或布氏硬度来进行测量。
热处理对钢材的硬度有以下几方面的影响。
1. 碳含量和晶界的影响热处理可以控制钢材中的碳含量和晶界的形成情况,从而影响钢材的硬度。
较高的碳含量和较细小的晶界会使钢材更加硬化,因为碳在钢中溶解后可以增加固溶体的硬度。
同时,晶界的存在也可以阻碍位错的滑移,进一步提高材料的硬度。
2. 冷却速率的影响在热处理中,冷却速率对钢材的硬度影响巨大。
当冷却速率较快时,钢材中会产生较多的马氏体,从而使钢材更加硬化。
因此,通过调节热处理中的冷却速率,可以有效地控制钢材的硬度。
三、热处理方法的选择根据钢材在不同工作条件下的使用要求,可以选择不同的热处理方法来达到所需的强度和硬度。
常见的热处理方法包括淬火、正火、回火等。
热处理对于钢铁材料性能的影响热处理是一项重要的工艺,用于改变钢铁材料的性能。
通过控制材料的加热、保温和冷却过程,可以显著改善钢铁材料的力学性能、组织结构和耐腐蚀能力。
本文将深入探讨热处理对于钢铁材料性能的影响。
一、冷处理冷处理是热处理的一种重要方式,其主要目的是通过快速冷却来提高钢铁材料的硬度和强度。
当钢铁材料经过热处理后,快速冷却可以产生细小的晶粒,从而提高材料的硬度。
此外,冷处理还可以减少材料的残余应力,提高材料的耐磨性和疲劳寿命。
二、淬火处理淬火是一种将钢铁材料加热至适宜温度后迅速冷却的热处理方法。
淬火可以使钢铁材料的晶格结构发生变化,从而显著提高材料的硬度和强度。
通过控制淬火工艺参数,如冷却速率、冷却介质等,可以获得不同的硬度和强度。
然而,过快的冷却速率可能导致材料内部产生应力过大,从而引起开裂和变形。
三、回火处理回火是一种将冷处理的材料重新加热至适宜温度后保温一段时间,然后缓慢冷却的热处理方法。
回火可以减轻材料的内部应力,增加其韧性和塑性,降低脆性。
通过合理控制回火温度和时间,可以在硬度和韧性之间取得平衡,使材料具有较好的综合性能。
四、渗碳处理渗碳是一种将含碳气体或液体浸渍到钢铁材料表面,并进行高温处理的方法。
渗碳可以在材料表面形成高碳含量的渗层,从而提高材料的硬度和耐磨性。
此外,渗碳还可以改善材料的耐蚀性能和疲劳寿命。
常用的渗碳方法包括气体渗碳、液体渗碳和离子渗碳等。
五、固溶处理固溶处理是一种通过加热钢铁材料至固溶温度后快速冷却的热处理方法。
固溶处理可以使材料内部的溶质(如碳、氮等)扩散均匀,从而改善材料的强度和塑性。
此外,固溶处理还可以提高钢铁材料的冷加工性能,增加其可塑性。
综上所述,热处理对于钢铁材料性能具有显著的影响。
通过冷处理、淬火处理、回火处理、渗碳处理和固溶处理等方法,可以改善钢铁材料的硬度、强度、耐磨性、耐蚀性和韧性等性能。
因此,在钢铁制造和应用过程中,合理运用热处理技术可以有效提高钢铁材料的综合性能,满足不同工程和应用的需求。
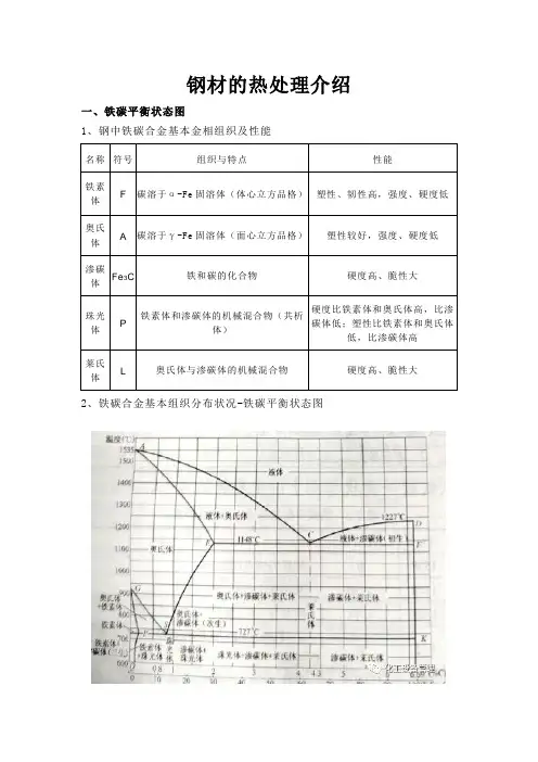
钢材的热处理介绍
一、铁碳平衡状态图
1、钢中铁碳合金基本金相组织及性能
2、铁碳合金基本组织分布状况-铁碳平衡状态图
注:①随着含碳量和所处温度不同,铁碳平衡状态的金相组织。
含量在1.0%以下,只有可能产生奥氏体、铁素体、渗碳体和珠光体;含碳量>1.0%的,除上述四种外,还有莱氏体出现。
②同一含碳量的铁碳合金,随温升高或下降,金相组织的转变称为相变。
3、铁碳平衡状态图上的主要特性线
4、铁碳平衡状态图上的主要特性点
5、室温下铁碳合金平衡组织的名称
二、钢的热处理
钢的热处理有淬火、回火、退火和正火四种。
1、淬火
注:淬火代号为C,C47表示淬火回火至HRC45~50。
2、回火
3、退火
注:退火代号为TH。
TH185表示退火HBS170~200。
4、正火
注:①正火代号为Z,Z195表示正火后HBS 180~210;
②亚共析钢的淬火、退火和正火加热温度均在Ac3以上30~50℃,保温一段时间。
冷却速度不同,可得到三种不同热处理结果;
③回火则视低温、中温、高温要求不同,加热温度亦不同。
5、钢结构焊接件热处理方法
注:对中、高碳钢,合金钢和铸铁的焊接通常都要预热和焊后热处理
三、钢中主要合金元素的作用和有害杂质的影响
1、钢中合金元素的作用
2、钢中有害杂质的影响
注:氢、氧、氮统称钢中的有害气体;硫和磷为杂质元素。
热处理钢的材料性能分析随着现代工业的迅猛发展,各种机械设备和工具的需求量越来越大。
作为金属材料的重要组成部分,钢材的性能对于机械设备和工具的质量和使用寿命有着至关重要的作用。
热处理是一种常见的加工方法,可以改善钢材的性能,尤其是硬度和耐磨性。
本文将对热处理钢的材料性能进行分析和探讨。
1. 热处理的基本原理和方法热处理是一种通过对金属材料进行升温和冷却的方法,可以改变其组织结构和化学特性,从而改善钢材的性能。
热处理的基本原理是利用钢材在不同温度下的变形规律,控制其晶粒的大小和分布,从而达到改善强度、硬度和韧性等性能的效果。
热处理一般分为三个主要阶段,即加热、保温和冷却。
在热处理过程中,钢材的加热温度、保温时间和冷却速度等都是影响热处理效果的重要因素。
加热温度一般根据钢材的类型、形状和硬度等特性进行选择。
保温时间取决于钢材的厚度和耐热性能,通常从几分钟到几小时不等。
冷却速度则决定着钢材的结构和化学成分,快速冷却可以产生细小、均匀、稳定的结构,但也容易产生裂纹和变形等问题。
2. 热处理对钢材性能的影响热处理可以改善钢材的性能,尤其是硬度、强度和耐磨性等方面。
其基本原理是通过改变钢材的组织结构和化学成分,使其具有更加理想的力学性能和化学性质。
2.1 硬度硬度是钢材的重要性能之一,也是热处理的主要目的之一。
在热处理过程中,钢材的晶粒会发生细化,晶界的数量也会增加,从而导致钢材的硬度和强度增加。
此外,钢材在快速冷却过程中,也会产生残留应力和塑性变形等效应,这些效应可以增强钢材的硬度和韧性。
2.2 强度强度是钢材的另一个重要性能,也是直接受到热处理影响的性能之一。
热处理可以通过细化钢材的晶粒和增加晶界数量,使其具有更高的强度和抗拉性能。
此外,热处理还可以产生残留应力的效应,这些应力可以增强钢材的抗拉强度和韧性。
2.3 耐磨性耐磨性是钢材的重要应用性能之一,也是热处理的重要目的之一。
热处理可以通过增强钢材的硬度和强度等性能,改善其耐磨性能。
钢的热处理总结标准钢是一种重要的金属材料,广泛应用于各个领域。
为了改善钢材的性能和使用寿命,钢材经常需要进行热处理。
热处理可以改变钢的组织结构和性能,使其具备所需的力学性能、耐腐蚀性和使用寿命。
本文将对钢的热处理进行总结,并介绍一些相关的标准。
热处理是通过加热和冷却钢材来改变其组织和性能的过程。
根据不同的目的,热处理可以分为多种类型,如退火、正火、淬火和回火等。
下面将对这些常用的热处理方法进行介绍。
退火是将钢材加热到一定温度,然后缓慢冷却的热处理方法。
退火可以使钢材的组织结构变得均匀,减少内应力,改善钢的加工性能和硬度。
退火温度和冷却速度对最终的组织和性能有重要影响,因此在热处理过程中需要按照一定的标准进行控制。
正火是将钢材加热到适当温度,然后以适当速度冷却的热处理方法。
正火可以使钢材的组织结构变得均匀,提高钢的硬度和强度。
正火温度和冷却速度也对最终的组织和性能有重要影响,因此需要严格控制。
淬火是将钢材加热到淬火温度,然后迅速冷却的热处理方法。
淬火可以使钢材的组织结构变得致密并产生马氏体组织,提高钢的硬度和强度。
淬火温度和冷却速度对最终的组织和性能有重要影响,需要按照标准进行控制。
回火是在淬火后将钢材加热到一定温度,然后缓慢冷却的热处理方法。
回火可以消除淬火时产生的内应力,调整钢材的硬度和韧性。
回火温度和冷却速度对最终的组织和性能也有重要影响,需要按照标准进行控制。
在热处理过程中,需要注意以下几个方面。
首先,应根据钢的成分和要求选择合适的热处理方法和工艺参数。
其次,需要控制好加热和冷却过程中的温度和时间。
温度过高或时间过长都会导致钢的性能发生偏离,影响最终的热处理效果。
此外,还要控制好冷却介质的选择和冷却速度,以确保钢的组织结构和性能达到要求。
在钢的热处理过程中,需要遵循一些相关的标准。
国际上常用的标准有ASTM(美国材料与试验协会)和ISO(国际标准化组织)等。
这些标准通常包括对热处理方法、工艺参数、温度控制、冷却介质和冷却速度等方面的规定。
常用钢的牌号成分热处理性能及用途1.常用碳素钢:常用牌号:Q235、Q345、20#、45#等成分:主要由铁、碳和少量其他元素组成,其中碳含量在0.12%~2.0%之间。
热处理:碳素钢主要通过控制冷却速率来进行热处理,例如正火、淬火、回火等。
性能:强度较高,韧性较好,易加工和焊接。
用途:广泛用于结构件、机械零件、车辆制造等领域。
2.不锈钢:常用牌号:304、316、430等成分:主要由铁、铬、镍和其他元素组成,其中铬含量通常在10.5%~30%之间。
热处理:不锈钢通常通过控制冷却速率或退火来进行热处理,以提高其耐腐蚀性能。
性能:具有优异的耐腐蚀性能,高强度和良好的机械性能,可抗高温和低温。
用途:广泛用于化工、制药、食品加工、建筑等领域,特别适用于高温和腐蚀环境。
3.合金钢:常用牌号:42CrMo、35CrMo、20CrNiMo等成分:主要由铁和其他合金元素(如铬、镍、钼等)组成,合金元素含量较高。
热处理:合金钢通常通过淬火、回火等热处理工艺,以提高其硬度和强度。
性能:具有较高的强度、韧性和耐磨性,耐高温、耐腐蚀性能较好。
用途:广泛用于制造轴类零件、齿轮、机械传动零件等高强度和高耐磨性要求的机械零件。
4.工具钢:常用牌号:Cr12MoV、H13、W18Cr4V等成分:主要由铁和特定合金元素(如钼、钴、钨等)组成,合金元素含量较高。
热处理:工具钢通常经过高温淬火、回火等多道工序,以获得优异的耐磨性和韧性。
性能:具有高硬度、耐磨性和热稳定性,良好的热导性和强度。
用途:广泛用于制造模具、切削工具、冲压模具等对硬度和耐磨性要求较高的工具。
5.耐磨板钢:常用牌号:NM360、NM400、NM500等成分:通常由碳素钢和合金元素(如铬、锰、硅等)组成,合金元素含量较高。
热处理:常通过控制板材的淬火和回火过程来调控硬度和韧性。
性能:耐磨性优异,硬度高,具有良好的耐冲击性和可焊性。
用途:广泛用于矿山、建筑、港口等场所的物料搬运设备、装载机槽板等耐磨件上。
钢材的热处理方法和特性※均质退火处理简称均质化处理(Homogenization),系利用在高温进行长时间加热,使内部的化学成分充分扩散,因此又称为『扩散退火』。
加热温度会因钢材种类有所差异,大钢锭通常在1200℃至1300℃之间进行均质化处理,高碳钢在1100℃至1200℃之间,而一般锻造或轧延之钢材则在1000℃至1200℃间进行此项热处理。
※完全退火处理完全退火处理系将亚共析钢加热至Ac3温度以上30~50℃、过共析钢加热至Ac1温度以上50℃左右的温度范围,在该温度保持足够时间,使成为沃斯田体单相组织(亚共析钢)或沃斯田体加上雪明碳体混合组织后,在进行炉冷使钢材软化,以得到钢材最佳之延展性及微细晶粒组织。
※球化退火处理球化退火主要的目的,是希望藉由热处理使钢铁材料内部的层状或网状碳化物凝聚成为球状,使改善钢材之切削性能及加工塑性,特别是高碳的工具钢更是需要此种退火处理。
常见的球化退火处理包括:(1)在钢材A1温度的上方、下方反复加热、冷却数次,使A1变态所析出的雪明碳铁,继续附着成长在上述球化的碳化物上;(2)加热至钢材A3或Acm温度上方,始碳化物完全固溶于沃斯田体后急冷,再依上述方法进行球化处理。
使碳化物球化,尚可增加钢材的淬火后韧性、防止淬裂,亦可改善钢材的淬火回火后机械性质、提高钢材的使用寿命。
※软化退火处理软化退火热处理的热处理程序是将工件加热到600℃至650℃范围内(A1温度下方),维持一段时间之后空冷,其主要目的在于使以加工硬化的工件再度软化、回复原先之韧性,以便能再进一步加工。
此种热处理方法常在冷加工过程反复实施,故又称之为制程退火。
大部分金属在冷加工后,材料强度、硬度会随着加工量渐增而变大,也因此导致材料延性降低、材质变脆,若需要再进一步加工时,须先经软化退火热处理才能继续加工。
※弛力退火处理弛力退火热处理主要的目的,在于清除因锻造、铸造、机械加工或焊接所产生的残留应力,这种残存应力常导致工件强度降低、经久变形,并对材料韧性、延展性有不良影响,因此弛力退火热处理对于尺寸经度要求严格的工件、有安全顾虑的机械构件事非常重要的。
钢铁材料热处理及组织性能班级:机设13-A1姓名:朱铭书学号:120133404056摘要:钢材是当前社会运用最广泛的材料之一,具有非常悠久的历史,它推动了社会的大力发展,促进了社会的进步。
作为结构材料.钢的组织和性能在很高的层面决定了产品的质量,因此,在选取钢铁材料时主重其组织与性能。
然而,回望钢铁发展的历史,钢组织与性能与材料成分和热处理工艺有着千丝万缕的关系,通过改善材料成分和热处理工艺可以有效提升钢组织与性能。
本文将对钢铁材料热处理及组织性能做浅显分析。
正文:一、钢的退火与正火1、钢的退火是将工件加热到工艺要求的温度,经过适当的保温以后,在缓慢冷却下来的热处理工艺过程。
加热温度在Ac3点以上的称为完全退火;加热温度在Ac1和Accm之间的称为不完全退火或球化退火;加热温度在A1点以下称为低温退火;还有扩散退火等退火工艺。
退火的加热速度一般不受限制,但对于高合金钢和大截面工件,升温不可过快,否则,由于导热性差,引起很大的热应力,使工件产生变形甚至开裂。
一般将升温速度控制在100~180℃/h比较适宜。
加热时间是根据工件的有效厚度,并考虑装炉量、装炉方式和加热方法确定的,可以查阅热处理手册加以确定。
退火的冷却方式是根据退火工艺的具体要求进行。
(1)完全退火只适用于亚共析钢,加热温度为Ac3+(20~30℃),合金钢可以略微高于此温度,保温足够时间后,随后缓冷(炉内冷却或按要求的冷却速度冷却)到550~500℃以下,再空冷。
在加热和冷却的过程中,钢的内部组织全部进行了重结晶,即发生了加热时的奥氏体化和冷却时的奥氏体分解转变。
所以完全退火又称重结晶退火。
在重结晶过程中经历了两次形核长大,因此细化了晶粒。
完全退火使钢获得了接近平衡状态的细晶粒组织,同时消除了焊接、铸钢、热锻轧钢中的粗大组织和魏氏组织,以及因终锻、终轧的温度过低造成的带状组织。
完全退火还提高韧性,消除因冷速较快造成的内应力,降低含碳较高的亚共析钢硬度,以利于切削加工,并为后续淬火工艺作好组织准备。
2024年钢的热处理总结____年钢的热处理总结摘要:热处理是优化钢材性能的关键工艺之一。
在____年,我们见证了钢的热处理领域的一系列创新和发展。
本文综述了____年钢的热处理技术的进展和应用情况,包括热处理工艺优化、新技术的应用、热处理设备的改进以及热处理过程的优化等方面。
通过这一综述,我们可以了解到____年钢的热处理技术的最新进展,为今后该领域的研究和应用提供参考。
1. 引言钢材是工业生产和建筑领域中最常用的材料之一。
然而,钢材的性能并不是固定不变的,它可以通过热处理来进行调控和优化。
2. 热处理工艺优化热处理工艺是影响钢材性能的关键因素之一。
在____年,热处理工艺优化的研究成果取得了显著进展。
通过优化热处理工艺,可以使钢材的硬度、强度、韧性等性能得到改善。
3. 新技术的应用在____年,一些新技术开始应用于钢的热处理领域。
比如,电磁场热处理技术可以通过控制电磁场的参数,实现钢材的加热和冷却过程的优化。
此外,激光热处理技术也开始应用于钢材的表面改性和局部热处理。
4. 热处理设备的改进随着热处理工艺的进步,热处理设备也得到了不断改进和升级。
在____年,热处理设备的自动化程度得到了加强,可以实现更加精确和稳定的热处理过程。
5. 热处理过程的优化钢的热处理过程是一个复杂的过程,需要考虑多种因素的影响。
在____年,热处理过程的优化研究得到了广泛关注。
通过优化热处理过程,可以降低能源消耗,提高热处理效率,减少产品的变形和缺陷等。
6. 结论在____年,钢的热处理领域取得了显著的进展。
通过优化热处理工艺、应用新技术、改进热处理设备以及优化热处理过程,钢材的性能得到了显著提高。
然而,钢的热处理仍然是一个复杂的问题,需要进一步的研究和改进。
希望通过本文的综述,可以为____年钢的热处理研究和应用提供参考。
2024年钢的热处理总结(2)2024年钢的热处理总结2024年钢的热处理在技术和工艺上都取得了显著的进展。
钢的热处理总结第一篇:钢的热处理总结1、热处理定义:把固态金属材料通过一定的加热,保温和冷却以改变其组织和性能的一种工艺。
目的及意义:金属材料改变性能的方法,改变使用性能和工艺性能,充分利用材料的潜能,控制产品质量,节省资源和材料,缩短生产周期、降低成本2、固态相变定义:成分、温度、压力等因素改变时,固态物质内部发生的组织结构变化。
研究意义:控制过程→获得预期的组织→得到预期性能。
三种基本变化:成分;结构;有序度主要特点:相变阻力大,相界面结构关系,存在一定的位向关系和惯习面,非均匀、缺陷处形核,新相有特定形状`,原子迁移率低驱动力:新/旧两相自由能差,晶体缺陷能阻力:1,界面能界面能产生原因:界面有一定厚度和体积;原子错排;结合键受破坏→能量高三种界面类型:完全共格:界面原子完全匹配,除孪晶外,少见。
半共格:界面能与位错密度、错配度有关,借助弹性畸变保持界面的匹配。
非共格:界面能最大2,应变能产生原因:新/旧相比容不同(比容差应变能)。
界面错配→新/旧相硬匹配(共格应变能)⇒共格界面应变能最大,非共格最小⇒比容差应变能与新相几何形状有关,球形应变能最大,针状居中,片状最小3、奥氏体性能⇓力学性能:塑性好、强度低。
⇓物理性能:顺磁性。
比容小。
热膨胀系数大。
导热性能差。
⇓化学性能:抗腐蚀;耐热。
形成条件:(1)Ac1、Ac3、Accm以上,有一定的过热度。
(2),过热度大,容易形成(3),实际相变温度与加热速度有关,不是固定值,加热速度越快,Ac1、Ac3、Accm越高。
奥氏体形成(1)形核⇓球化体:优先在晶界的F/碳化物界面上形成,其次在晶内的F/碳化物界面上形成⇓片状P:优先在P团的界面上形成,其次在F/碳化物界面上形成⇓相界形核原因⌝碳浓度起伏,如 F中高浓度区有利于向A转变⌝结构起伏→晶体结构改组容易⌝能量起伏→杂质、晶体缺陷多→形核→降低界面能、应变能(2)长大⇓球化体:A包围碳化物,使碳化物与F分开,A形成F/A和C/A 两个界面,双向推进长大。
钢材的热处理及特性铸造1.熔融的液态金属填满型腔冷却。
制件中间易产生气孔。
2.把金属加热熔化后倒入砂型或模子里,冷却后凝固成为器物。
3.铸造对被加工才料有要求,一般铸铁、铝等的铸造性能较好。
铸造不具备锻造的诸多优点,但它能制造形状复杂的零,因此常用于力学性能要求不高的支称件的毛丕制造。
例如机床外壳等。
锻造1.主要是在高温下用挤压的方法成型。
可以细化制件中的晶粒。
2.用锤击等方法,使在可塑状态下的金属材料成为具有一定形状和尺寸的工件,并改变它的物理性质。
3.锻造时,金属经过塑性变形,有细化晶粒的做用,切纤维连续,因此常用于重要零件的毛丕制造,例如轴、齿论等。
热处理热处理是将工件在介质中加热到一定温度并保温一定时间,然后用一定速度冷却,以改变金属的组织结构,从而改变其性能(包括物理、化学和力学性能)的工艺。
改善钢的力学性能或加工性能。
1.退火操作方法:将钢件加热到Ac3+30~50度或Ac1+30~50度或Ac1以下的温度(可以查阅有关资料)后,一般随炉温缓慢冷却。
目的:1.降低硬度,提高塑性,改善切削加工与压力加工性能;2.细化晶粒,改善力学性能,为下一步工序做准备;3.消除冷、热加工所产生的内应力。
应用要点:1.适用于合金结构钢、碳素工具钢、合金工具钢、高速钢的锻件、焊接件以及供应状态不合格的原材料;2.一般在毛坯状态进行退火。
2.正火操作方法:将钢件加热到Ac3或Accm 以上30~50度,保温后以稍大于退火的冷却速度冷却。
目的:1.降低硬度,提高塑性,改善切削加工与压力加工性能;2.细化晶粒,改善力学性能,为下一步工序做准备;3.消除冷、热加工所产生的内应力。
应用要点:正火通常作为锻件、焊接件以及渗碳零件的预先热处理工序。
对于性能要求不高的低碳的和中碳的碳素结构钢及低合金钢件,也可作为最后热处理。
对于一般中、高合金钢,空冷可导致完全或局部淬火,因此不能作为最后热处理工序。
3.淬火操作方法:将钢件加热到相变温度Ac3或Ac1以上,保温一段时间,然后在水、硝盐、油、或空气中快速冷却。
-- 钢材的热处理方法和特性※均质退火处理简称均质化处理(Homogenization,系利用在高温进行长时间加热,使内部的化学成分充分扩散,因此又称为『扩散退火』。
加热温度会因钢材种类有所差异,大钢锭通常在1200℃至1300℃之间进行均质化处理,高碳钢在1100℃至1200℃之间,而一般锻造或轧延之钢材则在1000℃至1200℃间进行此项热处理。
※完全退火处理完全退火处理系将亚共析钢加热至Ac3温度以上30~50℃、过共析钢加热至Ac1温度以上50℃左右的温度范围,在该温度保持足够时间,使成为沃斯田体单相组织(亚共析钢或沃斯田体加上雪明碳体混合组织后,在进行炉冷使钢材软化,以得到钢材最佳之延展性及微细晶粒组织。
※球化退火处理球化退火主要的目的,是希望藉由热处理使钢铁材料内部的层状或网状碳化物凝聚成为球状,使改善钢材之切削性能及加工塑性,特别是高碳的工具钢更是需要此种退火处理。
常见的球化退火处理包括:(1在钢材A1温度的上方、下方反复加热、冷却数次,使A1变态所析出的雪明碳铁,继续附着成长在上述球化的碳化物上;(2加热至钢材A3或Acm温度上方,始碳化物完全固溶于沃斯田体后急冷,再依上述方法进行球化处理。
使碳化物球化,尚可增加钢材的淬火后韧性、防止淬裂,亦可改善钢材的淬火回火后机械性质、提高钢材的使用寿命。
※软化退火处理软化退火热处理的热处理程序是将工件加热到600℃至650℃范围内(A1温度下方,维持一段时间之后空冷,其主要目的在于使以加工硬化的工件再度软化、回复原先之韧性,以便能再进一步加工。
此种热处理方法常在冷加工过程反复实施,故又称之为制程退火。
大部分金属在冷加工后,材料强度、硬度会随着加工量渐增而变大,也因此导致材料延性降低、材质变脆,若需要再进一步加工时,须先经软化退火热处理才能继续加工。
※弛力退火处理弛力退火热处理主要的目的,在于清除因锻造、铸造、机械加工或焊接所产生的残留应力,这种残存应力常导致工件强度降低、经久变形,并对材料韧性、延展性有不良影响,因此弛力退火热处理对于尺寸经度要求严格的工件、有安全顾虑的机械构件事非常重要的。
钢的普通热处理方法:
1.正火:将钢加热到适当温度,保温一段时间后取出在空气中
冷却。
正火的主要应用范围有:用于低碳钢,正火后硬度略高于退火,韧性也较好,可作为切削加工的预处理;用于中碳钢,可代替调质处理作为最后热处理,也可作为用感应加热方法进行表面淬火前的预备处理;用于工具钢、轴承钢、渗碳钢等,可以消降或抑制网状碳化物的形成,从而得到球化退火所需的良好组织;用于铸钢件,可以细化铸态组织,改善切削加工性能;用于大型锻件,可作为最后热处理,从而避免淬火时较大的开裂倾向;用于球墨铸铁,使硬度、强度、耐磨性得到提高,如用于制造汽车、拖拉机、柴油机的曲轴、连杆等重要零件。
2.淬火:将钢加热至高温后快速冷却,使其硬化。
淬火的主要
目的是提高钢的硬度、强度和耐磨性。
3.回火:将淬火后的钢加热到一定温度并保温一段时间,然后
冷却。
回火的主要目的是消除淬火产生的内应力,降低硬度和脆性,以取得预期的力学性能。
4.退火:将钢加热至适当温度并保温一段时间后缓慢冷却。
退
火的主要目的是调整硬度以方便切削加工,消除内应力,稳定尺寸,防止加工中变形。
退火还能细化晶粒,改善组织。
5.表面热处理:包括表面淬火和火焰加热表面淬火等。
表面热
处理的主要目的是提高材料表面的硬度和耐磨性。
6.化学热处理:包括渗碳、渗氮、碳氮共渗等。
化学热处理的
主要目的是改变材料表面的化学成分,以提高其耐腐蚀性和耐磨性。
以很大速度作用于机件上的载荷称为冲击载荷,金属在冲击载荷作用下抵抗破坏的能力叫做冲击韧性。
五退火--淬火--回火(一).退火的种类1.完全退火和等温退火完全退火又称重结晶退火,一般简称为退火,这种退火主要用于亚共析成分的各种碳钢和合金钢的铸,锻件及热轧型材,有时也用于焊接结构。
一般常作为一些不重要工件的最终热处理,或作为某些工件的预先热处理。
随后的切削加工过程中产生变形或裂纹。
(二).淬火为了提高硬度采取的方法,主要形式是通过加热、保温、速冷。
最常用的冷却介质是盐水,水和油。
盐水淬火的工件,容易得到高的硬度和光洁的表面,不容易产生淬不硬的软点,但却易使工件变形严重,甚至发生开裂。
而用油作淬火介质只适用于过冷奥氏体的稳定性比较大的一些合金钢或小尺寸的碳钢工件的淬火。
(三).回火1为经济的防火方法。
四、膨胀材料。
采用钢结构防火涂料保护构件,这种方法具有防火隔热性能好、施工不受钢结构几何形体限制等优点,一般不需要添加辅助设施,且涂层质量轻,还有一定的美观装饰作用,属于现代的先进防火技术措施。
目前,高层钢结构建筑日趋增多,尤其是一些超高层建筑,采用钢结构材料更为广泛。
高层建筑一旦发生火灾事故,火不是在短时间内就能扑灭的,这就要求我们在建筑设计时,加大对建筑材料的防火保护,以增强其耐火极限,并在建筑内部制订必要的应急方案,以减少人员伤亡和财产损失。
(2)常用火焰喷涂塑料材料及性能塑料种类很多,根据塑料受热的性能,可分为热塑性塑料及热固性塑料两大类。
火焰喷涂用塑料粉末一般由塑料原料加上改性材料制成,这些改性材料,包括各种填料、颜料、流平剂、增韧剂等。
通过改性,使塑料粉末容易进行火焰喷涂。
使制成的涂层具有所要求的颜色和各表1聚乙烯粉末涂层的物理化学性能注:试验采用 1.5m钢板,涂后在30~35℃条件下、酸碱浸渍10d溶剂油类分别浸渍30d和100d后测试。
聚乙烯粉末涂层与其它涂层性能比较见表 2表2聚乙烯等其它品种粉末涂层的性能比较2、尼龙(聚酰胺)尼龙是一种应用很广的热塑性塑料,最高应用温度为 80~120℃,最低使用温度为-50~-60℃。
尼龙具有良好的耐蚀性,十分耐碱和大多数盐水、稀酸。
但不耐强酸和氧化性酸的腐蚀。
对烃、酮、酯、油类抗蚀能力良好,不耐酚和甲酸的腐蚀。
尼龙强度高,坚韧、耐磨损,有润滑作用,所以常用作耐磨涂层,如:印刷机械中的钢制墨辊、车床导轨、润滑涂层如轴承等。
尼龙聚苯硫醚密度1.36,熔点288℃,是一种硬而脆、热稳定性优良的热塑性塑料,同时它具有优良的电绝缘性和粘结性,适当的强度,应用温度范围为-148~+250℃。
聚苯硫醚的化学惰性及耐高温性使它成为良好的耐腐蚀涂层。
优良的不粘性。
尤其是其化学性能优异,热稳定性能好。
如F4,除了金属钠、氟元素及其化合物对它有侵蚀作用外,其他诸如强酸、强碱、油脂、去污剂及有机溶剂等化学药品均对它不起作用,使用温度范围为-200~+260℃。
为抗蚀性最好的塑料。
氟塑料本身无毒,但遇热分解时,则产生剧毒,所以应特别注意。
8、环氧粉末涂料环氧树脂是环氧基的高分子聚合物的通称,未固化前它属于热塑性树脂,加入固化剂后能发生一系列交联反应,形成具有附着力极佳,坚韧度和抗化学性能均好的热固性树脂,环氧树脂能耐一般溶剂,耐稀酸、稀碱、强碱,不耐强氧化剂如硝酸、浓硫酸等的腐蚀,耐水性非常好,最高使用温度为90~100℃(一般型)、150℃(耐热型)。
在热固性粉末涂料中,环氧粉末涂料是首先应用的一个品种,也是粉末涂料中,销售量占首位的品种。
环氧粉末涂料有有光、半光、无光环氧粉末涂料(普通型)和防腐型环氧粉末涂料之分。
普通环氧粉末密度1.5~1.8、熔点85~95℃。
9、环氧/聚酯粉末涂料环氧/聚酯粉末是由环氧、聚酯为主要原料的热固性粉末涂料。
它比环氧粉末具有更好的装饰性、耐候性。
环氧/聚酯粉末密度1.4~1.8、熔点85℃~95℃。
理后此钢易形成网状碳化物,在模具的受力部位形成开裂和剥落。
模具的失效主要是由磨损、强度和韧性不足而造成的。
本文拟通过适当的复合热处理来改善CrWMn钢的组织,提高其强度和韧性,以获得较好的综合性能。
2 试验过程试验用CrWMn钢为40mm棒材,为淬火+低温回火态,硬度58HRC。
其主要化学成分见表1。
表1 CrWMn钢的主要化学成分(质量分数) w(%)元素CCrWMnSi 含量0.90~1.050.90~1.201.20~1.600.8~1.100.15~0.35对CrWMn钢的复合热处理分为两个步骤,一是预处理,二是淬火+低温回火。
预处理工艺见图1。
图1 CrWMn钢预处理工艺(a) 常规退火(b) 等温球化退火(c) 循环球化退火(d) 高温固溶+循环球化退火CrWMn钢经不同工艺预处理后,选择组织形态、分布较好的试样,在不同温度条件下进行淬火+低温回火的最终热处理,观察其组织形态与分布,测定硬度变化。
最终热处理工艺见图2。
900℃淬火+200℃回火4结论(1) 对CrWMn钢采用790℃/680℃3次循环球化替代常规退火、等温球化退火,不仅可以改善其组织状态和性能,而且还可以提高热处理生产率,降低能耗。
(2) 1050℃固溶加790℃/680℃3次循环球化退火,可进一步改善CrWMn钢的组织状态分布,提高其性能。
(3) 经1050℃固溶加790℃/680℃3次循环球化退火处理后,再经830℃油淬200℃回火处理,CrWMn钢组织均匀而细小,碳化物弥散程度高,其耐磨性和综合性能好。
■作者简介:陈文华(1963—),男,硕士,讲师。
主要研究方向为金属表面改性及金属材料焊接。
联系电话:025-*******(O)作者单位:陈文华(南京航空航天大学,南京210016)参考文献:[1]蒋修治译.模具钢热处理[J].模具技术,1994(1).[2]蔡繤等.低温快速球化处理[J].金属热处理,1992(4):8~11.[3]满波.高碳钢和轴承钢的周期球化退火工艺[J].金属热处理,1993(6):43~44.八、淬火介绍(1)钢的淬火淬火时将钢加热到Ac3或Ac1以上,保温一定时间使其奥氏体化,再以大于临界冷却速度快速冷却,从而发生马氏体转变的热处理工艺。
淬火钢得到的组织主要是马氏体(或下贝氏体),高,故淬火温度亦高。
2、淬火加热时间为了使工件各部分完成组织转变,需要在淬火加热时保温一定的时间,通常将工件升温和保温所需的时间计算在一起,统称为加热时间。
影响淬火加热时间的因素较多,如钢的成分、原始组织、工件形状和尺寸、加热介质、炉温、装炉方式及装炉量等。
钢在淬火加热过程中,如果操作不当,会产生过热、过烧或表面氧化、脱碳等缺陷。
部感应产生频率相同、方向相反的感应电流。
感应电流在工件内自成回路,故称为“涡流”。
涡流在工件截面上的分布是不均匀的,如图1-66(b)所示,表面电流密度最大,心部电流密度几乎为零,这种现象称为集肤效应。
由于钢本身具有电阻,因而集中于工件表面的涡流,几秒种可使工件表面温度升至800~1000℃,而心部温度仍接近室温,在随即喷水(合金钢浸油)快速冷却后,就达到了表面淬火的目的。
感应加热时,工件截面上感应电流密度的分布与通入感应线圈中的电流频率有关。
电流频率愈高,感应电流集中的表面层愈薄,淬硬层深度愈小。
因此可通过调节通入感应线圈中的电流频率来获得工件不同的淬硬层深度,一般零件淬硬层深度为半径的1/10左右。
对于小直径(10~20mm)的零件,适宜用较深的淬硬层深度,可达半径的1/5,对于大截面零件可取较浅的淬硬层深度,即小于半径1/10以下。
转化为马氏体组织,同时残余奥氏体量增加,碳来不及扩散,使过冷奥氏体碳含量增加,马氏体中碳含量增加,硬度提高。
激光加热表面淬火后,工件表层获得极细小的板条马氏体和孪晶马氏体的混合组织,且位错密度极高,表层硬度比淬火+低温回火提高20%,即使是低碳钢也能提高一定的硬度。
激光淬火硬化层深度一般为0.3~1mm,硬化层硬度值一致。
随零件正常相对接触摩擦运动,表面虽然被磨去,但新的相对运动接触面的硬度值并未下降,耐磨性仍然很好,因而不会发生常规表面淬火层由于接触磨损,磨损随之加剧的现象,耐磨性提高了50%,工件使用寿命提高了几倍甚至十几倍。
激光加热表面淬火最佳的原始组织是调质组织,淬火后零件变形极小,表面质量很高,特别适用于拐角、沟槽、盲孔底部及深孔内壁的热处理,而这些部位是其它表面淬火方法极难做到的。
(3)淬火处理的常见问题M固体微粒,有助於工件表面之洗净作用,破坏蒸气膜作用,使得冷却速度增加,可防止淬火斑点的发生。
因此淬火处理,不用纯水而用混合水之淬火技术是很重要的观念。
3、聚合物可与水调配成水溶性淬火液:聚合物淬火液可依加水程度调配出由水到油之冷却速率之淬火液,甚为方便,且又无火灾、污染及其他公害之虑,颇具前瞻性。
4、干冰加乙醇可用於深冷处理溶液:将干冰加入乙醇中可产生-76℃之均匀温度,是很实用的低温冷却液。
体转变不能同时进行而造成相变应力。
冷却速度越大,热应力和相变应力越大,钢在马氏体转变过程中便容易引起变形与裂纹。
2、常用淬火介质工件淬火冷却时,要使其得到合理的淬火冷却速度,必须选择适当的淬火介质。
目前生产中应用的冷却介质是水和油。
当冷却介质为20℃的自来水,工件温度在200~300℃时,平均冷却速度为450℃/s;工件温度在340℃时,平均冷却速度为775℃/s;工件温度在500~6 50℃时,平均冷却速度为135℃/s。
因此,水的冷却特性并不理想,在需要快冷的500~65 0℃温度范围内,它的冷却速度很小,而在200~300℃需要慢冷时,它的冷却速度反而很大。
选好用好淬火介质是同时获得这三项效果的基本保证。
当前,国内外多以国际标准方法(I SO9950)测定,并用冷却速度曲线来表征淬火介质的冷却特性。
但是,对特定工件(即在钢种、形状大小和热处理要求一定)的情况下,如何从冷却特性上去选择合适的淬火介质?在生产现场,一个淬火槽中往往要淬多种不同钢种、形状、大小和热处理要求的工件。
在这种情况下,如何选定它们共同适用的一种淬火液?一般的热处理车间,为满足所有工件的热处理要求,应当配备几种淬火液?──关于这类实际生产需要解决的问题,至今研究很少。
有人[1、2]做过一些工作,但都提不出系统实用的原则方法。
本文以过去工作为[4、6]基础,从讨论实际生产中一些工件"油淬不硬而水淬又裂"入手,通过推理和实例分析,提出了对特定工件按冷却速度分布选择淬火介质的方法,并进而确定了能供多种工件淬火的一种淬火液的选择原则。
1 特定工件淬火的最低和最高冷却速度分布线从普通机油和自来水的冷却速度分布(如图1)可以看出,普通机油的冷却速度慢,因而不少工件在其中淬不硬;而自来水的冷却速度又太快,以致于多数钢种不能在其中淬火。