二通插装阀方向控制功能
- 格式:pdf
- 大小:2.51 MB
- 文档页数:36
1插装阀概述二通插装阀是插装阀基本组件(阀芯、阀套、弹簧和密封圈)插到特别设计加工的阀体内,配以盖板、先导阀组成的一种多功能的复合阀。
因每个插装阀基本组件有且只有两个油口,故被称为二通插装阀,早期又称为逻辑阀。
1.1二通插装阀的特点二通插装阀具有下列特点:流通能力大,压力损失小,适用于大流量液压系统;主阀芯行程短,动作灵敏,响应快,冲击小;抗油污能力强,对油液过滤精度无严格要求;结构简单,维修方便,故障少,寿命长;插件具有一阀多能的特性,便于组成各种液压回路,工作稳定可靠;插件具有通用化、标准化、系列化程度很高的零件,可以组成集成化系统。
1.2二通插装阀的组成二通插装阀由插装元件、控制盖板、先导控制元件和插装块体四部分组成。
图1是二通插装阀的典型结构。
图1二通插装阀的典型结构控制盖板用以固定插装件,安装先导控制阀,内装棱阀、溢流阀等。
控制盖板内有控制油通道,配有一个或多个阻尼螺塞。
通常盖板有五个控制油孔:X、Y、Z1、Z2和中心孔a(见图2)。
由于盖板是按通用性来设计的,具体运用到某个控制油路上有的孔可能被堵住不用。
为防止将盖板装错,盖板上的定位孔,起标定盖板方位的作用。
另外,拆卸盖板之前就必须看清、记牢盖板的安装方法。
图2盖板控制油孔先导控制元件称作先导阀,是小通径的电磁换向阀。
块体是嵌入插装元件,安装控制盖板和其它控制阀、沟通主油路与控制油路的基础阀体。
插装元件由阀芯、阀套、弹簧以及密封件组成(图3)。
每只插件有两个连接主油路的通口,阀芯的正面称为A口;阀芯环侧面的称作B 口。
阀芯开启,A口和B口沟通;阀芯闭合,A口和B口之间中断。
因而插装阀的功能等同于2位2通阀。
故称二通插装阀,简称插装阀。
图3插装元件根据用途不同分为方向阀组件、压力阀组件和流量阀组件。
同一通径的三种组件安装尺寸相同,但阀芯的结构形式和阀套座直径不同。
三种组件均有两个主油口A和B、一个控制口x,如图4所示。
a)方向阀组件b)压力阀组件c)流量阀组件1-阀套2-密封件3-阀芯4-弹簧5-盖板6-阻尼孔7-阀芯行程调节杆图3-89插装阀基本组件2插装阀主要组合与功能2.1插装方向控制阀插装阀可以组合成各式方向控制阀。
插装阀在液压系统中的应用插装阀具有内阻小,结构简单,工作可靠,标准化程度高,对于大流量、高压力、较复杂的液压系统可以显著的减小尺寸和重量等特点;而实心胎硫化机组液压系统工作时需要大流量、高压力油,因而,此系统可以应用插装阀满足要求。
一、插装阀的工作原理及特点插装阀是另一类液压控制阀的统称。
其基本核心元件是一种液控型、单控制口的装于油路主级中的两通液阻单元(故又称二通插装阀)。
将一个或若干个插入元件进行不同的组合,并配以相应的先导控制级,可以组成插装阀的各种控制功能单元。
比如方向控制功能单元、压力控制单元、流量控制单元、复合控制功能单元。
插装阀具有以下特点:内阻小,适宜大流量工作;阀口多数采用锥面密封,因而泄漏小,对于乳化液等地粘度的工作介质也适宜,结构简单、工作可靠、标准化程度高;对于大流量、高压力、较复杂的液压系统可以显著的减小尺寸和重量。
其结构如图1:图1 二通插装阀结构它是由插入元件、控制盖板、通道块三大部分组成。
插入元件有阀芯、阀套、弹簧和密封件组成;控制盖板上根据插装阀的不同控制功能,安装有相应的先导控制级元件;通道块既是嵌入插入元件及安装控制盖板的基础阀体,又是主油路和控制油路的连通体。
其中A、B为主油路通口,C为控制油路通口。
A、B、C油口的压力和作用面积分别为PA、PB、PC和A1、A2、A3,A3=A1+A2,Fs为弹簧作用力。
二、插装阀在液压系统中的应用我们先来看看图2实心胎硫化机组液压系统中主油缸部分的液压原理图(部分系统原理图,非完整原理图)。
图2实心胎硫化机组液压系统中主油缸部分的液压原理图由图可知,此系统全部采用插装阀来控制,要求起到不同液压阀的作用。
根据机械本身的特点以及主要技术参数:要求油缸上行速度达到20mm/s ,下行速度达到25mm/s ,缸径/杆径Φ600mm/Φ540mm ,由公式流量Q=A*V可得到油缸进油腔所需流量为339L/min ,所需流量较大;再者主机系统对于机械运动动作灵敏性要求较高,液压系统密封性要求较严,综合考虑,因而选用插装阀作为油路控制元件。
二通插装阀及其集成系统2004年11月2日目录1、概术2、二通插装阀的结构及工作原理:(1)、插入元件(2)、先导元件(3)控制盖板(4)、插装阀体3、插入元件的结构及工作原理3.1基本结构3.2、几种最常用的插入元件主要用途介绍3.2.1、方向插入元件3.2.2、压力插入元件4、控制部分4.1、二通插装阀常用的先导元件4.2、二通插装阀控制盖板:4.2.1、方向阀控制盖板:图84.2.2、压力控制盖板:图94.2.3、节流控制盖板。
图105、二通插装阀组合能力强的重要特性介绍6、二通插装阀集成系统:二通插装阀及其集成系统1、概术:1.1、液压系统类型:滑阀式管式连接系统、滑阀式板式集成系统、叠加阀集成系统、二通插装阀集成系统以及它们组成的混合系统。
1.2液压系统组成:液压传动系统主要由三部组成:1、能量转换装置:泵、马达和油缸等组成(将原动机的机械能转变成液压能再通过液压系统的执行机构将液压能转变成机械的旋转运动或直线运动)。
2、液压控制系统:即由联接起来的各种阀(包括各种方向阀、压力阀和流量等组成),通过他们控制液压系统的压力、油液的流量和流向,以满足机器所规定的工艺循环和动作要求;3、辅助动系:包括油箱、滤油器、油温水冷装置、空气滤清器以及各种仪表等。
液压控制系统好坏直接影响液压机的性能(系统的可靠性、密封性、经济性、安装维修方便性等),没有先进的液压控制系统就不会有先进的液压系统;而二通插装阀的集成系统是当今比较先进的液压控制系统,它的主要特点:1、通流能力大、流阻损失小、内泄漏少。
2、大大简化了安装管道,结构紧凑,安装维修方便。
3、标准化程度高(插入元件、先导元件、控制盖板,JK块体等都已标准化),工艺性能好。
4、开关响应速度快、动作可靠。
5、结构简单,抗污染能力强。
2、二通插装阀的结构及工作原理:一个二通插装阀通常是由插入元件、先导元件、控制盖板和插装阀体四个部分组成的;如图1图1(1)、插入元件:插入元件是二通插装阀的主级或功率元件,插装在阀体或集成块中,通过它的开启动作和开启量大小来控制油流的通断,压力的高低,以及流量的大小,即实现对液压执行机构的方向,压力和速度的控制。
第四章液压控制元件—插装阀文章目录[隐藏]∙第四章液压控制元件—插装阀∙ 4.5插装阀∙ 4.5.1插装阀的结构∙ 4.5.2插装阀的动作原理∙ 4.5.3插装阀用作方向控制阀∙ 4.5.4插装阀用作方向、流量控制阀∙ 4.5.5插装阀用作压力控制阀第四章液压控制元件—插装阀4.5插装阀液压插装阀是由插装式基本单元(以下简称插件体)和带有弓|导油路的阀盖所组成。
按回路目的,配不同的插件体及阀盖来进行方向、流量或压力的控制。
插装阀是安装在预先开好阀穴的油路板上(manifold blocks)而构成我们所需要的液压回路,如图4-54所示,因此可使液压系统小形化。
插装阀是七十年代初才出现的-种新型液压元件,为一多功能、标准化、通用化程度相当高的液压元件,适用于钢铁设备、塑胶成型机以及船舶等机械中。
插装阀的特点是:1)插装阀盖的配合,可具有方向、流量及压力控制功能。
2)件体为锥形阀结构,因而内部泄漏极少,不存在液压下紧现象,并没有如滑轴(spool)的重叠现象,反应性良好,可进行高速切换。
3)最适于压力损失小的高压大流量系统。
4)插装阀直接组装在油路板上,因而少了由于配管弓|起的外部泄漏、振动、噪音等事故,系统可靠性增加。
5)安装空间缩小,是液压系统小形化。
同时和以往方式相比,可降低液压系统的制造成本。
图4-54插装阀构成的液压回路外观图4-54插装阀构成的液压回路外观4.5.1插装阀的结构由插装阀所组装成的液压回路,通常含有下列基本元件:1.油路板图4-55插装阀油路板亦有人称为集成块,这是方块钢体-上挖有阀孔,用以承装插装阀,如图4-55所示。
图4-56油路板上主要阀孔和控制通道图4-56为常见油路板上主要阀孔和控制通道,X Y为控制压油油路,F为承装插件体的阀孔,A口B口是配合插件体的压油工作油路。
2.插件体插件体(cartnidges)主要由锥形阀(poppet)、弹簧套管(sleeve)及若干个密封垫圈所构成,如图4-55所示。
液压阀的种类引言:液压阀作为液压系统中的重要组成部分,在工程领域中扮演着至关重要的角色。
液压阀的功能是控制流体的流动,并用于控制液压设备的工作状态。
本文将介绍几种常见的液压阀类型,包括溢流阀、插装阀、方向阀和比例阀等。
一、溢流阀溢流阀是一种常见的液压阀,用于限制液压系统的压力。
当系统压力超过设定值时,阀门自动打开,以将多余的液体引回油箱。
溢流阀通常由一个弹簧和一个可调节的开关组成,可以灵活地调整溢流阀的设定压力。
二、插装阀插装阀是一种小型液压阀,适用于需要紧凑设计的液压系统。
插装阀由一个插头和一个插座组成,插装在液压系统的管路中。
插装阀具有多种功能,例如流量控制、压力控制和方向控制等。
插装阀的优点是易于安装和更换,适用于多种应用场合。
三、方向阀方向阀是一种用于控制液压系统中油液流向的阀门。
方向阀通常由一个或多个阀门组合而成,用于控制液体的流动方向。
方向阀有多种类型,包括手动方向阀、电磁方向阀和液控方向阀等。
方向阀的作用是将液体引导到所需的位置,实现液压设备的正常运行。
四、比例阀比例阀是一种特殊的液压阀,用于精确控制液压系统中的流量或压力。
比例阀可以根据输入信号的变化来控制阀口的开度,从而实现对液压设备的精确控制。
比例阀广泛应用于需要高精度控制的系统,例如工业自动化生产线和机器人控制系统等。
五、安全阀安全阀是一种用于保护液压系统安全的阀门。
当系统压力超过安全阀的设定压力时,安全阀会自动打开,以释放油液并降低系统压力。
安全阀通常由一个调节弹簧和一个可调节的开关组成,可以根据需要调整设定压力。
六、逻辑阀逻辑阀是一种用于根据系统需求来控制液压系统中流量和压力的阀门。
逻辑阀根据输入信号的变化,通过改变阀门的开度来控制油液的流动。
逻辑阀具有复杂的结构和高精度的控制功能,广泛应用于需要复杂控制的液压系统中。
结论:液压阀是液压系统中不可或缺的组成部分,通过对液体的流动和压力的控制,实现液压系统的正常运行。
本文介绍了几种常见的液压阀类型,包括溢流阀、插装阀、方向阀、比例阀、安全阀和逻辑阀等。
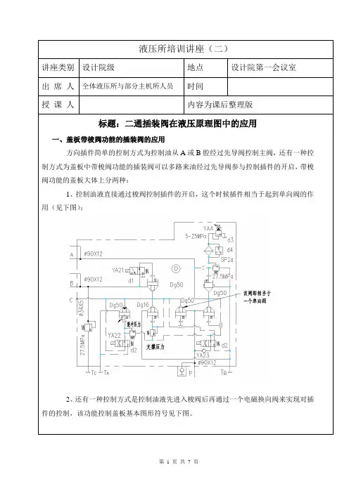
液压所培训讲座(二)讲座类别设计院级地点设计院第一会议室出席人全体液压所与部分主机所人员时间授课人内容为课后整理版标题:二通插装阀在液压原理图中的应用一、盖板带梭阀功能的插装阀的应用方向插件简单的控制方式为控制油从A或B腔经过先导阀控制主阀,还有一种控制方式为盖板中带梭阀功能的插装阀可以多路来油经过先导阀参与控制插件的开启,带梭阀功能的盖板大体上分两种:1、控制油液直接通过梭阀控制插件的开启,这个时候插件相当于起到单向阀的作用(见下图);2、还有一种控制方式是控制油液先进入梭阀后再通过一个电磁换向阀来实现对插件的控制,该功能控制盖板基本图形符号见下图。
2012年系统培训讲座(二)二、插装阀在原理图中的具体应用插装阀在原理图中主要应用于泵出口块、自重块、液压垫块三部分。
1、在泵出口块中的应用压力插件在泵出口块中主要功能为:①在泵工作时为泵提供一个安全压力,作安全阀用,②当不需要该泵提供压力是使其处于空循环状态,由电磁阀来控制实现,见下图。
2012年系统培训讲座(二)方向插件在泵出口块中的主要功能为:①对泵起安全保护作用,防止其他泵的来油(或系统回油)对泵进行冲击,②可以对泵出口的油液走向起控制作用,见上图中通过YA11a可以控制使4号泵向A1或A2管路出油。
2、插装阀在自重块中的应用自重块的主要功能是控制泵出口块的来油,通过控制泵来油处的两个方向插件Ⅲ、Ⅳ(称其为进油阀)的开启使其分别向主缸上腔和下腔供油,从而完成主缸下行和回程的动作。
主缸上腔有一个调压阀Ⅵ,压力的调整可以通过都d3来实现比例调压,也可以用d5来实现手动调压,由于现在设备自动化程度越来越高,所以大部分产品都用比例调压。
Ⅴ号插件是一个安全支撑阀,对油缸的下腔起一个支撑作用,由于滑块有一定的重量,所以会对下腔产生一个压力,通过该压力可以作用到插件Ⅴ的上腔,这样插件Ⅴ在自身压力的作用下可以关死,先导阀采用电磁球阀可以避免漏损,这样可以避免滑块在任意位置静止时自行下溜。
插装阀(逻辑阀)普通液压阀是目前液压传动系统中最常用的液压阀,它们已有几十年历史了,不仅它们本身的结构和性能日趋完善,而且为了使液压系统结构紧凑,减少阀间的连接管道,便于安装、使用和维修,也发展了很多种用这种液压阀或它们的变型(如叠加阀)构成的集成系统从而使液压技术的发展进入了一个新的阶段。
但是,用这些常用液压阀构成集成系统的各种方式,仅对小流量的液压系统能收到较为良好的效果,对中、大流量,特别是流量大于200L/min的液压系统,采用这些方式进行集成仍不免有很多困难,一般还只能采用管道进行阀间的连接来组成系统。
由于流量大,管道粗,因此配管工作量很大,安装、维修困难,且易出现漏油、振动等到弊病,这逐渐成了液压技术发展中的一个难题。
七十年代初,作为液压技术的一个分支---液压插装阀(逻辑阀)出现了。
它不仅能实现常用液压控制阀的各种动作要求,而且与普通液压阀比,在控制同等功率的情况下,具有重量轻、体积小、功率损失小、动作速度快和易于集成等突出的优点,特别适用于大流量液压系统的控制和调节。
因而圆满地解决了过去大流量液压控制系统难以集成的困难,也为特大流量和较复杂的液压控制系统的设计开创了一条新的道路。
我国山东济南铸锻机械化研究所从1976年就开始设计和研究插装阀。
目前,国内已在各种液压机上获得广泛地应用。
并取得了良好的效果,很多厂家生产插装阀和插装阀系统,我厂现在生产的液压机系列产品基本上都采用插装阀。
液压插装阀,由于它的主要元件均采用插入式的连接方式,所以又称为插入式液压阀。
它的主要元件—阀芯的形状是筒形的,因此,也有称它为筒形阀的。
也因为它的主要元件大部分靠锥面密封来切断油路,为了与常用的滑阀式液压阀相区别,故亦称为锥阀式液压阀。
插装阀的工作原理一般来说,一个液压控制系统总要对油流的方向、压力、流量进行控制,使液压执行机构(如油缸、油马达)按一定的规律进行工作,才能实现液压传动机械所要求的动作。
液压控制阀就是在液压系统中实现对油流控制的元件。
二通插装阀工作原理及功能
二通插装阀是一种用于控制流体流动的阀门,它通常由一个阀体和一个阀芯组成。
阀体通常为圆筒形,内部有一个或多个沟槽,用于固定阀芯。
阀芯是一个可以在阀体内移动的零件,通常由金属制成。
该阀的工作原理是通过旋转阀芯来控制阀内的通道的开关。
阀芯上有一个或多个孔,通过旋转阀芯,可以使孔与阀体内沟槽对齐或关闭。
当阀芯上的孔与沟槽对齐时,流体可以通过阀门的通道流动;当孔与沟槽不对齐时,流体将被阻断。
二通插装阀的主要功能是控制流体的流动方向和流量。
通过旋转阀芯,可以选择让流体从一端流向另一端,也可以阻断流体的流动。
此外,通过控制阀芯的旋转,还可以实现对流体流量的调节。
在工业和工程应用中,二通插装阀常用于气动和液压系统中,用于控制流体的方向和流量,实现对系统的控制和调节。
例如,在液压系统中,二通插装阀可以用于控制液压缸的工作方向和速度;在气动系统中,二通插装阀可以用于控制气动执行元件的运动。
总之,二通插装阀通过旋转阀芯来控制流体的流动方向和流量,是一种常用的控制阀门,具有广泛的应用。
二阀组功能
二阀组是一种用于控制流体介质的设备,具有多种功能,具体如下:
1. 流体切换功能:根据需要将二阀组在两种流体之间进行切换,以实现不同流体介质的输送或控制。
2. 流量调节功能:通过调节二阀组阀口的开度,可以控制流体介质的流量,以满足不同的工艺需求。
3. 压力控制功能:二阀组可以根据需要进行压力的调节,确保流体介质压力稳定并满足工艺要求。
4. 温度控制功能:根据需要,可以将二阀组应用于温度控制场合,实现流体介质的加热或冷却。
5. 方向控制功能:通过改变二阀组的流向,可以控制流体介质的流动方向,以满足工艺流程的需求。
6. 信号采集功能:部分二阀组具有信号采集功能,可以监测流体介质的压力、温度、流量等参数,并通过通讯接口将数据传输到上位控制系统进行监测和控制。
7. 阻尼功能:在某些情况下,二阀组可以起到阻尼作用,减小流体介质的波动,提高系统的稳定性。
总之,二阀组在流体控制领域具有广泛的应用价值,其功能的多样性使得二阀组在各种工艺流程中能够发挥重要的作用。
二通插装阀(方向流量控制用)TJ型插件 TG型控制盖板HCY001-1108规格16-160,符合DIN24342 ISO7368 GB2877 2011.08二通插装阀是采用先导控制、座阀结构主级和插装式连接的新型液压集成控制元件,已广泛应用于各种工业液压系统。
本型二通插装阀安装尺寸符合DIN 24342、ISO7368和GB 2877,可与国外主要厂商同类产品互换。
产品采用钢质毛坯,控制盖板及阀体表面均进行化学镀镍处理。
并具有以下设计特点:1 可选阀芯带或不带缓冲尾部2 可选4种面积比3 可选5种开启压力4 可选2种行程调节器5 一套多芯的插件结构6 可选内嵌梭阀或带先导叠加阀的控制盖板7 可选先导电磁换向阀(滑阀或座阀)1 基本结构二通插装阀的典型结构如图1。
方向控制用二通插装阀是一种液控单向阀,它也是一种基本的方向控制单元(二位二通),主要由三部分组成:插件、控制盖板和先导阀。
1.1 插件插件由阀芯、阀套、弹簧和密封件等组成。
阀芯和阀套构成一个座阀主级,阀芯可以选择带或不带节流尾部、带阻尼孔或侧向钻孔等多种结构形式,以满足方向控制以及缓冲、节流、安全保护等多种附加功能的需要。
方向控制用阀芯有4种面积比,即αA=A A:Ax=1:2、1:1.5,复位弹簧有5种刚度选择,以满足不同的开启压力要求。
1.2 控制盖板控制盖板用以固定插件、提供先导控制通道以及安装先导控制阀或内嵌先导阀、安装阀芯行程调节机构等。
控制盖板内可选装一个或多个阻尼螺塞,用以调整插装阀的开关响应时间特性。
1.3 先导阀采用小规格(NG6或NG10)电磁换向阀(滑阀或座阀),通过电或其他信号控制主级启闭,进而实现各种功率回路。
1.4 集成特点各种形式的插件均可安装在符合DIN 24342、ISO7368和GB 2877的安装孔内。
在同一阀块上按回路要求加工多个安装孔、主级及先导控制通道,配装所要求的插件和先导控制元件,便可构成系统要求的液压控制集成块。