某肉制品有限公司管理系统污水处理厂实用工艺设计
- 格式:doc
- 大小:245.28 KB
- 文档页数:21
某肉联厂100T/D屠宰废水处理工程设计方案某环保设备有限公司目录一、水量、水质二、处理工艺流程三、工艺说明四、工程投资估算一、水量、水质1、污水性质:肉类加工废水2、处理水量:100m3/d,工作时间为20h/d,折合处理量5m3/h。
3、进出水水质:根据同类污水水质项目进水水质(mg/l) 处理后要求(mg/l)COD 2850 ≤100BOD800 ≤305SS 750 ≤70-N 30-50 ≤15NH3油56.9 ≤20PH 6~9 6~9注:出水水质达到国家《肉类加工企业排放标准》GB13457-92一级标准。
二、处理工艺流程肉类加工废水含有大量的污血、油脂、肉屑等杂物,COD与油脂值较高。
废水中油脂浓度超过100mg/l时,油脂及COD的生化去除效率将下降,因此该废水必需采取有效的预处理,去除大部分油脂、悬浮物后,再进行生化处理。
一般肉类加工废水的可生化性较好,所以本方案拟采用物化加生化的方法来处理该废水,其工艺流程如下:PAC AlCl3废水→格栅→隔油调节池→气浮→酸化池→生化池→沉淀池→过滤器→二氧化氯发生器→排放上清液回流渗沥液回流工艺流程叙述:废水汇集后经明渠或管道进入格栅井,格栅井装有机械格栅,去除大的漂浮物以保证后续处理构筑物的正常运行;然后自流入隔油调节池,调节池不仅起水量调节作用,同时对水质起均化作用。
设置提升泵,将废水提升至气浮池,在泵后投加混凝剂,利用管道混合器混和。
废水经混凝反应后自流进入气浮池分离室分离,气浮可以去除绝大部分SS、色度、油脂及一部分COD。
经处理后废水自流进入水解酸化池中进行生化处理。
通过水解酸化工艺后废水中溶解的有机物比例显着增加,BOD/COD值提高,有利于难降解有机物的去除。
废水经水解酸化后自流进入接触氧化池,经接触氧化处理可去除绝大部分溶解性有机物,使废水COD达标。
接触氧化池出水自流至沉淀池,在生化池未端投加三氯化铝,以达到除磷目的。
肉制品污水处理方案(总9页)--本页仅作为文档封面,使用时请直接删除即可----内页可以根据需求调整合适字体及大小--目录1. 概述 ............................................................................................... 错误!未定义书签。
2. 设计依据、原则及范围 .................................................................. 错误!未定义书签。
.设计依据 .............................................................................................. 错误!未定义书签。
.设计原则 .............................................................................................. 错误!未定义书签。
.设计范围 .............................................................................................. 错误!未定义书签。
3. 废水处理工艺设计 ......................................................................... 错误!未定义书签。
.废水水质、水量及其性质 .................................................................. 错误!未定义书签。
.工艺流程及说明 .................................................................................. 错误!未定义书签。
某肉制品污水处理厂工艺设计中文摘要:在各种食品加工工业污水中,肉类加工排放的污染物占中排放量的第一位。
肉类加工污水主要来自圈栏冲洗、牲畜的淋洗、屠宰、煺毛、解体、佟修、副食品加工、洗油、油脂加工等。
此外,还有来自车间卫生设备、洗衣房等设施的生活污水和冷冻机方的冷却水。
其中生产过成产生的富含有机物的废水其污染负荷很高。
因此,对该肉制工业废水处理主要采用厌氧处理与好氧处理相结合的方法。
根据设计进水、出水的水质指标分析,考虑到污水负荷高、工艺先进可靠、流程简单、易于管理、操作灵活的原则,选定了如下工艺流程。
对于肉制厂污水其处理过程分为一级处理、二级处理。
一级处理:格栅、调节池、隔油沉淀池;二级处理:生物厌氧接触法、辐流式沉淀池、生物接触氧化池该工艺的最大优点是:废水通过一级预处理阶段去处大部分无机颗粒、悬浮物、油脂和色度。
引进二级生物处理更好的去处有机污物及难于用物理化学法处理掉的各种污染物。
污泥处理过程主要通过污泥的浓缩、脱水等工序,利用适当的技术措施,为污泥提供出路,最终将污泥部分或全部外运与利用。
关键词:工业废水,废水处理, 一级处理, 二级处理,去除率目录1.设计任务书 (1)1.1设计题目 (1)1.2设计资料 (1)1.3设计容及要求 (1)1.4推荐参考文献 (1)2、工艺流程选择 (2)2.1废水来源 (2)2.2水质特征 (2)2.3废水处理工艺选择 (2)2.4工艺设备简介 (4)3.设计计算书 (6)3.1格栅的计算 (6)3.1.1粗格栅 (6)3.1.2细格栅 (6)3.2隔油沉淀池计算 (7)3.3调节池的计算 (8)3.4厌氧接触反应器 (8)3.4.1消化池 (8)3.4.2沉淀池 (9)3.5生物接触氧化池 (9)3.6接触沉淀池 (11)3.7污泥部分的计算 (11)3.7.1集泥井 (11)3.7.2污泥重力浓缩池 (12)4.污水厂平面布置图与构筑物图 (13)参考文献 (13)总结 (13)辞 (14)1.设计任务书1.1设计题目某肉制品污水处理厂工艺设计1.2设计资料(1)设计水量14000 m3/d(2)水质设计的进水水质 (mg/L , pH除外)项目pH NH3- N SS CODcr BOD5 色度进水6~10 30~90 200~800 2000~2500 900~1200 800~250 (3)处理要求设计的出水水质 (mg/L , pH除外)项目pH NH3- N SS CODcr BOD5 色度出水6.0~8.5<15 <70 <80 <30 <501.3设计容及要求(1)设计容①通过论证分析,确定合理的工艺流程;②选择适宜的设计参数,对构筑物进行设计计算,确定构筑物的工艺尺寸及主要构造;进行污水处理站的平面布置,合理安排处理构筑物。
肉制品污水处理方案肉制品污水处理方案该方案旨在制定肉制品加工厂污水处理方案,以达到环境保护和合规要求。
本方案将从前期准备、工艺设计、设备选型、操作流程、排放标准等方面进行细化阐述。
一、前期准备1.1 环境评估和法律法规调研在制定污水处理方案之前,对肉制品加工厂的环境状况进行评估,并调研相关的法律法规,包括但不限于《大气污染防治法》、《水污染防治法》等。
1.2 污水性质分析对肉制品加工厂的污水进行性质分析,包括污水的COD、BOD、SS、氨氮、PH值等指标的确定。
1.3 目标设定根据国家和地方环保标准,确定适用于肉制品加工厂的污水排放标准,并设定污水处理目标,如COD和BOD的降低率、污水处理效率等。
二、工艺设计2.1 传统生物处理工艺根据肉制品污水的特点,采用传统的生物处理工艺,包括A/O 生物处理、活性污泥法等。
2.2 高级氧化工艺对于肉制品加工厂垃圾渗滤液的处理,引入高级氧化工艺,如臭氧氧化、紫外线辐照等。
2.3 膜分离工艺针对肉制品加工厂中的浓缩液和浓缩滤液,采用膜分离工艺,包括微滤、超滤、反渗透等。
三、设备选型3.1 污水预处理设备根据肉制品加工厂的污水性质和处理要求,选用适当的污水预处理设备,如格栅、沉砂池、污泥脱水机等。
3.2 污水处理设备根据工艺设计确定的工艺流程,选用适当的污水处理设备,如曝气池、活性污泥池、絮凝剂投加系统等。
3.3 膜分离设备选用适当的膜分离设备,如微滤膜、超滤膜、反渗透膜等,用于处理浓缩液和浓缩滤液。
四、操作流程4.1 污水收集与预处理收集肉制品加工厂的污水,经过预处理设备处理后,达到预处理要求。
4.2 主要处理工艺将预处理过的污水进入主要处理工艺,如生物处理、高级氧化、膜分离等,进行污水的降解和分离。
4.3 污泥处理将处理后的污泥进行脱水处理,如采用污泥脱水机将污泥脱水成干固体物,以方便后续处理或处置。
五、排放标准根据国家和地方的环保标准,制定肉制品加工厂的污水排放标准,并确保达到相关要求。
某肉类加工企业污水处理厂改造工程设计实例与探讨某肉类加工企业污水处理厂改造工程设计实例与探讨一、引言随着工业化进程的推进,肉类加工企业规模不断扩大,然而,由于生产过程中产生大量的废水,对环境造成了严重的污染问题。
为了有效解决这一问题,降低环境污染的程度,某肉类加工企业决定对污水处理厂进行改造工程设计。
本文将对该工程实例进行详细的探讨和研究。
二、工程背景某肉类加工企业位于城市郊区,废水主要来源于肉类加工生产过程中的清洗、消毒以及冷却等环节。
由于污水处理厂老化,设备陈旧,对废水的处理效果不理想,导致周边水环境受到污染影响。
为了改善环境,保护生态,企业决定对污水处理厂进行改造。
三、工程设计目标1. 提高处理效果:通过改造,实现废水处理厂的处理效果最大化,使废水达到国家排放标准。
2. 减少能耗:在改造过程中,优化设备配置,降低能耗,提高设备效率。
3. 减少污泥产生:通过引进新的处理技术,减少污泥的产生量。
4. 推动环保发展:借助该工程,带动企业和周边肉类加工企业的环境治理意识,推动行业的绿色发展。
四、改造工程设计方案1. 注重前期工作:在工程前期,必须进行详尽的调研和数据搜集,了解原污水处理厂的运行状况,分析废水的性质和特点,为后续工程设计提供准确的依据。
2. 设备更新升级:对老化的设备进行更新升级,引进具有先进处理技术的设备,如生物处理设备、膜分离设备、气浮设备等,以提高处理效果和设备的运行效率。
3. 引入新技术:通过引入先进的废水处理技术,如MBR工艺、深度处理工艺等,降低COD、BOD等指标的含量。
4. 减少能耗:优化工艺流程,合理设计设备配置,节约能源消耗,如在中水循环利用中采用换热器等方式,降低能耗。
5. 污泥处理和资源化:在改造过程中要考虑全面污泥的处理问题,如采用污泥厌氧消化、利用生物气等处理手段,使污泥量减少且能够得到有效利用。
五、改造工程实施改造工程实施过程中需要经过工程设计、设备采购、施工及调试等多个阶段。
内蒙古科技大学本科生毕业设计说明书题目:某肉制品厂污水处理工艺设计学生姓名:***学号:**********专业:环境工程班级:07-环境-5班指导教师:***目录摘要 (I)Abstract (II)第1章设计任务书 (3)1.1设计题目 (3)1.2设计原始资料 (3)1.2.1设计水量 (3)1.2.2原水水质 (3)1.2.3水文地质资料 (3)1.2.4出水水质 (3)1.2.5图纸绘制 (3)第2章设计水质水量的计算 (4)2.1污水量的计算 (4)2.1.1设计流量 (4)2.2 污水水质 (4)2.2.1进水水质 (4)2.2.2出水水质 (4)第3章确定工艺流程 (5)3.1传统工艺(曝气) (5)3.1.1本工艺具有的优点 (5)3.1.2本工艺存在的各项待解决问题 (5)3.2 除磷脱氮工艺 (5)3.2.1 A2/O工艺 (5)3.3.2 氧化沟 (7)3.2.3 SBR工艺 (8)3.3具体构筑物的选择 (10)3.3.1格栅 (10)3.3.2沉砂池 (11)3.3.3沉淀池 (11)3.3.4一级强化处理 (12)3.3.5二次沉淀池 (12)3.3.6计量设备 (12)3.3.7污水消毒 (13)3.3.8污泥处理和处置 (13)第4章污水的一级处理 (17)4.1泵房前中格栅 (17)4.1.1设计参数 (17)4.1.2 设计计算 (17)4.2 泵房后细格栅 (20)4.3调节池计算 (22)4.4曝气沉砂池 (23)4.4.1设计参数 (23)4.4.2设计计算 (24)4.5一级强化处理设计计算 (25)4.6 初次沉淀池 (27)4.6.1设计参数 (27)4.6.2设计计算 (27)第5章污水的二级处理 (31)5.1氧化沟 (31)5.1.1设计参数 (31)5.1.2设计计算 (31)5.2二次沉淀池 (39)5.2.1设计要求 (39)5.2.2设计计算 (39)第6章污水的消毒处理 (42)6.1接触池 (42)6.2计量设备 (43)第7章污泥的处理 (47)7.1 污泥量计算 (47)7.2污泥浓缩池 (48)7.3贮泥池 (52)7.3.1贮泥池作用 (52)7.3.2贮泥池计算 (52)7.4污泥脱水 (54)7.4.1脱水污泥量计算 (54)7.4.2脱水机的选择 (55)第8章污水处理厂高程布置 (56)8.1构筑物水头损失 (56)8.2管渠水力计算 (56)8.3 污水处理高程布置 (57)第9章污水泵站设计 (59)9.1泵房设计 (59)9.2泵机组的布置 (59)9.3吸压水管路的布置 (60)9.4泵房高度计算 (60)致谢 (62)某肉制品厂污水处理工艺设计摘要在此污水厂设计中,通过对污水进行预处理、二级处理和消毒处理,使污水最终达到城镇污水处理污染物排放一级B类标准;对处理污水过程产生的污泥经浓缩、脱水处理后外运。
肉类加工废水处理工艺设计1.本设计(论文)课题应达到的目的查阅资料,分析设计基础资料,选择适宜的肉类加工废水处理工艺流程,进行构筑物计算、设备选型、全厂区的平面布置、高程布置、能熟练使用CAD制图绘制构筑物工艺详图。
培养学生具备解决问题和分析问题能力以及初步的环境工程设计能力。
2.本设计(论文)课题任务的内容和要求(1)设计规模:总处理水量(日处理流量1500m3/d)(2)废水水质:根据当地环保部门水质监测及其他同类废水水质类比调查,确定设计原水水质下表。
设计原水水质(表中量的单位除pH、色度(倍)外均为mg/L)项目COD BOD5SS NH3-N 动植物油浓度数值2000 1000 2000 280 120(3)处理要求:出水水质达到《肉类加工工业水污染物排放标准》GB13457-92 一级排放标准。
(4)其他资料根据厂方提供的资料及现场调查获悉,用来建设废水处理站的场地基本平整,土质良好。
废水通过厂区排水管网收集,入废水处理站管底标高为-0.5m;经处理后的水直接排放,排水标高为-0.8m(所给标高均为相对标高,厂区地坪为±0.00m)。
拟建地夏季主导风向为西北风,年平均气温12℃,极端最高气温30.8℃,极端最低气温-9.2℃。
(5)进行污水处理站的平面布置设计和高程布置,合理安排处理构筑物(设备)及辅助建筑物的平面位置及标高;3.本设计(论文)课题任务的内容和要求(1)收集和查阅有关资料,了解工艺加工过程,所排废水的水质、水量特点及排放特点;(2)通过论证分析和比较,确定较为合理的污水处理工艺流程;(3)合理选择设计参数,对构筑物进行工艺计算,确定每个构筑物的工艺尺寸;(4)根据设计结论对设备进行选型;(5)进行污水处理站的平面布置设计和高程布置,合理安排处理构筑物(设备)及辅助建筑物的平面位置及标高;4.对本设计(论文)课题成果的要求设计说明书(含工艺计算)一份,字数在2.0万字以上、图纸不少于4张,其中包括总平面布置图1张,高程布置图1张,主要构筑物工艺详图2张、资料收集齐全,工艺论证正确充分、设计计算概念清楚、公式选取正确、设计参数选取合理,并注明参数出处、设计说明书条理清楚,层次分明,文字通顺,格式规范、图纸表达正确,符合制图规范。
食品厂肉类加工废水工程(10m³/d)设计方案编制单位:目录目录 (II)1 概述 (1)2 设计依据、原则及范围 (3)2.1 设计依据 (3)2.2 设计原则 (3)2.3 设计范围 (4)3 设计水质水量 (5)3.1污水处理规模 (5)3.2 设计进水水质 (5)4 处理工艺 (6)4.1 污水分析及工艺选择 (6)4.2处理工艺单元说明 (7)5 主要设备一览表 (14)6 运行成本分析 (16)6.1 电费 (16)6.2 其他费用 (17)7工程投资估算 (17)8 电气与自动控制 (18)8.1 电气控制 (18)8.2 自动控制 (18)9 环保职业安全卫生 (19)9.1 噪声问题 (19)9.2 污泥问题 (19)9.3 臭气问题 (19)10 事故应急措施 (19)11 安全防护、节能、消防 (20)11.1 安全防护 (20)11.2 节能 (20)11.3 消防 (20)12 绿化、给排水、照明、避雷设施 (21)13 质量保证计划、措施、控制和服务 (21)13.1 质量保证计划 (21)13.2 质量保证措施 (22)13.3 质量控制和服务 (23)14设备包装运输方案 (26)14.1 包装、运输和储存 (26)14.2 标志 (26)14.3 运输 (26)15 企业介绍、资质 ....................................................................... 错误!未定义书签。
1 概述随着肉制品食品需求不断增加,肉类加工工业发展迅猛。
据统计,肉类加工业每年排放废水近20亿吨,占全国废水总排放量的6%左右。
鉴于肉类加工业废水排放量较大,其水质又具有一定的特性。
肉类加工废水含有大量的血污、油脂、油块、毛、肉屑、内脏杂物、未消化的食料和粪便等污染物,外观呈令人不快的血红色,并具有使人厌恶的血腥味。
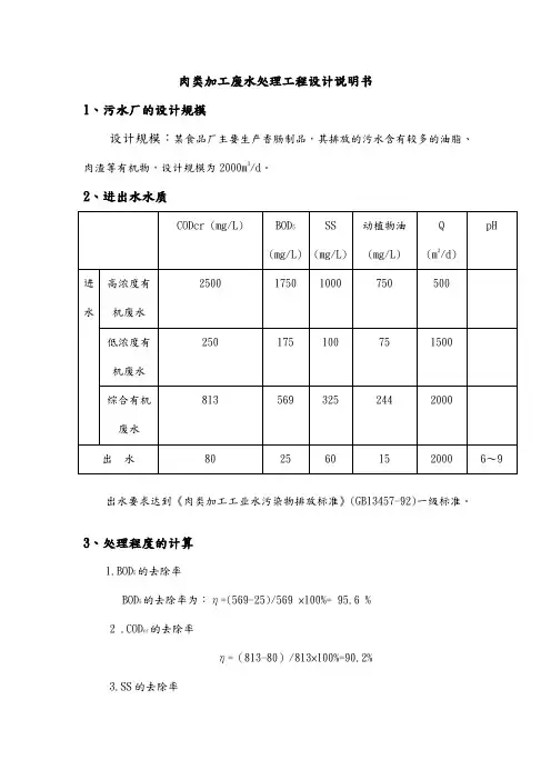
肉类加工废水处理工程设计说明书1、污水厂的设计规模设计规模:某食品厂主要生产香肠制品,其排放的污水含有较多的油脂、肉渣等有机物,设计规模为2000m3/d。
2、进出水水质出水要求达到《肉类加工工业水污染物排放标准》(GB13457-92)一级标准。
3、处理程度的计算1.BOD5的去除率BOD5的去除率为:η=(569-25)/569 ×100%= 95.6 %2 .COD cr的去除率η=(813-80)/813×100%=90.2%3.SS的去除率η=(325-60)/325×100%=81.54%4.动植物油的去除率η=(244-15)/244×100%=93.8%4、肉类加工废水处理工程设计对于易于生物降解的有机废水,生物处理工艺是最有效和经济的处理方法之一。
特别在废水量大的情况下更是如此。
由于肉类加工废水的水量一般都较大,因此,生物处理工艺是肉类加工废水处理采用得最普遍的主体工艺。
又由于肉类加工废水中含有大量的非溶解性的蛋白质、脂肪、碳水化合物和其他杂物,同时肉类加工废水的水质和水量在24h 变化较大,为了防止设备的堵塞,回收有用副产品,降低生物处理设施的负荷和稳定生物处理工艺的处理效果,一些物理方法(如格栅、调节、沉淀、气浮等)和化学方法(如絮凝)也常常与生物处理工艺结合使用,作为生物处理前的预处理。
当废水排放标准高、处理水需要回用时,对生物处理的出水还需要采用一些物理或化学方法(如絮凝、过滤、微滤吸反渗、离子交换、电渗析等)进行深度处理。
某食品厂主要生产香肠制品,其排放的污水含有较多的油脂、肉渣等有机物。
直接好氧工艺处理,存在反应器表面产生大量油性泡沫,使污泥松散,污泥指数很高,C/N、C/P比高,N、P相对不足等问题。
故先用物化手段去除废水中的油脂和肉屑,降低进入的污水浓度,是必要和经济的。
本设计采用气浮—好氧工艺的处理工艺。
污泥回流图标在哪里??5、污水处理构筑物设计5.1格栅5.1.1 格栅作用格栅是一组平行的刚性栅条制成的框架,可以用它拦截水中的大块漂浮物,它起着净化水质和保护设备的双重作用。
肉食品700m3/d肉牛屠宰废水处理工程设计方案设计单位:海天环保科技联系方式:邮箱:361648668qq.地址:省市高新区工业科技园区目录目录 (2)1总论 (6)1.1工程概述 (6)1.2设计目的 (7)1.3设计依据及基础资料 (7)1.4设计原则 (8)1.5设计规 (8)1.6编制围 (9)2基本概况 (10)2.1水质简介 (10)2.1.1废水来源 (10)2.2设计水质水量 (10)2.2.1设计水量 (10)2.2.2设计进水水质 (10)2.2.3设计出水水质 (10)3工艺选择 (12)3.1工艺选择的原则 (12)3.2处理工艺分析 (12)3.2.1预处理工艺 (12)3.3生化处理工艺 (13)3.3.1厌氧工艺对比分析 (13)3.3.2好氧工艺对比分析 (15)3.3.3推荐处理工艺 (17)3.4污泥处理工艺 (17)3.4.1处理工艺对比分析 (17)3.4.2推荐处理工艺 (20)4工艺流程 (21)4.1工艺流程简图 (21)4.2工艺流程说明 (22)5工艺设计 (23)5.1格栅渠 (23)5.2沉砂隔油池 (24)5.3集水池 (24)5.4调节池 (25)5.5溶气气浮池 (26)5.6水解酸化池 (27)5.7A/O池 (28)5.8二沉池 (29)5.9消毒池 (30)5.10污泥浓缩池 (30)6附属构筑物设计 (31)6.1设备间 (31)7污水站总体布置 (31)7.1设计围 (31)7.2平面布置 (31)7.3高程布置 (32)7.4管道布置 (33)8建筑与结构设计 (33)8.1设计原则 (33)8.2自然条件 (33)8.3主要构筑物设计 (34)9电气设计 (34)9.1供电电源 (34)9.2供电系统 (34)9.3配电及计量 (35)9.4保护方式 (35)9.5启动方式 (35)9.6照明 (35)10自控和仪表设计 (36)10.1仪表设计 (36)11公用设计 (37)11.1给水排水 (37)11.2消防 (37)11.3劳动保护 (38)11.4照明 (38)11.5综合用房 (38)11.6绿化 (38)11.7道路 (39)11.8通风 (39)11.9保温 (39)12劳动定员及运行管理 (39)12.1编制原则 (39)12.2运行管理 (39)13施工组织 (40)13.1现场施工总体部署 (40)13.2现场施工组织细则 (41)14投资估算及经济分析 (46)14.1编制说明 (46)14.2投资估算书 (46)14.3运行成本分析 (48)15调试与化验分析 (48)15.1调试与运行 (48)15.2化验分析 (49)16供货围 (50)17交货进度 (50)18质量管理及售后服务 (51)18.1质量管理 (51)18.2技术支持与售后服务 (51)1总论公司简介:海天环保科技位于省市开发区工业科技园区,是项目投资、科研开发、工程设计及建设、运行管理、咨询服务等多种业务于一体的综合性环保企业。
肉鸡屠宰场污水处理工艺设计案例肉鸡屠宰场污水处理工艺设计案例近年来,随着养殖业的快速发展,肉鸡屠宰场的数量也逐渐增加。
然而,随之而来的是大量的污水排放问题,给环境带来了压力。
因此,设计一套科学有效的肉鸡屠宰场污水处理工艺,成为了亟待解决的难题。
一、工艺原理肉鸡屠宰场污水主要来自屠宰过程中的血液、内脏和粪便等有机物质,以及清洗设备和地面的废水。
根据污水的特点,采用物理、化学和生物等多种方法进行处理。
工艺流程包括预处理、进水调节、生化处理和污泥处理四个阶段。
预处理:将原始污水通过沉淀、格栅和除渣等措施,去除其中的大颗粒悬浮物和杂质,以减少后续处理的负担。
进水调节:针对不同肉鸡屠宰场污水的特点和浓度,进行进水量和水质的调节。
通过加酸、碱或氧化剂等措施,调整污水的酸碱度和氧化还原电位,为后续处理做好准备。
生化处理:利用好氧生物和厌氧生物两种微生物作用,对污水中的有机物进行分解和转化。
好氧生物处理器采用接触氧化装置,氧气与水中有机物质发生反应,产生二氧化碳、水和微生物生物体。
厌氧生物处理采用完全混合式反应器,微生物通过无氧呼吸,将有机物质分解为二氧化碳、水、甲烷和硫化物等。
污泥处理:将处理后的生活污水中的浓缩底泥经过脱水处理,使之减少体积,然后进行浓缩、消化和干化等工艺处理。
分别采用浓缩污泥沉淀、加药絮凝和电渣离子共价等方法,将污泥中的膜状物质和重金属去除。
二、污水处理工艺设计根据上述原理,设计了一套对肉鸡屠宰场污水进行处理的工艺方案:1. 预处理:设立一个格栅,去除掉污水中的大颗粒杂质和固体悬浮物。
然后,采用沉淀池对污水进行初步的沉淀,进一步去除悬浮物。
2. 进水调节:对进入调节池的污水进行酸碱度的调节,保持在7左右,同时添加适量氧化剂,以促进有机物质的分解。
3. 生化处理:将调节后的污水分别投入好氧生物处理器和厌氧生物处理器,进行生物分解和转化。
好氧生物处理器通过提供充足的氧气,使微生物能够充分的进行有机物分解。
肉制品污水处理方案肉制品污水处理方案⒈引言在肉制品加工过程中,产生大量的污水,其中含有有机物、氮、磷等污染物质,对环境造成了严重的影响。
为了保护环境,减少对水资源的浪费,需要采取有效的污水处理方案。
本文将提供肉制品污水处理方案的详细内容。
⒉污水收集与预处理⑴污水收集系统描述肉制品生产过程中产生的污水收集系统,包括排水管道的布局、排水口的设置等。
⑵机械预处理介绍通过机械设备对污水进行初步处理,包括固液分离、粉碎、过滤等工艺。
⑶化学预处理说明采用化学方法对污水进行预处理的过程,包括添加药剂、中和、调节PH值等步骤。
⒊污水处理工艺⑴生物处理工艺详细描述采用生物处理工艺对污水进行处理,包括好氧处理、厌氧处理、活性污泥工艺等。
⑵物化处理工艺介绍采用物理和化学方法对污水进行处理,如吸附、膜分离、氧化等工艺。
⑶深度处理工艺描述对经过前期处理的污水进行深度处理,以去除残留的有机物、氮、磷等难降解物质。
⒋污水处理设备选型与布置⑴设备选型适用于肉制品污水处理的各类设备,包括污水泵、曝气设备、滤池等。
⑵设备布置说明根据实际场地条件和处理工艺选择合适的设备布置方案。
⒌运行管理与维护⑴运行管理提供对污水处理系统的日常运行管理措施,包括操作规程、监测控制等。
⑵设备维护描述污水处理设备的维护和保养工作,确保设备正常运行。
附录:本文档涉及的附件包括:⒈污水处理设备选型报价单⒉工程施工图纸⒊污水处理工艺流程图法律名词及注释:⒈污水排放标准:指根据国家相关法律法规规定,对污水排放中各项指标规定的限值标准。
⒉环境影响评价报告:指为了评价某项工程、项目对环境所产生的影响,依照法定程序编制的评价报告。
⒊污染物排放许可证:指根据国家相关法律法规规定,对特定单位的废水、废气、固体废物等排放进行管理的许可证。
某乳制品厂废水处理工程设计目录1 引言 02 概况 02.1 设计规模 02.2 设计进水水质 02.3 设计出水水质 02.4 设计依据 02.4 设计原则 (1)3 工艺的合理性、先进性 (1)4 污水处理工艺流程与说明 (2)4.1 工艺流程 (2)4.2 工艺流程说明 (3)4.2 处理效果分析 (3)5 工艺设计与计算 (4)5.1 格栅计算 (4)5.2 集水池提升泵 (6)5.3 集水井设计计算 (6)5.4 事故池设计计算 (7)5.5 水解池设计计算 (8)5.6 调节池设计计算 (9)5.7 UASB反应池设计计算 (10)5.8 沉淀池 (24)5.9 清水池 (26)6 鼓风机房设计计算 (27)6.1 设计计算 (27)6.2 风机选择 (27)7 污泥处理系统 (27)7.1 污泥井 (27)7.2 污泥浓缩池 (28)8 带式压滤机 (29)8.1 设计说明 (29)8.2 设计计算 (29)8.3 污泥投配设备 (30)8.4 加药系统 (30)8.5 反冲洗水泵 (30)9 污水处理厂总体布置 (30)9.1 平面布置 (31)9.2 高程布置 (32)10 主要构筑物尺寸、钢筋用量及设备清单 (33)10.1 主要构筑物清单 (33)10.2 主要设备清单 (34)11 经济核算 (36)11.1 设备安装部分 (38)11.2 土建部分 (42)12 废水处理单位成本计算 (44)结论 (46)1 引言乳制品废水是典型的工业废水,因为近些年来国家积极倡导人们消费乳制品,使其成为继粮食、肉类、水产之后必不可少的营养食品[1],同时乳制品行业也成为我国新兴的而且有巨大发展潜力的食品行业,随之而来的就是生产过程中所产生的大量乳制品工业废水,该废水如果排入水体可以大量消耗水中的溶解氧,给水生植物和动物带来极大的危害,因此在排放前必须经过处理。
乳制品生产废水主要来源于生产车间设备加工、容器、管道清洗所产生的较高浓度的废水,以及生产车间与场地清洗产生的较低浓度的废水。
(完整版)某乳制品厂废水处理工程设计一、工程概况:某乳制品厂要求建设一套可处理该厂日产1万吨废水的废水处理系统。
废水主要来源为生产车间,包括洗涤设备、生产过程中产生的洗涤废水、浸泡水、冷凝水、废酸等。
二、设计方案:1、工艺流程:(1)初级处理:厂区附近设立格栅进行过滤,过滤去除较大的悬浮物和有机污染物。
(2)中级处理:将初级处理后的废水送入调节池进行调节,调整废水的水量和水质以保持各处理设备处于最佳工作状态。
之后将废水送到生物处理池进行生物降解。
(3)高级处理:将生物处理后的废水按照工艺流程要求进行深度净化,包括深度过滤、微滤、反渗透、紫外线杀菌、活性炭吸附等处理工艺,最终实现废水达到排放标准。
2、处理设备:(1)初级处理:格栅。
(2)中级处理:调节池、生物处理池。
(3)高级处理:深度过滤器、微滤器、反渗透膜、紫外线灯、活性炭吸附器等。
3、设计参数:(1)系统处理能力:1万吨/日。
(2)水质要求:COD小于250mg/L,BOD小于20mg/L,SS小于30mg/L,pH值在6-9之间。
(3)处理效率:COD去除率大于90%、BOD去除率大于90%、SS去除率大于95%。
(4)配套设备:生化调节池10m³,硬脂酸钙充填生物池200m³,深度过滤器2个,微滤器1个,反渗透膜1个,紫外线灯1个,活性炭吸附器1个。
三、设计思路:本设计的处理工艺采用初中高三级处理,各级处理设备的设计与配置,旨在达到对废水进行有效清除污染的目标,尤其对COD、BOD等指标进行深度处理,实现其能够达到排放标准。
在初级处理方面,通过格栅进行过滤,主要是去除废水中的悬浮物和其他较大的污染物,为后续中级处理打下基础。
在中级处理方面,通过生化调节池、硬脂酸钙充填生物池的生物降解过程,对COD、BOD等有机污染物进行消化分解和降解处理,以达到对废水的过滤和清洁。
在高级处理方面,通过深度过滤器、微滤器、反渗透膜、紫外线灯、活性炭吸附器等设备实现对水质的进一步净化和提升,达到废水的再利用或安全排放的环保要求。
肉食品有限公司废水处理方案目录第一章概述第二章废水的水质、水量及特性第三章废水的排放标准第四章设计思想及原则第五章设计参数的选择第六章工艺流程第七章主要构筑物第八章主要设备及材料第九章运行、费用及占地第十章工程建设投资概算第十一章售后服务及其它第一章概述该食品有限公司是生产肉制品等食品的专业厂家。
本方案主要处理为生产工艺中的设施冲洗废水,其中含有有机污染物及含植物油性废水,该废水具有浓度高、处理难度大,为了更好地落实国家环保法要求,结合情况制订出切实可行的处理工艺流程,达到投资少,运转成本低。
出水要求,环保排放要求。
第二章废水的水质、水量及特性1、废水水量:废水:100 m3/d2、废水水质根据同类型废水的水质及采样分析,确定废水水质为:SS=200mg/l BOD5 =200mg/l CODcr=300 mg/l氨氮=50 mg/l 动植物油=100 mg/l PH 63、废水特性该废水具有浓度高、处理难度大,可生化性好,为了更好地落实国家环保法要求,结合情况制订出切实可行的处理工艺流程。
本方案主要处理为生产工艺中的设施冲洗废水,达到投资少,运转成本低。
出水要求达到环保排放要求。
第三章废水的排放标准废水处理后要求达到优于《污水综合排放标准》(GB8978-1996)一级标准.即:SS=70mg/l BOD5 =30mg/l CODcr=100 mg/l氨氮=15 mg/l 动植物油=20 mg/l PH=6-9第四章设计思想及原则1、废水处理工艺稳定、耐冲击,处理后出水稳定达标排放;2、操作管理方便,便于维护。
3、建设地点及用地:用地应考虑管网布置。
4、本项目设计要求工艺流程简单、处理效率高、自动化程度高、日常维护简便。
5、污水处理站总体布置须与周围环境协调。
6、污水处理站须无噪声、污泥的二次污染,减少对周围生活环境的影响。
7、主体构筑物采用钢筋混凝土结构,设备及器材、管路、电气必须质量可靠,运行稳定。
某肉制品厂废水处理工艺设计内蒙古科技大学本科生毕业设计说明书题目:某肉制品厂污水处理工艺设学生姓名:孙秀娟学号:专业:环境工程班级:指导教师:姜庆宏计0714117505 07-环境-5班目录摘要 (I)Abstract .............................................. II 第1章设计任务书 ........................................ 3 1.1设计题目 .............................................................. 3 1.2设计原始资料 .......................................................... 3 1.2.1设计水量 ............................................................ 3 1.2.2原水水质 ............................................................ 3 1.2.3水文地质资料 ........................................................ 3 1.2.4出水水质 ............................................................ 3 1.2.5图纸绘制 ............................................................ 3 第2章设计水质水量的计算 .................................. 4 2.1污水量的计算 .......................................................... 4 2.1.1设计流量 ............................................................ 4 2.2 污水水质 ............................................................. 4 2.2.1进水水质 ............................................................ 4 2.2.2出水水质 ............................................................ 4 第3章确定工艺流程 ...................................... 5 3.1传统工艺(曝气) ...................................................... 5 3.1.1本工艺具有的优点 .................................................... 5 3.1.2本工艺存在的各项待解决问题 .......................................... 5 3.2 除磷脱氮工艺 ......................................................... 5 3.2.1 A2/O工艺 ........................................................... 5 3.3.2 氧化沟 ............................................................. 7 3.2.3 SBR工艺 ............................................................ 8 3.3具体构筑物的选择 . (10)3.3.1格栅 ...............................................................10 3.3.2沉砂池 .............................................................11 3.3.3沉淀池 (11)3.3.4一级强化处理 (12)3.3.5二次沉淀池 (12)3.3.6计量设备 (12)3.3.7污水消毒 (13)3.3.8污泥处理和处置 (13)第4章污水的一级处理 .................................... 17 4.1泵房前中格栅 ......................................................... 17 4.1.1设计参数 ........................................................... 17 4.1.2 设计计算 .......................................................... 17 4.2 泵房后细格栅 ....................................................... 20 4.3调节池计算 ........................................................... 22 4.4曝气沉砂池 ........................................................... 23 4.4.1设计参数 .......................................................... 23 4.4.2设计计算 ........................................................... 24 4.5一级强化处理设计计算 ................................................. 25 4.6 初次沉淀池 .......................................................... 27 4.6.1设计参数 ........................................................... 27 4.6.2设计计算 ........................................................... 27 第5章污水的二级处理 .................................... 31 5.1氧化沟 ............................................................... 31 5.1.1设计参数 ........................................................... 31 5.1.2设计计算 ........................................................... 31 5.2二次沉淀池 ........................................................... 39 5.2.1设计要求 ........................................................... 39 5.2.2设计计算 .. (39)第6章污水的消毒处理 .................................... 42 6.1接触池 ............................................................... 42 6.2计量设备 ............................................................. 43 第7章污泥的处理 ...................................................... 47 7.1 污泥量计算 .......................................................... 47 7.2污泥浓缩池 ........................................................... 48 7.3贮泥池 ............................................................... 52 7.3.1贮泥池作用 ......................................................... 52 7.3.2贮泥池计算 ......................................................... 52 7.4污泥脱水 ............................................................. 54 7.4.1脱水污泥量计算 ..................................................... 54 7.4.2脱水机的选择 ....................................................... 55 第8章污水处理厂高程布置 ................................. 56 8.1构筑物水头损失 ....................................................... 56 8.2管渠水力计算 ......................................................... 56 8.3 污水处理高程布置 ..................................................... 57 第9章污水泵站设计 ..................................... 59 9.1泵房设计 ............................................................. 59 9.2泵机组的布置 ......................................................... 59 9.3吸压水管路的布置 ..................................................... 60 9.4泵房高度计算 ......................................................... 60 致谢 (62)某肉制品厂污水处理工艺设计摘要在此污水厂设计中,通过对污水进行预处理、二级处理和消毒处理,使污水最终达到城镇污水处理污染物排放一级B类标准;对处理污水过程产生的污泥经浓缩、脱水处理后外运。
1引言1.1研究的目的和意义自从1985年我国实施肉类食品经营放开政策后,肉类加工业的发展开始起飞。
1986年,市场多渠道经营的模式不断扩大,竞争激烈,国有肉类加工企业开始加速技术更新,加快产品结构改革,扩大精加工、深加工,大搞综合利用,狠抓产品质量。
目前,我国的肉类产量已居世界第一位[1]。
屠宰业是我国出口创汇和保障供给的支柱产业之一, 屠宰废水来自牧畜、禽类、鱼类宰杀加工, 是我国最大的有机污染源之一。
据调查, 屠宰废水的排放量约占全国工业废水排放量的6%[2]。
我国日宰生猪500-5000头的肉联厂已不下600个,肉类加工生产中药排放大量的血污、油脂、油块、毛、肉屑、内脏杂物、未消化的石料和粪便等,水呈红褐色并有明显的腥臭味,富含蛋白质、油脂,含盐量也较高。
该类废水因受淡、旺季和生产的非连续性影响,排放量变化较大。
废水的排放量逐年增加,废水中还含有大量与人体健康有关的微生物。如果肉类加工废水不经处理直接排放的话,会对环境造成极大的危害。
首先,肉类加工废水中有大量的有机物,直接排放入河流会消耗水中大量的溶解氧,造成大量水生物死亡;其次,这些有机物在水中进行厌氧分解,产生沼气之类的恶臭气体,危害环境。
因此,必须对肉类加工废水进行处理,使之达到国家法律规定的排放标准。
1.2肉类加工废水的来源想要清晰认识肉类加工废水,首先要了解什么是肉类加工,肉类加工就是猪、牛等家畜或鸡、鸭等家禽屠宰加工。
废水自然也就产生与其过程之中了,肉类加工废水主要产生于屠宰工序和预备工序。
废水主要产自圈栏冲洗、宰前的淋洗和屠宰、放血、脱毛、解体、开膛劈片等工序,油脂提取、剔骨、切割以及副食品加工等工序也会排放一定量的废水。
此外,在肉类加工厂还有来自冷冻机房的冷却水,车间卫生设备、洗衣房、办公楼等排放的生活污水也算入肉类加工废水之中[3]。
1.3处理要求按照环保部门要求,本文按照《污水按照水综合排放标准》第二时间段二级标准COD≤150mg/L,BOD≤30mg/L,SS≤150mg/L,油脂≤20mg/L,pH=6~92处理工艺路线的确定2.1厌氧处理工艺的举例厌氧生物处理适用于高浓度有机废水的处理,一般地, 厌氧生物处理CODC r 浓度大于1000mg/L的中高浓度工业废水具有优势[4], 可回收生物能, 低能耗, 容积负荷率高, 对环境的要求低, 剩余污泥稳定, 产量为好氧系统的1 /10~ 1 /6; 投资费用低、管理简易, 具有广阔的应用潜力。
某肉制品污水处理厂工艺设计中文摘要:在各种食品加工工业污水中,肉类加工排放的污染物占中排放量的第一位。
肉类加工污水主要来自圈栏冲洗、牲畜的淋洗、屠宰、煺毛、解体、佟修、副食品加工、洗油、油脂加工等。
此外,还有来自车间卫生设备、洗衣房等设施的生活污水和冷冻机方的冷却水。
其中生产过成产生的富含有机物的废水其污染负荷很高。
因此,对该肉制工业废水处理主要采用厌氧处理与好氧处理相结合的方法。
根据设计进水、出水的水质指标分析,考虑到污水负荷高、工艺先进可靠、流程简单、易于管理、操作灵活的原则,选定了如下工艺流程。
对于肉制厂污水其处理过程分为一级处理、二级处理。
一级处理:格栅、调节池、隔油沉淀池;二级处理:生物厌氧接触法、辐流式沉淀池、生物接触氧化池该工艺的最大优点是:废水通过一级预处理阶段去处大部分无机颗粒、悬浮物、油脂和色度。
引进二级生物处理更好的去处有机污物及难于用物理化学法处理掉的各种污染物。
污泥处理过程主要通过污泥的浓缩、脱水等工序,利用适当的技术措施,为污泥提供出路,最终将污泥部分或全部外运与利用。
关键词:工业废水,废水处理, 一级处理, 二级处理,去除率目录1.设计任务书 (1)1.1设计题目 (1)1.2设计资料 (1)1.3设计容及要求 (1)1.4推荐参考文献 (1)2、工艺流程选择 (2)2.1废水来源 (2)2.2水质特征 (2)2.3废水处理工艺选择 (2)2.4工艺设备简介 (4)3.设计计算书 (6)3.1格栅的计算 (6)3.1.1粗格栅 (6)3.1.2细格栅 (6)3.2隔油沉淀池计算 (7)3.3调节池的计算 (8)3.4厌氧接触反应器 (8)3.4.1消化池 (8)3.4.2沉淀池 (9)3.5生物接触氧化池 (9)3.6接触沉淀池 (11)3.7污泥部分的计算 (11)3.7.1集泥井 (11)3.7.2污泥重力浓缩池 (12)4.污水厂平面布置图与构筑物图 (13)参考文献 (13)总结 (13)辞 (14)1.设计任务书1.1设计题目某肉制品污水处理厂工艺设计1.2设计资料(1)设计水量14000 m3/d(2)水质设计的进水水质 (mg/L , pH除外)项目pH NH3- N SS CODcr BOD5 色度进水6~10 30~90 200~800 2000~2500 900~1200 800~250 (3)处理要求设计的出水水质 (mg/L , pH除外)项目pH NH3- N SS CODcr BOD5 色度出水6.0~8.5<15 <70 <80 <30 <501.3设计容及要求(1)设计容①通过论证分析,确定合理的工艺流程;②选择适宜的设计参数,对构筑物进行设计计算,确定构筑物的工艺尺寸及主要构造;进行污水处理站的平面布置,合理安排处理构筑物。
(2)设计成果①设计说明书一份,含工艺计算;②要求大图(A3)两以上,其中包括平面布置图和主要构筑物工艺图。
(3)设计要求①工艺选择合理;设计计算概念清楚,公式选取正确②设计说明书条理清晰,层次分明,文字通顺,格式规;③图纸表达正确,符合制图规。
1.4推荐参考文献①《给水排水设计手册》;②《环境工程手册》(水污染防治卷);③《水污染控制工程》教材及其他相关书籍及刊物。
2、工艺流程选择2.1废水来源肉类加工是指对猪、牛、羊等家畜和鸡、鸭等家禽等屠宰和进一步加工,以便生产人们生活所需要的肉类食品和副食品。
在屠宰和肉类加工的过程中,要耗用大量的水,同时又要排除含有血污、油脂、毛、肉屑、畜禽脏杂物、未消化的食料和粪便等污染物质的废水,而且此类废水中还含有大量对人类健康有害的微生物。
屠宰和肉类加工厂的废水主要产生在屠宰工序和预备工序。
废水主要来自于圈栏冲洗、宰前淋洗和屠宰、放血、脱毛、解体、开腔劈片、清洗脏肠胃等工序,油脂提取、剔骨、切割以及副食品加工等工序也会排放一定的废水。
此外,在肉类加工厂还有来自冷冻机房的冷却水,以及车间卫生设备、洗衣房、办公楼和场福利设施排出的生活污水等。
2.2水质特征屠宰废水成分复杂,废水中含有大量的有机物质,具有以下特点:(1)、废水呈褐红色,主要是由屠宰动物的血污造成;(2)、具有较强的腥臭味,主要是由畜禽血和蛋白质分解造成;(3)、夹带有大量的悬浮物,主要由畜禽皮毛、肉屑、骨屑、脏杂物、未消化的食物和粪便等构成;(4)、含有较高动物油脂;(5)、含有大量大肠杆菌。
这些废水若不经过处理,直接排入城市下水管网或自然水体,将会严重污染周围的水体环境,造成水体严重富营养化,使水体发黑变臭,严重影响人们的日常生活和身心健康。
2.3废水处理工艺选择污水处理工艺的选择与污水性质进、出水水质密切相关。
本设计BOD/COD=0.36~0.6,可N,P的目生化性很好,故本设计采用厌氧—好氧工艺结合处理方法。
以达到去除 COD,BOD,NH3的.2.3.1厌氧反应器的选择由于屠宰废水的进水水质中COD和 BOD浓度很高,需要设置厌氧工艺作为好氧工艺处理的前处理,在厌氧处理器的选择上有UASB工艺以及厌氧接触法(AC)。
厌氧接触工艺又称厌氧活性污泥法,是对传统消化池的一种改进。
在传统消化池中,水利停留时间等于固体停留时间,而在厌氧接触工艺中,通过将由出水带出的污泥进行沉淀与回流,延长了生物固体停留时间。
由于固体停留时间在生物处理工艺中的重要意义,执意改进大大提高了厌氧消化池的负荷能力和处理效率。
由于从消化池中流出的混合液中不可避免地带有一些未分离干净的气体,这些气体进入沉淀池必然会干扰沉淀池的固液分离,因此,一般在消化池和沉淀池之间要增设脱臭设备,以去除混合液中未分离干净的气体,即AC工艺中所采用的真空脱气器。
真空脱气的真空度一般为508mm水柱。
厌氧接触法对悬浮物高的有机废水(如肉类加工废水等)效果很好,悬浮颗粒成为微生物的载体,并且很容易在沉淀池中沉淀。
由于厌氧接触法对废水SS中所含的细小毛类物质有很好的去除率,达80%以上,所以在整套工艺的设计上K可不设计气浮池。
采取升流式厌氧污泥床(UASB)处理肉类加工废水并取得成功的关键在于使反应器中维持高浓度的厌氧污泥。
但由于肉类加工废水浓度不高,水利负荷相对较高,若气-固-液三相分离进行的不好,污泥流失会大于污泥的生成量,使得反应器中的污泥量不断减少,造成处理效率大幅度下降。
要使气-固-液三相分离得好,除了分离器的设计要合理外,操作运行条件也很重要,操作运行不当,形成的污泥多为絮状或绒毛状,这种形态的污泥容易挟带厌氧消化过程中产生的微气泡,沉降性能差,气-固-液三相分离很难进行。
经二者比较,本工艺采用厌氧接触工艺。
2.3.2好氧工艺的选择—生物接触氧化法(1)生物接触氧化法的原理生物接触氧化法,就是在曝气池中填充填料,使填料表面长满生物膜,当废水流经填料层时,废水在曝气条件下和生物膜相接触,使废水中有机物氧化分解而得到净化。
生物接触氧化池又称侵没式曝气池,它是一种兼有活性污泥法和生物膜法特点的废水处理构筑物,所以它兼有这两种处理法的优点。
(2)生物接触氧化法具有如下特征ⅰ目前所使用的填料多是蜂窝式或列管式填料以及软性填料,上下贯通,废水流动的水力条件好,能很好地向固着在填料上的生物膜供应营养及氧。
生物膜上的生物相很丰富,除细菌外,还有球衣菌类的丝状菌、多种种属的原生动物和后生动物,形成一个稳定的生态系。
ⅱ填料表面全为生物膜所布满,具有很高的生物量。
据实验资料,每平方米填料表面上的生物膜可达125g,相当于MLSS13g/L,有利于提高净化效果。
ⅲ生物接触氧化法对冲击负荷有较强的适应能力,污泥生成量少,无污泥膨胀的危害,无需污泥回流,易于维护管理。
不产生滤池蝇,也不散发臭气。
生物接触氧化法的主要缺点是填料易于堵塞,布气、布水不均匀。
(3) 生物接触氧化法处理装置的构造形式生物接触氧化法的中心处理构筑物是接触氧化池,池填充填料。
其处理装置的形式很多。
从水流状态可分为分流式(池循环式)和直流式两种。
ⅰ所谓分流式,即废水充氧和同生物膜接触是在不同的格进行的,废水充氧后在池进行单向或双向循环。
这种类型的生物接触氧化池的主要特征是:①废水在单独的格充氧,进行激烈的曝气和氧的转移过程;而在填充填料的另一格,废水缓慢地流经填料与生物膜接触,有利于生物的生长繁殖。
②废水反复地经过充氧、接触两个过程,进行循环。
因此水中的氧是充足的。
其缺点是填料间水流缓慢,水力冲刷小,生物膜只能自行脱落,更新速度慢,而且易于堵塞。
分流式多用于国外的废水处理工程。
ⅱ直流式接触氧化池即直接在填料底部进行鼓风充氧,如图1所示.这种构造形式的生物接触氧化装置的主要特点是:在填料下直接布气,生物膜直接受到上升气流的强烈搅动,加速了生物膜的更新,使其经常保持较高的活性,而且能够克服堵塞现象。
国多采用直流式。
ⅲ从供氧方式分,接触氧化池可分为鼓风式机械式洒水式和射流式等几种。
用的接触氧化池多为鼓风式和射流曝气式。
2.3.3工艺流程图根据出水要求及分析,确定方案如下:2.4工艺设备简介(1) 格栅格栅由一组平行的金属栅条或筛网组成,安装在污水渠道、泵房集水井的进口处或污水处理厂的端部,用以截流较大的悬浮物或漂浮物,以便减轻后续处理构筑物的处理负荷,并使之正常运行。
肉类加工污水中含有较大的悬浮物,这些悬浮物通常通过格栅和筛网加以去除。
(2) 调节池调节池的目的是削弱水质水量波动对废水处理工艺的影响,利于或保证处理工艺的正常运行,保证稳定的处理效果。
从工业企业排出的废水,其水量和水质都是随时间变化的,为了保证后续处理构筑物或设备的正常运行,需对废水的水量和水质进行调节。
在本次设计中,采用矩形平面对角线出水调节池。
肉类加工废水在24h之水质和水量的变化幅度较大,为了使后续工艺的处理效果稳定,在处理流程中设置调节池对废水的水质和水量进行调节,以减弱水质和水量的变化幅度。
(3) 隔油沉淀池肉类加工污水中含有大量的油脂,这些油脂必须在进入主体生物处理工艺前予以去除,否则容易造成管道、水泵和其他设备的堵塞,还会对生物处理工艺造成影响。
隔油池与沉淀池合用同一构筑物可以节省投资和占地。
隔油沉淀池采用平流式结构,该池的设置主要是强化预处理的作用,一方面隔除水中的浮油、浮渣,减轻后续处理负荷。
另一方面沉淀大部分不溶于水、密度大于水的无机颗粒杂质,有效保保护后续处理设备。
隔油沉淀池设一台行车式提靶撇油刮泥机。
上撇浮油、下刮沉泥,刮泥机往复运行。
(4) 厌氧接触反应器污水厌氧接触反应器由三个部分组成,混合接触池(消化池)、沉淀池和真空脱气器。
废水先进入混合接触池(消化池)与回流的厌氧污泥相混合,然后经真空脱气器而流入沉淀池。
接触池中的污泥浓度要求很高,在12000~15000mg/L左右,因此污泥回流量很大,一般是废水流量的2~3倍。