常州机电学院项目课程教案P4
- 格式:doc
- 大小:191.50 KB
- 文档页数:5
常州机电职业技术学院项目课程教案
教学内容与步骤
三、相关实践知识:
(一)主轴部件
(1)主轴轴承的配置形式
(二)主轴内刀具的自动夹紧和切屑的清除装置
(三)主轴准停装置
(四)主轴润滑与密封
(五)换档部件
(六)故障排除:
1.故障现象:加工中心主轴定位不良,引发换刀过程发生中断。
2.变档滑移齿轮引起主轴停转的故障维修
3.变档不能啮合的故障维修
四、拓展知识:
(一)电主轴
电主轴通常作为现代机电一体化的功能部件,装备在高速数控机床上(如图5-6示)。
其主轴部件结构紧凑,重量轻,惯量小,可提高起动、停止的响应特性,有利于控制振动和噪声;缺点是制造和维护困难且成本较高。
电动机运转产生的热量直接影响主轴,主轴的热变形严重影响机床的加工精度,因此合理选用主轴轴承以及润滑、冷却装置十分重要。
图5-6 电主轴。
机电院课程设计一、教学目标本课程的教学目标是让学生掌握机电院课程的基本知识和技能,能够运用所学知识分析和解决实际问题。
具体分为以下三个部分:1.知识目标:学生能够了解机电院课程的基本概念、原理和特点,掌握相关技术和方法。
2.技能目标:学生能够运用所学知识和技能进行机电设备的设计、分析和维护,具备一定的实际操作能力。
3.情感态度价值观目标:学生能够认识到机电院课程在工程领域的重要性,培养对机电技术的兴趣和热情,树立正确的职业观念。
二、教学内容根据课程目标,教学内容主要包括以下几个方面:1.机电院课程的基本概念和原理:包括机电设备的分类、工作原理和应用领域。
2.机电设备的设计和分析方法:包括力学分析、电路分析、控制系统设计等。
3.机电设备的维护和调试技巧:包括设备保养、故障排查和修复方法。
4.机电行业的发展趋势和新技术:了解机电领域的发展动态,掌握新兴技术和应用。
三、教学方法为了达到课程目标,我们将采用以下教学方法:1.讲授法:通过讲解教材内容,使学生掌握基本概念和原理。
2.讨论法:学生进行小组讨论,培养学生的思考能力和团队协作精神。
3.案例分析法:分析实际案例,使学生能够将理论知识应用于实际问题。
4.实验法:进行实际操作,培养学生的动手能力和实践技能。
四、教学资源我们将充分利用校内外资源,为教学提供支持:1.教材:选用权威、实用的教材,为学生提供系统的知识体系。
2.参考书:提供丰富的参考资料,帮助学生拓展知识面。
3.多媒体资料:制作精美的课件,提高课堂教学效果。
4.实验设备:完善实验设施,为学生提供实践操作的机会。
通过以上措施,我们期望能够实现课程目标,培养出具备高素质的机电技术人才。
五、教学评估本课程的评估方式包括平时表现、作业、考试等多个方面,以全面客观地评价学生的学习成果。
1.平时表现:通过课堂参与、提问、小组讨论等环节,评估学生的学习态度和思考能力。
2.作业:布置适量的作业,评估学生的知识掌握和应用能力。
常州机电职业技术学院项目课程教案测量前必须根据需要的测量类别及量程,将转换开关拨到正确的档位上;读数时要认清所造量程对应的刻度线;测量完毕后应将转换开关拨到交流档最大量程处,存放在干燥环境中,尽可能减少震动.⑵数字式万用表数字式万用表由转换开关、测量电路、模数转换器、数字显示电压表等几大部分组成。
其中转换开关、 测量电路的功能与模拟式万用表相同, 模数转换器是把测量电路测出的模拟信号转换成数字信号,数字显示电压表接受来自模数转换器的数字信号,采用七段数码、 液晶等显示电路进行电压数值显示。
由于电压表内部采用了半导体集成技术, 所以数字式万用表电流挡的内阻可以做得很小, 电压挡内阻则可以做得很大, 电阻挡流过的电流又可以很小, 从而减少了对被测电路的影响。
数字式万用表内部没有机械损耗, 杜绝了机械损耗所引起的读数误差, 它的准确度和灵敏度比模拟式万用表要高得多。
此外, 它还具有测量速度快, 易于读取等优点。
图1-6为DT —830型数字式万用表的外形图。
用数字式万用表测量电阻时, 黑表笔(一般接COM 端)接内电源负极,红表笔(接其余三个输入插孔中的一个)接正极,正好与模拟式万用表的接法相反。
数字式万用表的使用方法与模拟式万用表基本相同。
二、相关理论知识:1.断路故障的检修(1)万用表检修法可以采用电压和电阻方式进行测量。
①电压测量法 检查时把万用表旋到交流电压500V挡位上。
分阶测量法 电压的分阶测量法如图1-10所示。
检查时,首先用万用表测量1、7两点间的电压,若电路正常应为380V ,然后按住起动按钮SB2不放,同时将黑表棒接到7号线上,红色表棒按2、3、4、5、6标号依次测量,分别测量7-2、7-3、7-4、7-5、7-6各阶之间的电压,电路正常情况下,各阶的电压值均为380V ,如测到7-5电压为380V ,测到7-6无电压,则说明行程开关SQ的动断触头断路。
Ω显示器电源开关量程转换开关OFF ON 晶体管插孔输入插孔h PF DC A AC A A C V D C V 10A mA COMV/Ωh PE 图1-6 DT —830型数字式万用表的外形图②分段测量法电压的分段测量法如图图1-11检查时先用万用表测试1-7两点,电压值为380V,说明电源电压正常。
常州机电职业技术学院项目课程教案授课日期课时数 2教师姓名黄敏高授课班级数控04G1数控04G2项目与模块名称项目四、PLC在数控机床中的应用模块一、冷却系统控制(1. PLC 802位逻辑指令2. 冷却系统梯形图程序)教学场所教学目标1.掌握PLC802位逻辑指令。
2.读懂冷却系统梯形图程序。
教学重点1.PLC802位逻辑指令。
教学难点更新、补充删节内容所需工具、设备名称及数量教学方法讲授法教学组织形式班级教学教学内容与步骤一、工作任务:读懂冷却系统控制PLC802程序。
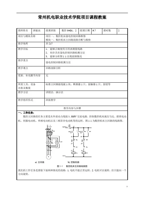
冷却功能LDOA=//////Q0.0 LDN I0.0 ONAN=LDO1.位逻辑指令(二进制位操作指令)表4-6 PLC 802位逻辑指令表2.指令举例⑴上升沿、下降沿指令LD I0.0 //输入常开触点EU //脉冲正跳变= Q0.0 //输出触点LD I0.0 //ED //脉冲负跳变= Q0.1 //LAD(梯形图) STL(语句表)注释图 4-17 上升沿、下降沿指令举例I0.0Q0.0Q0.1图 4-18 程序执行时序图⑵置位、复位指令LD I0.0//装入常开触点A I0.1//与常开触点=Q1.0//输出触点LD I0.0//A I0.1//S Q0.0, 1//将Q0.0开始的//1个触点置1R Q0.2, 3 //将Q0.2开始的//3个触点置0LAD(梯形图) STL(语句表)注释图 4-19 置位、复位指令举例I0.0I0.1Q1.0Q0.0Q0.2-Q0.4图4-20 程序执行时序图(四)阅读冷却系统梯形图程序1.冷却系统工作过程如图4-2所示,该冷却系统PLC控制部分有3个输入点I0.0、I0.3、I0.5和2 个输出点Q0.2、Q0.5。
当冷却按钮SB8(I0.1)按下时,Q0.2置位(冷却电机启动输出点)依次接通KA1、KM1和M1使冷却泵运转。
当再次按下冷却按钮SB8时,Q0.2复位,使冷却泵(M1)停转。
常州机电职业技术学院项目课程教案教学内容与步骤二、相关实践知识:(一)元器件认识1.低压断路器低压断路器也称为空气开关(或称自动空气断路器)。
它是一种既能作开关用,又具有电路自动保护功能的低压电器。
用于设备保护的断路器可进行过载和短路保护。
2.接触器接触器是一种用来自动地接通与断开大电流电路的电器。
大多数情况下其控制对象是电动机,但也可用于控制其它负载,如电热器、照明设备等接触器的触头按功能不同分为主触头和辅助触头两类。
按主触头流过的电流制式不同,可分为交流接触器和直流接触器;辅助触头用于接通和分断小电流的控制电路,有常开和常闭两种。
数控机床强电控制线路中常用交流接触器。
如图1-3为交流接触器外形结构和电气图形符号,通常用KM表示。
3.按钮按钮是一种短时接通或分断小电流电路的手动主令电器。
适用于交流电压500V或直流电压440V、电流5A及以下电路中。
一般它不直接操纵主电路的通断,而是在控制电路中发出“指令”,去控制接触器、继电器等自动电器,再由它们去控制主电路。
按钮在控制线路中也可作为电气联锁使用。
按钮一般由按钮帽、复位弹簧、常开触头、常闭触头、接线柱和外壳等组成。
其外形、结构、图形符号如图1—47所示。
按钮根据用途和结构的不同.分为停止按钮(动断按钮)、起动按钮(动合按钮)和复合按钮(动合与动断的组合按钮)几种。
(二)三相交流异步电动机交流电动机有同步电动机和异步电动机之分.同步电动机的制造工艺比较复杂,起动困难,故多用在特定的范围内(如用在发电机或带动大的负载);异步电动机(又称感应电动机)的结构简单、坚固耐用、维修方便,因此得到广泛的应用。
异步电动机根据转子结构可分为鼠笼型和绕线型两种.这里介绍三相鼠笼型异步电动机(又称三相鼠笼型感应电动机)。
1.三相鼠笼型异步电动机的结构和工作原理(1)三相鼠笼型异步电动机的基本结构三相鼠笼型异步电动机由定子,转子及其它部件组成。
在电气原理图中的图形符号.如图1-16所示.定子(图1-17)由定子铁芯,机座和定子绕组等组成。
常州机电职业技术学院项目课程教案二、相关实践知识:(二)数控机床直流电源形成1.直流电源就是电压的大小不随时间变化的电源.2.直流稳压电源的组成框图如图1-29所示,它是由电源变压器、整流电路、滤波电路和稳压电路等四大部分组成。
(1)交流电压变换部分:将交流电网提供的交流电压变换到电子电路所需要的交流电压。
同时还可起到直流电源与电网的隔离作用。
(2)整流部分:将变压器变换后的交流电压变为单向的脉动电压(脉动直流)(3).滤波部分:对整流部分输出的脉动直流进行平滑处理,使之成为一个含纹波成分很小的直流电压。
(4)稳压部分:将滤波输出的直流电压进行调节,以维持输出电压的基本稳定。
由于滤波后输出直流电压受温度、负载、电网电压波动等因素的影响很大,所以要设置稳压电路。
3.变压器原理(1)空载运行和电压变换如图 1-30所示, 将变压器的原边接在交流电压u1上, 副边开路, 这种运行状态称为空载运行。
此时副绕组中的电流i2=0, 电压为开路电压u20, 原绕组通过的电流为空载电流i10, 电压和电流的参考方向如图所示。
图中N1为原绕组的匝数, N2为副绕组的匝数。
变压器空载运行时, 原、副绕组上电压的比值等于两者的匝数之比, K称为变压器的变比。
若改变变压器原、副绕组的匝数, 就能够把某一数值的交流电压变为同频率的另一数值的交流电压原绕组的匝数N1比副绕组的匝数N2多时, K>1, 这种变压器为降压变压器; 反之, 当N1的匝数少于N2的匝数时, K<1, 为升压变压器。
图1-29直流稳压电源的组成框图1112201UKUNNU==e1u1i10N1e2u20N2¦µ图1-30 变压器的空载运行(2)负载运行和电流变换如图1-31所示, 变压器的原绕组接交流电压u 1, 副绕组接上负载ZL, 这种运行状态称为负载运行。
这时副边的电流为i2, 原边电流由i10增大为i1, 且u 2略有下降, 这是因为有了负载后,i1、i2会增大, 原、 副绕组本身的内部压降也要比空载时增大, 使副绕组电压U2比E2低一些。
常州机电职业技术学院项目课程教案教学内容与步骤二、相关实践知识:(一)元器件认识1.数控机床常用控制变压器的认识图中TC 为变压器,变压器是一种常见的电气设备,可用来把某种数值的交变电压变换为同频率的另一数值的交变电压。
图中TC 将380V 交流电变成20V 左右的交流电。
变压器由铁心和绕组两个基本部分组成, 如图1-23所示, 在一个闭合的铁心上套有两个绕组, 绕组与绕组之间以及绕组与铁心之间都是绝缘的。
按铁心和绕组的组合结构可分为心式变压器和壳式变压器, 如图1-24所示。
心式变压器的铁心被绕组包围, 而壳式变压器的铁心则包围绕组。
2.图中VC 是三相桥式整电路。
整流就是把大小、方向都随时间变化的交流电变换成直流电。
完成这一任务的电路称为整流电路。
图中是将20V 左右交流电变成直流电。
3.图中C1、C2是电容,主要用于滤波,为了减小整流后电压的脉动,常采用滤波电路把交流分量滤去,使负载两端得到脉动较小的直流电。
4.图中QF 为单相断路器,主要用于保护。
三、相关理论知识:(一)交流电源1.正弦交流电基本概念:其大小和方向都随时间作周期性变化的电动势、电压和电流统称为交流电。
在交流电作用下的电路称为交流电路。
在电力系统中,考虑到传输、分配和应用电能方面的便利性、经济性,大都采用交流电。
工程上应用的交流电,一般是随时间按正弦规律变化的,称为正弦交流电, 简称交流电。
2.表示正弦交流电特征的物理量 ①周期、 频率、角频率当发电机转子转一周时, 转子绕组中的正弦交变电动势也就变化一周。
我们把正弦交流电变化一周所需的时间叫周期,用T 表示。
周期的单位是s(秒)。
1 秒钟内交流电变化的周数, 称为交流电的频率,用f 表示,u 1i 1 N 2N 1u 2Z L( a ) ( b )图1-23 变压器图1-24 变压器的结构Tf 1图1-25 正弦交流波形图频率的单位是Hz(赫[兹])。
1Hz=1s -1。
常州机电职业技术学院项目课程教案一、项目背景常州机电职业技术学院致力于提供与行业需求契合的项目课程,培养学生的实践能力和创新能力。
本教案旨在规划常州机电职业技术学院项目课程的教学内容和方法,帮助学生掌握相关专业知识和技能,为其未来就业和发展奠定基础。
二、教学目标1.了解项目课程的特点和重要性。
2.掌握项目课程的教学内容和课程设计方法。
3.培养学生的实践能力和团队合作精神。
4.提升学生的工程实践能力和创新意识。
三、课程设置1. 课程名称:项目管理与实践•课时安排:30学时•教学内容:项目管理概述、项目目标与范围管理、项目时间与成本管理、项目质量与风险管理、项目沟通与团队管理、项目整合与实践案例分析等。
•教学方法:理论讲授结合案例分析、小组讨论、实践项目模拟等。
2. 课程名称:机械设计与制造实践•课时安排:40学时•教学内容:机械设计原理、机械CAD绘图、数控加工技术、机械制造工艺、机械装配与调试等。
•教学方法:理论课结合实验操作、实际工程项目设计与制造等。
四、教学方式1.理论教学:引导学生掌握相关的理论知识。
2.实践操作:通过实验和实践操作,巩固理论知识。
3.项目设计:组织学生开展实际项目设计和制造活动。
4.案例分析:分析真实案例,培养学生解决问题的能力。
5.团队协作:鼓励学生在小组内展示团队合作精神。
五、教学评估1.考核方式:期中考试、期末考试、实验报告、项目设计报告等。
2.评价标准:综合考虑学生的理论掌握程度、实践操作能力、团队合作精神等方面进行评价。
3.提高措施:定期进行阶段性评价和反馈,及时帮助学生改进不足。
六、课程资源1.教学设备:机械设计软件、CAD绘图软件、数控加工设备等。
2.教材教辅:配套教材、案例分析资料、实验指导书等。
七、总结通过常州机电职业技术学院项目课程的教学计划,旨在培养学生的实践能力和创新意识,为其未来职业发展打下坚实基础。
希望通过项目教学,学生能够在实践中不断提升自己,实现个人价值与社会需求的匹配。
常州机电职业技术学院项目课程教案如上图所示零件,材料为45钢,要求加工5件,试编制其数控加工程序。
口口X_Y_R_Z_Q_P_F_K_;2.固定循环(1)高速钻孔G81G81 X __ Y __ Z __ R __ F __动作示意图如图3—53所示。
G81指令X、Y轴定位,快速进给到R点。
接着R点加工。
孔加工完,则刀具退到R点,快速进给返回到起始点。
(2)锪孔G82G82 X __Y __Z __R __P __F __到Z点进行孔动作示意图如图3—54所示。
与G81相同,只是刀具在孔底位置执行暂停即光切加工后退回,以改善孔底的粗糙度和精度。
(3)深孔高速钻削循环图3—53 G81 循环图3—54 G82 循图3—55 G83 循环②孔底断屑G73书写格式:G73X__Y__Z__R__Q__F__动作示意图如图3—56所示。
虚线箭头表示快速进给,实线箭头表示切削进给(工进)用参数(No.5114)设定。
设定一个小的退刀量(0.5~1mm),使在钻深孔时,间歇进给,便于断屑。
图3—56 G73 循环②攻左旋螺纹G74 G74 X__Y__Z__R__F__P__动作示意图如图3—58所示。
在孔底位置主轴正转退出。
在G84、G74作用时,进给倍率开关调整无效。
进给速度和主轴转速必须同步,即进给速度轴转速S ×螺距t 。
铰孔G85 G85 X_Y_Z_R_F_工进工出,如图3—59所示。
主要用于塑性材料铰孔。
图3—58 G74 循环图3—57 G84 循环图3—59 G85循环图3—60 G86 循环图3—61 G76 循环(7)反镗G87G87 X__Y__Z__R__Q__F__动作示意如图3—62所示。
刀具沿X及Y轴定位后,主轴准停。
主轴让刀以快速进给速度在孔底位置定位(R点),主轴正转。
沿Z轴的正向到Z点进行加工。
在这个位置,主轴再度准停,刀具退出。
图3—62 G87 循图3—63 G88 循图3—64 G88 循3.取消固定循环:G80取消固定循环(G73、G74、G76、G81~G89),包括孔加工信息全部取消,以后执行其他指令刀具返回到起始点后进刀。
常州机电职业技术学院项目课程教案、本课程的任务、性质、地位和作用:本课程主要学习数控铣削加工工艺知识,数控铣削刀具、夹具的选用知识,数控 铣削程序设计知识,数控铣床选用、保养知识,数控铣床操作加工知识,了解数控铣工 国家职业技能鉴定标准,使学生掌握数控铣削加工工艺编制方法,会选用数控铣床、刀 具和夹具,会编制数控铣削程序,会操作数控铣床或数控仿真加工出中等复杂的零件, 并且具有正确保养数控机床的能力。
、明确本次教学目标:4、会选用工具系统;5、学会使用孔加工固定循环编写数控镗铣程序三、呈现工作任务:如上图所示零件,材料为45钢,要求加工5件,试编制其数控加工程序。
四、相关理论知识:(一)、孔加工固定循环的概念一些典型的动作编织成子程序且固化在存储器中用 G 代码调用(有的系统不一定用G 代码调用)这里的固定循环功能主要用于孔加工终极目标:会纟請制带孑孔盘类零件数控镗铣工艺 促成目标:2、会编制孑3、会选用孑 L 加工刀具;曲 ye 4"e e ® ©fTh /ft 也 £& 虽 血TZJ J误差; I-e ©e ®®© ® @ ® ®e e e e1会分析常见定位方式的JTXflQ动作:1、刀具XY快速定位到初始平面=安全平面2、刀具Z向快速移动到达R点(参考平面,引入平面)切入距离2-5,防止平移碰撞3、Z向工件加工孔4、孔底动作暂停进给/主轴停,主轴定向等/让刀/不做动作5、刀具返回到R点6、刀具返回到安全平面(三八孔加工固定循环的编程指令1、指令格式:G17 G73---G89 G90/G91 G98/G99 X-Y-Z-R-Q-P-F-K-;2、指令字的正确应用:①、G17②、G73---G89③、G98-G99④、X-Y-⑤、Z-R-⑥、Q-P-F-K-X_Y_孔的位置坐标G90/G91 ;R:R 平面G90/G91; Z:孔底平面G90/G91; Q:渐进量,无符号增量值,与G90/G91无关;P:孔底暂停时间,ms,让主轴2-3转;F:切削③R在增量方式中是初始点到R点的距离;而在绝对值方式中是R点的Z坐标值。
基于项目课程的《机械制造基础》教学设计基于项目课程的《机械制造基础》教学设计王志松(常州机电职业技术学院江苏常州213164)摘要:《机械制造基础》是高职院校机械类专业的专业基础课。
基于项目课程的《机械制造基础》将机械制造的理论知识与岗位实际技能相结合,以典型零件的加工为项目载体,按照项目组织教学,在项目中边实践边学习理论,有效培养运用机械制造理论知识完成从识读图纸、零件选材、确定毛坯类型及热处理方式、机械加工到质量检测的机械制造过程的能力。
关键词:项目课程;机械制造基础;教学设计一、课程的性质与定位课程的性质与定位要描述清楚该课程在专业课程体系中所处的地位,课程与专业课程体系中其他课程的关系,以及在对学生职业能力培养和职业素养方面所起的主要作用。
[1]该课程是机械类专业的一门专业基础课,对应于机械加工工艺员、各类机床操作员、机械零件检测员等岗位(群),一般在机械类专业第二学期或第三学期开设。
该课程构建于机械制图、工程力学等课程的基础上,以典型零件的加工制造为主要内容,采用基于工作过程的课程方案设计,以行动导向组织教学过程,[2]使学生能读懂零件图,熟悉并能正确选用零件材料,正确选择毛坯类型及热处理方式,制订典型零件的加工工艺路线,选择量具检测零件质量,对机械制造过程形成全面的认识,为后续课程如数控编程、数控加工工艺的学习奠定基础。
二、教学目标设计教学目标是指预期的课程结果,即指望学生学习某课程后,在知识、技能、态度方面达到何种状态。
[3]基于项目课程的《机械制造基础》要实现三方面的教学目标。
职业能力目标。
能读懂零件图,理解加工技术要求,熟悉常用工程材料性能,具备正确选用毛坯类型,制订加工工艺路线的能力,适应企业的机械加工工艺员岗位;能操作常见金属切削加工机床,能根据机械加工工序卡片,正确选择使用刀具、夹具及机床附件,采用合理切削用量,加工出合格零件的能力,适应企业的机床操作员岗位;能正确使用检测工具,根据零件图的要求,选择合适的检测工具,采用正确的检测方法检测零件质量,适应企业的机械零件检测员岗位。
常州机电职业技术学院项目课程教案
图4-29 SIEMENS PLC 802的程序结构
程序
中断程序
2
子程序2
主程序 中断程序
子程序m 子程序1 中断程序
n
教学内容与步骤
二、相关理论知识:
(一)SIEMENS PLC 802的程序结构如图4-29。
SIEMENS PLC 802的用户程序,由主程序、子程序及中断程序构成。
主程序在周而复始地运行过程中,根据需要调用相应的子程序。
这种模块化的软件结构大大地提高了程序的通用性和可移植性,也方便了用户对程序的阅读、修改及编制。
以本模块工作任务中给出的主程序MAIN (OB1)为例,在网络1(NETWORK1)中,当接点SM0.0(ONE )接通时FILTER 子程序才得以执行。
在网络6(NETWORK6)中,COOLING 子程序的执行条件是当SM0.1(SCAN-1ST )= 0并且MD14512-11-0(机床参数)= 1。
用户可以通过对机床参数MD14512-11-0的设定,来决定是否激活COOLING 子程序。
在表4-11中列出了SAMPLE 程序中的所有子程序及它们的功能。
表4-11 SAMPLE 中的子程序表
表4-12 子程序调用及子程序返回指令
(二)SIEMENS PLC 802的输入/输出信号滤波原理
SAMPLE程序为不同的机床接线而设计,即任何输入点既可以按常开触点接线,也可以按常闭触点接线。
所有输入输出均通过子程序FILTER(SBR62),按机床数据参数MDl4512[0],[1],[2],[3]和MDl4512[4],[5],[6],[7]进行预处理。
根据下图可以了解输入输出信号与内部缓冲寄存器之间的关系。
这里SAMPLE使用标志位存储区的MB100、MB101、MB102、MB103构成了输入输出信号的内部缓冲寄存器。
在SAMPLE中M100.0表示输入点I0.0;M101.2表示I1.2;M102.3表示Q0.3;M103.4表示Q1.4依此类推。
而SAMPLE(实例程序)中的所有子程序均使用MB100、MB101、MB102、MB103信号,而不直接使用IB0、IB1、QB0、QB1信号。
1.输入信号有效性参数
2.输出信号有效性参数
3.输入信号逻辑参性数
4.输出信号逻辑性参数
二、相关实践知识:
(一)I/O处理参数的使用背景
SINUMERIK 802Se/Ce数控系统在出厂时,在SIEMENS PLC 802(内置PLC)中预装了一套PLC 的用户程序——SAMPLE,该实例程序SAMPLE涵盖了数控车床、数控铣床的全部典型控制功能。
SAMPLE程序采用模块化结构,以子程序调用的形式集成了数控机床各种控制功能。
这样极大地方便了用户对SINUMERIK 802Se/Ce数控系统的使用——只需根据机床的具体情况,激活相应的功能子程序,就能迅速地建立起对整个机床的PLC控制。
SAMPLE程序使得SINUMERIK 802Se/Ce数控系统的通用性大大提高,为了适应不同机床的硬件接线(输入信号:常开接点、常闭接点;输出信号:正逻辑执行元件、负逻辑执行元件),SAMPLE 程序设计了FILTER子程序。
通过I/O处理参数的设置,FILTER子程序可以将不同的输入/输出信号,转化成统一的符合SAMPLE程序要求的信号,不必修改PLC程序。