深圳深圳市罗湖区桂园中学物理物态变化实验单元测试与练习(word解析版)
- 格式:doc
- 大小:549.00 KB
- 文档页数:10
考试范围:xxx;满分:***分;考试时间:100分钟;命题人:xxx 学校:__________ 姓名:__________ 班级:__________ 考号:__________一、选择题1.谚语是中华民族智慧的结晶,下列分析正确的是()A.“冰冻三尺非一日之寒”,结冰过程需要吸收大量热量B.“白露秋分夜,一夜凉一夜”,露的形成是汽化现象C.“霜降有霜,米谷满仓”,霜的形成是凝华现象D.“雪水化成河,粮食千万箩”,雪水化成河是液化现象2.如图所示的四种现象中,其物态变化属于液化的是()A.树叶上的霜B.护目镜上的“水雾”C.湿衣服晾干D.冰雪消融3.在“探究水沸腾时温度变化的特点”的实验中,某组同学用如图甲所示的实验装置进行了两次实验,并根据实验数据绘制了如图乙所示的图像。
下列说法不正确的是()A.两次实验时大气压都低于标准大气压B.第一次实验和第二次实验所用水的质量之比是4:5C.实验中烧杯上的盖子留个小孔是为了使烧杯内外气压平衡D.两次实验都是通过热传递的方式改变水的内能4.下列现象发生的过程中,吸收热量的一组是()(1)春天,冰雪融化汇成溪流(2)夏天,从冰箱里面拿出来的饮料罐“出汗”(3)秋天,清晨的雾在太阳出来后散去(4)冬天,室外草地上出现了霜。
A.(1) (3)B.(2) (4)C.(4) (3)D.(1) (4)5.一支刻度均匀,但标刻数值不准的温度计。
在测标准大气压下的沸水温度时,示数为96℃,在测一杯热水的温度时,其示数与热水的真实温度50℃恰好相等。
若用此温度计去测量冰水混合物的温度时,则示数是()A.0℃B.2℃C.4℃D.6℃6.下面关于人体各个数值不合理的是()A.一个人正常的体温约为37℃B.手掌的宽度约为1dmC.一个成年人正常步行的速度约为5m/sD.人心脏正常跳动一次的时间约为1s7.在“探究水沸腾时温度变化的特点”的实验中,某组同学用如图甲所示的实验装置进行了两次实验,并根据实验数据绘制了如图乙所示的图像。
一、初二物理物体的运动实验易错压轴题(难)1.某实验小组在“测量物体运动的平均速度”实验中,让小球从斜面A点由静止开始滚下,频闪照相机记录了小球在相同时间内通过的路程,照片如图所示:(1)依据照片可判断,小球在做______(选填“加速”、“减速”或“匀速”)运动;(2)如果频闪照相机每隔0.2s拍摄一次,并测得s AB=5cm,s BC=15cm,则小球在AC段的平均速度为______m/s;(3)如图所示,能说明小球在斜面上运动情况的图象是 ______;【来源】安徽合肥包河区四十八分校2020-2021学年八年级9月月考物理试题【答案】加速 0.5 C【解析】【分析】【详解】(1)[1]由图可知,在相同的时间内,小球在斜面上通过的路程越来越大,可判断小车做加速直线运动。
(2)[2]AC段的路程s AC=s AB+ s BC =5cm+15cm=20cm=0.2m小球在AC段的平均速度0.2m0.5m/s20.2sACACACsvt===⨯(3)[3]由(1)[1]已知小球在做加速直线运动。
A中随着时间增加,速度在减小,描述的是减速直线运动,不符合题意;B中随着时间增加,速度不变,描述的是匀速直线运动,不符合题意;C中随着时间增加,速度在增大小,描述的是加速直线运动,符合题意;D中随着时间增加,速度先减小后增大,先做减速后做加速,不符合题意。
故应选C。
2.在“测定平均速度”的实验中:(1)实验原理是______;(2)安装斜面时应保持______(选填“较大”、“较小”)的坡度,这是为了便于测量______;(3)如图所示,实验过程中,斜面总长s 1=90cm ,若秒表每格为1s ,小车通过全程的平均速度是______m/s ;下半程的平均速度是______m/s ;(4)在测全程的平均速度时,如果小车过了顶端位置才开始计时,则测得的平均速度______。
(选填“偏大”、“偏小”)【来源】四川省遂宁市射洪中学外国语实验学校2019-2020学年八年级10月月考物理试题【答案】s v t =较小 时间 0.3 0.45 偏大 【解析】【分析】【详解】 (1)[1]在“测定平均速度”的实验中,实验原理是s v t=。
深圳市罗湖区桂园中学物理内能单元测试与练习(word 解析版)一、初三物理 内能 易错压轴题(难)1.为研究不同物质的吸热能力,某同学用两个完全相同的酒精灯,分别给质量和初温都相同的甲、乙两种液体同时加热,分别记录加热时间和升高的温度,根据记录的数据作出了两种液体的温度随时间变化的图像,如图所示.(1)根据图像,某同学认为:“加热相同的时间时,甲升高的温度高一些,这说明甲吸收的热量多一些.”这位同学的判断是否正确?________请说明理由:______________________________;(2)要使甲、乙升高相同的温度,应给__________加热更长的时间;(3)如果已知甲的比热容是1.8×103J/(kg·℃),则乙的比热容是_________J/(kg·℃)。
【答案】不正确 因为完全相同的酒精灯,加热相同的时间,放出的热量相等,甲、乙液体吸收的热量相等 乙 2.4×103【解析】【分析】【详解】(1)[1][2]升高的温度大,不代表吸收的热量多,吸收热量的多少是一样的,因为是用两个完全相同的酒精灯加热相同的时间,酒精灯放出的热量是相等,甲和乙吸收的热量也是相等的;(2)[3]由图可知,甲和乙升高相同的温度,如都温度升到40℃,甲需要的时间是3min ,乙需要的时间是4min ,乙需要更长的加热时间,这说明乙的吸热能力强一些;(3)[4]根据t=cm Q ∆可知,在质量和吸收热量一定时,温度的变化值和比热容成反比, 我们可以取相同的加热时间4min ,用相同的酒精灯加热4min ,甲和乙吸收的热量就是相同的,甲的温度变化值为50℃-10℃=40℃,乙的温度变化值为40℃-10℃=30℃,乙的比热容()()3340 1.810J /kg 2.410J /kg 30c =⨯⨯=⨯乙℃℃℃℃。
2.实验小组设计实验比较水和食用油吸热能力,使用相同的电加热器给水和食用油加热。
2023-2024学年广东省深圳市罗湖外语学校九年级(上)第一次月考物理试卷(10月份)一、选择题(共10小题,每小题2分,共20分)1.如图所示是由微颗粒(直径为1~50nm)制备得到的新型防菌“纳米纸”,在“纳米纸”的表面,细菌无法停留且“油水不沾”,下列与此现象有关的说法正确的是()A.“油水不沾”的原因是组成“纳米纸”的分子间没有间隙B.组成“纳米纸”分子间有引力,也有斥力C.细菌的无规则运动属于分子热运动D.组成“纳米纸”的分子是静止不动的2.关于温度、热量和内能,下列说法正确的是()A.温度相同的物体,内能不一定相同B.物体的温度越高,所含热量越多C.物体吸收热量,温度一定升高D.物体内能增加,一定是从外界吸收了热量3.水的比热容比煤油的大.如图,用规格相同的两试管分别装上质量相同的煤油和水,隔着石棉网同时对两试管加热.图7中的哪一图线能反映该实验情况A. B.C. D.4.下列机械中不属于热机的是()A.电动机B.柴油机C.汽油机D.蒸汽机5.下列关于热学实验的说法中,正确的是()①甲图:气体扩散实验中只有二氧化氮分子在不停地做无规则运动②乙图:两个紧压在一起的铅柱没有被重物拉开,是因为铅柱的分子之间存在引力③丙图:用电加热器给食用油加热,随着温度的升高,食用油的内能增加④丁图:水蒸气把塞子推出去,这个过程中的能量转化和汽油机压缩冲程的能量转化相同A.只有①②正确B.只有②③正确C.只有②④正确D.只有③④正确6.下列说法中正确的是()A.把一瓶柴油倒去一半,则剩下的柴油比热容变小B.热传递中,温度总是从内能大的物体传递给内能小的物体C.在柴油机的压缩冲程中,机械能转化为柴油和空气混合物的内能D.燃料燃烧得很充分,它的热值也不变7.如图所示,是“风光互补”景观照明灯,它“头顶”小风扇,“肩扛”电池板,“脚踩”蓄电池,“腰”挎照明灯,下列解释合理的是()A.小风扇是风力发电机,将电能转化为机械能B.照明灯是将光能转化电能C.光电池板是将光能转化为电能D.蓄电池在夜晚放电时,将电能转化为化学能8.如图所示,用一段细铁丝做一个支架,作为转动轴,把一根中间截有小孔(没有截穿)的饮料吸管放在转动轴上,吸管能在水平面内自由转动。
一、初二物理物态变化实验易错压轴题(难)1.做“观察水的沸腾”实验时:(1)实验使用的温度计是根据液体的________规律制成的.(2)如图甲为某同学实验时测沸水温度的情形.他的错误之处是________.(3)纠正错误后,他观察到从开始加热至水沸腾,所用时间过长,造成这种现象的原因可能是________.(4)他对实验进行了改进之后,每隔1min记录温度计示数(见下表),直到水沸腾一段时间后停止读数,根据表中的数据在图乙中画出水温随时间变化的图象.(_____________)时间t/min0123456789温度T/℃90929496989999999999(5)他们观察到水沸腾时的现象应该是丙图中的________图.从实验可得出,液体在沸腾过程中要________热,但温度________;实验测出水的沸点为________℃.【答案】热胀冷缩温度计的玻璃泡碰到了烧杯底水太多(或水的初温较低)a吸保持不变99【解析】【分析】【详解】(1)实验室中常用的液体温度计是根据液体的热胀冷缩规律制成的.(2)在甲图中,温度计的玻璃泡接触了烧杯的底部,会导致测量结果偏大;(3)水加热时间过长可能是水的初温太低,可以用初温较高的水开始加热;也可能是水量太多,可以减小水量;也可能是酒精灯火焰太小,可以增大火焰,也可能使烧杯未加盖等;(4) 根据表中的数据描点,并用平滑的曲线连接起来,如图所示:(5) a图中气泡在上升过程中体积不断变大,所以a图是沸腾时的情况;b图中气泡在上升过程中体积不断减小,所以b图是沸腾前的情况.从实验可得出,液体在沸腾过程中仍要加热,还在不断吸热,从表中数据来看,沸腾后温度不变,实验测出水的沸点为99℃.故答案为热胀冷缩;温度计的玻璃泡接触了容器底;水太多(或水的初温较低);图见详解;a;吸;保持不变;99.2.探究蒸发快慢影响因素的实验中,在四块相同的玻璃板上各滴上等量的水,如图所示.(1)选择A、B两图进行实验探究,可以探究蒸发快慢与液体的_____是否有关.(2)选择_____两图进行实验探究,可以探究蒸发快慢与液体的温度是否有关.(3)通过A、D两图的对比,可以探究水蒸发快慢与水表面的空气流速是否有关,实验中如果利用电吹风来改变空气流速,_____(应该/不应该)使用热风.(4)以上实验体现了_____法.(填物理实验方法)(5)某同学猜想水蒸发快慢还可能与水的多少有关,于是继续进行了如下探究:在相同环境下的两块相同的玻璃板上分别滴上一滴和两滴水,结果发现甲图中水先蒸发完,他依据“谁先蒸发完,谁蒸发的快”,得出结论:“水蒸发快慢与水的量有关,水越少蒸发越快”.他的依据和结论_____.(选填“正确”或“不正确”).【答案】表面积 AC 不应该控制变量不正确【解析】【分析】【详解】(1)比较A、B两图看出是水的温度和水上方空气流动速度相同,不同的是水的表面积,所以可以得出水蒸发快慢与水的表面积有关.(2)要研究水蒸发的快慢与水的温度的关系,应控制水的表面积和水上方空气流动速度,所以选择AC两图是正确的.(3) 通过A、D两图的对比要想研究水蒸发的快慢与液体上方的空气流动情况有关,即需控制相同的表面积、相同的温度,不同的空气流动情况,不应该使用热风.(4)以上实验体现了控制变量法.(4)该同学的验证过程是错误的,因为从设计的环节看他没控制水的表面积相同,因为只有在水的表面积相同时,先蒸发完的蒸发的才快. 因此他的依据和结论不正确.【点睛】(1)影响蒸发快慢的因素有:液体温度的高低、液体表面积的大小、液体上方空气流动的速度;(2)在探究一个物理量与多个因素的关系时,采用控制变量法的思想.3.某一小组用图甲所示装置“比较不同液体吸热升温特点”.在两个相同烧杯中分别加入质量、初温相同的水和食盐水,用相同酒精灯加热直到沸腾.(1)分别测量出水和食盐水的沸点,发现食盐水的沸点比水高.其中水沸腾时温度计的局部放大图如乙图所示,水的沸点为_______℃.(2)实验中加热食盐水到沸腾需要的时间长,说明食盐水吸收的热量比水_______(选填“多”或“少”).(3)能否仅由“加热食盐水到沸腾需要的时间长”得出食盐水比热容大的结论?答:_________;其原因是:_____________________.【答案】98多不能实验中没有保持二者质量和升高的温度相同【解析】【分析】(1)根据图中所示温度计示数为98℃;(2)在相同的酒精灯下,向相同的烧杯加热,要比较吸收热量的多少,就得比较加热时间的多少,而实验中加热食盐水所用时间多,则其吸收的热量也多;(3)要比较比热容的大小,必须得控制其他物理量不变,保证质量不变,还有一个因素,得使两者的温度差相同,才可以比较比热容的大小。
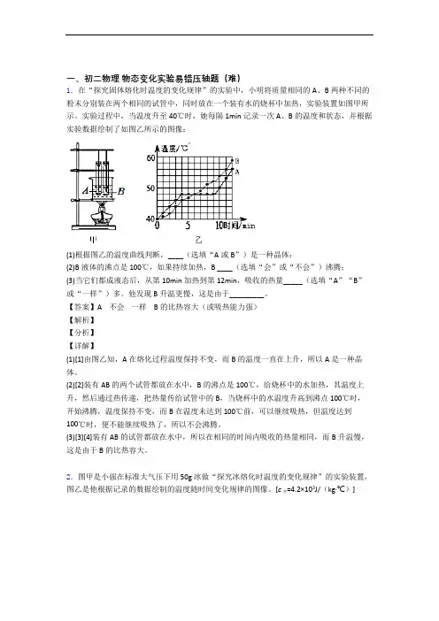
一、初二物理物态变化实验易错压轴题(难)1.在“探究固体熔化时温度的变化规律”的实验中,小明将质量相同的A、B两种不同的粉末分别装在两个相同的试管中,同时放在一个装有水的烧杯中加热,实验装置如图甲所示。
实验过程中,当温度升至40℃时,她每隔1min记录一次A、B的温度和状态,并根据实验数据绘制了如图乙所示的图像:(1)根据图乙的温度曲线判断,____(选填“A或B”)是一种晶体;(2)B液体的沸点是100℃,如果持续加热,B ____(选填“会”或“不会”)沸腾;(3)当它们都成液态后,从第10min加热到第12min,吸收的热量_____(选填“A”“B”或“一样”)多。
他发现B升温更慢,这是由于_________。
【答案】A 不会一样 B的比热容大(或吸热能力强)【解析】【分析】【详解】(1)[1]由图乙知,A在熔化过程温度保持不变,而B的温度一直在上升,所以A是一种晶体。
(2)[2]装有AB的两个试管都放在水中,B的沸点是100℃,给烧杯中的水加热,其温度上升,然后通过热传递,把热量传给试管中的B,当烧杯中的水温度升高到沸点100℃时,开始沸腾,温度保持不变,而B在温度未达到100℃前,可以继续吸热,但温度达到100℃时,便不能继续吸热了,所以不会沸腾。
(3)[3][4]装有AB的试管都放在水中,所以在相同的时间内吸收的热量相同,而B升温慢,这是由于B的比热容大。
2.图甲是小强在标准大气压下用 50g 冰做“探究冰熔化时温度的变化规律”的实验装置,图乙是他根据记录的数据绘制的温度随时间变化规律的图像。
[c 水=4.2×103J/(kg·℃)](1)实验中,冰熔化的时间为___________min。
(2)由图乙可知,冰在熔化过程中吸收热量,温度不变,内能____(选填“增大”、“减小”或“不变”),冰在熔化过程吸收的热量为_________J。
(3)试管中的冰完全熔化后,若持续加热,当烧杯中的水沸腾时,试管中的液体_________选填“会”或“不会”)沸腾。
深圳市罗湖区桂园中学物理电流和电路单元测试与练习(word解析版)一、初三物理电流和电路易错压轴题(难)1.归纳式探究——研究电子在电场中的偏转:如图1,给两块等大、正对、靠近的平行金属加上电压,两板之间就有了电场。
若将电子沿着平行于两板的中线方向入射到电场中,电子就会发生偏转。
若两板间距为d,板长为L,所加的电压为U,电子入射初速度为v0,离开电场时偏移的距离为y,则经研究得到如下数据:次数d/m L/m U/V v0/(m·s-1)y/m14×10-20.2401×107 3.6×10-228×10-20.2401×107 1.8×10-234×10-20.1401×1070.9×10-248×10-20.21601×1077.2×10-258×10-20.22402×107 2.7×10-2(1)y=k__________,其中k=_________(填上数值和单位)。
本实验在探究影响电子离开电场时偏移的距离时,运用了_________法;(2)相同情况下,电子的入射速度越大,偏移距离越________。
它们间的关系可以用图像2中的图线________表示;(3)现有两块平行相对的长度为5cm,间距为1cm的金属板,为了让初始速度为3×107m/s 的电子从一端沿两板间中线方向入射后,刚好能从另一端的金属板边缘处射出,需要加_____V的电压。
【答案】2 2ULdv()1022910m/V s⨯⋅控制变量小b 200【解析】【分析】【详解】(1)[1]分析表中数据可知,1与2相比L、U、0v均相同,而d增大一倍,y减小为原来的12,可知y与d成反比;同理,1与3相比,y与2L成正比;2与4相比,y与U成正比;将第2次实验电压U增大至6倍,则y增大至6倍,此时240VU=210.810my-=⨯将此时的数据与第5次实验相比,y与2v成反比,综上所述可得22ULy kdv=[2]将表格中第3次数据(其他组数据也可)代入22ULy kdv=计算可得()1022910m/V sk=⨯⋅[3]本实验在探究影响电子离开电场时偏移的距离时,运用了控制变量法。
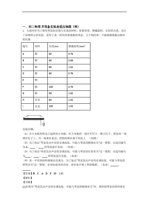
一、初二物理声现象实验易错压轴题(难)1.大海同学为了探究琴弦的音调与音弦的材料、张紧程度、横截面积、长短的关系,设计了如图所示的实验,采用了表一所列各种规格的琴弦、几个钩码和一个能够测量振动频率的仪器.编号材料长度/cm 横截面积/mm2A 铜60 0.76B 铜60 0.89C 铜60 1.02D 铜80 0.76E 铜F 铜100 0.76G 钢80 1.02H 尼龙80 1.02I 尼龙100 1.02实验步骤:(1)在大木板的两边立起两块小木板,在大木板的一端牢牢钉人一根大钉子,把弦的一端绑在钉子上,另一端垂在桌边,把钩码绑在垂下的弦上.(如图)(2)为了验证“琴弦发出声音的音调高低,可能与琴弦的粗细有关”这一猜想,应选用编号为A、____ 、____ 的琴弦进行实验.(如表)(3)为了验证“琴弦发出声音的音调高低,可能与琴弦的长短有关”这一猜想,应选用编号为____ 、____ 、____ 的琴弦进行实验.(如表)(4)表一中有的材料规格还没填全,为了验证“琴弦发出声音的音调高低.可能与琴弦的材料有关”这一猜想,必须知道该项内容.请在表中填上所缺数据.(如表)______、______【答案】B C A D F80 1.02【解析】【详解】(2)在探究“琴弦发出声音的音调高低,可能与琴弦的粗细有关”时,要控制琴弦的材料和长度相同,故选A. B. C的琴弦进行实验;(3)探究“琴弦发出声音的音调高低,可能与琴弦的长短有关”时,应控制琴弦的材料和横截面积相同,所以选A. D. F的琴弦进行实验;(4)为了验证“琴弦发出声音的音调高低。
可能与琴弦的材料有关”时,应控制琴弦的长度和横截面积相同,材料不同,符合条件的只有G、H,所以D项中应是:80;1.02.2.探究声音的特征:(1)为了探究音调与什么因素有关,小明设计了下面几个实验,如图所示,你认为能够完成探究目的是_____,通过探究可知:音调是由发声体振动的_____决定的.(2)如图所示,将一把钢尺紧按在桌面上,一端伸出桌面适当的长度,拨动钢尺,就可听到_____(选填“钢尺”或“桌面被拍打”)振动发出的声音,若改用更大的力拨动钢尺,则听到声音的_____(选填“音调”、“音色”或“响度”)变大;逐渐增加钢尺伸出桌面的长度,仔细聆听钢尺振动发出声音后,发现音调逐渐变_____(选填“高”或“低”)了,观察发现此时钢尺振动慢了,当钢尺伸出桌面超过一定长度时,虽然用同样的力拨动钢尺,却听不到声音了,这是由于_____.【答案】A、B、C 频率(快慢)钢尺响度低钢尺的振动频率低于20HZ【解析】(1)A、硬纸板接触齿数不同的齿轮,振动的频率不同,发出的声音的音调不同,符合题意;B. 改变钢尺伸出桌边的长度振动的频率不同,发出的声音的音调不同,符合题意;C. 用塑料尺子在梳子齿上快慢不同的滑动时,梳子齿振动的频率不同,发出的声音的音调不同,符合题意;D. 改变吹笔帽的力度,振幅不同,响度不同,研究响度跟振幅的关系,不符合题意;故选D.通过探究可知:音调是由发声体振动的频率决定的; (2)将一把钢尺紧紧按在桌面上,一端伸出桌面适当的长度,拨动钢尺,就可听到钢尺振动发出的声音;若改用更大的力拨动钢尺,钢尺的振幅变大,响度变大;改变钢尺伸出桌面的长度,用同样大小的力拨动其伸出桌面的一端,这样会导致钢尺振动的快慢不同,即发出声音的音调不同;钢尺伸出桌面超过一定长度,振动得很慢,即钢尺振动的频率小于20Hz,所以人耳听不到.3.小明同学在学习完课本上“探究声音的响度与哪些因素有关”的实验后,回到家中想用铁脸盆和水等材料来做这个实验,请帮助她完成探究报告.(1)提出问题:声音的响度与振幅有什么关系?(2)猜想与假设:______________.(3)进行实验与收集证据:A.需要实验器材:铁脸盆、水、钢勺.B.在铁脸盆中装入适量的水,用钢勺轻敲铁脸盆,会发现铁脸盆中的水在跳动.C.用较大的力敲铁脸盆,发现铁脸盆中的水跳动比步骤B中的水跳动________(选填“高”“低”或“不变”).(4)结论:通过分析,结合提出的问题,你能初步得出结论:___________________.(5)评估:你还可以用这些器材来探究什么问题____________?(写出探究的问题即可)【答案】振幅越大,响度越大高响度与振幅有关,振幅越大,响度越大声音是怎样产生的或音调高低与水多少有关吗?【解析】【分析】【详解】(2)本题所研究的问题是声音的响度与振幅有什么关系?因此,可以猜想:振幅越大,响度越大;(3)根据实验现象可知,用较大的力敲铁脸盆,发现铁脸盆中的水跳动比步骤B中的水跳动高;(4)通过实验分析,我们可以得出的结论是:响度与振幅有关,振幅越大,响度越大;(5) 因为实验中可以看到水的跳动,故还可以用这些器材来研究:声音怎样产生;另外在水盆中将入不同深度的水时,盆的振动频率会变化,所以还可以研究:音调高低与水的多少有关吗?4.在学习吉他演奏的过程中,小明发现琴弦发出声音的音调高低是受各种因素影响的,他决定对此进行研究,经过和同学们讨论,提出了以下猜想:猜想一:琴弦发出声音的音调高低,可能与琴弦的横截面积有关;猜想二:琴弦发出声音的音调高低,可能与琴弦的长短有关;猜想三:琴弦发出声音的音调高低,可能与琴弦的材料有关.为了验证上述猜想是否正确,他们找来下表的几种规格的琴弦进行实验:(1)为了验证猜想一,应选用编号为___、___的琴弦进行实验;(2)选用编号A、C的两根琴弦进行实验,是为了验证猜想_______;(3)如果小明还想验证猜想三,则他可以选择编号为_______、_______的琴弦进行实验,此时表中所缺的数据应该填_______.【答案】A B 二 C D 0.76【解析】(1)根据控制变量法的思路,为了验证猜想一,应选择长度和材料相同,而横截面积不同的琴弦,所以应选用编号为A和B的琴弦进行实验;(2)选用编号A、C的两根琴弦进行实验,材料和横截面积相同,而长度不同,所以是为了验证猜想二;(3)验证猜想三,同样根据控制变量法的思路,应保证横截面积和长度相同,而材料不同的琴弦进行实验,所以则他可以选择编号为C和D的琴弦进行实验;则此时表中所缺的数据应该填入和C的横截面积相同,即0.76mm2.点睛:关键是实验中控制变量法的应用,当一个结果受多个因素的影响时都使用此方法进行实验,实验时让一个因素变化,而其它因素都控制相等或相同即控制变量.5.如图甲所示,小芳和小刚用细棉线连接了两个可乐饮料的纸杯制成了一个“土电话”.(1)他们用“土电话”能实现10m间的通话,这表明________________.(2)相距同样远,讲话者以相同的响度讲话,如果改用细金属丝连接“土电话”,则听到的声音就大些.这一实验表明:________________________.(3)如果用“土电话”时,另一个同学捏住棉线的某一部分,则听的一方就听不到声音了,这是由于____________________________.(4)某研究小组利用以上两个纸杯和一些长短、粗细不同的琴弦,又进行了探究“音调和哪些因素有关”的活动.他们选用的琴弦长度、材料在如图乙中已标出(其中琴弦的的直径关系:a=c=d<b),并且每根琴弦固定在“音箱”上的松紧程度一致.①若他们想研究“音调的高低与琴弦长度”的关系应选择琴弦________(选填符号a、b、c 或d).②若选择琴弦a和b,则是为了研究____________________.③若有同学选择c和d进行研究,并推理得出:琴弦长度越长,振动越慢,音调就越低的结论.该同学探究过程中存在什么问题?_______________________.【答案】固体能够传声金属丝比棉线的传声效果好手阻止了琴弦振动传声 a d音调的高低与琴弦粗细的关系实验中没有控制材料相同【解析】分析:解决此题的关键是熟练掌握控制变量法.解答:声音的传播需要介质,声音可以在固体、液体、气体中传播;土电话”能实现10m 间的通话,说明固体可以传声;以相同的响度讲话,改用细金属丝连接“土电话”,则听到的声音就大些,说明金属丝传声效果比棉线好;用“土电话”时,另一个同学捏住棉线的某一部分,则听的一方就听不到声音了,这是由于手指阻断了声音的传播,研究“音调的高低与琴弦长度”的关系必须控制材料和横截面积相同,故选 . a d;因为a和b材料、长度都相同选择琴弦a和b,则是为了研究音调的高低与琴弦粗细的关系;若有同学选择c和d进行研究,并推理得出:琴弦长度越长,振动越慢,音调就越低的结论.该同学探究过程中存在的问题是若有同学选择c和d进行研究,并推理得出:琴弦长度越长,振动越慢,音调就越低的结论.该同学探究过程中存在什么问题故答案为(1)固体能传播声音;(2)金属丝的传声效果好;(3);手阻止了琴弦振动传声;(4)①ad;②音调的高低与琴弦粗细的关系;③选择c和d进行研究,并推理得出:琴弦长度越长,振动越慢,音调就越低的结论.该同学探究过程中存在的问题是没有控制两根导线的材料相同.6.(1)由图(a)可知当线轴的甲轮刚接触到棉布时,其速度的大小将(变小/不变/变大),而乙轮的速度不变;(2)从图(a)、(b)两种类似现象可知,光由空气斜射入玻璃时而发生折射现象的原因可能是.(3)下列几个研究案例中与本题的研究方法相同的是…A.用水波来形象地认识声波;B.探究蒸发快慢与哪些因素有关;C.在探究发声的音叉是否在振动时,将一个乒乓球靠近它,观察到乒乓球被弹开;D.将闹钟放在钟罩内,通过抽气来探究声音能否在空气中传播.【答案】(1)变小;(2)光由空气进入水中的速度变慢了;(3)A.【解析】试题分析:(1)要解决此题,需要掌握阻力对物体运动的作用.同时要知道若物体不受力,将保持原来的运动状态不变.(2)分析(a)和(b),要注意从中找出相同点,总结规律.(a)发生折射是由于速度发生了变化,从(a)联想(b)的原因.(3)要解决此题需要知道类比法.将物理现象与生活现象类比,找出它们的相同点.更容易理解.解:(1)在滚动过程中,由于甲首先到达细布,受到摩擦力而速度变小;乙此时仍在光滑的木板上,由于不受摩擦,所以乙的速度不变.(2)从(a)图看,由于甲端的运动速度发生了变化,甲端的运动方向发生了偏折,所以(b)中光线的传播方向发生了变化,可能是由于光的传播速度发生了变化,即可能是光由空气进入水中的速度变慢了.(3)此题这种研究方法为类比法,在前面电学中,将水流类比为电流、水压类比为电压、通过水波认识声波等都属于此种研究方法.选项B探究蒸发快慢与哪些因素有关运用了控制变量法;选项C在探究发声的音叉是否在振动时,将一个乒乓球靠近它,观察到乒乓球被弹开,运用了转换法;选项D将闹钟放在钟罩内,通过抽气来探究声音能否在空气中传播,运用了理想实验法.故只有A符合题意.故答案为:(1)变小;(2)光由空气进入水中的速度变慢了;(3)A.【点评】此题主要考查了学生接受新知识的能力,在此题中关键要找出生活现象和物理现象的相同点,运用类比法将知识进行迁移,这也是我们学习能力的一种体现,在平时要注意总结.7.为了探究声音的反射与吸收特点,章杰同学进行了实验研究:(1)在玻璃筒内垫上一层棉花,棉花上放一个小闹钟,耳朵靠近玻璃筒口正上方l0cm处,能清晰地听见闹钟声,闹钟声是通过________传播的。
深圳市罗湖区桂园中学物理电功率单元测试与练习(word解析版)一、初三物理电功率易错压轴题(难)1.(5)[6]为达到最佳的灭蚊效果,小明应选用的粘胶类型为粘性最强的,即残留的芝麻数量最多的A胶。
故选A。
小亮利用以下器材:电源(电压恒为6V)、滑动变阻器、开关各一个,电压表、电流表各一只,三个定值电阻R1、R2、R3,大小分别为10Ω、15Ω、20Ω,导线若干,来探究“电流与电阻的关系”。
(1)图甲是小明连接的实物电路,图中有一根导线连接错误,请你在连接错误的导线上打“×”并补画出正确的连线______。
(2)电路连接正确后,闭合开关后,移到滑片,使与电阻(20Ω)并联的电压表示数为4V,读出电流表示数,再分别改接15Ω、10Ω的电阻,重复上述实验,收集的实验数据如表所示。
老师告诉小明有一组数据误差较大,便找来一个5Ω的电阻让他再测一组数据。
当他把5Ω的电阻接入电路时,要使电压表示数仍为4V,实验不能继续进行,其原因______。
改变连接后,当电压表示数仍为4V时,电流表示数为______A(如图乙所示)。
综合分析数据可得:电压一定时,______。
(3)完成上述实验后,小亮还想测定一个U额=2.5V的小灯泡的额定功率,他发现电流表已坏,于是向老师要了一个单刀双掷开关,借助部分现有的实验器材,设计了如图所示的电路,测出了小灯泡的额定功率。
请帮他完成实验步骤:①连接好实验电路,______,移动滑片,使电压表示为______V。
②保持滑片的位置不动,______,读出电压表示数为U。
③小灯泡的额定功率表达式P额=______。
(用物理符号表示)【答案】电流表超出量程 0.8 电流与电阻成反比将开关S1闭合,S2拨到触点2 2.5 将S2拨到触点1()U U UR-额额【解析】【分析】【详解】(1)[1]由题目中的电流表表盘知,电流表选择0~0.6A量程,电流表与电阻串联,电源电压为6V,电压表选择0 ~15V量程,电压表与电阻并联,滑动变阻器选择一上一下接线柱,串联在电路中。
一、初二物理 光的折射 透镜实验易错压轴题(难)1.探究“凸透镜成像规律”实验时(1)小明在光具座上放置点燃的蜡烛、凸透镜、光屏情况如图所示,此时应______。
(2)正确调整后,光屏的中央恰好出现清晰的蜡烛像,则所成的是______像(填全像的性质),生活中的______(放大镜/投影仪/照相机)就是利用此原理工作的。
(3)小明将蜡烛靠近凸透镜移动一段距离,移动光屏位置又出现清晰的蜡烛像,这个像的大小与原来像相比将______(变大/变小/不变)。
(4)保持凸透镜的位置不变,小明将蜡烛放在光具座45cm 刻度位置时,无论怎样移动光屏,光屏上都不能出现清晰的蜡烛像,这是因为______。
【答案】调节光屏的高度,使三者的中心大致在同一高度(或光屏向上调) 倒立缩小的实 照相机 变大 蜡烛在焦点以内,成正立放大的虚像(或蜡烛在焦点以内不能成实像;或物距小于焦距不能成实像)【解析】【分析】【详解】解:(1)[1]蜡烛、凸透镜、光屏,三者在同一条直线上,三者的中心大致在同一高度,像才能呈在光屏的中心,所以此时应 调节光屏的高度,使三者的中心大致在同一高度(或光屏向上调)。
(2)[2][3]把蜡烛放在距凸透镜15cm 处,35u cm =,20v cm =,物距大于像距,成倒立、缩小的实像,生活中的照相机就是利用此原理工作的。
(3)[4]小明将蜡烛靠近凸透镜移动一段距离,物距减小,移动光屏位置又出现清晰的蜡烛像,这个像的大小与原来像相比将变大。
(4)[5]无论怎样移动光屏,光屏上都不能出现清晰的蜡烛像,这是因为可能是物距小于焦距,此时成虚像;可能是物距等于焦距,此时不成像;可能是物距略大于焦距,此时像距非常远。
2.小明和小亮用如图所示的装置探究凸透镜成像的规律。
(1)实验前将烛焰、凸透镜和光屏的中心调至同一高度,目的:______;(2)如图所示,光屏上呈现一个清晰的像保持凸透镜位置不变,将蜡烛向左移动一段距离,要再次在光屏上得到清晰的像,应将光屏向______移动,像的大小将变______;(3)小亮认为:凸透镜成实像时,不但像与物上下是颠倒的,而且左右也是相反的。
深圳深圳市罗湖区桂园中学中考物理试卷及答案一、选择题1.如图所示的电路中,电源电压不变,开关S闭合,灯L1和L2都正常发光.一段时间后,突然其中一灯熄灭,而电压表和电流表的示数都不变,出现这一现象的原因可能是A.灯L1短路B.灯L2短路C.灯L1断路D.灯L2断路2.“网课”让学习更加便捷,但也容易使人们用眼过度。
如图所示,电加热眼罩可以缓解眼疲劳。
它有两个发热电阻,当开关S1闭合时,R1工作,为低温状态;再闭合S2,R1、R2同时工作,为高温状态;若断开S1,眼罩停止发热。
以下简化模拟电路设计正确的是()A.B.C.D.3.69.【2017•山西卷】酒驾易造成交通事故,利用酒精测试仪可以检测司机是否酒驾,其电路原理如图甲所示.R1为“气敏传感器”,它的电阻值与它接触到的酒精气体浓度的关系如图乙所示,R2为定值电阻,阻值为60Ω,电源电压恒为12V.若酒精气体浓度≥0.2mg/mL时,则判定被检者为酒驾.以下说法正确的是()A.被检者的酒精气体浓度越高,电流表示数越小B.电流表的示数为0.12A时,判定被检者为酒驾C.电压表示数为3V时,R2消耗的电功率为0.45WD.被检者酒精气体浓度为0.2mg/mL时,电压表的示数是4V4.水平台面上有两个同规格烧杯,分别盛有甲、乙两种液体将两个完全相同的物体A、B分别放入两杯中静止时如图所示,甲、乙液面刚好相平此时,设A物体受到的浮力为F浮A甲液体对烧杯底部的压强为p甲;B物体受到的浮力为F浮B,乙液体对烧杯底部的压强为p乙,则A.F浮A=F浮B, p甲>p乙B.F浮A=F浮B, p甲<p乙C.F浮A <F浮B, p甲>p乙D.F浮A<F浮B, p甲<p乙5.如图所示的现象中,与手影形成原因相同的是()A.水中倒影B.水中折筷C.小孔成像D.雨后彩虹6.如图是某同学设计的一种烟雾报警装置,R为光敏电阻,其阻值随光照强度的增强而减弱,0R为定值电阻。
一、选择题1.夏季,小李打开冰箱的冷冻室看见一股“白气”向下飘出,联想到了烧开水时壶嘴里向上冒“白气”的情景,下列说法中正确的是()A.两股“白气”本质是相同的,都是空气中的水蒸气液化形成的小水珠B.两股“白气”本质是相同的,他们都是汽化成的水蒸气C.两股“白气”本质是不同的,前者是液化形成的,后者是汽化形成的D.两股“白气”形成的过程都要放热2.如图甲所示,将质量相等的冰和蜡烛分别装在两个相同的试管中,放入装有水的烧杯中加热,绘制出温度随时间变化的图像如图乙所示,下列说法正确的是()A.甲图中采用水浴法加热后就没必要用碎冰做实验了B.由图乙可知,B图线对应的物质是冰C.A图线中,2—6min段温度不变,说明此过程不需要吸热D.A图线中,2—6min段表示熔化过程,此过程需要吸热3.根据你对生活中物理量的认识,你认为下列数据符合实际情况的是()A.教室的高度约为3dmB.人体的正常体温约为36.5℃C.中学生跑步的平均速度约为1.1m/sD.快速眨眼1次的时间约为5s4.关于测量,下列说法中正确的是()A.用体温计可以测量开水的温度B.使用停表测同学百米跑成绩前,先按复位钮清零C.裁切窗玻璃前,用分度值为厘米的卷尺测量窗户的宽度D.零刻线磨损的刻度尺不能测量任何物体的长度5.如图所示的四种现象中,其物态变化属于液化的是()A.树叶上的霜B.护目镜上的“水雾”C.湿衣服晾干D.冰雪消融6.夏天妈妈从冰箱冷冻室取出一块牛排,刚取出时牛排表面①冒着“白气”,放在空气中解冻一会儿,塑料包装表面出现②密密的小水珠,等到牛排③变软之后,妈妈就知道牛排解冻好了。
上面描述的三个现象中,物态变化相同的是()A.①②B.①③C.②③D.①②③7.用一支水银温度计测量放在24℃房间里的一盆热水的温度时,当温度计的水银上升经过“29℃”这一刻度时,温度计的读数表示的是()A.房间里的温度B.热水的温度C.温度计中水银的温度D.无法判断8.下列所给数据中,最接近实际的是()A.比较舒适的居住环境的温度大约是 40℃B.每周一升旗演奏中华人民共和国国歌所需的时间约为 20sC.成人正常步行的速度大约为5m/sD.心脏的跳动频率大约是 1.2Hz9.从冰箱冷冻室拿出一块冻肉,表面还没有结霜,过一会看到其表面有一层霜,这层霜是()A.空气中的水蒸气凝华而成B.空气中的水蒸气液化而成C.冰箱中的水蒸气凝华而成D.冻肉上的水凝固而成10.如图所示,把干冰(固态二氧化碳)放入铝罐里一段时间,干冰消失,罐外壁结了一层霜,在这个现象中()A.干冰发生了汽化现象B.罐外壁所结的霜属于凝固现象C.干冰消失的过程要放热D.罐外壁的霜在形成时会放热11.下列几个验证性小实验,其中有错误的是()A.把正在发声的收音机密封在塑料袋里,然后放入水中,人们仍能听到收音机发出的声音,证明液体可以传声B.在玻璃片上滴上两滴酒精,将其中一滴摊开,发现摊开的那滴酒精先不见了,证明液体表面空气流速越大,蒸发越快C.在手背上擦酒精感到凉,说明蒸发吸热D.冬天将玻璃片从室外拿到室内,发现它上面有一层雾,说明降低温度可以使气体液化12.在观察碘的升华现象时,将少量熔点为113.7°C的碘颗粒装入如图的密封锤形玻璃泡内。
一、单选题(每小题只有一个选项符合题意,每小题2分,共20分罗湖区桂园中学九年级上学期10月段考物理试题)1.下列现象能说明分子在做无规则运动的是()A.秋天落叶纷飞B.学校面包房散发出诱人的香味C.沸腾时水中气泡的运动D.打扫卫生时灰尘飞扬2.如图所示,将两个表面光滑的铅块相互紧压,它们会粘在一起,下方可以挂起重物。
该现象主要说明了()A .分子间有空隙B.分子间存在吸引力C.分子间存在排斥力D.分子处在永不停息地无规则运动中3.家用小型风力发电机独特的尾翼结构,能使其旋翼自动迎风,如图甲所示。
海边,仅在海陆风因素的影响下,图乙、图丙所示的情形通常分别发生在()A.白天、夜晚B.夜晚、白天C.白天、白天D.夜晚、夜晚4.下列关于温度、内能、热量说法正确的是()A.物体温度越低,含有的热量越少B.做功和热传递都可以改变物体内能C.物体内能增加,温度一定升高D.物体机械能越大,内能越大5.“淄博烧烤”是淄博饮食文化的重要组成部分,已经成为淄博的新名片。
“烧烤”过程中涉及的物理知识分析正确的是()A.烧烤签常选用不锈钢,主要是利用不锈钢的比热容大B.烧烤时边烤边撒佐料,利用了温度越高扩散现象越慢C.烤肉变熟的过程,通过热传递改变其内能D.木炭燃烧过程中所释放出的内能,增加了食物的热量6.汽车是现代生活中最常见的一种交通工具,如图甲、乙分别是某汽油机的某冲程及能量流向图。
下列有关说法正确的是()A.甲图是压缩冲程,活塞对气缸内的气体做功,气体的温度升高B.由乙图可知该汽油机的效率是30%C.汽车尾气中的“汽油味”越浓燃料燃烧得越不充分,这会降低燃料的热值D.为节能冬天汽车都会利用尾气中的余热给车内供暖,该举措大大提高了燃料的热值7.电动机通电后带动其他机器运转,一段时间后,电动机的外壳就会变得烫手,则下列关于能的转化和守恒的说法中正确的是A.电能全部转化为机械能,总的能量守恒B.电能一部分转化为机械能,另一部分转化为内能,总的能量守恒C.电能全部转化为内能,内能守恒D.电能转化为机械能和内能,机械能守恒8.如图甲是无风条件下铝箔气球的静止状态,图乙是用带正电的a棒靠近气球时的情景,图丙是用b棒靠近气球时的情景,则()A.气球可能不带电B.气球带负电C.b棒可能不带电D.b棒带正电9.实验小组的同学连接了四个电路(如图)来探究开关的控制作用,下列判断正确的是()A.甲电路中,开关S只控制L1B.乙电路中,闭合开关S,两灯都亮C.丙电路中,闭合开关S,L1亮,L2不亮D.丁电路中,断开开关S,L1不亮,L2亮10.关于导体和绝缘体,下列说法正确的是()A.导体容易导电,也能够带电;绝缘体不容易导电,也不能带电B.金属材料都是导体,非金属材料都是绝缘体C.导体和绝缘体导电能力不同,但内部都有大量电荷D.导体能够导电,因为导体内有电荷:绝缘体不容易导电,因为绝缘体内没有电荷二、作图题(每题2分,共4分)11.请在如图坐标系中画出煤油的热值与其完全燃烧所放出的热量Q的关系图象。
深圳深圳市罗湖区桂园中学中考物理试卷及答案一、选择题1.如图所示为小刚所连的两盏白炽灯和两个插座的电路图。
通电后发现不能正常工作。
下面几个措施中可能引起危险的是()A.拆掉开关S2,两条导线连在一起B.拆掉开关S3,两条导线连在一起C.拆掉插座甲,两条导线连在一起D.拆掉灯泡丙,两条导线连在一起2.下列估测最接近实际的是()A.扬州六月份平均气温约为20℃B.电动自行车的一般行驶速度为40m/s C.500mL瓶装饮料的重约为50N D.一杯水对桌面压强约1000Pa3.如图所示,用相同的滑轮构成甲、乙两个装置,在相等的时间里分别把不同的物体匀速提升相同高度,绳端的拉力相等。
不计绳重及摩擦,下列说法正确的是()A.甲、乙装置所提物体的重力相同B.甲、乙装置的额外功相同C.甲、乙装置绳端拉力的功率相同D.甲、乙装置的机械效率相同4.下列实际应用中,主要从弹性的角度考虑的是()A.用橡胶作为汽车轮胎的材料B.用液体氢作为发射火箭的燃料C.用塑料作为插座外壳的材料D.用胶木作为制作热水壶手柄的材料5.如图所示,汽车装有日间行车灯可以提高行车安全,当汽车启动时,S1闭合,日间行车灯L1立即亮起:再闭合S2车前大灯L2也亮起.符合这一情况的电路图是()A.B. C.D.6.溧阳平桥石坝,没有使用钢筋混凝土,靠浆砌石建成,近年来成为远近闻名的旅游景点,如图所示为溧阳平桥石坝的切面示意图、水坝左侧水面高,右侧水面低,A和B两点处于同一高度,A和C两点到各自液面的距离相等,水在A、B和C三点产生的压强分别为p A、p B和p C.则()A.p A=p B>p C B.p A=p B<p C C.p A=p C>p B D.p A=p C<p B7.春暖花开,小华同学家中的一株君子兰盛开了,下面说法中正确的是()A.花朵红色,是因为花朵吸收了红光B.叶子绿色,说明叶子的光合作用最需要绿光C.各个方向都能看到这株君子兰,是因为发生了漫反射D.花间的阴影,是由光的折射形成的8.下列能源属于可再生能源的是()A.石油B.风能C.天然气D.核能9.如图所示,矩形线圈两端作为转轴置于支架上,与小量程电流表连接,线圈下面放置磁体。
一、选择题1.谚语是中华民族智慧的结晶,下列分析正确的是()A.“冰冻三尺非一日之寒”,结冰过程需要吸收大量热量B.“白露秋分夜,一夜凉一夜”,露的形成是汽化现象C.“霜降有霜,米谷满仓”,霜的形成是凝华现象D.“雪水化成河,粮食千万箩”,雪水化成河是液化现象C解析:CA.结冰是由液态凝固成固态,需要放出大量热量,故A错误;B.露的形成水蒸气液化成的小水滴,故B错误;C.霜的形成是水蒸气直接凝华成固态,故C正确;D.雪水化成水是熔化现象,故D错误。
故选C。
2.密封的锤形玻璃泡底部装有少量的碘颗粒,将玻璃泡浸入开水中,过一会儿将玻璃泡从水中取出,静置一段时间发现玻璃泡顶部玻璃壁上出现黑色的碘颗粒,下列现象中与玻璃泡顶部玻璃壁上出现碘颗粒的物态变化相同的是()A.春天,冰雪消融B.夏天,露珠晶莹C.秋天,白雾弥漫D.冬天,霜满枝头D解析:D静置一段时间发现玻璃泡顶部玻璃壁上出现黑色的碘颗粒,这是碘由气态变成了固态,属于凝华现象;冰雪消融是由固态变成液态,属于熔化现象;露珠晶莹是水蒸气由气态遇冷变成液态,是液化现象;白雾弥漫是水蒸气由气态变成液态,是液化现象;霜满枝头是水蒸气由气态变成固态,是凝华现象。
故选D。
3.下列说法正确是()A.初春的早晨,出现大雾是水蒸气汽化形成的B.深秋的早晨,地面小草上出现的白霜是水蒸气凝固形成的C.北方的冬天,玻璃上出现的冰花是水蒸气凝华形成的D.人工降雨经历了升华、凝固和熔化三种物态变化过程C解析:CA.初春的早晨,出现大雾是水蒸气液化形成的,故A错误;B.深秋的早晨,地面小草上出现的白霜是水蒸气凝华形成的,故B错误;C.北方的冬天,玻璃上出现的冰花是水蒸气凝华形成的,故C正确;D.人工降雨经历了升华、凝华和熔化三种物态变化过程,故D错误。
故选C。
4.下列措施中使蒸发减慢的是()A.用扫帚把洒在地上的水向周围散开B.把湿衣服展开晾在通风向阳处C.用塑料袋包装蔬菜并放入冰箱冷藏室内D.夏天,人们使用电风扇吹风C解析:CA.用扫帚把洒在地上的水向周围散开,增大了水的表面积,加快了水的蒸发,故A不符合题意;B.把湿衣服展开晾在通风向阳处,提高了水的温度,同时也加快了水表面的空气流动速度,加快了水的蒸发,故B不符合题意;C.用塑料袋包装蔬菜并放入冰箱冷藏室内,降低了水分的温度,同时也减慢了水分表面空气的流动速度,减慢了水分的蒸发,故C符合题意;D.夏天,人们使用电风扇吹风,加快了汗液表面的空气流动速度,加快了汗液的蒸发,故D不符合题意。
一、选择题1.对甲、乙两种物质同时持续加热,其温度随时间变化的图象如图所示,下列说法正确的是()A.甲物质的沸点一定是°80CB.乙物质的熔点一定是°60CC.甲物质在4-6min内一定持续吸收热量D.乙物质在6-10min内一定是固液共存态C解析:CAB.甲乙两种物质不能确定其本身的状态,不知道是晶体的熔化还是液体的沸腾,故不能确定是熔点还是沸点,故AB错误;C.由图知甲物质在4-6min内温度升高,内能增加,是持续吸收热量的结果,故C正确;D.由于不能确定是晶体的熔化还是液体的沸腾,故不能确定乙物质在6-10min内的状态,故D错误。
故选C。
2.谚语是中华民族智慧的结晶,下列分析正确的是()A.“冰冻三尺非一日之寒”,结冰过程需要吸收大量热量B.“白露秋分夜,一夜凉一夜”,露的形成是汽化现象C.“霜降有霜,米谷满仓”,霜的形成是凝华现象D.“雪水化成河,粮食千万箩”,雪水化成河是液化现象C解析:CA.结冰是由液态凝固成固态,需要放出大量热量,故A错误;B.露的形成水蒸气液化成的小水滴,故B错误;C.霜的形成是水蒸气直接凝华成固态,故C正确;D.雪水化成水是熔化现象,故D错误。
故选C。
3.如图甲所示,将质量相等的冰和蜡烛分别装在两个相同的试管中,放入装有水的烧杯中加热,绘制出温度随时间变化的图像如图乙所示,下列说法正确的是()A.甲图中采用水浴法加热后就没必要用碎冰做实验了B.由图乙可知,B图线对应的物质是冰C.A图线中,2—6min段温度不变,说明此过程不需要吸热D.A图线中,2—6min段表示熔化过程,此过程需要吸热D解析:DA.碎冰块受热面积大,受热更均匀,实验效果更好,所以采用水浴法加热的同时也要用碎冰做实验,故A错误;B.由图乙可知,B图线对应的物质是非晶体,所以该物质是蜡烛,故B错误;CD.由A图线可知,A图线对应的物质是晶体,2—6min段表示熔化过程,晶体在熔化过程中虽然持续吸热但温度不变,故C错误,D正确。
一、选择题1.关于体温计和常用温度计的区别,下列说法中正确的是()A.体温计与常用的液体温度计仅是长短不同而已B.体温计和常用液体温度计的结构都相同C.使用体温计测量体温时,可离开人体后再读数,但常用的液体温度计读数时不能离开被测物体D.不仅使用体温计前需用力甩动,而且使用常用的液体温度计前也要甩动2.下列关于物态变化情景描述不正确的是()A.甲图,将纱布浸润在水中通过蒸发吸热,使篮子里的食物不至于温度过高而变质B.乙图,易拉罐下部和底部出现白霜,是因为加盐后冰水混合物的熔点变低,空气中的水蒸气遇冷凝华形成的C.丙图,坎儿井的结构通过地下水不断补充,降低了蒸发的速度D.丁图,液化的方式有降低温度和压缩气体体积,液化石油气属于是通过压缩体积的方式液化后储存在瓶内的3.如图所示的四个物态变化的实例中,属于凝华的是()A.北方初冬的早晨树叶上形成霜B.水烧开时壶嘴冒出“白气”C.冰化成水D.山间形成白雾4.固态、液态和气态是物质常见的三种状态,某物质通过放热、吸热在甲、乙、丙三种物态之间转化,如图所示,下列说法正确的是()A.甲为固态,由甲到乙是凝华过程B.乙为液态,由乙到丙是汽化过程C.丙为液态,由乙到丙是熔化过程D.丙为气态,由丙到甲是液化过程5.园艺工人利用滴灌的方法给园中的树木浇水,如图所示,他们把细水管放入树下的土壤里,使水分直接渗透到树木根部,从而减慢了水分的蒸发,原理是()A.提高了水的沸点B.减少了水在地面的表面积C.提高了地面上水的温度D.加快了地面上方空气的流动6.下列物态变化中,需要放热的是()A.春天到来,冰雪消融B.夏天中午,干冰保鲜C.秋天早晨,大雾散去D.冬天夜晚,霜挂树枝7.根据表中所提供的数据,在标准大气压下,以下判断正确的是()物质熔点°C沸点°C酒精-11778水银-39357铅3281740B.南极气温接近-60°C时,应选用水银温度计测气温C.铅的凝固点是328°CD.水银在-39°C熔化时吸热,温度升高8.我们能在不同的环境中看到“白气”。
一、初二物理物态变化实验易错压轴题(难)1.在实验探究“汽化、液化中的吸放热”时,同学们设计了如图所示的实验装置进行实验,给左边试管中的水加热,把水沸腾产生的水蒸气,引导到右边试管内的冷水中:物质水银酒精甲苯荼熔点/℃﹣39﹣117﹣95﹣80.5沸点/℃35778111218(1)上表中列出了几种物质在一个标准大气压下的熔点和沸点,在该实验中温度计的感温泡里不能选____做测温物质。读取温度计示数时,视线应与温度计液柱上表面____;(2)实验中将左侧试管中的水加热至沸腾时,可以观察到左管中温度计示数____(填“升高”、“降低”或“不变”);试管中水的内能____(填“增大”、“减小”或“不变”);(3)右侧试管中能说明水蒸气液化的现象是____,能说明液化放热的现象是___。【答案】酒精相平不变增大右侧试管中水面升高右侧试管中温度计示数升高【解析】【分析】【详解】(1)[1]由表格可知,酒精的沸点78℃小于水的沸点,所以不能选酒精做测温物质。[2]读取温度计示数时,视线应与温度计液柱上表面相平。
(2)[3]水沸腾时继续吸热但温度不变,所以观察到左管中温度计示数不变。
[4]水沸腾时继续吸热,因此试管中水的内能增大。
(3)[5]水蒸气液化成水,水不断增加,所以右侧试管中水面升高。
[6]液化放热右侧试管中水温升高,因此右侧试管中温度计示数升高。
2.在探究固体熔化时温度的变化规律中,小亮将质量相同的冰和固态食用油(用肉炼制的)分别装在两个相同的试管中,放在一个装有适量水的大烧杯中进行加热,如图甲所示,图乙中的A和B分别是根据实验数据绘制的冰和食用油温度随时间变化的图像。
(1)由图像可知,物质______(填“冰”或“食用油”)是晶体;(2)大烧杯中装有适量的水,其中的“适量”指的是______;(3)两种物质全部熔化后,继续对烧杯中的水加热至沸腾并持续一段时间,发现两个试管中的液体都不会沸腾,试管中的水不能沸腾的原因是______,食用油不能沸腾的原因是温度无法达到______。
【答案】A 既可以浸没试管中的晶体,又能放入试管后水不溢出不能持续吸热沸点【解析】【分析】本题考查晶体熔化的特点及液体沸腾的条件。
【详解】(1)[1]由图象可知,冰是晶体,因为冰熔化过程中温度保持不变。
(2)[2]适量指可以浸没试管中的晶体,这样才能让试管中的晶体受热均匀,但水不能太多,否则试管放入后水会溢出,会影响实验的探究效果。
(3)[3][4]试管中水不能沸腾的原因是,当试管内外的水的温度达到100℃时,试管中的水不能继续吸热,所以不能沸腾;试管中的食用油温度达到100℃后,也不能继续吸热,温度不能再升高,而食用油沸点的温度比100℃要高,故食用油也不能沸腾。
【点睛】液体沸腾的条件有:温度达到沸点和继续吸热。
3.在“观察水的沸腾”的实验中:(1)请你指出图1中实验操作错误之处是______;(2)图2______(选填“甲”或“乙”)是水在沸腾时的情况。
水沸腾后继续给水加热,水的温度______;(3)水沸腾时,可以看到水面上不停的冒“白气”,产生此现象的原因是______(填物态变化名称);(4)实验结束后,同学们相互交流时,有的小组觉得把水加热到沸腾的时间过长,请你说出一条缩短加热时间的方法______。
【答案】温度计的玻璃泡碰到了容器底甲不变液化用温度较高的水实验【解析】【分析】【详解】(1)[1]图中温度计的玻璃泡碰到了容器底,这样测量的温度不是液体的温度了,同时还容易损坏温度计。
(2)[2][3]水在沸腾过程中有大量气泡产生,并且气泡在上升过程中体积逐渐增大,到最后破裂,故甲图表示水在沸腾时的情况,水在沸腾过程中吸热但温度保持不变。
(3)[4]水在沸腾过程中,产生大量高温的水蒸气,遇冷会液化成大量的小水滴,这就是我们看到的“白气”。
(4)[5]水加热时间过长的原因有很多:可能是水的初温太低,用温度较高的水实验;也可能是水量太多,适当减少水的质量;也可能是酒精灯火焰太小,可以增大火焰,也可能是周围的环境温度过低。
4.小明探究水沸腾时的特点,实验装置如图所示。
(1)加热一定时间后,温度计的示数如图所示,此时水的温度为________℃;(2)当观察到如图中的_______图时,说明水已沸腾;b图中气泡上升的过程逐渐变小,发生的物态变化是_______;(3)水在沸腾过程中虽然温度不再升高,但酒精灯要持续加热,这说明液体在沸腾过程中要______;(4)如图所示中能正确表示实验过程中水温度变化的图象是______________。
A. B. C. D.【答案】89;a;液化;吸热; A。
【解析】【分析】本题考查探究水沸腾实验的仪器、实验现象及图象处理。
【详解】(1)[1]由图可知,温度计的读数是89℃;(2)[2]水沸腾时,水泡上升变大,到水面破裂开,由此可知a图时,水已沸腾;[3]b图中,气泡在上升过程中,变小,最后消失了,是气泡中的气体在上升过程中遇到的水温度比较低,气体遇冷液化变成了液体,故是液化过程;(3)[4]水在沸腾时,虽然温度保持不变,但要继续吸热;(4)[5]水在沸腾前,吸热温度升高,沸腾时,吸热温度保持不变,直到水全部汽化,满足这些描述的是A。
5.雪灾,给人民群众的生活、生产带来很多困难。
小琪同学看到抢险队员在冰雪覆盖的道路上洒大量的盐,她产生了这样的疑问:含盐的冰熔化时跟纯净的冰熔化时特点有何不同?含盐浓度不同的冰,熔化特点有无区别?为此,她进行了下列探究过程:(设计实验)她用同样多的纯水、淡盐水、浓盐水分别制得纯冰、淡盐冰、浓盐冰,然后将这些冰弄碎放入试管中,在冰块中插入温度计,记下此时温度计的示数。
每隔0.5分钟记录一次温度计的示数,同时观察试管中冰块状态的变化。
(1)在选择冰块吸热方式时他遇到了一个难题,现有如图甲所示的三种方法,请你为她选择一种最佳的方法。
你选择的方法是_______(选填“A”、“B”或“C”)装置。
(当时的室温大约是10℃)在相同条件下测量三者的温度变化,得到如图乙所示的三条温度变化曲线(纯冰对应曲线①、淡盐冰对应曲线②、浓盐冰对应曲线③)。
(分析)根据曲线图可知:(2) 利用盐水制成的冰__________(选填“是”或“不是”)晶体。
(3) 淡盐水冰的熔点是3 ℃,浓盐水冰的熔点是__________℃。
(归纳)根据分析可以得到:(4) 在冰雪覆盖的道路上洒盐,可以__________(选填“提高”或“降低”)冰的熔点。
(拓展)她通过分析实验数据和图线,又有了新发现:(5) 含盐浓度越高的冰,熔化前升温越__________(选填“快”或“慢”)。
(6) 她想起一件事,她们在学习熔化时,也用冰块做了这样的实验,但那次做实验时,测量冰熔化时的温度不是0℃,请你分析造成冰的熔化温度不是0℃的原因是什么?_______(只要讲出一点即可)【答案】C;是;-7;降低;快;冰不纯,含有杂质。
【解析】【详解】(1)[1]由于冰在熔化过程中要不断吸热,,A图将试管放入开水中,使冰能不断吸热熔化,又能及时观察冰的熔化状态。
B图中用酒精灯加热,由于火焰温度较高,会使冰熔化过程加快,来不及观察。
C图中将试管放入空气中,当时室温保持10℃不变,不仅受热均匀,而且升温缓慢,利于观察和记录数据,因此选择C图加热。
(2)[2]晶体熔化特点为:晶体在熔化过程中,要不断吸热,但温度不变,盐水制成的冰有固定的熔点,说明盐水制成的冰是晶体;(3)[3]由图象分析可得浓盐水冰的熔点是-7℃;(4)[4]分析该实验规律可知含盐的冰较纯冰沸点低,说明在冰雪覆盖的道路上洒盐,可以降低冰的熔点;(5)[5]由图象分析可知,相同时间内,含盐浓度越高的冰升高的温度越高,说明熔化前升温越快;(6)[6]可能由于冰中含有杂质,使冰熔化时的温度不是0℃。
6.在做“探究水的沸腾”实验中:(1)实验装置如图甲所示,在组装过程中需要先调整的是_________(A/B)部分.(2)当水的温度加热到90℃时,每隔1min记录一次温度,直到水沸腾后几分钟为止.记录数据如下表:第1min温度计的示数如图乙所示,水的温度是_______℃,分析表格中的数据可知水的沸点是___________℃.(3)撤掉酒精灯后,水不会立刻停止沸腾,小明由此得出结论:水的沸腾不需要吸热,你认为他的结论是__________(错误、正确)的,水还继续沸腾的原因是__________________________________.(4)某实验小组观察到沸腾前和沸腾时水中气泡上升过程中的两种情况,如图丙中的(a)、(b)所示,则图________是水在沸腾前的情况.(5)为了减少从开始加热到沸腾时的时间,可以采取的措施是_____________________________.【答案】B 92 98 错误石棉网的温度较高,把热量传递给水 b 减小水的质量、用初温较高的水实验、用火力更大的酒精灯加热等【解析】(1)由于要用酒精灯的外焰加热,所以需先根据酒精灯固定B的高度;(2)温度计的分度值是1℃,示数为92℃;由表格中数据知,水在沸腾过程中保持98℃不变,所以水的沸点是98℃. (3) 结论错误,撤掉酒精灯后,石棉网有余热温度高于水的沸点,对水继续加热.(4) b图气泡在上升过程中体积逐渐减小,所以是沸腾前得现象.(5)实验中为了减少从开始加热到沸腾所用的时间,可以采取的措施是减少水的质量、用初温较高的水实验、用火力更大的酒精灯加热等.点睛:掌握水沸腾前和沸腾时的现象区别:沸腾前气泡在上升过程中体积逐渐减小;沸腾时气泡在上升过程中体积逐渐增大;减少从开始加热到沸腾所用的时间,可以减少水的质量或提高水的初温;水沸腾的特点:吸热但温度保持不变.7.如图所示是小兰探究“水的沸腾”的实验装置:(1)安装实验器材时,她按照_______________(选填“自上而下”或“自下而上”)的顺序进行.(2)当她观察到杯底的气泡在水中上升、体积___________(选填“变小”“不变”或“变大”)时,说明水开始沸腾.(3)她还发现水在沸腾过程中,温度保持不变,温度计示数如如图所示,则水的沸点为_________℃.(4)通过预习她已经知道沸腾过程要不断吸热,可是,当她移开酒精灯时,发现水还会沸腾一会儿,原因可能是_____________________.【答案】自下而上变大97石棉网上有余热,水可以断续吸热【解析】【分析】【详解】(1)酒精灯需用外焰加热,所以要放好酒精灯,再固定铁圈的高度;温度计的玻璃泡要全部浸没到液体中,但不能碰到容器壁和容器底,所以放好烧杯后,再调节温度计的高度;(2)沸腾时气泡不断吸收周围水沸腾产生的水蒸气,故气泡是不断变大,到了水面气泡破裂,里面的水蒸气释放到空气中.(3)由图知,温度计的分度值为1℃,示数为97℃;(4)熄灭酒精灯,观察到水还会继续沸腾一会儿,这是因为石棉网温度高,水会继续吸热;水要想持续沸腾,需要持续吸热.故答案为自下而上;变大;97;石棉网温度高,水会继续吸热.8.如图甲所示是小丽“探究冰的熔化规律”的实验装置.实验时,她先将冰和温度计正确放入试管内,再将试管放入大烧杯的水中加热,观察冰熔化过程中温度变化情况.(1)实验中,将盛有碎冰的试管放入烧杯内的水中加热,而不是用酒精灯直接对试管加热,其目的是______________________________.(2)若某时刻温度计的示数如图丙所示,则此时的温度是______℃.(3)她将观察到的温度计示数变化情况记录在下表中.请根据表中数据,在图乙的坐标纸上画出冰熔化过程中的温度—时间图象.时间012345678910/min温度4-2-000001234/℃(4)在第5 min时,物质处于______(选填“固”、“液”或“固液共存”)态.(5)通过对数据和图象的分析可知,冰熔化时需要______热,温度______.【答案】使冰受热均匀4固液共存吸不变【解析】(1)将盛有碎冰的试管放入烧杯内的水中加热,而不是用酒精灯直接对试管加热,其目的是使冰均匀受热.(2)图中温度计的分度值是1℃,故此时的温度是4℃.(3)采用描点法绘制图象如下:(3)图示的温度计,分度值为1℃,液柱上面与0℃以上第四个小格对齐,因此该温度计的读数为4℃.(4)从2min到第6min是晶体熔化过程,故在第5min时,物质处于固液共存状态.(5) 观察图像可知,从第2min到第6min的熔化过程,温度不变,故可得出:冰熔化时需要吸热,温度保持不变.点睛:图象上横轴表示时间,纵轴表示温度,对应好横纵坐标采用描点法就可以画出图象.9.小红在学习了“比热容”的有关知识后,知道单位质晕的不同物质在升高相同温度时,所吸收的热量不同,为了描述物质的这种性质,引入了一个新的物理量–比热容,于是她又想到晶体在熔化时,温度虽然保持不变,但需要吸收热量,那么单位质量的不同晶体熔化时所吸收的热量是否相同昵?带着这个疑问,小红在实验室利用电热器加热,完成了冰的熔化实验,并描绘出冰的温度随加热时间变化的关系图线如图所示.实验时,冰的质量为,相同时间冰和水吸收的热量相同.水的比热容为(1)根据图线,你能得到的一条信息是:________;(2)CD段水吸收的热量是多少___________?(3)计算出冰的比热容____________;(4)设加热器发出的热量有70%被冰或水吸收,求加热器的功率是多大____________?(5)若规定质量为1kg的某种晶体物质在完全熔化时所吸收的热量叫做该物质的熔化热”,根据图中所给的信息,计算出冰的熔化热_____________【答案】冰在熔化时温度保持不变(答案不唯一).【解析】【分析】【详解】(1)冰吸收热量,温度升高.达到熔化,继续吸收热量,温度保持不变,完成熔化过程.冰全部熔化之后,水吸收热量,温度升高.所以可得信息有:冰在熔化时温度保持不变;冰是晶体等.(2)冰的质量为0.5kg,冰熔化成水,状态变化,质量不变,水的质量是0.5kg,由图象知,水从0℃升高到20℃,所以,水吸收的热量为:3.水从0℃升高到20℃,水吸收的热量为4.2×104J,需要10min,所以,水1min吸收的热量为4.2×103J.(3)冰从-20℃吸收热量升高到0℃,需要了5min,吸收热量为:,冰的比热容为:.(4)水吸收热量温度升高过程中,,,即,解得:.(5)0.5kg冰从5min到45min全部熔化,需要40min,吸收的热量为:,冰的熔化热为:.10.如图甲所示,是小宇设计的“探究水沸腾时温度变化的特点”实验装置,根据实验数据,描绘出水的温度随时间变化的关系图象,如图乙.(1)水的沸点是__℃.(2)实验时大气压__(填“大于”、“等于”或“小于”)1个标准大气压.(3)为了缩短把水加热到沸腾的时间,请提出一条可行的措施_________.【答案】98 小于减小水的质量【解析】【分析】【详解】(1)如图,水温达到98℃时,继续吸热温度不再升高,说明水的沸点是98℃.(2)因为水的沸点随气压的降低而降低,所以水的沸点低于100℃,说明实验时大气压低于1个标准大气压.(3)为了缩短把水加热到沸腾的时间,根据Q cmΔt分析可知,可以减小水的质量缩短时间;或提高水的初温缩短时间;另外减少散热也可以缩短加热时间,可以给烧杯上加盖子.。