架空输电线路设计课程设计
- 格式:docx
- 大小:270.23 KB
- 文档页数:13
目录情况说明书一、问题重述 (1)二、模型假设与符号说明 (1)三、问题分析 (2)四、数据预处理与分析 (3)五、判定控制条件 (5)六、判定最大弧垂气象 (6)七、计算各气象条件下应力和弧垂 (7)八、计算安装曲线 (9)九、应力弧垂曲线与安装曲线 ·····················································错误!未定义书签。
十、感言·················································································错误!未定义书签。
前言通过对单回路35KV架空送电线路设计,培养学生运用所学的基本理论和方法解决实际问题的能力,提高学生实际技能以及分析思维能力和综合运用知识能力,使学生能够掌握文献检索查阅分析的基本方法,提高学生阅读外文书刊和进行科学研究的能力。
为使66KV及以下架空电力线路的身机做到供电安全可靠,技能先进,经济合理,便于施工和检修维护,必须认真贯彻国家的技术经济政策,符合发展规划,积极慎重的采用新技术,新材料,新设备。
综合考虑运行,施工,交通条件等因素,统筹兼顾,全面安排,进行多方案的比较,做到经济合理,安全适用。
架空线路设计必须从实际出发,结合地区特点,杆塔结构设计采用以概率理论为基础的极限状态设计方法,用可靠度指标度量结构构件的可靠度,在规定的各种载组合作用下的极限条件,满足线路安全运行的临界状态。
关键词:导线,避雷线设计,金具设计,杆塔结构设计,防雷设计目录前言 .................................................................................................................................. 错误!未定义书签。
第一章导地线设计 ............................................................................................................ 错误!未定义书签。
1.1导线地线设计 ........................................................................................................ 错误!未定义书签。
1.2导线的比载 ............................................................................................................ 错误!未定义书签。
目录情况说明书一、问题重述 (1)二、模型假设与符号说明 (1)三、问题分析 (2)四、数据预处理与分析 (3)五、判定控制条件 (5)六、判定最大弧垂气象 (6)七、计算各气象条件下应力和弧垂 (7)八、计算安装曲线 (9)九、应力弧垂曲线与安装曲线·················错误!未定义书签。
十、感言··························错误!未定义书签。
十一、参考文献·······················错误!未定义书签。
十二、附录·························错误!未定义书签。
一、问题重述问题背景《架空输电线路设计》这门课程是输电专业大三的第一门专业课,其内容繁复,需要通过输电线路课程设计这门课来巩固相关知识。
应力弧垂曲线表示了各种气象条件下架空线应力和有关弧垂随档距的变化,而安装曲线表示了各种可能施工温度下架空线在无冰、无风气象下的弧垂随档距变化情况,此两类曲线极大方便了工程上的使用。
架空输电线路[110kV架空输电线路初步设计]110kV架空输电线路初步设计目录前言第一章原始资料介绍 1 第二章设计说明书 2 第一节路径的选择 2 第二节导线及避雷线部分 2 第三节导体的应力及弧垂 4 第四节杆塔的选择7 第五节杆塔基础设计11 第六节绝缘子及金具的选择13 第七节防雷防振及接地保护装置的选择16 第三章计算任务书18 第一节导线截面选择及校验计算部分18 第二节导线的应力及弧垂计算20 第三节导线的防振设计27 第四节杆塔头部尺寸校验29 第四章结束语31 参考资料31 附录一弧垂应力曲线图32 附录二杆塔一览图33 附录三杆塔基础34 附录四绝缘配合35 第一章原始资料介绍一、设计情况由于国民经济的高速发展,现有城市电网难以满足工业用电及人民群众生活用电的需求,需新建一110kV架空线路,该输电线路采用单回输电方式,线路总长5km,输送功率20MW,功率因数0.8,最大利用小时数为6000小时。
该地区用电量年增长率为18%。
该地区处于平原,该输电线路经过的地势较平坦,相对高度较小,沿线耕地较少,多为居民区、工厂、道路等,沿线树木较少,土质含沙量大,地下水位较浅。
二、设计气象条件表1-1 线路经过地区的自然条气象条件类别气温(ºC)风速(m/s) 覆冰厚度(mm) 最高气温+40 0 0 最低气温-20 0 0 最大风速-5 30 0 覆冰情况-5 10 10 年平均气温+15 0 0 外过电压+15 10 0 内过电压+15 15 0 安装情况-10 10 0 冰的比重0.9g/cm3 第二章设计说明书第一节路径的选择该线路从110kV(A站)构架出线至110kV (B站)进线构架线路全长5km,全线经过的地区地势较平坦,相对高度较小,沿线耕地较少,多为居民区,工厂,河流,道路等,沿线树木较少。
沿途有公路到达,交通运输方便,有利于施工、运行、维护。
经工作人员对本地地形反复考察绘制出的路径图如下所示。
课程设计(论文)题目名称制作导线的应力弧垂曲线和安装曲线课程名称架空输电线路设计(LGJ-185/45,VIII区) 学生姓名刘光辉学号**********系、专业电气工程系电气工程及其自动化指导教师尹伟华2013年1月6日邵阳学院课程设计(论文)任务书2.此表1式3份,学生、指导教师、教研室各1份。
指导教师(签字):学生(签字):邵阳学院课程设计(论文)评阅表学生姓名宁文豪学号1041201185系电气工程系专业班级电气工程及其自动化10输电线路班题目名称制作导线的应力弧垂曲线和安装曲线课程名称架空输电线路设计一、学生自我总结二、指导教师评定2、表中的“评分项目”及“权重”根据各系的考核细则和评分标准确定。
摘要本课程设计是绘制导线的应力弧垂曲线和安装曲线。
先查有关《规程》得到譬如气象、导线的有关参数,再用列表法求得临界档距,并判断有效临界档距和控制气象条件,以控制条件为已知状态,利用状态方程式计算不同档距、各种气象条件下架空线的应力和弧垂值,按一定的比例绘制出应力弧垂曲线和安装曲线。
本课程设计的重点和难点内容是关于状态方程式的求解,要利用有关计算机方面的知识,这对于非计算机专业的我是一个很大的挑战,对我以后的学习与工作都有很好的指导意义。
关键词:临界档距;状态方程式;应力弧垂曲线目录摘要 (I)1有关参数 (1)1.1 气象条件 (1)1.2导线相关参数 (1)1.3各气象条件下导线比载的计算值 (1)2计算临界档距、判断控制气象条件 (4)3绘制应力弧垂曲线 (6)4绘制导线安装曲线 (9)5总结 (10)参考文献 (11)1有关参数1.1气象参数查《规程》得典型气象区ⅤIII的计算用气象条件,如表1-1所示。
1.2导线相关参数查《规程》LGJ-185/45导线的有关参数,如表1-2所示。
表1-2 LGJ-185/45导线有关参数1.3各气象条件下导线比载的计算值1)自重比载γ1(0,0)=(gq/A)⨯10-3=36.51⨯10-3 MPa/m2)冰重比载γ2(15,0)=27.728b(b+d)/A⨯10-3=63.17⨯10-3 MPa/m3)垂直总比载γ3(15,0)=γ1(0,0)+γ2(15,0)=99.68⨯10-3 MPa/m4)无冰风压比载。
输电线路课程设计一、课程目标知识目标:1. 让学生掌握输电线路的基本概念、组成和分类。
2. 让学生了解输电线路的电气参数,如电阻、电抗、电容等,并理解它们对电力系统的影响。
3. 使学生了解输电线路的故障类型及其原因,如短路、接地故障等。
4. 让学生掌握输电线路的运行维护、检修方法和安全防护措施。
技能目标:1. 培养学生运用所学知识分析、解决实际输电线路问题的能力。
2. 培养学生设计简单输电线路的能力,并能进行基本的参数计算。
3. 培养学生运用专业软件进行输电线路仿真分析的能力。
情感态度价值观目标:1. 培养学生对输电线路及相关领域工作的兴趣,激发他们的求知欲。
2. 培养学生严谨、细致的学习态度,养成良好的学习习惯。
3. 增强学生的团队合作意识,培养他们在实际工作中与他人协作的能力。
4. 培养学生的安全意识,使他们认识到输电线路安全运行的重要性。
本课程针对高年级学生,具有较强的理论性和实践性。
结合学生特点,课程目标注重知识掌握、技能培养和情感态度价值观的塑造。
通过本课程的学习,使学生能够更好地理解和应用输电线路知识,为未来从事电力系统及相关领域工作打下坚实基础。
同时,课程目标分解为具体的学习成果,便于后续教学设计和评估。
二、教学内容1. 输电线路基本概念:介绍输电线路的定义、组成、分类及其在电力系统中的作用。
教材章节:第一章 输电线路概述2. 输电线路电气参数:讲解电阻、电抗、电容等电气参数的计算方法及其对电力系统的影响。
教材章节:第二章 输电线路的电气参数3. 输电线路故障分析:分析短路、接地故障等常见故障类型及其原因。
教材章节:第三章 输电线路故障分析4. 输电线路运行与维护:介绍输电线路的运行维护、检修方法、安全防护措施及注意事项。
教材章节:第四章 输电线路的运行与维护5. 输电线路设计:讲解输电线路设计的基本原则、流程和参数计算。
教材章节:第五章 输电线路设计6. 输电线路仿真分析:运用专业软件进行输电线路仿真分析,培养学生的实际操作能力。
(拷的学长的,给大家共享下,错的地自己改改)《架空输电线路施工》课程设计专业:输电线路工程班级学号:2009148205姓名:。
指导老师:江老师三峡大学电气与新能源学院2013年1月目录1 任务书―――――――――――――――――――12 组织施工案―――――――――――――――― 2 2.1课题来源――――――――――――――――― 2 2.2施工案选择――――――――――――――――3 2.3现场布置――――――――――――――――――3 2.4组立程序――――――――――――――――――6 2. 5注意事项―――――――――――――――――10 2.6力学计算――――――――――――――――――10 3施工设备工器具需求―――――――――――――154 施工人员需求――――――――――――――――185 参考书目――――――――――――――――――20第二部分组织施工案2.1课题来源:此次课程设计的杆塔是220KV—Z1型塔,送变电工程公司曾经采用单抱杆分解组立,杆塔呼称高度为27m,重量5745Kg,最大段重量1048Kg,其他尺寸见杆塔示意图1如下:2.2组立案选择:此杆塔是输电线路中比较常见的杆塔,组立的法比较多,参考书目一后,先拟定以下案:1)座腿式抱杆整体组立杆塔,其特点式进行杆塔整体施工布置时使抱杆固定座落在位于上部的两个塔腿,其抱杆根部能够随着铁塔的起立而转动。
抱杆的制造、运输、布置、拆移都比较便;施工设计计算简单。
2)倒落式抱杆整立杆塔,首先在地面把组装好,然后使用倒塔式“人字形”抱杆进行起吊。
3)普通大型吊车组立杆塔。
图14)可以采用冲天抱杆、“士字形”型抱杆进行组立。
5)外拉线抱杆分解组立杆塔,5)拉线分解组塔,采用双吊起立,效率高。
以上案都可以进行组立此塔,此次设计采用外拉线单抱杆组立铁塔,其大致思路如下:在抱杆头部挂有滑轮,通过穿入滑轮的钢绳可以起吊塔材,使其能够固定在铁塔主材之上,随着塔的组装增高,抱杆也随着增高,根部有以尾绳,直至整个铁塔组立完毕,再将抱杆落回地面。
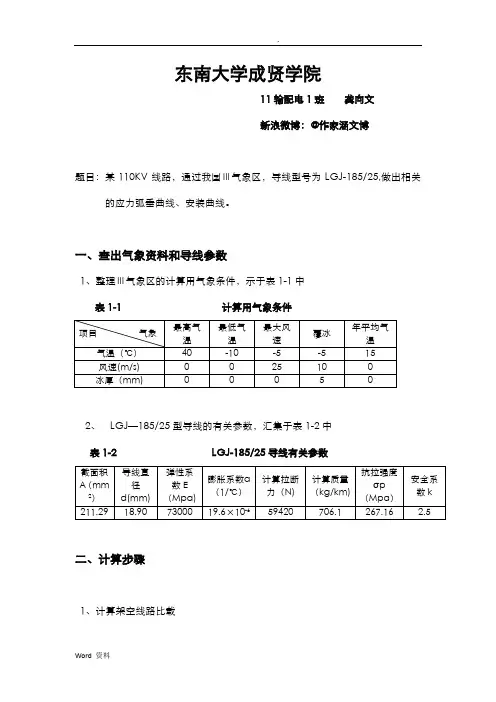
东南大学成贤学院11输配电1班龚向文新浪微博:@作家涵文博题目:某110KV线路,通过我国Ⅲ气象区,导线型号为LGJ-185/25,做出相关的应力弧垂曲线、安装曲线。
一、查出气象资料和导线参数1、整理Ⅲ气象区的计算用气象条件,示于表1-1中表1-1 计算用气象条件2、LGJ—185/25型导线的有关参数,汇集于表1-2中LGJ-185/25导线有关参数表1-2二、计算步骤1、计算架空线路比载自重比载:310010qgA γ-=⨯(,)100γ=(,)33706.19.806651032.7710211.29--⨯⨯=⨯冰重比载:32()5027.72810b d b A γ-+=⨯(,)250γ=(,) 335(518.9)27.7281015.6810211.29--⨯+⨯⨯=⨯垂直总比载:312500050γγγ=+(,)(,)(,)350γ=(,)33332.771015.681018.4510---⨯+⨯=⨯无冰风压比载:23V4c f sc 025d sin 10W A γβαμθ-=⨯(,)4025γ(,)= 33390.6251.00.85 1.118.91032.6710211.29--⨯⨯⨯⨯⨯=⨯覆冰风压比载:23V5c f sc 510(2)sin 10W d b A γβαμθ-+⨯(,)=5510γ(,)= 3362.51.0 1.2 1.0(18.925)1010.2610211.29--⨯⨯⨯+⨯⨯⨯=⨯无冰综合比载:60γ(,25)33601046.2710γ--=⨯(,25)覆冰综合比载:70γ(5,1)33701049.5210γ--=⨯(5,1)∵γ6<γ7∴最大风速不可能作为控制气象条件2、确定应力值许用应力[σ0]=40%σp=106.86年均应力上限[σcp]=25%σp=66.79 3、确定临界挡距,判定控制气象条件4、计算临界挡距代入公式ij lABL ==虚数ACL ==虚数BC L 139.93==m控制气象条件树图如下:A 为控制气象条件(即年均气温) 三、计算各气象条件的应力状态方程:222221020121220201()2424E l E l E t t γγσσασσ-=--- 673000,19.610E α-==⨯(1) 最高气温○1L=50 γ2=32.77×10-3 γ1=32.77×10-3 σ01=66.79t 2=40℃ t 1=15℃-322-322-60222020********.77105073000.5066.7919.61073000(4015)242466.79 =35.624σσσ⨯⨯⨯⨯⨯⨯-=--⨯⨯-⨯()(327710)解得1、 L=100,方法同○102 =σ解得42.114 2、 L=150,方法同○102 =σ解得47.340 3、 L=200,方法同○102 =σ解得51.328 4、 L=250,方法同○102 =σ解得54.357 5、 L=300,方法同○102 =σ解得56.669 6、 L=350,方法同○102 =σ解得58.45 7、 L=400,方法同○102 =σ解得59.839 8、 L=450,方法同○102 =σ解得60.931 9、 L=500,方法同○102 =σ解得61.80110、 L=550,方法同○102 =σ解得62.5011 11、 L=600,方法同○102 =σ解得63.071(2)最低气温○1L=50 γ2=32.77×10-3γ1=32.77×10-3 σ01=66.79t 2=-10℃ t 1=15℃-322-322-60222020********.7710507300032.775066.7919.61073000(1015)242466.79 =101.522σσσ⨯⨯⨯⨯⨯⨯-=--⨯⨯-⨯()(10)解得1、 L=100,方法同○102 =σ解得98.599 2、 L=150,方法同○102 =σ解得94.346 3、 L=200,方法同○102 =σ解得89.557 4、 L=250,方法同○102 =σ解得85.038 5、 L=300,方法同○102 =σ解得81.229 6、 L=350,方法同○102 =σ解得78.245 7、 L=400,方法同○102 =σ解得75.974 8、 L=450,方法同○102 =σ解得74.26 9、 L=500,方法同○102 =σ解得72.957 10、 L=550,方法同○102 =σ解得71.954 11、 L=600,方法同○102 =σ解得71.170(3)最大风速○1L=50 γ2=42.67×10-3γ1=32.77×10-3 σ01=66.79t 2=-5℃ t 1=15℃-322-322-60222020273000105073000.5066.7919.61073000(515)242466.79=95.107σσσ⨯⨯⨯⨯⨯⨯-=--⨯⨯--⨯(42.67)(327710)解得1、L=100,方法同○102=σ解得94.312 2、L=150,方法同○102=σ解得93.26 3、L=200,方法同○102=σ解得92.19 4、L=250,方法同○102=σ解得91.237 5、L=300,方法同○102=σ解得90.449 6、L=350,方法同○102=σ解得89.822 7、L=400,方法同○102=σ解得89.329 8、L=450,方法同○102=σ解得88.941 9、L=500,方法同○102=σ解得88.635 10、L=550,方法同○102=σ解得88.392 11、L=600,方法同○102=σ解得88.195(4)覆冰○1L=50 γ2=49.52×10-3γ1=32.77×10-3 σ01=66.79t 2=-5℃ t 1=15℃-322-322-6022202027300010507300032.775066.7919.61073000(515)242466.79=95.616σσσ⨯⨯⨯⨯⨯⨯-=--⨯⨯--⨯(49.52)(10)解得1、 L=100,方法同○102 =σ解得96.154 2、 L=150,方法同○102 =σ解得96.834 3、 L=200,方法同○102 =σ解得97.507 4、 L=250,方法同○102 =σ解得98.099 5、 L=300,方法同○102 =σ解得98.59 6、 L=350,方法同○102 =σ解得98.988 7、 L=400,方法同○102 =σ解得99.305 8、 L=450,方法同○102 =σ解得99.560 9、 L=500,方法同○102 =σ解得99.764 10、 L=550,方法同○102 =σ解得99.92911、 L=600,方法同○102 =σ解得100.064 (5)年均气温因为只受年均气温控制γ2=32.77×10-3 γ1=32.77×10-3 σ01=66.79 t 2=15℃ t 1=15℃ L=50-322-322-60222020273000.105073000.775066.7919.61073000(1515)242466.79 =66.79σσσ⨯⨯⨯⨯⨯⨯-=--⨯⨯-⨯(3277)(3210)解得L=100 02=66.79σ L=150 02=66.79σ L=200 02=66.79σ L=250 02=66.79σ L=300 02=66.79σ L=350 02=66.79σ L=40002=66.79σ L=450 02=66.79σ L=500 02=66.79σ L=550 02=66.79σL=600 02=66.79σ四、计算最高温度下的弧垂弧垂的计算公式:2108L f γσ= (γ1=32.77×10-3 )L=50 σ0=35.624 -3232.771050=0.2874835.624f ⨯⨯=⨯ L=100 σ0=42.114 -3232.7710100=0.97266842.114f ⨯⨯=⨯ L=150 σ0=47.34 -3232.7710150=1.94689847.34f ⨯⨯=⨯ L=200 σ0=51.328 -3232.7710200=3.192215851.328f ⨯⨯=⨯ L=250 σ0=54.357 -3232.7710250=4.709892854.357f ⨯⨯=⨯ L=300 σ0=56.669 -3232.710300=6.505541856.669f ⨯⨯=⨯ L=350 σ0=58.45 -3232.7710350=8.584955858.45f ⨯⨯=⨯ L=400 σ0=59.839 -3232.7710400=10.95272859.839f ⨯⨯=⨯ L=450 σ0=60.931 -3232.7710450=13.61361860.931f ⨯⨯=⨯L=500 σ0=61.801 -3232.7710500=16.57032861.801f ⨯⨯=⨯ L=550 σ0=62.501 -3232.7710550=19.82553862.501f ⨯⨯=⨯ L=600 σ0=63.071 -3232.7710600=23.38079863.071f ⨯⨯=⨯五、作出应力弧垂曲线(详见附录一)六、计算-10℃―40℃安装曲线-10℃时:○1L=50 γ2=32.77×10-3γ1=32.77×10-3 σ01=66.79t 2=-10℃ t 1=15℃-322-322-60222020********.77105073000.5066.7919.61073000(1015)242466.79=101.522σσσ⨯⨯⨯⨯⨯⨯-=--⨯⨯--⨯()(327710)解得2-32-311000210032.771000.4034888101.522f γσ⨯⨯==⨯=⨯10101、L=100,方法同○102=σ解得98.599100f=0.41545 2、L=150,方法同○102=σ解得94.346100f=0.43417 3、L=200,方法同○102=σ解得89.57100f=0.45735 4、L=250,方法同○102=σ解得85.038100f=0.48169 5、L=300,方法同○102=σ解得81.229100f=0.50428 6、L=350,方法同○102=σ解得78.245100f=0.52353 7、L=400,方法同○102=σ解得75.974100f=0.53917 8、L=450,方法同○102=σ解得74.260100f=0.55161 9、L=500,方法同○102=σ解得72.957100f=0.56146 10、L=550,方法同○102=σ解得71.954100f=0.56929 11、L=600,方法同○102=σ解得71.170100f=0.575560℃时○1L=50 γ2=32.77×10-3γ1=32.77×10-3 σ01=66.79t 2= 0℃ t 1=15℃-322-322-60222020********.77105073000.5066.7919.61073000(015)242466.79 =87.489σσσ⨯⨯⨯⨯⨯⨯-=--⨯⨯-⨯()(327710)解得2-32-311000210032.771000.46828887.489f γσ⨯⨯==⨯=⨯10101、 L=100,方法同○102 =σ解得85.409 100f =0.47960 2、 L=150,方法同○102 =σ解得82.562 100f =0.49614 3、 L=200,方法同○102 =σ解得79.963 100f =0.51464 4、 L=250,方法同○102 =σ解得76.963 100f =0.53224 5、 L=300,方法同○102 =σ解得74.845 100f =0.54729 6、 L=350,方法同○102 =σ解得73.216 100f =0.5594802 =σ解得71.983 100f =0.56906 8、 L=450,方法同○102 =σ解得71.047 100f =0.57656 9、 L=500,方法同○102 =σ解得70.329 100f =0.58244 10、 L=550,方法同○102 =σ解得69.771 100f =0.587099 11、 L=600,方法同○102 =σ解得69.332 100f =0.5908210 ℃时○1L=50 γ2=32.77×10-3γ1=32.77×10-3 σ01=66.79t 2=10 ℃ t 1=15℃-322-322-60222020********.77105073000.5066.7919.61073000(1015)242466.79 =73.62σσσ⨯⨯⨯⨯⨯⨯-=--⨯⨯-⨯()(327710)解得2-32-311000210032.771000.556418873.62f γσ⨯⨯==⨯=⨯10101、 L=100,方法同○102 =σ解得72.788 100f =0.56276 2、 L=150,方法同○102 =σ解得71.730 100f =0.5710702=σ解得70.757100f=0.57892 4、L=250,方法同○102=σ解得69.932100f=0.58575 5、L=300,方法同○102=σ解得69.289100f=0.59118 6、L=350,方法同○102=σ解得68.799100f=0.59539 7、L=400,方法同○102=σ解得68.427100f=0.59863 8、L=450,方法同○102=σ解得68.143100f=0.60113 9、L=500,方法同○102=σ解得67.923100f=0.60307 10、L=550,方法同○102=σ解得67.751100f=0.604604 11、L=600,方法同○102=σ解得67.613100f=0.6058420 ℃时○1L=50 γ2=32.77×10-3 γ1=32.77×10-3 σ01=66.79 t2=20℃t1=15℃-322-322-60222020********.77105073000.5066.7919.61073000(2015)242466.79 =60.069σσσ⨯⨯⨯⨯⨯⨯-=--⨯⨯-⨯()(327710)解得2-32-311000210032.771000.681928860.069f γσ⨯⨯==⨯=⨯10101、 L=100,方法同○102 =σ解得61.072 100f =0.67073 2、 L=150,方法同○102 =σ解得62.175 100f =0.65883 3、 L=200,方法同○102 =σ解得63.133 100f =0.64883 4、 L=250,方法同○102 =σ解得63.891 100f =0.64113 5、 L=300,方法同○102 =σ解得64.472 100f =0.63535 6、 L=350,方法同○102 =σ解得64.913 100f =0.63104 7、 L=400,方法同○102 =σ解得65.251 100f =0.62777 8、 L=450,方法同○102 =σ解得65.511 100f =0.62528 9、 L=500,方法同○102 =σ解得65.714 100f =0.6233502 =σ解得65.875 100f =0.621822 11、 L=600,方法同○102 =σ解得66.004 100f =0.6206130 ℃时○1L=50 γ2=32.77×10-3γ1=32.77×10-3 σ01=66.79t 2=30 ℃ t 1=15℃-322-322-60222020********.77105073000.5066.7919.61073000(3015)242466.79 =47.168σσσ⨯⨯⨯⨯⨯⨯-=--⨯⨯-⨯()(327710)解得2-32-311000210032.771000.868448847.168f γσ⨯⨯==⨯=⨯10101、 L=100,方法同○102 =σ解得51.380 100f =0.79725 2、 L=150,方法同○102 =σ解得54.030 100f =0.75814 3、 L=200,方法同○102 =σ解得56.693 100f =0.72253 4、 L=250,方法同○102 =σ解得58.739 100f =0.69737 5、 L=300,方法同○102 =σ解得60.297 100f =0.6793502 =σ解得61.486 100f =0.66621 7、 L=400,方法同○102 =σ解得62.402 100f =0.65643 8、 L=450,方法同○102 =σ解得63.116 100f =0.649003 9、 L=500,方法同○102 =σ解得63.680 100f =0.64326 10、 L=550,方法同○102 =σ解得64.129 100f =0.638752 11、 L=600,方法同○102 =σ解得64.492 100f =0.635156 40℃时应力已经在前面算出,直接算弧垂。
电力工程设计手册20 架空输电线路设计随着社会的不断发展,电力工程在各个领域中起着至关重要的作用。
在电力系统中,架空输电线路是一种常见的输电方式,具有输电量大、建设周期短、运行成本低等优点。
架空输电线路的设计尤为重要。
本文将从架空输电线路设计的相关原理、要点和注意事项等方面展开讨论。
一、架空输电线路设计的原理1. 架空输电线路的作用架空输电线路是传送电能的重要工具,通过架设在电力塔上的导线来传输电能。
它起着将发电厂产生的电能传送至各个用电单位的作用,是电力系统中不可或缺的一部分。
2. 架空输电线路的基本原理架空输电线路的设计原理是利用电场的作用,通过导线上的电荷流动来传输电能。
在输电线路中,电流是通过导线上的电荷流动来传输的,而电压是通过电场来传输的。
在架空输电线路的设计中,需要考虑导线的材质、截面积等因素,以及电压的平衡和稳定等问题。
二、架空输电线路设计的要点1. 导线的选择在架空输电线路设计中,导线的选择至关重要。
首先需要考虑的是导线的材质,常见的有铝合金、钢芯铝、铜等,不同材质的导线在输电能力、价格等方面有差异,需要根据具体情况进行选择。
其次是导线的截面积,截面积越大,导线的输电能力越大,但成本也更高,需要综合考虑。
2. 支持结构的设计架空输电线路需要固定在电力塔上,因此支持结构的设计也是极为重要的。
支持结构需要考虑承载能力、稳定性等因素,以确保输电线路的安全和稳定运行。
3. 绝缘设计由于架空输电线路需要跨越大片区域,因此在设计中需要考虑绝缘问题,以防止因树木、建筑物等外界因素导致的短路、断电等问题。
因此绝缘设计也是架空输电线路设计中不可缺少的一环。
三、架空输电线路设计的注意事项1. 环境因素的考虑在架空输电线路的设计中,需要充分考虑当地的环境因素,如气候、地形、自然灾害等,以确保输电线路能够在各种复杂条件下稳定运行。
2. 安全性的保障架空输电线路设计需要充分考虑安全性问题,包括设计的稳定性、可靠性等方面,以确保输电线路能够长期稳定运行,不会对周围环境和人员造成危害。
35KV架空输电线路初步设计方案第二部分 工程概况-、设计情况随着经济发展,负荷增加,近年来,用户对供电可靠性的要求不断提高,为避免因线路故障及检修造成对XX变电站停电及线路网架要求,该线路的建设必要性非常大。
本工程线路全线经过地带为平原,沿线植被主要是农田、粮林间作带。
根据通许县城城市整体规划,经过与县城规划部门实地查看,规划部门允许该线路走径。
电压等级:35KV线路回数:本期采用单回路架设线路长度:35KV输电线路工程单回5.98kM。
导地线型号:导线LGJ-185/30;二、气象条件根据本地区高压输电线路多年运行经验。
本工程线路所选气象条件为线路所通过地区30年一遇的数值(其值详见下表)。
气 象 条 件 一 览 表气象条件类别 气 温( ℃ )风 速(m / s)覆冰厚度(m m)最高气温 + 40 0 0 最低气温 - 20 0 0最大风速 - 5 28.12米/秒(基准高离地面10米)覆冰情况 - 5 10 导线10 地线15年均气温 + 15 0 0 外过电压 + 15 10 0 过电压 + 15 15 0 安装情况 - 10 10 0 安装情况 0.9g/cm3雷暴日 ≤40第三部分 设计说明书第一章.导线及避雷线部分导线是固定在杆塔上输送电流的金属线,由于经常承受着拉力和风、冰、雨、雪及温度变化的影响,同时还受空气中化学杂质的侵蚀,所以导线的材料除了应有良好的导电率外,还有足够的机械强度和防腐性能。
导线和地线:根据规划,新建线路全部采用LGJ-185/30。
导线:按GB1179-83标准推荐用LGJX-185/30钢芯铝(稀土)绞线。
地线:根据Q/GDW179-2008)《地线采用镀锌钢绞线时与导线配合表》选用GJ-35(1×7) 镀锌绞线。
导地线定货标记:导线:LGJX-185/30 GB1179-83稀土钢芯铝绞线地线:GJ-35:1×7-2.6导地线参数表项目 参数 参数型号 LGJX-185/30 GJ-35标称截面铝/钢(mm2) 185/30 37.15结构根数/直径(mm)铝 28/2.88钢 7/2.50 7×2.6计算截面(mm2) 铝 181.34钢 29.59 37.15合计 210.93 37.15外径(mm) 18.88 7.8直流电阻不大于(欧姆/千米) 0.1592计算拉断力(N) 64250 43688计算质量(kg/千米) 732.6 318.2弹性系数(N/ mm2) 78400 181300线膨胀系数(1/℃) 18.8×10-6 11.5×10-6 交货长度不小于(m) 2000 1000注:拉断力取计算拉断力的95%。
《架空输电线路设计》课程设计任务书一.设计任务制作某线路导线和地线的应力弧垂曲线和安装曲线二.已知条件1.气象条件全国典型气象3区(最低气温月的日平均气温可较最低气温偏高5’C取值)其中年均气温本次设计参考下表区值最低气温-40 -20 -10年均气温-5 +10 +152.导线规格LGJ-240/30 (GB1179-83)3.电压等级100KV4.导线悬垂绝缘子长度1747MM5.杆塔形式;参考文献【2】附录B图B-2(b)6.一般地线三.主要类容和要求1.按三要素将各种气象条件数据整理成表格。
计算应力弧垂曲线所需起先条件;最大风速,覆冰有风,覆冰无风,最低气温,年均气温,最高气温,内过电压,外过有风,外过无风,安装有风,事故气象等。
2.选配地线;查取导线和地线的有关参数,并整理成表格;选取安全系数,计算许应力和年均许用应力。
3.计算导线和地线在各种气象条件下的比载值。
要求给出所用公式,各量的单位,系数的出处,并要有带入数据的步骤,计算结果整理成表。
4.分别计算导线和地线的临界档距,判定各自的控制条件及其作用个档距范围。
5.判定导线的最大弧垂气象。
6.计算档距范围30-800mm,间隔50m,必须计算有效临界档距处的额值。
弧垂曲线只做最大弧垂和外过无风两条。
7.计算导线安装曲线(考虑初伸长),并按比例绘制在坐标纸上。
温度范围;最低气温至最高气温,间隔5摄氏度。
建议制成百米弧垂安装曲线图。
÷8.按控制档距选配地线的应力。
9.效验地线控制条件下的应力。
若超限,计算需要的地线支架高度(注意去除导线悬垂绝缘子长度)。
10.以选配的地线为已知状态,计算有关气象条件下的地线应力和弧垂,按比例在坐标纸上绘制地线应力弧垂曲线。
11.计算地线百米弧垂安装曲线(考虑初伸长),并按比例绘制在坐标纸上。
温度范围;最低气温至最高气温,间隔5摄氏度四设计时间2周五说明1.为简明起见,各计算结果应尽量采用表格表示。
架空输电线路设计教学设计一、引言架空输电线路设计是电力工程专业的重要课程之一。
随着现代社会对电力供应的要求越来越高,架空输电线路设计的重要性也随之增加。
因此,对于电力工程专业的学生来说,掌握架空输电线路设计的知识和技能,将会为以后从事电力工作打下坚实的基础。
那么,在这门课程的教学中,如何更加有效地教授和考核学生呢?本文将就此问题进行探讨。
二、教学目标本课程的教学目标如下:1.理解架空输电线路的结构、组成和工作原理;2.掌握架空输电线路的设计方法和计算原理;3.能够根据实际情况进行架空输电线路的设计,并进行合理的优化。
三、教学内容本课程的教学内容包括:1. 架空输电线路的结构和组成1.架空输电线路的基本结构;2.架空输电线路中的电缆、导线及其接头等组成部分。
2. 架空输电线路的工作原理1.架空输电线路的带电量大小和传输距离的关系;2.架空输电线路的电量传输损耗及售电损失;3.架空输电线路的电磁场分析。
3. 架空输电线路的设计方法和计算原理1.架空输电线路的设计指标;2.架空输电线路的设计计算方法;3.架空输电线路的设计参数确定。
4. 架空输电线路的设计案例分析1.实际建设中的常见问题;2.架空输电线路设计的优化方案。
四、教学方法本课程采用“理论+实践”相结合的教学方法,具体如下:1. 理论教学1.授课:以PPT为辅助,通过讲解、案例分析等形式进行教学;2.大班互动讨论:通过提供实例题目、思维角度等方式,让学生积极参与到课堂中;3.作业:通过练习题目和设计案例模拟等方式,帮助学生检验自身的理论掌握程度。
2. 实践教学1.实验:通过模拟电力工程中的实际情形,让学生亲身参与到实验环节,提高学生的实践操作能力;2.课程项目设计:让学生根据实际情况进行架空输电线路的设计,并进行相关优化。
五、教学考核本课程的考核方式如下:1.平时表现:包括课堂表现、作业完成情况等;2.实验考核:对学生进行实验操作和结果分析;3.课程设计:对学生进行设计方案的评估和优化。
架空输电线路课程设计架空输电线路课程设计班级__________姓名学号__________指导老师—____ 年_____ 月_____ 日目录一、设计条件 (4)二、设计要求 (5)三、整理已知条件 (5)四、比载计算 (8)五、计算临界档距,判断控制条件 (10)六、判定最大弧垂 (13)七、计算各气象条件下的应力和弧垂 (15)八、安装曲线计算 (18)九、画应力弧垂曲线与安装曲线 (23)一、感想・23330Kv 架空输电线路设计、设计条件1.典型气象区V 区2.导线型号LGJ-400/503.电压等级330Kv二、设计要求列出各气象条件,计算出比载,判断临界档距, 最大弧垂气象,画出应力弧垂曲线及安装曲线。
三、整理已知条件1.表一2■风速换算由于此处的风速是高度为10米处的基准风速,而110~330Kv 输电线路应取离地面15米处的风 速,所以应当进行风速高度换算。
采用公式V h = V 。
式中 V h —线路设计高度h 处的风速,m/s ; vo —标准高度10m处的风速,m/s ;° —风速高度变化系数;Z 为粗糙度指数;:为修正系数在此设计中采用《架空输电线路设计》 孟遂民版中表2—6规定,取粗糙度等级为 B ;则 最大风速时风速换算值为v=1.067 X30=32.01m/s覆冰有风,外过有风,安装气象时风速换算值为 v=1.067 X 10=10.67m/s内过电压时风速换算值7为v=1.067 X15=16.01m/s3■导线参数此处采用LGJ-400/50导线,其相应参数如下表 二所示则相应的 z=0・16; =1.15 .100 . 16导线的安全系数取2.5,控制微风震动的年均气象条件下的年均运行应力设计安全系数取46 =0.95》=0.95 123400 =259.62 MPap A 451.55则抗拉强度l;_o P =259.62 =i03.85(MPa)k 2.5许用应力b p 】=¥ ='259^2 =64.90(MPa) 年均运行应力上限四、比载计算1■自重比载1=qg10 3」511 9.80665103=32.82 10"(MPa/m)A 451.552■冰重比载2=27.728b(d b)10 =27.728101° 27.63)10^ =23.11 10^(MPa/m)A 451.553■垂直总比载3255.93 103(MPa/m)4■无冰风压比载号sin Y 10°(MPa/m) 4= :c _:% 4c d(1) 外过电压,安装有风此 时风速 v=10・67m/s 让".0 : f =1.04 c 孑彳!c d 叫sin 10- =1.1 27.630.625 10.671。
目录情况说明书一、问题重述 (1)二、模型假设与符号说明 (1)三、问题分析 (2)四、数据预处理与分析 (3)五、判定控制条件 (5)六、判定最大弧垂气象 (6)七、计算各气象条件下应力和弧垂 (7)八、计算安装曲线 (9)九、应力弧垂曲线与安装曲线 ·································································错误!未定义书签。
十、感言····································································································错误!未定义书签。
十一、参考文献 ························································································错误!未定义书签。
十二、附录································································································错误!未定义书签。
一、问题重述1.1问题背景《架空输电线路设计》这门课程是输电专业大三的第一门专业课,其内容繁复,需要通过输电线路课程设计这门课来巩固相关知识。
应力弧垂曲线表示了各种气象条件下架空线应力和有关弧垂随档距的变化,而安装曲线表示了各种可能施工温度下架空线在无冰、无风气象下的弧垂随档距变化情况,此两类曲线极大方便了工程上的使用。
同时,其求解过程涉及到状态方程式求解、临界档距求解、控制气象判别及降温法等主干知识,能够起到较好复习、夯实基础知识,进一步熟悉两类曲线绘制的流程。
1.2题设条件设计任务书给出了设计条件,具体如下:1) 气象条件:全国典型气象Ⅵ区;2) 导线规格:LGJ-210/50(GB1179—1983);3) 电压等级:110KV。
1.3需解决的问题根据设计任务书,本文需解决如下问题:问题1:计算临界档距,判定控制条件及其作用档距范围;问题2:判定最大弧垂气象;问题3:计算各种气象条件下的导线应力和弧垂,计算档距范围50——800,间隔50,必须计算有效临界档距处的值并绘制导线应力弧垂曲线;问题4:计算导线安装曲线(考虑初伸长)。
温度范围:最低气温至最高气温,间隔5o C,并绘制百米弧垂曲线。
二、模型假设与符号说明2.1模型假设假设1:该设计档两悬挂点等高,即高差为零。
假设2:作用于导线的荷载沿斜档距均布。
假设3:架空线为柔性索链,即导线刚度为零。
2.2符号说明注:还有一些具体的参数变量在各模型中进行具体说明。
三、问题分析3.1问题一的分析首先,应根据设计参数计算出各种气象条件下的比载,包括自重比载、无冰综合比载、覆冰综合比载,同时,用于杆塔强度校验和电气距离校验应分别求解。
接着,将四种可能的控制气象条件,即最大风速、最厚覆冰、年均气温和覆冰有风按0/[]γσ由小到大排序,求解出两两气象的临界档距后运用列表法进行控制气象条件的判别,再根据临界档距大小得出控制气象条件的控制档距范围。
3.2问题二的分析本问可采用临界温度判定法进行求解。
可能的最大弧垂气象为最高气温和最大垂直比载气象(覆冰无风),以覆冰无风为第一状态,临界温度为第二状态,求解出临界温度,将临界温度与最高气温进行比较,若计算出的临界温度大于最高气温,则最大弧垂发生在覆冰无风气象条件,否则其发生在最高气温气象条件。
3.3问题三的分析本问要求求解各气象条件下导线应力和弧垂,基于第一问的结论,应将所求档距范围以有效临界档距为分界点得出不同档距范围内的控制气象条件。
以控制气象条件为第一状态,以其余12种气象组合分别作为第二状态,求解出相应气象条件的应力,再根据斜抛物线弧垂计算公式计算导线在不同气象、不同档距处的弧垂值。
以档距为横坐标、应力为中坐标作出弧垂曲线,即可得导线应力弧垂曲线。
3.4问题四的分析本问要求计算导线安装曲线,首先应计算出导线的铝钢截面比,根据该值选取降温读数来补偿架空线的初伸长。
采用问题三的解决方法,建立状态方程式,求解不同档距、不同施工温度下的导线应力和百米档距弧垂。
四、数据处理与分析4.1气象参数整理根据设计条件,线路经过全国典型气象区为VI 区,将计算应力弧垂曲线所需气象条件的气象三要素参数整理如下表所示。
4.2导线参数整理根据设计条件,导线规格为LGJ-210/50(GB1179—1983),将导线参数整理于表4-1所示。
综合拉断力除以架空线的截面积,可得到架空线的抗拉强度,即90830334.3738250.950.958.06j p MP A a T σ===即使不考虑悬挂点附加弯曲应力和震动时的附加动应力的影响,最小安全系数也要求达到1.86[1],根据实际情况必须考虑上述两个因素的影响,为保证线路能够安全可靠运行,导线的设计安全系数不应小于2.5,这里取2.5作为导线的设计安全系数,则导线许用应力为0334.3738[] 2.5133.7495p MPa k σσ===控制微风振动的年均气温气象条件下的年均应力,在采取防振措施的情况下,其设计安全系数不应小于4.0[1],此时导线安全系数可取4.0进行计算,则年均应力上限为0334.37[]43883.5935p MPa k σσ===4.3各种气象条件下导线比载计算 ①自重比载:3331960.89.80665258.0(0,0)101036.5118610(/)qg MPa m A γ---==⨯=⨯⨯⨯②冰重比载:333210(1020.86)2()(10,0)27.7281027.7281033.158.058410(/6)b d b MPa m A γ---+=⨯==⨯+⨯③垂直总比载:3312(10,0)(0,0)(10,0)69.670210(/)MPa m γγγ-=+=⨯④无冰风压比载:无冰风压比载计算时系数选取依据:1)根据设计条件,线路的电压等级为110KV ,所以架空线风荷载调整系数c β取1.0;2)由于导线线径d 大于17mm ,风载体型系数sc μ取1.1;3)风速不均匀系数f α按表4-2选取。
2340.625(0,)10(/)(1)c f sc v vd MPa m Aγβαμ-=⨯10v =m/s ,计算强度时,有23340.62510258.06(10,10)11 1.120.8610 5.557310(/)MPa m γ--⨯=⨯⨯⨯⨯⨯=⨯其余风速时按式(1)计算,计算结果如下表所示:覆冰风压比载计算式中风载体型系数取1.2计算,风速不均匀系数及风荷载调整系数均按④中无冰风压比载系数选取原则确定。