金属矿床参考工业要求及工业指标实例
- 格式:doc
- 大小:387.00 KB
- 文档页数:15
主要矿种的矿床工业指标及相关用途硅矿床
硅矿是一种肉眼可见的金属矿,主要由硅酸钠和硅酸铝组成,含量最高。
此外,还含有少量的氧化物,如氧化铝、氧化铁和氧化钙。
在能见度达到80%以上的硅矿中,氧化铁是最常见的杂质,其次是铝和钙。
硅矿床的工业指标是比重和硬度指标,比重接近2.65,硬度在6-7级之间。
由于硅矿床的硬度和比重指标较高,因此也具有可用性较强的特点,因此常用于制造用于精确加工的部件,如磨削轴承、冷却器、磨削头和磨削工具。
此外,由于其高熔点,也可以用作熔炼电缆的填充料,使得电缆的导电性和传导性更好。
此外,还可以用于制造无机颜料,如工业颜料,以及制造凝胶,如橡胶凝胶,也可作为太阳能电池的外壳材料。
铬矿床
铬矿是一种由氧化铬组成的金属矿,主要由绿色铬矿(氧化铬)和深绿色的铬矿(氧化铁铬合金)组成,具有深绿色的外观。
在具有好的可见度的铬矿床中,铬的含量高于60%,而氧化铁的含量小于20%。
铬矿床的工业指标是硬度和比重,硬度约为5-6级,比重约为3.0-3.5,并具有较高的熔点(约为1900摄氏度)。
由于铬矿床的硬度较高,且熔炼温度较高。
铜矿床伴生有用组分评价参考表
镍矿床伴生有用组分评价参考表
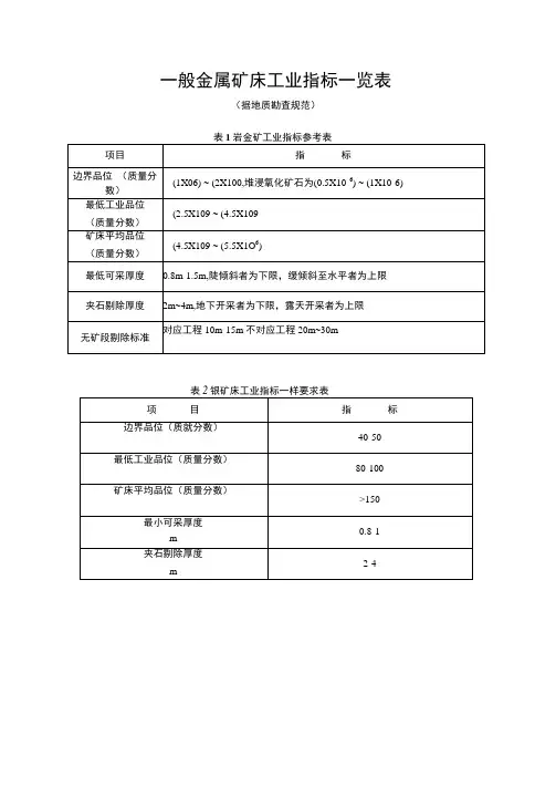
银矿床工业指标一般要求
银矿床伴生有用组分评价参考表
注:伴生有用组分评价参考指标表说明:
a)矿石中伴生元素质量分数大于表中指标时,应研究回收利用途径;
b)表中“S质量分数指标系指黄铁矿中硫在矿石中的质量分数;
c)伴生元素中的Cu、WO3、Pb、Zn、Sn、Mo、Fe、Bi、CaF2> Sb等主要是对能形成独立的有用矿物、通过选矿能选出单独精矿产品的,如:
Pb、Zn、Cu主要指赋存于硫化矿物中者;
——WO3主要指赋存于白钨矿、黑钨矿中者;
Sn主要指赋存于锡石中者;
——Mo主要指赋存于辉钼矿中者;
CaF2主要指赋存于萤石中者;
Sb主要指赋存于硫锑铅矿和脆硫锑铅矿中者;
Fe主要指赋存于磁铁矿中者;
Bi主要指赋存于辉铋矿中者;
d)Ge、Ga、In、Se、Te、Cd等分散元素,经选矿一般富集在铜、铅、锌的精矿中,通过冶炼回收。
岩金矿床工业指标一般要求。
各主要矿种的用途及矿床工业指标有色金属:铝土矿床一般工业指标钨矿床工业指标一般要求表锡矿床工业指标一般要求表锑矿床一般工业指标参考表黑金属:需进行选矿的铁矿石一般工业指标化工及轻工部门对锰矿石的质量要求化学工业上主要用锰矿石制取二氧化锰、硫酸锰、高锰酸钾,其次用于制取碳酸锰、硝酸锰和氯化锰等。
化工级二氧化锰矿粉要求MnO2含量大于50%(见下表),制硫酸锰时,Fe≤3%、Al2O3≤3%、CaO≤0.5%、MgO≤0.1%;制高锰酸钾时,Fe≤5%、SiO2≤5%、Al2O3≤4%。
天然二氧化锰是制造干电池的原料,要求MnO2含量越高越好。
对Ni、Cu、C、Pb等有害元素一般厂定标准为:Cu<0.01%、Ni<0.03%、Co<0.02%、Pb<0.02%。
矿粉的粒度要小于0.12mm。
铬铁矿石一般工业要求列于表1及2,其块度要求为:注:1、高炉冶炼炭素铬铁不小于20毫米和不大于75毫米;2、电炉冶炼铬铁合金不大于60~40毫米(粉矿或精矿粉均可);3、耐火材料用铬铁矿石的块度为50~300毫米。
注:1、块度要求:50~300毫米;贵金属:砂金矿一般工业指标参考表稀有元素:由于锂、铍、铌、钽等有时共伴生一起组成综合性矿床,或伴生在钨锡等多金属矿床中并具有综合开采、综合利用价值,在地质勘探过程中应进行综合评价。
锂、铍、铌、钽矿石的工业要求,在1984年我国颁布的《稀有金属矿地质勘探规范(试行)》中,制定了锂、铍、铌、钽矿床参考性工业指标(表1)。
其中,锂、铍矿床的边界品位和又分为手选矿石和机选矿石,并分别确定了品位指标。
手选与机选矿石的划分,根据生产实践经验,若矿体中锂辉石粒径>3cm,矿石品位在2%~3%以上;绿柱石的粒径>0.5cm,矿石品位在0.1%~0.2%以上,就适于手选,划分为手选矿石,并进行手选矿物储量计算。
铌钽铁矿粒径>0.3cm,在开采过程中,可附带手选。
手选矿石的尾矿具有机选价值的和不适于手选矿石的,均属机选矿石。
稀有金属矿床参考性工业指标
立志当早,存高远
稀有金属矿床参考性工业指标
1、稀有金属矿床参考性工业指标表43 铍矿床参考性工业指标表
表44 锂矿床参考性工业指标表
表45 伴生铯铷综合回收参考性工业指标表
表46 锆矿床参考性工业指标表
手选矿石的参考标准。
绿柱石的粒径O.5 cm,矿物品位在O.1%O.2%以上;锂辉石粒径3cm 矿物品位2%3%以上,适于手选,应划分出手选矿石,并进行储量计算。
铌钽铁矿粒径O.3cm,铯榴石粒径3 cm,在开采过程中,可附带手选。
手选矿石的尾矿具机选价值者与不适于手选的矿石,都属于机选矿石。
表47 铌钽矿床参考性工业指标表
表48 伴生铍锂钽铌综合回收参考性工业指标表
2、各种稀有金属精矿质量指标
(1)铍精矿
表49 绿柱石精矿质量标准(YB 74675)
(2)锂精矿
表410 锂辉石精矿质量标准(YB 83675)
(3)锂云母精矿
表411 锂云母精矿质量标准(GB 320182)
(4)低铁锂辉石精矿
表412 低铁锂辉石精矿质量标准
(5)铯精矿
铯榴石精矿质量标准:Cs2O 质量分数≥20%。
各主要矿种的用途及矿床工业指标有色金属:铜矿床工业指标一般要求项目硫化矿石氧化矿石坑采露采边界品位(ωB)% 0.2~0.3 0.2 0.5 最低工业品位(ωB)% 0.4~0.5 0.4 0.7 矿床平均品位(ωB)% 0.7~1.0 0.4~0.6 最低可采厚度m 1~2 2~4 1 夹石剔除厚度m 2~4 4~8 2铅锌矿床工业指标一般要求项目硫化矿石混合矿氧化矿石Pb Zn Pb Zn Pb Zn边界品位(ωB)% 1.3~0.5 0.5~1 0.5~0.7 0.8~1.5 0.5~1 1.5~2 最低工业品位(ωB)% 0.7~1 1~2 1~1.5 2~3 1.5~2 3~6 矿床平均品位(ωB)% 5~8 6~9 10~12 最低可采厚度m 1~2 1~2 1~2 夹石剔除厚度m 2~4 2~4 2~4铝土矿床一般工业指标项目硫化镍矿氧化镍-硅酸镍矿原生矿石氧化矿石坑采露采坑采露采边界品位(ωB)% 0.2~0.3 0.2~0.3 0.7 0.7 0.5 最低工业品位(ωB)% 0.3~0.5 0.3~0.5 1 1 1 矿床平均品位(ωB)% 0.5~2 0.6~1 1.5 1.2最低可采厚度m 1 2 1 2 1夹石剔除厚度m ≥2≥3≥2≥31~2钨矿床工业指标一般要求表锡矿床工业指标一般要求表钼矿床工业指标一般要求项目硫化矿石露采坑采边界品位(ωB)% 0.03 0.03~0.05 最低工业品位(ωB)% 0.06 0.06~0.08 矿床平均品位(ωB)% 0.08~0.1 0.1~0.12 最低可采厚度m 2~4 1~2 夹石剔除厚度m 4~8 2~4锑矿床一般工业指标参考表黑金属:需进行选矿的铁矿石一般工业指标化工及轻工部门对锰矿石的质量要求化学工业上主要用锰矿石制取二氧化锰、硫酸锰、高锰酸钾,其次用于制取碳酸锰、硝酸锰和氯化锰等。
化工级二氧化锰矿粉要求MnO2含量大于50%(见下表),制硫酸锰时,Fe≤3%、Al2O3≤3%、CaO≤0.5%、MgO≤0.1%;制高锰酸钾时,Fe≤5%、SiO2≤5%、Al2O3≤4%。
金属矿床工业指标的确定一、矿床工业指标的概念和内容1 矿床工业指标的概念概念:矿床工业指标,简称工业指标,它是指在现行的技术经济条件下,工业部门对矿石原料质量和矿床开采条件所提出的要求,即衡量矿体能否为工业开采利用的规定标准。
意义:它常被用于圈定矿体和计算资源储量所依据的标准。
也是评价矿床工业价值、确定可采范围的重要依据。
工业指标的高低取决于矿床地质构造特征、矿产资源方针、经济政策和矿石采、选、冶的技术水平等。
反过来,矿床工业指标直接影响着所圈定矿体的形态复杂程度、规模大小、储量的多少、采出矿石质量的高低及对矿床地质特征、成矿规律的正确认识,进而影响到确定矿床开采范围,生产规模、采矿方案和选矿工艺,开采中的损失与贫化率、选矿回收率等技术参数的确定;最终影响到矿山生产经营的技术经济效果、矿产资源的回收利用程度和矿山服务年限等。
工业指标是地质与技术经济联合研究的主要课题之一。
2工业指标内容矿床工业指标的内容很多,构成一个复杂的工业指标体系。
大体上可分为矿石质量和开采技术条件两部分或归纳为如下三类:第一类:与矿石质量有关的,如边界品位,最低工业(可采)品位,有害杂质最大允许含量,有用伴生组分的最低综合品位,矿石自然类型和工业品级的划分标准,出矿品位或入选品位等;第二类:与地质体厚度有关的,如最小可采厚度、夹石剔除厚度或夹石最大允许厚度等;第三类:其他的,如一些综合指标:最低工业米百分率(或工业米克吨值)、含矿系数;还有个别矿种所需规定的特殊标准,如铬铁矿的铬铁比,铝土矿的硅铝比,煤矿的挥发分、灰分、发热量,耐火材料矿产的耐火度、灼减量,与采矿条件有关的采剥比、开采深度等。
最重要、最常用的几项工业指标是:(1)边界品位指在圈定矿体时,对单个样品有用组分含量的最低要求,作为区分矿与非矿的分界标准。
它直接影响着矿体形态的复杂程度、矿石平均品位的高低、矿石与金属储量的多少。
它一般界于尾矿品位与最低工业品位之间。
稀有金属矿床参考性工业指标展开全文表1 铍矿床参考性工业指标表2 锂矿床参考性工业指标表3 伴生铯铷综合回收参考性工业指标表4 锆矿床参考性工业指标表5 铌钽矿床参考性工业指标表6 伴生铍锂铌钽综合回收参考性工业指标表7 绿柱石精矿质量指标(YB746—75)表8 锂辉石精矿质量指标(YB836—75)表9 锂云母精矿质量指标(GB3201—82)表10 低铁锂辉石精矿质量指标表11中国钽铌精矿质量指标表12 锆石英精矿质量指标(YB834—75)表G.1 铍矿床参考性工业指标表G.2 锂矿床参考性工业指标矿床类型边界品位最低工业品位最低可采厚度m夹石剔除厚度m 机选Li2O质量分数 %手选锂辉石质量分数 %机选Li20质量分数 %手选锂辉石质量分数 %花岗伟晶岩类矿床0.4~0.6 0.8~1.1 5.0~8.0 1.0 ≥2.0碱性长石花岗岩0.5~0.7 0.9~1.2 1.0~2.0 ≥4.0类矿床表G.3 伴生铯铷综合回收参考性工业指标金属种类矿床类型边界品位最低工业品位机选氧化物质量分数%机选氧化物质量分数%手选铯榴石质量分数%铯花岗伟晶岩类矿床0.3 含锂云母的碱性长石花岗岩类与花岗伟晶岩类矿床0.05~0.06铷含锂云母的碱性长石花岗岩类与花岗伟晶岩类矿床0.04~0.06 0.1~0.2表G.4 锆矿床参考性工业指标矿床类型边界品位最低工业品位最低可采厚度m夹石剔除厚度m ZrO2 %锆英石kg·m-3ZrO2 %锆英石kg·m-3滨海类砂矿床0.04~0.06 1~1.50.16~0.244~6 0.5风化壳矿床0.3 0.8 0.8~1.5内生矿床 3.0 8.0 0.8~1.5 ≥2.0—————————————————2)手选矿石的参考标准。
绿柱石的粒径>0.5cm,矿物品位在0.1%~0.2%以上;锂辉石粒径>3cm,矿物品位2%~3%以上,适于首选,应划分出手选进行储量计算。
山东某金矿床工业指标论证[摘要]工业指标是矿山生产中一项重要的技术经济指标,本文采用类比法、价格法、方案比较法,综合评价法。
与采、选、冶加工方案和矿产经济模型通盘考虑,推荐地质上可能,技术上可行,经济上合理的工业指标。
[关键词]工业指标资源储量经济评价1矿山生产工艺方案1.1采矿工艺方案1.1.1开拓方案矿山生产规模为100t/d(3.3万t/年),开采方式为地下开采方式,开拓方式采用竖井—盲竖井联合开拓方式,共有明竖井2条,一级盲竖井。
主竖井和盲竖井作为主要提升竖井。
(1)提升系统地表主提升井,井筒净断面φ3.5m,井深227.25m。
采用GKT2×1.6×1.2-20型双卷筒提升机,提升2#单层罐笼配平衡锤,电机功率130kw。
该井承担矿岩、人员、设备及材料的提升任务。
盲竖井位于矿体下盘200线附近,直径φ3.5m,井深145m。
在-190m水平设置提升硐室,采用2JTP-1.6型提升机,提升2#单层罐笼配平衡锤,电机功率95kw。
该井主要承担-190m以下各生产中段矿石、废石、材料、人员及设备等升降任务。
(2)运输系统井下采用人推0.50m3翻斗式矿车运输矿石和废石。
(3)供风系统主竖井井口附近设空压机房,供风管路沿主井、盲竖井敷设至井下各中段,为井下各用风地点供风。
(4)供水系统采用集中供水方式,利用主井工业场地高位水池,水源来自井下排水,管路沿竖井、盲竖井敷设,为井下各用水地点供水。
(5)排水、排泥系统采用二级接力排水方式,在-190m和-330m分别布置水泵房和水仓。
各中段涌水通过泄水井汇入水仓,再通过水泵接力排水,将井下汇水排至地表。
(6)通风系统采用机械抽出式通风方式,侧翼对角式通风系统。
新鲜风流由主竖井、盲竖井,经生产中段巷道,进入采掘工程作业面,污风经上中段回风巷道,倒段风井、风井排至地表。
1.1.2采矿方法根据矿区内矿体的赋存条件及矿体顶底板围岩的稳固程度,为充分利用矿产资源、同时考虑不允许地表陷落,选用上向水平分层充填采矿法。
(冶金行业)一般工业要求工业指标汇编各种矿产矿产一般工业要求汇编(据新版规范附录资料汇编)一、冶金、化工石灰岩及白云岩、水泥原料矿床(DZ/T0213—2002)1、黑色冶金熔剂石灰岩化学成分一般要求类别,品位界限,化学成分质量分子数%,,CaO,CaO+MgO,MgO,SiO2,P,S石灰岩,边界品位,≥48,,≤3.0,≤4.0,≤0.04,≤0.15,工业品位,≥50,,≤3.0,≤4.0,≤0.04,≤0.15白云质灰岩(高镁石灰岩),边界品位,,≥49,≤8.0,≤4.0,≤0.03,≤0.12,工业品位,,≥51,≤8.0,≤4.0,≤0.03,≤0.122、有色冶金熔剂、电石、制碱石灰岩化学成分一般要求品位界限,化学成分质量分子数%,冶金熔剂石灰岩,电石石灰岩,制碱石灰岩,CaO,MgO,SiO2,CaO,MgO,SiO2,R2O3,P,S,CaCO3,MgO,酸不溶物,R2O3边界品位,≥50,≤1.5,≤2.0,≥52,≤1.0,≤1.0,≤1.0,≤0.06,≤0.1,≥88,≤1.9,≤3.0,≤1.0工业品位,≥53,≤1.5,≤2.0,≥54,≤1.0,≤1.0,≤1.0,≤0.06,≤0.1,≥90,≤1.9,≤3.0,≤1.03、耐火材料衬炉用、熔剂用白云岩化学成分一般要求品位界限,化学成分质量分子数%,耐火材料炉衬用白云岩,熔剂用白云岩,MgO,Al2O3+Fe2O3+Mn3O4+SiO2,其中SiO2,MgO,Al2O3+Fe2O3+Mn3O4+SiO2,其中SiO2边界品位,≥18,≤3.0,≤1.5,≥15,≤10,≤4工业品位,≥20,≤3.0,≤1.5,≥16,≤40,≤44、冶金用石灰岩粒度要求用途,粒度范围mm,最大粒度mm,允许波动的范围%,,,上限,下限烧结,≤3,≤6,≤10,炼铁,15-60,≤80,≤10,≤65、冶金用白云岩粒度要求粒度mm,块度(mm)限制,所占比例(%)0-5,最大不大于6,大于5的不大于5%5-20,最小不小于3,小于3的不大于10%;最大不大于25,大于20的不大于5%10-40,最小不小于8,小于10的不大于10%;最大不大于45,大于40的不大于5%40-80,最小不小于30,小于40的不大于10%;最大不大于100,大于80的不大于10% 30-100,最小不小于20,小于30的不大于10%;最大不大于120,大于100的不大于10%6、水泥用石灰质原料矿石化学成分一般要求类别,化学成分质量分子数%,CaO,MgO,K2O+Na2O,SO3,fSiO2,,,,,石英质,燧石质Ⅰ级品,≥48,≤3,≤1.6,≤1,≤6,≤4Ⅱ级品,≤45,≤3.5,≤0.8,≤1,≤6,≤47、粘土质、硅质原料矿石化学成分一般要求类别,化学成分,粘土质原料,硅质原料,硅酸率(SM),铝氧率(AM),MgO,K2O+Na2O,SO3,SiO2,MgO,K2O+Na2O,SO3一类,≥3~4,1.5~3.5,≤3%,≤4%,≤2%,≤80%,≤3%,≤2%,≤2%二类,2~<3,不限,,,,,,,注:SM=ω(SiO2)/ω(Al2O3+Fe2O3),AM=ω(Al2O3)/(Fe2O3)注:当采用预热器窑和预分解窑时,要求水泥石灰质原料、粘土质原料、硅质原料中氯质量分数不大于0.015%。
金矿矿床工业指标研讨1我国现行的金矿床工业指标的有关要求11工业指标的主要内容岩金矿工业指标的主要内容有边界品位、块段或单工程最低工业品位、矿床平均品位、最小可采厚度真厚度、米•克吨值、夹石剔除厚度真厚度、无矿段剔除长度、露天开采须确定剥采比。
可以看出,现行规范推荐的岩金矿一般工业指标中有三个品位指标,即边界品位、块段或单工程最低工业品位和矿床平均品位[1]。
12米•克吨值指标的规定米•克吨值是指最低工业品位和最低可采厚度的乘积。
当矿体厚度小于最小可采厚度但品位较高时,可用该值衡量是否应当被圈为矿体[2]。
《关于将一九八九年第二期改为暂行规定的通知》国储[1991]164号规定,采用米•百分值及米•克吨值圈定矿体边界时,需结合矿床的特征来考虑,一般不得外推。
对薄脉型矿体,多数采用米百分值及米•克吨值衡量矿体者,可外推圈定①。
而《岩金矿地质勘查规范》则规定以米•克吨值圈定的矿体不外推。
13工业指标的选取要求根据《固体矿产地质勘查规范总则》,预查、普查阶段,可用一般工业指标进行圈定和估算。
详查、勘探阶段所用指标通常应结合预可行性研究或可行性研究,依据当时的市场价格论证、确定的工业指标进行圈定和估算[3]。
这就意味着达到详查及以上阶段就都要对工业指标进行论证。
根据《岩金矿地质勘查规范》,金矿预查、普查资源量估算可采用规范推荐的一般工业指标表1。
详查、勘探地质报告所采用的工业指标则应在其勘查工作中,通过多个方案三至五个进行技术经济比较也可结合预可行性研究和可行性研究进行确定[1]。
14涉及矿业权价款的工业指标选取要求国土资发[2007]26号文规定,涉及向国家交纳价款的资源储量核实,按一般工业指标估算资源量。
这是目前唯一一个对涉及国家价款资源储量估算采用工业指标的书面规定,但这仅是对核实报告的规定,而对于涉及价款的勘查报告,并没有任何文件规定工业指标的选取要求。
目前的实际做法是,只要涉及到国家价款,任何勘查阶段的资源储量报告均须采用一般工业指标圈定矿体、估算资源储量。
钛矿石的一般工业要求(一)钛矿石的一般工业要求1(二)钛精矿质量标准2钒矿石的一般工业要求(一)钒矿石的一般工业要求1铬铁矿石一般工业要求(一)铬铁矿石一般工业要求列于表1及2,其块度要求为:1注:、高炉冶炼炭素铬铁不小于毫米和不大于毫米;2、电炉冶炼铬铁合金不大于60~40毫米(粉矿或精矿粉均可);3、耐火材料用铬铁矿石的块度为50~300毫米。
注:、块度要求:毫米;铜的矿石工业要求从铜矿石中提炼的铜金属,根据采、选、冶技术工艺水平,对铜矿物原料提出一定的工业要求,见表下表:当铜矿床的伴生组分达到下表所列的含量要求时,则要求取样分析做出综合评价。
对于铜品位低于5%的矿石要用选矿方法富集成铜精矿。
1997年国家颁布的有色金属行业标准(YS/T 3 1 8 - 1 9 9 7 )将铜精矿产品分为四个品级:一级品Cu含量不小于3 0%, 杂质含量(不大于):As 0 . 05%, Pb+Zn 2%,MgO 1%,Bi 0 . 05%。
二级品Cu含量不小于2 5%,杂质含量(不大于):As 0 .2%,Pb + Zn 5%,MgO 3%,Bi 0 . 2%。
三级品Cu含量不小于2 0%,杂质含量(不大于):As 0 . 3%,Pb + Zn 8%,MgO 4%,Bi 0 . 3%。
四级品Cu含量不小于13%, 杂质含量(不大于):As 0 . 4%, Pb+Zn 12%,MgO 5%,Bi 0 . 5%。
矿石品位制定不是一成不变的,应根据国家要求程度、市场需求状况和价格趋势以及资源保护,合理开发利用,矿床地质条件和采选冶技术水平等诸多因素综合考虑,制定合理的工业指标,作为评价矿床有否开发经济价值和储量计算的依据。
实际上开采铜矿从技术经济角度来看,铜的工业品位是一个动态指标。
对一个矿床来说更是如此。
一般开采矿床的规律是先富后贫,即先开富矿,后开贫矿。
随着采选冶技术水平的提高,人类利用矿产资源的能力越来越大,因而对矿石品位要求也随之降低。
金属矿床参考工业要求及工业指标实例
十四、铁矿
工业指标一般可参见表22,工业指标实例见表23。
表22 铁矿床一般参考工业指标
矿石类型
TFe/% 有害杂质量大允许含量/%
开采技
术条件
备注边界
品位
工业
品位
S P SO
2
其他
炼钢
用铁矿石(原
称平
炉富
矿)
磁铁矿石
赤铁矿石
≥56~60<
≤0.1
~0.15
≤0.1
~0.15
≤8~3
Cu≤0.2
Pb、Zn、Au、Sn≤0.04
炼铁用铁矿石(原
称高
炉富
矿)
磁铁矿石
赤铁矿石
≥50≤0.3≤0.25
Cu≤0.1~0.2
As≤0.04~0.07
Pb≤0.1
Zn≤0.05~0.1
F≤1.0
表中P含量为一般
要求,按所炼生铁
品种的不同,对铁
矿石含磷量有以
下不同要求;酸性
转炉炼生铁
≤0.03%~0.18%;
碱性侧吹转炉炼
钢生铁0.2%~
0.8%;托1.2%;普
通铸造生铁
0.05%~0.15%;高
磷体造生铁
0.15%~0.6%
褐铁矿石
菱铁矿石
扣除烧损
折算后≥50
折算后
≤0.3
折算后
≤0.3
自溶
性矿石
≥40≤0.3≤0.25≤10
为碱性矿石;0.8~1.2
为自溶性矿石;0.5~0.8
为半自溶性矿石;<0.5
为酸性矿石
需选矿石(原
称贫
矿)
磁铁矿石20 25
赤铁矿石25 28~30
褐铁矿石25 30
菱铁矿石20 25
表23 铁矿床工业指标实例
矿山名称矿床
类型
矿石类型
TFe/%
有害杂质最大
允许含量/%
可采
厚度/m
夹石剔
除厚度
/m
品级分
采厚度
/m
备注边界工业S P
品位品位
大弧山铁矿受变质
沉积铁
矿床
磁铁贫矿≥20≥30 2 2
半氧化矿≥20≥30 2 2
赤铁矿≥25≥30 2 2
富铁矿≥40≥45 2 2
庞家堡铁矿浅海相
沉积铁
矿床
高炉富矿≥45≥48>0.7 <0.3
赤铁贫矿≥30约44.99 >0.7 <0.3
表外矿≥20约29.99 <0.7
攀枝花钒钛磁铁矿岩浆晚
期分异
型铁矿
床
高品位矿石≥45 1 0.3 3
可采厚度及夹石
剔除厚度在矿山
设计时均改为2m 中品位矿石≥30 1 0.3 3
低品位矿石≥20 1 0.3 3
表外矿15~20
梅山铁矿与岩浆
喷发和
侵入活
动有关
的铁矿
床
自溶性矿石≥30≥35 1 3 3
半自溶
性矿石
≥35≥40 1 3 3 酸性矿石≥40≥45 1 3 3 贫矿≥20≥30 2 3 3
表外矿≥20<30
南芬铁矿受变质
沉积铁
矿床
磁铁贫矿≥20 2 2
大冶铁矿接触交
代型铁
矿
高钢富矿磁
铁矿(Fe
1
)
≥45Cu≥0.2 2 2 低钢富矿磁
铁矿(Fe
2
)
≥45Cu<0.2 2 2 贫磁铁矿
(Fe
3
)
≥20 2 2 高铜富矿混
合矿(Fe
1
-
A)
≥45Cu≥0.2 2 2
低铜富矿混
合矿(Fe
2
-
A)
≥45Cu<0.2 2 2
贫沸合矿
(Fe
3
-A)
≥20 2 2 十五、锰矿
一般参考工业指标见表24,工业指标实例见表25。
表24 冶金用锰矿床一般参考工业指标
(注:素材和资料部分来自网络,供参考。
请预览后才下载,期待你的好评与关注!)。