体育专业考试说明
- 格式:doc
- 大小:23.00 KB
- 文档页数:3
《体育科学与研究方法》考试大纲课程类别:专业必修课程。
课程编号:406025学分:2分适用专业:体育教育专业。
一、考试大纲说明1、课程的性质、目的与任务本课程为我院体育系专、本科专业限选课程,是面向全体学生的一门重要的工具课。
教学总时数为36学时,其中理论课30学时,实践课6学时。
通过教学实践,使学生初步了解体育科研的基本程序与规范要求,掌握体育科研的基础知识和主要研究方法,培养学生独立从事体育科研的基本能力,为在校完成毕业论文和今后从事科研工作打下扎实的基础,同时,对学生进行体育科研方法的基本训练,培养学生创新精神,提高科学素养。
2、考试目标和要求3、有关事项4、教学参考书1、黄汉升.《体育科学研究方法》.高等教育出版社.2006年.2、郑旗,李吉慧.《现代体育科学研究的理论与方法》.人民体育出版社.2000年.3、李艳翎,苏益华等.《体育科学理论与方法》.湖南文艺出版社.2003年.二、考试内容与具体要求二、考试内容和具体要求(黑体/五号/粗体/行首空二格)内容(宋体/五号)(一)****(知识单元名)(1)考核知识点……(2)考核要求1、了解……;2、理解……;3、掌握……;4、运用……。
(二)****(知识单元名)(宋体/五号)……(一)考试内容体育科研的分类、特点与基本程序第一节体育科学研究手类型一、根据科研成果的性质分为:(一)基础性研究,基础研究的定义、任务、特点(二)应用性研究,应用性研究定义、特点(三)开发性研究(推广性研究),开发性研究的定义、特点一、按照研究内容和目的可以划分为:探索性研究、描述性研究、解释性究体育科研的基本程序:确定研究课题;提出假说;选定研究方法;制定研究计划;搜索材料与事实;研究资料与事实的加工整理;撰写论文、获得研究成果。
体育科研选题第一节选题意义与题目来源一、选题的概念及选题的意义二、题目的主要来源(一)体育教学、运动训练、体育管理中碰到的大量实际问题(二)从文献资料中去搜寻课题(三)从体育改革与发展的趋势中去发现问题(四)各门体育学科学术争论中提出的问题(五)学科交叉所产生的“空白区”与“边缘地带“第二节科研选题的基本原则一、实践需要性原则运用中考虑题目的相对价值、共性问题和迫切程度二、现实可行性原则题目的难度大小要适中,提倡先做小题目三、科学性原则题目中心内容属于某一学科体系,有一定的科学理论与方法为依据,有一定科学事实的潜科学问题。
初中学业水平体育统一考试方法说明一、项目1(一)1000米跑(男)、800米跑(女)。
1.场地器材400米、300米、200米田径场跑道(符合田径比赛或测试需要)。
提倡使用电子计时设备(以国家认定的电子计时设备使用说明为准),若使用人工计时,需准备发令枪若干,秒表若干,秒表使用前需要校正,每分钟误差不得超过0.2秒,每小时误差不得超过0.3秒。
2.测试方法考生至少两人一组进行测试,站立式起跑。
当听到“各就位——鸣枪(跑)”开始起跑。
计时应从发令枪的闪光或烟开始,直到运动员的躯干的任何部分抵达终点线后沿垂直平面的瞬间为止。
以分、秒为单位记录测试成绩,不计小数。
3.基本要求(1)如果在非400米标准场地上进行测试,测试人员应向考生报告剩余圈数,以免跑错距离。
(2)测试人员应告知考生在跑完后应保持直立并缓慢走动,不应立刻坐下,以免发生意外。
(3)考生不得穿皮鞋、塑料凉鞋、钉鞋参加测试。
(4)对分、秒进行换算时要细心,防止差错。
(二)200米游泳。
1.场地器材必须在长25米或50米的游泳池内进行测试;根据参加考试的人数应分为若干泳道,泳道之间用泳道线标记。
2.测试方法出发——从起点处,在水中手扶池壁开始;转身——在途中折返转身时,允许使用身体的任何部分来触及池壁;结束——手触池壁即到达终点。
测试时当场报出成绩并予以登记。
3.基本要求考生须持游泳体检合格证,并自备质量合格的游泳专用运动服方能参加考试。
考生可采用任何一种泳姿(允许交替运用)游完规定的距离。
不得使用或穿戴任何有利于速度、浮力、耐力的器具(如手蹼、脚蹼等),可戴护目镜。
考生必须在规定的泳道内游完全程,途中不得在池底站立或在池底行走、拉泳道线和干扰别人游进;违反规则或基本要求者,不得参加考试或不计成绩。
二、项目2(一)立定跳远。
1.场地器材沙坑、丈量尺。
沙面应与地面平齐,如无沙坑,可在土质松软的平地上进行。
起跳线至沙坑近端不得少于30厘米。
起跳地面要平坦,不得有坑凹。
普通高等学校运动训练、民族传统体育专业体育专项测试方
法与评分标准
说明
1. 本标准为百分制计分,体育专项测试成绩满分为100分。
2. 测试指标分为定量指标和定性指标。
3. 定量指标评分要求:各项目考试测量(计数、计时)人员不得少于三人,打分依据项目评分表,采用就低的原则,即未达到某一档次评分标准的,按低一档评分标准评分。
考生定量指标成绩低于评分表最低值,计0分。
4. 定性指标评分要求:除冰雪项目外,定性指标均采取10分制打分,由不少于四名考评员独立打分,所打分数可到小数点后一位。
分数的计算方法为去掉一个最高分和一个最低分,取剩余分值的平均分(只取到小数点后一位)后,按照权重,乘以相应的系数即为该指标最后得分。
5. 标准中未列项目,由院校自行组织考试,考试办法和评分标准需报所属招生考试管理部门审批,并提前向考生公布。
体育单招各项评分标准 Prepared on 22 November 2020目录普通高等学校运动训练、民族传统体育专业体育专项测试方法与评分标准说明1.本标准为百分制计分,体育专项测试成绩满分为100分。
2.测试指标分为定量指标和定性指标。
3.定量指标评分要求:各项目考试测量(计数、计时)人员不得少于三人,打分依据项目评分表,采用就低的原则,即未达到某一档次评分标准的,按低一档评分标准评分。
考生定量指标成绩低于评分表最低值,计0分。
4.定性指标评分要求:定性指标均采取10分制打分,由不少于四名考评员独立打分,所打分数可到小数点后一位。
分数的计算方法为去掉一个最高分和一个最低分,取剩余分值的平均分(只取到小数点后一位)后,按照权重,乘以相应的系数即为该指标最后得分。
田径一、测试指标与所占分值二、测试方法与评分标准1. 凡报考田径专项的考生只能在100米、200米、400米、800米、1500米、3000米(女)、5000米(男)、110米栏、100米栏、400米栏、跳高、撑竿跳高、跳远、三级跳远、铅球、铁饼、标枪、链球、全能和10000米(男)场地竞走、5000米(女)场地竞走中选择一个项目进行考试。
2. 径赛项目测试采用一次性比赛,记取成绩换算成得分。
记取成绩采用电动计时或手计时。
采用手计时,每道必须由三名计时员记取成绩,所计成绩的中间值或相同值为最终成绩。
3. 径赛项目测试,考生只要起跑犯规均将被取消该项目的考试资格。
全能项目的径赛测试,对第一次起跑犯规的考生应给予警告,每单项比赛中只允许考生有一次起跑犯规而不被取消资格,之后一名或多名考生每次起跑犯规均将被取消该单项的比赛资格。
4. 田赛远度项目测试时,每人均有三次试跳或试投机会,记取最好成绩换算成得分。
田赛高度项目测试时测试方法同远度项目,记取最后跳过高度换算成得分。
5. 凡报考全能项目的考生只考四项。
男子全能项目为110米栏、跳高、铁饼或标枪(二选一)和1500米。
附件1专业综合技能测试说明一、体育综合技能测试说明(一)田径(25%)1.小步跑接高抬腿跑;2.跳远3-5步助跑起跳腾空步;3.徒手测向滑步推铅球。
方法:测试前,统一从以上三项中随机抽定一项。
(二)体操(25%)1. 自喊口令自做原地和行进间队列动作;2.侧手翻;3. 自喊口令自做第九套广播体操。
方法:测试前,统一从以上三项中随机抽定一项(三)球类(25%)1.篮球:行进间运球、接2次体前换手变向过标志物、再接运球投篮(从球场右侧边线中点处开始,直至投篮完成;然后再运球到左侧边线中点处再进行一次);2.排球:自抛球后接垫球4次、接传球4次,再接跳起扣球1 次;3.足球:颠球10次、接运球过6个标志物后射门。
方法:测试前,考生从以上三项内容中自选一项(四)拳操类(25%)1.武术:健身拳,初中教师教学用书;要求:跑步入场,考前报测试套路名称。
2.健美操:自编健美操2节,每节8×8拍,自喊口令自做动作。
方法:测试前,考生从以上两项内容中自选一项。
二、音乐综合技能测试说明(一)自选项目表演(30%)自选项目由器乐、声乐和舞蹈三大类组成,每位考生只能在三大类中选择一项参加考试,考试时间不超过3分钟。
选择器乐项目的考生除钢琴外其他乐器自带;选择声乐和舞蹈项目的考生其伴奏音乐和舞蹈音乐一律采用CD格式刻录光盘,每盘只刻录一首并在光盘上标明曲名(不能出现考生信息)。
考生可自带标准U盘做备份,以防光盘临时性出错造成对考试的影响。
选声乐或舞蹈的考生如使用U盘,U盘里只能储存一首考试音乐(MP3或WMA格式),并把音乐文件名命名为“歌曲伴奏音乐”或“舞蹈音乐”,不能出现其他信息。
考试前交工作人员播放。
允许自带小型便携播放机,谢绝带伴奏人员。
(二)指挥项目(25%)方法:熟悉合唱曲目一分钟后,模拟合唱现场边视唱声部旋律(不唱歌词)边用基本指挥图式指挥规定的乐段。
考场提供谱架。
时间:不超过3分钟(三)自弹自唱歌曲一首(25%)曲目统一从中小学音乐课本内随机抽取。
体育行业国家职业资格考试报考指南一、可报考职业游泳救生员、社会体育指导员(游泳)、社会体育指导员(滑雪)、社会体育指导员(潜水)、社会体育指导员(攀岩)二、考核内容分为理论知识(100分)和实操考核(100分)两部分。
理论知识采用电脑机考或纸质考试方式进行考试,实操考核按照各职业项目考核实施细则组织考核,由考评员评定成绩。
考核实施细则:游泳救生员:略-200H2100303.doc社会体育指导员(游泳):略-1PRQF011.doc社会体育指导员(滑雪):略-1PRQG047.doc社会体育指导员(潜水):略-1PRQG111.doc社会体育指导员(攀岩):略-1PRQG022.doc三、颁发证书理论知识和技能考核均合格者(理论60分及以上、实操60分及以上)颁发人力资源和社会保障部统一印制的国家职业资格证书,证书可在国家体育总局职业技能鉴定网络管理平台(略)、技能人才评价工作网(、)查询。
四、鉴定报名体育行业国家职业资格考试由各省(区、市)体育行业职业技能鉴定站组织,非全国统考,各个考核项目考核时间根据培训情况具体安排,报名详情咨询各省(区、市)体育行业职业技能鉴定站。
点击链接下载鉴定站联系方式:略.体育行业国家职业资格考试报考指南五、报名条件(根据实施细则修订情况动态更新)(一)游泳救生员:具备以下条件之一者,可申报五级/初级工:1.具有200m不间歇连续游(不限时)的游泳技能,经本职业初级正规培训达规定标准学时数,并取得结业证书。
2.取得中等及以上职业学校(中等及以上体育专科学校)本专业或相关专业(游泳专业方向,含游泳救生专业课程)毕业证书。
具备以下条件之一者,可申报四级/中级工:1.取得本职业五级/初级工职业资格证书后,累计从事本职业工作3年(含)以上且无安全责任事故。
经本职业中级正规培训达规定标准学时数,并取得结业证书。
2.国家二级及以上游泳运动员取得本职业五级/初级工职业资格证书后,累计从事本职业工作2年(含)以上且无安全责任事故。
体育考试评分标准体育考试评分标准是对学生体育水平进行客观评价的重要依据,合理的评分标准可以有效地反映学生的体育水平,促进学生的全面发展。
下面将从体育考试的内容、评分标准和注意事项等方面进行详细介绍。
一、体育考试内容。
体育考试内容一般包括体育理论知识考试和体育技能考试两个部分。
体育理论知识考试主要包括体育规则、运动技能、体育器材等方面的知识,考察学生对体育知识的掌握程度。
体育技能考试主要包括各项体育运动的基本动作和技能的表现,考察学生的体育技能水平。
二、评分标准。
1. 理论知识考试评分标准。
理论知识考试一般采用选择题、填空题、判断题等形式。
评分标准主要包括答题的准确性、完整性和规范性。
答案准确、完整、规范的得分较高,答案不准确、不完整、不规范的得分较低。
2. 技能考试评分标准。
技能考试一般采用实际操作的方式进行。
评分标准主要包括动作的规范性、连贯性和完成度。
动作规范、连贯、完成度高的得分较高,动作不规范、不连贯、完成度低的得分较低。
三、注意事项。
1. 体育考试评分应客观公正,评分标准应公开透明,避免主观评分和随意性评分。
2. 在评分过程中,应重视学生的个性差异,注重发现和培养学生的特长和潜能,避免一刀切的评分方式。
3. 评分过程中应注意学生的体育技能发展和身体健康状况,避免过分追求高分而忽视学生的身心健康。
4. 评分结果应及时反馈给学生和家长,帮助学生了解自己的不足之处,促进学生的进步和发展。
总结。
体育考试评分标准是体育教育中的重要环节,合理的评分标准可以有效地促进学生的全面发展。
在评分过程中,应注意客观公正,重视学生的个性差异,注重学生的体育技能发展和身心健康。
希望各位教师和评分人员能够严格按照评分标准进行评分,为学生的体育发展提供有力的支持。
1、田径测试内容及说明:1)、身体素质(必测内容):100米、800米、原地正面双手掷实心球(2公斤)、立定三级跳远2)、专项测试包括:100米,200米,400米,1500米;铅球(女生4公斤,男生7.26公斤)、跳远、三级跳远仅限男生、铁饼(女生1公斤,男生2公斤)、跳高中任选一项3)、身高男1.70米以上,女1.60米以上,单眼裸眼视力不低于4.7。
中一次最佳成绩。
助跑距离和助跑方法不限。
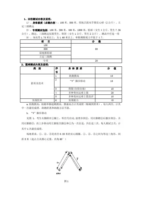
b.“V”脚步移动见图1。
考生右脚踩在①圈上,听信号启动,前滑步到②,用右脚踏②后撤步到③,并用右脚踏③,再上步移动用左脚依次踏②和①为一次往返,共往返三次。
每人测试2次,计其中1次最佳成绩。
场地要求:①、②、③是直径0.25米的实心圆圈,①、②、③之间为等边三角形,间距5米(起止点从圆心丈量,内角60°)图1c.投篮:以篮圈中心投影点为中心,5.5米为半径画弧,考生在弧线外进行1分钟自投自抢,投篮方式不限,记投中次数。
每人测两次,记其中一次最佳成绩。
要求:投篮起跳时必须在弧线外,不准踩线,否则投中无效。
d.多种变向运球上篮:在篮球场地上画出3个半径为50厘米的圆圈,分别标为①、②、③;各圆心距临近的边线为3米;①、③距各自临近的端线8米;②定位在中线上。
(如下图)测试者在球场端线中点站立,面向前场,一脚踩中点。
听到开始口令后,用右手运球至①处,在①处做背后运球变向,换左手向②处运球,至②处做左手后转身运球变向,换右手运球至③处,右手做胯下运球后,换左手运球上篮。
投篮不中须补篮直至中篮。
抢篮板球后,用左手运球返回③处,做背后运球,换右手运球至②处,用右手做后转身运球变向,换左手运球至①处做胯下运球,然后右手运球上篮。
球中篮后抢篮板球做同样动作再重复一次,最后一次球中篮落地时停表。
每人测两次,计其中1次最好成绩。
e.要求:在①、②、③处任意一脚未踩到圆圈线或圆圈内地面,运球手错误或上篮手错误均判违例,失去当次测试机会。
福建省普通高中学业水平合格性考试体育与健康学科考试说明(适用于2019级高中学生)一、命题依据为贯彻落实《国务院办公厅关于强化学校体育促进学生身心健康全面发展的实施意见》和《福建省人民政府办公厅关于强化学校体育促进学生身心健康全面发展的实施意见》的精神, 依据2019年教育部《普通高中体育与健康课程标准(实验)》、2019年《福建省普通高中体育与健康学科教学指导意见》《福建省普通高中学业水平考试实施办法(试行)》和本考试说明, 并结合我省普通高中教学实际进行命题。
二、命题原则1.导向性原则。
面向全体学生, 落实立德树人的根本任务, 实施素质教育, 贯彻高中体育与健康课程的理念, 提高学生体育与健康学科核心素养, 有利于促进学生身心健康、体魄强健和全面发展, 有利于中华优秀传统文化的传承与弘扬, 充分发挥学业水平考试对普通高中体育与健康学科教学的正确导向作用。
2.基础性原则。
考查学生体育与健康基础知识、运动技能、体能、健身能力、娱乐欣赏能力、适应能力和学习能力。
将体能和体育与健康知识列为必考内容, 同时为传承和弘扬中华民族优秀传统文化, 将简化二十四式太极拳列为必考内容, 为学生终身体育锻炼奠定坚实的基础。
笔试和实践考试难易适当, 能够真实反映出学生的学业水平。
3.科学性原则。
试题设计和实践考试内容应体现体育学科特点, 具有较高的信度、效度, 能较全面反映高中学生的身心发展情况。
试卷结构合理, 试题考试和实践考试内容科学、严谨, 试题文字简洁、规范, 试题和实践考试的评价标准准确、合理、有效。
4.选择性原则。
鉴于各校因地制宜开展高中体育与健康的模块教学, 根据学生的选学项目对学生的运动技能进行实践考试, 促进学生形成运动爱好, 掌握运动专长。
5.实践性原则。
普通高中体育与健康课程的主要特点是以身体练习为主, 具有很强的实践性。
本课程的结构主体是运动技能和体能的学习, 通过身体练习的手段和方法, 培养学生的运动技能、体能、健身能力、娱乐欣赏能力、适应能力和学习能力。
2023年常州市普通高中体育、艺术特长生招生专业考试说明如下:一、考试对象符合常州市普通高中招生报名条件的初中毕业生,且在体育、艺术方面具有特长。
二、考试项目及要求1. 体育类:田径、游泳、篮球、足球、排球、乒乓球、羽毛球等项目。
(1)初中阶段获国家二级运动员(含)以上证书,或市级比赛个人项目前6名,集体项目前4名的主力队员。
(2)具有田径、游泳、篮球、足球、排球、乒乓球、羽毛球等运动特长,参加常州市级比赛获得个人项目前8名,集体项目前6名的主力队员。
2. 艺术类:声乐、器乐、舞蹈、戏剧表演等项目。
(1)初中阶段参加市级(含)以上教育行政部门举办的文艺调演比赛个人项目获二等奖(含)以上。
(2)具有声乐、器乐、舞蹈、戏剧表演等艺术特长,参加常州市级比赛获得一等奖(含)以上。
三、考试形式及时间1. 体育类:进行体能和专项技能测试。
体能测试包括100米跑、立定跳远、实心球投掷;专项技能测试内容根据考生所报项目确定。
考试时间为5月中旬。
2. 艺术类:进行专业素养面试和专业技能考试。
专业素养面试主要考察考生外形条件和气质修养等;专业技能考试包括声乐、器乐、舞蹈、戏剧表演等项目的表演。
考试时间为4月下旬。
四、考试地点及组织机构1. 体育类:常州市田家炳中学;常州市教育局体卫艺处组织。
2. 艺术类:常州市第三中学;常州市教育局基础教育处组织。
五、成绩评定及录取根据考生专业考试成绩和招生计划,择优录取具有特长且报考对应高中校的考生。
考生被录取后,须按学校要求参加训练和比赛,并代表学校参加各级教育行政部门举办的竞赛活动。
特长生录取后不再参加高中学校组织的文化课考试。
期末体育科目考查方案一、考查目的和原则体育科目的期末考查旨在全面评估学生的身体素质、运动技能和体育知识的掌握情况,培养学生对体育运动的兴趣和热爱,提高学生的动手能力和协调能力。
考查内容应包括体育素养、基本动作技能、个人技能和集体项目等方面。
1.统一考试时间和方式为了保证考查的公平公正,体育科目的期末考试应在一定时间内统一进行。
考试方式可以结合实际情况选择体育课考试、考察实践能力、考察理论知识或综合考查等形式。
2.考查的原则考查要符合体育教学的基本原则,注重学生的体育素养、运动技能和知识的综合应用。
考查应注重个人能力和协作意识的培养。
二、考查内容1.体育素养(1)体育健康常识的考查:包括健康知识、运动饮食、体育锻炼的益处、运动伤害预防和处理等。
(2)体育道德的考查:包括遵守规则、尊重对手、团队合作、公平竞争、团结友爱等方面。
2.基本动作技能(1)跑步技能:要求学生掌握正确的跑姿和脚步,能够进行分段加速、突然停止、转弯等动作。
(2)跳远技能:要求学生掌握正确的起跳姿势和动作,能够完成一定距离的跳跃。
(3)投掷技能:要求学生掌握正确的抛球和投球动作,能够准确地将球抛出或投出一定距离。
3.个人技能根据学生的兴趣和特长,可以选择以下项目进行考查:(1)篮球技能:要求学生掌握正确的运球、投篮、传球等基本动作。
(2)足球技能:要求学生掌握正确的带球、传球、射门等基本动作。
(3)乒乓球技能:要求学生掌握正确的发球、接发球、进攻和防守等基本动作。
4.集体项目选择以下项目进行考查:(1)篮球比赛:要求学生能够运用篮球技巧,与队友配合,进行比赛。
(2)足球比赛:要求学生能够运用足球技巧,与队友配合,进行比赛。
(3)排球比赛:要求学生能够运用排球技巧,与队友配合,进行比赛。
三、考查评分标准对于每个项目的考查,可以根据学生的表现进行评分(1)技能动作的完成度和准确度。
(2)个人或团队表现的协调性和配合度。
(3)运动能力的优劣和发展潜力。
2023年常州市普通高中体育、艺术特长生招生专业考试说明
根据2023年常州市普通高中体育、艺术特长生招生考试说明,以下是相关内容:
1. 考试对象:常州市普通高中体育、艺术特长生招生考试适用于初中毕业生,包括体育、舞蹈、音乐(钢琴、声乐、器乐等)等特长生。
2. 考试时间:具体考试时间将在招生公告中公布,请考生及时关注常州市招生信息网站或相关通知。
3. 考试科目:考试科目根据报名者的特长领域而定,主要包括体育、舞蹈、音乐等相关技能测试。
4. 报名条件:报名者需符合常州市规定的招生条件,包括年龄、身体状况等方面的要求。
具体要求请参考招生公告。
5. 报名方式:报名者需按照招生公告要求,在规定的时间内准备报名材料,并在指定地点进行线上或线下报名。
6. 考试内容:考试内容将根据报名者的特长领域而定,包括技能测试和面试等环节。
具体内容请参考招生公告。
7. 考试评分:考试评分将由专业评委根据考生的表现进行评定,综合考虑技能水平、创造力、表现力等因素。
8. 录取办法:录取办法将根据考试成绩和其他招生条件综合评
定,按照规定的招生名额进行录取。
以上是根据2023年常州市普通高中体育、艺术特长生招生考试说明提供的相关内容,具体的考试流程和要求请以招生公告为准。
高中体育考试说明
高中体育考试是学生体育课程的一部分,旨在测试学生对体育知识和技能的掌握程度。
以下是一般的高中体育考试说明:
1. 考试内容:高中体育考试通常包括理论知识和实际操作两个方面。
理论知识部分可能涉及体育规则、相关概念和基本理论等方面;实际操作部分可能包括各类体育项目的技能演示或运动能力测试。
2. 考试形式:高中体育考试的形式多样化,可能包括书面考试、口头答辩、技能演示、实地实践等。
具体的考试形式由学校或教师决定。
3. 考试时间和地点:一般来说,高中体育考试会在学期末或特定时间段进行,具体时间由学校安排。
考试地点通常是学校体育场馆或相关场所。
4. 考试要求:考生需要熟悉各项体育项目的规则和技能要求,并能够正确理解和运用体育相关的概念和理论知识。
对于实际操作部分,考生需要展示相应的技能水平和身体素质。
5. 考试评分:高中体育考试的评分通常综合考虑理论知识和实际操作两个方面。
评分标准可能包括正确性、完整性、技能水平等因素。
6. 注意事项:参加高中体育考试时,考生需要注意以下几点:
-提前复习相关知识和技能,确保理论和实践都有一定的掌握程度;
-准备适当的体育装备和服装,以便进行实际操作;
-注意考试时间和地点,并提前规划好交通和时间安排;
-遵守考试纪律,不得作弊或违反考试规定;
-在考试过程中保持冷静和集中注意力,充分展示自己的能力。
以上是一般的高中体育考试说明,具体的考试内容和要求可能因学校和地区而有所不同。
建议学生在备考过程中与老师进行沟通,了解详细的考试信息和要求。
2023版体育单招考试大纲
2023版体育单招考试大纲分为语文、数学、英语、政治四个科目,每科满分为150分。
其中,语文考试内容及范围主要包括语言知识和语言表达,考生应基本能够识记现代汉语普通话的字音,掌握一般的语言表达技能。
数学考试内容及范围主要包括数学基础知识,如代数、几何、概率统计等。
英语考试内容及范围主要包括英语基础知识,如词汇、语法、阅读理解等。
政治考试内容及范围主要包括政治学科基础知识,如马克思主义哲学、中国特色社会主义理论体系等。
考生需要注意,考试大纲只是对考试内容及范围进行了大致的描述,具体的考试题型和难度可能会有所不同。
因此,考生应该根据具体的考试要求和题型进行备考,以便更好地应对考试。
同时,考生还需要注意加强身体素质的锻炼,提高自己的体能水平,为顺利通过体育单招考试打下坚实的基础。
体育课程与教学论考试举例说明体育课程与教学论是一门关于体育教育理论与实践的专业课程,它主要涉及到体育教育的课程设置、教学方法、评估标准和教育管理等方面的内容,是体育教育从业人员必须掌握的一门重要课程。
体育课程的设计是体育教育的核心内容。
它至关重要,因为它直接关系到学生学习体育的效率和成果。
在设计体育课程时,需要考虑到学生的年龄、性别、身体素质、兴趣爱好等各方面因素,并针对不同的特点和需求,采用不同的教学方法和手段,使其达到科学合理的效果。
在体育教育中,教学方法也是非常重要的一个方面。
不同的教学方法,会直接影响到学生的学习效果和积极性。
理论课程教学可以采用讲授、探究、讨论、研究等多种方法,而体育课可以采用示范教学、体验教学、游戏教学等方法,增加学生的参与度,使学生更容易学会体育技巧。
评估标准也是体育教育中非常重要的一个方面。
教师需要根据学生的表现和成果,制定出科学合理的评估标准,鼓励学生在体育课程中不断进步和提高。
在评估过程中,需要注重学生的个性发展和差异性,综合考虑学生的身体素质、技能水平和表现,以充分体现学生的实际表现。
在教育管理方面,需要合理规划体育教育资源,选择适当的运动场地和设施,明确教育监管规则,完善安全管理措施等方面,确保体育教育工作顺利进行。
而在实现这些目标的过程中,需要积极探寻现代体育教育理论和实践,保持创新精神和不断进步的态度。
总之,体育课程与教学论是一门颇为丰富和复杂的专业课程,学生需要对体育教育的各个方面都进行深入研究和探究,同时要教学实践和体育教育中的实践体验相结合,不断提升自己的教育水平和能力。
一、考试项目及分值
考试项目分为身体素质项目、辅助技术项目、专项技术项目三部分。
专业考试成绩满分为300分。
1.身体素质项目(满分170分):100米跑(90分)、5米三向折回跑(80分)。
2.辅助技术项目(满分40分):篮球往返运球单手低手投篮、排球传球垫球、足球运球绕杆射门、体操预摆分腿腾越纵箱(男)或分腿腾越横箱(女),乒乓球2/3台正手走动攻。
考生只能在上述五个辅项中选择一项考试。
考生在选择辅项时不得选择与其所报专项相近的项目,即篮球专项的考生不得选篮球往返运球单手低手投篮,排球专项的考生不得选排球传球垫球,足球专项的考生不得选足球运球绕杆射门,体操、艺术体操、健美操专项的考生不得选体操预摆分腿腾越纵箱或分腿腾越横箱,乒乓球专项的考生不得选乒乓球2/3台正手走动攻。
从2012年起,辅助技术项目只设篮球、足球、排球。
3.专项技术项目(满分90分):考生可在田径(除100米外)、篮球、排球、乒乓球、足球、羽毛球、网球、武术、游泳、体操、艺术体操、健美操、跆拳道中任选一项。
2011年普通高等学校招生体育专业考试项目
修改部分说明
一、300分总分值分配方案
100米90分、五米三向80分、辅项40分、专项90分(各项测试时均以100分计算,统分时再按各项分值比重计算总分)
二、800米改为专项,标准不变
三、足球辅项、足球专项运球绕杆射门、篮球辅项、篮球专项往返运球单手低手投篮项目测试方法
每人测试一次,如为0分,可重测试一次,但扣除该项总分的10%,如仍为0分,可再重测一次,但扣除该项总分的20%,最多两次重测机会。
四、足球专项运球绕杆射门、篮球专项、篮球辅项往返运球投篮项目评分标准降低0.3秒
五、排球辅项测试
1.对墙上直径0.70米的圆圈内,先传一个球,后垫一个球,连续交替进行,其中垫球、传球各20个,总数为40个。
要求将球传、垫到圆圈内,方可得分,未传、垫球入圆圈内每次扣1分。
2.测试过程中,如出现连续两次传球或垫球且传、垫到圆圈内,第二次扣0.5分。
如连续三次(含三次)以上传球或垫球,不论球传、垫到圆圈内或圈外,第三次(含第三次)以上,每次扣1分。
3.每人测试一次。
传、垫球15次内,如自己失误中断测试,可重新开始测试,但扣除该项总分的10%。
如再同样失误仍可重测一次,但扣除该项总分的20%,最多两次重测机会,成绩以最后一次为准。
六、网球专项测试
1.取消截击球测试项目。
2. 测试内容与分值:米字形跑20分,发球35分(其中达标25分,技评10分)、正反手击直、斜线球为45分(其中达标35分,技评10分)。
3.米字形跑每人测试一次,如为0分,可重测试一次,但扣除该项总分的10%,如仍为0分,可再重测一次,但扣除该项总分的20%,最多两次重测机会。
4. 正反手击直、斜线球测试方法:移动中先正、反手各击直线球1次,连续做3组,然后移动中正、反手各击斜线球1次,连续做3组,分别取正反手直、斜线10次有效击球成绩,每次有效击球为3.5分。
失误(下网、出界)为零分。
七、乒乓球专项测试
1.取消正手攻球测试项目。
2.测试内容与分值:移步换球20分,搓中侧身突击和结合技术各40分(其中达标30分,技评10分)
八、羽毛球专项测试
1.取消发高远球测试项目。
2.修改正手杀球项目为后场吊球项目。
3.测试内容与分值:低重心四角跑20分,后场吊球和击后场高远球各30分(其中达标20分,技术等级评分为10分),网前搓球20分(其中达标15分,技术等级评分为5分)。
4.低重心四角跑每人测试一次,如犯规可重测一次,扣除总分的10%,如再犯规,可再重测一次,但扣除总分的20%,最多两次重测机会。
九、武术专项测试
1.取消横叉测试项目。
2.测试内容与分值:仆步抡拍20分,拳术套路80分。
3.套路编排规定难度动作:直摆性腿法、屈伸性腿法、扫转性腿法各一种、腾空飞脚+旋风脚+劈叉、腾空摆莲+弓步、旋子转体360或侧空翻。
十、体操专项测试
1、自由体操(男子)
侧手翻成分腿站立→向外转体90度并腿→鱼跃前滚翻接头手翻→跳转180度→原地高趋步接前手翻。
2、双杠(男子)
挂臂撑后摆上→直角支撑→屈体分腿慢起肩倒立→前滚翻成分腿坐→两手体前撑杠,两腿后进杠,支撑摆动一次→前摆向内转体180度下。
3、自由体操(女子)
经手倒立前滚翻,起立两臂侧上举→一腿向前一步,另一腿前摆转体180度跳,前腿后并立踵同时两臂侧上举→原地高趋步接连续2次侧手翻成开立两臂侧举→向外转体90度后腿前并成直立,原地挺身跳。
十一、健美操专项测试
1.取消横叉、仰卧击足测试项目。
2.测试内容与分值:纵劈腿(左、右)10分,10秒快速俯卧撑(男15次、女13次)10分,专项技术80分。
3.要求难度动作总数6个,包括搬腿平衡(开始)、屈体分腿跳、科萨克跳、直角支撑、后倒俯卧撑、跳转360度成纵劈叉(结束)。
4.至少包含有5个操化单元。
5.14×8拍的健美操自编动作成套,规定音乐(湖南师范大学体育学院网页上下载)。
十二、跆拳道专项测试
1.取消移动速度测试项目。
2.测试内容与分值:横叉10分,双飞踢20分,脚靶组合技术70分(其中测试2个组合技术,每个组合各35分)。
3.每个组合每人测试一次,因持靶人造成的失误,裁判长可给予重测一次机会。