悬浮粒子在线监测系统操作说明_标准版
- 格式:doc
- 大小:1.94 MB
- 文档页数:11
悬浮物测定仪使用说明1. 产品概述悬浮物测定仪是一种用于测量液体中悬浮物含量的设备。
它通过光学原理和图像处理技术,可以快速、准确地对液体样品中的悬浮物进行计数和分析。
该仪器广泛应用于环境监测、水质检测、医药制造等领域。
2. 产品特点•高精度:采用先进的光学传感器和图像处理算法,能够实现对微小悬浮物的快速检测和精确计数。
•高效率:自动化操作,无需人工干预,大大提高了工作效率。
•易操作:简单的操作界面和用户友好的设计,使得使用者能够快速上手并进行准确的测试。
•多功能:除了悬浮物计数外,还具备其他附加功能,如粒径分析、颗粒形态观察等。
3. 产品结构悬浮物测定仪主要由以下部分组成: - 光源系统:提供稳定而均匀的光源,用于照亮样品。
- 光学系统:包括透镜、滤光片等,用于调节光线的聚焦和过滤。
- 图像传感器:采集样品图像,并将其转化为数字信号。
- 控制系统:负责仪器的操作控制和数据处理。
- 显示器:用于显示测试结果和仪器状态。
- 电源系统:为仪器提供电力支持。
4. 使用步骤步骤一:准备工作1.将悬浮物测定仪放置在平稳的工作台上,并接通电源。
2.打开仪器上的电源开关,待显示屏亮起后,进入待机状态。
步骤二:样品处理1.准备待测样品,并将其放入专用样品容器中。
注意确保样品容器干净无杂质。
2.根据需要,可以添加适量的溶剂或稀释液将样品稀释至合适浓度。
步骤三:开始测试1.打开仪器上的操作界面。
通常有触摸屏或按钮控制方式。
2.在界面上选择所需的测试参数,如测试时间、采集频率等。
根据实际情况进行设置。
3.将装有样品的容器放入悬浮物测定仪的测试槽中,并确保容器与仪器接触良好。
4.点击“开始测试”按钮,仪器将开始自动测试,并在屏幕上显示实时结果。
步骤四:数据分析1.测试完成后,仪器会自动停止测试并显示最终结果。
2.可以通过界面上的数据导出功能,将测试结果保存到外部存储设备中,以便后续分析和处理。
3.通过测定仪提供的数据分析软件,可以对测试数据进行进一步处理和分析。
1目的建立悬浮粒子监测操作规程,使其操作规范化、合理化。
2范围适用于洁净区悬浮粒子监测操作。
3职责QA、QC检验人员负责本规程的实施,质量控制部部长、质量保证部部长负责监督。
4内容4.1测试方法4.1.1测试用仪器:XX型激光尘埃粒子计数器。
4.1.2 仪器使用操作步骤:见《XXX型激光尘埃粒子计数器使用操作规程》。
4.2测试条件被测试洁净室(区)温、湿度须达到规定的要求(无特殊要求时,温度控制在18~26℃,相对湿度控制在45~65%为宜),静压差、换气次数、空气流速必须控制在规定值内。
4.3测试状态测试状态有静态和动态两种,静态是指洁净室(区)在净化空气调节系统已安装完毕且功能完备的情况下,生产工艺设备已安装,但洁净室(区)内没有生产人员的状态或洁净室(区)在生产操作全部结束后,生产操作人员撤离现场并经过自净后的状态;动态是指洁净室(区)已处于正常生产状态,设备在指定的方式下运行,并且有指定的人员按照规范操作的状态。
测试状态的选择必须符合生产的要求,并在报告中注明测试状态。
测试人员必须穿戴符合环境洁净度级别的工作服。
静态测试时,室内测试人员不得多于2人。
4.4测试时间对单向流,测试应在净化空气调节系统正常运行时间不少于10分钟后开始。
静态测试在操作人员撤离现场并经10分钟自净后开始;对非单向流,测试应在净化空气调节系统正常运行时间不少于30分钟后开始。
静态测试在操作人员撤离现场并经20分钟自净后开始。
在动态测试时,须记录生产开始时间以及测试时间。
4.5悬浮粒子计数4.5.1采样点数目及其布置4.5.1.1最少采样点数目按下述公式求出最少的采样点数目:NAL式中:N L :—最少采样点数(四舍五入为整数);A:—洁净室或洁净区的面积,以㎡计。
在单向流情况下,面积A可认为是垂直于气流方向上的横切面积。
在非单向流情况下,面积A指房间面积。
4.5.1.2采样点位置及布置4.5.1.2.1采样点位于工作活动的高度,一般在离地面0.8m高度的水平面上均匀布置。
目的:,建立洁净区悬浮粒子的监测标准操作规程,规范洁净区悬浮粒子数的测试操作,确保洁净区环境洁净度符合GMP的要求。
范围:适用于生产车间、取样室、质量控制室洁净区(室)悬浮粒子数的监测。
职责:QA现场监控员对本规范的实施负责。
内容:1、测试方法本测试方法采用计数浓度法,即通过测定洁净环境内单位体积空气中含大于或等于某粒径的悬浮粒子数,来评定洁净室(区)的悬浮粒子洁净度等级。
2、测试仪器:XXXXXXXX3、测试条件3.1 洁净区的温湿度应符合测试要求,温度控制在18-26 ℃,相对湿度控制在45%-65%。
3.2 洁净区与非洁净区、不同级别洁净区之间的压差应≥10pa,同级别不同功能洁净区之间压差应≥5pa,空气洁净度级别要求高的洁净室对相邻的空气洁净度级别低的洁净室一般呈相对正压。
3.3 洁净室已经通过高效过滤器检漏及风速测试,且测试结果符合规定。
4、测试状态4.1 静态和动态均可进行测试,应在《悬浮粒子测试记录》中注明测试状态及室内的测试人员数。
4.2 静态测试4.2.1 静态测试时,对单向流和非单向流洁净室,测试应在净化空气调节系统正常运行30min 后开始。
4.2.2 静态测试时,对单向流和非单向流洁净室,测试应在生产操作人员撤离现场并经20min 自净后开始。
4.2.3静态测试时,室内测试人员不得多于2 人4.3 动态测试动态测试应不影响产品质量,测试时须记录生产开始的时间及测试时间5、采样点设置5.1 最少采样点数目5.1.1 静态测试时,洁净室最少采样点数目见下表。
最少采样点数目面积(m2)洁净度级别A B C D<102-32-322≥10-<204422≥20-<408822≥40-<100161642≥100-<2004040103注:对于A级单向流洁净室(区),包括A级洁净工作台,面积指的是送风口表面积;对于D 级以上的非单向流洁净室(区),面积指的是房间面积。
目的:建立悬浮粒子在线监测系统管理规程,保证该系统正常使用及正确监控A级区、B 级区环境。
范围:适用于悬浮粒子在线监测的管理。
职责:生产部、质量部、设备部对本规程实施负责。
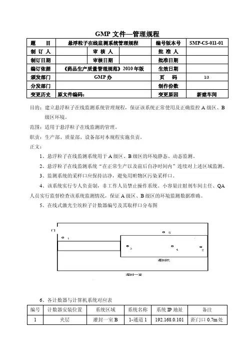
正文:1、悬浮粒子在线监测系统用于A级区、B级区的环境静态、动态监测。
2、悬浮粒子在线监测系统“在正常生产以及前后自净时间内”连续对上述区域监测。
3、监测系统的采样口应保持洁净,避免用赃物区污染采样口。
4、该系统实行专人负责制,非工作人员禁止操作系统。
小容量注射剂车间主任、QA 人员实行监督检查该系统监测情况,保证A级区、B级区的环境监测数据准确。
5、在线式激光尘埃粒子计数器编号及其取样口分布图6、各计数器与计算机系统对应表7、监测时间管理7.1监测每10秒钟采集数据一次。
8、警戒限度与纠偏限度9、达到警戒限度、纠偏限度时采取的措施:监测操作者应及时将监测数据反馈给“B+A”线操作工,出现环境动态监控某个点达到警戒限度时,立即通知“B+A”线操作工对该点进行检查分析,并排除可能存在的干扰,使监测回到正常范围。
同时监控人员继续对该点进行监测若发现该点数据继续变大,待达到纠偏限度时,先排除系统自身问题后,若系统没问题,立刻通知“B+A”线操作工先停止灌装,再通知QA人员对操作进行复核。
若操作没问题,经过环境净化监测结果回到正常范围,QA人员通知里面进行灌装。
若经过净化,粒子偏离程度较大,QA排除干扰因素后,通知设备部配合检查FFU及层流罩高效过滤器是受完好。
10、在A级区和B级区,连续或有规律地出现少量≥5.0 µm粒子计数时,可能是污染事件的征兆,应进行调查。
11、在关键操作的全过程,包括设备组装、应对A级区进行微粒监测。
工艺的污染(如活生物、放射危害)如可能损坏粒子计数仪时,应在设备调试操作和模拟操作期间进行测试。
A级区监测的频率及取样量,应能及时发现所有人为干预、偶发事件及任何系统的损坏。
灌装或分装时,由于产品本身产生粒子或液滴,灌装点≥5μm粒子也许不能始终如一地符合标准,这种状况是可以接受的。
悬浮粒子动态监测系统操作说明一、启动系统1、打开控制柜电源开关(电源开关在控制柜内,柜门需要用螺丝刀打开)2、打开采样头的盖子(盖子需要放在合适的位置,不能影响生产,同时防止丢失)3、打开真空分离器上的阀门(此阀门类似于水龙头,只需要旋转90度即可),开启真空泵,如图:4、打开电脑主机及虚拟机(vmvare player,当前已经设定为主机启动后虚拟机自动启动模式)5、在虚拟机中打开LMS Express(此程序在启动虚拟机时会自动运行)和LMS Pharma configuration viewstation6、用已经分配的用户登录到configuration viewstation,找到locations下的main(详细路径如下:locations-lijiexun-DG02-display-main)主页,点击Grid(栅格)、Trends(趋势)、Map(地图)、List(清单)、Reports(报告)即可查看粒子计数器的相关数据及报告,登录及查看数据过程如下图:①File-log on②输入用户名和密码③找到main 页面,双击它④查看栅格(Grid)中的数据(注意:不要点击此页面右上方的的退出按钮,否则需要重新登录)查看历史数据如下图:在清单中选择一条记录,点击鼠标左键,就可以在弹出的菜单中看到Display Historic List,点击它就可看到历史数据了;另外在栅格中同样可以选择一个显示面板左键点击就会弹出菜单,菜单中会有Display Historic List 选项。
制作报告的过程如下:①选择报告的开始时间和结束时间点击上图中的时间面板就会弹出下面的窗体,手动修改时间,然后点击OK。
②点击报告列表中第一条记录Conformance Report ,在弹出的菜单中选择Generate New Report 然后等待,直到报告生成(大约需要等待1-2分钟),等待过程不要动鼠标,否则系统无法产生报告。
颁发部门:质量保证部分发部门:□质量保证部□质量控制部□验证部□仓库□注射剂部□固体制剂部□原料生产部□设备部□物资供应科□八卦岭厂区原料生产车间□研究所□研发中心□抗体中心□研发综合办□人力资源部□企划运营管理部□行政部□财务部□IT管理科一、目的规范1-2-162粒子和浮游菌在线监测系统的操作,确保粒子和浮游菌在线监测系统操作安全、规范,保证产品质量。
二、范围适用于粒子和浮游菌在线监测系统的操作。
三、职责注射剂部:1、工艺员负责起草/修订本规程。
2、工艺、灌装岗位人员负责执行。
3、工艺员、灌装负责人负责监督。
四、依据无。
五、内容1.一般区粒子和浮游菌在线监测系统操作 粒子在线监测操作:(1) 打开位于1-2-162车间办公室(20204)监测用电脑,点击“”,待“”加载结束,进入控制画面,如下图1所示:图1(2) 系统设置用户组如下表:OS用户组权限列表:(3)以“管理员”权限登陆进入控制系统,点击或,系统自动弹出对话框,点击启动,待启动键变绿,表明真空泵已经开始运行,自净10分钟。
(4)自净10分钟后,点击如代表取样点位置的编号,弹出对话框将对话框中“停止供电”选项“√”点掉,依次将15个监测点点开。
(5)灌装工序结束后,关闭在线粒子和真空泵,待人员清场完毕,全部退出洁净室,按照上述步骤打开在线粒子监控,清场区域自净15-20分钟,如果粒子合格,则关闭在线粒子监控和真空泵,如果不合格,继续进行清洁,再重复(5)步骤。
浮游菌在线监测操作:(1)得到现场QA确认后,点击中如1号浮游菌在线监测点,弹出对话框点击启动,系统自动运行,待采样体积达到1000L,系统自动关闭,通知现场QA浮游菌采样完毕。
2. A/B级粒子和浮游菌在线监测系统操作(1)点击进入登陆界面,输入账号、密码,进入如下图2所示界面:图2(2)点击进入,点击启动1号泵或2号泵,自净10分钟。
(3)自净10分钟后,点击进入如图2所示画面,分别点“启动”启动15个粒子采样点。
目的:,建立洁净区悬浮粒子的监测标准操作规程,规范洁净区悬浮粒子数的测试操作,确保洁净区环境洁净度符合GMP的要求。
范围:适用于生产车间、取样室、质量控制室洁净区(室)悬浮粒子数的监测。
职责:QA现场监控员对本规范的实施负责。
内容:1、测试方法本测试方法采用计数浓度法,即通过测定洁净环境内单位体积空气中含大于或等于某粒径的悬浮粒子数,来评定洁净室(区)的悬浮粒子洁净度等级。
2、测试仪器:XXXXXXXX3、测试条件3.1 洁净区的温湿度应符合测试要求,温度控制在18-26℃,相对湿度控制在45%-65%。
3.2 洁净区与非洁净区、不同级别洁净区之间的压差应≥10pa,同级别不同功能洁净区之间压差应≥5pa,空气洁净度级别要求高的洁净室对相邻的空气洁净度级别低的洁净室一般呈相对正压。
3.3洁净室已经通过高效过滤器检漏及风速测试,且测试结果符合规定。
4、测试状态4.1静态和动态均可进行测试,应在《悬浮粒子测试记录》中注明测试状态及室内的测试人员数。
4.2静态测试4.2.1静态测试时,对单向流和非单向流洁净室,测试应在净化空气调节系统正常运行30min后开始。
4.2.2静态测试时,对单向流和非单向流洁净室,测试应在生产操作人员撤离现场并经20min自净后开始。
4.2.3静态测试时,室内测试人员不得多于2人。
4.3 动态测试动态测试应不影响产品质量,测试时须记录生产开始的时间及测试时间。
5、采样点设置5.1最少采样点数目5.1.1静态测试时,洁净室最少采样点数目见下表。
最少采样点数目5.1.2动态测试时,采样点数目及布置应根据产品的生产及工艺关键操作区域设置。
5.2采样点位置5.2.1采样点一般在离地面0.8m高度的水平面上均匀布置,避免在局部区域过于稀疏。
5.2.2采样点布置图如下。
5.3采样次数5.3.1任何小洁净室或局部空气净化区域,采样点的数目不得少于2个,总采样次数不得少于5次。
5.3.2每个采样点的采样次数可以多于1次,且不同采样点的采样次数可以不同。
洁净室(区)悬浮粒子监测标准操作规程Standard Operating Procedures for Monitoring AirborneParticles in Clean Area本文件分发范围/Distribution ListQA、QC1.目的建立洁净室(区)悬浮粒子监测标准操作规程,规定如何进行环境监测,确保监控的有效执行。
2.范围适用于XXX有限公司洁净室(区)悬浮粒子的监测。
3.定义3.1悬浮粒子:用于空气洁净度分级的空气悬浮粒子尺寸范围在0.1μm~1000μm的固体和液体粒子。
3.2静态:所有生产设备均已安装就绪,但没有生产活动且无操作人员在场的状态。
3.3动态:生产设备按预定的工艺模式运行并有规定数量的操作人员在现场操作的状态。
4.参考资料4.1GB/T16292-2010《医药工业洁净室(区)悬浮粒子的测试方法》4.2ISO14644-1:2015洁净室及相关控制环境国际标准4.32010年版《药品生产质量管理规范》5.职责5.1操作人员:负责本操作规程的实施与操作。
5.2QC微生物主管:负责本规程的监督和检查。
5.3QA人员:协调调查超出标准的事件,并做出最终决定;并负责审核环境监控的趋势数据。
6.安全健康环保信息不适用。
7.规程7.1悬浮粒子测试7.1.1测试仪器:尘埃粒子计数器。
7.1.2采样点的设置和采样次数规定:7.1.2.1采样点一般在离地面0.8m~1.5m高度的水平面上均匀布置。
7.1.2.2采样点多于5点时,也可以在离地面0.8m~1.5m高度的区域内分层布置,但每层不少于5点。
7.1.2.3采样次数的限定:对于任何洁净室(区)或局部空气净化区域,采样点的数目不得少于2个,总采样次数不得少于5次,每个采样点的采样次数可以多于1次,且不同采样点的采样次数可以不同。
应同时满足:每个点采样时间不少于1分钟,每个采样点的采样量至少为2升。
7.1.2.4不同洁净度级别每次最小的采样量见表1。
洁净区(室)悬浮粒⼦监测操作规程1⽬的:建⽴洁净区(室)悬浮粒⼦监测操作规程,保证洁净区(室)空⽓的质量。
2范围:适⽤于公司洁净区悬浮粒⼦的监测。
3职责3.1 质量管理部、⽣产技术部、⼯程设备部负责悬浮粒⼦超标调查;3.2 QC 负责进⾏监测、检测;3.3 QA负责监督本规程的执⾏,确保药品⽣产及检测环境符合要求。
4内容4.1 术语及定义4.1.1警戒限:系统的关键参数超出正常范围,但未达到纠偏限度,需要引起警觉,可能需要采取纠正措施的限度标准,本规程⽤来指⽰环境中的悬浮粒⼦数是否有偏离正常⽔平的可能性。
4.1.2 纠偏限:系统的关键参数超出可接受标准,需要进⾏调查并采取纠正措施的限度标准。
本规程⽤来表⽰环境中的悬浮粒⼦数污染⽔平已严重偏离正常⽔平,并且对产品质量造成污染的风险,需要⽴即采取纠正措施。
4.1.3 合格限:法规规定的限度。
4.1.4 空态:洁净室(区)在净化空⽓调节系统已安装完毕且功能完备的情况下,但没⽤⽣产设备、原材料或⼈员状态。
4.1.5 静态4.1.5.1 静态a:洁净室(区)在净化空⽓调节系统已安装完毕且功能完备的情况下,⽣产⼯艺设备已安装、洁净室(区)内没有⽣产⼈员的状态。
4.1.5.2静态b:洁净室(区)在⽣产操作全部结束,⽣产⼈员撤离现场并经过20min⾃净后。
4.1.6 动态:洁净室(区)在已处于正常⽣产状态,设备在指定的⽅式下运⾏,并且有指定的⼈员安装规程操作。
4.2 监测标准4.3 监测频率4.4 测试时间在空态和静态a测定时,对单向流洁净室(区)⽽⾔,测试宜在净化空调系统正常时间不少于10min后开始。
对⾮单向流洁净室(区),测试宜在净化空调系统正常运⾏时间不少于30min 后开始。
在静态b测试是,对单向流洁净室(区),测试宜在⽣产操作⼈员册⽴现场并经过10min ⾃净后开始;对⾮对象流洁净室(区),测试宜在⽣产操作⼈员册⽴现场并经过20min⾃净后开始。
4.5测试状态4.5.1 空态,静态和动态三种状态均和进⾏测试。
上海标准文件标题:洁净室(区)悬浮粒子测试操作规程分发部门:总经理室,质量技术部,生产制造部及各车间,行政部(存档)洁净室(区)悬浮粒子测试操作规程1 目的建立洁净区悬浮粒子检测标准操作程序,确保我公司的洁净车间生产环境负相应的洁净室标准。
2 范围公司洁净区的悬浮粒子检测。
3 责任质量部对本SOP的实施负责。
4 程序4.1 洁净区悬浮粒子检测采用计数浓度法,即通过测定洁净环境内单位体积空气中含大于或等于某粒径的悬浮粒子数,来评定洁净室(或洁净区)的悬浮粒子洁净度等级。
在所有卫生区并在无人状况(静态)下进行计数测定。
在空气进口处,应在无人工作的情况下进行粒子计数。
在平面图上标明取样点以便常规取样。
4.2 仪器:悬浮粒子计数器:此计数器可测量直径为0.5 m浓度为106个/m3的尘埃粒子,进样速率为1m3/分。
4.3 监测原理:空气中的悬浮粒子在光的照射下产生光散射现象,散射光的强度与粒子的表面积成正比。
4.4 悬浮粒子计数器使用要点:4.4.1 使用仪器时应严格按照仪器说明书操作。
4.4.2 仪器开机,预热至稳定后,方可按说明书的规定对仪器进行校正。
4.4.3 采样管口置采样点采样时,在确认计数稳定后方可开始连续读数。
4.4.4 采样管必须干净,严禁渗漏。
4.4.5 采样管的长度,不得大于1.5m。
4.4.6 计数器采样口和仪器工作位置应处在同一气压和温度下,以免产生测量误差。
4.4.7 必须按照仪器的检定周期,定期对仪器作检定。
以保证测试数据的可靠性。
4.5 测试规则4.5.1 取样点和取样频率:取样点和频率取决于验证结果。
4.5.2 测试条件4.5.2.1 洁净室(或洁净区)的温度和相对湿度应与其生产及工艺要求相适应(温度控制在18~26℃,相对湿度控制在45%~65%之间为宜)。
4.5.2.2 压差:空气洁净度级别不同的洁净室(或洁净区)之间的压差应大于5Pa,空气洁净度级别要求高的洁净室(或洁净区)对相邻的空气洁净度级别低的洁净室(或洁净区)一般呈相对正压。
洁净区(室)悬浮粒子监测操作规程1.静态:静态a:洁净区(室)在净化空气调节系统已安装完毕且功能完备的情况下,生产工艺设备已安装、洁净区(室)内没有生产人员的状态。
静态b:洁净区(室)生产操作全部完成后,生产操作人员撤离现场并经15~20分钟自净后。
2.动态:洁净室区(室)已处于正常生产状态,设备在指定方式下进行,并且有指定人员按照规范操作。
3置信上限(95%UCL):从正态分布抽样得到的实际均值按给定的置信度(95%)计算得到的估计上限将大于此实际均值,则称计算得到的这一均值估计上限为置信上限。
4.人员要求:4.1洁净区(室)的测试人员应进行本专业的培训并获得相应资格后才能履行对洁净区(室)测式的职责,其中包括涉及的卫生知识和基本微生物知识。
4.2洁净区(室)的测试人员应选择与生产操作的空气洁净度级别要求相适应的穿戴方式,外面的衣服不能带进D级以上的区域。
5仪器激光尘埃粒子计数器5.1应使用检定合格,且在使用有效期内的仪器;5.2激光尘埃粒子计数器(采样流量应符合检测要求,粒子计数器的管路长度应短于米)。
5.3测试要求5.3.1测试条件5.3.1.1温度和相对湿度的测试:洁净区(室)的温度和相对湿度应与其生产及工艺要求相适应(无特殊要求时,温度在18℃-26℃.相对湿度在45%-65%为宜)。
5.3.1.2压差的测定:洁净区与非洁净区之间.不同级别洁净区之间应当不低于10Pa。
相同洁净区之间不同功能的房间要保持一定的梯度,一般不低于5Pa。
5.3.2测试状态5.3.2.1测试状态分为静态和动态两种。
5.3.2.2静态测试时室内测试人员不得多于2人。
5.3.2.3应在记录报告中注明测试环境状态和室内测试人员数。
5.3.3测试时间5.3.3.1在静态a测试时,对单向流洁净区(室)而言,测试宜在净化空调系统正常运行时间不少于10分钟后开始,对非单向流洁净区(室),测试宜在净化空调系统正常运行时间不少于30分钟后开始;在静态b测试时,对单向流洁净区(室)而言,测试宜在生产操作人员撤离现场不少于10分钟后开始,对非单向流洁净区(室),测试宜在净化空调系统正常运行时间不少于15~20分钟后开始。
悬浮粒子动态监测系统操作说明一、启动系统1、打开控制柜电源开关(电源开关在控制柜内,柜门需要用螺丝刀打开)2、打开采样头的盖子(盖子需要放在合适的位置,不能影响生产,同时防止丢失)3、打开真空分离器上的阀门(此阀门类似于水龙头,只需要旋转90度即可),开启真空泵,如图:4、打开电脑主机及虚拟机(vmvare player,当前已经设定为主机启动后虚拟机自动启动模式)5、在虚拟机中打开LMS Express(此程序在启动虚拟机时会自动运行)和LMS Pharma configuration viewstation6、用已经分配的用户登录到configuration viewstation,找到locations下的main(详细路径如下:locations-lijiexun-DG02-display-main)主页,点击Grid(栅格)、Trends(趋势)、Map(地图)、List(清单)、Reports(报告)即可查看粒子计数器的相关数据及报告,登录及查看数据过程如下图:①File-log on②输入用户名和密码③找到main 页面,双击它④查看栅格(Grid)中的数据(注意:不要点击此页面右上方的的退出按钮,否则需要重新登录)查看历史数据如下图:在清单中选择一条记录,点击鼠标左键,就可以在弹出的菜单中看到Display Historic List,点击它就可看到历史数据了;另外在栅格中同样可以选择一个显示面板左键点击就会弹出菜单,菜单中会有Display Historic List 选项。
制作报告的过程如下:①选择报告的开始时间和结束时间点击上图中的时间面板就会弹出下面的窗体,手动修改时间,然后点击OK。
②点击报告列表中第一条记录Conformance Report ,在弹出的菜单中选择Generate New Report 然后等待,直到报告生成(大约需要等待1-2分钟),等待过程不要动鼠标,否则系统无法产生报告。
1 目的建立粒子监测系统的标准操作规程,规范该系统的使用,确保系统数据完整性。
2 范围仅适用于本公司的PMS在线粒子监测系统,包括头孢粉针车间和小容量注射剂车间的所有在线监测点。
3 责任3.1 质量保证部负责该系统的管理,包括使用、维护、记录等。
3.2 验证部负责定期对该系统校准。
3.3 各级别用户的管理者和使用者负责该系统的具体操作和记录,确保用户的安全和数据的完整。
4 定义无5 程序5.1 用户名设置5.1.1 用户名分类5.1.1.1 一级用户:ADMIN5.1.1.2 二级用户:SUPERUSER5.1.1.3 三级用户:USER5.1.2 用户使用权限5.1.2.1 一级用户(ADMIN):由质保部主管负责管理,拥有该操作系统所有权限。
5.1.2.2 二级用户(SUPERUSER):由现场分装QA、现场外包QA负责管理,拥有与一级用户相同权限,但没有建立新用户的权限。
5.1.2.3 三级用户(USER):属于公众用户,用于观察人员,拥有以下权限。
5.1.3 用户登录及权限设定5.1.3.1 于Pharmaceutical Net界面中点击“安全设置”,在其项目下点击“登录”,管理者在弹出窗口中输入用户名和密码,即可完成登录。
5.1.3.2 于Pharmaceutical Net界面中点击“安全设置”,在其项目下点击“配置系统”,弹出“安全配置”窗口(如图1所示)。
5.1.3.3 于弹出窗口“用户Id”处选中“SUPERUSER”,按键盘的“Backspace(退格键)”,输入新建的用户名,于单个功能列表中选择使用权限,按住“Ctrl(控制)键”同时点击相对应空白方框处勾选,点击“确定”完成权限选择。
5.1.3.4 点击“设置密码”,按要求输入新密码及确认新密码,点击“确定”完成新建用户名。
5.1.3.5 用户应对“在线粒子监测系统”的登陆、使用做相应记录。
图15.1.4 系统使用规范5.1.4.1 采用上述的一、二、三级用户登录该系统所进行的所有操作均应记录在《PMS在线粒子监控系统使用记录》中。
悬浮粒子监测标准操作规程你的签名表明你已清楚了解本文件及附件内容,充分理解并认可本文件的所有条款。
任何对本文件及其附件的目的、内容或标准进行的改变或修正都必须起到改善的作用,并详细记录文件的修订及变更历史(详见变更记录),并且在执行以前必须取得批准,下表仅记录修订/变更主要内容。
一、目的本规程对生产洁净室、取样车、微生物实验室、洁净工作台等悬浮粒子监测的采样点、检测方法、判定标准等作出规定,规范检测方法和判定标准,以便对超出标准规定的区域及时采取措施,使其符合《药品生产质量管理规范》(2010年修订)洁净室空气洁净度级别的要求,保证产品质量。
二、适用范围适用于公司一车间、原料药车间、微生物实验室、取样室等有洁净级别要求的区域的悬浮粒子的监测。
三、术语或定义3.1 洁净室clean room(area)对尘粒及微生物污染规定需进行环境控制的房间或区域。
其建筑结构、装备及其使用均具有减少对该区域内污染的介入、产生和滞留的功能。
3.2 局部空气净化localized air purification仅使室内工作区域特定的局部空间的空气含悬浮粒子浓度达到规定的空气洁净度级别,这种方式称局部空气净化。
3.3 粒子particle一般尺寸为0.001~1000μm的固体和液体物质。
3.4 洁净度cleanliness洁净环境内单位体积空气中含大于或等于某一粒径的悬浮粒子的允许统计数。
3.5 单向流unidirectional air flow(普称为层流laminar flow)沿着平行流线,以一定流速、单一通路、单一方向流动的气流。
3.6 非单向流nonunidirectional air flow(曾称为乱流turbulent flow)具有多个通路循环特性或气流方向不平行的,不满足单向流定义的气流。
3.7 静态a:洁净室净化空气调节系统已安装完毕且功能完备的情况下,生产工艺设备已安装,洁净室内没有生产人员的状态。
操作规程文件编号:SOP-010 版号:A/0编制:审核:2020.3.1洁净室(区)悬浮粒子监测标准操作规程批准:生效日期:1目的:建立悬浮粒子监测的标准操作规程,规范悬浮粒子的监测程序。
2范围:本规程适用于我公司生产车间洁净区,实验室洁净区或局部空气净化区域(包括洁净工作台)的空气悬浮粒子测试和环境的验证。
3职责:3.1质量管理部负责本规程的起草、修订、审核、培训、执行和监督。
3.2质量管理部QA负责对生产车间洁净区的悬浮粒子,QC负责实验室洁净区和洁净工作台的悬浮粒子测试,被测部门配合测试的工作。
4 编制依据:医药工业洁净室(区)悬浮粒子的测试方法 GB/T 16292-2010无菌医疗器具生产管理规范 YY 0033-20005.内容:5.1 定义:5.1.1 洁净室(区):对尘粒及微生物污染规定需进行环境控制的房间区域。
其建筑结构,装备及其使用均具有减少对该区域内污染源的介入、产生和滞留的功能。
其他相关参数诸如:温度、湿度、压力也有必要控制。
5.1.2 悬浮粒子:用于空气洁净度分级的空气悬浮粒子尺寸范围在0.1μm~5.0μm的固体和液体粒子。
5.1.3 局部空气净化:仅使室内工作区域或特定的局部空间的空气中含悬浮粒子浓度达到规定的空气洁净度级别的方式。
5.1.4 静态:静态a:洁净室(区)在净化空气调节系统已安装完毕且功能完备的情况下,生产工艺设备已安装、洁净室(区)内没有生产人员的状态。
静态b:洁净室(区)在生产操作全部结束,生产操作人员撤离现场并经过20min自净后。
5.1.5 动态:洁净室(区)已处于正常生产状态,设备在指定的方式下进行,并且有指定的人员按照规范操作。
5.1.6 洁净工作台:一种工作台或者与之类似的一个封闭围挡工作区。
其特点是自身能够供给经过过滤的空气或气体,按气流形式分为垂直单向流工作台、水平单向流工作台等。
5.1.7 单向流:沿单一方向呈平行流线并且与气流方向垂直的断面上风速均匀的气流。
悬浮粒子动态监测系统操作说明
一、启动系统
1、打开控制柜电源开关(电源开关在控制柜内,柜门需要用螺丝刀打开)
2、打开采样头的盖子(盖子需要放在合适的位置,不能影响生产,同时防止丢失)
3、打开真空分离器上的阀门(此阀门类似于水龙头,只需要旋转90度即可),开启真空泵,如图:
4、打开电脑主机及虚拟机(vmvare player,当前已经设定为主机启动后虚拟机自动启动模式)
5、在虚拟机中打开LMS Express(此程序在启动虚拟机时会自动运行)和LMS Pharma configuration viewstation
6、用已经分配的用户登录到configuration viewstation,找到locations下的main(详细路径如下:
locations-lijiexun-DG02-display-main)主页,点击Grid(栅格)、Trends(趋势)、Map(地图)、List(清单)、Reports(报告)即可查看粒子计数器的相关数据及报告,登录及查看数据过程如下图:
①File-log on
②输入用户名和密码
③找到main 页面,双击它
④查看栅格(Grid)中的数据(注意:不要点击此页面右上方的的退出按钮,否则需要重新登录)
查看历史数据如下图:在清单中选择一条记录,点击鼠标左键,就可以在弹出的菜单中看到Display Historic List,点击它就可看到历史数据了;另外在栅格中同样可以选择一个显示面板左键点击就会弹出菜单,菜单中会有
Display Historic List 选项。
制作报告的过程如下:
①选择报告的开始时间和结束时间
点击上图中的时间面板就会弹出下面的窗体,手动修改时间,然后点击OK。
②点击报告列表中第一条记录Conformance Report ,在弹出的菜单中选择Generate New Report 然
后等待,直到报告生成(大约需要等待1-2分钟),等待过程不要动鼠标,否则系统无法产生报告。
③下图是报告的图片
点击左上角的导出报告(export report)按钮,弹出如下窗体:
然后点击Ok,就会弹出如下窗体:
在以上窗体中选择红线所示,即from,然后输入起始页,点击OK,就会出现如下页面:
修改file name,然后点击Save(保存),此文件保存到了虚拟机的桌面(desktop)。
然后将文件保存到主机,过程如下,在开始菜单(start)中选择运行(run)
然后会看到如下界面:
点击OK,会看到如下界面:
打开sharedocu文件夹,将产生的报告文件拷贝到这个文件夹中即可。
然后就可以在主机中打印、保存、备份该报告文件。
二、关闭系统
1、关闭真空泵(真空隔离器上的阀门可以选择关闭或者保持开启状态都可以)
2、盖上采样头上的盖子
3、关闭控制柜电源开关
4、在虚拟机中关闭LMS Pharma configuration viewstation和LMS Express
5、关闭虚拟机(注意:关闭虚拟机时需要像关闭普通电脑一样,通过开始菜单关闭,不可直接点击窗体中
的关闭按钮,因为这等同于直接关闭电源,会对虚拟机造成损害;另外,虚拟机中的系统是英文版,开始菜单为start,关闭菜单为shutdown)
6、关闭电脑主机
三、系统运行维护及保养
1、软件数据的备份
在虚拟机中拷贝C:\Documents and Settings\All Users\Application Data\LighthouseWorldwideSolutions下的整个LMS Professional文件夹到电脑其他磁盘或者移动硬盘等其他数据存储设备。
2、对洁净室进行清洁或者消毒时,需要盖上采样头的盖子(盖上盖子之前,最好先关闭真空泵等待一会再
盖上盖子,避免盖子吸附在采样头上)。
一定要防止水和较大粒子进入采样管,以免造成堵塞。
3、在电脑主机的后面USB口,插有一个类似于U盘的加密狗,不可拔出,否则系统无法运行LMS Express,
系统也就无法采集数据。
4、在LMS Express中可以查看各个采样头的抽气情况,抽气不正常时对应的采样头会显示出感叹号,如下图
打开上图的过程如下:
点击data collection 出现下图
点击 Real-Time Data Collection 即可出现开始的画面。
5、系统中对于报警、预警值的变更,在configuration viewstation 中找到如下页面:
上图具体路径为:locations--lijiexun--DG02--data--RPC-02—CH1--………
此图中显示的是对RPC-02粒子计数器的CH1(即0.5微米通道)以立方米为单位的值进行设置。
立方英尺为单位
的值就在立方米的上方data中进行设置。
双击data,弹出如下窗体,在窗体中设置High High(报警)值和High(预警)值,然后关闭该窗体时,系统提示是否保存,选择yes即可。
11。