胶粘剂配方工艺整理1-推荐下载
- 格式:pdf
- 大小:229.04 KB
- 文档页数:7
有机硅黏胶制备工艺1 02102105.8 用于铝塑管和管件密封的有机硅密封胶2 02137912.2 有机硅建筑防水剂的硅树脂胶化物制备方法3 01812834.3 含有多官能聚有机硅氧烷作为偶联剂的轮胎橡胶组合物4 01813056.9 携带至少一个活化烯属双键的有机硅化合物作为包括白色填料的橡胶混合物中的偶联剂的用途5 02134207.5 有机硅改性丙烯酸酯耐高温、绝缘压敏胶及胶粘带的制备6 03115407.7 高强度缩合型有机硅模具胶组合物7 01814891.3 用于有机硅酸盐玻璃的低K蚀刻应用中的蚀刻后由氢进行的光刻胶剥离8 96106950.3 含有有机硅烷衍生物的以二烯类聚合物为基的橡胶组合物9 97100458.7 以具有硅烷醇官能团的二烯聚合物为基础和含有有机硅衍生物的橡胶组合物10 85102878 光导纤维用高折光率有机硅涂层胶的制法11 86104757 氯化聚丙烯—有机硅胶粘剂的合成12 90100436.7 有机硅橡胶乳液的制备方法13 92112510.0 硅橡胶常压裂解制造有机硅环体14 93112608.8 有机硅胶粘剂用表面增粘处理剂15 94112678.1 有机硅酮结构密封胶16 97114721.3 有机硅烷多硫烷混炼胶和用于制备含有这些混炼胶的橡胶胶料的方法17 98105411.0 室温可硫化有机硅密封胶组合物拉丝性的测量方法18 97108934.5 硅橡胶边角废料裂解生产有机硅环体的方法19 97106714.7 有机硅改性丙烯酸乳胶涂料20 97106713.9 有机硅改性丙烯酸乳胶涂料的制备方法21 99126232.8 含有有机硅多硫烷的橡胶混合物22 98807657.8 以聚有机硅氧烷为偶联剂及白色填料增强的二烯橡胶组合物23 98808464.3 含硫醇官能团的聚有机硅氧烷的制备方法与获得的聚有机硅氧烷及其在橡胶领域的用途24 99108031.9 新型低聚有机硅烷聚硫烷及其在橡胶和模塑制品中的应用25 99110986.4 新型低聚有机硅化合物,它们在橡胶混合物中的用途和生产成形制品的用途26 98802754.2 疏水有机硅酸盐改性硅胶27 98802664.3 中性条件下制备疏水有机硅酸酯改性硅胶的方法28 98802663.5 中性条件陈化的疏水有机硅酸酯改性硅胶29 99119980.4 一种有机硅改性核壳结构丙烯酸酯胶乳及其制备方法30 200710113277.5 外墙专用有机硅橡胶防水涂料及其制备方法31 200710029834.5 自催化交联型有机硅密封胶及其制备方法32 200710134493.8 一种综合利用有机硅水解料环线分离制备107胶的方法33 200710172184.X 纳米MQ硅树脂增强的湿固化有机硅压敏胶及其制备方法34 200710172185.4 乳液型的有机硅压敏胶及其制备方法35 200680020977.3 有机硅偶联剂在含无机填料的橡胶组合物中的用途36 200610130048.X 一种有远红外功能的有机硅橡胶37 200710113279.4 卫生间专用有机硅橡胶防水涂料及其制备方法38 200680027261.6 用于轮胎的包含有机硅偶合剂和无机填料遮盖剂的橡胶组合物39 200680027109.8 用于轮胎的包含有机硅偶合体系的橡胶组合物40 200710172634.5 用于制造发光二极管封装用胶水的有机硅组合物41 200680027292.1 用于轮胎的包含有机硅偶合剂的橡胶组合物42 97204511.2 有机硅室温胶搅拌釜底轴承组合装置43 200410018069.3 一种含可溶性聚铁有机硅氧烷的硅橡胶耐热添加剂44 03133623.X 一种环氧改性有机硅树脂胶粘剂45 200410054006.3 一种表面可涂的聚氨酯改性有机硅密封胶及其制备方法46 200410035763.6 水泥公路用有机硅改性聚氨酯填缝胶47 02808158.7 用于有机硅酸盐玻璃低K介质腐蚀应用的用于O2和NH3的蚀......48 200510049202.6 一种表面可修饰性的有机硅密封胶及其制备方法49 200510037925.4 有机硅高温胶原料甲基混合环体脱除微量水的方法及装置50 200510033282.6 双组分室温交联水性有机硅橡胶防水涂料及其制备方法51 200510037849.7 双组份有机硅涂层胶的制备方法52 01819662.4 包含多官能有机硅烷作为偶联剂的橡胶组合物53 01817238.5 采用有机硅烷四硫化物二氧化硅偶合剂在高混合温度下混炼的二氧化硅增强橡胶54 200410042037.7 有机硅烷母炼胶55 200480019285.8 可交联得到粘合剂凝胶的有机硅组合物56 200510034386.9 球形有机硅橡胶制品及其制造方法57 200410048973.9 自润有机硅橡胶材料、其制备方法及用途58 200410053140.1 有机硅组成物以及用该组成物制造的药物控释胶管59 200510060865.8 有机硅改性丙烯酸酯类压敏胶粘剂的制备方法60 200480029164.1 用于有机硅化物玻璃的一氧化二氮去除光刻胶的方法61 200610096036.X 水性聚氨酯与有机硅、丙烯酸共聚防水透气透湿抗菌涂层胶的制备方法62 200610096037.4 水性聚氨酯与有机硅、有机氟共聚防水透气透湿抗菌涂层胶的制备方法63 200610146428.2 可辐射固化的有机硅橡胶组合物64 200510122280.4 用耐高温有机硅橡胶制作小磨头的方法65 200580025937.3 有机硅树脂和硅橡胶的整体模塑体、制造方法和可固化的有机硅树脂组合物66 200610161576.1 一种用于水性复膜胶的非有机硅消泡剂67 200710022980.5 一种高导热有机硅灌封胶68 200710017848.5 有机硅树脂与丙烯酸酯类聚合物的复合胶乳及其制备方法69 200710102411.1 改进有机硅凝胶的耐助焊剂能力的方法及其形成方法70 200710028760.3 一种纳米有机蒙脱土改性端硅烷基有机硅改性聚氨酯型密封胶及其制备方法71 200580046054.0 复合有机硅橡胶粉末、其制备方法及其用途72 200710029833.0 自催化交联型有机硅-环氧复合密封胶及其制备方法73 200710044303.3 新型脱醇型有机硅灌封胶74 200810097559.5 单组分加成型有机硅电子灌封胶75 200810097562.7 有机硅耐高温压敏胶76 200710040452.2 用于乳胶导管表面改性的水性有机硅乳液及其制备方法77 200710041278.3 浅色耐高温有机硅胶粘剂/密封剂78 200680043832.5 有机硅化合物及使用其的橡胶组合物79 200710113278.X 金属屋面专用有机硅橡胶防水涂料及其制备方法80 200810031851.7 一种少胶云母带有机硅胶粘剂及其制备方法81 200810137259.5 室温固化耐高温有机硅胶粘剂82 200710192945.8 有机硅纳米胶囊83 200810200326.3 膨胀阻燃有机硅密封胶及其制造方法84 200780004483.0 可无底胶粘合的经热固化的有机硅涂层85 200810201580.5 LED用室温硫化有机硅灌封胶86 200780007575.4 有机硅弹性体凝胶87 200810203319.9 一种有机硅导电胶88 200710169622.7 有机硅胶在转印中的应用89 200710135075.0 一种有机硅胶粘合剂生产方法90 200810203983.3 纳米氧化锌改性的有机硅封装胶的制备方法91 200810148037.3 清除耐高温有机硅密封剂的脱胶剂组合物92 200780022568.1 有机硅橡胶组合物93 200910026710.0 一种玻璃纤维增强型有机硅橡胶自粘带及生产方法和挤出装置94 200810095404.8 有机硅胶在转印中的应用95 200910038382.6 一次成型有机硅自粘性压敏胶的制备方法96 200810028078.9 低硬度高柔韧性的双组分缩合型有机硅灌封胶组合物97 200910039890.6 一种有机硅分离胶及其制备方法和应用98 200780050579.0 粘合性有机硅组合物及使用这种组合物的胶粘方法99 200810099657.2 有机硅胶在转印中的应用100 200910148735.8 一种单组分有机硅标志商标胶101 200910099506.1 一种含有机硅电子墨水微胶囊的制备方法102 200780051892.6 含有有机硅弹性体凝胶的个人护理组合物103 200910102398.9 含有机硅电泳显示微胶囊的制备方法104 201010226847.3 有机硅灌封胶补强用乙烯基硅树脂及其制备方法105 200910234870.4 单组份室温硫化有机硅密封胶及制备方法106 200910311141.4 有机硅改性磷酸盐胶粘剂及其制备方法107 201010191041.5 一种便于真空脱泡的LE D封装用有机硅橡胶的制备方法108 200910196557.6 氧化锌量子点改性的导热有机硅胶的制备方法109 200880012264.1 包含添加了除臭有效成分的有机硅凝胶的制品110 200910272809.9 一种有机硅丙烯酸酯自组织梯度乳胶膜的制备方法111 200910194047.5 大功率LED的有机硅凝胶封装料及其制备方法112 200810201877.1 高强度缩合型双组份有机硅耐酸密封胶及其制备方法113 200910220458.7 一种采用耐高温有机硅涂料浸涂金属橡胶制件的方法114 200910214244.9 一种无卤阻燃导热有机硅电子灌封胶及其制备方法115 200910154771.5 溶胶-凝胶改性的有机蒙脱土和改性用有机硅溶胶凝胶116 200910213855.1 一种大功率L ED的有机硅橡胶封装料117 200910213856.6 大功率LED的紫外线固化单组分有机硅封装胶118 201010104123.1 一种有机硅胶包装瓶的密封防护装置119 200810204802.9 一种耐湿热、贮存稳定的脱醇型有机硅密封胶120 201010108349.9 加成型室温快速硫化的有机硅橡胶的制备方法121 200910239000.6 一种高透明高强度室温硫化有机硅电子灌封胶及其制备方法和应用122 201010178214.X 紫外固化有机硅-丙烯酸树脂电子胶及其应用123 201010153204.0 一种自润型有机硅橡胶材料及其制备方法124 201010129825.5 中空玻璃用双组份有机硅密封胶及其制备方法和应用125 201010162359.0 有机硅改性的聚氨酯密封胶及其加工工艺126 200880116944.8 含氮化硼的有机硅凝胶组合物127 200980102916.5 涂布有机硅水凝胶的方法128 200520069391.9 一种有机硅高温胶原料甲基混合环体脱除微量水的装置129 200820049186.X 一种印刷有机硅胶的防滑布料130 200820115067.X 有机硅耐高温压敏胶带131 200920039224.8 一种玻璃纤维增强型有机硅橡胶自粘带132 201020166996.0 一种含有机硅橡胶成份的保护环133 201020196578.6 一种包含有机硅橡胶的复合结构材料134 201020196601.1 一种有机硅橡胶密封条135 200920046753.0 单组分加成型有机硅电子灌封胶体136 201020105975.8 一种具有密封防护作用的有机硅胶包装瓶137 201020022869.3 控制有机硅高温胶生胶挥发分的脱低分子系统138 200920211353.0 有机硅密封胶除旧涂新用简易装置。
粘纸箱用的胶水是什么配方组成的?悬赏分:0|解决时间:2010-1-5 22:55 |提问者:veryboy1981纸板成型后,要把两边粘在一起才能成型,以前是用打钉的,现在客人要用胶水粘的,不知道胶水的配方是什么。
最佳答案一)一元胶粘剂配方1(皮鞋用室温硫化胶粘剂) 氯丁橡胶(LDJ-240) 80 防老剂D 2 氯丁橡胶(LDJ-121) 20 RX-80树脂10 氧化锌5 甲苯~250 氧化镁4 醋酸乙酯~100 固形物约21%胶浆浓度视季节应作适当调节,冬天为胶料:溶剂=1;3.5,夏天为1:4。
若使用以下二组混合溶剂,毒性较低:(1)醋酸乙酯:环己烷:120号汽油:50:20:30(质量)。
(2)醋酸乙酯:丙酮:120号汽油=35:20:45(质量)。
使用前添加固化剂JQ—110%(质量)或7900固化剂2%,但海绵凉、拖鞋由于本身强度较低,所要求的粘合强度也相应低些,所以固化剂用量要少些,一般2%-5%、有时可低至1%。
配方2(皮鞋用室温硫化胶粘剂) 氯丁橡胶(A-90) 100 防老剂D 1 氧化锌 5 210酚醛树脂15 氧化镁 4 甲苯252 固形物含量24.85%醋酸乙酯126JQ-1添加10%,底材为硫化橡胶,不同的鞋帮的粘合强度如下:猪皮4.47kN /m,国产牛皮2.12kN/m,进口中皮3.48kN/m,合成革1.22kN/m。
配方3(皮鞋用室温硫化胶粘剂) 氯丁橡胶(A-90) 40 防老剂D 2 氯丁橡胶(LDJ-240) 40 甲苯333 氯丁橡胶(LDJ-241) 20醋酸乙酯111 氧化锌5 氧化镁 4 固形物含量20%添加10%JQ—1,不同材料的粘合强度如下:普通硫化胶底与不同的鞋帮——猪皮4.97kN/m,国产牛皮2.98kN/m,进口牛皮3.3kN/m,合成革1.23kN /m。
耐油胶底与不同的鞋帮——猪皮4.43kN/m,进口牛皮2.56kN/m,合成革1.38kN/m。
压敏型胶粘剂通用配方[ 配方1] 天然橡胶100 古马隆树脂30- 150 氧化锌30- 150 防老剂D 1. 5 汽油- 甲苯混合溶剂适量此配方即为通常被大量使用的医用氧化锌橡皮膏带所用压敏胶。
基材为棉布带。
[ 配方2]天然橡胶100 丁苯橡胶64 萜烯树脂150 防老剂D 3 松香脂适量甘油适量汽油- 甲苯混合溶剂适量此配方主要用于制备电工、包装印刷线路用塑料压敏胶带。
成本低廉,适用范围广泛。
[ 配方3]甲组份丙烯酸丁酯190 甲基丙烯酸缩水甘油酯6 丙烯酸4 十二烷基硫醇2. 4 过氧化苯甲酰2 乙组份氯化锌(10% 乙醇溶液)10 三甲氧基丙烷与三苯基三异氰酸酯(37. 5%醋酸乙酯溶液)6 此配方为含有多官能团化合物的丙烯酸酯压敏胶。
甲:乙= 1:1。
涂胶量40g/ m2 。
基材为聚酯薄膜。
涂胶后在100°C 保持10min ,即可制成压敏胶带。
胶接强度在50° C 为4N/ cm 。
具有良好的自粘性。
[ 配方4]丙烯酸丁酯100 丙烯腈8 N- 正丁氧基甲基丙烯酰胺4 十二烷基硫醇0. 2 乙醇5 此配方为含氮的丙烯酸酯压敏胶。
将其送入螺杆挤出机,在60°C 下,以150r/ min 或7m/ min 的挤出速度涂布在基材上,在130° C ,经5min 加热即可制成压敏胶带。
80°C 下胶接强度为4. 4N/ cm 。
[ 配方5] 混合单体丙烯酸- 2- 乙基已酯100 双丙酮丙烯酰胺10 共聚体混合单体80 丙烯酸- 2- 乙基已酯100 醋酸乙烯48 胶粘剂共聚体20 过氧化苯甲酰1 二苯甲酮0. 5 二乙基苯胺0. 5 此配方为可用紫外线固化的压敏胶。
将胶液涂在聚酯薄膜上,在氮气保护下,以450W 高压汞灯,距20cm 处辐照10min ,即可制成压敏胶带。
胶接强度为2N/ cm。
[ 配方6] 醋酸乙烯- 丙烯酸丁酯共聚体25 松香钠盐(70% 水溶液)70 甘油30 异丙醇30 甲醇30 此配方为水溶性压敏胶。
一、无机胶粘剂配方不同种类无机胶粘剂配方[配方1]氧化铜-磷酸胶氧化铜(325目)100磷酸37.7-56.6氢氧化铝2-2.8这种胶粘剂配方为通用型无机胶磷酸和氢氧化铝的添加量应视环境温度而定,添加量越小,强度越高,固化速度越快,但胶液活性期则越短(25°C,添加量37.7 ,活性期仅10min左右),不能满足施工要求。
通常,在冬季一般采用磷酸。
氢氧化-4h;[可达1000-100MPa?[1.配方(重量份)醋酸乙烯酯16010%聚乙烯醇缩甲醛180水30乳化剂OP-102邻苯二甲酸二丁酯20过硫酸钾0.4碳酸氢钠0.62.操作将制备好的聚乙烯醇缩甲醛加到有回流冷凝器、搅拌器的反应釜中,再加入乳化剂OP-10和水,开动搅拌器,使之混合均匀。
然后加入占总量15%的醋酸乙烯酯和占总量40%的引发剂(过硫酸钾)。
加热升温,当温度升到66℃时,出现回流。
用温度控制回流速度,待回流基本消失后,升温至80℃左右,以每小时加入占醋酸乙烯酯总量10%的速度连续滴加醋酸乙烯酯,同时以每小时占引发剂总量4~5%的速度加入过硫酸钾溶液。
控制在8小时左右加完醋酸乙烯酯,全部加完之后,再加入余下的引发剂,升温至90~95℃,保温半小时。
最后,冷却到50℃以下,加入预先配好的10%碳酸氢钠水溶液及邻苯二甲酸二丁酯,搅拌均匀之后,出料。
尿素(97%)40甲醛(37%)86.48氯化铵(20%)适量(调节pH值)氢氧化钠(30%)适量(调节pH值)份37%97%为pH值为,15~czK60~C,用为6.8~pH值合。
三、聚丙烯塑料胶黏剂的配方以MAH为单体对CPP进行接枝改性得到了一种对PP塑料粘接性能好的胶黏剂。
(1)主要原料氯化聚丙烯(CPP);马来酸酐(MAH);BPO;甲苯,丙酮。
(2)接枝物的制备在四口瓶中分别加入设定量的CPP,加入一定量的MAH和适量的溶剂甲苯,溶解后加入一定量的引发剂BPO,当BPO加完后,升温至设定的温度,反应一段时间得到MAH改性的液态CPP胶黏剂。
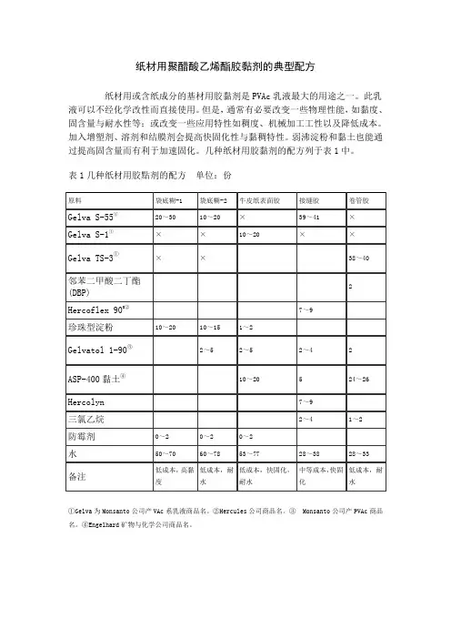
纸材用聚醋酸乙烯酯胶黏剂的典型配方
纸材用或含纸成分的基材用胶黏剂是PVAc乳液最大的用途之一。
此乳液可以不经化学改性而直接使用。
但是,通常有必要改变一些物理性能,如黏度、固含量与耐水性等;或改变一些应用特性如稠度、机械加工工性以及降低成本。
加入增塑剂、溶剂和结膜剂会提高快固化性与黏稠特性。
弱沸淀粉和黏土也能通过提高固含量而有利于加速固化。
几种纸材用胶黏剂的配方列于表1中。
表1几种纸材用胶點剂的配方单位:份
①Gelva为Monsanto公司产VAc系乳液商品名。
②Hercules公司商品名。
③ Monsanto公司产PVAc商品名。
④Engelhard矿物与化学公司商品名。
卷管胶
Gelva TS-3①38~40,
Gelvatol 1-90③2,
ASP-400黏土④24~26,
三氯乙烷1~2,
邻苯二甲酸二丁酯(DBP)2,
水28~33,低成本,耐水
火碱,高锰酸钾,硼,玉米淀粉,水等调成的胶水,稀了加什么,稠了加什么?
稀了:加硼砂,因为硼砂是交联剂,会提高淀粉胶的粘度,
稠了。
加高锰酸钾,因为高锰酸钠是氧化剂,会降低淀粉的粘度。
当然这只是题目,
实际中应用,用淀粉作胶水,是不需要高锰酸钾氧化的,直接用碱糊化淀粉,加一定的硼砂交联一下就可以,。
乳胶胶粘剂的生产配方
乳胶胶粘剂的生产配方
乳胶胶粘剂可用于各种大型建筑物的粘接、钢板和水泥的粘接以及军舰、轮船甲板、跑道、码头的修补粘接等领域,不同的用途需要的配方师不一样的,下面我们就介绍各种乳胶胶粘剂的配方。
1.用于各种大型建筑物粘接用的乳胶胶粘剂配方
原料规格用量(kg)
高铝水泥工业品134
天然乳胶工业品,60%含量100
乳化沥青工业品,50%固含量100
防老剂工业品,50%固含量24
水玻璃工业品 6.8
氢氧化钾工业品,10%溶液适量
水自来水5-8
2.用于钢板和水泥粘接用的乳胶胶粘剂配方
原料规格用量(kg)
天然乳胶工业品,60%固含量199
白水泥工业品134
氨酪素工业品,20%4-10
填料工业品适量
颜料工业品适量
水自来水10-20
3.用于军舰、轮船甲板、跑道和码头修补用的乳胶胶粘剂配方
原料规格用量
波特兰水泥工业品100
聚醋酸乙烯乳液60&固含量10-100
细沙工业品100
氯化钙工业品 1
水工业品100。
环氧树脂胶粘剂的常用配方玻璃钢常用于环氧玻璃钢的环氧树脂,有普通双酚A型如681#、6101#、634#,酚醛型环氧树脂644#,脂环族环氧6207#和HY-201聚丁二烯环氧树脂。
辅助材料中固化剂常用DTA、间苯二胺、顺丁烯二酸酐、邻苯二甲酸酐、内次甲基四氢邻苯二甲酸酐等,促进剂为三乙醇胺。
配方一:6109#环氧树脂 100 苯乙烯 5 三乙醇胺 6 三乙烯四胺 4室温10天,加上130℃6h τ=13MPa δ=298.5MPa δ抗压=300MPa配方二:644#酚醛环氧化 100 NA酸酐 68 二甲基苄胺 1.8 丙酮 100室温——120℃(40min)——200℃(40分) ——降温——卸模处理150℃/2h+260℃/1天配方三:634#环氧树脂 32 3193#聚酯 28 邻苯二甲酸酐 8 BPO 2 苯乙烯 30100。
C/2h + 180。
C/8h 弯曲强度和反弹能力佳。
配方一:618# 100 DTA 8 DBP 20 AL2O3(200目) 100固化条件:压力(MPa)/温度℃/时间(h)0.05/20℃/24h τ=18MPa 适用金属玻璃和陶瓷粘接。
配方二:618# 100 二乙基丙胺 8 DBP 20 AL2O3 1000.05/20℃/48h τ >20MPa 用途同上。
配方三:HYJ-6#618#100 DBP 15 AL2O3 25 2#SiO22-5 四乙烯五胺 120.05/20℃/48h AL/玻钢>20MPa 适用于金属/玻璃钢粘接。
配方四:618# 100 间苯二胺 18 600#稀释剂10 间苯二酚 100.05/20℃/24h τ=17.5MPa τ200℃=5.0MPa 用于耐热接头粘接。
配方五:913#A组:601#环氧 600#稀释剂201#聚酯铝粉和石英粉B组:BF3乙醚四氢呋喃 A3PO4 A:B=10:10.05/15℃/6h τ=19MPa 低温快速固化适用于寒冷地区。
聚氨酯热熔胶黏剂的制备工艺聚己二酸乙二醇酯(相对分子质量2000) 1份MDI 3份l,4一丁二醇2份聚氨酯热熔胶黏剂制备工艺:将聚已。
二酸乙二醇酯和1,4一丁二醇加入釜中,在120℃下真空(1330 Pa)脱水 2 h左右,快速加入已预热100~110~C的MDI中。
在搅拌下升温至160~C左右,维持0.5~1.0 h,待物料变稠,可拉成丝时停止反应,降温出料即得产品。
汽车专用胶黏剂配方汽车专用胶黏剂配方1.玻璃底涂胶配方:硅完偶联剂20丁酮140丙烯酸树脂20催化剂1炭黑202.涂漆钢框底涂漆配方多异氰酸酯(MCM-300)40丙烯酸树脂10炭黑10乙酸乙酯1403.单组分湿固化聚氨酯密封胶:聚氨酯预聚物80催化剂 4炭黑60甲苯6增塑剂30耐水耐热的水基聚氨酯胶黏剂制备工艺烯丙醇一乙烯醇共聚物5份水95份MDI 14份邻苯二甲酸二丁酯2份丁二烯一苯乙烯共聚胶乳(固含量45%) 50份耐水耐热的水基聚氨酯胶黏剂制备工艺:将5份烯丙醇一乙烯醇共聚物在95份水中混合,再与丁二烯一苯乙烯共聚胶乳混合,然后与MDI、邻苯二甲酸二丁酯混合制得耐水、耐热的水基胶。
木材用粘合剂配方实例参茨淀粉320克水500克双氧水(3%)10毫升碳酸氢钠0.65克氢氧化钠(10%),140克木材用粘合剂制备方法:按上剂量将其混合物在16~18℃下,搅拌溶解8小时,即为成品。
木材用粘合剂性能及用途:适用于纸张、纸品、糊壁纸、纸伞、卷烟、缝纫裁剪、工艺美术、书籍装订、制袋制盒、邮票上胶、印刷制板、手杖木工以及制胶合板、铸造成型、纤维加工、上浆剂等。
可单独使用也可和其它树脂并用。
可用手工涂布,也可用机械施工。
但在高速机械上不适宜用高粘度的粘合剂。
应调节粘度,使之有适当的流动性和干燥速度。
淀粉粘合剂pH值对糊剂的稳定性和粘合强度有很大影响,应注意调节至中性强力干粉纸箱粘合剂的工艺流程1:强力干粉纸箱粘合剂生产配方(重量/市斤)淀粉:92~110碳酸氢钠:3~5石膏:12~14高锰酸钾:8~10亚硫酸钠:9~13硼沙:9~13氯化镁:3~5氯化钠:10~15消泡剂:微量水:850~10002:强力干粉纸箱粘合剂工艺流程原料→计量→搅拌均匀→定量包装→干粉成品→加水配制→液体成品使用时用1比 4.2—5的水量分两次兑入干粉中。
各种有机胶粘剂的配方制法:先将硫脲3、8克,四乙烯五胺28、4克在三口瓶中于160℃下反应1小时,得到棕红色油状液体,再按上述配方比例配制。
农机2号胶配方(份):甲组分:E-44环氧树脂100,邻苯二甲酸二丁酯15,生石灰(160目,60℃活化4小时)30。
乙组分:三乙烯四胺50,DMP-303、14,硫脲反应物18、6,甲组分:乙组分=145 :20的比例配好。
应用于金属与玻璃、木材、胶木、层压材料的粘接;适用于120℃下的机件、农机、汽车、轮船等零部件粘接修复以及无线电仪表的粘接。
粘接黄铜,室温抗拉为336kgf/cm2。
室温固化环氧导电胶配方(份):E-44环氧树脂40,银粉60,邻苯二甲酸二丁酯10~20,乙二胺6。
制法:先将环氧树脂在水浴中加热熔化,在熔化的树脂中加入二丁酯和银粉,搅拌均匀后加入乙二胺,再搅拌均匀,即可使用。
应用于不同金属的导电粘接,导电密封等。
耐温结构胶配方(份):二氨二苯醚多官能团环氧树脂100,液体丁腈橡胶8~10,704#固化剂10,铁粉(300~400目)20。
按比例配制。
主要应用于船用铸铁机件的砂眼、空隙、细小裂缝等缺陷的修补,工艺效果好,特别对用焊接或机械类固定方法不能修复的部件更好。
过氯乙烯环氧胶粘剂配方(份):E-51环氧树脂100,过氧乙烯20,环已酮10,多乙烯多胺15,二氯甲烷90。
按比例配制。
适用于聚氯乙烯,聚氯乙烯/金属,聚氯乙烯/混凝土的粘接。
呋喃改性环氧胶粘剂配方(份):E-51环氧树100,呋喃单体50~70,苯乙烯20,多乙烯多胺15~25。
制法:按配料比配制。
适用于粘接聚苯乙烯、泡沫聚苯乙烯、塑料、玻璃钢、水泥制品和木屑板等。
高强度结构胶配方(份):E-20环氧树脂100,乙二酸甘油酯#20~60,铝粉15~20(#乙二酸与甘油克分子比为3,投料,反应温度150℃升至180~190℃,反应后降至150℃,真空脱水)。
制法:将上述三级分称好、混合,加热至90~95℃,搅拌均匀。
万能胶水配方及生产工艺,值得收藏!
万能胶水一般是指建筑装饰和五金维修行业通用的一类溶剂型胶粘剂,因为它的粘接范围广、使用方便而得名,通常用于木材、铝塑板、皮革、人造革、塑料、橡胶、金属等软硬材料的粘接。
万能胶水主要成分:
万能胶水的主要成分为氯丁胶,一般采用苯、甲苯、二甲苯作为溶剂,呈黄色液态粘稠状,具有良好的耐油、耐溶剂和耐化学试剂的性能。
万能胶水配方及原料规格:
1、原料名称
聚乙烯醇、甲醛、盐酸、氢氧化钠、羧甲基纤维素、水;
2、规格
1799、36%、36-37%、工业、工业、自来水;
3、质量分数
80、32、4.8、1.6、5、700。
万能胶水生产设备及流程:
设备:搪瓷或不锈钢反应釜
工艺流程:备料→溶解聚乙烯醇→缩甲醛化反应→ 降温出料。
万能胶水生产工艺:
1、备料
备料以每次配500公斤计,按配方比例用部分水将氢氧化钠配成10%溶液备用。
2、溶解聚乙烯醇
将其余的水加入反应釜中,加热至70℃,加入聚乙烯醇及羧甲基纤维素,升温至90℃左右,保温搅拌1小时至全部溶解。
3、缩甲醛化反应
降温至80℃加入盐酸和甲醛(在30分钟内加完甲醛),保温搅拌1小时,加入10%的氢氧化钠调节PH6-8。
4、降温出料
降温至50℃倒入包装桶即得成品。
若要得到改性聚乙烯醇甲醛胶,只要将上述成品在搅拌下加入适量尿素,至全部溶解后即成。
产品检验结果:
粘度:≥75s(涂-4粘度计,20℃)
游离甲醛量:≤1.1%。
环氧树脂、改性环氧树脂胶黏剂配方HY-913配方组分用量/g 组分用量/gA、600号稀释剂 100 石英粉 40E-20环氧树脂 40 B、三氟化硼乙醚溶液 142621多羟基聚醚 10 四氢呋喃 72铅粉 8 磷酸 294制备及国有化先配制A、B两组分,混合均匀即可。
固化为-15~2℃24h,也可提高国有化温度。
用途本胶用于粘接金属、硬质塑料、玻璃、陶瓷、木材。
HYJ-26环氧胶黏配方组分用量/g 组分用量/gE-51环氧树脂 100 石英粉 100邻苯二甲酸二丁酯 15 双氰胺 8200#聚酰胺 10制备及固化先浆液体部分依次称量,混合均匀。
固化为80℃下1h ,100℃下0.5h,150℃下2h。
用途本胶主要用于金属、玻璃钢、陶瓷粘接和高温密封。
钢铁胶配方组分用量/g 组分用量/gA、6101环氧树脂 100 白炭黑 5J-04胶 10~25 铝粉 10邻苯二甲酯二丁酯 5 B、J-31G 20~35石英粉(300目) 40 KH-550 4制备按配方用量,将6101环氧树脂、邻苯二甲酸二丁酯、J-04胶加热到60℃,混合搅拌10min,再将A组分的固体物料加入,混匀后作为A组分。
将J-31G、KH-550混合作为B组分。
A、B组分混合制得本胶。
25℃下3h或60℃下0.5h用途本胶用于金属、石头、玻璃、陶瓷、水泥等的粘接。
主要和于紧急修复机床、各种管道堵漏等的粘接。
本胶耐酸碱,耐老化达10年之久。
使用温度为-40~150℃。
耐腐蚀绝缘黏结剂配方组分用量/g 组分用量/gA、环氧树脂 1 玻璃丝 0.02~0.03硼泥 2~3 B、固化剂己二胺歼渣适量制备及固化按上述组分配制,常温上固化。
用途本胶用于金属、陶瓷、木材、混凝土、电器件的粘接及作为绝缘材料的原料。
HN-301胶黏剂配方组分用量/g 组分用量/gE-51环氧村脂 100 氧化铝粉 100邻苯二甲酸二丁酯 20 乙二胺 10制备及固化按配方用量依次称量,混俣均匀,最扣加入氧化铝粉,再搅拌均匀。
本文章来源于胶粘剂(熟胶)的配方及制作工艺黏合剂的好坏与淀粉质量和用量关系很大淀粉的细度、蛋白质及脂肪的含量均影响其性能。
如果淀粉中蛋白质及脂肪含量过高,细度低于98目(100目筛过滤),即使制作时氧化程度很高,出料时黏度也只有二十几秒(涂-4杯黏度计测量)。
但存放5-7天左右会自然变稠,失去流动性,呈胶冻状。
使用时泡沫也大,直接影响粘合质量,而使用合格的淀粉,只要氧化及糊化程度适当,制成的黏合剂成品黏度40±10秒,贮存期内黏度不会有太大的变化,只是颜色发深,但黏度基本不变。
淀粉的用量根据粘合的对象具体要求而改变,如:1、单面瓦楞纸板用粘合剂覆面,对粘合剂要求较低,淀粉用量:150-170kg/吨水。
2、高强瓦楞纸两面施胶,对粘合剂要求较高,淀粉用量170-200kg/吨水。
3、普通瓦楞纸及草浆瓦楞纸两面施胶及纸板与纸板复合,对粘合剂要求比较高,淀粉用量180-300kg/吨水。
4、自动贴面机及纸管用胶,对粘合剂有特殊要求,除干燥快以外,还要求粘合好,强度高,淀粉用量:200-350kg/吨水。
下面具体介绍一胶粘剂(熟胶)使用的原料和配方:糊化剂:工业烧碱(NaOH)有结晶状、棒状、片状和喊30%NaOH的水溶液,只要纯度合格,任何状态的烧碱都可以使用,烧碱用量以加入氧化淀粉中搅拌20分钟淀粉液为半透明糊状为止,烧碱量过大,胶液流动性大,透明性好,贮存时间长,但瓦楞楞峰施胶中的含碱量也会随之增大,制成的瓦楞纸箱容易反黄,造成瓦楞纸箱表面油墨变色;烧碱量小,加入20分钟后,一直为白色或乳白色糊状,不透明也不粘,应酌情再加一部分烧碱溶液,使其成为半透明胶液,用碱量小粘合剂糊化不好,粘结力差,易变稠。
烧碱的用量从实际观察,一般约为淀粉的12%较为合适。
氧化剂:淀粉粘合剂中,常用的氧化剂有双氧水、次氯酸钠、高锰酸钾等。
高锰酸钾作氧化剂,用量容易掌握,制成的淀粉粘合剂成品质量也稳定,但制成的淀粉粘合剂颜色为深咖啡色或棕黑色。
食用胶水胶粘剂配方
食用胶水胶粘剂的配方是一种可以用于食品制造过程中的胶粘剂,它具有良好的黏合性、可溶性和食用安全性,可以用于食品包装、糖果制造、蛋糕装饰等各种食品加工过程中。
以下是一种基本的食用胶水胶粘剂的配方。
1. 原料准备:
- 明胶:2克
- 白糖:10克
- 开水:50毫升
- 食用香精:适量
2. 配方步骤:
(1)将明胶放入碗中,倒入适量的开水,搅拌均匀,使明胶
充分溶解。
(2)将白糖加入明胶溶液中,继续搅拌均匀,直到白糖充分
溶解。
(3)加入适量的食用香精,根据需要调整香精的用量和种类,以增添食品的口感和风味。
3. 使用方法:
将配好的食用胶水胶粘剂涂抹在需要粘合的食品上,等待数分
钟,直到胶水完全凝固和干燥,食品即可牢固地粘合在一起。
根据不同的食品和使用需要,可以适量调整配方中的原料比例,或添加其他食材,以满足不同的胶合要求。
需要注意的是,虽然这种食用胶水胶粘剂是安全的,并且可以在食品加工过程中使用,但在使用时还是需要注意以下几点:
(1)不要加入过多的明胶,否则会导致胶水过于黏稠或凝固
起来,难以使用。
(2)根据需要和食品种类,可以适量调整胶水的黏稠度和黏
合性,以确保最佳的效果。
(3)在使用食用胶水胶粘剂时,注意不要将它涂抹在食物的
表面太多,以免影响食品的口感和外观。
总之,食用胶水胶粘剂是一种可以用于食品加工过程中的重要材料,它能够牢固地将食品粘合在一起,提高食品的质量和外观。
但在使用时需要谨慎操作,遵循适当的配方,并注意食品中食用胶水胶粘剂的用量,以确保食品的安全和品质。
最常用的是801胶水801建筑胶水配方原料重量%聚乙烯醇10.26水84.93甲醛 3.74~4.21尿素适量盐酸0.74~10.53氢氧化钠中和用量生产工艺:将水加入反应锅中,升温至70℃,然后徐徐加入聚乙烯醇,并升温至90~95℃,使聚乙烯醇完全溶解。
将聚乙烯醇溶液冷却至80~85℃,滴加盐酸,再搅拌20分钟,加入甲醛进行缩合,大约需要60分钟左右。
降温并调节pH值后,加入尿素进行氨基化处理,经取样检验合格后,把pH调至中性,降温40~50℃,出料。
产品应符合下列标准:外观:微黄或无色透明液体固体份:11~12%游离甲醛含量:≤1%pH值:7~8比重:1.05901胶水基本配方:组分聚乙烯醇水甲醛尿素盐酸用量(重量比) 100 800 35-40 适量7-10二、生产工艺1、将水加及1000立升的反应釜内,加热到70℃,开动搅拌机,然后徐徐加入聚乙烯醇并升温至90-95℃,使聚乙烯醇完全溶解。
2、让聚乙烯醇溶液冷却至80-85℃,在继续搅拌下,以细流方式加入盐酸,搅拌20分钟,再加入甲醛进行缩合反应,时间控制在60分钟左右。
3、降低温度并调节pH值后,用尿素进行氨基化处理,经抽样检验合格后,把pH值调至中性,然后降温至45-50℃出料,即为901建筑胶水。
801,15L一桶的大约75左右901,18L一桶的大约140左右制做903建筑胶材料及方法所用材料基本配方如下:1、707水溶性树脂15Kg;2、松香4~6Kg;3、重质碳酸钙(325目)100Kg;此外,在刮墙时还需要用到涂料固化剂,其基本配方为:硼砂3%、明矾0.5%、水96.5%。
502胶水的配方配方1]乙烯-醋酸乙烯共聚体100 香豆酮-茚树脂25 合成石蜡树脂7滑石粉20 2,6-二叔丁基对甲酚 1此配方为通用型品种,软化温度72-80°C ,脆化温度在-40°C 以下,可在-40-60°C内长期使用。
14 种胶粘剂通用配方[ 配方1]豆胶豆粉100水300石灰乳(石灰:水=1:4)20 氢氧化钠(30%)20硅酸钠(40波美度)40此配方中,豆粉一般都是油脂厂的副产品。
通常所用的原粉为大豆,也有混合部分黑豆,经过选豆、去皮、榨油、粉碎而得。
配制时,先将水放入调胶机中,在搅拌下加入豆粉,再依次加入石灰乳、氢氧化钠、硅酸钠(水玻璃),混合均匀后即可。
豆胶是非耐水性胶,主要用于胶合板的生产。
豆胶制成胶合板的干状抗剪强度可达1-2MPa。
[ 配方2]豆胶豆蛋白(干粉)100水700石灰乳(石灰:水=1:4)60氢氧化钠(30%)20硅酸钠(40波美度)48干酪素(乳酪素)20 此配方中,豆蛋白由粉丝、豆腐等豆制品下脚提制,即将下脚经粉碎、浸出、澄清、沉淀、过滤而得。
加入干酪素主要为了增加液胶的延展性,提高胶接强度。
豆胶可用于热压胶合木材,也可用于冷压有合木材(但压后需加热干燥)。
胶合时对单板含水率有一定要求,一般热压要求含水率不大于10%,冷压不大于15%。
豆胶在涂胶后需陈化15-20min,以提高胶接强度。
[ 配方3]血胶血液(蛋白质含量14%)100 石灰乳(石灰:水=1:4) 3 氢氧化钠(30%)3硅酸钠(40波美度)4氨水(50%)4此配方中,血液为猪血等动物血,经加入阻止凝血酶活动的稳定剂或经脱纤及加入防腐剂而得。
配制时,先将血液加入调胶机中,再依次加入石灰乳、氢氧化钠、硅酸钠和氨水,搅拌均匀即可。
配制时如升高温度可加速成胶,最适宜的温度为28-30 °C。
血胶为耐水性胶,主要用于生产胶合板。
其耐水性及胶接强度在蛋白质类胶粘剂中属最优良的品种。
使用血胶制成的胶合板,在室温水中浸泡24h 后,胶接强度仍能保持1."2-1."5MPa。
其挠曲也优于脲醛树脂制成的胶合板。
[配方4]血胶血粉(蛋白质含量大于75%)100水400氢氧化钠(30%)12."5石灰乳(石灰:水=1:4)5硅酸钠(40波美度)5此配方中,血粉是在经脱纤后的血液中加入防腐剂,再经干燥而得的。
压敏型胶粘剂通用配方[ 配方1] 天然橡胶100 古马隆树脂30- 150 氧化锌30- 150 防老剂D 1. 5 汽油- 甲苯混合溶剂适量此配方即为通常被大量使用的医用氧化锌橡皮膏带所用压敏胶。
基材为棉布带。
[ 配方2]天然橡胶100 丁苯橡胶64 萜烯树脂150 防老剂D 3 松香脂适量甘油适量汽油- 甲苯混合溶剂适量此配方主要用于制备电工、包装印刷线路用塑料压敏胶带。
成本低廉,适用范围广泛。
[ 配方3]甲组份丙烯酸丁酯190 甲基丙烯酸缩水甘油酯6 丙烯酸4 十二烷基硫醇2. 4 过氧化苯甲酰2 乙组份氯化锌(10% 乙醇溶液)10 三甲氧基丙烷与三苯基三异氰酸酯(37. 5%醋酸乙酯溶液)6 此配方为含有多官能团化合物的丙烯酸酯压敏胶。
甲:乙= 1:1。
涂胶量40g/ m2 。
基材为聚酯薄膜。
涂胶后在100°C 保持10min ,即可制成压敏胶带。
胶接强度在50° C 为4N/ cm 。
具有良好的自粘性。
[ 配方4]丙烯酸丁酯100 丙烯腈8 N- 正丁氧基甲基丙烯酰胺4 十二烷基硫醇0. 2 乙醇5 此配方为含氮的丙烯酸酯压敏胶。
将其送入螺杆挤出机,在60°C 下,以150r/ min 或7m/ min 的挤出速度涂布在基材上,在130° C ,经5min 加热即可制成压敏胶带。
80°C 下胶接强度为4. 4N/ cm 。
[ 配方5] 混合单体丙烯酸- 2- 乙基已酯100 双丙酮丙烯酰胺10 共聚体混合单体80 丙烯酸- 2- 乙基已酯100 醋酸乙烯48 胶粘剂共聚体20 过氧化苯甲酰1 二苯甲酮0. 5 二乙基苯胺0. 5 此配方为可用紫外线固化的压敏胶。
将胶液涂在聚酯薄膜上,在氮气保护下,以450W 高压汞灯,距20cm 处辐照10min ,即可制成压敏胶带。
胶接强度为2N/ cm。
[ 配方6] 醋酸乙烯- 丙烯酸丁酯共聚体25 松香钠盐(70% 水溶液)70 甘油30 异丙醇30 甲醇30 此配方为水溶性压敏胶。
聚氨酯热熔胶黏剂的制备工艺
聚己二酸乙二醇酯(相对分子质量2000) 1份 MDI 3份 l,4一丁二醇2份
聚氨酯热熔胶黏剂制备工艺:将聚已。
二酸乙二醇酯和1,4一丁二醇加入釜中,在120℃下真空(1330 Pa)脱水 2 h左右,快速加入已预热
100~110~C的MDI中。
在搅拌下升温至160~C左右,维持0.5~1.0 h,待物料变稠,可拉成丝时停止反应,降温出料即得产品。
汽车专用胶黏剂配方
汽车专用胶黏剂配方
1.玻璃底涂胶配方:
硅完偶联剂20 丁酮140
丙烯酸树脂20 催化剂1 炭黑20
2.涂漆钢框底涂漆配方
多异氰酸酯(MCM-300)40 丙烯酸树脂10
炭黑10 乙酸乙酯140
3.单组分湿固化聚氨酯密封胶:
聚氨酯预聚物80 催化剂4
炭黑60 甲苯6 增塑剂30
耐水耐热的水基聚氨酯胶黏剂制备工艺烯丙醇一乙烯醇共聚物5份水95份
MDI 14份 邻苯二甲酸二丁酯2份
丁二烯一苯乙烯共聚胶乳(固含量45%) 50份
耐水耐热的水基聚氨酯胶黏剂制备工艺:将5份烯丙醇一乙烯醇共聚物在95份水中混合,再与丁二烯一苯乙烯共聚胶乳混合,然后与MDI、邻苯二甲酸二丁酯混合制得耐水、耐热的水基胶。
木材用粘合剂配方实例
参茨淀粉 320克 水 500克
双氧水(3%)10毫升 碳酸氢钠 0.65克
氢氧化钠(10%), 140克
木材用粘合剂制备方法:按上剂量将其混合物在16~18℃下,搅拌溶解8小时,即为成品。
木材用粘合剂性能及用途:适用于纸张、纸品、糊壁纸、纸伞、卷烟、缝纫裁剪、工艺美术、书籍装订、制袋制盒、邮票上胶、印刷制板、手杖木工以及制胶合板、铸造成型、纤维加工、上浆剂等。
可单独使用也可和其它树脂并用。
可用手工涂布,也可用机械施工。
但在高速机械上不适宜用高粘度的粘合剂。
应调节粘度,使之有适当的流动性和干燥速度。
淀粉粘合剂pH值对糊剂的稳定性和粘合强度有很大影响,应注意调节至中性
强力干粉纸箱粘合剂的工艺流程
1:强力干粉纸箱粘合剂生产配方(重量/市斤)
淀粉:92~110碳酸氢钠:3~5石膏:12~14高锰酸钾:8~10亚硫酸钠:9~13硼沙:9~13氯化镁:3~5氯化钠:10~15消泡剂:微量水:850~1000
2:强力干粉纸箱粘合剂工艺流程
原料→计量→搅拌均匀→定量包装→干粉成品→加水配制→液体成品
使用时用1比 4.2—5的水量分两次兑入干粉中。
即第一次兑入三分之二的水,待3分种开始搅拌至15分种,静止10分种,再进行搅拌直到用棒能挑起丝时,将余下的三分之一的水加入搅拌均匀即成液体成品。
水溶性建筑胶黏剂的制备方法、性能及应用
(1)原材料与配方
①配制60kg内墙专用粉体胶水 a.预糊化木薯淀粉36kg
b.2488聚乙烯醇6kg
c.纤维素及其衍生物17.5kg
d.再分散乳胶粉
0kg e.增稠剂(聚丙烯酰胺) 0.3kg f.高活性氧化锌
②配制60kg内外墙兼用粉体胶水 a.预糊化木薯淀粉34kg
b.2488聚乙烯醇10kg
c.纤维素及其衍生物——羟丙基甲基纤维素
8kg d.再分散乳胶粉7.5kg e.增稠剂(聚丙烯酰胺) O.15kg f.高
活性氧化锌
③配制60kg外墙专用粉体胶水 a.预糊化木薯淀粉20kg
b.2488聚乙烯醇10kg
c.纤维素及其衍生物22kg
d.再分散乳胶粉
7.5kg e.增稠剂(聚丙烯酰胺) O.15kg f.高活性氧化锌④配制80kg
多功能粉体胶水 a.预糊化木薯淀粉25kg b.2488聚乙烯醇15kg c.纤维素及其衍生物25kg d.再分散乳胶粉14、5kg e.增稠剂(聚
丙烯酰胺) O.15kg f.高活性氧化锌
(2)制备方法 使用时根据组分配比中的预糊化木薯淀粉的粒径不同,
可配成不同的胶水或胶粉。
当选择预糊化木薯淀粉粒径为20~40目配成的
本产品胶粉时,可配成6%的水溶液(即6份本产品、94份水),搅拌
30min后即成水溶性胶水,可按普通聚乙烯醇胶水使用;当选择预糊化木薯
淀粉粒径为80~100目配成的本产品胶粉时,可与双飞粉或者水泥直接混合,
然后按O.2:10(即O.2份本产品、10份双飞粉或水泥)混合均匀后加水搅拌
即成批墙腻子,亦可作为内、外墙腻子粉的胶黏剂。
(3)性能与应用 具有高黏性,抗裂性能好,耐酸碱,良好的环保性能
及防霉抗菌性能,不含任何苯、甲醛等对人体有宣塑:妙其制备工艺简单,生产
成本低,应用范围广,是传统建筑用胶水的更新换代产品。
水性聚氨酯复合包装胶黏剂的制备及影响因素
用E一20环氧树脂对PU进行改性,得到性能优异的乳液,用该乳液配成
的胶黏剂对:PP/PE复合包装膜具有较好的粘接性能。
(1)原材料TDI(80/20),工业品;二羟甲基丙酸(I)MPA),工业品;1,4
一丁二醇(BDO);环氧树脂E一20;聚醚二元醇N一220,数均分子量
2000,羟值56mg KOH/g;N-甲基吡咯烷酮(NlMP),化学纯丙酮,分析纯,;三乙胺(TEA),分析纯,上海永生试剂厂;乙二胺(EDA),分析纯
(2)合成在N2保护下,在装有搅拌温度计、冷凝管的四口瓶中加入
FDI、聚醚二元醇,逐渐升温到70~80~C,保持在此温度下反应。
取样测定
NC()基团含量达到规定值后,加入扩链剂BDO。
保持此温度反应一段时间,
后降温至70℃,加入DMPA和环氧树脂。
保温反应直至NC()达到规定值,
降温至40℃,加入三乙胺中和。
反应过程中添加适量的丙酮和NMP以控
制预聚体的黏度。
在常温下用水乳化,用乙二胺扩链得环氧树脂改性的水性聚氨
酯乳液。
用该乳液配成的胶黏剂粘接PP/PE复合膜。
水性聚氨酯复合包装胶黏剂的制备有以下因素的影响:
①BDO含量的影响随BDO含量的增大,PU的力学性能和耐水性增大。
因为:BDO为双官能度多元醇,随BDO含量增大,PU预聚物分子量增大,
体系黏度也在增大。
在相同亲水离子浓度的条件下,线型低分子量的PU
预聚物易于分散到水中形成聚氨酯溶液。
随着PU预聚物的分子量的增大,
PU预聚物越难分散到水-中,形成的乳液粒径越大,乳液外观由透明变为不透明。
过大的BDO含量难以形成稳定的乳液,最佳BDO含量为
10%~15%。
②环氧树脂添加量的影响环氧树脂与聚氨黏反应时可以斗簪卜支化点引
入聚氨黏主链,使之形成部分网状结构而使性能更为俯异。
加入环氧树脂后,产
品的耐水性有明显的提高,拉伸强度增加,硬度也增加了。
聚氨酯水分散体的稳
定性下降。
添加量超过4%,乳液外观变差。
产品底部有微量沉淀。
所以,最
佳添加量妒4%左右。
③DMPA添加量对产品性能的影响DMPA作为亲水单体引入聚氨酯分子链,用TEA中和生成铵盐,可使聚氨酯分散于水中。
制成自乳化乳液。
随着DMPA含量的增加,胶膜的吸水率增大,乳液黏度增大。
DMPA含量的大
小对胶膜的力学性能也有较大的影响,PU链段结构中氨基甲酸酯键构成硬段,多元醇构成软段,这种软硬段之间的相互比例直接决定其力学性。
增加
DMPA用量会提高硬段含量,胶膜的拉伸强度增大。
当DMPA含量从6%
加至12%时,拉伸强度从 6.MPa增加至19MPa,而吸水率从0.8%增加至60%。
当DMPA含量超过9%时吸水率增速加快,DMPA含量在9%~10%
乳液性能较佳。
环氧树脂胶黏剂的配方及性能
1:原材料
环氧树脂E-51、环氧丙基丁基醚(501稀释剂)、650聚酰胺、三(N,N-
二甲基氨基)甲基苯酚(DMP-30)、轻质碳酸钙、硅微粉。
2:环氧树脂胶黏剂的配方
材料名称配比/质量份材料名称用量/质量份
环氧树脂E-51 29.5 硅微粉17.5
环氧丙基丁基醚 4 650聚酰胺29.5
轻质碳酸钙17.5 三(N,N-二甲基氨基)甲基苯酚2
3:环氧树脂胶黏剂的制备方法
按配方要求将上述材料加入容器,搅拌混合均匀即可。
4:环氧树脂胶黏剂的性能
该胶黏剂剥离强度高,粘接性能好。
5:环氧树脂胶黏剂的应用
主要主要用作金属、塑料、橡胶、玻璃、陶瓷等材料粘接用结构胶黏剂。