13岩体质量分级
- 格式:ppt
- 大小:1.45 MB
- 文档页数:55
目录第一章总则 (2)第二章一般规定 (2)第三章岩土的分类和分级 (3)第四章土的分类 (5)第五章特殊性岩土的分类 (8)第六章土的分级 (9)附表1 岩石按风化程度分类 ................................................ - 11 - 附表2 岩体的裂隙发育程度分级 ........................................ - 12 - 附表3 岩体按结构类型分类 ................................................ - 13 - 附表4 砂土的野外鉴别 ........................................................ - 12 - 附表5 粉土的野外鉴别 ........................................................ - 13 - 附表6 粘性土的野外鉴别 .................................................... - 13 - 附表7 有机土分类及野外鉴别 ............................................ - 14 - 附表8 碎石土密实度的野外鉴别 ........................................ - 14 - 附表9 粉土、砂土湿度的野外鉴别 ........... 错误!未定义书签。
附表10 粘性土状态的野外鉴别 .......................................... - 15 -附表11 粉土、粘性土的野外目力鉴别………………………- 15 -第一章总则第1条为了统一和规范岩土工程勘察的岩土定名,保证和提高分院岩土工程勘察质量,特制订本标准。
4岩体基本质量分级4.1基本质量级别的确定4.1.1岩体基本质量分级,应根据岩体基本质量的定性特征和岩体基本质量指标(BQ)两者相结合,按表4.1.1确定。
岩体基本质量分级表4.1.14.1.2当根据基本质量定性特征和基本质量指标(BQ)确定的级别不一时,应通过对定性划分和定量指标的综合分析,确定岩体基本质量级别。
必要时,应重新进行测试。
4.2基本质量的定性特征和基本质量指标4.2.1岩体基本质量的定性特征,应由表3.2.1和表3.3.1所确定的岩石坚硬程度和岩体完整程度组合确定。
4.2.2岩体基本质量指标(BQ),应根据分级因素的定量指标R c的兆帕数值和,按下式计算:KvBQ=90+3R c+250K v(4.2.2)注:使用(4.2.2)式时,应遵守下列限制条件:①当R c>90K v+30时,应以R c=90K v+30和K v代入计算BQ值。
②当K v>0.04R c+0.4时,应以K v=0.04R c+0.4和R c代入计算BQ值。
第一章工程概况和工程特点1.工程概况1.1工程规模本工程是诸城市潍河公园改造工程,主要解决现状入口的各项问题,包括西入口、北入口(西)、北入口(东)等路口改造,包括加设电动伸缩门及门卫房,个别路口拓宽以及积水改造,以及园区内停车场改造、绿化提升、园区道路和广场划线等内容。
1.2结构形式园路:15cm级配碎石基础+20cmC20水泥混凝土+透水砖园路恢复块料铺设:15cm级配碎石基础+C15素混凝土垫层+3cm水泥砂浆+广场砖2.工程特点经详细研究施工图设计、招标文件,并经反复踏勘现场,我们认为本工程有以下特点和难点,我公司将对这些特点和难点采取专门措施并想方设法予以解决和完成,以确保本工程各项指标得以顺利实现。
2.1本期是公园改造工程,内容复杂繁多。
2.2其他特点2.2.1外部协调多进场施工后,需要和建设单位、监理单位以及其它相关单位配合协调外部矛盾,还要与当地居民协调,外部协调相对较多。
工程岩体分级标准2013工程岩体分级标准是指根据岩体的稳定性、岩石的力学性质和岩体结构等因素,对岩体进行合理划分和评定的标准。
岩体分级标准的制定,对于工程设计、施工和岩体工程治理具有重要的指导意义。
2013年发布的《工程岩体分级标准》是我国当前岩体工程领域的权威标准,本文将对该标准的主要内容进行介绍和解读。
首先,工程岩体分级标准将岩体分为四个等级,分别是Ⅰ、Ⅱ、Ⅲ、Ⅳ级。
其中,Ⅰ级岩体为最好的岩体,稳定性较高,岩石的力学性质较好,岩体结构较完整;Ⅳ级岩体为最差的岩体,稳定性较差,岩石的力学性质较差,岩体结构较破碎。
对于不同等级的岩体,其在工程设计和施工中的要求也有所不同。
其次,工程岩体分级标准主要依据岩体的稳定性、岩石的力学性质和岩体结构等因素进行评定。
岩体的稳定性是指岩体在外力作用下不发生破坏的能力,包括岩体的坚固程度、裂缝的发育情况等;岩石的力学性质是指岩石的抗压强度、抗拉强度、抗弯强度等力学参数;岩体结构是指岩体内部的节理、裂缝、岩层倾角等情况。
通过对这些因素的评定,可以对岩体进行合理的分级。
此外,工程岩体分级标准在工程实践中具有重要的指导意义。
在工程设计中,应根据岩体的等级选择合适的支护结构和施工工艺;在施工过程中,应根据岩体的等级采取相应的施工措施和安全防护措施;在岩体工程治理中,应根据岩体的等级选择合适的治理方法和技术方案。
综上所述,工程岩体分级标准2013是我国当前岩体工程领域的权威标准,对于工程设计、施工和岩体工程治理具有重要的指导意义。
通过合理的岩体分级和评定,可以有效地指导工程实践,保障工程的安全和质量。
希望各位工程岩体从业者能够深入学习和理解该标准,将其应用于实际工程中,共同推动我国岩体工程领域的发展和进步。
工程岩体分级标准1 总则1.0.1 为建立统一的评价工程岩体稳定性的分级方法;为岩石工程建设的勘察、设计、施工和编制定额提供必要的基本依据,制定本标准。
1.0.2 本标准适用于各类型岩石工程的岩体分级。
1.0.3 工程岩体分级,应采用定性与定量相结合的方法,并分两步进行,先确定岩体基本质量,再结合具体工程的特点确定岩体级别。
1.0.4 工程岩体分级所必需的地质调查和岩石试验,除应符合本标准外,尚应符合有关现行国家标准的规定。
2 术语、符号2.l 术语2.1.1 岩石工程rock engineering以岩体为工程建筑物地甚或环境,并对岩体进行开挖或加固的工程,包括地下工程和地面工程。
2.1.2 工程岩体engineering rock mass岩石工程影响范围内的岩体,包括地下工程岩体、工业与民用建筑地基、大坝基岩、边坡岩体等。
2.1.3 岩体基本质量rock mass basic quality岩体所固有的、影响工程岩体稳定性的最基本属性,岩体基本质量由岩石坚硬程度和岩体完整程度所决定。
2.1.4 结构面structural Plane(discontilnuity)岩体内开裂的和易开裂的面,如层面、节理、断层、片理等,又称不连续面。
2.1.5 岩体完整性指数(KV)(岩体速度指数)intactness index of rock mass(velocity index of rock mass)岩体弹性纵波速度与岩石弹性纵波速度之比的平方。
2.1.6 岩体体积节理数(JV)volumetric joint count of rock mass单体岩体体积内的节理(结构面)数目。
2.1.7 点荷载强度指数从(IS(50))point load strength index直径50mm圆柱形试件径向加压时的点荷载强度。
2.1.8 地下工程岩体自稳能力(stand-up time of rock mass for underground excavation)在不支护条件下,地下工程岩体不产生任何形式破坏的能力。
工程岩体分级标准工程岩体分级标准是指根据岩体的力学性质、岩体结构和岩体稳定性等特征,对岩体进行分类和评定的标准。
岩体在工程施工中扮演着重要的角色,其稳定性直接关系到工程的安全性和可靠性。
因此,对岩体进行科学合理的分级评定,是保障工程施工质量和安全的重要环节。
一、岩体力学性质。
岩体的力学性质是指岩石在外力作用下的变形和破坏特性。
根据岩石的抗压强度、抗拉强度、抗弯强度等指标,可以将岩体分为强、中、弱三个等级。
强岩体具有较高的抗压强度和抗拉强度,适合用于大型工程的基础和支护结构;中岩体的力学性质一般,适合用于中小型工程的基础和支护结构;弱岩体的力学性质较差,需要采取特殊的支护措施才能保证工程的安全施工。
二、岩体结构。
岩体结构是指岩石的裂隙、节理、岩层倾角等特征。
根据岩体结构的复杂程度和对工程施工的影响程度,可以将岩体分为简单、中等、复杂三个等级。
简单岩体结构指岩石中裂隙和节理较少,对工程施工影响较小;中等岩体结构指岩石中存在一定数量的裂隙和节理,对工程施工有一定影响;复杂岩体结构指岩石中存在大量的裂隙和节理,对工程施工影响较大,需要采取相应的支护措施。
三、岩体稳定性。
岩体稳定性是指岩体在外力作用下的稳定性和变形能力。
根据岩体的稳定性和变形能力,可以将岩体分为稳定、较稳定、不稳定三个等级。
稳定岩体指岩石在外力作用下变形能力较强,不易发生破坏;较稳定岩体指岩石在外力作用下变形能力一般,可能发生一定程度的破坏;不稳定岩体指岩石在外力作用下变形能力较差,容易发生破坏,需要采取有效的支护措施。
综上所述,工程岩体分级标准是工程施工中重要的一环,对岩体进行科学合理的分类和评定,有助于制定合理的支护措施,保障工程施工的安全和可靠。
在实际工程中,应根据岩体的力学性质、结构和稳定性等特征,综合评定岩体的分级,并采取相应的支护措施,确保工程施工的顺利进行。
结构设计—工程岩体分级标准GB50218-94 3.1 分级因素及其确定方法3岩体基本质量的分级因素3.1 分级因素及其确定方法3.1.1 岩体基本质量应由岩石坚硬程度和岩体完整程度两个因素确定。
3.1.2 岩石坚硬程度和岩体完整程度,应采用定性划分和定量指标两种方法确定。
3.2 岩石坚硬程度的定性划分3.2.1 岩石坚硬程度,应按表3.2.1 进行定性划分。
岩石坚硬程度的定性划分表3.2.13.2.2 岩石坚硬程度定性划分时,其风化程度应按表3.2.2确定。
岩石风化程度的划分表3.2.23.3 岩体完整程度的定性划分3.3.1 岩体完整程度,应按表3.3.1进行定性划分。
岩体完整程度的定性划分表3.3.1注:平均间距指主要结构面(1~2组)间距的平均值。
3.3.2 结构面的结合程度,应根据结构面特征,按表3.3.2确定。
结构面结合程度的划分表3.3.23.4 定量指标的确定和划分3.4.1 岩石坚硬程度的定量指标,应采用岩石单轴饱和抗压强度(Rc)。
Rc应采用实测值。
当无条件取得实测值时,也可采用实测的岩石点荷载强度指数(Is(50))的换算值,并按下式换算:3.4.2 岩石单轴饱和抗压强度(Rc)与定性划分的岩石坚硬程度的对应关系,可按表3.4.2确定。
Rc与定性划分的岩石坚硬程度的对应关系表3.4.23.4.3 岩体完整程度的定量指标,应采用岩体完整性指数(Kv)。
Kv应采用实测值。
当无条件取得实测值时,也可用岩体体积节理数(Jv),按表3.4.3确定对应的Kv值。
Jv与Kv对照表表3.4.3)3.4.4 岩体完整性指数(Kv)与定性划分的岩体完整程度的对应关系,可按表3.4.4确定。
Kv与定性划分的岩体完整程度的对应关系表3.4.43.4.5 定量指标Kv、Jv的测试,应符合本标准附录A的规定。
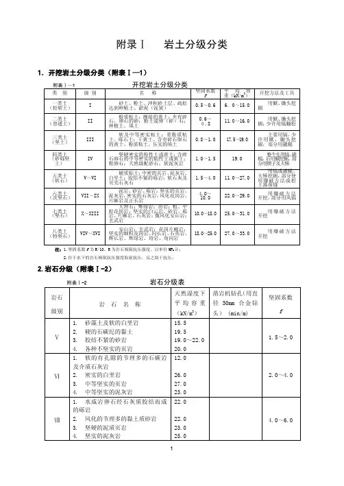
岩石级别坚固程度代表性岩石Ⅰ 最坚固最坚固、致密、有韧性的石英岩、玄武岩和其他各种特别坚固的岩石。
(f=20)Ⅱ 很坚固很坚固的花岗岩、石英斑岩、硅质片岩,较坚固的石英岩,最坚固的砂岩和石灰岩.(f=15)Ⅲ坚固致密的花岗岩,很坚固的砂岩和石灰岩,石英矿脉,坚固的砾岩,很坚固的铁矿石.(f=10)Ⅲa 坚固坚固的砂岩、石灰岩、大理岩、白云岩、黄铁矿,不坚固的花岗岩。
(f=8)Ⅳ比较坚固一般的砂岩、铁矿石(f=6)Ⅳa 比较坚固砂质页岩,页岩质砂岩。
(f=5)Ⅴ中等坚固坚固的泥质页岩,不坚固的砂岩和石灰岩,软砾石。
(f=4)Ⅴa 中等坚固各种不坚固的页岩,致密的泥灰岩.(f=3)Ⅵ比较软软弱页岩,很软的石灰岩,白垩,盐岩,石膏,无烟煤,破碎的砂岩和石质土壤.(f=2)Ⅵa 比较软碎石质土壤,破碎的页岩,粘结成块的砾石、碎石,坚固的煤,硬化的粘土。
(f=1.5)Ⅶ软软致密粘土,较软的烟煤,坚固的冲击土层,粘土质土壤。
(f=1) Ⅶa 软软砂质粘土、砾石,黄土。
(f=0.8)Ⅷ土状腐殖土,泥煤,软砂质土壤,湿砂。
(f=0.6)Ⅸ松散状砂,山砾堆积,细砾石,松土,开采下来的煤(f=0.5) Ⅹ流沙状流沙,沼泽土壤,含水黄土及其他含水土壤. (f=0.3)A表示矿岩的坚固性的量化指标.人们在长期的实践中认识到,有些岩石不容易破坏,有一些则难于破碎。
难于破碎的岩石一般也难于凿岩,难于爆破,则它们的硬度也比较大,概括的说就是比较坚固。
因此,人们就用岩石的坚固性这个概念来表示岩石在破碎时的难易程度。
坚固性的大小用坚固性系数来表示又叫硬度系数,也叫普氏硬度系数f 值)。
坚固性系数f=R/100 (R单位kg/cm2)式中R——为岩石标准试样的单向极限抗压强度值。
通常用如:①极坚固岩石f=15~20(坚固的花岗岩,石灰岩,石英岩等)②坚硬岩石f=8~10(如不坚固的花岗岩,坚固的砂岩等)③中等坚固岩石f=4~6(如普通砂岩,铁矿等)④不坚固岩石f=0.8~3(如黄土、仅为0.3)矿岩的坚固性也是一种抵抗外力的性质,但它与矿岩的强度却是两种不同的概念。
岩体分级最新规范标准
岩体分级标准是根据岩体的地质特征、物理力学性质、结构面发育程度以及岩体的完整性等因素进行的。
最新的规范标准通常包括以下几个方面:
1. 岩体分类:根据岩体的成因、岩石类型、结构面特征等,将岩体分为不同的类别,如硬岩、软岩、破碎岩等。
2. 岩体质量评价:采用定量化的方法对岩体的质量进行评价,常用的评价体系包括RQD(岩心钻探质量指数)、Q系统等。
3. 结构面特征分析:对岩体中的裂隙、节理、断层等结构面进行详细的调查和分析,评价其对岩体稳定性的影响。
4. 岩体完整性评价:根据岩体的完整性指数(如Jv值),评估岩体的整体稳定性。
5. 水文地质条件评价:考虑地下水的存在对岩体稳定性的影响,评价岩体的渗透性、含水性等。
6. 岩体力学参数确定:根据岩体的物理力学性质,确定其弹性模量、泊松比、单轴抗压强度等参数。
7. 工程适用性评价:综合考虑岩体的地质条件、力学性质和水文地质条件,评价岩体对不同工程类型的适用性。
8. 风险评估与管理:对岩体可能存在的风险进行评估,并提出相应的风险管理措施。
9. 监测与反馈:在工程实施过程中,对岩体的稳定性进行实时监测,
并根据监测结果对分级标准进行必要的调整。
10. 规范的更新与维护:随着地质工程实践的深入和科学技术的发展,岩体分级规范需要定期进行更新和维护,以适应新的工程需求和技术
进步。
结束语
岩体分级规范标准的制定和实施对于确保工程安全、提高工程效率具
有重要意义。
随着地质工程领域的不断发展,岩体分级标准也将不断
完善和更新,以更好地服务于工程实践和科学研究。
岩体分类和岩体分级岩体分类是指根据岩石的成因、岩层结构和岩石成分等特征将岩石进行归类的过程。
岩石可以根据不同的分类标准进行分类,下面是一些常见的岩体分类方法:1. 岩石成因分类:根据岩石的形成过程和成因,将岩石分为火成岩、沉积岩和变质岩三大类。
火成岩是由熔融状态下的岩浆冷却凝固而成的岩石;沉积岩是由岩屑、化学沉淀物或有机物沉积而成的岩石;变质岩是在高压、高温或其他变质作用下形成的岩石。
2. 岩层结构分类:根据岩石的结构特征,将岩石分为层理岩、节理岩和断裂岩等。
层理岩具有明显的平行层理结构,常见于沉积岩中;节理岩有明显的岩体断裂面,常见于火成岩和变质岩中;断裂岩则是由于地壳运动造成的岩体断裂而形成的。
3. 岩石成分分类:根据岩石中主要矿物的成分和含量,将岩石分为酸性、基性、中性等不同系列。
酸性岩石富含硅酸盐矿物,如花岗岩;基性岩石富含镁铁酸盐矿物,如辉绿岩;中性岩石则介于酸性岩石和基性岩石之间。
岩体分级是指根据岩石的质量、强度和稳定性等性质对岩体进行评定的过程。
岩体的分级有助于工程建设和岩石工程的规划和设计。
常见的岩体分级方法有:1. 岩体质量分级:根据岩体的物理性质和结构特征,将岩体分为优良、一般和差等级。
优良岩体具有较好的物理力学性能和较强的稳定性;一般岩体具有较一般的物理力学性能和较弱的稳定性;差岩体则具有较差的物理力学性能和较弱的稳定性。
2. 岩体强度分级:根据岩石的抗压强度、抗拉强度和抗剪强度等性能,将岩体分为高强岩体、中强岩体和低强岩体等级。
高强岩体的强度较高,适合承载大量力量;中强岩体的强度适中;低强岩体的强度较低。
3. 岩体稳定性分级:根据岩体的稳定性和岩体变形可能引起的地质灾害的潜在性,将岩体分为稳定岩体、轻度不稳定岩体、中度不稳定岩体和严重不稳定岩体等级。
稳定岩体具有较强的稳定性;不稳定岩体容易发生变形和失稳,存在较大的地质灾害风险。
岩体质量等级(全面完整版) (可以直接使用,可编辑全面完整版资料,欢迎下载)4岩体基本质量分级4.1基本质量级别的确定岩体基本质量分级,应根据岩体基本质量的定性特征和岩体基本质量指标(BQ)两者相结合,按表4.1.1确定。
岩体基本质量分级表当根据基本质量定性特征和基本质量指标(BQ)确定的级别不一时,应通过对定性划分和定量指标的综合分析,确定岩体基本质量级别。
必要时,应重新进行测试。
4.2基本质量的定性特征和基本质量指标岩体基本质量的定性特征,应由表3.2.1和表3.3.1所确定的岩石坚硬程度和岩体完整程度组合确定。
岩体基本质量指标(BQ),应根据分级因素的定量指标Rc 的兆帕数值和Kv,按下式计算:BQ=90+3R c+250K v()注:使用()式时,应遵守下列限制条件:①当R c>90K v+30时,应以R c=90K v+30和K v代入计算BQ值。
②当K v>0.04R c+0.4时,应以K v=0.04R c+0.4和R c代入计算BQ值。
工作质量考核细则一、行政管理小学提高教学质量措施为了提高教学质量,保证教学任务的圆满完成,参考学校教职员工的意见,结合学校的实际,根据各级教学常规管理实施细则,特制定本措施。
一、切实加强课程管理。
要严格按照上级教育行政部门规定的课程、课时计划,把各种课程开全开足,决不随意加课减课。
把教师在课程计划执行中有无违规现象,作为评选先进的依据,并与奖惩挂钩。
学校对每天的教学活动实行全天候管理,校长、教导主任、行政值班人员每天从早读、晨会开始到放学结束,进行巡视检查,如发现私自调课、不按教学常规上课,课堂环节脱节、不完整,随意上自习进行或未按规定时间放学等现象,都作为教学事故记录在案,并根据学校奖惩条例进行处理。
二、切实加强课堂教学管理教学质量的提高,关键是课堂教学质量的提高。
教师要根据各年级、各学科学生的基础和不同特点,制定教学目标,使"向40分钟要质量"的口号真正落实到每一堂课,充分发挥课堂的主渠道作用。