CAD第5章 绘制平面图形综合实例.
- 格式:doc
- 大小:496.50 KB
- 文档页数:27
cad制作平面图的方法教程图解CAD,全名“计算机辅助设计”(Computer-Aided Design),是一种基于计算机辅助的工业设计软件,被广泛应用于工程、建筑、制造业等领域。
在建筑领域中,CAD的应用尤为广泛,能够帮助设计师们快速、精准地完成各种绘制工作。
本文主要介绍利用CAD软件制作建筑平面图的方法。
一、打开CAD软件,创建新的绘图框架在开始制作平面图之前,需要先打开CAD软件,并创建新的绘图框架。
在打开软件后,选择“新建”,然后输入“单位”、“图层”、“纸张大小”等参数,点击“确定”即可。
二、绘制平面图的轮廓在绘图框架准备好之后,下一步就是绘制平面图的轮廓。
首先,需要根据实际需求选择“线型”,比如画出楼房、室内的门窗、墙壁等。
然后,按照设计图纸上的需求,用鼠标或CAD 命令行输入的方式,开始绘制平面图的轮廓。
在绘制的过程中,可以通过调整线型的颜色、粗细、虚实等方式,使绘图更加真实。
三、特殊需求的绘制处理方式在绘制平面图的过程中,经常会出现需要特殊处理的部分。
比如,需要标注尺寸、面积或者绘制特殊形状等。
这时,可以选择“标注”、“画图”等命令,来完成特殊需求的处理。
标注命令可以根据指定的格式、位置,自动生成需要的文字或符号。
画图命令可以很快地绘制出一些特殊的形状,比如圆、椭圆、多边形等。
四、制作层数和图层在制作平面图时,需要根据实际需求设置层数和图层。
在CAD中,图层是一种分层管理的工具,可以将不同的对象、线型、标注等分别划分到不同的图层中,方便实现针对性的管理。
制作所需的图层非常简单,只需要依据实际需求命名、调整图层的详细信息即可。
五、添加文字标注、图例和图框绘制平面图的过程中,要添加文字标注、图例和图框,使绘图更加清晰、完整。
一般情况下,文字标注包括楼层、房号、门窗长宽高等详细信息。
图例一般包括各种图形图标、符号等。
图框则是整个绘图大框架的一个重要组成部分,可以根据需要添加地名、坐标、比例尺等详细信息。
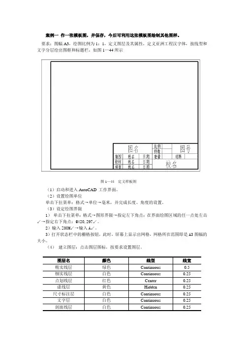
案例一 作一张模板图,并保存,今后可利用这张模板图绘制其他图样。
要求:图幅A3,绘图比例为1:1,定义图层及其属性,定义亚洲工程汉字体,按线型和文字分层绘出图框和标题栏,如图1—44所示(1)启动和进入AutoCAD 工作界面。
(2)设置绘图单位单击下拉菜单:格式→单位→毫米,并完成长度、角度的设置。
(3)设定绘图界限1) 单击下拉菜单:格式→图形界限→指定左下角点:在界面绘图区域的任一点处左击↙→指定右下角点:@420,297↙。
2)输入ZOOM ↙→输入A ↙。
3)打开状态栏中的栅格按钮,此时,屏幕上显示出网格,网格所在范围即是A3图幅的大小。
(4) 建立图层:点击图层图标,按要求设置图层。
图1—44 定义样板图(5)绘制边框线:1)将细实线层置为当前层,打开状态栏正交按钮,用画线命令,画出A3图幅的外边框线。
1)粗实线层置为当前层,可用以下方法画出留装订边的A3图幅的内边框。
①用画线(LINE)命令输入相对直角坐标值或相对极坐标值画出。
②用画矩形(RECTANGLE)命令,输入相对直角坐标值画出。
③用复制偏移(OFFSET)配合修剪(TIRM)命令画出。
(6)用画线(LINE)命令绘制标题栏将细实线层置为当前层,打开状态栏正交按钮,用画线命令、复制偏移命令、修剪命令,按图1-3(b)标题栏的格式及尺寸画出标题栏并将外标题栏框换为粗实线。
(7)在标题栏中填写文字1)将文字图层置为当前层2)建立文字样式格式→文字样式→文字样式对话框→在字体处选择gbeitc.shx→选中使用大字体(打上对勾)→在大字体下选中gbcbig.shx.高度值不动为0,宽度比例0.67,倾斜度为0,点击应用→关闭,字体设置完毕。
3)用多行文字注写标题栏点击绘图工具栏中的多行文字图标→在填写文字的格内单击左下角点→键盘输入J→键盘输入MC→单击右上角点,弹出多行文字格式对话框→改变高度为适当值,输入文字如“制图”→确定。
第5章 AUTOCAD绘制平面图形综合实例5.1 绘制平面图形综合实例1 ——平面图形例题:绘制如图所示的平面图形。
目的:通过绘制此图形,训练直线、圆、圆弧、偏移命令以及修剪、倒角、圆角命令的使用方法,以及含有连接圆弧的平面图形的绘制方法,提高绘图速度。
知识的储备:基本绘图命令、编辑命令、图层管理知识。
绘图步骤分解:1.新建一张图纸,按该图形的尺寸,图纸大小应设置成A4,竖放,因此图形界限设置为210×297。
2.显示图形界限3.设置对象捕捉4.设置图层5.绘制中心线6.绘制吊钩柄部直线7.修剪图线至正确长短8.绘制已知线段9.绘制连接弧R24和R3610.绘制钩尖半径为R24的圆弧11.绘制钩尖处半径为R14的圆弧12.绘制钩尖处半径为R2的圆弧13.编辑修剪图形14.保存图形5.2 绘制平面图形综合实例2 ——三视图任务:绘制如图5-2所示的三视图。
目的:通过绘制此图形,熟悉三视图的绘制方法和技巧,学会利用“构造线”——即“辅助线”方法和对象捕捉、对象追踪的方法,来保证三视图的三等关系,提高绘图速度。
知识储备:基本绘图命令、编辑命令、环境设置和图层管理知识。
绘图步骤分解:1.绘图环境设置2.设置图层3.绘制中心线等基准线和辅助线4.绘制底板外形5.绘制上部圆筒6.绘制左右肋板7.绘制前部立板8.编辑图形9.保存图形5.3绘制平面图形综合实例3——轴测图任务:绘制如图所示的轴测图。
目的:通过绘制此图形,熟悉轴测图的绘制方法和技巧。
知识的储备:基本绘图命令、编辑命令、栅格捕捉的设置方法。
绘图步骤分解:1.新建图形2.设置对象捕捉3.设置图层4.设置捕捉类型和样式5.绘制水平底板6.绘制右侧、后侧立板7.绘制底面圆孔8.绘制底面圆角9.绘制后侧立面的圆孔和倒圆角10.绘制右侧结构11.编辑整理图形12.保存图形。
小节:通过三个实例,讲述了平面图形的绘制方法和技巧,三视图绘制过程中,为保证投影关系,同时使用“对象捕捉”、“正交”、“对象捕捉追踪”功能保证俯视图和左视图的对应关系,绘制轴测图,应预先设置好捕捉类型为道“等轴测捕捉”方式,绘制不同方向上的结构。
快速使用CAD绘制平面图CAD(Computer-Aided Design)是一种广泛应用于工程、建筑和设计领域的软件工具。
它可以帮助我们快速、准确地绘制平面图。
在本文中,我将与大家分享一些使用CAD软件绘制平面图的技巧和步骤。
第一步是启动CAD软件并创建新的图纸。
在菜单栏中选择“新建”选项,然后选择“绘图”或“图纸”模板。
根据需要,选择适当的图纸尺寸和比例。
接下来,我们可以开始绘制平面图的主要元素。
首先,选择“直线”工具,并单击图纸中的起点和终点来绘制直线。
通过单击和拖动鼠标,可以绘制出平滑的曲线,以便更准确地描绘出平面图中的各个元素。
在绘制过程中,我们可以使用“偏移”工具来创建平行的线条。
选中一个线条,然后输入要偏移的距离,系统将自动创建一个平行线。
这对于绘制墙壁、门窗等平行元素非常有用。
如果需要绘制曲线边界,我们可以使用样条曲线工具。
用鼠标点击图纸上的点来定义曲线的形状和方向。
通过增加或减少点击的点数来调整曲线的光滑度。
此外,我们还可以使用“圆弧”工具来绘制圆弧。
选择起始点和终点,然后输入半径或圆心角来定义圆弧的形状。
绘制完基本元素后,我们可以使用“校注”工具来添加文字和尺寸标注。
选择“校注”工具,然后点击图纸上的位置来添加文字。
我们可以调整文字的字体、大小和样式,以便更好地表达意思。
另外,可以使用“尺寸”工具来添加尺寸标注。
选择“尺寸”工具后,点击两个元素之间的距离来添加尺寸。
CAD软件会自动计算并显示出准确的尺寸。
在绘制过程中,我们可能需要使用“编辑”工具来调整和修改已绘制的元素。
通过使用“编辑”工具,我们可以拖动、旋转、缩放和删除元素。
这对于修正错误或调整布局非常有用。
完成绘制后,我们可以选择“保存”选项将平面图保存到计算机中。
同时,我们也可以导出图纸为其他常用格式,如JPEG、PDF等。
在使用CAD绘制平面图时,一些常用的快捷键和技巧也可以提高效率。
例如,按住Shift键可以限制绘制直线和圆弧的方向;按住Ctrl 键可以进行多选和复制操作;使用图纸上的网格和吸附功能可以更准确地对齐和定位元素。
第5章绘制平面图形平面图形是由若干线段(直线或圆弧)封闭连接组合而成。
各组成线段之间可能彼此相交、相切或等距。
要用AutoCAD正确、快速地绘制一个平面图形,特别是较复杂的平面图形,必须首先对平面图形作尺寸分析和线段分析,然后按适当的方法、步骤画出。
与手工绘制平面图形相比,用AutoCAD绘制平面图形需要较高的作图技巧,要用到一些特殊的命令和一些特别的作图方法。
本章首先以图5-1所示的挂轮架为例,讲述平面图形的尺寸分析和线段分析的方法,以及平面图形的作图步骤,然后再通过“典型题目实训指导”一节,分析并绘制两个平面图形,帮助读者掌握用AutoCAD绘制平面图形的方法和技巧。
图5-1 挂轮架平面图形5.1 平面图形的尺寸分析按照尺寸在平面图形中所起的作用,可以将平面图形的尺寸分为定形尺寸和定位尺寸两类。
而要想确定平面图形中各组成线段的上下、左右的相对位置,则必须引入机械制图中被称为尺寸基准的概念。
1. 定形尺寸确定平面图形中各几何元素形状大小的尺寸称为定形尺寸。
如图5-2(a)所示。
2. 定位尺寸用于确定圆心、线段等几何元素在平面图形中所处位置的尺寸称为定位尺寸。
如图5-2(b)所示。
3. 尺寸基准确定平面图形中尺寸位置的点、线等几何元素称为尺寸基准,尺寸基准简称为基准。
一般以平面图形中的对称中心线、圆心、轮廓直线等作为尺寸基准,定位尺寸应以尺寸基准作为标注尺寸的起点。
一个平面图形应有水平和垂直两个方向的尺寸基准,对于较复杂的平面图形,在同一方向上往往有几个基准,其中一个为主要基准,其余为辅助基准。
如图5-1中Φ112的圆心和垂直中心线就是108和30°等尺寸的基准。
(a) 定形尺寸(b) 定位尺寸图5-2 挂轮架平面图形的尺寸分析5.2 平面图形的线段分析平面图形中的线段通常指直线、圆弧和圆。
平面图形线段分析的实质是通过分析线段的尺寸情况来区分不同类型的线段,并由此确定各线段的作图顺序。
AutoCAD绘制平面图的基本方法和步骤一、图形的绘制:1·将AutoCAD打开;2·左键点工具栏中的“直线”图标(左侧第一个图标),在“图形窗口”中确定绘图起点位置;点左键;3·在“命令行”中输入直线长度(如:10000mm、2000mm……此数字在命令行中显示);点左键;按空格键;4·将“十字叉”折向下一步绘图方向;输入直线长度(同前),点左键……。
按“Esc”退出,然后进行下一步操作;按照上述方法至该图形绘完。
注意:①如果绘制的图形太大则左键点菜单栏中的“视图”,在其下拉列表中点“全部”。
②绘制直线,将“正交”打开,反之则关闭;如果需在线段中间绘制另一条线段则将“对象捕捉”关闭,在线段端绘制另一条线段则将“对象捕捉”打开。
③每完成上一道步骤后,都要按“Esc”键退出,然后进行下一道步骤。
二、图形移动:框选要移动的图形,选好点左键,点右键,在下拉列表中左键点“移动”,左键点要移动的图形,将“正交”和“对象捕捉”关闭,然后将图形移动到需要的位置,按左键即完成。
按“Esc”退出,然后进行下一步操作。
三、“点”的绘制:(如:绘制桥板钢筋排号图就用此方法)1·绘制线段;2·左键点菜单栏中的“格式”,在其下拉列表左键点“点样式”,在显示的窗口中选择“点”的样式,选好点左键;在“点的大小(S)”中输入“点”的大小值;左键点“按绝对单位设置大小(A)”,点左键;3·左键点菜单栏中的“绘图”,在其下拉列表中,左键选“点”,在其下拉列表中左键点“定数等分(D)”或“定距等分(M)”,左键点需要设置“点”的对象;(在命令行中)输入“定数等分(D)”或“定距等分(M)”的数值(如:50、100或50、100……此数值在命令行中显示);按空格键;4·框选要移动的对象,点左键;点右键,在其下拉列表中点“移动”;将图形拉大,将“十字叉”放在移动对象上,点左键,将移动对象拉至需要的位置,点左键即完成。
绘制cad平面图形的一般流程下载温馨提示:该文档是我店铺精心编制而成,希望大家下载以后,能够帮助大家解决实际的问题。
文档下载后可定制随意修改,请根据实际需要进行相应的调整和使用,谢谢!并且,本店铺为大家提供各种各样类型的实用资料,如教育随笔、日记赏析、句子摘抄、古诗大全、经典美文、话题作文、工作总结、词语解析、文案摘录、其他资料等等,如想了解不同资料格式和写法,敬请关注!Download tips: This document is carefully compiled by theeditor. I hope that after you download them,they can help yousolve practical problems. The document can be customized andmodified after downloading,please adjust and use it according toactual needs, thank you!In addition, our shop provides you with various types ofpractical materials,such as educational essays, diaryappreciation,sentence excerpts,ancient poems,classic articles,topic composition,work summary,word parsing,copy excerpts,other materials and so on,want to know different data formats andwriting methods,please pay attention!1. 分析图纸:在开始绘制之前,仔细分析要绘制的平面图形的要求和特点。
第5章 绘制平面图形综合实例本章是在前面所学知识的基础上,综合运用所学的知识,通过几个有代表性的例子,进一步巩固和加强常用的绘图与修改命令的使用,熟练掌握绘制平面图形的一般步骤和方法,并从中掌握一定的绘图操作技巧,使读者能尽快熟练地绘制各种图形。
5.1 绘制平面图形综合实例1 —— 平面图形绘制平面图时,首先应该对图形进行线段分析和尺寸分析,根据定形尺寸和定位尺寸,判断出已知线段、中间线段和连接线段,按照先绘制已知线段,再中间线段、后连接线段的绘图顺序完成图形。
图形分析:要绘制该图形,应首先分析线段类型。
已知线段:钩柄部分的直线和钩子弯曲中心部分的ф24、R29圆弧;中间线段:钩子尖部分的R24、R14圆弧;连接线段:钩尖部分圆弧R2、钩柄部分过渡圆弧R24、R36。
设置绘图环境,包括图纸界限、图层(线型、颜色、线宽)等的设置。
按图5-1所给的图形尺寸,图纸应设置为A4(210×297)大小竖放,图层至少包括中心线层、轮廓线层、尺寸线层(暂时不用,可不用设置)等。
本例中的绘图基准是图形的中心线,然后使用圆命令绘制出各个圆,再用修剪命令完成图形。
绘图步骤分解:1.新建一张图纸,按该图形的尺寸,图纸大小应设置成A4,竖放,因此图形界限设置为210×297。
2.显示图形界限单击“全部缩放”按钮,图形栅格的界限将填充当前视口。
或者在命令窗口输入Z ,回车,再输入A ,回车。
3.设置对象捕捉在状态栏的“对象捕捉”按钮上单击鼠标右键,选择“设置…”,在弹出的“草图图5-1 吊钩 通过三个实例训练,进一步熟练掌握前面所学的图形绘制命令和图形编辑命令。
第一个例子目的在于使学生掌握绘制平面图形的方法和步骤;第二个例子的目的在于让学生掌握三视图的绘制方法,步骤和技巧。
1、平面图形绘制过程中,绘制连接弧;2、在绘制三视图过程中,按投影关系绘制三视图;3、轴测图绘制过程中,曲线的绘制。
1、讲授4学时2、上机4学时3、总计8学时任务:绘制如图5-1所示的平面图形。
建筑CAD绘图-平面图详细讲解绘制教学目标教学目标在学习了AutoCAD的基本知识和概念之后,就能真正开始进入绘制建筑施工图的实际操作过程。
本任务通过某培训楼平面实例,结合建筑制图规范要求,详细介绍建筑平面施工图的基本绘制方法和技巧。
通过学习,掌握轴网、墙体、各类柱子、门窗、楼梯等基本构件的绘制方法,以及如何进行尺寸和文字标注。
需要说明的是,平面图中各构件的绘制方法不是唯一的,读者应根据具体图形的不同特点来选择简便和快捷的方式,注意熟悉快捷键的使用,多进行实践,才能达到熟能生巧的目的。
任务一任务一平面图的绘制平面图的绘制绘制过程(1)(1)设置绘图环境设置绘图环境(5)(5)尺寸标注,文字标注尺寸标注,文字标注(2)(2)绘制轴线及柱网绘制轴线及柱网(6)(6)整理平面图整理平面图(3)(3)绘制墙体、门窗绘制墙体、门窗(7)(7)图幅、图框、图标图幅、图框、图标(4)(4)绘制楼梯及雨蓬绘制楼梯及雨蓬(8)(8)打印输出等打印输出等子任务一设置绘图环境子任务二绘制建筑平面图子任务三尺寸标注和文字说明子任务一设置绘图环境1.绘图单位设置绘图单位设置建筑工程中,长度类型为小数,建筑工程中,长度类型为小数,精度为精度为00;角度的类型为十进制数,;角度的类型为十进制数,角度以逆时针方向为正,方向以东角度以逆时针方向为正,方向以东为基准角度。
为基准角度。
选择选择““格式格式||单位单位””,或在命令行,或在命令行中键入中键入UNITS(UN)UNITS(UN),将弹出如图,将弹出如图44--22所示的所示的““图形单位图形单位””对话框,用户可对话框,用户可在对话框中进行绘图单位的设置。
在对话框中进行绘图单位的设置。
1.绘图单位设置绘图单位设置子任务一设置绘图环境子任务一设置绘图环境2.图层设置图层设置建筑工程中的墙体、门窗、楼梯建筑工程中的墙体、门窗、楼梯、设备、尺寸、标注等不同的图形,、设备、尺寸、标注等不同的图形,所具有的属性是不一样的。
第5章 绘制平面图形综合实例本章是在前面所学知识的基础上,综合运用所学的知识,通过几个有代表性的例子,进一步巩固和加强常用的绘图与修改命令的使用,熟练掌握绘制平面图形的一般步骤和方法,并从中掌握一定的绘图操作技巧,使读者能尽快熟练地绘制各种图形。
5.1 绘制平面图形综合实例1 —— 平面图形绘制平面图时,首先应该对图形进行线段分析和尺寸分析,根据定形尺寸和定位尺寸,判断出已知线段、中间线段和连接线段,按照先绘制已知线段,再中间线段、后连接线段的绘图顺序完成图形。
通过三个实例训练,进一步熟练掌握前面所学的图形绘制命令和图形编辑命令。
第一个例子目的在于使学生掌握绘制平面图形的方法和步骤;第二个例子的目的在于让学生掌握三视图的绘制方法,步骤和技巧。
1、平面图形绘制过程中,绘制连接弧;2、在绘制三视图过程中,按投影关系绘制三视图;3、轴测图绘制过程中,曲线的绘制。
1、讲授4学时2、上机4学时3、总计8学时任务:绘制如图5-1所示的平面图形。
目的:通过绘制此图形,训练直线、圆、圆弧、偏移命令以及修剪、倒角、圆角命令的使用方法,以及含有连接圆弧的平面图形的绘制方法,提高绘图速度。
知识的储备:基本绘图命令、编辑命令、图层管理知识。
图5-1 吊钩图形分析:要绘制该图形,应首先分析线段类型。
已知线段:钩柄部分的直线和钩子弯曲中心部分的ф24、R29圆弧;中间线段:钩子尖部分的R24、R14圆弧;连接线段:钩尖部分圆弧R2、钩柄部分过渡圆弧R24、R36。
设置绘图环境,包括图纸界限、图层(线型、颜色、线宽)等的设置。
按图5-1所给的图形尺寸,图纸应设置为A4(210×297)大小竖放,图层至少包括中心线层、轮廓线层、尺寸线层(暂时不用,可不用设置)等。
本例中的绘图基准是图形的中心线,然后使用圆命令绘制出各个圆,再用修剪命令完成图形。
绘图步骤分解:1.新建一张图纸,按该图形的尺寸,图纸大小应设置成A4,竖放,因此图形界限设置为210×297。
2.显示图形界限单击“全部缩放”按钮,图形栅格的界限将填充当前视口。
或者在命令窗口输入Z,回车,再输入A,回车。
3.设置对象捕捉在状态栏的“对象捕捉”按钮上单击鼠标右键,选择“设置…”,在弹出的“草图设置”对话框中,选择“交点”、“切点”、“圆心”、“端点”,并启用对象捕捉,单击“确定”按钮。
4.设置图层按图形要求,打开“图形特性管理器”,设置以下图层、颜色、线型和线宽:图层名颜色线型线宽轮廓白色Continuous 线宽为0.5毫米中心线红色CENTER 线宽默认尺寸线品红Continuous 线宽默认5.绘制中心线(1)选择图层通过“图层”工具栏,将“中心线”层设置为当前层。
单击“图层”工具栏图层列表后的下拉按钮,在中心线层上单击,则中心线层为当前层。
(2)绘制垂直中心线AB和水平中心线CD打开正交,调用直线命令,在屏幕中上部单击,确定A点,绘制出垂直中心线AB。
在合适的位置绘制出水平直线CD,如图5-2所示。
6.绘制吊钩柄部直线柄的上部直径为14,下部直径为18,可以用中心线向左右各偏移的方法获得轮廓线,两条钩子的水平端面线也可用偏移水平中心线的方法获得。
图5-2 绘制中心线图5-3 绘制吊钩柄(1)在编辑工具栏中单击“偏移”按钮,调用偏移命令,将直线AB分别向左右偏移7个单位和8个单位,获得直线JK、MN及QR、OP;将CD向上偏移54个单位获得直线EF,再将刚偏移所得直线EF向上偏移23个单位,获得直线GH。
(2)在偏移的过程中,读者会注意到,偏移所得到的直线均为点划线,因为偏移实质是一种特殊的复制,不但复制出元素的几何特征,同时也会复制出元素的特性。
因此要将复制出的图线改变到轮廓线层上。
选择刚刚偏移所得到的直线JK、MN、QR、OP、EF、GH,然后打开“图层工具栏”结果如图5-3所示。
也可通过“特性工具栏”完成图层的转换。
7.修剪图线至正确长短(1)在“修改”工具栏中单击“倒角”按钮,调用倒角命令,设置当前倒角距离1和2的值均为2个单位,将直线GH与JK、MN倒45度角。
再设置当前倒角距离1和2 的值均为0,将直线EF与QR、OP倒直角。
完成的图形如图5-4所示。
(2)在“修改”工具栏中单击“修剪”按钮,调用修剪命令,以EF为剪切边界,修剪掉JK和MN直线的下部。
完成图形如图5-5所示。
(3)调整线段的长短在“修改”工具栏中单击“打断”按钮,调用打断命令,将QR、OP直线下部剪掉。
也可用夹点编辑方法调整线段的长短。
完成图形如图5-5所示。
图5-4 倒角修剪图5-5 修剪、打断8.绘制已知线段(1)将“轮廓”层作为当前层,调用直线命令,启动对象捕捉功能,绘制直线ST。
(2)调用圆命令,以直线AB、CD的交点O1为圆心,绘制直径为ф24的已知圆。
(3)确定半径为29的圆的圆心调用偏移命令,将直线AB向右偏移5个单位,再将偏移后的直线调整到合适的长度,该直线与直线AB的交点为O2。
(4)调用圆命令,以交点O2为圆心,绘制半径为29的圆。
完成的图形如图5-6所示。
9.绘制连接弧R24和R36在“修改”工具栏中单击“圆角”按钮,调用圆角命令,给定圆角半径为24,在直线OP上单击作为第一个对象,在半径为R29圆的右上部单击,作为第二个对象,完成R24圆弧连接。
同理以R36为半径,完成直线QR和直径为ф24圆的圆弧连接。
结果如图5-7所示。
5-6 绘制已知圆图5-7 绘制连接弧10.绘制钩尖半径为R24的圆弧因为R24圆弧的圆心纵坐标轨迹已知(距CD直线向下为9的直线上),另一坐标未知,所以属于中间圆弧。
又因该圆弧与直径为ф24的圆相外切,可以用外切原理求出圆心坐标轨迹。
两圆心轨迹的交点既是圆心点。
(1)确定圆心调用偏移命令,将CD直线向下偏移9个单位,得到直线XY。
再调用偏移命令,将直径为ф24的圆向外偏移24个单位,得到与ф24相外切的圆的圆心轨迹。
圆与直线XY的交点O3为连接弧圆心。
(2)绘制连接圆弧调用圆命令,以O3为圆心,绘制半径为24的圆,结果如图5-8所示。
11.绘制钩尖处半径为R14的圆弧因为R14圆弧的圆心在直线CD上,另一坐标未知,所以该圆弧属于中间圆弧。
又因该圆弧与半径为R29的圆弧相外切,可以用外切原理求出圆心坐标轨迹。
同前面一样,两圆心轨迹的交点既是圆心点。
(1)调用偏移命令,将直径为ф29的圆向外偏移14个单位,得到与ф29相外切的圆的圆心轨迹。
该圆与直线CD的交点O4为连接弧圆心。
(2)调用圆命令,以O4为圆心,绘制半径为R14的圆,结果如图5-9所示。
图5-8 绘制连接弧R24图5-9 绘制连接弧R1412.绘制钩尖处半径为R2的圆弧R2圆弧与R14圆弧相外切,同时又与R24的圆弧相内切,因此可以用圆角命令绘制。
调用圆角命令,给出圆角半径为2个单位,在半径为R14的圆上右偏上位置单击,作为第一个对象,在半径为R24的圆上右偏上单击,作为第二个圆角对象,结果如图5-10中云纹线中所示。
13.编辑修剪图形(1)删除两个辅助圆。
(2)修剪各圆和圆弧成合适的长短。
(3)用夹点编辑或打断的方法调整中心线的长度,完成的图形如图5-11所示。
14.保存图形单击“保存”按钮,选择合适的位置,以“图5-1”为名保存。
5.2 绘制平面图形综合实例2 —— 三视图绘制组合体三视图前,首先应对组合体进行形体分析。
分析组合体是由哪几部分组成的,每一部分的几何形状,各部分之间的相对位置关系,相邻两基本体的组合形式等。
然后根据组合体的特征选择主视图,主视图的方向确定之后,另外视图的方向也就随之确定。
图5-10 绘制R2连接弧 图5-11 完成图任务:绘制如图5-12所示的三视图。
目的:通过绘制此图形,熟悉三视图的绘制方法和技巧,学会利用“构造线”——即“辅助线”方法和对象捕捉、对象追踪的方法,来保证三视图的三等关系,提高绘图速度。
知识储备:基本绘图命令、编辑命令、环境设置和图层管理知识。
图5-12 轴承座三视图图形分析:绘制此图形,首先应利用形体分析方法,读懂图形,弄清图形结构和各图形间的对应关系。
此轴承座可分为四部分,长方体的底座、上部的圆柱筒、两侧的肋板和前部带圆孔的长方体立板,空心圆筒位于长方形板的正上方,肋板对称分布在圆筒的左右两侧。
画图时应按每个结构在三个视图中同时绘制,不要一个视图画完之后再去画另一个视图。
绘制该图形时,应首先绘制出中心线,确定出三视图的位置,然后绘制底板的外形结构,其次绘制圆筒,再次绘制两侧的肋板,前部立板,最后绘制各个结构的细小部分。
在AutoCAD下画图,无论是多大尺寸的图形,都可以按照1:1的比例绘制。
根据该图形的大小,绘制该图形的图形界限可以设置成A3纸横放(420×297)。
图层应该包括用到的线型和辅助线。
绘图步骤分解:1.绘图环境设置(1)设置图形界限新建一张图纸,按该图形的尺寸,图纸大小应设置成A3,横放,因此图形界限设置为420×297。
然后再点击“标准工具栏”上的“全部缩放”按钮,运行“图形缩放”命令中的“全部”选项。
(2)设置对象捕捉在草图设置对话框中,选择“交点”、“端点”、“中点”、“圆心”等,并启用对象捕捉。
2.设置图层按图形要求,打开“图形特性管理器”对话框,设置轮廓线层、中心线层、虚线层、辅助线层以及尺寸线层等,线型、颜色、线宽如图5-13所示。
3.绘制中心线等基准线和辅助线(1)绘制基准线选择中心线层,调用直线命令,绘制出主视图和俯视图的左右对称中心线BE ,俯视图的前后对称中心线FA ,左视图的前后对称中心线CD 。
在轮廓线层,绘制主视图、左视图的底面基准线GH 、IJ 。
(2)绘制辅助线选择辅助线层,调用构造线命令,通过FA 与CD 的交点C ,绘制一条 -45°的构造线,结果如图5-14所示。
4.绘制底板外形绘制底板时,可暂时画出其大致结构,待整个图形的大体结构绘制完成后,再绘制细小结构。
图5-13 图层特性窗口(1)利用偏移命令绘制轮廓线图5-14 绘制基准线及辅助线①调用偏移命令,将GH、IJ向上偏移复制18个单位,AB直线向左侧、右侧各偏移复制70个单位,FA直线向上方、下方偏移复制36个单位,CD直线向左侧、右侧各偏移复制36个单位。
②选择刚刚偏移得到的点划线型轮廓线,打开“图层”工具栏上的图层列表,将所选择的线调整到轮廓线层。
结果如图5-15所示。
图5-15 绘制底板轮廓线(2)用修剪、圆角命令完成底板外轮廓绘制参照例1,用修剪命令、圆角命令修剪三个视图,结果如图5-21所示。
如果读者觉得三个视图同时偏移后再修剪,图形较乱,感到无从下手,可一个视图5.绘制上部圆筒(1)绘制俯视图的圆调用圆命令,以交点A为圆心,分别以20和34为半径绘制直径为φ40和φ68的圆。