建筑工地防台风安全措施专项检查表
- 格式:docx
- 大小:172.90 KB
- 文档页数:3
施工现场防台防汛检查要点及检查表建筑工地防汛防台风工作检查要点在建筑工地中,防汛防台风工作至关重要。
以下是检查要点:一、应急预案和演练所有责任单位应编制防台风工作预案,并建立专门的防汛防台风工作指挥机构。
监理、建设、施工单位的主要负责人和技术负责人应一线带班检查,并组织应急演练。
监理单位应派人参加演练并监督各项准备工作的落实。
二、建筑基坑和施工围墙的检查应加强对基坑的监控,并立即采取应急措施,如发现有变形、位移或裂缝。
同时,应观测周边危险区域,确保基坑周边防护有效,并设置明显警示标志。
基坑应设置有效的排水设施,配备足够的潜水泵等排水设施,以确保排水及时,防止基坑坍塌。
三、施工现场排水1、根据施工总平面图及现场实际情况,规划和设计排水方案及设施,利用自然地形确定排水方向,并按规定坡度挖好排水沟。
2、若施工现场临近高地,应在高地的边缘(现场上侧)挖好截水沟,防止洪水冲入现场。
3、汛期前应做好傍山施工现场边缘的危石处理,防止滑坡、塌方威胁工地。
4、应指定专人负责,及时疏通排水系统,确保施工现场排水畅通。
四、脚手架的检查应加强架体与建筑物的拉结,并在落地式钢管脚手架周围设置排水措施,防止雨水浸泡脚手架。
悬挑架的悬挑梁锚固应符合要求,安全网和挡脚板应挂设牢固。
五、临时用电管理总配电箱、分配电箱、开关箱应有可靠的防雨措施。
已停止使用的线路、电箱、开关应全部切断电源。
六、大型机械设备施工塔吊、施工电梯、井架等起重设备应按规范要求附墙,并做好防雷措施。
塔吊吊臂应处于自由旋转状态,回旋半径不应有障碍。
人员应撤离。
七、各楼层管理1、对于高层建筑,应检查其临边防护是否到位并固定牢固。
2、楼层内易飞扬的建筑垃圾应及时清理。
3、靠近窗台、阳台边等容易发生坠落的地方的零星模板、钢管等材料应放置在室内,防止其坠落造成伤害。
八、办公、生活设施的安全状况1、需要撤离的人员应按照确定的避难场所组织撤离。
靠近山坡、海边或者搭设时间长、安全得不到保障的职工宿舍一律禁止住人。
建筑工地防风灾安全措施专项检查表
一、项目信息
- 工地名称:
- 项目位置:
- 施工单位:
- 监理单位:
- 检查日期:
二、检查内容
1. 建筑工地周边环境是否有高大建筑物、树木或其他障碍物。
2. 工地施工区域是否有围挡、围墙等防护设施。
3. 栋楼外部是否有构筑物或其他设施,需要加固或拆除。
4. 施工现场是否设有防风措施,如安装脚手架、构建临时遮阳
棚等。
5. 施工现场是否有工人佩戴安全帽、防护鞋等个人防护装备。
6. 施工现场是否放置稳固的材料堆放区,防止物品被风吹倒。
7. 施工现场是否拆除不必要的拆除设备及材料,减少风灾风险。
8. 施工现场是否设置检测气象条件的仪器或设备。
9. 施工现场是否有明确的紧急疏散路线和疏散指示。
10. 施工现场是否针对性组织过防风灾的应急演练。
三、检查结果
- 无异常:
- 有异常:
- 异常情况描述:
- 处理措施:
四、整改要求
- 针对异常情况,提出相应的整改要求,并设定整改时限。
五、检查人员
- 检查人1:
- 检查人2:
六、备注
- 备注信息。
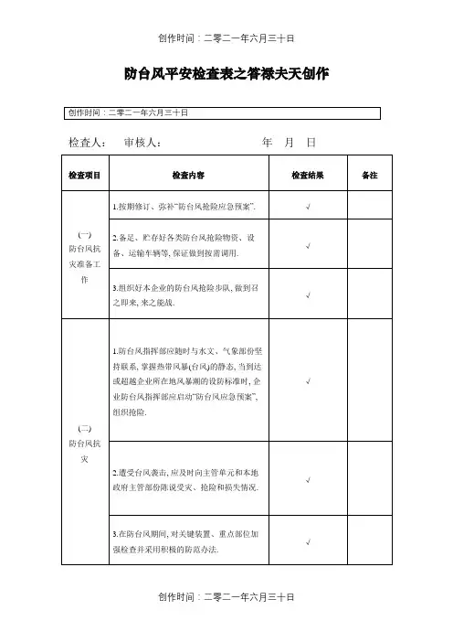
施工现场防台风安全检查表
防台风安全检查表
检査人:审核人:年月日检查项目检查内容检查结果备注(一) 防台风抗灾准备工
作1.定期修订、补充“防台风抢险应急预案”。
√
2.备足、储存好各类防台风抢险物资、设备、
运输车辆等,保证做到按需调用。
√
3.组织好本企业的防台风抢险队伍,做到召
之即来,来之能战。
√
(二) 防台风抗
灾1.防台风指挥部应随时与水文、气象部门保
持联系,掌握热带风暴(台风)的动态,当达
到或超过企业所在地风暴潮的设防标准时,
企业防台风指挥部应启动“防台风应急预
案”,组织抢险。
√
2.遭受台风袭击,应及时向主管单位和当地
政府主管部门报告受灾、抢险和损失情况。
√
3.在防台风期间,对关键装置、重点部位加
强检查并采取积极的防范措施。
√
4.在台风期间,应停止高空作业等危险作业。
超过6级风停止钢结
构施工。
建筑施工现场防台风防洪检查要点及检查
表
在建筑施工过程中,防止自然灾害对工程造成的破坏是非常重要的。
为了增强建筑施工现场防御自然灾害的能力,防台风防洪检查是必要的。
以下是建筑施工现场防台风防洪的检查要点:
防台风检查要点
1. 工地安全:施工现场的围栏、建筑材料、脚手架等设备要符合安全要求。
2. 材料准备:所有备用的材料,如钢绳、塑料布、螺丝等,应放在安全储藏室中储存,以便随时使用。
3. 现场准备:在台风来临前,应停止一切施工活动,并清除所有可能威胁到建筑物安全的物品。
4. 物品绑扎:在室外工作区,所有可能被风吹走的东西应该加以绑扎。
5. 部件检查:检查建筑物外部和内部的部件,确保它们不会被
强风吹走。
防洪检查要点
1. 排水:检查施工现场的下水道、排水系统是否畅通,以避免
积水。
2. 施工材料:所有建筑材料应该储存在干燥的地方,以免受到
潮湿的影响。
3. 洪水高峰期间:在洪水高峰期间,应停止一切施工活动,并
尽量将设备和材料提高到防止潮水淹没的高度。
为确保防台风防洪措施得到落实,建议制定防台风防洪检查表,并按期执行。
在检查表中列出的检查项目,有利于检查人员全面、
细致地检查施工现场是否存在安全隐患,从而能更好地保障建筑施
工的安全。
工地防台风防洪检查表
背景
每年台风和洪水带来的灾害都给工地带来了巨大的威胁。
为了确保工地的安全和减少潜在的损失,我们需要制定一份工地防台风防洪检查表。
检查项目
1. 形势评估:
- 检查当前的天气预报,了解台风和洪水的可能影响。
- 检查是否有降雨预警或台风警报发布。
2. 建筑物和设施:
- 检查所有建筑物的结构和外部设施的完整性,确保其能够抵御台风和洪水的冲击。
- 检查工地周围的排水系统,确保排水通畅,防止积水。
3. 材料和设备:
- 检查材料和设备的存放位置,确保其安全并无遗漏。
- 检查重要设备是否有防护措施,如防水罩或遮挡物。
4. 安全措施:
- 检查所有工人是否配备必要的防护装备,如安全帽、安全绳等。
- 检查紧急救援设备是否齐全,如急救箱、灭火器等。
5. 施工进度和计划:
- 检查施工进度,并根据天气情况来评估是否需要调整计划。
- 确保施工人员知晓紧急疏散程序,并进行相应的培训和演。
检查频率
- 在台风和洪水季节之前,至少进行一次全面的检查。
- 根据天气预报和警报情况,及时进行额外的检查。
检查记录
- 每次检查都应记录相关信息,包括日期、检查内容和发现的问题。
- 若发现问题,应及时采取措施修复,并记录修复情况。
总结
通过定期进行工地防台风防洪检查,我们可以及时发现和解决潜在的安全隐患,保护工地的安全和减少可能的损失。
请各位工作人员密切关注天气状况,认真执行本检查表,并记录相关信息以备参考。
如有紧急情况,请立即采取适当措施并上报上级领导。
工程现场防台风防洪检查表1. 工程现场基本信息- 工程名称:- 工程地点:- 工程负责人:2. 人员准备情况3. 防台风措施3.1 施工现场准备- 清理施工现场的杂物,确保无危及人员安全的物品;- 检查脚手架、临时设施等是否牢固、稳定;- 检查吊装设备、起重机具是否符合安全要求;- 加固施工现场围墙和临时道路。
3.2 防护措施- 安装防风网,固定好防风网与建筑物之间的连接处;- 对高层建筑施工现场,确保吊装物品稳固,采取防倾倒措施;- 确保各个工作区域设有紧急疏散通道,通道畅通无堵塞;- 检查施工现场的消防设施是否正常运行。
3.3 检查记录日期:________ 时间:________- 工程现场基本情况:- 人员准备情况:- 防台风措施情况:- 其他说明:4. 防洪措施4.1 施工现场准备- 清理施工现场的水沟和排水设施;- 检查施工现场的排水管道是否通畅;- 加固施工现场围墙和临时道路,确保能够承受洪水冲击;- 检查周边环境是否存在影响施工现场排水的因素。
4.2 防护措施- 建立有效的水位监测系统,及时发现水位变化;- 提前准备抗洪物资,如沙袋、防水胶带等;- 对有潜在洪水风险的区域,采取加固措施;- 确保施工现场的紧急疏散通道通畅。
4.3 检查记录日期:________ 时间:________- 工程现场基本情况:- 人员准备情况:- 防洪措施情况:- 其他说明:5. 总结与建议- 总结工程现场防台风防洪检查情况;- 提出建议改进的方面;- 其他需要记录的事项。
以上为工程现场防台风防洪检查表,请根据实际情况填写并保存记录。
建筑工地防汛防台风工作检查要点一、应急预案、应急演练各责任单位是否编制防台风工作预案,是否建立专门的防汛防台风工作指挥机构,监理、建设、施工单位主要负责人和技术负责人是否一线带班检查、一线组织应急演练,监理单位派人参加演练并监督各项准备工作落到实处。
二、建筑基坑、施工围墙的检查加强对基坑的监控,发现有变形、位移、裂缝的要立即采取应急措施,并对周边危险区域的观测,确保基坑周边防护有效,设置明显警示标志。
基坑是否设置有效的排水设施,配备足够的潜水泵等排水设施,确保排水及时,防止基坑坍塌。
三、施工现场排水1、根据施工总平面图及现场实际情况,规划和设计排水方案及设施,利用自然地形确定排水方向,按规定坡度挖好排水沟。
2、若施工现场临近高地,应在高地的边缘(现场上侧)挖好截水沟,防止洪水冲入现场。
3、汛期前做好傍山施工现场边缘的危石处理,防止滑坡、塌方威胁工地。
4、指定专人负责,及时疏通排水系统,确保施工现场排水畅通。
四、对脚手架的检查是否加强架体与建筑物的拉结,落地式钢管脚手架周围设置排水措施,防止雨水浸泡脚手架,悬挑架的悬挑梁锚固是否符合要求,检查安全网和挡脚板是否挂设牢固。
五、临时用电管理总配电箱、分配电箱、开关箱应有可靠的防雨措施,对已停止使用的线路、电箱、开关全部切断电源。
六、大型机械设备施工塔吊、施工电梯、井架等起重设备是否按规范要求附墙,做好防雷措施,塔吊吊臂是否处于自由旋转状态,回旋半径是否有障碍、人员是否已撤离。
七、各楼层管理1、对于高层建筑,应检查其临边防护是否到位、并固定牢固。
2、楼层内一些易飞扬的建筑垃圾应及时清理。
3、靠近窗台、阳台边等容易发生坠落的地方的零星模板、钢管等材料应将其放置在室内,防止其坠落造成伤害。
八、办公、生活设施的安全状况1、需要撤离的是否按照确定的避难场所组织人员撤离施工现场,凡靠近山坡、海边或者搭设时间长、安全得不到保障的职工宿舍一律禁止住人,是否将所有住在低洼地区和存在安全隐患临时建筑的人员撤离至安全地带。
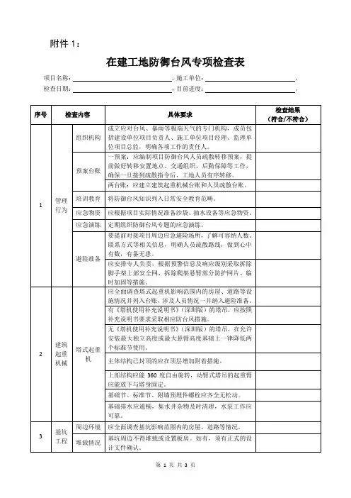
附件:建筑工地防台风安全措施专项检查表
整改落实情况是否与应急避险部门联系,落实安置点,做好疏散人员准备工作,
工地排水系统是否畅通,基坑周边的硬底化是否完善。
建
筑
起重机械10
11
塔身设有的标牌、横幅等悬挂物及塔身上存有的的易坠物是否清除;动力电缆是否规范固定在塔身上。
台风影响期间是否停止外脚手架搭设作业,无法完成的脚手架拆除作业,是否已采取加固措施。
外脚手架严禁超出作业面一步架,最上一处连墙件以上安全网全部拆除。
顶层外架如无法与主体结构连接,是否将脚手架与内支模架做临时连接加固。
(与支模架连接应不少于两跨)
悬挑防护棚、悬挑外挑网是否已采取加固措施。
竖向主框架所覆盖的每一楼层处是否均设置一道附墙支座。
防坠落、防倾覆装置是否按要求安装。
建筑垃及施工材料是否清理堆放整齐。
检查结论检查人员
经现场检查,以上
建设单位
项不符合要求,其他问题:
施工单位监理单位。
工程现场防台风防洪检查表
项目信息
项目名称:
项目编号:
工程地址:
检查日期:
检查人员:
检查内容
1. 施工材料和设备
- 检查材料和设备的固定情况,确保其牢固可靠。
- 检查材料和设备的防水性能,确保其能有效抵御台风和洪水的侵蚀。
2. 建筑结构
- 检查建筑结构的稳定性,确保其能够承受台风和洪水带来的压力。
- 检查建筑结构的防水性能,确保其能有效防止水的渗漏和侵入。
3. 排水系统
- 检查排水系统的畅通情况,确保雨水和洪水能够迅速排出,避免积水造成损害。
- 检查排水设备的正常运行,如泵站、雨水篦子等。
4. 施工现场管理
- 检查施工现场的安全设施,如护栏、警示标识等,确保施工人员的安全。
- 检查工地周边的临时设施,如围挡、疏导措施等,确保施工现场不受台风和洪水的影响。
5. 紧急应急措施
- 检查现场的应急物资和设备,如救生圈、救生衣等,确保在台风或洪水来临时能够及时应对。
- 检查应急预案和逃生通道,确保能够迅速组织人员疏散和应对紧急情况。
备注:。