钢筋制作与绑扎大赛方案
- 格式:doc
- 大小:46.50 KB
- 文档页数:7
XXX院校技能竞赛“钢筋工”赛项方案一、赛项名称赛项名称:钢筋工赛项归属专业类:土木建筑类二、竞赛目的通过此项目竞赛,检验参赛选手钢筋手工算量基本理论知识的掌握程度、16G101图集制图规则的熟悉程度、钢筋工程质量检测与验收的熟悉程度,形成刻苦好学、勤奋向上的学习氛围蛮,全面提升学生动手能力,引导我校土木工程类等相关专业教学改革发展方向,完善理实一体化教学改革,深入开展项目式、任务驱动式的教学模式,促进工学结合人才培养模式改革与创新,培养可持续发展的满足企业需求的土木工程技能型人才。
三、竞赛内容(一)竞赛内容1.按照比赛监考老师指定分部工程,填写钢筋配料表,钢筋配料见附表1。
2.领取检测工具,对指定钢筋工程成品进行质量检测,并交所填写的所有资料。
检测内容如下:(1)钢筋的选用与图纸所示情况;(2)钢筋连接;(3)绑扎钢筋、预埋件的尺寸偏差情况;(4)使用测量仪器进行标高复核;(5)所填写的所有资料,详见附表2、3、4、5。
3.汇报性总结参赛选手完成以上检测提并交验收资料后,统一至指定的教室或实训室进行总结发言。
(1)对检测到的施工质量问题拍摄照片进行阐述,由代表阐砌筑中检测到的问题,并针对问题提出修改意见;(2)竞赛中的收获。
(二)竞赛方案★钢筋配料单模块1.竞赛方式为竞赛现场进行计算。
2.竞赛形式为计算圈定的主梁和次梁的全部钢筋工程量。
3.选手需根据梁的平法施工图纸完成梁的钢筋算量明细表,即钢筋配料单,详见附表1。
★资料填写模块参赛选手到达土木建筑实训中心——钢筋工实训场地,对照“混凝土工艺工法展示区梁结构平法施工图”,完成钢筋分部分项工程的质量检测与验收,并填写质量验收资料,具体方案如下:1.参赛团队协作完成钢筋分部分项工程梁构件中钢筋及预埋件隐蔽工程的质量检查与验收,并填写质量验收资料,详见附件2。
2.参赛团队协作完成钢筋分部分项工程梁构件中钢筋加工工程检验批的质量验收,并填写质量验收记录表,详见附件3。
XXXXXXXXXXXXXX工程经理部质量月技能比武大赛活动方案为了响应XXXXXXXX 精神,进一步激发工程一线操作工人学技术、练技能的热忱,促进参建人员技能水平的提高,营造“赶学比超”氛围,经XXX 工程治理班子争论打算,于 9 月下旬在工程部举办 2023 年质量月技能比武大赛。
为了做好竞赛各项预备工作,选拔优秀参赛选手,特制订本方案。
一、组织机构及职责1、组织机构评委组长:XX评委成员:XXX计时员:XXX摄影人员:XX统计员:XXX工作人员:XXX2、职责(1)评委组长职责:全面负责本次竞赛的组织、指导、评比及监视工作,协调各班组协作工程部做好本次竞赛。
(2)评委成员职责:依据评分标准给每位选手打分。
(3)其他成员职责①计时员:用各自的手机为每位选手进展计时,并报给评委。
②摄影员:预备一套照相机,为本次活动留下影像资料。
③统计员:负责每个选手的统分和名次的划分,并上报组长。
④工作人员:依据焊工现场竞赛平面布置图维护好现场秩序,避开其他人员进入竞赛现场。
二、参赛对象1、电焊工:各工区目前从事电焊工作并取得《电焊工岗位资格证》的在职工人2、钢筋工:各工区目前从事钢筋安装与绑扎工作的在职工人三、竞赛时间及地点参赛时间:2023 年9 月26 日竞赛地点:XXXXX 厂四、竞赛流程9:00—9:30 指定地点集合,参赛人员现场签到。
9:30—10:00 参赛人员抽取竞赛编号,确定竞赛挨次;由工作人员引领选手进入竞赛场地。
10:00—14:00 分工种进展竞赛。
14:00—14:30 评审委员会进展评审打分。
14:30—15:00 宣布竞赛成绩,颁发嘉奖及证书。
五、竞赛内容1、钢筋安装及绑扎技能竞赛竞赛内容:T 梁钢筋下料及加工、T 梁钢筋骨架现场安装绑扎参赛人员:钢筋工。
赛前预备:工程部应提前完成相应T 梁钢筋原材等预备工作;竞赛使用的T 梁台座提前编号,张贴标识。
竞赛流程:1、每对参赛小组进入指定位置做好竞赛前的预备工作。
钢筋绑扎劳动竞赛方案钢筋绑扎劳动竞赛方案一、竞赛目的与意义钢筋绑扎是建筑施工中不可或缺的环节,是保障建筑物结构安全牢固的重要环节。
钢筋绑扎工人需要具备高度的专业技能和团队合作精神。
为了提高钢筋绑扎工人的绑扎技术水平、促进劳动竞赛,激发工人劳动积极性,提高劳动效率,我们特此组织钢筋绑扎劳动竞赛。
本次竞赛旨在通过竞技形式,提高工人绑扎技能,规范操作流程,增强工人之间的交流与合作能力,形成良好的职业素质与团队精神,促进企业钢筋绑扎工作的质量和效益的提升。
二、竞赛方式与规则1. 参赛资格:参赛选手应是公司或项目部内的正式结算工人,具有一定的钢筋绑扎经验和技能。
2. 命题与时间:竞赛命题以常见的建筑结构为主,参赛选手需要按照规定时间完成一道或多道绑扎任务。
3. 竞赛分组:根据参赛选手人数和实际情况,将工人分成小组进行比赛。
4. 竞赛评分:绑扎任务完成后,由评委对每个参赛选手的绑扎质量、速度、操作规范等进行评分。
a. 绑扎质量:钢筋绑扎质量是评判工人绑扎技术水平的重要指标。
评委将对绑扎的牢固程度、筋间距离、绑扎节点等进行评估。
b. 绑扎速度:钢筋绑扎的速度也是衡量工人绑扎能力的重要指标。
评委会对参赛选手完成绑扎任务所用时间进行计时。
c. 操作规范:参赛选手的操作规范直接关系到工人们的安全和业务能力。
评委将考察选手在操作过程中是否遵守相关的安全规定和技术操作规程。
5. 竞赛奖项:根据评分,设立一、二、三等奖,并颁发相应的奖牌和奖金。
6. 竞赛场地与设备:竞赛场地应有足够的空间和安全设施,包括绑扎桁架、绑扎工具和钢筋材料等。
7. 竞赛安全与保障:竞赛过程中,要重视安全,保障参赛选手和观众的人身安全。
严禁携带可燃物品、尖锐物品等进入竞赛场地。
三、竞赛组织与流程1. 确定竞赛日期和场地,并通知参赛选手参加竞赛。
2. 设立竞赛组委会,包括竞赛指导老师、裁判员、计时员、安全保卫员等。
3. 将参赛选手分成若干小组,并举行技能培训,提前熟悉竞赛要求和规则。
xxxxxxxxx项目钢筋绑扎技能大赛活动方案一、活动目的为积极落实xxxxx党建引领活动的开展,响应公司质量月活动精神,围绕增强质量意识,弘扬工匠精神,夯实质量管理基础,加强质量品牌建设,推行建委“增强质量意识,推进高质量发展”的质量观,增强项目核心竞争力,提高项目各劳务班组技能工人水平,打造一支适应公司发展需要的高技能工人队伍,项目部决定于xx月xx日在项目施工现场举办钢筋绑扎技能大赛。
为了做好大赛各项准备工作,特制订本方案:二、组织单位主办单位:xxxxx项目部三、活动时间、地点、人员1、活动时间:xxxxx,上午9:00;2、活动地点:集合地点:xxxxx;比赛地点:xxxxx;3、参加人员:甲方代表、监理代表、项目部各系统负责人(生产、技术、质量)、劳务队负责人及劳务班组;活动流程1、参加活动人员到场(9:00);2、主持人宣读本次活动主题、参会领导、介绍参赛队伍及比赛流程(9:00-9:10);3、质量总监xxxxx宣读打分评审标准(9:10-9:15);4、项目经理xxxxx宣布比赛正式开始(9:15-9:20);5、各队伍进入施工操作面比赛(9:20-10:00);6、评审小组对各队伍绑扎成果评审打分(10:00-10:10);7、宣布比赛成绩,颁发奖品(10:10-10:15);8、建设单位领导讲话,宣布比赛活动结束(10:15-10:20)。
五、具体比赛内容钢筋绑扎技能比赛比赛内容:现场钢筋绑扎参赛人员:xxxxx劳务班组10人、xxxxx劳务班组10人,共4支队伍(每支队伍5人);场地选择:根据参赛人员数量,南北区各选择一段施工段做为比赛场地,分别选取竖向墙体钢筋进行比赛。
赛前准备:对比赛区域和竖向墙体钢筋提前编号,张贴标识。
比赛时长:1小时以内。
七、施工机具参赛所需施工工具,原则上由参赛人员自行携带;八、比赛要求1、各参赛队伍统一工装服装,安全帽。
2、赛前各施工队做好各施工作业面的技术交底和培训,比赛过程中不得询问工艺和作业方法等问题。
工程施工比武活动方案第一部分:活动背景为了提高工程施工人员的技能水平,增强团队合作意识,激励施工人员积极参与工作,我公司决定举办一次工程施工比武活动。
通过比武活动,可以让施工队伍相互竞争,相互学习,共同进步,为项目的顺利进行提供有力支持。
第二部分:活动目的1. 提高施工人员的技能水平,提升施工效率;2. 增强团队合作意识,促进施工队伍的凝聚力;3. 激励施工人员积极进取,努力工作;4. 推动项目的顺利进行,提高整体工程质量。
第三部分:活动时间和地点时间:2022年4月1日地点:公司施工基地第四部分:比武项目及规则1. 钢筋绑扎比武规则:参赛选手需准备好所需的钢筋,并在规定时间内完成绑扎工作,以绑扎数量和质量评比胜负。
评判标准:绑扎数量、绑扎质量。
2. 砌墙比武规则:参赛选手需准备好所需的砖块和水泥,并在规定时间内完成砌墙工作,以砌墙的平整度和牢固度评比胜负。
评判标准:平整度、牢固度。
3. 混凝土浇筑比武规则:参赛选手需准备好所需的混凝土和模具,完成模具的搭建和混凝土的浇筑工作,在规定时间内完成浇筑作业。
评判标准:浇筑效果、浇筑速度。
4. 施工安全知识竞赛规则:参赛选手需回答与施工安全相关的问题,以考察施工人员的安全意识和知识水平。
评判标准:答题正确率。
第五部分:参赛人员1. 各施工队每队选派5名队员参加比武活动;2. 所有参赛人员需参加施工安全知识竞赛。
第六部分:奖项设置1. 钢筋绑扎比武:第一名奖励1000元,第二名奖励800元,第三名奖励500元;2. 砌墙比武:第一名奖励1000元,第二名奖励800元,第三名奖励500元;3. 混凝土浇筑比武:第一名奖励1000元,第二名奖励800元,第三名奖励500元;4. 施工安全知识竞赛:第一名奖励500元,第二名奖励300元,第三名奖励200元。
第七部分:活动流程1. 上午9:00-9:30 全体参赛人员集合,主持人宣布活动规则;2. 上午9:30-11:30 钢筋绑扎比武;3. 上午11:30-12:00 砌墙比武;4. 下午1:30-3:30 混凝土浇筑比武;5. 下午3:30-4:00 施工安全知识竞赛;6. 下午4:00 颁发奖项、结束活动。
一、活动背景钢筋绑扎是建筑工程中的基础工艺之一,它关系到建筑物的结构安全和质量。
为了提高建筑行业从业人员的专业技能,增强团队协作能力,培养创新意识,特举办钢筋绑扎比赛活动。
二、活动目的1. 提高建筑行业从业人员的钢筋绑扎技能水平。
2. 促进从业人员之间的交流与合作,增进行业内部的团结与友谊。
3. 展示我国建筑行业的技术实力,提升行业整体形象。
4. 培养参赛者的创新意识,激发行业创新活力。
三、活动主题“技能铸精品,创新促发展——钢筋绑扎技能大赛”四、活动时间2023年10月15日至10月17日(具体时间根据实际情况调整)五、活动地点XX市XX建筑工程有限公司施工现场六、活动对象1. 全国各建筑企业从事钢筋绑扎工作的技术工人。
2. 建筑工程类院校的学生。
七、比赛项目1. 钢筋绑扎单项赛2. 钢筋绑扎团队赛八、比赛规则1. 钢筋绑扎单项赛:- 比赛时间:120分钟。
- 比赛内容:现场抽取钢筋绑扎图样,按照图样要求进行钢筋绑扎。
- 评分标准:按照钢筋绑扎质量、速度、安全操作等方面进行评分。
2. 钢筋绑扎团队赛:- 每队由3名选手组成,其中1名队长。
- 比赛时间:180分钟。
- 比赛内容:现场抽取钢筋绑扎图样,按照图样要求进行钢筋绑扎。
- 评分标准:按照钢筋绑扎质量、速度、安全操作、团队协作等方面进行评分。
九、奖项设置1. 钢筋绑扎单项赛:- 一等奖1名,奖金5000元。
- 二等奖2名,奖金3000元。
- 三等奖3名,奖金2000元。
- 优秀奖若干名,奖金1000元。
2. 钢筋绑扎团队赛:- 冠军1名,奖金10000元。
- 亚军1名,奖金8000元。
- 季军1名,奖金6000元。
- 优秀奖若干名,奖金2000元。
十、活动流程1. 报名阶段(2023年9月1日至9月30日):- 各参赛单位和个人向组委会提交报名表。
- 组委会审核报名资格,确定参赛名单。
2. 比赛准备阶段(2023年10月1日至10月14日):- 组委会安排比赛场地、设备和材料。
水利工程钢筋制作绑扎专项方案一、前言水利工程是指人工筑造的或改造的水利设施和设备。
水利工程中的钢筋制作及绑扎是其中非常重要的一项工作,能直接影响水利工程的施工质量和安全性。
因此,为了保证水利工程建设的质量和安全,特制定此水利工程钢筋制作绑扎专项方案。
二、工程概况水利工程项目位于xx省xx市,总投资xx万元,总占地面积xx平方米,主要包括xx工程、xx工程等。
三、现场勘测3.1 现场基本情况经过现场勘测,水利工程主体结构施工区域为xx平方米,总需用钢筋xx吨,并根据设计图纸要求确定了具体的钢筋类型、规格和数量;3.2 现场环境情况施工区域周边交通情况良好,无影响工程进度的临近建筑物及管线,气象条件稳定,适合进行钢筋制作及绑扎工作。
四、工作内容4.1 钢筋制作4.1.1 材料准备根据设计图纸和相关规范要求,选用优质的钢筋原材料,严格按照工程设计图纸的要求采购和验收。
4.1.2 钢筋加工严格按照设计要求,在加工钢筋前要进行冷弯试验,并制定钢筋冷弯方案,以保证冷弯的钢筋冷弯半径符合规范要求。
在对钢筋进行切割、弯曲等工序时,要严格按照图纸要求进行操作,保证钢筋的尺寸、弯曲角度和弯曲半径符合设计要求。
4.1.3 材料保护加工完成的钢筋应严格按照规范要求进行堆放和保护。
对于因工作需要而产生的废弃钢筋及剪头,应及时清理并进行废弃处理。
4.2 钢筋绑扎4.2.1 绑扎工具准备绑扎工具应符合国家规定的安全标准,包括钢筋绑扎机、捆扎钢丝、剪刀等。
4.2.2 绑扎操作在进行钢筋绑扎工作时,要根据设计图纸和规范要求进行操作。
要求绑扎牢固、连接紧密、错位合理,并保证绑扎点的数量和位置符合设计要求。
4.2.3 安全防护进行绑扎作业时,必须佩戴符合规范要求的安全防护用品,严格遵守作业安全规程,确保绑扎作业过程安全顺利进行。
五、质量控制5.1 巡视检查在钢筋制作及绑扎施工过程中,应有负责人进行巡视检查,检查加工及绑扎的质量和工艺是否符合设计要求和规范要求。
钢筋工程施工技能比赛方案一、比赛目的和意义钢筋工程施工技能比赛是为了提高钢筋工程施工人员的技术水平和施工质量,促进钢筋工程施工行业的发展,提升企业和员工的竞争力,加强企业间的交流和合作,为建设更加安全、高效的钢筋工程提供人才支持。
比赛目的在于选拔和培养一批技术过硬、实践经验丰富、责任心强的钢筋工程施工人员,推动钢筋工程施工技能的持续发展,为钢筋工程施工质量的提升和钢筋工程的可持续发展提供技术支持。
二、比赛参与者1. 参赛人员资格要求:(1) 年龄在20-50岁之间;(2) 具有建筑类或相关专业学历,持有相关职业资格证书;(3) 在钢筋工程施工领域有一定的工作经验;(4) 具有良好的团队合作能力和沟通能力。
2. 参赛人员数量:每支参赛队伍由6名成员组成,其中包括队长、副队长和队员等职能角色。
三、比赛赛制和内容比赛包括理论知识考核、技能操作实操以及实际施工操作三个环节。
1. 理论知识考核:主要考核参赛队员对钢筋材料、施工工艺、施工安全等相关理论知识的掌握情况。
考核形式可以采用笔试、口试等方式进行,题型包括选择题、填空题、简答题等。
2. 技能操作实操:包括模拟传统钢筋工程施工操作,参赛队员需按照规定的工艺流程完成钢筋加工、组装、安装等实操工作。
考核内容主要包括钢筋切割、钢筋焊接、钢筋螺栓连接、钢筋搭接、钢筋固定等部分。
3. 实际施工操作:参赛队伍需在规定的施工场地进行实际钢筋工程施工操作,包括基础、框架、梁柱等部位的钢筋施工。
要求参赛队伍按照规范要求进行施工,保证施工质量。
四、比赛评分标准1. 理论知识考核:考核成绩占比30%,主要评分标准包括答题正确率、答题深度、答题速度等。
2. 技能操作实操:考核成绩占比40%,主要评分标准包括工艺流程操作规范、操作技能熟练度、安全操作意识等。
3. 实际施工操作:考核成绩占比30%,主要评分标准包括施工质量、施工速度、施工安全等。
五、比赛奖励办法1. 比赛设立金、银、铜奖,并设有最佳组织奖、最佳个人奖等。
建筑专业竞赛钢筋工项目实施方案一、竞赛项目及内容1.竞赛项目本次竞赛设钢筋工、测量放线工二个项目,分为学生组、教师组二个组别。
其中,建筑测量放线工为学生组团体竞赛项目,其余为个人竞赛项目。
2.竞赛内容与方式竞赛内容以国家职业标准《钢筋工》和《测量放线工》高级工(国家职业资格三级)的要求为基础。
各工种的竞赛内容包括理论知识与操作技能两部分。
(1)理论知识部分理论知识竞赛采取答卷方式进行。
钢筋工理论知识主要考察:钢筋工结构施工图知识,框架梁、板、柱及一般楼梯等结构的构造特点,钢筋取样方法、试验报告单,一般施工组织管理知识、劳动定额知识、质量管理基础知识、预应力混凝土施工机具知识,预应力和非预应力钢筋下料计算方法等。
测量放线工理论知识主要考察:看懂并学会审核复杂施工图和有关测量放线施工图的关系和尺寸,掌握绘制平、立剖面图的步骤和方法,掌握地形图的识读要领,能够通过等高线确认地貌特征及地上物的准确位置确认,普通经纬仪的操作与检验方法,建筑物的沉降观测,掌握全站仪的常规操作等。
(2)操作技能部分操作技能竞赛以现场实际操作的方式,按图纸要求完成技能竞赛项目。
钢筋工操作技能主要考察:在正确理解图纸(如图二)的基础上和限定时间内,正确选用工具和材料,采用双丝十字扣,加工绑扎完成一较复杂结构节点。
要求能正确理解图纸,施工程序正确;作业几何尺寸正确;绑扎牢固,方法正确;主筋、箍筋位置正确;无安全事故;作业面及施工现场干净整洁。
测量放线工操作技能主要考察:在正确理解图纸(如图三)的基础上和限定时间内,正确用指定的测量仪器,完成点的测设放样;要求能正确理解图纸,测量程序正确;精度在误差范围内;无安全事故;作业面及施工现场干净整洁。
相关技能要求及知识要求详见附表3.竞赛时间技能操作考试时间:(1)钢筋技术:完成规定的全部工作任务时间为4小时;(2)建筑测量放线技术:完成规定的全部工作任务时间为1.5小时。
4.竞赛评定方法竞赛成绩由理论知识成绩和操作技能成绩两部分组成,理论知识成绩占20%,操作技能成绩占80%。
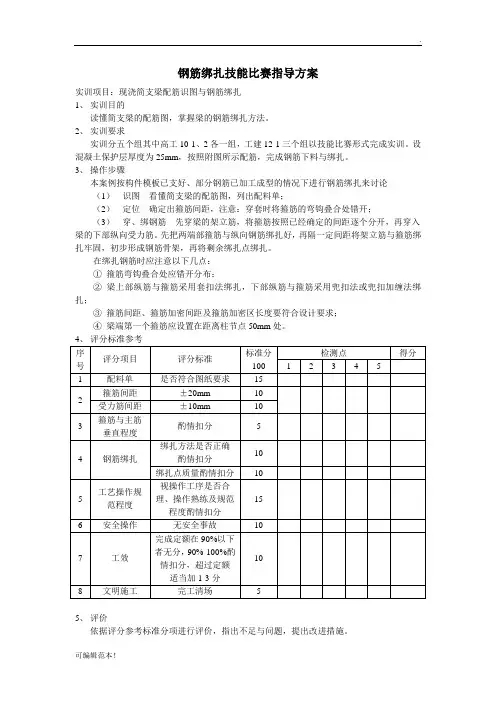
.钢筋绑扎技能比赛指导方案实训项目:现浇简支梁配筋识图与钢筋绑扎1、实训目的读懂简支梁的配筋图,掌握梁的钢筋绑扎方法。
2、实训要求实训分五个组其中高工10-1、2各一组,工建12-1三个组以技能比赛形式完成实训。
设混凝土保护层厚度为25mm,按照附图所示配筋,完成钢筋下料与绑扎。
3、操作步骤本案例按构件模板已支好、部分钢筋已加工成型的情况下进行钢筋绑扎来讨论(1)识图看懂简支梁的配筋图,列出配料单;(2)定位确定出箍筋间距,注意:穿套时将箍筋的弯钩叠合处错开;(3)穿、绑钢筋先穿梁的架立筋,将箍筋按照已经确定的间距逐个分开,再穿入梁的下部纵向受力筋。
先把两端部箍筋与纵向钢筋绑扎好,再隔一定间距将架立筋与箍筋绑扎牢固,初步形成钢筋骨架,再将剩余绑扎点绑扎。
在绑扎钢筋时应注意以下几点:①箍筋弯钩叠合处应错开分布;②梁上部纵筋与箍筋采用套扣法绑扎,下部纵筋与箍筋采用兜扣法或兜扣加缠法绑扎;③箍筋间距、箍筋加密间距及箍筋加密区长度要符合设计要求;④梁端第一个箍筋应设置在距离柱节点50mm处。
4、评分标准参考序号评分项目评分标准标准分100检测点得分1 2 3 4 51 配料单是否符合图纸要求152箍筋间距±20mm 10 受力筋间距±10mm 103 箍筋与主筋垂直程度酌情扣分 54 钢筋绑扎绑扎方法是否正确酌情扣分10 绑扎点质量酌情扣分105 工艺操作规范程度视操作工序是否合理、操作熟练及规范程度酌情扣分156 安全操作无安全事故107 工效完成定额在90%以下者无分,90%-100%酌情扣分,超过定额适当加1-3分108 文明施工完工清场 55、评价依据评分参考标准分项进行评价,指出不足与问题,提出改进措施。
. 附图:?6@200?6@100?6@100。
钢筋绑扎比赛策划书3篇篇一《钢筋绑扎比赛策划书》一、比赛主题“展现技能风采,提升专业水平”二、比赛目的通过举办钢筋绑扎比赛,提高建筑相关专业人员的技能水平和实践能力,激发大家对建筑工艺的热情和创新精神,同时促进业内的交流与合作。
三、比赛时间与地点时间:[具体比赛时间]地点:[详细比赛场地]四、参赛对象建筑相关专业的学生、建筑工人、建筑企业员工等。
五、比赛规则1. 比赛以小组为单位进行,每组[X]人。
2. 参赛队伍需在规定时间内完成指定钢筋结构的绑扎任务。
3. 评判标准包括绑扎质量、速度、工艺规范等方面。
4. 比赛过程中需遵守安全操作规程。
六、比赛流程1. 报名阶段:参赛队伍在规定时间内提交报名信息。
2. 赛前培训:组织参赛选手进行钢筋绑扎相关知识和技能的培训。
3. 比赛日:开幕仪式,介绍比赛规则和评委。
各参赛队伍按顺序开始比赛。
比赛时间结束后,评委进行现场评判和打分。
4. 颁奖仪式:宣布比赛结果并进行颁奖。
七、奖项设置设立一等奖[X]名、二等奖[X]名、三等奖[X]名,以及优秀奖若干名,分别给予相应的奖励和荣誉证书。
八、宣传推广通过建筑行业媒体、社交媒体、学校宣传渠道等广泛宣传本次比赛,吸引更多的人关注和参与。
九、评委组成邀请建筑领域的专家、教授、资深工匠等担任评委,确保比赛评判的专业性和公正性。
十、比赛预算1. 奖品费用:[具体金额]2. 宣传费用:[具体金额]3. 场地布置费用:[具体金额]4. 其他费用:[具体金额]十一、注意事项1. 比赛现场要确保安全,设置必要的安全防护措施。
2. 提前准备好比赛所需的材料和工具。
3. 做好比赛的组织和协调工作,确保比赛顺利进行。
十二、活动效果评估篇二《钢筋绑扎比赛策划书》一、比赛主题“展现技能风采,铸就建筑品质”二、比赛目的通过举办钢筋绑扎比赛,提高建筑行业从业者的技能水平,激发他们的工作热情和创新精神,同时也为行业内的人才提供一个展示自我和交流学习的平台。
数 量:使用部位:钢筋编号:钢筋规格:标识卡钢筋制作绑扎施工方案一、准备工作1.1、测量准备根据平面控制桩, 用经纬仪和100米钢卷尺在垫层上放出轴线。
板上放出该层平面控制轴线。
待竖向钢筋绑扎完成后,用水准仪在竖向钢筋上部标出标高控制点。
1.2、技术准备1) 配筋技术人员应充分领会设计要求,严格按照《混凝土结构工程施工质量验收规范》、《混凝土结构施工图平面整体表示方法制图规则和构造详图》(11G101-1)及设计施工图纸。
2) 在钢筋绑扎之前,技术人员要对各级管理人员和工人进行技术规范交底和关键部位施工交底。
3) 测量放线人员根据图纸,放出轴线、墙、暗柱、集水坑和洞等位置线,对基础筏板承台拉梁和墙柱要放出轴线、结构边线和控制线,并用油漆明显标识,并报监理单位进行检查验收。
4) 钢筋进场的同时提交钢筋材质证明书并及时按规定见证取样做复试,严格按规范要求进行。
1.3、钢筋焊接前的准备工作:闪光对焊、电渣压力焊必须先做试样,经实验室试验合格后,方可进行施工焊接,否则不允许进行操作,必须换人进行操作,再取试样做出复试。
已加工好的钢筋按绑扎顺序分类、分区码放整齐,成行成列,成品和半成品存放场地挂标识卡,标识卡标明钢筋规格、钢筋编号、使用部位及数量。
标识卡如下:1.4、材料、设备准备1)钢筋原材:钢筋选用9米定尺。
进场钢筋原材按未检验钢筋、检验合格钢筋、检验不合格钢筋分别堆放。
不得直接堆放在地面上,应用100×100木方垫块架空堆放,以免被水浸泡而生锈。
并挂标识牌,标识牌规格尺寸297×210mm。
标识牌如下:进场钢筋必须有产品质量证明书,原材试验报告,并按照分批、牌号、规格、分别挂牌堆放,不得混淆。
进场后材料分批进行复试,如有其中一项指标不合格,则双倍取样重新复试,如仍不合格,则该批钢筋为不合格品,并明确标好不合格标识,准备予以退场。
2)对加工成型的墙柱梁钢筋、剪力墙竖向钢筋进行预检。
产业工人技能大赛实施方案为了提高公司一线产业工人技能水平,牢固树立“追求完美、永无止境”的质量理念,增强公司核心竞争力,打造一支适应公司发展需要的高技能职工队伍,促进公司生产、经营持续高效发展,特制定本方案。
一、组织部门主办单位:承办部门:协办项目:二、比赛主题产业工人技能大赛三、参加工种砌筑工、钢筋工、抹灰工四、参赛要求1、公司所属项目上述工种从业人员;2、各个项目组织优秀班组积极参加;3、各个项目经理要以本项目为分赛场,自行组织本项目职工技能大赛,选拔优秀选手,推荐参加公司组织的比赛;4、参赛班组以项目为单位,每个项目经理应至少安排领队一人,负责项目参赛人员的组织与协调。
五、比赛地点项目部六、比赛时间暂定七、赛事流程7:00——8:30 参赛人员到场签到,检录8:30——9:00 比赛人员到达主会场9:00——10:00 技能大赛开幕,领导致辞10:00——10:40 各级领导现场观摩10:00——12:00 协办项目工作人员引领参赛选手进入比赛场地,宣贯比赛纪律,技能大赛现场比赛开始。
12:00——13:30 比赛间歇13:30——14:30 评审委员会进行评审打分15:00——16:00 闭幕式宣布比赛成绩,颁发奖金及证书八、比赛内容(一)砌筑工技能比赛1、比赛内容:按图排版、砌块加工制作、墙体砌筑。
2、参赛人员:每名参赛技工可携带1名小工配合。
3、比赛区域:共计10个分组比赛区域,参赛选手根据抽签号码到对应场地进行施工比赛。
4、赛前准备:协办项目应提前完成场地布置(施工区域划线、编号、定位放线),相关材料物资堆放至指定位置,组织人员供应砌筑砂浆。
5、施工工具:参赛人员自带施工工具(如:靠尺、瓦刀、切割工具、水平尺、水平仪)。
6、注意事项:参赛人员根据工程量留置相关材料,施工完成后做到工完场清。
7、比赛时长:2个小时(二)钢筋工技能比赛1、比赛内容:按图施工、放样、现场绑扎2、参赛人员:每名参赛技工可携带1名小工配合。
钢筋绑扎劳动竞赛活动方案钢筋绑扎劳动竞赛活动方案一、活动背景随着经济的快速发展和城市建设的不断扩张,钢筋混凝土建筑的需求量也在逐年增加。
而钢筋绑扎作为一项重要的建筑施工工艺,对于建筑结构的牢固性起到了关键作用。
钢筋绑扎的质量直接影响着建筑的安全性和使用寿命,因此,提高钢筋绑扎技能,提高工人的绑扎效率,是保障建筑质量和施工效率的必要措施。
为了推广优秀的钢筋绑扎技能,激发工人的积极性和创造力,以及加强工人之间的沟通和合作意识,我们计划举办一场钢筋绑扎劳动竞赛活动,以提高工人的绑扎技能水平,增强他们的团队合作意识和集体荣誉感。
二、活动目标1. 提高工人的绑扎技能水平,提高施工效率和质量;2. 增强工人的团队合作意识和沟通能力;3. 激发工人的创造力和积极性;4. 增加工人对工作的认同感和集体荣誉感。
三、活动内容1. 组织形式:分别设立个人赛和团队赛两个项目。
2. 个人赛项目:- 注重个人技能的展示;- 参赛选手需通过预赛选拔,按照指定的时间和要求完成一定数量和规格的钢筋绑扎任务;- 根据绑扎质量、工作效率和完成时间等指标进行评分,评选出个人赛项目的优胜者。
3. 团队赛项目:- 注重团队合作和协作能力;- 参赛队伍为单位,每队选手人数不少于5人;- 比赛过程中,每队选手需按照指定时间内完成一定数量和规格的钢筋绑扎任务;- 根据组织协作能力、绑扎质量、工作效率和完成时间等指标进行评分,评选出团队赛项目的优胜者。
4. 讲解和示范环节:- 在比赛开始前,由专业的钢筋绑扎技术人员进行绑扎方法和技巧的讲解和示范,以提高选手们的绑扎技术水平;- 比赛过程中,也可以及时为选手们提供技术指导和建议,以确保比赛的公平性和合理性。
四、活动流程1. 前期准备:- 制定活动计划,确定活动的时间、地点和参赛人员;- 确认活动的预算,并进行相应的预算报告和费用审批;- 寻找合适的场地和设备,并进行相应的安全检查和准备工作;- 宣传活动,鼓励更多的工人参与进来。
钢筋技能比武实施方案一、比武目的。
钢筋技能比武是为了检验钢筋工人的操作技能、安全意识和团队协作能力,提高工人的技术水平和安全生产意识,促进工地安全生产。
二、比武时间和地点。
比武时间,每月最后一个周五下午。
比武地点,工地施工区域。
三、比武内容。
1. 钢筋加工技能比武。
比武项目,钢筋剪切、弯曲、打结。
评分标准,操作规范、速度、质量。
比武形式,单人操作。
2. 安全防护知识比武。
比武项目,安全操作规程、紧急救援知识。
评分标准,知识掌握程度、应急处理能力。
比武形式,书面答题和模拟场景演练。
3. 团队协作能力比武。
比武项目,集体搬运、团队配合。
评分标准,配合默契、动作规范。
比武形式,小组比武。
四、比武流程。
1. 比武前准备。
组织者确定比武时间和地点。
宣传比武内容和要求,组织参赛人员报名。
准备比武所需材料和设备。
2. 比武进行。
按照比武内容和形式进行比武。
评委根据评分标准对参赛人员进行评分。
3. 比武总结。
比武结束后,进行总结和评选。
对比武中发现的问题和不足进行讨论和整改。
五、比武奖励。
1. 个人奖励。
一等奖,奖金1000元、荣誉证书。
二等奖,奖金800元、荣誉证书。
三等奖,奖金500元、荣誉证书。
2. 团队奖励。
最佳团队奖,团队奖杯、奖金2000元。
六、比武要求。
1. 参赛人员必须严格遵守比武规则和安全操作规程。
2. 参赛人员必须穿戴好安全防护用具。
3. 参赛人员必须服从组织者和评委的安排和指挥。
七、比武效果评估。
1. 比武后,根据比武结果和总结讨论,评估比武效果。
2. 对比武中发现的问题和不足进行改进和提高。
八、比武安全保障。
1. 比武前,组织者必须对比武场地和设备进行安全检查。
2. 比武中,评委和组织者必须加强安全监督和指导。
九、比武后续工作。
1. 比武结束后,组织者必须及时总结经验,完善比武方案。
2. 下次比武前,组织者必须进行宣传和动员工作,吸引更多人参与。
十、比武总结。
通过钢筋技能比武,不仅可以检验和提高钢筋工人的操作技能和安全意识,也可以促进团队协作和工地安全生产。
劳动竞赛钢筋绑扎活动方案劳动竞赛钢筋绑扎活动方案一、活动背景钢筋绑扎是建筑施工中非常重要的一项工作,对于确保建筑结构的牢固性和稳定性具有至关重要的作用。
然而,在施工现场中,由于劳动强度大、工作环境复杂等因素,钢筋绑扎质量往往难以保证。
为了加强施工队伍的钢筋绑扎技能,提高绑扎质量和效率,提出举办劳动竞赛钢筋绑扎活动的方案。
二、活动目标1.提高施工队伍的绑扎技能水平,确保钢筋绑扎质量。
2.培养施工队伍之间的团队合作意识,促进工作效率的提高。
3.激发施工队伍的工作热情,增强他们对工作的责任心和归属感。
4.为施工队员们提供相互学习、交流经验的机会,促进技术共享。
三、活动内容1.活动时间:本次劳动竞赛钢筋绑扎活动将持续两天,分为预赛和决赛两个阶段。
2.活动地点:选择建筑施工现场作为活动地点,以真实的工作环境进行竞赛。
3.活动组织形式:(1)预赛阶段:将所有参赛队伍分为若干组,每组人数在5-10人之间。
每组选取一名队长,负责组织成员进行绑扎活动。
预赛采用个人绑扎和团队绑扎两种形式进行比赛,以确定晋级队伍。
(2)决赛阶段:晋级队伍将进行最终的决赛。
决赛采取实际建筑结构进行绑扎,要求绑扎质量高、效率快。
由专业评委进行评分。
4.活动要求:(1)绑扎质量:绑扎牢固、结构合理,符合建筑设计要求。
(2)绑扎速度:快速高效,不影响质量。
(3)安全操作:保证施工人员的人身安全,注意安全事项。
(4)工具使用:合理使用工具,提高工作效率。
四、活动宣传与报名1.宣传方式:(1)利用施工现场的内部通讯设备,在施工队伍中宣传活动。
(2)制作海报和广告牌,张贴在施工现场的显眼位置。
2.报名方式:(1)确定活动参与人员名额,根据施工队伍各班组实际情况进行分配。
(2)采取集体报名的方式,由班组长将班组成员的姓名、联系方式等信息汇总报名,提交给活动组织者。
(3)报名截止后,由活动组织者进行筛选并通知参赛队伍。
五、赛前准备工作1.准备钢筋和绑扎所需的工具,确保参赛队伍可以顺利进行绑扎。
工地比武大赛活动方案一、活动主题。
“工地英雄,谁与争锋”二、活动目的。
1. 提高工地工人的技能水平,激发大家的学习热情和创新意识。
2. 增强团队凝聚力,促进工友之间的交流与合作。
3. 发掘优秀的技术人才,为工地树立标杆榜样。
三、活动主体。
工地全体工人。
四、活动时间与地点。
1. 时间:[具体日期],上午9点下午5点。
2. 地点:工地现场的一块空地区域(提前清理好,确保安全)五、比赛项目设置。
# (一)砌墙比赛。
1. 比赛规则。
每位参赛选手在规定的30分钟内,使用提供的砖块、水泥和工具,砌出一堵长2米、高1.5米的墙。
墙体要求垂直平整,砖缝均匀,灰浆饱满。
根据墙体的质量(垂直度、平整度、砖缝均匀度、灰浆饱满度等方面)进行打分。
垂直度(30分):使用靠尺检查,偏差在2厘米以内得20 30分,2 5厘米得10 19分,超过5厘米得0 9分。
平整度(25分):用2米长的水平尺检查,表面平整,误差在1厘米以内得20 25分,1 3厘米得10 19分,超过3厘米得0 9分。
砖缝均匀度(20分):砖缝宽度均匀一致,误差在1毫米以内得15 20分,1 3毫米得8 14分,超过3毫米得0 7分。
# (二)钢筋绑扎比赛。
1. 比赛规则。
给定一定数量和规格的钢筋,在40分钟内,按照规定的图纸要求,完成一个钢筋笼的绑扎。
绑扎的间距、牢固程度等要符合建筑标准。
2. 评分标准。
间距准确性(30分):使用量具检查,钢筋间距误差在±5毫米以内得20 30分,±5 ±10毫米得10 19分,超过±10毫米得0 9分。
绑扎牢固性(30分):用力摇晃钢筋笼,无明显松动得20 30分,有轻微松动得10 19分,出现大量钢筋松动得0 9分。
整体外观(20分):钢筋笼外形规整,横平竖直得15 20分,基本规整得8 14分,外形不规整得0 7分。
操作规范性(20分):正确使用绑扎工具,操作流程符合安全和质量规范得15 20分,有部分不规范操作得8 14分,存在严重违规操作得0 7分。
广职院建筑与城市规划系第三届技能周“钢筋加工技能竞赛”活动方案一、竞赛目的通过钢筋加工技能竞赛的竞技平台,巩固和深化学生的专业理论知识,培养动手能力和实事求是的科学态度,并把钢筋加工的理论知识运用到实际中去。
为了便于大家娴熟地掌握钢筋加工的相关技能知识,同时检验学生的实践学习成果,培养学生吃苦耐劳与团体合作的精神,故举办广安职业技术学院建筑与城市规划系第一届钢筋加工技能大赛。
二、主办单位:广安职业技术学院承办单位:建筑与城市规划系三、参赛对象建筑与城市规划系09级和10级建筑工程技术、工程造价、园林专业全体学生。
四、竞赛时间2011年5月,具体时间以承办方具体通知为准五、竞赛地点广安职业技术学院综合楼建筑工程实训室六、报名方式和地点报名方式:1.以小组为单位报名,每个小组要求5个人。
2.每个班2——3个组,不少于两个组。
3.每个报名的小组有自己的队名且报名时填写队长的姓名、联系电话和学号。
报名地点:教学楼213办公室七、活动流程(一)前期准备1、5月份,准备本次比赛时需用的各种器材和设备的准备。
同时负责奖品的设置和购买,还有横幅(一条)的制作。
学习部安排两名成员负责联系领导、老师参加本次竞赛,提升本次活动的价值。
2、负责做宣传海报和借宣传本次活动的展板。
且在比赛日期的前一周将展板置于教学楼平台处。
在比赛前一周,贴出海报,发出宣传资料达到宣传效果。
3、比赛前两周正式开始参赛选手报名,报名时间持续三天,每天中午和下午的休息时间,组织分配人员到教学楼下指定报名地点负责那一时段的报名工作。
报名全部结束之后,按所有的小队随机整理出比赛时的先后顺序,登记做出表格。
最后,负责老师要在比赛前准备好相应的比赛题目和比赛时需要使用的物品。
4、负责联系好相关老师、建筑协会成员和学习部成员担任裁判,每组两名裁判(一名老师和一名成员)。
在赛前一周左右联系实训管理老师借用实验室和材料的购买事宜,确保比赛顺利进行。
5、学习部负责设计和印制报名表,准备好裁判老师需要的材料。
6、为了公平起见,比赛需要用到的题目不对外公布,等到比赛的当天向全体比赛人员公布。
7、比赛前,组织各参赛小组统一采用抽签的方式缺点比赛题目,8、参赛各组在规定时间内根据试题在现场计算并完成比赛内容。
具体项目内容如下:依据题目中给出的梁配筋图,分别计算出梁中所有钢筋的下料长度,并完成下料、弯曲成形、钢筋绑扎,最终完成一垂直相交的主次梁钢筋绑扎加工。
(二)比赛流程1、比赛划分:(由于时间和场地限制,为节约时间及比赛的合理安排,本次比赛分三阶段依次进行,参赛选手自由安排各阶段的人员分配,但每个阶段全体队员必须全部到场)。
1)现场钢筋下料长度的计算和现场下料:要求参赛选手能准确计算钢筋的下料长度,误差控制在允许范围之内;现场下料时能熟练的操作机械,并注意安全防护措施到位。
(第一阶段)2)现场的钢筋制作:钢筋制作在钢筋的下料的前提下进行,各组将自己的下料钢筋制作成型.受力钢筋的各段长度准确,角度正确;箍筋形状规矩,制作美观,锚固长度符合要求。
(第二阶段)3)现场绑扎:在第一二阶段结束后,便进入现场绑扎阶段。
现场绑扎阶段要求在规定的时间内完成,在完成的的基础上通过检查箍筋间距和制作观感质量进行综合评分。
(第三阶段)2、具体要求:a:比赛当天,建筑协会负责布置比赛现场,各个成员各就各位,准备比赛需要的物品。
b:主持人介绍参加领导和嘉宾、裁判老师。
宣读比赛规则和评分细则,并请领导致词。
c:在比赛地点由学习部负责组织提前到场的人员签到,并为其讲解比赛流程和比赛规则;组织人员熟悉比赛所有仪器;各个队长在该小组比赛前检查自己的仪器后,签安全责任书,进入比赛实验室;负责老师清点实到人数,如果参赛选手不齐,再根据现场情况进行微调。
此时要确保裁判老师已经到场,按照比赛规则和提前排好的顺序开始比赛。
d:比赛结束,裁判老师根据拟定好的评分规则给出每组的得分,登记分数。
当场宣布该阶段各小组的得分情况。
e:所有的建筑协会和徐学习部同学留下清理实训室,整理仪器,关闭电源。
f:第三阶段比赛结束当天必须根据三个阶段总分之和排序,评出一,二,三等奖及优秀奖。
在比赛结束的第二天张贴获奖红榜,通知获奖选手到教学楼212办公室领奖。
g:活动全部结束,各个承办单位对本次活动进行总结。
八、比赛规则1、比赛时参赛人员需着装整齐并凭有效证件(身份证或学生证)参赛,各队参赛顺序在比赛前抽签决定。
2、参赛人员可在规定时间内熟悉仪器,在现场准备时间内不得进入比赛场地;比赛时按通知要求提前进场,按活动人员指定场地进行比赛;除现场裁判、赛场配备的工作人员以外,其他人员未经允许不得进入赛场。
3、参赛选手无故迟到或早退,将被视为弃权;比赛过程中,参赛者可携带计算器;不得随身携带书籍和参考资料,场外人员不得随意讲话和提示。
4、参赛选手在进入现场后要先检查仪器是否完好,若有问题要及时提出,如果在比赛期间仪器发生非人为故障,致使比赛不能继续进行,需经裁判长(或副裁判长)确认并批准,比赛可重新开始。
5、参赛小组必须独立完成规定的钢筋加工内容并现场进行内业计算,数据必须直接填在规定的表格内,表格填写好后最后交给裁判员,不能带离比赛场地,否则成绩无效。
计算数据必须原始真实,严禁弄虚作假,否则取消参赛资格。
6、选手在比赛现场不得向裁判透露自己的姓名和班级,在比赛中必须服从裁判的评判和工作人员的安排,如有异议可向裁判反映。
7、各参赛小组独立作业,不允许妨碍或阻挡其他小组作业,违反者酌情减分或取消比赛资格。
8、各参赛小组在比赛过程中必须分工明确、团结协作、沉着冷静,不得出现互相责骂、放弃比赛等不文明现象。
9、比赛过程中必须保证仪器使用安全,不得违规操作;如出现违规操作并产生安全隐患是,将取消比赛资格,仪器损坏照价赔偿。
10、比赛需连续进行,竞赛一旦计时开始不能无故终止比赛,比赛过程中,选手若需休息、饮水或去洗手间,一律计算在操作时间内。
11、选手完成任务时应进行必要的清理,将仪器复位,关闭电源,并提请比赛裁判员到跟前确认;同时,参赛选手在裁判员记录的比赛情况记录表上签字确认。
12、参赛选手对不符合比赛规定的设备、工具和备件,有失公正的检测、评判、奖励,以及对工作人员的违规行为等,均可提出申诉。
告诉裁判,重新判定结果。
九、评分细则1、评分以100分为基准分,在此基础上加分和减分。
2、三个阶段的分数分配如下:第一阶段——钢筋下料计算并下料:30分第二阶段——钢筋弯曲成形:40分第三阶段——钢筋绑扎:30分3、评分标注:第一阶段:1)钢筋长度计算准确、钢筋下料长度准确,误差在允许范围内(满分15分)。
误差在10mm内为满分;超过10mm时,跟具实际情况扣分,10~15mm 扣2分,15~20mm扣4分,超过20mm扣6分。
(随机抽查三根主筋和七根箍筋检查取平均)。
2)操作熟练,在规定时间内完成(满分10分)。
时间在30分钟内为满分(10分)。
超过30分钟时,跟具实际情况扣分,30~35分钟扣2分,35~40分钟扣4分,40~50分钟扣6分,50分钟以上扣8分。
3)机械安全使用情况(满分5分,该条为累计扣分)。
现场下料机械操作熟练、安全措施到位为满分(5分),切割机操作熟练、出现人员站位错误(不能站在切片的正面)扣2分;机械操作不熟练、切割机使用时出现切片跳动情况扣3分;手工断料时,钳子使用熟练程度不做严格要求。
第二阶段:1)箍筋弯曲机使用(满分15分)箍筋弯曲机使用正确熟练(5分);箍筋弯曲机使用正确不熟练、出现5次以上的卡筋情况的扣1分:机械使用出现角度错误一次扣1分(可累计,最多5分)。
弯曲的箍筋规矩、不翘曲、箍筋内边距离差在5mm以内(10分);箍筋内边距离差超过5mm时,根据实际情况扣分。
5~10mm扣2分,10~15mm扣4分,15~20mm扣6分,20mm以上扣8分。
随机抽查十根箍筋检查取平均)2)钢筋弯曲机使用(满分15分)钢筋弯曲机使用正确熟练(5分);钢筋弯曲机使用正确不熟练、出现角度错误一次扣1分、出现钢筋弯曲方向错误一次扣1分(可累计,最多5分)。
弯曲的钢筋规矩、钢筋弯折锚固长度误差在10mm以内<量外包>(10分);钢筋弯折锚固长度误差超过10mm时,根据实际情况扣分。
10~15mm扣2分,15~20mm扣4分,20~25mm扣6分,25mm以上扣8分。
(随机抽查十个弯折段检查取平均)3)操作熟练,在规定时间内完成(满分10分)。
时间在30分钟内为满分(10分)。
超过30分钟时,跟具实际情况扣分,30~35分钟扣2分,35~40分钟扣4分,40~50分钟扣6分,50分钟以上扣8分。
第三阶段:1)操作熟练,在规定时间内完成(满分10分)。
时间在30分钟内为满分(10分)。
超过30分钟时,跟具实际情况扣分,30~35分钟扣2分,35~40分钟扣4分,40~50分钟扣6分,50分钟以上扣8分。
2)箍筋间距要求(10分)。
箍筋间距准确、在误差在5mm内为满分;箍筋间距误差5~10mm扣2分; 10~15mm扣4分, 15~20mm扣6分。
超过20mm扣8分。
(在加密区和非加密区分别选取十个连续的箍筋间距量取后取平均)3)外观要求(10分)制作的作品外观规整、绑扎牢固、箍筋横平竖直、箍筋弯钩位置正确、主要受力钢筋在箍筋四角上为满分;外观较规整、主要受力钢筋位置偏离箍筋四角位置不大的扣2分;箍筋横平竖直不规则5点以上扣2分;扎勾使用正确、绑扎丝断丝较多扣2分;钢筋笼绑扎不牢固5点以上扣2分。
(各项累计扣分)2、根据总分从高至低排列得出竞赛名次。
3、成绩根据现场实际操作表现,按照评分标准,依据现场裁判员的赛场纪录,由现场裁判组集体评判成绩取平均分为最后得分。
4、参赛组的成绩评定由现场裁判组判定。
十、注意事项1:报名宣传一定要到位。
活动要以各种各样的形式反复通知人员,落实到人。
2:报名后快速分组,要符合报名细则,并在分组完成后第一时间公布,并以短信或电话的形式通知参赛选手。
如有特殊情况,可以再次调整。
3:活动进行的时候,各台仪器旁边必须有人员看护,要确保仪器和人员的安全。
4:天气有变动则适当调整比赛时间,具体情况待通知。
十一、奖项设置按参赛人数的10%设一等奖,15%设二等奖,20%设三等奖。
每个获奖人员将获得证书及相应奖品。
建筑与城市规划系2011年5月25日(注:可编辑下载,若有不当之处,请指正,谢谢!)。