塔机附着标准
- 格式:docx
- 大小:22.22 KB
- 文档页数:6
塔机附着验算计算书塔机附着验算计算书计算依据:1、《塔式起重机混凝土基础工程技术规程》JGJ/T187-20092、《钢结构设计规范》GB50017-2003一、塔机附着杆参数塔机型号QTZ40(浙江建机)塔身桁架结构类型型钢塔机计算高度H(m) 30 塔身宽度B(m) 1.6 起重臂长度l1(m) 57 平衡臂长度l2(m) 12.9 起重臂与平衡臂截面计算高度h(m) 1.06 工作状态时回转惯性力产生的扭矩标准值T k1(kN·m)60工作状态倾覆力矩标准值M k(kN·m) 60 非工作状态倾覆力矩标准值M k'(kN*m)60附着杆数四杆附着附墙杆类型Ⅰ类附墙杆截面类型格构柱塔身锚固环边长C(m) 1.8附着次数N 4附着点1到塔机的横向距离a1(m) 9.5 点1到塔机的竖向距离b1(m) 9.5 附着点2到塔机的横向距离a2(m) 5.7 点2到塔机的竖向距离b2(m) 5.7 附着点3到塔机的横向距离a3(m) 5.7 点3到塔机的竖向距离b3(m) 5.7 附着点4到塔机的横向距离a4(m) 9.5 点4到塔机的竖向距离b4(m) 9.5 工作状态基本风压ω0(kN/m2) 0.2 非工作状态基本风压ω0'(kN/m2) 1塔身前后片桁架的平均充实率α00.35第N次附着附着点高度h1(m)附着点净高h01(m)风压等效高度变化系数μz工作状态风荷载体型系数μs非工作状态风荷载体型系数μs'工作状态风振系数βz非工作状态风振系数βz'工作状态风压等效均布线荷载标准值q sk非工作状态风压等效均布线荷载标准值q sk'第1次附着9 9 0.65 1.95 1.95 1.977 1.977 0.269 1.347第2次附着15 6 0.734 1.95 1.95 1.901 1.963 0.293 1.51第3次附着20 5 0.738 1.95 1.95 1.825 1.934 0.282 1.496第4次附25 5 0.751 1.95 1.95 1.798 1.944 0.283 1.53 着悬臂端30 5 0.774 1.95 1.95 1.79 1.945 0.29 1.578 Array塔机附着立面图三、工作状态下附墙杆内力计算1、在平衡臂、起重臂高度处的风荷载标准值q kq k=0.8βzμzμsω0α0h=0.8×1.79×0.774×1.95×0.2×0.35×1.06=0.16kN/m2、扭矩组合标准值T k由风荷载产生的扭矩标准值T k2T k2=1/2q k l12-1/2q k l22=1/2×0.16×572-1/2×0.16×12.92=246.607kN·m集中扭矩标准值(考虑两项可变荷载控制的组合系数取0.9)T k=0.9(T k1+ T k2)=0.9×(60+246.607)=275.946kN·m3、附着支座反力计算计算简图塔身上部第一附着点(塔身悬臂支承端)的支承反力最大,应取该反力值作为附着装置及建筑物支承装置的计算载荷。
重庆华硕建设有限公司塔机附着安装标准二○一○年十二月目录1、塔吊附墙的位置设置方案: (3)1)、厂家的安装位置要求 (3)2)、实际施工时的安装位置分析 (3)3)、两种附墙设置方案的经济比较 (5)2、塔吊附着的安装技术要求: (6)1)、安装角度: (6)2)、预埋铁件处梁的加固处理措施 (7)1、塔吊附墙的位置设置方案1)、厂家的安装位置要求这里仅以升立的QTZ40塔机为例进行说明,其它型号的塔机由于其参数不同,附墙的安装位置略有区别,须参考各自厂家的说明书进行设置。
升立QTZ40(4210)塔机厂家对附墙位置的要求如下表所示:厂家要求塔机附墙以上的自由高度不得高于18M,塔机的独立高度为31M。
由上表可以看出,塔机附墙间的间距大约在六层楼左右。
2)、实际施工时的安装位置分析塔机起吊材料时,吊钩加上吊绳和材料所占空间的尺寸大约在2.5-3米左右,吊钩顶至塔吊起重臂下沿的最小高度(起吊高度限位下,吊绳的最小长度,)大约为1米,起重材料下沿至障碍物(或工作面)的最小间隙约1米,那么塔机的起重臂下沿至障碍物的最小工作高度要求为6米左右。
如下图所示因此如果要满足起吊的正常工作,塔机的第一道附墙必须在塔身高度为31-6=25米的位置安装。
但实际施工中从预埋附墙铁件到附墙支撑的安装有个养护期的问题,在此期间,楼层的工作面上要搭设内外架,只要外架起来了,那么塔吊的起重臂到内外架的顶部的空间就不够最小工作间隙的要求了。
从升立塔吊的厂家提供的产品说明书来看,本款塔机对附墙支撑的水平推拉力要求为126KN!这是一个非常大的荷载,如果拿建筑物的结构承载力来作比较的话,它相当于一根承受10平米左右现浇板的梁的结构承载力,而且附墙的荷载方向是水平的,在梁的不利受力方向。
因此,塔机附墙的预埋铁件所在的梁柱砼须达到C25以上的强度才能进行附墙支撑的安装。
一般来说,现在的现浇梁板砼设计标号在C30左右,C30商砼如果要达到C25的强度就是在200C的气候条件下也要一周左右。
重庆华硕建设有限公司塔机附着安装标准目录1、塔吊附墙的位置设置方案: (3)1)、厂家的安装位置要求 (3)2 )、实际施工时的安装位置分析 (3)3)、两种附墙设置方案的经济比较 (5)2、塔吊附着的安装技术要求: (6)1)、安装角度: (6)2)、预埋铁件处梁的加固处理措施 (7)1、塔吊附墙的位置设置方案1 )、厂家的安装位置要求这里仅以升立的QTZ40塔机为例进行说明,其它型号的塔机由于其参数不同,附墙的安装位置略有区别,须参考各自厂家的说明书进行设置。
升立QTZ40(4210 )塔机厂家对附墙位置的要求如下表所示:厂家要求塔机附墙以上的自由高度不得高于18M,塔机的独立高度为31M。
由上表可以看出,塔机附墙间的间距大约在六层楼左右。
2)、实际施工时的安装位置分析塔机起吊材料时,吊钩加上吊绳和材料所占空间的尺寸大约在 2.5-3米左右,吊钩顶至塔吊起重臂下沿的最小高度(起吊高度限位下,吊绳的最小长度,)大约为1米,起重材料下沿至障碍物(或工作面)的最小间隙约1 米,那么塔机的起重臂下沿至障碍物的最小工作高度要求为6米左右。
如下图所示cp因此如果要满足起吊的正常工作,塔机的第一道附墙必须在塔身高度为31-6=25米的位置安装。
但实际施工中从预埋附墙铁件到附墙支撑的安装有个养护期的问题,在此期间,楼层的工作面上要搭设内外架,只要外架起来了,那么塔吊的起重臂到内外架的顶部的空间就不够最小工作间隙的要求了。
从升立塔吊的厂家提供的产品说明书来看,本款塔机对附墙支撑的水平推拉力要求为126KN !这是一个非常大的荷载,如果拿建筑物的结构承载力来作比较的话,它相当于一根承受10平米左右现浇板的梁的结构承载力,而且附墙的荷载方向是水平的,在梁的不利受力方向。
因此,塔机附墙的预埋铁件所在的梁柱砼须达到C25以上的强度才能进行附墙支撑的安装。
一般来说,现在的现浇梁板砼设计标号在C30左右,C30商砼如果要达到C25 的强度就是在20 0C的气候条件下也要一周左右。
.1、附着高度
根据项目的情况,此塔机安装高度为174米,塔机基础顶标高-8.45米;根据说明书的要求,需要安装5道附着。
附着的高度见下图:
第一次附着大致位于第三层,标高28.0m;第二次附着大致位于第九层,标高56.1m;第三次附着大致位于第十八层,标高84.9m;第四次附着大致位于第二十九层,标高113.7m;第五次附着大致位于第三十五层,标高142.5m。
附着后自下而上1个基节,45个片式标准节,具体视安装时的现场情况而定,但一定要满足说明书给出的要求(附着架以上高度小于等于46米,附着架以下高度大于等于28米小于等于38米)。
5.3.2、附着架布置示意图
此次附着采用预埋式附墙耳板,如图所示
2#塔吊为内爬梯,外墙无相关预埋件。
目录1 编制依据 (1)1.1 编制说明 (1)1.2 编制依据 (1)2 工程概况 (2)3 施工部署 (2)4 作业工艺 (4)4.1 预埋件安装 (4)4.2 附墙架选用 (5)4.3 安装工具选用 (6)4.4 作业人安排 (6)4.5 附墙安装程序 (7)4.6 顶升作业 (8)4.7 塔吊升高完毕后检查、调整,验收工作 (10)5 安全注意事项 (10)6 计算书 (11)6.1 1#塔吊附着计算计算书 (11)6.2 2#塔吊附着计算计算书 (17)6.3 3#塔吊附着计算计算书 (23)6.4 5#塔吊附着计算计算书 (29)6.5 6#附着计算计算书 (36)7 附图: (43)7.1 附着平面布置图 (43)7.2 附着高度示意图 (46)1编制依据1.1编制说明为保证xxx八期工程施工现场的5台TC6010塔机的各级顶升满足塔机使用说明书中附着高度及自由高度的要求,错开群塔高度,落实群塔防碰撞措施,保证塔吊作业安全,特编制本方案1.2编制依据(1)《特种设备安全监察条例》((2009修正)国务院令第549号)(2)《建筑起重机械安全监督管理规定》(中华人民共和国建设部令第166号)(3)《起重机械安全监察规定》(国家质量监督检验检疫总局令第92号)(4)《建筑施工安全检查标准》(JGJ59-99)(5)《建筑机械使用安全技术规程》(JGJ33—2001)(6)《塔式起重机安全规程》(GB5144-2006)(7)《建筑施工塔式起重机安装、使用、拆除安全技术规程》JGJ196-2010(8)《起重机械安全规程》GB6067-85(9)《建筑起重机械安全评估技术规程》JGJT1879-2009(10)xxx八期工程塔吊基础平面布置图(11)xxx八期工程施工图纸(12)TC6010-6型自升式塔式起重机使用说明书2工程概况深业xxx八期项目,位于广东省惠州市惠城古塘坳片区金榜南地块,占地面积约102996.0平方米,本期总建筑面积约160112.57平方米。
塔吊附着装置的基本要求(分三种情况)一、附着装置的设置、自由端高度、附着水平距离、附着间距等满足使用说明书的要求:1、附着装置应与说明书中描述的一致2、附着装置应有出厂合格证,合格证上应有具体的规格、尺寸。
3、附着装置上应有制作单位标识4、附着装置不应有切割和焊接的迹象二、附着水平距离不满足使用说明书要求(小于说明书要求的距离):1、应进行设计计算、绘制制作图和编写相关说明附着装置设计时,应对支承处的建筑主体机构进行验算需有审批手续2、附着装置的构件和预埋件应由原制造厂家或由具有相应能力的企业制作3、附着装置应有出厂合格证,合格证上应有具体的规格、尺寸4、附着装置上应有制作单位标识5、附着装置应与设计方案、制作图和出厂合格证上的规格、尺寸一致6、附着装置上不应有切割和焊接的迹象三、附着水平距离不满足使用说明书要求(大于说明书要求的距离):1、应进行设计计算、绘制制作图和编写相关说明2、附着装置设计时,应对支承处的建筑主体机构进行验算3、上述1、2 组成专项施工方案,按《危险性较大的分部分项工程安全管理办法》(建质[2009]87号)第九条的规定进行专家论证并提交专家组论证报告,报告应指出:(1)专项方案内容是否完整、可行;(2)专项方案计算书和验算依据是否符合有关标准规范;(3)安全施工的基本条件是否满足现场实际情况。
专家组成员应当由5名及以上符合相关专业要求的专家组成。
4、施工单位应当根据论证报告修改完善专项方案,并经专家组组长、施工单位技术负责人、项目总监理工程师、建设单位项目负责人签字。
5、附着装置的构件和预埋件应由原制造厂家或由具有相应能力的企业制作6、附着装置应有出厂合格证,合格证上应有具体的规格、尺寸7、附着装置上应有制作单位标识8、附着装置应与设计方案、制作图和出厂合格证上的规格、尺寸一致。
9、附着装置不应有切割和焊接的迹象。
背页附关于附着装置的法规和标准条文《建筑起重机械安全监督管理规定》(中华人民共和国建设部令第166号令)第二十条禁止擅自在建筑起重机械上安装非原制造厂制造的标准节和附着装置。
塔式起重机超长距离附着摘要:由于现代建筑业的蓬勃发展,塔机高度超高、附着超长等各种情况时有发生。
塔机附着装置安装时塔机中心到建筑物距离越远,附着杆的长度就越长,在相同轴向压力作用下,稳定性就越差,同时又长又大的杆件也会给安装带来很大不便。
以有关工程实际施工中高塔附着装置设计为例,研究自升式塔式起重机的超长距离附着技术问题,简述QTZ63 系列5013 型塔式起重机超长附着装置设计的一般计算方法。
通过计算分析和实际应用表明,所设计的附着杆既解决了受压杆过长而引起不稳定的问题,也为施工单位在安装和验算塔式起重机超长距离附着时提供了参考和依据。
关键词:塔式起重机; 附着装置; 结构设计某工程为一综合性住宅小区的建设,由多幢多层和小高层建筑组成,其中10 号、11 号为两幢25层高层建筑,最大高度约为100 m,塔机结构高度约为125 m,每4 层楼房(约16 m)加一道附着装置,加至第23 层,共设5 道附着装置。
根据施工现场的工程需要,需在两主楼之间架设1 台QTZ63 系列5013型塔式起重机,塔机中心与建筑物外墙之间的附着距离为11.17 m,附着点开间跨距为16.34 m,其平面布置如图1 所示。
根据塔机生产厂家提供的标准,附着距离一般为3~5 m,附着点跨距为7~8 m[1,2],远不能满足本工程的具体施工要求。
针对附着距离较大的问题,我们参考了德国利勃海尔88 HC 型塔机附着距离长达11.6 m 的成功设计经验[3],提出QTZ63 系列5013型塔机超长距离附着装置设计方案,具体如下。
1 附着装置布置方案塔机附着装置由附着框架和附着杆组成,附着框架多用钢板组焊成箱型结构,附着杆常采用角钢或无缝钢管组焊成格构式桁架结构,受力不大的附着杆也可用型钢或钢管制成。
根据施工现场提供的各层楼面顶板标高,按照QTZ63 系列5013 型塔式起重机的技术要求,需设5道附着装置,以满足工程建设最大高度100 m 的要求。
塔式起重机附着装置受力计算及使用要求伴随我国经济实力的增加,现代建筑施工技术的快速进步,土地资源的减少,城市中高层建筑施工日趋增多,塔式起重机(以下简称塔机)附着装置的使用也越来越频繁。
为了更好、更安全的使用塔式起重机的附着装置,下面通过对附着装置在使用过程中附着处支座的受力及附着杆的受力进行计算、分析,浅析它在安装、使用中的注意事项。
计算塔机附着装置的受力时按如下2种工况进行附着处支座和附着杆的受力计算:计算工况Ⅰ 塔机满负荷工作,起重臂顺着塔身方向,风垂直吹向起重臂、风载作用产生的扭矩与旋转机构作用产生的扭矩方向一致。
计算工况Ⅱ 塔机处于非工作状态,起重臂位于塔身对角线方向,起重臂能随风回转,风由起重臂吹向平衡臂,不考虑扭矩的影响。
1.附着处支座的受力计算计算塔机附着处支座的受力时,可以将其塔身简化成多点支承的悬臂连续梁,如图A所示。
由于塔机最上一道附着处附着装置受力最大,并以此道附着装置的荷载分析附着装置受力,对附着装置进行设计计算。
因此实际计算其附着处支座的受力时,为了简化计算,可以将多点支承的悬臂连续梁简化成2点支承的悬臂连续梁。
计算简图如图B。
图A 塔身受力图 图B 塔身简化受力图M1=(8×M×Lb+8×Pw×Lc×Lb-q1×La3-2×q2×Lb3+4×q3×Lc2×Lb)/(12×La+16×Lb) (1)Fv=[2×M1+2×M+2×Pw×(Lc+Lb)+q2×Lb2+q3×Lc×(Lc+2×Lb)]/(2×Lb) (2)式中: M-作用于塔身端部的弯矩,塔身上部各部件的自重与工作载荷对塔身回转中心的力矩之和;Pw-作用于塔身上部各部件的风载之和;q1、q2、q3-作用在塔身各部段上的风载,计算工况Ⅰ时,风吹向塔身方向,不考虑高度变化的影响,q1=q2=q3;计算工况Ⅱ时,风吹向塔身对角线方向,考虑高度变化的影响, q1取平均值,q2、q3取大值;La、Lb、Lc塔身各部段的高度,如仅有一道附着装置、令La=0;M1-多余约束弯矩;Fv-塔身最上面一道附着处的作用力。
一、计算书塔机附着验算(32层)计算书计算依据:1、《塔式起重机混凝土基础工程技术规程》JGJ/T187-20092、《钢结构设计规范》GB50017-2003一、塔机附着杆参数二、风荷载及附着参数第2次附着40 15 0.832 1.95 1.95 1.763 1.801 0.308 0.471 第3次附着55 15 0.922 1.95 1.95 1.755 1.792 0.339 0.52 第4次附着70 15 1.008 1.95 1.95 1.733 1.766 0.366 0.56 第5次附着85 15 1.087 1.95 1.95 1.708 1.746 0.389 0.597 第6次附着100 15 1.16 1.95 1.95 1.699 1.734 0.413 0.633 悬臂端121 21 1.254 1.95 1.95 1.686 1.728 0.443 0.681 附图如下:塔机附着立面图三、工作状态下附墙杆内力计算1、在平衡臂、起重臂高度处的风荷载标准值q kq k=0.8βzμzμsω0α0h=0.8×1.686×1.254×1.95×0.2×0.35×1.06=0.245kN/m2、扭矩组合标准值T k由风荷载产生的扭矩标准值T k2T k2=1/2q k l12-1/2q k l22=1/2×0.245×562-1/2×0.245×12.92=363.775kN·m集中扭矩标准值(考虑两项可变荷载控制的组合系数取0.9)T k=0.9(T k1+ T k2)=0.9×(269.3+363.775)=569.768kN·m3、附着支座反力计算计算简图剪力图得:R E=146.645kN在工作状态下,塔机起重臂位置的不确定性以及风向的随机性,在计算支座7处锚固环截面内力时需考虑塔身承受双向的风荷载和倾覆力矩及扭矩。
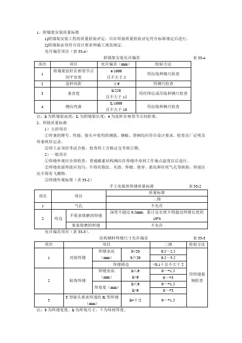
1、附墙架安装质量标准
1)附墙架安装工程的质量检验评定,应在焊接质量检验评定符合标准规定后进行。
2)附墙架必须符合设计要求和施工规范规定。
允许偏差项目(表33-4)
附墙架安装允许偏差表33-4
注:h为附墙架高度;L为附墙架长度;e为弦杆在相邻节点间距离。
2、焊接质量标准
1)主控项目
①焊条的牌号、性能,接头中使用的钢筋、钢板、型钢均应符合设计要求。
检查出厂证明及焊条烘培记录。
②焊工必须经考试合格。
检查焊工合格证及考核日期。
2)一般项目
①焊缝外观应全部检查,普通碳素结构钢应在焊缝冷却到工作地点温度以后进行。
②焊缝表面焊波应均匀,不得有裂纹、夹渣、焊瘤、烧穿、弧坑和针状气孔等缺陷,焊接区还不得有飞溅物。
③焊缝外观标准(表33-2)
手工电弧焊焊缝质量标准表33-2
允许偏差项目(表33-3)。
结构钢材焊缝尺寸允许偏差表33-3
注:b为焊缝宽度,k为焊角尺寸,δ为母材厚度。
一、编制依据为确保深业xxx八期工程施工现场塔吊作业的安全,根据《特种设备安全监察条例》、《建筑起重机械安全监督管理规定》等相关法律法规,结合现场实际情况,特制定本塔机附着专项方案。
二、工程概况深业xxx八期项目位于(具体位置),总建筑面积约(具体数值),建筑高度约(具体数值)。
项目包含住宅、商业、办公等多种业态,施工场地复杂,涉及塔吊作业。
三、塔机附着方案设计1. 附着方式:采用自升式塔吊附着,按照塔吊说明书及现场实际情况进行设计。
2. 附着高度:根据塔吊说明书及现场实际情况,确定附着高度为(具体数值)米。
3. 附着间距:根据塔吊说明书及现场实际情况,确定附着间距为(具体数值)米。
4. 附着结构:采用钢结构附着,包括附着杆、附着梁、连接件等。
5. 附着加固:对附着结构进行加固处理,确保其稳定性。
四、施工流程1. 前期准备:对施工人员进行安全技术培训,熟悉附着方案及操作规程。
2. 基础施工:按照设计要求,进行塔吊基础施工。
3. 附着安装:按照附着方案,进行附着结构安装,确保其稳固可靠。
4. 附着调整:对附着结构进行调整,确保其符合设计要求。
5. 验收合格:完成附着安装后,进行验收,确保其安全可靠。
五、安全保障措施1. 人员培训:对施工人员进行安全技术培训,提高安全意识。
2. 安全防护:在施工过程中,设置安全警示标志,配备必要的安全防护设施。
3. 现场监控:设立专人负责现场监控,及时发现并处理安全隐患。
4. 应急预案:制定应急预案,应对突发事件。
六、施工管理及作业人员配备1. 施工管理人员:配备具有丰富经验的施工管理人员,负责现场施工管理。
2. 专职安全人员:配备专职安全人员,负责现场安全监督。
3. 特种作业人员:对特种作业人员进行专项培训,确保其具备相应资质。
七、验收要求1. 验收标准:按照相关法律法规及附着方案要求,进行验收。
2. 验收程序:由项目主管部门组织验收,确保附着结构安全可靠。
3. 验收内容:包括附着结构、基础、连接件等。
塔吊附着规范-塔吊附着规范塔吊附着方案(范本)平潭综合实验区塔吊附着专项施工方案以德为先诚信服务塔式起重机附着专项施工方案使用单位工程项目编制单位中国建筑股份有限公司平潭综合实验区金井湾商务营运中心Ⅱ标工程厦门中环建建设集团有限公司-1-平潭综合实验区塔吊附着专项施工方案日期2016 年04 月25 日施工组织设计审批表工程名称平潭综合实验区金井湾商务营运中心Ⅱ标工程现报上110 1063 4 4当塔机工作高度超过上表中的初始安装高度时,必须对塔机进行锚固,附着后方可加节顶升。
为保证本项目5台塔吊附着施工的科学性、合理性和安全性,特编制此施工方案。
三、附着安装前的准备工作1、附着安装条件塔吊各部件制作完成,质量验收合格;预埋件周围混凝土强度达到90%;塔吊钩底高度不能满足现场施工要求及群塔作业安全措施时。
2、安装前准备工作使用单位准备工作作业面防护:在附着下面处搭设操作平台,操作平台搭设应符合国家规范。
在安装时保证在塔机安装警戒范围内无闲人出入,不得有交叉作业现象存在。
-4-平潭综合实验区塔吊附着专项施工方案指定专人和出租单位进行接口,及时协调当天的施工问题。
配备符合安全要求的专用三级配电箱,并距塔机中心不大于3m;出租单位准备工作施工技术准备工程部技术人员必须提前进行现场实地勘测,仔细地考虑在附着安拆过程中可能碰到的问题,制定切实可行的施工方案,对疑难问题及时同施工单位项目部沟通,共同商讨解决对策,确保施工顺利安全的进行。
附着安装前塔机的检查、维护3、安装人员分工及组织机构该机构由现场负责人、安全员、操作司机、电工及塔机安装人员组成。
人员安排及责任分工现场负责人:负责整个项目的实施,保证施工工期、质量、安全处于受控状态。
项目技术负责人:负责安装方案的审核工作。
安装负责人:负责安装全过程中的组织安排和协调,负责安装前的安全技术交底及安装过程中的检查和监督。
安全负责人:负责整个项目的实施,按照工地安全检查规定对安装过程进行安全监督,并负责协调工地的安全工作。
塔机布置原则一、塔机的覆盖范围及起重能力施工现场塔机尽可能覆盖全部施工场地。
为了施工方便,还要覆盖堆场、装卸及部分加工场地。
对于使用大模板的项目,务必要求覆盖所有施工部位。
由于塔机起重能力与距离有关,塔机布置定位还要考虑对应施工构件位置的起重能力。
二、塔机的基础条件塔机定位位置通常分为在建筑物内或外2种情况,在建筑物外塔机基础采用天然地基或者桩基;在建筑物内塔机位于基础底板或承重墙体上。
通常塔机基础地基要求25t/m2,否则采购桩基。
如果建筑物外基础薄弱,或者场地条件限制无法打桩,塔机往往被迫移位。
塔机在建筑物内,还要考虑是否和底板等结构冲突。
对于塔楼周边是裙楼的结构,塔机往往定位于基础筏板上,而上部结构休息相应的结构预留,待结构封顶后,再做封堵处理。
三、塔机位置与建筑物立面的相对关系主要检查塔机是否和周边建筑物立面干涉,特别建筑物突出部位,比如阳台、屋面造型、空间造型等,尽可能避开冲突。
如突出部分仅限于局部楼层,可以考虑结构预留。
四、塔机附着条件附着条件一般考虑附着距离及附着点的结构是否牢靠,一般附着点是框架柱、剪力墙、框架梁。
按照各类塔机说明书,常见的标准附着一般在2-4m内。
对于特殊情况,超远距离附着需要重新设计、定制加工。
对于下部大而上部小的倾斜结构,是否有结构安装附着往往是决定塔机定位的关键因素。
五、塔机在安装拆除条件塔机安装必须依靠汽车起重机或其它已使用的塔机,需要一定拼装场地、交通运输通道及汽车起重机就位场地。
对布置在建筑物内的塔机,要求在基础施工阶段,特别是土方开挖及总平面布置阶段,一定要协调好塔机安装方案并预留相应的施工通道。
塔机拆除类似于塔机安装,在拆除阶段,建筑物已经建成,难度往往会更大。
如果塔机布置位置不合理,往往增加了拆除难度。
塔式起重机简称塔机,别称塔吊,是指动臂装在高耸塔身上部的旋转起重机,起源于西欧。
它根据动臂形式分为水平式和压杆式两种,作业空间大,主要用于房屋建筑施工中物料的垂直和水平输送及建筑构件的安装。
塔机附着规范塔机是一种重型建筑起重机械,广泛应用于建筑施工中。
在进行塔机的安装和附着过程中,需要按照相关规范来进行操作,以确保安全和施工效率。
下面是塔机附着规范的一些要点,总结如下:1. 安全检查:在进行塔机的附着前,需要对相关设备和场地进行全面检查,确保无显著的结构缺陷或安全隐患。
检查包括但不限于:基础的平整度、强度和稳定性;钢结构的坚固性和完整性;电器设备的正常运转和安全性等。
2. 施工方案:在附着塔机前,需要制定详细的施工方案。
方案应包括塔机的型号和参数、附着点的位置和布置、塔机的安装和解体顺序等。
方案应满足施工的需要,并在安全和经济上考虑合理性。
3. 基础处理:塔机的附着需要有坚固的基础。
在进行基础处理前,需要依据设计要求和实际情况,选择合适的基础类型和处理方法。
基础处理应符合相关规范和标准,确保基础的强度和稳定性。
4. 附着点的选择:塔机的附着点应选择在具有足够强度和稳定性的结构上。
附着点的选择需要考虑其坚固性、承载能力和适应施工需求的能力。
附着点的结构和材料应符合相关规范的要求,以确保附着点的安全和可靠性。
5. 手续办理:在进行塔机的附着前,需要办理相关手续。
这包括但不限于:施工许可证的办理、附着点的验收和备案等。
办理手续时,需要提供相关的文件和证明材料,并遵守相关法律和规定。
6. 安全防护:在进行塔机的附着过程中,需要采取有效的安全防护措施。
这包括但不限于:设置防护栏杆,限制人员和车辆进入附着区域;安装警示牌和标志,提醒周围人员注意安全;设置适当的警戒线和警戒区域,确保施工区域的安全。
7. 施工质量检查:在进行塔机的附着后,需要进行施工质量检查。
检查内容包括但不限于:基础的平整度和标高;附着点的垂直度和水平度;塔机的固定和调整情况等。
检查应依据相关规范和标准进行,并及时修复发现的问题。
总结:塔机的附着是一项重要的工程,需要按照相关规范来进行操作。
安全检查、施工方案、基础处理、附着点的选择、手续办理、安全防护和施工质量检查等方面都需要进行全面考虑和操作。
工作行为规范系列塔式起重机附着顶升作业安全规范(标准、完整、实用、可修改)编号: FS-QG-46448塔式起重机附着顶升作业安全规范Safety specification for tower crane attachment lifting operation说明:为规范化、制度化和统一化作业行为,使人员管理工作有章可循,提高工作效率和责任感、归属感,特此编写。
1、附着式固定式起重机的基础和附着的建筑物其受力强度必须满足塔机的设计要求。
2、附着时应用经纬仪检查塔身的垂直并用撑杆调整垂直度,其垂直度偏差不得超过2/1000。
3、每道附着装置的撑杆布置方式、相互间隔和附墙距离应符合原生产厂家规定。
4、附着装置在塔身和建筑物上的框架,必须固定可靠,不得有任何松动。
5、轨道式塔式起重机作附着式使用时,必须加强轨道基础6、风力在四级以上时不得进行顶升、的承载能力和切断行走电机的电源。
作业时突然遇到风力加大,必须立即停止作业,并将塔身固7、顶升前必须检查液压顶升系统各部件的连接情况,并调整好爬升架滚轮与塔身的间隙,然后放松电缆,其长度略大于总的顶升高度,并紧固好电缆卷筒。
8、顶升操作的人员必须是经专业培训考试合格的专业人员,并分工明确,专人指挥,非操作人员不得登上顶升套架的操作台,操作室内只准一人操作,必须听从指挥。
9、顶升作业时,必须使塔机处于顶升平衡状态,并将回转部分制动住。
严禁旋转臂杆及其他作业。
顶升发生故障,必须立即停止,待故障排除后方可继续顶升。
10、顶升到规定自由行走高度时必须将搭身附着在建筑物上再继续顶升。
11、顶升完毕应检查各连接螺栓按规定的预紧力矩紧固,爬升套架滚轮与塔身应吻合良好,左右操纵杆应在中间位置,并切断液压顶升机构电源。
12、塔尖安装完毕后,必须保证塔身平衡。
严禁只上一侧臂就下班或离开安装作业现场。
13、塔身锚固装置拆除后,必须随之把塔身落到规定的位置14、塔机在顶升拆卸时,禁止塔身标准节未安装接牢以前离开现场,不得在牵引平台上停放标准节(必须停放时要捆牢)或把标准节挂在起重钩上就离开现场。
塔吊附着计算塔机安装位置至建筑物距离超过使用说明规定,需要增长附着杆或附着杆与建筑物连接的两支座间距改变时,需要进行附着的计算。
主要包括附着杆计算、附着支座计算和锚固环计算。
一、支座力计算塔机按照说明书与建筑物附着时,最上面一道附着装置的负荷最大,因此以此道附着杆的负荷作为设计或校核附着杆截面的依据。
附着式塔机的塔身可以视为一个带悬臂的刚性支撑连续梁,其内力及支座反力计算如下:风荷载标准值应按照以下公式计算W k=W0×μz×μs×βz其中 W0——基本风压(kN/m2),按照《建筑结构荷载规范》(GBJ9)的规定采用:W0= 0.40kN/m2;μz——风荷载高度变化系数,按照《建筑结构荷载规范》(GBJ9)的规定采用:μz=2.030;μs——风荷载体型系数:U s=0.065;βz——高度Z处的风振系数,βz=0.70风荷载的水平作用力N w=W k×B×K s其中 W k——风荷载水平压力,W k=0.037kN/m2B——塔吊作用宽度,B=3.00mK s——迎风面积折减系数,K s=0.20经计算得到风荷载的水平作用力 q=0.02kN/m风荷载实际取值 q=0.02kN/m塔吊的最大倾覆力矩 M=500kN.mqM10.0m 10.0m 10.0m 20.0m计算结果: N w=64.448kN二、附着杆内力计算计算简图:计算单元的平衡方程为:其中:三、第一种工况的计算塔机满载工作,风向垂直于起重臂,考虑塔身在最上层截面的回转惯性力产生的扭矩和风荷载扭矩。
将上面的方程组求解,其中θ从0-360循环,分别取正负两种情况,分别求得各附着最大的轴压力和轴拉力:杆1的最大轴向压力为:88.02 kN杆2的最大轴向压力为:0 kN杆3的最大轴向压力为:56.59 kN杆1的最大轴向拉力为:40.88 kN杆2的最大轴向拉力为:24.85 kN杆3的最大轴向拉力为:72.30 kN四、第二种工况的计算塔机非工作状态,风向顺着起重臂,不考虑扭矩的影响。
重庆华硕建设有限公司
塔机附着安装标准
二0—0年十二月
目录
1、塔吊附墙的位置设置方案: (3)
1)、厂家的安装位置要求 (3)
2)、实际施工时的安装位置分析 (3)
3)、两种附墙设置方案的经济比较 (5)
2、塔吊附着的安装技术要求: (6)
1)、安装角度: (6)
2)、预埋铁件处梁的加固处理措施 (7)
1、塔吊附墙的位置设置方案
1)、厂家的安装位置要求
这里仅以升立的QTZ40塔机为例进行说明,其它型号的塔机由于其参数不同,附墙的安装位置略有区别,须参考各自厂家的说明书进行设置。
升立QTZ40(4210)塔机厂家对附墙位置的要求如下表所示:
第四道75 73-75 17 厂家要求塔机附墙以上的自由高度不得高于18M塔机的独立高度为
31M由上表可以看出,塔机附墙间的间距大约在六层楼左右。
2)、实际施工时的安装位置分析
塔机起吊材料时,吊钩加上吊绳和材料所占空间的尺寸大约在 2.5-3米左右,吊钩顶至塔吊起重臂下沿的最小高度(起吊高度限位下,吊绳的最小长度,)大约为1米,起重材料下沿至障碍物(或工作面)的最小间隙约1米,那么塔机的起重臂下沿至障碍物的最小工作高度要求为6米左右。
如下图所示
因此如果要满足起吊的正常工作,塔机的第一道附墙必须在塔身高度为31-
6=25米的位置安装。
但实际施工中从预埋附墙铁件到附墙支撑的安装有个养护期的问题,在此期间,楼层的工作面上要搭设内外架,只要外架起来了,那么塔吊的起重臂到内外架的顶部的空间就不够最小工作间隙的要求了。
从升立塔吊的厂家提供的产品说明书来看,本款塔机对附墙支撑的水平推拉力要求为126KN这是一个非常大的荷载,如果拿建筑物的结构承载力来作比较的话,它相当于一根承受10平米左右现浇板的梁的结构承载力,而且附墙的荷载方向是水平的,在梁的不利受力方向。
因此,塔机附墙的预埋铁件所在的梁柱砼须达
到C25以上的强度才能进行附墙支撑的安装。
一般来说,现在的现浇梁板砼设计标号在C30左右,C30商砼如果要达到C25的强度就是在200C的气候条件下也要一周左右。
一周的时间大概是一层楼的施工周期,因此前述的起重高度还须加上一层楼的工作高度,大概按3米进行测算吧。
那么本款塔机的首次附墙位置在实际操作中应按31-6-3=21 米左右进行控制。
也符合厂家要求的首道附墙位置要求。
后续的附墙位置,厂家的要求大致是17-18 左右。
从目前本公司各个项目的塔吊附墙的设置来看,多是以四层楼一道来实施的。
当然这肯定符合厂家的要求。
之所以这样设置附墙,也是想节约一道附墙的安拆和租金,但到了须安装附墙那一层时,由于起吊高度不够了,施工又不想停,就提前把附墙支撑焊上去,在附墙铁件预埋所在的楼层砼浇筑三天左右就必须要焊上去,否则会影响后序的施工。
正是基于这种作法,造成本公司绿地三期、奥园七期和医科大学三个项目的塔机附墙铁件拉断的重大安全隐患。
也有项目因为附墙未能及时焊装造成该栋楼停工的情况。
3)、两种附墙设置方案的经济比较下面本探讨一下二道以上附墙支撑的设计方案。
由于厂家对本款塔机附墙以上的自由高度限制在18 米以内,同样的道理,本把塔吊起吊材料的最小工作高度6米,以及养护期内的施工高度3米扣除:18-6-3=9 米。
如果要达到既不影响现场的正常施工,又保证附墙铁件梁板的砼强度达到承载力要求,就应三层一次附墙!
三层一道附墙,比起厂家要求的17-18 米一道附墙差不多要多一倍的附墙,租金和费用肯定高,那么我觉得可以考虑在安装了上面几道附墙后,间
一个拆一个附墙,只要达得到厂家要求的17-18 一道附墙的要求就可以。
下面本以三十三层的高层建筑施工为例,比较一下传统的四层一附墙的方案和三层一附然后部拆除的费用差别。
从上表计算可得:方案一附墙支撑的租期总计为985天*套,方案二的
附墙支撑租期总计为1285天*套。
就算租赁商加收租期很短的四套附墙的安拆费,每套安拆费约300元,共4X 300元= 1200元。
方案一的租金和安拆费:
1200+9850=11050元,也比本传统的附墙安装方案费用:12850经济。
如果
4/6下载文档可编辑
塔机的租期比测算期更长,方案一更优。
2、塔吊附着的安装技术要求
1)、安装角度:
(1)从目前司属各个项目的附墙支撑的安装情况来看安装角度有些问题:①附墙的套框与支撑不在一个水平面上,而且倾斜角度比较大;
②支撑与建筑物(临塔机面)的夹角不合理;
(2)安装要求:
①、厂家的说明书中明确规定附墙撑杆的水平倾斜度不得大于200MM
②、撑杆与建筑物的安装夹角以35-50度为宜。
超过此角度,撑杆及焊缝的受力不合理,对塔机各个方向的约束能力不对等。
2)、预埋铁件处梁的加固处理措施
前述已提到撑杆的设计荷载为126KN即铁件和梁(柱)的水平承载力要求。
实际上结构设计时并未考虑这一巨大的水平荷载,我司近期已有几个项目的塔机附墙铁件出现被拉出来的事故(也造成边梁的破坏),有一个重要的原因,就是没有采取锚固铁件的梁进行单独的加固措施。
因此我必要规范这一块儿的施工。
(1)、砼强度
预埋附墙铁件的砼强度须达到C25以上才能进行焊接。
C30砼须养护五天以上,如果时间很紧就只有提高砼的浇筑等级。
(2)、钢筋加固
①、支撑点所在的梁,特别是铁件所在的位置,其箍筋须按主次梁的支座构造设加密箍各三道以上。
②、增加梁的扭筋,在梁的两个侧面布置0 14@100勺加强钢筋以维持梁
的水平抗拉力。
如果梁上有现浇板,这种加强筋,可以用废钢筋仅加固铁件所在的位置。
(3)、附墙的锚固环位置
锚固环宜装设在塔身标准节对接处或设置在有水平腹杆处,塔身节主
弦杆应视需要加以补强。
锚固环必须牢固、紧密地箍紧塔身结构,不得松脱(4)、撑杆与铁件的焊缝
①、撑杆与铁件的焊接须有焊工上岗证的人员来实施。
②、其焊缝不得短于10CM且撑杆与铁件进行双面搭接焊。
(学习的目的是增长知识,提高能力,相信一分耕耘一分收获,努力就一定可以获得应有的回报)。