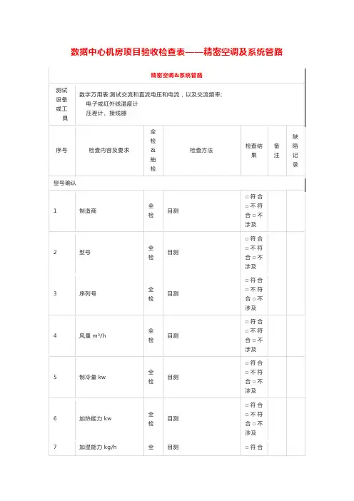
精密空调检查表
- 格式:xls
- 大小:86.00 KB
- 文档页数:18
制冷机检查表
1. 概述
本文档旨在提供一份制冷机检查表,以帮助用户对制冷机进行定期检查和维护,确保其正常运行和延长使用寿命。
2. 检查项目
2.1 温度和湿度
- 检查制冷机的温度和湿度设置是否合适。
- 确保温度和湿度传感器的准确性。
2.2 供电和电线连接
- 检查供电插头和电线连接是否稳固。
- 检查电线是否有破损或老化现象。
- 确保电线的截面积适当,不会引起过载或失效。
2.3 冷却系统
- 检查冷却系统中的冷媒量是否充足。
- 检查冷却系统的压力和温度是否在正常范围内。
- 定期清洁和更换冷却系统中的过滤器。
2.4 蒸发器和冷凝器
- 检查蒸发器和冷凝器的清洁程度,定期清洁以保持良好的热交换效果。
- 检查蒸发器和冷凝器的风扇运转是否正常。
2.5 控制系统
- 检查制冷机的控制系统是否正常工作。
- 校准控制器上的温度和湿度设置。
3. 检查频率
- 建议每季度对制冷机进行一次全面检查。
- 每月检查一次供电和电线连接。
- 每月清洁一次蒸发器和冷凝器。
请注意:本检查表仅供参考,具体的检查项目和频率可能会根据制冷机的型号和使用环境而有所变化。
用户应在制冷机操作手册的指导下进行检查和维护工作。
咨询专业技术人员或制冷机供应商,以获得更详细的指导和建议。
空调调试检查表工程项目名称地点安装位置销售订单号产品型号产品编号警告:一定要在电源断开的情况下打开或装上机器,否则,可能因电击导致人身安全事故甚至死亡。
警告:高电压可能导致人身伤害,如机器确实需要在运转状态下检查,技术人员必须认识到其危险性,确保安全操作,否则因电击或接触运转部件会导致人身伤害,甚至死亡。
空调测试报告工程名称:_____________________________________________________设备名称:_____________________________________________________空调调试方案调试前准备工作系统在安装完毕,试压合格,会同建设单位进行全面检查,全部符合设计,施工及验收规范和工程质量检验评定标准要求,然后再进行设备调试。
1、准备工作1) 熟悉设计图纸和有关技术文件,弄清楚送(回) 风系统、供冷和供热系统、自动调节系统的全过程;2) 备好调试所需要仪器仪表、必要工具和有关记录事宜;3) 准备好电源、水源、冷热源。
2、通风、空调系统运转前的检查1) 核对通风机、电动机的型号、规格应与设计相符2) 检查紧固部位是否牢固,减振底座应调平,皮带轮或联轴器应调正。
轴承处的润滑油应足够,而且润滑油的种类和数量应符合设备技术文件的要求;3) 电气部位应有防护、保护安全措施。
三、调设备性能测定与调整1、冷却水塔1) 准备工序a) 清扫冷却塔内的夹杂物和污垢,防止冷却水管或冷凝器等堵塞;b) 冷却塔和冷却水管路系统用水冲洗,管路系统应无漏水现象;c) 检查自动补水阀的动作状态是否灵活准确;d) 冷却塔内的补给水、溢水的水位应进行校验;e) 逆流式冷却塔旋转布水器的转速等,应调整到进塔水量适当,使喷水量和吸水量达到平衡的状态;f) 确定风机的电机绝缘情况及风机的旋转方向;2) 冷却塔运转冷却塔运转时,应检查风机的运转状态和冷却水循环系统的工作状态,并记录运转中的况及有关数据;如无异常现象,连续运转时间应不少于2小时。
制冷及空调系统安全管理检查表背景介绍在当前的社会现状下,气候变化的逐渐加剧和环境污染的日益加重,提高了各种气候的高温、冷冻、干燥等需求。
为了满足人们的需求,使工厂、商场、医院、学校和民居等公共场所的环境控制得到更好的质量保障,制冷及空调系统是必不可少的设备。
然而,在采用制冷及空调系统的同时,我们也必须重视它们的安全管理,防范和预防可能出现的意外事故。
安全管理检查以下是针对制冷及空调系统的安全管理检查表,以保证设备的可靠运行和操作人员的安全:设备安装1.制冷及空调系统的安装位置是否符合设计要求?2.是否进行了地基处理,确保设备的稳固性和平衡性?3.是否按照规定要求进行了电缆敷设和管道布置?4.设备的进出风口是否畅通,通风是否良好?设备保养1.设备的滤网是否定期更换或清洗?2.设备运行时是否有异常声响或振动现象?3.制冷剂是否处于正常水平,是否需要补充或更换?4.热交换器管路是否存在腐蚀或渗漏现象?异常情况处理1.设备出现故障时,是否及时停机排查并进行修理?2.设备出现异常响声或气味是,是否进行检查排除?3.异常气味是否会对操作人员或周围环境造成影响?4.设备损坏或报警时,是否按照操作手册进行正确的应对措施?职工安全管理1.操作人员对设备的正确定位和使用方法是否清楚明确?2.是否制定了应急情况处理流程,并培训了操作人员?3.操作人员是否佩戴安全防护设备,如手套、眼镜、呼吸器等?4.指派了专人负责管理、维护和修复设备吗?结语制冷及空调系统是当前社会必不可少的设备,但在使用过程中,我们必须重视对它的安全管理。
一个安全、稳定、可靠的制冷及空调系统,不仅能够提高人们生活和工作的舒适度,也是为保障员工和设备的安全运行,保障企业发展的重要手段。
因此,我们必须建立和完善制冷及空调系统的安全管理机制,检查各种问题并适时进行解决,为使用者和操作人员提供更安全、更舒适的环境。
空调机房巡视检查记录表空调机房巡视检查表日期:年月日检查项目:空调机组检查内容:1.检查各机组显示屏工作是否正常。
2.检查各机组直燃机燃烧状态是否正常。
3.检查各机组出水、回水压力是否正常。
4.检查各机组燃气管道有无泄露现象。
5.检查各机组阀门状态是否正确。
6.检查各机组负压表显示数值是否正常。
7.用红外线测温仪检查各水泵温度是否正常。
8.检查各水泵水封有无漏水现象。
9.检查各水泵变频器(软启动器)是否正常。
10.检查各水泵电压、电流是否正常。
11.检查各水泵有无异常声音、气味是否正常。
时间:2:00、4:00、6:00、8:00、10:00、12:00、14:00、16:00、18:00、20:00、22:00、24:00检查项目:冷却泵、冷冻泵、循环泵、集水器、分水器检查内容:1.检查集水器、分水器压力是否在正常范围。
2.检查集水器、分水器各阀门状态是否正确。
3.检查集水器、分水器各管道有无跑冒滴漏现象。
4.检查各管道、阀门标识是否完整。
时间:2:00、4:00、6:00、8:00、10:00、12:00、14:00、16:00、18:00、20:00、22:00、24:00检查项目:补水系统检查内容:1.检查补水水箱水源是否充足、有无滴漏现象。
2.检查电接点压力表是否正常。
3.检查补水水泵运行是否正常有无滴漏现象。
4.检查各管道、阀门标识是否完整。
5.检查排污泵手自动是否正常。
6.检查排污管道阀门、标识是否完整。
7.检查排污控制箱电源指示是否正常。
检查项目:排水系统、室内环境、冷却塔检查内容:1.检查室内排风系统是否正常。
2.检查室内照明是否良好。
3.检查室内应急照明是否良好。
4.检查地面卫生是否干净、整洁、有无积水现象。
5.检查冷却塔各风机是否正常。
6.检查冷却塔电机的电压、电流是否正常。
0606008精密空调机组安装检验批验收质量验收记录(恒温恒湿空调系统)单位(子单位) 工程名称分部(子分部)工程名称分项工程名称施工单位项目负责人检验批容量分包单位分包单位项目负责人检验批部位精密空调机组安装施工依据《四川省通风与空调工程施工工艺标准》DB51/T5049-2018验收依据《通风与空调工程施工质量验收规范》GB50243-2016主控 项目设计要求及质量验收规范的规定施工单位质量评定记录监理(建设)单位验收记录单项检验批产品数量(N)单项抽样样本数(n)检验批汇总数量∑N抽样样本汇总数量∑n单项或汇总∑抽样检验不合格数量评判结果备注1 风机及风机箱的安装(7.2.1条)2 通风机安全措施(7.2.2条)3 单元式与组合式空调机组(7.2.3条)4 空气热回收装置的安装(7.2.4条)5 空调末端设备安装(7.2.5条)6 静电式空气净化装置安装(7.2.10条)7 电加热器的安装(7.2.11条)一般项目1 风机及风机箱的安装(7.3.1条)3 组合式空调机组、新风机组安装(7.3.4条)2 单元式空调机组的安装(7.3.3条)4 空气过滤器的安装(7.3.5条)5 蒸汽加湿器的安装(7.3.6条)6 空气热回收器的安装(7.3.8条)7 变风量、定风量末端装置的安装(7.3.10条)施工单位检查结果评定项目专业质量检查员:项目专业质量(技术)负责人:年 月 日监理(建设)单位验收结论监理工程师(建设单位项目技术负责人):年 月 日四川省建设工程质量安全与监理协会 编制四川省建设工程质量安全总站 监制。