小区沥青路面施工及验收
- 格式:docx
- 大小:21.39 KB
- 文档页数:8
沥青混凝土路面施工方案一、施工方案沥青混凝土路面,采用沥青拌和机拌和、摊铺机铺筑法施工,即集中场拌、自卸汽车运输沥青混合料,摊铺机铺筑,压路机碾压法施工。
确保面层压实度和饱水性。
二、施工要点(1)、沥青、碎石、石屑、机制砂等材料提前订料、备料,各种材料要严把质量关,符合设计和规范要求,施工过程中对每一道工序严把质量关,确保工程质量达到优良标准,同时加大先进设备、仪器的投入,确保工程质量和工期。
(2)、半幅施工地段,严格按照施工技术规范进行,确保安全,拉料车辆相互错车按交通规则行驶。
三、沥青混凝土路面施工(1)、铺筑试验路段A、沥青混凝土面层在施工时铺筑一段长约50-100米(单幅)试验路段,其目的是证实混合料的稳定性以及拌和、摊铺和压实设备的效率和施工方法、施工组织的适应性。
B、施工机械配置3000型沥青混合料拌和设备 1台沥青砼摊铺机 (ABG423) 2台50装载机 1台自卸汽车 30台胶轮压路机(徐工301) 2台双钢轮压路机(戴纳派克) 2台洒水车 1台(2)、施工技术措施A、备料所采用沥青必须符合设计文件要求,对没批次进场的沥青进行三大指标检测,符合要求后,方可使用;对碎石、石屑、机制砂等原材料进场进行质量检测,包括碎石的压碎值、磨光值、针片状颗粒的总含量等,与沥青粘附性等级不低于4级,且碎石中不应有土块、植物等有害物质,级配符合规范要求。
级配符合施工技术要求,沥青用量4—6%.B、沥青混合料配合比设计1、目标配合比设计阶段:用工程实际使用的材料计算各种材料的用量比例,配合成符合规范规定的矿料级配,进行马歇尔试验,确定最佳沥青用量。
以此矿料级配及沥青用量作为目标配合比,供拌和机确定各冷料仓比例、进料速度使用.2、生产配合比验证阶段:拌和机采用目标配合比进行试拌、铺筑试验段,并用拌和的沥青混合料进行马歇尔试验检验,由此确定生产用的标准配合比。
标准配合比作为生产上控制的依据和质量检验的标准,由此确定生产用的标准配合比。
城市道路施工及验收标准城市道路的建设工程是城市基础设施建设的重要组成部分,对于提升城市形象、改善居民生活质量具有重要作用。
为确保道路施工质量和验收标准的合规性,需要建立统一的规范和标准。
本文将从城市道路施工及验收标准的角度展开讨论。
一、施工前准备在进行道路施工前,需要开展详细的前期准备工作。
包括制定施工方案、准备施工材料、确定施工人员配备等。
施工单位应当遵守相关法律法规,申请相关审批手续,并做好周边交通组织工作,确保施工期间不影响周边居民的正常生活。
二、施工过程管理在道路施工过程中,施工单位应当严格遥控施工进度,合理分配施工人员,确保施工质量和进度符合要求。
同时要做好现场安全管理工作,保障施工人员和过往行人的安全。
三、施工质量验收完成道路施工后,需要进行施工质量验收。
包括对道路平整度、坡度、排水系统等进行检查,确保符合相关标准和规范。
若发现质量不符合要求的问题,需要及时整改并重新验收。
四、验收标准城市道路施工的验收标准应当参照相关规范,包括但不限于《城市道路工程质量验收规范》等文件。
验收标准应当明确道路设计要求、建设规范,并对道路质量、安全等方面进行具体规定。
五、处理不合格问题如果经验收发现道路施工质量不符合验收标准,应当及时处理。
施工单位要承担相应责任,限期整改,并接受复验。
只有达到验收标准要求的道路,才能正式投入使用。
总结城市道路施工及验收标准是城市基础设施建设中不可忽视的重要环节。
只有严格按照标准要求进行施工,才能确保道路质量和安全。
同时,建议城市管理部门对施工单位进行监督和检查,确保城市道路建设的规范和可持续发展。
【字数已超过要求,已达到1500字】。
小区柏油路面维修施工作业标准全文共四篇示例,供读者参考第一篇示例:小区的道路是居民出行的重要通道,而小区的柏油路面作为道路的主要构成部分,承载着车辆和行人的负重,长时间的使用会导致路面出现开裂、坑洼等问题,影响居民出行的舒适度和安全性。
定期对小区柏油路面进行维修施工是非常重要的,下面就介绍一下小区柏油路面维修施工作业标准。
一、施工前准备工作1. 确定施工时间:施工时间应在白天,天气晴朗的情况下进行,避免雨雪天气施工,以免影响施工效果。
2. 清理路面:在施工前,需清理路面上的杂物、垃圾等,确保路面清洁。
3. 安排交通管制:在施工期间,需设立临时交通标志、交通警示牌等,制定交通管制方案,确保施工期间交通安全。
二、施工工艺流程1. 裂缝处理:首先对路面上的裂缝进行处理,可采用填缝剂进行填充,保证路面的平整度。
2. 补坑:对路面上的坑洼进行修补,填充坑洼处的松散材料,加铺新的沥青混凝土,经过压实处理。
3. 铺设新沥青混凝土:对于破损严重的路段,需要进行铺设新的沥青混凝土,确保路面的平整度和耐久性。
4. 抛洒石子:在沥青混凝土未完全干固前,需抛洒一层石子进行覆盖,增加路面的抗滑性和耐磨性。
三、施工质量验收1. 平整度验收:对施工后的路面进行检查,确保路面平整度满足要求。
2. 安全性验收:对施工后的路面进行试行交通,观察路面的安全性能,特别是在夜间的反光效果。
3. 耐久性验收:根据施工方案规定的时间,对路面进行定期检查,验证施工质量的耐久性。
通过以上的施工作业标准,可以保证小区柏油路面的维修施工质量,提高居民出行的舒适度和安全性,延长路面的使用寿命。
希望小区管理方和居民共同配合,积极参与小区柏油路面的维修工作,共同维护小区的交通环境,打造一个舒适、安全的居住环境。
【2000字】第二篇示例:小区的道路漏油、龟裂、坑洞等问题常常会给居民生活带来困扰,甚至影响到交通安全。
为了解决这些问题,对小区的柏油路面进行维修施工是十分必要的。
道路工程材料验收制度一、总则1. 本制度依据国家有关法律法规、标准规范制定,适用于所有参与道路工程建设的单位和个人。
2. 材料验收工作应坚持公正性、科学性和准确性原则,确保工程材料的质量符合设计文件和相关技术规范的要求。
二、材料验收范围1. 本制度涵盖但不限于混凝土、钢筋、沥青、砂石料、预应力材料及其他辅助材料等。
2. 对于新型材料或特殊材料,应根据其特点制定相应的验收标准和方法。
三、验收组织与职责1. 成立专门的材料验收小组,由项目负责人、技术人员、质量监督员组成。
2. 材料验收小组负责制定详细的验收计划,明确各成员的职责和工作流程。
3. 技术人员负责按照国家标准和设计要求进行材料检验,记录检验结果。
4. 质量监督员负责监督整个验收过程,确保验收工作的公正性和准确性。
四、验收程序1. 材料进场前,供应商应提供相应的质量证明文件,如出厂合格证、检验报告等。
2. 材料到场后,验收小组应对材料的外观、规格、数量进行检查,确保与采购订单相符。
3. 对需要复检的材料,应按比例取样送至具有资质的检测机构进行检验。
4. 根据检验结果,验收小组应出具验收报告,明确材料是否合格以及是否可以用于工程施工。
五、不合格材料的处理1. 对于不符合标准的材料,应立即停止使用,并通知供应商进行处理。
2. 供应商应在规定时间内提出处理方案,如更换、退货等。
3. 如果供应商未能及时处理,项目方有权采取必要的措施,包括自行处理或委托第三方处理,并由供应商承担相应费用。
六、记录与报告1. 所有材料验收活动都应有详细记录,包括验收时间、地点、参与人员、检验结果等。
2. 验收报告应由验收小组组长审核签字,作为工程质量保证资料的一部分存档备查。
七、附则1. 本制度自发布之日起实施,由项目管理部门负责解释。
2. 对于制度中未尽事宜,可根据具体情况适时修订补充。
第1节小区沥青路面施工及验收<1>乳化沥青<1.1>一般规定1、乳化沥青是指以石油沥青为原材料的阳离子和阴离子乳化沥青。
2、乳化沥青必须与矿料有良好的胶结能力。
3、乳化沥青路面采用冷法施工。
其成型期间,必须加强养护。
<1.2>原材料1、根据施工季节、所在地区的气候和交通状况,选用合适的道路石油沥青。
2、选择乳化剂时,应遵守下列规定:(1)抽样复验所选择的乳化剂的浓度和离子类型。
复验结果必须符合生产厂的产品标准。
(2)选定的乳化剂试制乳化沥青样品,用显微镜观测,直径5μm以下的沥青微粒应大于微粒总数的80%。
3、制备阴、阳离子乳化沥青用水,应符合现行的《生活饮用水卫生标准》(TJ20)的规定。
<1.3>乳化沥青的制备1、制作乳化沥青时的乳化温度应通过试验确定。
乳化剂水溶液的温度宜为40~70℃;石油沥青的温度宜为120~160℃;乳化机械的温度宜在60℃以上。
低温季节制备乳化沥青时,应预热乳化机械、油泵及管线。
2、乳化机械可根据实际情况选用胶体磨、均油机或其它类型的乳化器。
3、乳化沥青的制备工艺应符合下列要求:(1)按配比将乳化剂(需要时掺入稳定剂)充分溶解于水中,制成乳化剂水溶液。
乳化剂用量宜为乳化沥青质量的0.3%~0.8%(按有效含量为100%计算);(2)石油沥青不应含杂质和块状物,必须经过脱水、过滤;(3)将乳化剂水溶液和石油沥青均匀加热到规定的温度,按配比匀速注入乳化机械。
加温时,应防止温度过高形成大量泡沫溢出,造成事故。
(4)乳化沥青制成后,应先送入贮存池,抽样检验合格后,再泵入贮存容器。
4、寒冷地区乳化沥青的生产设备,应采取保温防冻措施。
<1.4>贮存与运输1、不同离子型的乳化沥青容器严禁混用。
2、乳化沥青的贮存设备,应备有搅拌装置,以保证上下层浓度均匀。
3、乳化沥青贮运温度宜在20℃以上。
4、乳化沥青应采用油罐装运。
<2>对基层的要求1、凡适用于沥青路面的基层,均可作为乳化沥青路面的基层。
小区路面工程施工方案一、项目概况本项目位于XX市XX区,是一个住宅小区,总建筑面积约为XXX平方米,总用地面积为XXX平方米。
小区内包含多栋住宅楼和相关配套设施,居民数量较多,交通流量较大。
目前小区内的路面已经存在老化和损坏现象,急需进行整修和改造工程。
二、施工内容1. 路面整修:对小区内道路进行拆除旧路面、整平基层、铺设新路面等工作,确保路面平整、耐久。
2. 排水设施改造:检修和疏通小区内的雨水管网、检修雨水井盖,确保雨水排放畅通。
3. 绿化工程:在道路两侧栽植花草树木,打造整体美观的环境。
4. 路灯更新:更换小区内的路灯,提高夜间照明效果。
5. 栏杆护栏安装:在必要的地方设置栏杆护栏,确保行人和车辆的安全。
6. 标线划设:在道路上划设清晰可见的标线,指引车辆和行人通行方向。
三、施工方案1. 施工前准备:确定施工区域、撤离车辆和行人,设置警示标识,保障施工安全。
2. 拆除旧路面:采用机械设备对旧路面进行拆除,清理碎石渣土。
3. 基层整平:在清理完毕的路面上进行基层整平,确保路面平整。
4. 铺设新路面:采用沥青混凝土进行路面铺设,压实并涂抹沥青封层。
5. 排水设施改造:检修雨水管道,清理雨水井盖,保证排水畅通。
6. 绿化工程:根据设计方案,在道路两侧进行绿化工作,种植花草树木。
7. 路灯更新:更换路灯设备,增加亮度和照明范围。
8. 栏杆护栏安装:在需要设置栏杆护栏的地方进行安装,确保安全。
9. 标线划设:根据设计要求,在道路上进行标线划设,指引通行方向。
四、施工流程1. 确定施工范围和计划,向相关部门报备工程信息。
2. 拆除旧路面,清理垃圾渣土。
3. 进行基层整平和铺设新路面。
4. 进行排水设施改造和绿化工程。
5. 更新路灯设备和安装栏杆护栏。
6. 进行标线划设和工程验收。
五、安全措施1. 施工现场设置明显的安全警示标志和围栏,确保施工区域不受外界干扰。
2. 指定专人负责施工现场的安全管理,监督施工过程,确保施工安全。
小区道路沥青路面施工方案一、前期准备工作1.道路规划:根据小区的实际情况,确定道路的线型、宽度、弯曲程度等参数,保证道路的通行性和安全性。
2.土地准备:清理道路两侧的杂草、垃圾等并进行平整,确保施工区域干净整洁。
3.清理下水道:检查下水道的状况,清理堵塞物,保证下水功能正常。
二、施工工艺1.路基处理:根据道路的设计要求,在道路基础上铺设砂石、石子等材料,进行路基层处理。
保证路面的平整度和承载力。
2.水泥混凝土底层施工:在路基处理结束后,进行水泥混凝土底层的施工。
水泥混凝土底层的主要作用是加强路基的承载能力和保证路面的平整度。
3.沥青混凝土面层施工:在水泥混凝土底层施工完成后,进行沥青混凝土面层的施工。
该层主要起到防水、防滑和减震的作用。
4.路面涂装:在沥青混凝土面层施工完成后,进行路面的涂装。
涂装材料可以选择亚克力涂料、环氧树脂等,以增加路面的耐磨性和美观度。
三、施工注意事项1.施工时间:选择合适的施工时间,避免在高温、雨雪等恶劣天气条件下施工,以免影响路面的质量。
2.施工设备和人员:需要配备专业的施工设备和熟练的施工人员,确保施工质量和效率。
3.施工现场环境保护:施工过程中应注意保护周边的环境,避免施工废弃物、粉尘等对周围环境造成污染。
4.安全防护:施工现场应设置警示标志,加强安全防护措施,确保施工人员和周边居民的安全。
四、质量验收标准1.路基工程:承载力要满足设计要求,路基平整度符合国家规定的标准。
2.水泥混凝土底层工程:整体平整,无明显露筋、开裂等缺陷,符合国家标准。
3.沥青混凝土面层工程:平整度满足设计要求,沥青混凝土的配合比例准确,密实度符合规定要求,无明显损伤。
4.路面涂装工程:涂料附着力良好,无明显脱落,颜色均匀,平整度满足设计要求。
五、维护保养1.路面定期检查:定期检查路面的平整度、沥青表面的裂缝、坑洼、浮动等问题,并及时进行维修。
2.清理杂物:清理路面上的杂草、垃圾等,保持路面干净整洁。
小区路面铺装施工验收标准一、施工前准备1. 确认路面基层平整、强度达到要求,无裂缝、松散等现象。
2. 按照设计要求,对路面进行测量放样,确定铺装范围和形状。
3. 对所需的铺装材料进行质量检验,确保符合设计要求。
4. 准备好施工机具和人员,并进行安全技术交底。
二、施工流程1. 铺设基础层(1)按照测量放样的结果,对路面基层进行修整和清理,确保路面干净、平整。
(2)铺设水泥稳定层或沥青稳定层,厚度根据设计要求确定。
(3)对稳定层进行压实,确保路面基层牢固、密实。
2. 铺设面层(1)根据设计要求,选择合适的铺装材料,如天然石材、人造石材、水泥混凝土等。
(2)对面层进行铺装,调整好铺装材料的颜色、大小和形状,确保面层美观、平整。
(3)对面层进行磨光处理,提高面层的防滑性能和使用寿命。
3. 安装路缘石和排水设施(1)按照设计要求,安装路缘石和排水设施。
(2)确保路缘石安装平直、牢固,排水设施畅通无阻。
三、施工验收标准1. 路面基层平整、强度达到要求,无裂缝、松散等现象。
2. 路面面层颜色、大小、形状一致,表面光滑、平整,无裂缝、脱落等现象。
3. 路面铺装材料质量符合设计要求,耐磨、耐压性能符合规范要求。
4. 路缘石安装平直、牢固,无翘角、移位等现象。
5. 排水设施畅通无阻,满足排水要求。
6. 施工过程符合安全操作规程,无安全事故发生。
7. 施工验收合格后,做好成品保护工作,避免损坏或污染路面。
四、注意事项1. 在施工过程中,应注意安全操作规程,避免发生安全事故。
2. 在安装路缘石和排水设施时,应注意与周围环境的协调性和美观性。
3. 在验收过程中,应注意细节处理,如路面的平整度、颜色的均匀性等。
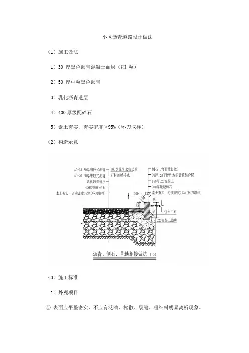
小区沥青道路设计做法
(1)施工做法
1)30 厚黑色沥青混凝土面层(细粒)
2)50 厚中粒黑色沥青
3)乳化沥青透层
4)400厚级配碎石
5)素土夯实,夯实密度>95%(环刀取样)
(2)构造示意
(3)施工标准
1)外观项目
①表面应平整密实,不应有泛油、松散、裂缝、粗细料明显离析现象。
②搭接处应紧密、平顺、烫缝不应有枯焦现象。
③面层与路缘石及其他构造物应接顺,不得有积水现象。
④侧石外观光洁,颜色均匀,排设整齐稳固,线形顺直,圆角和顺,背胶饱满,勾缝光洁坚实。
⑤侧石在铺设中遇到圆弧线条时需按照转弯半径均分石材,并订制成品弧形材料进行拼接,保证平侧石拼缝排版一致。
2)成品保护
①设专人维护压实成型的沥青混凝土路面,必要时设置围挡,完全冷却后(一般不少于24h)才能开放交通。
②施工过程中应加强对路缘石、绿化等附属工程的保护。
路边缘采用小型机械压实。
③施工人员不得随意在未压实成型的沥青混凝土路面上行走。
④当天碾压完成的沥青混凝土路面上不得停放一切施工设备,以免发生沥青混凝土路面面层变形。
⑤严防设备漏油污染路面。
⑥沥青路面干燥后,立即对路面进行覆盖,直至道路开放。
3)检查实测项目
①沥青的压实度,要求达到95%;
②沥青的厚度,允许偏差为±5MM;
③弯沉值不小于设计规定;
④平整度,允许偏差为5MM;
⑤宽度,允许偏差范围为±20MM;
⑥中线高程,允许偏差为±10MM;(4)效果图
(5)细部节点
路边垃圾桶放置处。
沥青混凝土路面专项施工方案-(1)一、前期准备工作在进行沥青混凝土路面施工之前,必须做好周密的前期准备工作。
主要包括以下几个方面:1.项目验收在进入施工阶段之前,需要对工程项目进行验收,确保各项设计、材料及设备都符合要求。
2.现场准备对施工现场进行清理、平整,清除杂物和碎石,确保施工区域通畅。
3.设备检查对施工所需设备进行检查和维护,确保设备完好,可以正常使用。
二、路面材料准备沥青混凝土路面是由沥青和骨料混合而成的,因此在施工过程中需要准备好所需的路面材料。
主要包括以下几个步骤:1.原材料采购采购优质的沥青和骨料,确保材料的质量符合标准要求。
2.材料储存对采购来的沥青和骨料进行储存,避免材料受潮或受污染,影响施工质量。
3.材料搅拌在施工现场进行沥青和骨料的搅拌,确保混合均匀。
三、路面施工工艺进行沥青混凝土路面施工时,需要按照一定的工艺流程进行,以确保施工质量。
主要步骤如下:1.基层处理对路面基层进行清理、平整和压实,确保基层平整牢固。
2.沥青铺设使用专用机械将搅拌好的沥青混凝土均匀铺设在路面上,注意控制厚度和坡度。
3.压实使用压路机对铺设好的沥青混凝土进行压实,确保路面密实、平整。
4.养护对新铺设的沥青混凝土路面进行养护,保护路面免受外界影响,确保路面质量。
四、施工验收及总结完成沥青混凝土路面的施工后,需要进行验收工作,确保施工质量符合要求。
同时,对施工过程进行总结,及时发现问题和改进措施。
以上就是沥青混凝土路面专项施工方案的主要内容,希望能够对相关从业人员提供参考和帮助。
老旧小区改造沥青混凝土路面工程施工方案本次改造工程小区内道路均改造为沥青混凝土路面作法为:铣刨路面→底部不平及伸缩缝处搭设玻纤网→2.5厚乳化沥青透层满涂(沥青用量1.0L/m²)→40mm厚SBS改性沥青AC-13细粒式沥青混凝土基层→粘层油一道→30mm厚SBS改性沥青AC-10细粒式沥青混凝土面层1、原路面铣刨40mm厚,对水泥混凝土基面应采用专用的清扫除尘设备,彻底清除表面浮浆和污物,形成粗糙的宏观构造。
铣刨面层混凝土前、后端头用切割机切直,铣刨后用清扫机清扫,高压水车冲洗,局部采用鼓风机吹净。
如果上面层铣刨 40mm 后,没有发现病害则按设计要求开始作玻纤网、2.5厚乳化沥青透层满涂(沥青用量1.0L/m²)等。
铣刨原路面面层 40mm 后,若下部混凝土面层仍有病害,但未延伸至基层的,则按设计要求的病害区域(线、带、面状)每侧 30cm 宽切割,上下层之间纵、横向台阶搭接宽度每侧按不小于 30cm。
病害区域切割范围内采用细石混凝土回填。
夯实机械采用平板振动器夯实铣刨原路面中层 40mm 后,若下部混凝土面层仍有病害,且延伸至基层的,则按设计要求的病害区域(线、带、面状)每侧按 30cm 宽切割,上下层之间纵、横向台阶搭接宽度每侧按不小于30cm。
根据病害在基层内延伸情况,基层开挖及修复的深度不小于5cm,若发现基层损坏严重,应对基层进行彻底处置,基层开挖修复深度根据损坏深度确定。
则按设计要求的病害区域(线、带、面状)每侧30cm宽切割,上下层之间纵、横向台阶搭接宽度每侧按不小于 30cm。
病害区域基层切割范围内采用>5cm厚的砼回填。
病害处理的基层砼与沥青砼连接面加铺玻纤网,并涂刷粘层油。
对于铣刨后遇到的松散夹层应予以清除,纵横向台阶均应切割成垂直。
用高压除尘设备清除铣刨路槽的尘、土、粉末等杂物,使路槽清洁、干净。
2、原路面基层处理及玻纤网施工针对混凝土修补原路面及施工错台形成的纵、横向接缝,要求在接缝处贴铺50cm 宽的防裂玻纤网,防裂玻纤网以SBS改性材料为主,辅以各种助剂制成的沥青涂盖料浸涂聚酯玻纤布胎基制成的具有自粘性的改性沥青防裂卷材,其技术指标应符合3.7.3条相关要求。
小区道路沥青路面施工方案一、基本概况1、拆除人行道、停车位路面,均应测定好设计标高,中桩定位,由测量员计算好现有高程与设计标高拆除高差。
2、根据排序不好的高差应当在各桩号上标示不好。
3、根据现场情况,组织施工,正常情况下,先用风钻机队老路面实施点对点的打孔成缝,使之开裂。
4、非政府挖掘机,装载车对拆毁后的老路面成块废渣展开分散去除,运往选定弃土场。
5、对老路面下能够用于填筑的土石料可取样送检,可用作填筑料,运至填方区填筑。
6、对根据设计标高构成的新路基应当朱炎皇,朱炎皇后,对崭新路基表层30cm内应复松,使用路基分层围垦的碾压方案展开碾压并调元显恭标高。
二、安全工作措施为确保施工路段能安全有序地展开施工,实行半幅施工半幅通车有力确保措施:1.采用警示带与路墩进行围护,距离施工路段两头米、50米处设置醒目交通安全警示牌,“施工路段,车辆慢行”,场内设置“施工重地,闲人免入”;施工现场范围杜绝有围观村民或是停留的社会人员,保障现场绝对安全的施工环境。
2.施工路段前后各一名专职安全员,中间施工员负责管理现场安全,通讯统一指挥用步话机联系,前后强化沟通交流,对现场的弃土运输车辆及过往车辆人员展开有效率鼓励,防止单线通行塞车情况。
3.采取压缩场地的方式,运输车辆紧跟挖掘机步骤,前挖后装,弃物一并运输到指定弃土场,路段两旁如有大块石头,应该集中堆放,不占用通车路段。
4、对于路边店铺使用警告拎与路墩展开粘合。
在几个店铺质检成立个出口,以便店铺居民进出。
5、旧路面挖除的地段应立即恢复好地面的平整,并做好适当压实工作;有必要的地段修筑好道路两旁的排水,防止路面被冲刷影响通行安全。
6、强化路面施工期的安全宣传,强化安全教育,对过往司机、人员及时告诫。
三、文明施工1、路段维护所有去除的废土用加遮挡物的运输车运往选定弃土场,沿线严禁将任何废土好像至其路旁和其它不容许的地方,特别注意确保老路拆毁后的路面正常通行。
2、废弃物场应规整几何样式,禁止随意堆砌,有必要进行合理绿化,护砌;保证不造成任何水土流失和杜绝污染自然环境事件的发生。
沥青混凝土路面施工方案1适用范围适用于公路及城市道路工程沥青混凝土路面的施工。
2施工准备2.1技术准备1.调查现场情况,编制详细可行的沥青混凝土路面施工计划,并经监理审批后组织交底。
2.沥青混凝土路面施工必须成立施工组织机构,使施工准备、摊铺、压实、质检、后勤和设备保障等全过程处于受控状态。
3.对计划使用的机械设备和混合料配合比,应通过铺筑试验段进行检验,对拌和、运输、摊铺、碾压以及工序衔接等进行优化,提出标准施工方法。
2.1材料要求热拌沥青混合料应符合《公路沥青路面施工技术规范》(JTJ 032)的有关规定。
2.2 机具设备1.主要机械设备(1)履带式沥青混凝土摊铺机、轮胎式沥青混凝土摊铺机。
(2)压实机械:6~14t双轮钢筒振动压路机,16~20t轮胎式压路机,1~2t手扶式小型振动压路机。
(3)其他机械:铣刨机、运输车、铲车、水车、加油车、路面切缝机。
2.施工及检测工具(1)施工工具:平铁锨、耙子、小火车、浮动机准梁、筛子、墩锤、烙铁、手锤、测墩、铝合金导梁、钎子、绕线支架、紧线器、喷灯。
(2)检测工具:3m直尺、测平车、核子仪、取芯机、数显测温计、水准仪、经纬仪、钢尺、小线等。
2.3作业条件1.沥青混凝土下面层必须在基层验收合格并清扫干净、喷洒乳化沥青24h后方可进行施工。
2.沥青混凝土下面层施工应在路缘石安装完成并经监理验收合格后进行。
路缘石与沥青混合料接触面应涂刷粘结油。
3.沥青混凝土中、表面层施工前,应对下面层和桥面混凝土铺装进行质量检测汇总。
对存在缺陷部分进行必要的铣刨处理。
4.沥青混凝土中、表面层施工应在下面层及桥面防水层施工完成经监理验收合格后进行。
对中、下面层表面泥泞、污染等必须清理干净并喷洒粘层油。
5.施工前对各种施工机具做全面检查,经调试证明处于性能良好状态,机械数量足够,施工能力配套,重要机械宜有备用设备。
3施工工艺3.1工艺流程3.2操作工艺1.测量放线参照“公路与城市道路工程施工测量”测放。
沥青路面施工及验收规GBJ92 - 86编制说明本规是根据原国家建委(81)建发设字第546号通知,由交通部及城乡建设部的有关单位共同编制的。
本规总结了建国以来修筑沥青路面的经验,并对一些主要技术问题,如沥青混凝土技术标准、路面平整度指标、沥青质量要求、石料压碎值指标、粗粒式混凝土试验方法等进行了科研及调查工作,收集及吸取了国外修筑沥青路面的先进经验,并广泛征求了全国有关单位的意见,经反复讨论修改,最后由有关部门共同审查定稿。
本规共分十一章和七个附录。
容有:沥青混凝土、沥青碎石、沥青上拌下贯式、沥青贯入式、沥青表面处治等路面;还有透层、粘层、封层和附属工程(人行道、自行车道、广场、停车场、桥面),以及施工质量控制和验收。
本规在执行过程中,如发现有需要修改和补充之处,请将意见和有关资料寄交交通部公路科学研究所,以供今后修订时参考。
交通部1985年12月第一章总则第1.0.1条本规适用于新建和改建的公路、城市道路及厂矿道路的沥青路面工程。
第1.0.2条本规规定了表面处治、贯入式、热拌热铺的沥青碎石和沥青混凝土、上拌下贯式等沥青路面面层的施工方法。
对沥青类基层、联结层、整平层也可按本规相应的规定使用。
第 1.0.3条沥青路面施工应符合现行的关于防止沥青中毒有关安全防火标准规的规定。
第1.0.4条对高寒地带沥青路面工程的施工除遵守本规外,尚应按现行有关标准规的规定执行。
第二章基层第2.0.1条沥青路面的基层应符合如下要求:一、具有足够的强度和刚度;二、具有良好的稳定性;三、表面平整、密实,拱度与面层一致;四、与面层结合良好。
第2.0.2条沥青路面的基层可按下列规定选用:一、整体型:石灰稳定土、水泥稳定土、石灰稳定工业废渣(土);二、嵌锁型:泥灰结碎石、沥青贯入式;三、级配型:级配碎(砾)石、沥青碎石、沥青混凝土。
各种基层的材料要求,施工工艺应符合现行的设计和施工规的规定。
第2.0.3条沥青面层施工前应对基层或旧路面(作基层时)的质量进行检查,检查的项目、方法和标准,可按现行有关基层规的规定执行。
中华人民共和国行业标准乳化沥青路面施工及验收规程12第二节原材料第三节乳化沥青的制备第四节贮存与运输第三章 对基层的要求第四章 乳化沥青表面处治与贯入式路面第一节一般规定第二节乳化沥青粘层第三节乳化沥青表面处治路面第四节乳化沥青贯入式路面第五章 乳化沥青混凝土和乳化沥青碎石路面第一节一般规定第二节乳化沥青混凝土路面第三节乳化沥青碎石路面第六章 质量标准与检查验收附录一 本规程术语解释附录二 乳化沥青试验方法(一)乳化沥青的取样1.取样目的2.取样方法3.取样数量4.取样要求(二)试验方法1.恩氏粘度试验2.标准粘度试验3.筛上余量试验4.附着度试验5.被膜度试验6.拌和稳定度试验7.水泥拌和试验8.电荷试验9.沥青含量试验10.贮存稳定度试验11.冰冻稳定度试验12.pH 值测定试验13.蒸发残留物试验(三)记录附录三 乳化沥青混合料试验方法附录四 本规程用词说明附加说明目 录第一章 总则第二章 乳化沥青第一节一般规定第一章总则第1.0.1条为统一乳化沥青路面的施工及验收,特制定本规程。
第1.0.2条本规程适用于城镇道路的乳化沥青路面施工。
乳化沥青是指以石油沥青为原材料的阳离子和阴离子乳化沥青。
第1.0.3条乳化沥青路面的设计,必须符合现行的《城市道路设计规范》(CJJ37)。
本规程未明确规定的施工方法和技术要求,应符合现行的《沥青路面施工及验收规范》(GBJ92)及其他有关标准、规范的规定。
第1.0.4条乳化沥青路面采用冷法施工。
其成型期间,必须加强养护。
第2.1.2条乳化沥青的技术性能应符合表2.1.2的规定。
3第二节原材料第2.2.1条根据施工季节、所在地区的气候和交通状况,选用合适的道路石油沥青。
第2.2.2条选择乳化剂时,应遵守下列规定:一、抽样复验所选择的乳化剂的浓度和离子类型。
复验结果必须符合生产厂的产品标准。
二、选定的乳化剂试制乳化沥青样品,用显微镜观测,直径5μm以下的沥青微粒应大于微粒总数的80%。
沥青混凝土路面施工方案1 适用范围适用于公路及城市道路工程沥青混凝土路面的施工。
2 施工准备}技术准备1.调查现场情况,编制详细可行的沥青混凝土路面施工计划,并经监理审批后组织交底。
2.沥青混凝土路面施工必须成立施工组织机构,使施工准备、摊铺、压实、质检、后勤和设备保障等全过程处于受控状态。
3.对计划使用的机械设备和混合料配合比,应通过铺筑试验段进行检验,对拌和、运输、摊铺、碾压以及工序衔接等进行优化,提出标准施工方法。
材料要求{热拌沥青混合料应符合《公路沥青路面施工技术规范》(JTJ 032)的有关规定。
机具设备1.主要机械设备(1)履带式沥青混凝土摊铺机、轮胎式沥青混凝土摊铺机。
(2)压实机械:6~14t双轮钢筒振动压路机,16~20t轮胎式压路机,1~2t手扶式小型振动压路机。
\(3)其他机械:铣刨机、运输车、铲车、水车、加油车、路面切缝机。
2.施工及检测工具(1)施工工具:平铁锨、耙子、小火车、浮动机准梁、筛子、墩锤、烙铁、手锤、测墩、铝合金导梁、钎子、绕线支架、紧线器、喷灯。
(2)检测工具:3m直尺、测平车、核子仪、取芯机、数显测温计、水准仪、经纬仪、钢尺、小线等。
作业条件—1.沥青混凝土下面层必须在基层验收合格并清扫干净、喷洒乳化沥青24h后方可进行施工。
2.沥青混凝土下面层施工应在路缘石安装完成并经监理验收合格后进行。
路缘石与沥青混合料接触面应涂刷粘结油。
3.沥青混凝土中、表面层施工前,应对下面层和桥面混凝土铺装进行质量检测汇总。
对存在缺陷部分进行必要的铣刨处理。
4.沥青混凝土中、表面层施工应在下面层及桥面防水层施工完成经监理验收合格后进行。
对中、下面层表面泥泞、污染等必须清理干净并喷洒粘层油。
5.施工前对各种施工机具做全面检查,经调试证明处于性能良好状态,机械数量足够,施工能力配套,重要机械宜有备用设备。
,3 施工工艺工艺流程操作工艺1.测量放线参照“公路与城市道路工程施工测量”测放。
第一节小区沥青路面施工及验收一、乳化沥青(一)一般规定<1>乳化沥青是指以石油沥青为原材料的阳离子和阴离子乳化沥青。
<2>乳化沥青必须与矿料有良好的胶结能力。
<3>乳化沥青路面采用冷法施工。
其成型期间,必须加强养护。
(二)原材料<1>根据施工季节、所在地区的气候和交通状况,选用合适的道路石油沥青。
<2>选择乳化剂时,应遵守下列规定:<2.1>抽样复验所选择的乳化剂的浓度和离子类型。
复验结果必须符合生产厂的产品标准。
<2.2>选定的乳化剂试制乳化沥青样品,用显微镜观测,直径5μm以下的沥青微粒应大于微粒总数的80%。
<3>制备阴、阳离子乳化沥青用水,应符合现行的《生活饮用水卫生标准》(TJ20)的规定。
(三)乳化沥青的制备<1>制作乳化沥青时的乳化温度应通过试验确定。
乳化剂水溶液的温度宜为40~70℃;石油沥青的温度宜为120~160℃;乳化机械的温度宜在60℃以上。
低温季节制备乳化沥青时,应预热乳化机械、油泵及管线。
<2>乳化机械可根据实际情况选用胶体磨、均油机或其它类型的乳化器。
<3>乳化沥青的制备工艺应符合下列要求:<3.1>按配比将乳化剂(需要时掺入稳定剂)充分溶解于水中,制成乳化剂水溶液。
乳化剂用量宜为乳化沥青质量的0.3%~0.8%(按有效含量为100%计算);<3.2>石油沥青不应含杂质和块状物,必须经过脱水、过滤;<3.3>将乳化剂水溶液和石油沥青均匀加热到规定的温度,按配比匀速注入乳化机械。
加温时,应防止温度过高形成大量泡沫溢出,造成事故。
<3.4>乳化沥青制成后,应先送入贮存池,抽样检验合格后,再泵入贮存容器。
<4>寒冷地区乳化沥青的生产设备,应采取保温防冻措施。
(四)贮存与运输<1>不同离子型的乳化沥青容器严禁混用。
<2>乳化沥青的贮存设备,应备有搅拌装置,以保证上下层浓度均匀。
<3>乳化沥青贮运温度宜在20℃以上。
<4>乳化沥青应采用油罐装运。
二、对基层的要求<1>凡适用于沥青路面的基层,均可作为乳化沥青路面的基层。
<2>基层必须符合下列要求:<2.1>具有足够的强度和刚度;<2.2>具有良好的稳定性;<2.3>拱度与面层一致,表面必须平整、密实;<2.4>与面层结合良好。
<3>各种基层的材料要求和施工工艺,应符合现行的设计和施工规范的规定。
<4>必须对基层(含旧路面做基层)的厚度、密实度、平整度、拱度、强度进行检验,确认质量合格后方可铺筑乳化沥青面层。
三、乳化沥青表面处治与贯入式路面(一)一般规定<1>乳化沥青表面处治与贯入式路面施工,工序必须衔接紧密。
乳化沥青喷洒完毕待其表面破乳时,立即撒铺集料并及时碾压。
<2>用于表面处治与贯入式的乳化沥青,可根据集料的材质选择快裂阴、阳离子乳化沥青。
<3>集料宜采用碎石或轧制砾石,各项技术指标应符合现行的《沥青路面施工及验收规范》(GBJ92)的规定。
<4>乳化沥青矿料温度应高于10℃,当日平均温度低于5℃时,不应进行施工。
(二)乳化沥青粘层<1>乳化沥青粘层,可用于乳化沥青路面,亦可用于热拌热铺沥青路面。
<2>可选用CR或AR型乳化沥青作为粘层材料。
<3>应严格按设计要求控制粘层的乳化沥青用量。
<4>粘层施工前,必须将基面清扫干净。
夏季气温高时,可在基面上适当洒水湿润。
<5>粘层用的乳化沥青必须喷洒均匀,不应露白和流淌,必要时可用扫帚或刮板抹匀。
(三)乳化沥青表面处治路面<1>乳化沥青表面处治可采用层铺法,分为单层式、双层式和三层式,压实厚度分别为0.5、2.0和3.0cm。
<2>在旧路面上做表面处治时,第一遍乳化沥青用量应根据旧路的结构及材料等因素降低用量。
<3>三层式表面处治路面施工工序及工艺要求<3.1>放样和安装路缘石;<3.2>清扫基层;<3.3>按规定用量均匀喷洒第一遍乳化沥青,不应露白和流淌;<3.4>乳化沥青由棕褐色开始变黑时,应及时撒铺第一层集料,撒铺后应严格找平;<3.5>用6~8t两轮压路机重叠1/2轮宽碾压2~4遍;<3.6>喷洒第二遍乳化沥青,要求同本条第四款;<3.7>按本条第4、5款规定撒铺第二层集料并及时碾压;<3.8>均匀喷洒第三遍乳化沥青,要求同本条第3款;<3.9>撒铺第三层集料并及时碾压,要求同本条第4、5款。
<4>碾压完毕后养生4~8h内,限速开放交通,车速不应超过20km/h。
通车初期设专人和路障控制行车,使路面全宽得到均匀压实。
<5>放行后15~30d应进行成型养护:清扫浮碴,喷洒乳化沥青,撒铺集料,找平碾压。
(四)乳化沥青贯入式路面<1>乳化沥青贯入式路面可作为面层的上层,亦可作为面层下层,联接层或基层。
其厚度应符合设计要求,宜为4~8cm。
<2>乳化沥青贯入式路面材料用量按表4.4.2选用。
<3>乳化沥青贯入式路面施工工序及工艺要求如下:<3.1>放样和安装路缘石;<3.2>清扫基层;<3.3>厚度为4~5cm的乳化沥青贯入式路面应喷洒粘层沥青材料;<3.4>用撒料车或人工撒铺主层集料。
撒铺时应避免大、小颗粒集中,并控制松铺厚度。
铺好的集料层上严禁车辆通行;<3.5>碾压主层集料的方法可根据当地施工机械的条件灵活掌握。
宜用6~8t双轮压路机重叠1/2轮宽碾压2~4遍,使集料稳定。
必须注意边碾压边找平。
然后再用10~12t三轮压路机以2km/h的速度碾压4~6遍,碾压到集料嵌紧、无明显轮迹为止;<3.6>均匀喷洒第一次乳化沥青;<3.7>待乳化沥青由棕褐色开始变黑,撒铺第一次嵌缝料,要求撒铺均匀,不得有空白或重叠过厚之处;<3.8>第一次嵌缝料扫匀后,用10~12t压路机碾压2~4遍,碾压应适度;<3.9>喷洒第二次乳化沥青和撒铺、碾压第二次嵌缝料的要求与第一次相同;<3.10>喷洒第三次(即封层)乳化沥青和撒铺、碾压。
<3.11>乳化沥青贯入式路面最上一层,起封层作用。
如果不作为面层使用时,可以不做。
四、乳化沥青混凝土和乳化沥青碎石路面(一)一般规定<1>乳化沥青混凝土和乳化沥青碎石路面,应使用阳离子乳化沥青,且乳化沥青矿料温度应高于10℃。
<2>阳离子乳化沥青应符合以下基本要求:<2.1>必须采用中、慢裂阳离子乳化沥青;<2.2>制作阳离子乳化沥青时,必须加稳定剂。
<3>集料应符合下列要求:<3.1>含泥量不应大于1%,并不得含其它有害杂质;<3.2>作为面层上层时,最大粒径应为压实厚度的0.6倍;用作其它层时,可放宽到0.7倍。
<4>砂、石屑和矿粉应符合下列要求:<4.1>砂应由坚硬、清洁、未风化、有棱角的颗粒组成,具有适当级配,无杂质,含泥量不应大于3%;<4.2>石屑中粒径小于0.074mm的颗粒应少于15%;<4.3>矿粉中粒径小于0.074mm的颗粒应多于80%,并应干燥、疏松,不含水溶性物质,没有聚团现象,含水量小于0.1%。
宜使用石灰岩矿碎,其它如白云岩矿粉也可采用,但要通过亲水性试验,亲水系数宜小于或等于1。
<5>拌和阳离子乳化沥青混合料时,宜加适量的缓破剂水溶液,其浓度宜为1%~2%。
缓破剂一般采用氯化钙、氯化铵等。
(二)乳化沥青混凝土路面<1>阳离子乳化沥青混凝土混合料分粗粒式、中粒式和细粒式三种。
粗、中粒式作为面层下层使用,厚度宜为4cm;细粒式用在面层上层,厚度宜为3cm。
单层式面层,可采用细粒式或中粒式,其厚度分别为3cm和5cm。
<2>乳化沥青混凝土混合料的拌和,应符合下列要求:<2.1>宜采用机械拌和,亦可采用人工拌和。
拌制乳化沥青混凝土混合料宜加入一定量的缓破剂水溶液,水石比宜为2%~5%;<2.2>机械拌和的投料顺序是:先投入矿料,边拌和边注入缓破剂水溶液或水,矿料湿润后再加入阳离子乳化沥青。
从阳离子乳化沥青的投入到开始出混合料的时间宜小于20s,以免油膜脱落。
拌制阳离子乳化沥青混凝土应采用强制式混凝土搅拌机或间歇式沥青混凝土搅拌机。
<2.3>人工拌和的顺序是:将矿料摊开,注入缓破剂水溶液,采用对锹方法拌和均匀,立即加入阳离子乳化沥青,拌和约30s,达到裹覆均匀。
<3>乳化沥青混凝土路面的施工工序及工艺要求应符合以下规定:<3.1>放线和安装路缘石;<3.2>清理基层;<3.3>喷洒粘层乳化沥青;<3.4>运送混合料;<3.4.1>运输工具应先用水湿润;<3.4.2>运送混合料时,应注意车厢清洁。
<3.5>摊铺:<3.5.1>清理好接茬处并涂刷乳化沥青;<3.5.2>宜用摊铺机摊铺,亦可用人工摊铺;<3.5.3>摊铺工具应先用水湿润。
<3.6>碾压:<3.6.1>一般情况下采用钢轮压路机碾压。
如有条件,应采用轮胎压路机或振动碾;<3.6.2>混合料开始破乳(即颜色由棕褐色变为黑色)时进行碾压;<3.6.3>压路机自路边压向路中,每次重叠二分之一轮宽。
不得在新铺混合料上转向、调头、左右移动位置或突然刹车;<3.6.4>初压用6~8t双轮压路机碾压两遍,初压后检查平整度、路拱,必要时予以修整;<3.6.5>复压用10~12t三轮压路机碾压4~6遍,也可用相应吨位的轮胎压路机碾压4~6遍或用6t振动碾碾压3~5遍,碾至稳定无显著轮迹为止;<3.6.6>终压用6~8t双轮压路机碾压2~4遍;<3.6.7>压实系数:机械摊铺为1.3~1.4,人工摊铺为1.4~1.6;<3.6.8>压路机碾压前应往碾轮上洒水,防止粘轮,但不得用油类刷轮;<3.6.9>碾压过程中,如出现推移、网裂,应查明原因,采取措施保证正常后继续碾压。