市政工程验收规范-最新版
- 格式:doc
- 大小:73.00 KB
- 文档页数:20
一、《城乡道路工程施工与质量验收规范》(CJJ1-2023)3.0.7施工中必须建立安全技术交底制度,并对作业人员进行相关的安全技术教育培训。
作业前主管施工技术人员必须向作业人员进行详尽的安全技术交底,并形成文献。
3.0.9施工中,前一分项工程未经验收合格严禁进行后一分项工程施工。
6.3.3人机配合土方作业,必须设专人指挥。
机械作业时,配合作业人员严禁处在机械作业和走行范围内。
配合人员在机械走行范围内作业时,机械必须停止作业。
6.3.10挖方施工应符合下列规定:1 挖土时应自上向下分层开挖,严禁掏洞开挖。
作业中断或作业后,开挖面应做成稳定边坡。
2 机械开挖作业时,必须避开构筑物、管线,在距管道边1m范围内应采用人工开挖;在距直埋缆线2m范围内必须采用人工开挖。
3 严禁挖掘机等机械在电力架空线路下作业。
需在其一侧作业时,垂直及水平安全距离应符合表6.3.10的规定。
表6.3.10 挖掘机、起重机(含吊物、载物)等机械与电力架空线路的最小安全距离8.1.2沥青混合料面层不得在雨、雪天气及环境最高温度低于5℃时施工。
8.2.20热拌沥青混合料路面应待摊铺层自然降温至表面温度低于50℃后,方可开放交通。
10.7.6在面层混凝土弯拉强度达成设计强度,且填缝完毕前,不得开放交通。
11.1.9铺砌面层完毕后,必须封闭交通,并应湿润养护,当水泥砂浆达成设计强度后,方可开放交通。
17.3.8当面层混凝土弯拉强度未达成1MPa或抗压强度未达成5MPa时,必须采用防止混凝土受冻的措施,严禁混凝土受冻。
二、《城市桥梁工程施工与质量验收规范》(CJJ2-2023)2.0.5 施工单位应按协议规定的或通过审批的设计文献进行施工。
发生设计变更及工程洽商应按国家现行有关规定程序办理设计变更与工程洽商手续,并形成文献。
严禁按未经批准的设计变更进行施工。
2.0.8 施工中必须建立技术与安全交底制度。
作业前主管施工技术人员必须向作业人员进行安全与技术交底,并形成文献。
市政工程验收规范-最新版本1. 引言市政工程验收是指对市政工程建设结果进行检查和评估的过程。
本规范旨在确保市政工程建设符合相关法律法规和技术标准,保障施工质量和公共安全。
2. 适用范围本规范适用于各类市政工程的验收,包括但不限于道路、桥梁、排水系统、供水系统、燃气系统等。
3. 验收的主体市政工程验收应由建设单位、设计单位、施工单位和监理单位等相关主体共同参与。
相关主体应按照法律法规和合同约定的责任进行配合和协作。
4. 验收的内容市政工程验收的内容包括但不限于以下方面:- 工程技术文件的审核,包括设计文件、施工图纸等;- 工程质量的检查,包括材料使用、施工工艺等;- 工程设备的检验,包括设备齐全、安装稳固等;- 工程安全的评估,包括施工期安全措施、使用期安全性等;- 工程环境的评估,包括噪音、震动、污染等影响;- 其他相关内容。
5. 验收程序市政工程验收应按照以下程序进行:- 建设单位提交验收申请,提交相关资料;- 验收机构受理并组织验收,进行现场检查和技术评估;- 验收机构出具验收报告,提出意见和建议;- 建设单位整改不合格项,重新申请验收;- 验收机构对整改情况进行复查,发出最终验收结论。
6. 验收标准市政工程的验收应参考国家、地方规定的相关技术标准和验收标准。
如无相关标准,则应参考行业通用标准和经验。
7. 验收结果和管理验收合格的市政工程应颁发相应的合格证书,建设单位应及时履行相关手续。
验收不合格的市政工程应整改,并在规定时间内重新申请验收。
8. 监督和检查市政工程验收过程中应加强监督和检查,确保验收工作的公正和科学。
建设单位、设计单位、施工单位和监理单位等相关主体应配合监督检查工作。
9. 法律责任未按规定进行市政工程验收的单位和个人应承担相应的法律责任。
对于验收不合格的市政工程,相关责任单位和个人应承担相应的整改和处罚责任。
10. 附则本规范的解释权归市政工程验收机构所有。
如对本规范有任何疑问或建议,可向相关机构提出。
市政工程常用最新版验收规范
1. 引言
本文档旨在介绍市政工程常用最新版验收规范,为相关方提供操作指南和参考依据。
2. 验收范围
市政工程常用最新版验收规范适用于以下范围:
- 道路和桥梁工程
- 给水和排水工程
- 燃气工程
- 电力工程
- 基础设施工程
3. 验收标准
市政工程常用最新版验收规范包括以下验收标准:
1. 工程质量验收标准
- 结构安全性
- 施工材料质量
- 技术要求符合性
- 工程质量评定
2. 工程进度验收标准
- 施工进度安排
- 工期控制
- 施工图纸审查与变更控制- 施工质量把控
3. 工程安全验收标准
- 安全生产措施落实
- 环境保护措施落实
- 设备操作规程落实
- 紧急救援能力
4. 验收流程
市政工程常用最新版验收规范的验收流程包括以下步骤:
1. 提交验收申请
2. 验收前准备
3. 验收现场检查
4. 验收意见汇总
5. 验收结论和意见报告
5. 相关责任方
市政工程常用最新版验收规范中涉及以下相关责任方:
- 工程施工单位
- 工程监理单位
- 政府部门
- 相关业主方
6. 结论
本文档简要介绍了市政工程常用最新版验收规范,包括验收范围、验收标准、验收流程以及相关责任方。
相关方应在执行市政工
程验收时,按照本规范进行操作和管理,以保证工程质量和安全性。
以上为市政工程常用最新版验收规范的简要概述,详细内容请
参阅最新版验收规范文件。
注:本文档内容仅供参考,请以可确认的官方文件为准。
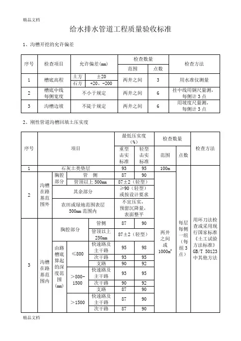
给水排水管道工程质量验收标准1、沟槽开挖的允许偏差2、刚性管道沟槽回填土压实度3、柔性管道沟槽回填土压实度4、管道基础的允许偏差5、管道铺设的允许偏差(mm)i最小间隙之差(mm);R为曲线顶管的设计曲率半径(mm)。
8、水平管道内垂直顶升施工的允许偏差注:H为垂直顶升管总长度(mm);D为垂直顶升管外径(mm)。
9、井室的允许偏差10、管道支墩的允许偏差城镇道路工程质量验收标准3、挖石方路基允许偏差4、填石方路基允许偏差5、路肩允许偏差6、砂垫层允许偏差7、土工合成材料铺设允许偏差8、石灰(水泥)稳定土类基层及底基层允许偏差9、级配砂砾及级配砾石(级配碎石及级配碎砾石)基层和底基层允许偏差注:①在每一单位工程中,以40m×40m定方格网,进行编号,作为量测检查的基本施工单元,不足40m×40m的部分以一个单元计。
在基本施工单元中再以10m×10m或20m×20m为子单元,每基本施工单元范围内只抽一个子单元检查;检查方法为随机取样,即基本施工单元在室内确定,子单元在现场确定,量取3点取最大值计为检查频率中的1个点。
②适用于矩形广场与停车场。
14、广场、停车场预制混凝土砌块面层允许偏差注:①在每一单位工程中,以40m×40m定方格网,进行编号,作为量测检查的基本施工单元,不足40m×40m的部分以一个单元计。
在基本施工单元中再以10m×10m或20m×20m为子单元,每基本施工单元范围内只抽一个子单元检查;检查方法为随机取样,即基本施工单元在室内确定,子单元在现场确定,量取3点取最大值计为检查频率中的1个点。
②适用于矩形广场与停车场。
不足40m×40m的部分以一个单元计。
在基本施工单元中再以10m×10m或20m×20m为子单元,每基本施工单元范围内只抽一个子单元检查;检查方法为随机取样,即基本施工单元在室内确定,子单元在现场确定,量取3点取最大值计为检查频率中的1个点。
城镇道路工程施工与质量验收规范(CJJ1-2008),给水排水管道工程施工及验收规范(GB50268-2008),城市桥梁工程施工与质量验收规范(CJJ2-2008),混凝土结构工程施工质量验收规范(GB50204)公路工程质量检验评定标准(JTJ 034—2000)解放环路市政工程监理规划一、工程项目概况1、工程简况1)解放环路是无锡市城市道路的一环线,它包括解放东路、解放南路、解放西路、解放北路全长5.48公里。
一期工程实施范围:胜利门广场~朝阳广场~文化宫桥,道路桩号为K3+6 25~K5+548.966(K0+000)~K1+325,全长约3.25公里,其中K0+603.218~K1+126.268为新建段,其余路段为老路面更新改造。
整个工程涉及胜利门广场、东林广场、朝阳广场三个大型交叉口及工运路、县前东街、崇宁路、学前东路、文化宫桥等主要交叉口。
解放环路市政工程包括雨污水、自来水、煤气、电力、通信等管道,全线分三个项目组施工,其中:项目1组:文化宫桥~朝阳广场;项目2组:朝阳广场~东林广场;项目3组:东林广场~胜利门广场;2)解放环路道路性质为城市主干道,道路红线在朝阳广场~文化宫桥~人民桥段为36米,其余路段为40米。
机非分隔采用机非隔离栅分隔。
3)路面结构在解放环路两侧的非机动车道以及朝阳广场~文化宫桥改线道路为4CM沥青砼(S BS)+8CM沥青砼(AC-20Ⅰ)+40CM水泥稳定碎石基层+15CM10%石灰土底基层(K≥93%);其余路段实施路表铣刨4CM,上铺4CM沥青砼(SBS)+8CM沥青砼(AC-20Ⅰ)4)雨水管线实施新雨水管线1100,其余路段利用原有管线,并对原有管线进行清挖疏通,以确保雨水管线的畅通。
5)综合管线道路两侧人行道各增设一根电力管及改建给水管,右侧增设一根信息管线。
6)驳岸工程靠文化宫桥边从K1+038.7~K1+230.14有一段新建驳岸,基础原设计为钻空灌注桩。
市政工程质量验收规范在城镇道路工程中,基层的质量检查与验收十分重要。
其中,石灰稳定土基层的材料应采用塑性指数在10~15的粉质黏土或黏土,土中的有机物含量不应超过10%。
使用的石灰应为1~3级的新石灰,或者磨细生石灰,块灰应在用前2~3天完成消解。
在拌合运输时,应严格按照配合比拌合,并根据材料的含水量变化及时调整拌合用水量。
施工时,需要控制虚铺厚度,确保基层厚度和高程与路面一致,碾压时应满足压实度的要求,严禁用薄层贴补的办法找平。
石灰土应湿养,直至上层结构施工为止。
水泥稳定土基层的材料应采用初凝时间3小时以上和终凝时间6小时以上的42.5及普通硅酸盐水泥、矿渣硅酸盐水泥、火山灰质硅酸盐水泥。
土的均匀系数不应小于5,粒料可选用级配碎石、砂砾、未筛分碎石、碎石土、砾石和煤矸石、粒状矿渣材料。
在使用粒料时,需要根据不同道路等级的要求,控制粒径的大小。
集料中有机质含量不得超过2%;硫酸盐含量不得超过0.25%。
在拌合运输时,需要严格按照配合比拌合,并根据材料的含水量变化及时调整拌合用水量。
沥青混凝土面层施工的外观质量要求非常高,要求表面平整、坚实,不出现脱落、掉渣、推挤裂缝、烂边、油斑等现象,同时不得有明显轮迹和污染其他构筑物,接缝应紧密平顺,与路缘石、平石及其他构筑物接顺,不得有积水现象。
施工质量检测与验收的一般项目包括平整度、宽度、中线偏位、纵断面高程、横坡、井框与路面的高差、抗滑等七项。
沥青混合料路面施工过程质量检查项目包括外观接缝、施工温度、矿料级配、沥青用量、马歇尔实验值表、压实度等,同时还应检查厚度、平整度、宽度、纵断面高程、横坡度等外形尺寸。
城镇道路沥青混合料路面竣工验收应检查项目包括面层总厚度、上面层厚度、平整度、宽度、总断面高程、横坡度、沥青用量、矿料级配、压实度、弯沉值等。
抗滑表层还应检查构造深度、摩擦系数等。
质量控制要点包括满足设计要求和规范标准要求,同时还应满足发包方对工程项目的特定要求。
建设单位:监理单位:合同号:施工单位: 编 号: 单位(子单位)工程名称 项目经理分部(子分部)工程名称验收部位施工质量验收规范规定 执行标准 GB50268-2022施工单位检查评定记录原状地基土不得扰动、 受水浸泡或者受 冻。
地基承载力应满足设计要求。
地基处理时,压实度、厚度应满足设 计要求。
合格率 (%)土方 ±20槽底高程石方 +20,-200不小于规定不陡于规定专业工长 (施工员)施工单位检查评定结果年 月 日监理单位验收结论专业监理工程师:年 月 日槽底中线每侧宽度 沟槽边坡沟槽开挖的允许 偏 差实测偏差(mm)允许偏差(mm) 质量检查员:主 控 项目一 般 项 目应检 点数合格 点数施工班组长123项目建设单位:监理单位:合同号:施工单位: 编 号: 单位(子单位)工程名称分部(子分部)工程名称项目经理执行标准 GB50268-2022、GB50202-2002验收部位施工质量验收规范规定 施工单位检查评定记录1 支撑方式、支撑材料应符合设计要求。
主 2 支撑结构强度、刚度、稳定性应符合设计要求。
控横撑不得妨碍下管和稳管。
支撑构件安装应坚固、安全可靠,位置正确。
支撑后,沟槽中心线每侧的净宽不应小于施工方案 设计要求钢板桩的轴线位移不得大于 50mm ,垂直度不得大 于 1.5%。
专业工长(施工员) 施工班组长施工单位检查评定结果质量检查员: 年 月 日监理单位验收结论专业监理工程师: 年 月 日一 般 项 目 123 项目4建设单位: 施工单位:单位(子单位)工程名称 分部(子分部)工程名称验收部位施工单位检查评定记录1 回填材料符合设计要求。
2 沟槽不得带水回填,回填应密实。
3 回填土压实度应符合设计要求。
最低压实度(%)实测偏差(%)重型击实 轻型击实93 95 87 90沟槽在 87±2 (轻型)路基范 ≥90 (轻型)或者按设计要求围外预留沉降量,表面平整87 90胸腔部份87±2 (轻型)500mm 快速路及95 98主干路 次干路 支路在路快速路及93 95主干路围内次干路 支路快速路及87 90主干路1500 次干路 87支路 871 回填应达到设计要求,表面应平整。
市政工程质量验收规范2K城镇道路工程质量检查与检验71无机结合料稳定基层施工质量检查与验收一、石灰稳定土基层(一)材料(1)宜采用塑性指数10~15的粉质黏土、黏土,土中的有机物含量宜小于10%。
(2)宜用1~3及的新石灰,其技术指标应符合规范要求;磨细生石灰,可不经消解直接使用,块灰应在用前2~3D完成消解,未能消解的生石灰应筛除,消解石灰的粒径不得大于10mm。
(3)宜使用饮用水或不含油类等杂质清洁重型水(pH值为6~8),水质应符合《混凝土用水标准》规定。
(二)拌合运输(1)石灰土配合比设计应准确,通过配合比确定石灰最佳含量和石灰土的最佳含水量,大道设计要求的7D无侧限抗压强度的要求。
(2)应严格配合比拌合,并根据眼材料的含水量变化及时调整拌合用水量。
(3)宜采用集中拌合,拌合应均匀,石灰土应过筛。
运输时,应采取遮盖封闭措施方昂之水分损失。
(三)施工(1)控制虚铺厚度,确保基层厚度和高程,其路拱横坡应与路面一致。
(2)碾压时压实厚度与碾压机具相适应,含水量在最佳含水量的±2%范围内,应满足压实度的要求。
(3)严禁用薄层贴补的办法找平。
(4)石灰土应湿养,直至上层结构施工为止。
养护期应封闭交通。
二、水泥稳定土基层(一)、材料(1)应采用初凝时间3h以上和终凝时间6h以上的42.5及普通硅酸盐水泥、矿渣硅酸盐水泥、火山灰质硅酸盐水泥。
水泥应有出厂合格证与生产日期,复验合格方可使用。
储存期超过3个月或受潮,应进行性能试验,合格后可使用。
(2)宜选用粗粒土、中粒土;土的均匀系数不应小于5,宜大于10,塑性指数易为10~17。
(3)粒料可选用级配碎石、砂砾、未筛分碎石、碎石土、砾石和煤矸石、粒状矿渣材料;用作基层时,粒径最大粒径不宜超过37.5mm;用作底基层粒料最大粒径;城镇快速路、主干路不得超过37.5mm;次干路及以下道路的不得超过53mm,各种粒料,应按其自然级配状况,经人工调整使其符合规范要求。
市政道路工程施工质量验收规范.doc范本1:市政道路工程施工质量验收规范1. 总则1.1 目的本规范旨在规定市政道路工程施工质量验收的基本要求,以确保工程质量合格,保障交通安全。
1.2 适用范围本规范适用于市政道路工程的施工质量验收,包括道路的平整度、坡度、排水、标识等方面的检查和评定。
2. 施工质量验收的基本要求2.1 设计符合规范要求施工质量验收时,首先要核查工程设计是否符合相关规范要求,包括道路布置、断面设计、交叉口设置等。
2.2 施工质量合格道路的施工质量应符合相关标准和规范的要求,包括材料的选用、施工工艺、质量控制等。
2.3 安全设施完善施工质量验收时,应检查道路安全设施的设置是否完善,如交通标识、交通信号灯、护栏等。
3. 施工质量验收的程序3.1 前期准备施工质量验收前,应进行前期准备工作,包括验收方案的编制、验收人员的组织等。
3.2 验收前检查验收前应对施工工程进行检查,包括平整度、坡度、排水情况等方面的检查。
3.3 验收报告编制4. 附件本文档涉及的附件包括:- 道路设计图纸- 施工质量验收记录表- 施工质量整改通知书5. 法律名词及注释- 规范要求:指市政道路工程施工质量验收过程中需要满足的相关标准和规范的要求。
- 施工质量:指市政道路工程在施工过程中所达到的质量标准和要求。
- 道路安全设施:指为了保障道路使用安全而设置的交通标识、交通信号灯、护栏等设施。
-------------------------------------------------------------------范本2:市政道路工程施工质量验收标准1. 导言1.1 目的本文档旨在制定市政道路工程施工质量验收的详细标准,以确保工程质量符合要求,确保交通安全。
1.2 适用范围本文档适用于市政道路工程施工质量验收的所有环节,包括设计要求、施工过程、检查评定等。
2. 设计要求2.1 道路布置市政道路工程的设计应满足相关要求,包括道路功能、道路等级、道路宽度等。
市政工程验收规范最新版01验收依据《中华人民共和国消防法》;《建设工程消防验收评定标准》;《建设工程消防监督管理规定》等消防法规。
02各机电专业的消防设计1.多层建筑和高层工业建筑各层的每个防火分区,当其通风、空气调节系统均系独立设置时,则被保护防火分区内的送、回风水平风管与总管的交接处可不设防火阀;2.火灾事故照明和疏散指示标志可采用蓄电池作备用电源,但连续供电时间不应少于20min;3.火灾照明应在下列设置封闭楼梯间、防烟楼梯间及其前室,消防电梯前室;4.按规定应设封闭楼梯间或防烟楼梯间建筑的疏散走道;5.疏散用的事故照明,其最低照度不应低于0.5lx。
消防控制室,消防水泵房,自备发电机房的照明支线,应接在消防配电线路上;6.散指示标志宜放在太平门的顶部或疏散走道及其转角处距地面高度1m以下的墙面上,走道上的指示标志间距不宜大于20m。
03火灾自动报警及消控室1.报警区域按防火区域划分,一个报警区域可以有几个防火分区组成;2.火灾自动报警系统的形式有:集中报警系统:区域报警系统;控制报警系统(消控中心),一个区域报警控制器可警戒多个楼层(看产品的功能)安装位置距地面1.3-1.5米,报警电话安装位置1.3-1.5米;3.建筑面积大于500m的地下商店应设火灾自动报警装置;4.独立设置的消防控制室,其耐火等级不应低于二级。
采用耐火极限分别不低于3h的隔墙和2h的楼板,并与其他部位隔开和设置直通室外的安全出口;5.消控室应设置下列功能:接受火灾报警,发出火灾的声、光信号,事故广播和安全疏散指令等:控制消防水泵,固定灭火装置,通风空调系统,电动的防火门、阀门、防火卷帘、防烟排烟设施。
显示电源、消防电梯运行情况等;6.火灾报警按钮安装在距地面1.5米;7.报警线预留100-200毫米长度,绑扎成束、+红—兰线8.报警线敷设不应有接头、纽结,导线接头应在接线盒内用接线端子或焊接连接(每个接线端子接线不超过2根),盒内外加螺母。
城镇道路工程施工与质量验收规范(CJJ1-2008),给水排水管道工程施工及验收规范(GB50268-2008),城市桥梁工程施工与质量验收规范(CJJ2-2008),混凝土结构工程施工质量验收规范(GB50204)公路工程质量检验评定标准(JTJ 034—2000)解放环路市政工程监理规划一、工程项目概况1、工程简况1)解放环路是无锡市城市道路的一环线,它包括解放东路、解放南路、解放西路、解放北路全长5.48公里。
一期工程实施范围:胜利门广场~朝阳广场~文化宫桥,道路桩号为K3+ 625~K5+548.966(K0+000)~K1+325,全长约3.25公里,其中K0+603.218~K1+126.268为新建段,其余路段为老路面更新改造。
整个工程涉及胜利门广场、东林广场、朝阳广场三个大型交叉口及工运路、县前东街、崇宁路、学前东路、文化宫桥等主要交叉口。
解放环路市政工程包括雨污水、自来水、煤气、电力、通信等管道,全线分三个项目组施工,其中:项目1组:文化宫桥~朝阳广场;项目2组:朝阳广场~东林广场;项目3组:东林广场~胜利门广场;2)解放环路道路性质为城市主干道,道路红线在朝阳广场~文化宫桥~人民桥段为36米,其余路段为40米。
机非分隔采用机非隔离栅分隔。
3)路面结构在解放环路两侧的非机动车道以及朝阳广场~文化宫桥改线道路为4CM沥青砼(SBS)+ 8CM沥青砼(AC-20Ⅰ)+40CM水泥稳定碎石基层+15CM10%石灰土底基层(K≥93%);其余路段实施路表铣刨4CM,上铺4CM沥青砼(SBS)+8CM沥青砼(AC-20Ⅰ)4)雨水管线实施新雨水管线1100,其余路段利用原有管线,并对原有管线进行清挖疏通,以确保雨水管线的畅通。
5)综合管线道路两侧人行道各增设一根电力管及改建给水管,右侧增设一根信息管线。
6)驳岸工程靠文化宫桥边从K1+038.7~K1+230.14有一段新建驳岸,基础原设计为钻空灌注桩。
墙身为浆砌金山石,C25砼压顶。
2、工程重点和难点分析1、路基弹软土质处理;2、新老路基搭接;3、路基土层压实度、灰剂量、灰土拌和均匀性;4、管道基础施工、抹带接缝及沟槽回填;5、各种老管道及雨污窨井的保护,合理安排管线工程的交叉作业;6、交叉口、道口的施工;7、文化宫桥沿河驳岸施工;8、砼浇筑质量;9、水泥稳定碎石施工;10、SBS沥青砼面层施工;3、工程的项目组织项目业主:无锡市重点工程办公室设计单位:上海市市政工程设计院承包商:无锡市市政工程总公司监理单位:无锡市市政建设咨询监理有限公司二、监理工作的目标和范围1、监理工作的目标监理组严格按照业主的授权和监理服务合同履行其职责和义务,我们监理工作的目标是:根据国家监理规范、规定、运行质量保证程序,始终坚持质量第一;严格监督承包人履行施工承包合同,确保工程质量等级达到业主的要求;树立文明服务意识,全面优质地履行监理合同,监理工作达到合同规定的各项要求,恪守监理单位公约和监理工程师职业道德,为业主提供优质高效的监理服务。
2、监理工作的范围监理服务的工作范围:在业主及其代表的宏观指导下,对于所辖施工范围的全部工程自施工准备期至施工期的质量控制、进度控制、投资控制、合同管理、信息管理和其它工作协调实施全过程、全面管理;参与缺陷责任期的工作。
三、工程项目的监理依据1.解放环路工程招投标文件。
2.业主提供的解放环路工程设计图纸。
3.业主与监理公司签订的监理合同及监理投标书。
4.业主与承包商签订的施工合同。
5.国家有关技术质量检验评定标准及规范。
(1)《中华人民共和国工程建设标准强制性条文城市建设部分》(2)《建设工程监理规范》(GB50319-2000)(3)《市政道路工程质量检验评定标准》(CJJ1-90)(4)《市政桥梁工程质量检验评定标准》(CJJ2-90)(5)《市政排水管渠工程质量检验评定标准》(CJJ3-90)(6)《公路路基施工技术规程》(JTJ033-95)(7)《公路桥涵施工技术规范》(JTJ041-2000)(8)《城市道路路基工程施工及验收规范》(CJJ44-91)(9)《沥青路面施工及验收规范》(GB50092-96)(10)《公路路面基层施工技术规范》(JTJ034-94)(11)《公路沥青路面施工技术规范》(JTJ032-94)(12)《公路沥青玛脂碎石路面技术指南》(SHC.F40-01-2002)(13)《给水排水管道工程施工及验收规范》(GB50268-97)(14)《施工现场临时用电安全技术规范》(JGJ46-88)(15)《地基与基础工程施工及验收规范》(GBJ202-83)(16)《混凝土强度检验评定标准》(GBJ107-87)(17)《混凝土质量控制标准》(GB50169-92)四、项目监理组织机构和人员调配计划考虑解放环路工程的重要性及复杂性,及其工程呈线性分布以及分项工程交叉覆盖的特点,监理公司抽调公司精干力量,成立以公司总经理为总监,监理科长为总监代表的二层次直线制监理组织,并且随着工程的推进,随时增加监理人员,以满足业主的需要。
(具体见监理组织图)五、监理人员的岗位职责1、总监理工程师职责1)确定项目监理机构人员的分工和岗位职责;2)主持编写项目监理规划、审批项目监理实施细则,并负责管理项目监理机构的日常工作;3)审查分包单位的资质,并提出审查意见;4)检查和监督监理人员的工作,根据工程项目的进展情况可进行人员调配,对不称职的人员应调换基工作;5)主持监理工作会议,签发项目监理机构的文件和指令;6)审定承包单位提交的开工报告、施工组织设计、技术方案、进度计划;7)审核签署承包单位的申请、支付证书和竣工结算;8)审查和处理工程变更;9)主持或参与工程质量事故的调查;10)调解业主与承包单位的合同争议、处理索赔、审批工程延期;11)组织编写并签发监理月报、监理工作阶段报告、专题报告和项目监理工作总结报告;12)审核签认分部分项和单位工程的质量检验评定资料,审查承包单位的竣工申请,组织监理人员对待验收的工程项目进行质量检查,参与工程项目的竣工验收;13)主持整理工程项目的监理资料。
2. 专业监理工程师应履行以下职责1) 负责编制本专业的监理实施细则;2) 负责本专业监理工作的具体实施;3) 组织、指导、检查的监督本专业监理人员的工作、当人员需要调整时,向总监理工程师提出建议;4) 审查承包单位提交的涉及本专业的计划、方案、申请、变更,并向总监理工程师提出报告;5) 负责本专业分项工程验收及隐蔽工程验收;6) 定期向总监理工程师提交本专业监理工作实施情况报告,对重大问题及时向总监理工程师汇报和请示;7) 根据本专业监理工程师实施情况做好监理日记;8) 负责本专业监理资料的收集、汇总及整理,参与编写监理月报;9) 核查进场材料、设备、构配件的原始凭证、检测报告等质量证明文件及其质量情况,根据实际情况认为有必要时对进场材料、设备、构配件进行平行检验,合格时予以签认;10) 负责本专业的工程计量工作,审核工程计量的数据和原始凭证。
3、监理人员应履行的职责1) 在专业监理工程师的指导下开展现场监理工作;2) 检查承包单位投入工程项目的人力、材料、主要设备及其使用、运行情况,并做好检查记录;3) 复核或从施工现场直接获取工程量计量的有关数据并签署原始凭证;4) 按设计图纸及有关标准,对承包单位的工艺流程或施工工序进行检查和记录,对加工制作及工序施工质量检查结果进行记录;5) 担任旁站工作,发现问题及时指出并向专业监理工程师报告;6) 做好监理日记和有关的监理记录。
六、监理工作内容、方法和措施本工程施工阶段的监理工作重点为质量控制,并协助建设进行进度控制和投资控制,同时协助业主进行施工安全文明管理。
1、质量控制:以事前、事中、事后控制相结合的方法,并以事前控制(预控)为主,加强事中控制,确保工程质量。
具体控制过程如下:(一)施工测量放样的控制1)开工前,审核批复承包商的施工测量放样结果,并以此作为承包商申请开工报告中测量准备工作的依据,具体工作内容有:A.协助业主安排勘察设计单位向承包商交接桩,对设计的交桩进行复核。
B.检查承包商测量方面人员、仪器到位情况,查询仪器的精度级别,必要时可指令承包商进行复核仪器精度的测量。
C.检查批复承包商对工程全线控制桩(平面、高程)恢复情况及复核精度。
D.审核即将开工路段和构造物的施工测量及放样情况。
E.检查承包商控制桩的制作、埋设保护情况。
2)施工中,随时检查承包商测量人员的测量记录,检查或旁站测量放样工作,复核、审核测量结果并签署意见。
3)竣工后,检查承包商全线恢复定线和道路及其它构造物竣工验收测量工作,审核测量报告,视情况组织部分路段复测,核实因变更设计引起工程数量变动所需的测量内容等。
(二)原材料及成品、半成品构件的控制1)承包商的原材料及成品、半成品构件进场前按施工规范和市政质监站规定的要求项目和频率在监理工程师见证下,进行材料的送样试验。
首批进场材料的质量检查结果,作为工程审批申请开工报告的依据之一。
2)承包商所进原材料(如水泥、石灰、钢筋、标准砖等)以及半成品(道板、侧平石等),需提供出厂证明、质量保证书、市政质监站质量认可证书以及各种试验资料;材料到现场后,监理将检查其质量情况,对质量不合格的不允许使用,并清理出场。
3)承包商依照工程进度按排材料进场数量和规格;同时应按规范要求搬运及储存材料,注意水泥防潮、钢筋防锈、砂石分类堆放等,各类材料应设标签;成品构件运输及堆放应符合施工规范的受力要求,避免产生不合理的附加应力,使材料变形、受损、开裂。
(三)雨水管线的控制1)施工前,监理检查承包商进场承插砼预制管道及UPVC管材的外观质量,并见证取样进行管材的试验;不合格的管材一律不得使用。
同时加强检查接口橡胶圈的质量及存放条件。
2)沟槽开挖关键对槽底宽度、高程、土质及沟槽放坡、排水的检查。
垫层、基础检查砂石基础及砼基础的宽度、厚度、高程,并见证承包商砼试块的制作,检查砼试块的养护情况。
3)管道安装重点检查砼预制管道的吊管套拉、UPVC管材的上拱通病,保证管内底标高1 00%合格。
4)窨井砌筑重点控制砼基础、井筒垂直、收口直顺及砖墙的砌筑和抹面。
5)回填时,槽内应无积水。
灰土拌好验收合格后才能进行回填。
回填时严格检查承包商的施工工艺和施工机械,并加强对灰土密实度的检测和控制。
(四)道路路基的控制1)路基施工A.道路路基挖方作业,必须按设计横断面整幅开挖,控制乱挖和超挖,基底预留碾压的沉降量。
B.检查基底以下80CM范围以内树根及其它障碍物的清除情况。
C.快慢车道路基之间,由于新旧路基土层的承载力不等,软硬程度不一,极易在连接部位产生路基承载力的不连续,甚至不稳定,从而发生路基整体性的破坏。