建筑业企业资质动态核查表
- 格式:doc
- 大小:100.00 KB
- 文档页数:11
苏州市住房和城乡建设局关于2023年第四季度全市市政基础设施建设工程行业施工企业资质动态核查的通报文章属性•【制定机关】苏州市住房和城乡建设局•【公布日期】2023.12.26•【字号】苏住建城〔2023〕54号•【施行日期】2023.12.26•【效力等级】地方规范性文件•【时效性】现行有效•【主题分类】基本建设,城市建设正文苏州市住房和城乡建设局关于2023年第四季度全市市政基础设施建设工程行业施工企业资质动态核查的通报各县级市(区)住建局(委)、苏州工业园区规建委、张家港保税区规建局,各有关企业:为落实《市住房城乡建设局关于切实加强苏州市市政行业企业资质动态监管工作的通知》(苏住建城〔2022〕33号)要求,进一步加强建筑业企业资质事中事后监管,切实规范我市建筑市场发展秩序,根据《关于开展2023年第四季度全市市政基础设施建设工程行业施工企业资质动态核查的通知》(苏建函城〔2023〕283号)要求,市住建局组织开展了2023年第四季度全市市政基础设施建设工程行业施工企业(以下简称“市政施工企业”)资质动态核查工作。
现将核查情况通报如下:一、总体情况各县级市(区)建设行政主管部门根据核查要求,对各辖区内市政施工企业资质否满足资质标准要求进行动态核查。
2023年第四季度,全市共核查96家建筑业企业的103项市政类资质(详见附件1),发现42家企业的44项资质(详见附件2)不符合资质标准要求。
二、存在问题1.部分企业重视程度不够,日常资质维护工作不到位。
核查中发现2018年以后新取得资质的部分市政施工企业存在注册建造师人数不足、人员社保未按规定缴纳、企业净资产不达标等情况。
2.部分地区市政施工企业资质不达标情况仍然比较突出。
吴中区、苏州工业园区本季度核查的企业资质不达标比例均超过50%。
三、处理意见各县级市(区)建设行政主管部门下发《责令限期整改通知书》,整改期不超过90天(自签收之日起计算)。
苏州市住房和城乡建设局关于2023年第三季度全市市政基础设施建设工程行业施工企业资质动态核查的通报文章属性•【制定机关】苏州市住房和城乡建设局•【公布日期】2023.09.08•【字号】苏住建城〔2023〕32号•【施行日期】2023.09.08•【效力等级】地方规范性文件•【时效性】现行有效•【主题分类】基本建设,机关工作,建筑市场监管正文苏州市住房和城乡建设局关于2023年第三季度全市市政基础设施建设工程行业施工企业资质动态核查的通报苏住建城〔2023〕32号各县级市(区)住建局(委)、苏州工业园区规建委、张家港保税区规建局,各有关企业:为落实《市住房城乡建设局关于切实加强苏州市市政行业企业资质动态监管工作的通知》(苏住建城〔2022〕33号)要求,进一步加强建筑业企业资质事中事后监管,切实规范我市建筑市场发展秩序,根据《关于开展2023年第三季度全市市政基础设施建设工程行业施工企业资质动态核查的通知》(苏建函城〔2023〕216号)要求,市住建局组织开展了2023年第三季度全市市政基础设施建设工程行业施工企业(以下简称“市政施工企业”)资质动态核查工作。
现将核查情况通报如下:一、总体情况各县级市(区)建设行政主管部门根据核查要求,对各辖区内市政施工企业资质是否满足资质标准要求进行动态核查。
2023年第三季度,全市共核查121家建筑业企业的132项市政类资质(详见附件1),发现27家企业的28项资质(详见附件2)不符合资质标准要求。
二、存在问题1.部分企业重视程度不够,日常资质维护不佳。
核查中发现2018年以后新取得资质的部分市政施工企业存在注册建造师人数不足、人员社保未按规定缴纳、企业净资产不达标等情况。
2.部分地区未在必查范围基础上扩大核查范围,核查数量与辖区企业总数相较占比较低,需进一步加强核查力度。
三、处理意见各县级市(区)建设行政主管部门下发《责令限期整改通知书》,整改期不超过90天(自签收之日起计算)。
广东省住房和城乡建设厅关于开展全省第七批建筑业企业资质动态核查工作的通知文章属性•【制定机关】广东省住房和城乡建设厅•【公布日期】2011.09.21•【字号】粤建市函[2011]625号•【施行日期】2011.09.21•【效力等级】地方规范性文件•【时效性】现行有效•【主题分类】正文广东省住房和城乡建设厅关于开展全省第七批建筑业企业资质动态核查工作的通知(粤建市函〔2011〕625号)各地级以上市住房和城乡建设局(委),佛山市顺德区国土城建和水利局,各有关企业(单位):为进一步强化建设监理市场管理,促进建设监理市场健康有序发展,根据《建筑业企业(单位)资质许可后核查工作实施方案》(粤建市函〔2010〕444号),经研究,我厅定于2011年9月26日至10月26日对全省监理企业(单位)进行资质动态核查。
现将有关事项通知如下:一、核查内容1.企业资质条件情况:注册资本、企业技术负责人、国家注册人员是否符合资质(资格)标准,经营场所、工程试验和检测设备情况。
2.企业内部管理情况:企业是否具有完善的组织结构和质量管理体系,有健全的技术、档案等管理制度。
3.企业业务经营情况:是否按法律法规承接业务,是否按照国家相关规定标准收取服务费,是否按规定签订委托监理合同。
4.企业专业技术人员管理情况:注册监理工程师是否本单位人员、其他非国家注册人员是否具有培训上岗证及上述人员的劳动合同、社保、工资情况。
5.所属项目监理部的质量、安全等管理情况。
6.其他需核查的有关情况。
二、被核查监理企业应提供下列资料1.企业资质证书、营业执照和税务登记证书(含分支机构);2.企业管理、注册执业资格人员和技术人员的任职文件、职称证书(注册证书)劳动合同、社保证明和工资发放表;3.企业验资报告、经审计的年度财务报告;4.近期所完成监理项目的中标通知书、监理合同、验收证明或备案资料、监理收费发票及在建工程监理项目一览表;5.企业办公场所的房产证或租赁合同;6.试验和检测设备的清单和证明材料(发票或实物);7.获奖工程荣誉证书或表彰文件,违法违规被处罚文书;8.企业章程、质量手册或管理制度汇编;9.其他有关资料。
附件1:广西建筑业企业资质核查表(建筑施工企业、工程监理企业、工程质量检测机构、工程招标代理机构通用表)企业名称:(公章)填表日期:年月日广西壮族自治区住房和城乡建设厅一、企业基本情况二、2010年企业经营情况建筑施工企业完成建筑业总产值万元;工程监理企业监理费收入万元;工程质量检测机构检测费收入万元;工程招标代理机构招标代理费收入万元(注:以上统计数据由企业分别填写,仅作为了解企业经营情况使用,不对外公开。
)2三、企业从业人员情况从业人员总数人。
工程技术职称人员人,其中:高级职称及以上工程技术人员人,中级职称工程技术人员人,初级职称工程技术人员人;经济管理人员人。
中、高级工程技术职称人员名单3四、企业各类注册执业人员情况(一)注册建造师总数人,其中:注册一级建造师人,注册二级建造师人,小型项目负责人总人数人。
(二)注册建筑师总数人,其中:注册一级建筑师人,注册二级建筑师人。
(三)注册监理工程师总数人。
(四)注册造价师总数人。
(五)注册结构工程师总数人,其中:一级注册结构工程师人,二级注册结构工程师人。
(六)注册岩土工程师总数人。
(七)其他注册人员总数人。
企业各类注册执业人员名单4五、企业获奖情况和受到处罚情况获奖情况处罚情况企业法定代表人对填报资质核查材料的真实性进行确认及意见:签字:日期:年月日5六、住房城乡建设主管部门核查意见经核查,该企业:1、注册资本金达标是否;2、有职称人员中的中高级工程技术人员达标是否;3、已注册建造师达标是否;4、是否存在不良信用记录是否(选择是,需提供相关处罚或处理材料)监督检查结论:合格□不合格□其他情况说明:负责人签名:市住房和城乡建设主管部门(单位公章):年月日自治区住房和城乡建设厅核查结论:合格□不合格□其他情况说明:年月日6。
建筑资质动态核查建筑资质动态核查:保障建筑质量与安全建筑行业作为国家经济的重要支柱产业,对于国家的发展和社会的进步具有不可忽视的重要作用。
然而,随着建筑市场的快速发展,建筑行业中也存在着一些质量问题与安全隐患。
为了保障建筑质量和人民生命财产安全,建筑资质的动态核查成为了必不可少的措施。
建筑资质动态核查是指对建筑企业的资质证书进行定期或不定期的检查,以确保持证单位的资质真实有效,并及时发现和查处存在的问题。
它是建筑行业监管的有效手段,对于规范建筑市场秩序和提升建筑质量具有重要意义。
首先,建筑资质动态核查有助于减少建筑市场的乱象。
在建筑市场上,存在着一些无证企业或者假证企业,它们虽然没有相应的技术实力和资质,但却以低价吸引客户,最终导致施工质量低劣甚至发生事故。
通过建筑资质的动态核查,可以及时发现这些存在问题的企业,并对其进行取缔或整改,从而有效遏制建筑市场的乱象。
其次,建筑资质动态核查有助于提高建筑质量。
持证单位通过多次核查,必须始终保持其专业技术能力和管理水平,否则有可能失去资质。
这就迫使这些企业不断提升自身的能力和服务水平,以适应市场的需求和发展趋势。
而这种市场竞争的机制,必然会促使建筑企业提高建筑质量,确保工程的可靠性和安全性。
此外,建筑资质动态核查还有助于保护消费者的权益。
在建筑市场中,消费者权益常常被侵害,一些没有资质的企业以次充好,给消费者带来了很多麻烦和损失。
通过建筑资质的动态核查,可以筛选出持证企业,为消费者提供一个安全可靠的选择,从而保护消费者的合法权益。
但是,建筑资质动态核查也存在一些挑战和问题。
首先,核查工作需要配备专业人员,且需要耗费大量的时间和精力。
因此,政府和有关部门需要加大对建筑行业监管力度,拿出更多的人力和物力进行核查工作。
其次,一些企业可能通过转包、联合等方式规避核查,给核查的结果带来一定的不确定性。
对此,有关部门应该加强对核查结果的审查,确保核查工作的准确性和可靠性。
江苏省住房和城乡建设厅关于工程监理企业资质动态核查情况的通报文章属性•【制定机关】江苏省住房和城乡建设厅•【公布日期】2020.01.02•【字号】苏建函建管〔2019〕667号•【施行日期】2020.01.02•【效力等级】地方规范性文件•【时效性】现行有效•【主题分类】工程质量安全监管正文省住房城乡建设厅关于工程监理企业资质动态核查情况的通报苏建函建管〔2019〕667号各设区市住房城乡建设局(建委):为进一步规范建筑市场秩序,促进监理市场诚信体系建设,加强监理行业管理,强化事中事后监管,根据《中华人民共和国建筑法》《工程监理企业资质管理规定》(建设部第158号令)、《住房和城乡建设部办公厅关于调整工程监理企业甲级资质标准注册人员指标的通知》(建办市〔2018〕61号)、《关于建立全省工程监理企业资质动态核查工作机制的通知》(苏建函建管〔2015〕674号)和《省住房城乡建设厅关于开展工程监理企业资质动态核查工作的通知》(苏建函建管〔2019〕500号)的要求,我厅组织开展了全省工程监理企业资质动态核查工作。
现将核查情况通报如下:一、基本情况本次共核查省内771家工程监理企业1723项资质,主要核查在取得资质证书后,其资质条件发生变化是否持续符合资质标准要求。
经核,截至2019年12月31日,通过资质动态核查的工程监理企业共564家;未通过的207家,涉及资质332项,其中甲级资质30项,乙级资质231项,丙级资质71项。
54项资质本专业工程类别注册监理工程师人数为0,存在“僵尸企业”、企业名称变更办理不及时或企业合并、业务转型后未及时办理资质注销手续等情况。
二、处理意见对苏州正林工程项目管理有限公司等207家不符合资质条件的工程监理企业,自发文之日起45天内限期整改。
整改期满后,仍不符合资质条件的,依法撤回相应资质。
整改期届满前,经整改达标的企业须提交整改报告、法人营业执照副本复印件及国家注册执业人员证书复印件及社保证明报各设区市建设行政主管部门验证。
广东省住房和城乡建设厅关于开展全省第四批建筑业企业资质动态核查工作的通知文章属性•【制定机关】广东省住房和城乡建设厅•【公布日期】2011.03.31•【字号】粤建市函[2011]174号•【施行日期】2011.04.11•【效力等级】地方规范性文件•【时效性】现行有效•【主题分类】正文广东省住房和城乡建设厅关于开展全省第四批建筑业企业资质动态核查工作的通知(粤建市函〔2011〕174号)各地级以上市住房和城乡建设局(委),佛山市顺德区国土城建和水利局,各有关企业(单位):根据住房和城乡建设部《关于加强建筑市场资质资格动态监管完善企业和人员准入清出制度的指导意见》(建市〔2010〕128号)和我厅《关于开展市场中介组织防治腐败工作的实施方案》(粤建市〔2010〕86号)要求,我厅定于2011年4月11日至4月22日开展全省第四批建筑业企业资质动态核查工作,主要对全省招标代理机构进行专项检查。
现将有关事项通知如下:一、核查的主要内容1、是否与行政机关以及有行政职能的事业单位有隶属关系或者其他利益关系;2、机构人员是否符合资格等级标准;3、经营场所和设备、设施是否满足业务开展需要;4、组织机构和内部管理制度落实情况;5、专家库是否满足工作要求;6、经营管理和业绩情况(包括违法违纪和奖励等诚信情况);7、其他需核查的有关情况。
二、被核查企业(单位)应提供下列资料1、企业资质证书和工商营业执照;2、技术经济负责人和注册人员、专职人员的任职文件、职称证书(注册证书)、劳动合同和2011年1月至2011年3月的社保证明原件;3、企业验资报告、上年度经审计的财务报告;4、企业营业场所的房产证或租赁合同;5、设备、设施的发票或实物;6、企业业绩资料(提供不少于5项业绩资料,中标项目以中标通知书为依据);7、组织机构文件、质量手册或管理制度汇编;8、其他有关资料。
三、核查工作要求1、本次核查在各地级以上市建设主管部门检查的基础上,由我厅组成专项核查组到各地级以上市抽查,每个市抽查企业不少于5家(少于5家的市全部检查)。
苏州市住房和城乡建设局关于2023年第一季度全市建筑业企业资质(非市政类)长效动态核查情况的通报文章属性•【制定机关】苏州市住房和城乡建设局•【公布日期】2023.04.19•【字号】苏住建建〔2023〕20号•【施行日期】2023.04.19•【效力等级】地方规范性文件•【时效性】现行有效•【主题分类】建筑市场监管正文苏州市住房和城乡建设局关于2023年第一季度全市建筑业企业资质(非市政类)长效动态核查情况的通报苏住建建〔2023〕20号各县级市(区)住建局(委)、苏州工业园区规建委,各有关单位:为推进我市建筑业企业资质事中事后长效监管,规范我市建筑市场秩序,根据《关于建立苏州市建筑业企业市级许可施工资质(非市政类)动态核查长效机制的通知》(苏住建建〔2022〕41号)要求,市住建局组织各县级市(区)建设行政主管部门对辖区内建筑业企业资质(非市政类)开展2023年第一季度资质长效动态核查工作,现将核查情况通报如下:一、总体情况在企业自查的基础上,各县级市(区)建设行政主管部门通过系统及实地核查方式,对各辖区内建筑业企业取得资质后是否满足资质标准要求进行长效动态核查。
(一)企业自查情况截至2023年1月底,全市共收到3563家非市政类资质企业自查材料(详见附件1),自查达标企业3475家(占比97%),自查不达标企业88家(占比3%),仍有586家企业未报送自查材料。
(二)动态核查情况2023年第一季度,全市共核查80家建筑业企业的99项非市政类资质,其中,新取得资质企业3家(占比3.7%),企业主管部门调动36家(占比45%),被投诉举报企业8家(占比10%),混凝土企业9家(占比11.3%),存在违法违规行为企业24家(占比30%),发现18家企业的22项非市政类资质不符合资质标准要求(详见附件2)。
二、存在问题1.虎丘区企业对自查工作不重视,实际报送自查材料家数仅占该区应报家数总量的51%。
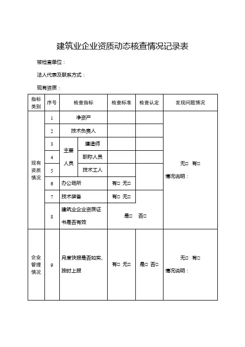
建筑业企业资质核查表
企业名称
企业类型
核查时间
梅州市住房和城乡建设局
建筑企业资质动态核查情况表1-1 (一)企业基本情况表
建筑业企业资质动态核查情况表1-2 (二)企业管理人员和技术人员情况
建筑业企业资质动态核查情况表1-3 (三)企业经营场所和设备设施
建筑企业资质动态核查情况表1-4 (四)企业资产和经营情况
建筑企业资质动态核查情况表1-5
(五)管理制度和责任制落实情况
说明:符合要求的打“√”,不符合要求的打“×”
建筑企业资质动态核查情况表1-6 (六)企业诚信情况(参考)
核查说明及结论。
建筑业企业资质动态
核查表
企业名称:(公章)填报日期:年月日
填表须知
一、本表适用于建筑业企业资质动态核查。
二、本表要求用计算机打印,不得涂改。
三、企业应如实逐项填写,不得有空项。
四、本表数字均使用阿拉伯数字;除万元、百分数保留一位小数外,其余均为整数。
五、本表在填写时如需加页,一律使用A4(210mm×297mm)型纸。
六、本表须附有关附件材料。
附件材料按“企业法人营业执照、现有资质证书正副本、技术负责人资料、注册人员、中级及以上职称人员及其它资料的顺序分册装订。
企业法定代表人声明
一、企业基本情况
注:1.企业类型按营业执照相关内容填写;
2.本表所有数据项不得有空项,如无数据填写,应该在数据项填空处用“无”表示;
二、技术负责人名单
三、技术负责人简历
注:1.工作简历从参加工作开始连续填写;
2.每名技术负责人1页。
四、企业注册建造师名单
五、中级及以上职称人员名单。
梅州市建筑业企业动态核查表申报企业(公章):______________________________ 填报日期:_____ 年—月一日填报人_______________ 联系企业法定代表人声明本人(法定代表人)(身份证号码)郑重声明,本企业此次所填报《梅州市建筑业企业动态核查表》及附件材料的全部数据,以及我在此所做的声明都是真实有效的。
我知道虚假的声明和虚报数据是严重的违法行为,此次监督检查本企业提供的所有情况如有虚假,本企业愿接受住房和城乡主管部门及其它有关部门依据有关法律法规给予的处分。
企业法定代表人:(签名)(公章)年月日、企业根本信息二、企业资质证书信息三、企业注册人员情况注册建造师总数________ 人,其中:一级注册建造师—人;二级注册建造师人。
注册建造师名单注:1.本表按注册建造师的级别顺序进行分级后填写;2.本表可复制加页。
注册人员根本信息从业人员总数人。
工程序列职称人员人,其中:高级职称及以上 _______ 人,中级职称_______ 人;持证上岗技术工人_______ 人,其中:高级工________ 人,中级工________ 人O中、高级工程技术职称人员名单序号姓名学历职称身份证号码职称专业/学历专业申报资质类别注:本名单可复制加页。
持证技术工人名单序号姓名身份证号码技能岗位证号发证单位专业等级注:本名单可复制加页。
企业从业人员情况职称人员根本信息职业技能岗位根本信息四、企业主要管理人员情况企业技术负责人总数____ 人技术负责人名单企业主要管理人员根本信息。