建筑工程五方责任主体项目负责人工程质量终身责任承诺书、法定代表人授权书
- 格式:doc
- 大小:69.00 KB
- 文档页数:14
建设单位项目负责人工程质量终身责任承诺书工程名称:本人承诺在工程建设过程中和建筑物设计使用年限内,对工程质量承担全面责任。
在工程建设过程中认真履行下列职责:1、严格遵守相关法律法规和规范标准,认真履行建设工程合同所规定的责任和义务。
2、将工程发包给具有相应资质等级的施工、监理、勘察、设计、检测和施工图审查等单位,不将建设工程肢解发包。
对按规定必须招标的严格依法依规进行招标,不迫使承包方以低于成本价竞标,不任意压缩合理工期。
3、向勘察、设计、施工、监理、检测和施工图审查等单位提供真实、准确、齐全的建设项目相关的原始材料.4、将勘察、设计文件送有资质的审查机构进行审查,及时向施工现场提供审查合格并加盖了审查专用章的勘察、设计文件及审查意见。
工程有变更的按规定程序办理相关手续,重大设计变更送原审查机构审查合格后再实施.5、严格遵守基本建设程序,在开工前办理质量监督手续,领取施工许可证.6、不明示或暗示勘察、设计、施工、检测等单位违反工程建设强制性标准或使用不合格的建筑材料、建筑配件和设备,降低工程质量。
7、工程竣工后,按规定组织勘察、设计、施工、监理等有-1-关单位进行验收,并接受工程质量监督机构监督。
在工程验收合格十五日内,办理竣工验收备案手续。
工程未经验收合格不得交付使用。
8、及时整理文件资料,建立健全工程项目档案,并自竣工验收后三个月内向城建档案管理部门移交建设项目档案.9、督促勘察、设计、施工、监理等有关单位落实质量责任,对未实行监理的工程,组织建设单位相关人员履行监理单位职责。
10、法律法规及标准规范规定的其他质量责任。
本承诺书一式四份,一份在办理监督手续时提交质量监督机构,一份在办理施工许可时作为附件资料提交,一份在建设工程竣工验收合格后与档案资料一并交城建档案管理部门存档,一份建设单位留存。
建设单位(公章): 勘察单位项目负责人工程质量终身责任承诺书工程名称:-2-本人承诺在该工程建设过程中和建筑物设计使用年限内,承担因勘察导致的工程质量事故或质量问题责任。
法定代表人授权书(建设单位)兹授权我单位担任工程项目的建设项目负责人,对该工程项目的建设实施组织管理,依据国家有关法律法规及标准规范履行职责,并依法对设计使用年限内的工程质量承担相应终身责任。
本授权书自授权之日起生效。
授权单位(盖章):法定代表人(签字):授权日期:年月日法定代表人授权书兹授权我单位担任工程项目的(勘察、设计、施工、监理)项目负责人,对该工程项目的(勘察、设计、施工、监理)工作实施组织管理,依据国家有关法律法规及标准规范履行职责,并依法对设计使用年限内的工程质量承担相应终身责任。
本授权书自授权之日起生效。
授权单位(盖章):法定代表人(签字):授权日期:年月日勘察项目负责人质量终身责任承诺书勘察单位:工程名称:工程地址:本人经法定代表人授权为该工程勘察项目负责人,承担相关质量终身责任,现郑重承诺:1、严格执行工程勘察标准;2、在勘察过程中及时整理、核对工程勘察工作的原始记录,对勘察成果资料负责;3、确保向业主提供的勘察文件真实、准确,符合国家规定的勘察文件编制深度要求;4、履行相关工程质量检查、验收及事故处理等职责5、履行其他法律法规规定的职责。
勘察项目负责人(签字):年月日设计项目负责人质量终身责任承诺书设计单位:工程名称:工程地址:本人经法定代表人授权为该工程设计项目负责人,承担相关质量终身责任,现郑重承诺:1、严格按照经施工图审查机构审查合格的工程勘察报告进行施工图设计;2、施工图设计严格执行工程建设规范、标准;3、严格执行施工图设计文件审查制度;4、按规定向相关单位提供合法有效的施工图纸,向施工单位和监理单位做好设计交底,积极做好设计后续服务;5、严格按照相关规定进行设计变更;6、履行相关工程质量检查、验收及事故处理等职责;7、履行其他法律法规规定的职责。
设计项目负责人(签字):年月日施工项目经理质量终身责任承诺书施工单位:工程名称:工程地址:本人经法定代表人授权为该工程施工项目经理,承担相关质量终身责任,现郑重承诺:1、在取得施工许可证后进行施工。
第3部分:工程质量终身责任承诺书建设单位项目负责人质量终身责任承诺书本人承诺:在工程建设过程中认真履行下列职责,并在工程设计使用年限内承担相应终身质量责任。
1、工程建设坚持先勘察、后设计、再施工的原则。
向勘察、设计、施工、监理、检测和施工图审查等单位提供真实、准确、齐全的建设项目相关的原始材料。
2、及时办理项目选址、用地规划许可、建设工程规划许可、项目施工图审查和备案、质量安全监督、合同备案、开工安全生产条件审查等手续,领取施工许可证(含依法分项发包工程)后方开工建设。
3、工程发包给具有相应资质等级的施工、监理、勘察、设计等单位,对规定必须招标的工程项目严格依法依规进行招标,不将建设工程肢解发包,不强迫承包方以低于成本价竞标情况,不压缩合理工期。
向施工现场提供经施工图审查机构审查合格并加盖专用章的施工用图和设计变更等相关设计文件。
对依法分项发包而未指定总包管理的分部分项工程的质量负总责。
4、无明示或暗示勘察、设计、施工、检测等单位违反工程建设强制性标准或使用不合格的建筑材料、建筑配件和设备,降低工程质量的情况。
5、涉及到工程建设强制性标准、地基基础和主体结构安全性等方面的设计变更,均经原施工图审查机构审查合格,并加盖审查机构专用章后组织施工。
6、加强对工程建设过程的质量管理,督促其他建设各方履行质量责任,工程项目未组织验收或验收不合格,不交付、不使用。
7、按规定实施住宅工程交楼样板制度和组织住宅工程质量分户验收。
8、及时整理文件资料,建立健全工程项目档案,并自竣工备案后三个月内向城建档案管理部门移交建设项目档案。
9、发生工程质量事故及时按照规定上报。
10、遵守法律法规及标准规范规定的其他质量责任。
关于各责任主体项目负责人工程质量终身责任承诺书和委托书等核查情况的说明根据《建筑工程五方责任主体项目负责人质量终身责任追究暂行办法》的规定,建设单位应当建立各方责任主体项目负责人质量信息档案。
经核查,参与项目工程建设的各参建单位(含建设单位独立发包的专业分部分项工程的参建方)均已按规定提供项目负责人质量终身责任承诺书和委托书,内容符合法律法规和合同要求,信息真实有效。
法定代表人授权书(建设单位)兹授权我单位(姓名)担任工程项目的建设项目负责人,对该工程项目的建设实施组织管理,依据国家有关法律法规及标准规范履行职责,并依法对设计使用年限内的工程质量承担相应终身责任。
本授权书自授权之日起生效。
授权单位(盖章):法定代表人(签字):授权日期:年月日法定代表人授权书兹授权我单位(姓名)担任工程项目的(勘察、设计、施工、监理)项目负责人,对该工程项目的(勘察、设计、施工、监理)工作实施组织管理,依据国家有关法律法规及标准规范履行职责,并依法对设计使用年限内的工程质量承担相应终身责任。
本授权书自授权之日起生效。
授权单位(盖章):法定代表人(签字):授权日期:年月日五方主体项目负责人质量终身责任承诺书勘察项目负责人质量终身责任承诺书勘察单位:工程名称:工程地址:本人经法定代表人授权为该工程勘察项目负责人,承担相关质量终身责任,现郑重承诺:1、严格执行工程勘察标准;2、在勘察过程中及时整理、核对工程勘察工作的原始记录,对勘察成果资料负责;3、确保向业主提供的勘察文件真实、准确,符合国家规定的勘察文件编制深度要求;4、履行相关工程质量检查、验收及事故处理等职责5、履行其他法律法规规定的职责。
勘察项目负责人(签字):年月日设计项目负责人质量终身责任承诺书设计单位:工程名称:工程地址:本人经法定代表人授权为该工程设计项目负责人,承担相关质量终身责任,现郑重承诺:1、严格按照经施工图审查机构审查合格的工程勘察报告进行施工图设计;2、施工图设计严格执行工程建设规范、标准;3、严格执行施工图设计文件审查制度;4、按规定向相关单位提供合法有效的施工图纸,向施工单位和监理单位做好设计交底,积极做好设计后续服务;5、严格按照相关规定进行设计变更;6、履行相关工程质量检查、验收及事故处理等职责;7、履行其他法律法规规定的职责。
设计项目负责人(签字):年月日施工项目经理质量终身责任承诺书施工单位:工程名称:工程地址:本人经法定代表人授权为该工程施工项目经理,承担相关质量终身责任,现郑重承诺:1、在取得施工许可证后进行施工。
法定代表人授权书(建设单位)兹授权我单位(姓名)担任(项目名称)工程项目的建设单位项目负责人,对该工程项目的建设工作实施组织管理,依据国家有关法律法规及标准规范履行职责,并依法对设计使用年限内的工程质量承担相应终身责任。
本授权书自授权之日起生效。
授权单位(盖章):(单位名称)法定代表人(签字):授权日期:年月日工程质量终身责任承诺书(建设单位)本人受(单位名称)(法定代表人(姓名))授权,担任(项目名称)工程项目的建设单位项目负责人,对该工程项目的建设工作实施组织管理。
本人承诺严格依据国家有关法律法规及标准规范履行职责,并对设计使用年限内的工程质量承担相应终身责任。
承诺人签字:身份证号:注册执业资格:注册执业证号:签字日期:年月日法定代表人授权书(施工单位)兹授权我单位(姓名)担任(项目名称)工程项目的施工单位项目负责人,对该工程项目的施工工作实施组织管理,依据国家有关法律法规及标准规范履行职责,并依法对设计使用年限内的工程质量承担相应终身责任。
本授权书自授权之日起生效。
授权单位(盖章):(单位名称)法定代表人(签字):授权日期:年月日工程质量终身责任承诺书(施工单位)本人受(单位名称)(法定代表人(姓名))授权,担任(项目名称)工程项目的施工单位项目负责人,对该工程项目的施工工作实施组织管理。
本人承诺严格依据国家有关法律法规及标准规范履行职责,并对设计使用年限内的工程质量承担相应终身责任。
承诺人签字:身份证号:注册执业资格:注册执业证号:签字日期:年月日法定代表人授权书(监理单位)兹授权我单位(姓名)担任(项目名称)工程项目的监理单位项目负责人,对该工程项目的监理工作实施组织管理,依据国家有关法律法规及标准规范履行职责,并依法对设计使用年限内的工程质量承担相应终身责任。
本授权书自授权之日起生效。
授权单位(盖章):(单位名称)法定代表人(签字):授权日期:年月日工程质量终身责任承诺书(监理单位)本人受(单位名称)(法定代表人(姓名))授权,担任(项目名称)工程项目的监理单位项目负责人,对该工程项目的监理工作实施组织管理。
法定代表人授权书(建设单位)兹授权我单位担任工程项目的建设项目负责人,对该工程项目的建设实施组织管理,依据国家有关法律法规及标准规范履行职责,并依法对设计使用年限内的工程质量承担相应终身责任。
本授权书自授权之日起生效。
授权单位(盖章):法定代表人(签字):授权日期:年月日— 1 —法定代表人授权书兹授权我单位担任工程项目的(勘察、设计、施工、监理)项目负责人,对该工程项目的(勘察、设计、施工、监理)工作实施组织管理,依据国家有关法律法规及标准规范履行职责,并依法对设计使用年限内的工程质量承担相应终身责任。
本授权书自授权之日起生效。
授权单位(盖章):法定代表人(签字):授权日期:年月日— 2 —勘察项目负责人质量终身责任承诺书勘察单位(盖章):工程名称:工程地址:本人经法定代表人授权为该工程勘察项目负责人,承担相关质量终身责任,现郑重承诺:1、严格执行工程勘察标准;2、在勘察过程中及时整理、核对工程勘察工作的原始记录,对勘察成果资料负责;3、确保向业主提供的勘察文件真实、准确,符合国家规定的勘察文件编制深度要求;4、履行相关工程质量检查、验收及事故处理等职责5、履行其他法律法规规定的职责。
勘察项目负责人(签字):年月日— 3 —设计项目负责人质量终身责任承诺书设计单位(盖章):工程名称:工程地址:本人经法定代表人授权为该工程设计项目负责人,承担相关质量终身责任,现郑重承诺:1、严格按照经施工图审查机构审查合格的工程勘察报告进行施工图设计;2、施工图设计严格执行工程建设规范、标准;3、严格执行施工图设计文件审查制度;4、按规定向相关单位提供合法有效的施工图纸,向施工单位和监理单位做好设计交底,积极做好设计后续服务;5、严格按照相关规定进行设计变更;6、履行相关工程质量检查、验收及事故处理等职责;7、履行其他法律法规规定的职责。
设计项目负责人(签字):年月日— 4 —施工项目经理质量终身责任承诺书施工单位(盖章):工程名称:工程地址:本人经法定代表人授权为该工程施工项目经理,承担相关质量终身责任,现郑重承诺:1、在取得施工许可证后进行施工。
建筑工程五方责任主体工程质量终身制承诺书尊敬的项目业主:感谢您选择我们作为项目的建设单位,并对我们的信任表示衷心的感谢。
为了确保项目的质量,我们郑重地向您做出以下工程质量终身承诺:一、我们作为建设单位,承诺在项目的规划、设计、施工和竣工验收等各个阶段,严格按照国家和地方相关法律法规、技术标准和行业规范,合理组织施工,确保工程质量达到甚至超出您的期望。
二、我们将严格选用符合相关标准的优质材料,确保每一个使用在项目中的材料都符合质量要求,并进行必要的检测和试验。
我们不会为了降低成本而使用劣质材料或违规操作,以免给您的使用造成隐患。
三、在项目的施工过程中,我们将全程监督施工进展,确保各项施工工艺和工序按照设计要求进行,并进行必要的质量检验。
如发现问题,我们将立即采取措施加以纠正,确保问题得到及时解决,以保证质量安全。
四、我们提供质保期服务。
在工程竣工后的一定期限内,我们将对项目进行免费的质量保修。
如发现质量问题,我们将及时回应并予以修复,直至问题完全解决。
我们承诺,在质保期内,我们将全力以赴保证您对项目的满意度。
五、我们将与您保持良好沟通与合作。
我们将及时向您报告项目的进展情况,对于重大问题的解决方案,我们将与您协商并共同决策。
在项目竣工后,我们将与您进行交底和培训,确保您对项目的使用有清晰的了解和正确的操作。
在此郑重承诺,我们将始终把质量放在首位,为您提供安全、稳定、可靠的建筑工程。
我们希望通过我们的努力,能够与您一同创造一个美好的建筑,为社会做出贡献。
再次感谢您对我们的信任和支持,期待与您携手合作,共同开创美好未来。
特此承诺!建筑工程承建单位:日期:。
建设单位项目负责人工程质量终身责任承诺书工程名称:本人承诺在工程建设过程中和建筑物设计使用年限内,对工程质量承担全面责任。
在工程建设过程中认真履行下列职责:1、严格遵守相关法律法规和规范标准,认真履行建设工程合同所规定的责任和义务。
2、将工程发包给具有相应资质等级的施工、监理、勘察、设计、检测和施工图审查等单位,不将建设工程肢解发包。
对按规定必须招标的严格依法依规进行招标,不迫使承包方以低于成本价竞标,不任意压缩合理工期。
3、向勘察、设计、施工、监理、检测和施工图审查等单位提供真实、准确、齐全的建设项目相关的原始材料。
4、将勘察、设计文件送有资质的审查机构进行审查,及时向施工现场提供审查合格并加盖了审查专用章的勘察、设计文件及审查意见。
工程有变更的按规定程序办理相关手续,重大设计变更送原审查机构审查合格后再实施。
5、严格遵守基本建设程序,在开工前办理质量监督手续,领取施工许可证。
6、不明示或暗示勘察、设计、施工、检测等单位违反工程建设强制性标准或使用不合格的建筑材料、建筑配件和设备,降低工程质量。
-1-7、工程竣工后,按规定组织勘察、设计、施工、监理等有关单位进行验收,并接受工程质量监督机构监督。
在工程验收合格十五日内,办理竣工验收备案手续。
工程未经验收合格不得交付使用。
8、及时整理文件资料,建立健全工程项目档案,并自竣工验收后三个月内向城建档案管理部门移交建设项目档案。
9、督促勘察、设计、施工、监理等有关单位落实质量责任,对未实行监理的工程,组织建设单位相关人员履行监理单位职责。
10、法律法规及标准规范规定的其他质量责任。
本承诺书一式四份,一份在办理监督手续时提交质量监督机构,一份在办理施工许可时作为附件资料提交,一份在建设工程竣工验收合格后与档案资料一并交城建档案管理部门存档,一份建设单位留存。
建设单位(公章):-2-勘察单位项目负责人工程质量终身责任承诺书工程名称:本人承诺在该工程建设过程中和建筑物设计使用年限内,承担因勘察导致的工程质量事故或质量问题责任。
法定代表人授权书授权单位:单位地址:被授权人:联系电话:法定代表人:职务:身份证号码:兹授权我单位担任工程项目的项目负责人,以我方名义履行,对该工程项目实施组织管理,依据国家有关法律法规及标准规范履行职责,并依法对设计使用年限内的工程质量承担相应终身责任。
其法律后果由授权方承担。
授权期限:本授权书自授权之日起生效。
附件1.法定代表人身份证复印件(加盖人名章或者签名)被授权人身份证复印件(加盖人名章或者签名)授权单位:(盖章)被授权人:(签名)法定代表人:(签名)授权日期:年月日注:本授权书一式四份,企业、监督机构、建设单位、城建档案各一份。
建设单位项目负责人工程质量终身责任承诺书工程名称建设单位项目负责人本人郑重承诺在工程建设过程中严格按照《中华人民共和国建造法》、《建设工程质量管理条例》等有关法律法规及标准规范的规定,认真履行职责和义务,并在工程设计使用年限内对工程质量承担相应责任。
1 、对工程质量承担全面责任,不违法发包、肢解发包。
2、不以任何理由要求勘察、设计、施工、监理单位违反法律法规和工程建筑标准,降低工程质量。
对违法违规或者不当行为造成工程质量事故或者质量问题承担责任。
3、向勘察、设计、施工、监理等单位提供与建设工程有关的、准确齐全的原始材料。
4、不任意压缩合理工期;不明示或者暗示设计单位或者施工单位违反工程建设强制性标准,使用不合格的建造材料、构配件和设备,降低建设工程质量。
5 、安装工程竣工验收的有关规定,组织勘察、设计、施工、监理等有关单位进行竣工验收,严格履行职责。
未经验收或者验收不合格,不投入使用。
6、竣工验收后在建造物明显部位设置永久性标牌,载明建设、勘察、设计、施工、监理单位名称和项目负责任姓名7 、其他承诺事项:承诺人(签名):电话:身份证号码:签署日期:建设单位(公章):注:本授权书一式四份,企业、监督机构、建设单位、城建档案各一份。
施工单位项目经理工程质量终身责任承诺书工程名称施工单位项目经理本人郑重承诺在工程建设过程中严格按照《中华人民共和国建造法》、《建设工程质量管理条例》等有关法律法规及标准规范的规定,认真履行职责和义务,并在工程设计使用年限内对工程质量承担相应责任。
备注: 1、授权人提交本授权书时,须同时提交被授权人本人身份证件的复印件;2、企业法人或者被授权人变更,需重新签署本授权书;3、本授权书所填写联系电话变更时,需向当地建设行政主管部门备案。
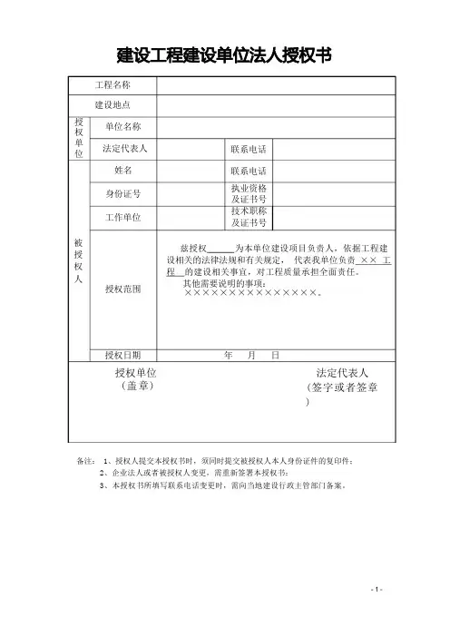
工程名称建设地点被 授 权 人单位名称法定代表人姓名身份证号工作单位授权范围联系电话联系电话 执业资格 及证书号 技术职称 及证书号兹授权 为本单位建设项目负责人,依据工程建 设相关的法律法规和有关规定, 代表我单位负责 ×× 工 程 的建设相关事宜,对工程质量承担全面责任。
其他需要说明的事项:×××××××××××××××。
授权日期 授权单位 (盖章)年 月 日法定代表人 (签字或者签章)授 权 单 位建设工程勘察单位法人授权书根据住房城乡建设部《关于印发 <建造工程五方责任主体项目负责人质量终身责任追究暂行办法 >的通知》 (建质〔2022〕124 号)等规定,_____________单位___________ (法人代表姓名)代表本单位授权________________ (被授权人姓名)为本单位_________________ (工程项目名称)的项目负责人,该项目负责人在该工程建设过程中代表本单位全权履行相应的工程勘察职责,并在工程设计使用年限内对因勘察方面导致工程质量事故或者质量问题承担相应责任。
特此授权。
授权人(本人签名):职称职务:身份证号码:单位名称(公章):单位地址:联系电话:被授权人(本人签名):职称职务:身份证号码:注册师类别及注册证书号:联系电话: (手机) /座机:/传真:年月日根据住房城乡建设部《关于印发 <建造工程五方责任主体项目负责人质量终身责任追究暂行办法 >的通知》 (建质〔2022〕124 号)等规定,_____________单位___________ (法人代表姓名)代表本单位授权________________ (被授权人姓名)为本单位_________________ (工程项目名称)的项目负责人,该项目负责人在该工程建设过程中代表本单位全权履行相应的工程设计职责,并在工程设计使用年限内对因设计方面导致工程质量事故或者质量问题承担相应责任。
建筑工程五方责任主体工程质量终身制承诺书建筑工程五方责任主体工程质量终身制承诺书第一章总则1.1承诺目的:为保障建筑工程质量,明确各方责任,建立工程质量终身制,特制定本《建筑工程五方责任主体工程质量终身制承诺书》。
1.2承诺范围:本承诺书适用于工程的设计、施工、监理、施工单位,以及建设单位五方主体。
1.3法律依据:本承诺书根据《建设工程质量管理条例》和相关法律法规制定。
1.4术语解释:本承诺书所涉及的术语解释参照《建设工程质量管理条例》和相关法律法规。
第二章建设单位责任承诺2.1建设单位应全面负责工程项目的组织、协调和指导工作,确保项目符合法律法规及工程质量要求。
2.2建设单位应提供完整、准确的工程设计文件,确保设计符合工程实际要求。
2.3建设单位应按照工程规划和设计要求,组织施工过程中的环境保护与治理工作。
2.4建设单位应按照相关法律法规要求,组织工程质量验收工作,并提供完善的质量验收报告。
2.5建设单位应对工程质量负终身责任,承诺保证工程终身运行质量。
第三章设计单位责任承诺3.1设计单位应确保设计方案符合国家和地方的法律法规,满足工程质量和安全要求。
3.2设计单位应提供完整、准确的设计文件,并确保设计文件与施工单位一致。
3.3设计单位应及时修改、补充设计文件,对设计变更负责,并书面报告相关单位。
3.4设计单位应参与工程质量验收工作,并提供必要的技术支持和资料。
3.5设计单位应对工程设计质量负终身责任,承诺保证设计符合工程实际要求。
第四章施工单位责任承诺4.1施工单位应按照法律法规和设计要求进行施工,确保施工质量符合相关标准。
4.2施工单位应编制详细施工方案和施工组织设计,并按时报送给监理单位。
4.3施工单位应落实施工过程中的安全管理措施,保护职工和周边环境的安全。
4.4施工单位应按照合同和设计要求进行质量验收工作,并提供必要的技术支持和资料。
4.5施工单位应对自己承建工程的质量负终身责任,承诺保证工程施工质量。
建筑工程五方责任主体工程质量终身制承诺书建筑工程五方责任主体工程质量终身制承诺书一、背景介绍为加强和规范建筑工程质量管理,提高建筑工程质量,确保建筑工程的安全、可靠和耐久,建立五方责任主体工程质量终身制承诺书成为必要的措施。
本文档旨在明确建筑工程各方在工程质量方面的责任和义务,并倡导各方共同遵守。
二、五方责任主体建筑工程的五方责任主体包括业主、设计单位、施工单位、监理单位和工程技术负责人。
1. 业主的责任业主是建筑工程的承建方,具有最基本的建筑工程质量责任。
业主在建设前,应确保项目符合法律法规和规范标准,并委托专业的设计单位进行规划和设计。
业主应严格监督施工单位和监理单位的质量管理,并对工程质量进行验收和整改。
2. 设计单位的责任设计单位是建筑工程质量的重要保障者,应具备相关资质和专业技术。
设计单位应根据业主的要求,编制完善、合理的项目设计方案,并严格按照法律法规和规范标准进行设计。
设计单位还应对施工单位提出的技术问题给予及时解答和指导,确保工程施工的顺利进行。
3. 施工单位的责任施工单位是建筑工程的实施者,应具备相应的从业资质和专业技能。
施工单位应组织施工过程中各项工作,并确保按照设计方案进行施工。
施工单位应根据施工过程中出现的问题及时解决,并合理安排施工进度,确保工程质量和进度的双重控制。
4. 监理单位的责任监理单位是建筑工程施工的监督者,应具备相关资质和专业知识。
监理单位应对工程施工过程进行全程监督,确保施工单位按照设计方案和标准进行施工。
监理单位还应及时发现和纠正工程质量问题,并提出合理的整改措施。
5. 工程技术负责人的责任工程技术负责人是建筑工程质量的具体管理者,应具备相应的专业知识和管理能力。
工程技术负责人应全面负责工程质量的管理和控制,并组织相关人员进行技术培训和交流。
工程技术负责人还应制定完善的施工组织方案和质量控制计划,确保工程质量得到有效保证。
三、工程质量终身制承诺为进一步提高建筑工程质量,各方责任主体应共同遵守以下工程质量终身制承诺:1. 各方责任主体应严格按照法律法规和规范标准进行施工管理和质量控制,严禁使用假冒伪劣建材和施工设备。
建设单位法定代表人授权书我单位 同志为 ,证书编号: ,具备相关文件规定的工程项目负责人资格。
兹授权我单位 同志为工程的项目负责人,认真履行责则,确保工程质量。
本授权自签发之日起生效。
法定代表人:(签名) 授权单位:(盖章)签发日期: 年 月 日注:1、需附项目负责人执业资格证书、身份证以及法人代表身份证复印件。
2、本授权书一式三份,一份在办理质量监督手续前,报质量监督机构备案;一份由建设单位采集管理,工程竣工验收合格后移交城建档案管理部门;一份各方责任主体留存。
本人郑重承诺:在 工程建设过程中认真履行下列职责,并终身质量责任。
1、向各责任主体提供真实、准确、齐全的原始材料。
2、及时办理各种工程手续。
3、工程发包给具有相应资质等级的施工、监理、勘察、设计等单位,不肢解发包。
向施工现场提供经施工图审查机构审查合格并加盖专用章的施工用图和设计变更等相关设计文件。
4、对该工程所有验收程序进行管理,依法组织工程的竣工验收,并对该工程质量是否满足要求提出公正真正的验收意见,并保证对没有通过竣工验收的工程绝不投入使用。
5、法律法规及标准规范规定的其他质量责任。
项目负责人 承诺人签名:年 月 日单位(公章):年 月 日身份证号码 注册专业 执业证书编号 职称证书编号 联系方式 备 注注:本承诺书一式三份,一份在办理质量监督手续前,报质量监督机构备案;一份由建设单位采集管理,工程竣工验收合格后移交城建档案管理部门;一份各方责任主体留存。
本人郑重承诺:在 工程建设过程中认真履行下列职责,并承担终身质量责任。
1、严格按照本单位核定的工程勘察资质等级和业务范围开展勘察业务。
2、严格执行工程建设强制性标准,坚决杜绝弄虚作假,不提供虚假的勘察成果资料。
3、参加对该工程地基基础分部、主体分部的验收和竣工验收,对该工程质量是否满足地质勘察的要求提出公正真实的验收意见。
4、法律法规及标准规范规定的其他质量责任。
项目负责人 承诺人签名:年 月 日单位(公章):年 月 日身份证号码 注册专业 执业证书编号 职称证书编号 联系方式 备 注注:本承诺书一式三份,一份在办理质量监督手续前,报质量监督机构备案;一份由建设单位采集管理,工程竣工验收合格后移交城建档案管理部门;一份各方责任主体留存。
建筑工程五方责任主体项目负责人质量终身责任承诺书建筑工程五方责任主体项目负责人质量终身责任承诺书「篇一」依据《中华人民共和国安全生产法》及《企业安全生产责任体系五落实五到位规定》、《企业安全生产风险公告六条规定》、《企业主要负责人保护员工生产安全六条规定》和《强化安全生产监管六项举措》等安全生产法律法规,我单位郑重承诺如下:一、严格遵守国家安全生产法律法规,履行安全生产工作职责,建立健全各级、各岗位安全生产责任制,制定完善并严格落实各项安全生产管理制度和操作规程,积极开展安全生产标准化建设,提高安全生产水平。
二、依据《安全生产法》有关规定,设置安全生产管理机构并配备专(兼)职安全生产管理人员。
三、组织制定并实施本单位安全生产教育和培训计划,做到人员、时间、内容、效果“四落实”。
特种作业人员持证上岗,本单位使用被派遣劳动者的,将被派遣的劳动者纳入本单位从业人员统一管理,对被派遣劳动者进行岗位安全操作规程和安全操作技能的教育和培训。
四、依法按比例足额提取安全生产专项经费,制定安全生产费用投入使用计划,重点加大对安全教育培训、安全设施设备、安全标准化建设、隐患排查治理、危险工艺、重大危险源控制系统和推广使用安全生产新工艺、新技术、新设备等方面的投入。
督促检查本单位安全生产工作,及时消除生产安全事故隐患,切实打牢企业安全生产基础。
五、本单位确定每年6月为安全生产月,每月日为生产安全事故警示教育日。
六、严格落实建设项目安全生产和职业卫生“三同时”制度,定期组织开展安全生产风险评估,常态化开展隐患排查治理工作,并通过隐患排查治理信息系统定期上报。
七、按标准化管理要求,设置企业安全生产信息公告栏,将安全生产管理制度、操作规程和危险有害因素公示卡、监控卡、应急救援措施及标识、标志标牌张贴或公示到车间和具体工作岗位。
八、依法组织制定本单位的生产安全事故应急救援预案援预案、专项应急预案、现场处置方案),做到方案、救援组织、装备物资、演练“四落实”。
建筑工程五方责任主体工程质量终身制承诺书一、引言建筑工程质量是关系人民群众利益的重要问题,保障工程质量是建设好、用好每一个工程的基本要求。
为了提高建筑工程质量,明确责任主体,确保质量终身制的实施,特制定此《建筑工程五方责任主体工程质量终身制承诺书》。
二、承诺内容根据建筑工程质量管理的相关法律法规及行业标准,我们述五方责任主体承诺:1. 业主责任作为建筑工程质量的主要受益方,我们承诺负责实施责任:•完整、准确地制定工程设计任务书,明确工程质量要求;•严格执行合同,按照合同约定提供必要的人力、物力和财力支持;•定期召开项目进展会议,及时解决和调整项目存在的问题;•对工程实施过程进行监督和检查,确保工程质量达到预期标准;•保证按照合同约定支付工程款项,确保工程的正常进行。
2. 设计单位责任作为建筑工程的设计方,我们承诺负责实施责任:•确保设计符合国家法律法规、行业标准和技术规范的要求;•保证设计方案具备满足工程质量要求的基础条件;•在设计过程中积极参与沟通和协调,确保设计方案的准确性和合理性;•尽职尽责地提供设计文件,确保设计文件与实际工程相符;•在工程实施过程中提供必要的技术指导和解决方案。
3. 施工单位责任作为建筑工程的施工方,我们承诺负责实施责任:•按照设计文件和施工方案进行施工,确保施工质量达到设计要求;•落实项目质量管理体系,确保施工过程的规范性和可管理性;•组织专业技术人员对施工过程进行监督和检查,及时发现和解决施工中的质量问题;•积极参与工程验收,按照验收标准确认工程的合格性;•接受监理单位的监督和指导,积极配合监理工作。
4. 监理单位责任作为建筑工程的监理方,我们承诺负责实施责任:•对施工过程进行全面监督,确保施工质量符合设计要求和相关标准;•参与施工方案的审核和调整,提出合理化建议,确保工程的安全性和可行性;•对施工图纸和变更设计进行审核,确保施工过程符合法律法规的要求;•及时对施工方的违法违规行为或质量问题进行纠正和处理;•在工程验收过程中提供真实、客观的意见和评价。
五方责任主体项目负责人工程质量终身责任承诺书四篇篇一:五方责任主体质量终身责任制承诺书建设单位项目负责人工程质量终身责任制承诺书勘察单位项目负责人工程质量终身责任制承诺书设计单位项目负责人工程质量终身责任制承诺书施工单位项目负责人工程质量终身责任制承诺书监理单位项目负责人工程质量终身责任制承诺书本人承诺在该工程建设过程中一定认真履行下列职责,并对本工程质量承担相应责任:1、严格遵守《中华人民共和国建筑法》、《建设工程质量管理条例》、《建筑工程五方责任主体项目负责人质量终身责任追究暂行办法》、《建筑工程施工许可管理办法》、《建筑施工项目经理质量安全责任十项规定(试行)》、《建筑工程施工转包违法分包等违法行为认定查处管理办法(试行)》等其他法律法规。
2、监理单位总监理工程师应当按照法律法规、有关技术标准、设计文件和工程承包合同进行监理,对施工质量承担监理责任。
3、工程监理单位应当依法取得相应等级的资质证书,并在其资质等级许可的范围内承担工程监理业务。
禁止工程监理单位超越本单位资质等级许可的范围或者以其他工程监理单位的名义承担工程监理业务。
禁止工程监理单位允许其他单位或者个人以本单位的名义承担工程监理业务。
工程监理单位不得转让工程监理业务。
4、工程监理单位与被监理工程的施工承包单位以及建筑材料、建筑构配件和设备供应单位有隶属关系或者其他利害关系的,不得承担该项建设工程的监理业务。
5、工程监理单位应当选派具备相应资格的总监理工程师和监理工程师进驻施工现场。
6、认真编制监理方案,方案中应明确质量要求和标准。
认真审查施工单位的质量保证技术措施,在施工的全过程对施工质量进行严格监督检查。
7、严格依照法律、法规以及有关技术标准、经施工图审查机构审查合格并加盖了专用章的设计文件和监理合同约定对施工质量实施监理,承担质量监理责任。
并协助业主组织好图纸会审与竣工验收和资料归档等工作。
对未经监理工程师签字的建筑材料、建筑构配件和设备禁止进场使用。
建筑工程五方责任主体项目负责人质量终身责任承诺书一、依法对工程建设活动履行项目管理职责,确保工程在设计使用年限内质量可靠。
在法律规定的各种使用年限内,承担相应的质量终身责任。
二、严格执行基本建设程序,坚持先勘察、后设计、再施工的原则,无施工图设计文件和审查合格书,不得擅自施工,设计变更严格执行有关规定,未经审查合格不得擅自实施。
三、认真执行有关工程建设的法律、法规、规范、标准和制度,履行合同约定,承担工程质量安全责任,并督促勘察、设计、施工、监理、检测等参建单位项目负责人落实各自的质量安全责任。
四、不任意压缩合理工期,不明示或暗示勘察、设计、施工、检测等单位违反工程建设强制性标准或使用不合格的建筑材料、建筑构配件和设备,降低工程质量。
五、按规定组织工程质量验收,及时办理验收备案手续,不将未经验收或验收不合格的工程交付使用。
工程交付使用后,按规定组织质量回访、保修和质量投诉处理,并承担相应责任,不推诿扯皮。
六、按规定及时收集、整理、归档工程项目档案资料,并保证资料的真实、准确、完整。
七、如发生工程质量安全事故,我将及时上报并积极配合调查处理,不谎报、瞒报、漏报和迟报。
八、如违反上述承诺,我愿依法承担相应的法律责任。
本承诺书一式五份,一份在办理工程质量监督手续时提交质量监督机构,一份在建设工程竣工验收备案时提交竣工验收备案机关存档,其他份数由各方责任主体分别留存备查。
项目负责人(签字):XXX身份证号码:XXXXXXXXXXXXXXXXXX执业资格:XXXXXXXXXX执业印章号:XXXXXXXXXX所在单位(公章):XXXXXXXXXXXXX年XX月XX日注:本承诺书一式五份,由建设、勘察、设计、施工、监理单位项目负责人签署并加盖所在单位公章后,分别留存各方责任主体和有关档案管理单位。
此承诺书仅为示例,具体内容可能需要根据相关法律法规、当地建设主管部门的规定以及具体项目的实际情况进行调整和完善。
在签署此承诺书之前,请务必详细阅读相关法律法规,并咨询专业人士的意见。
第3部分:
工程质量终身责任承诺书
建设单位项目负责人质量终身责任承诺书本
人承诺:
在
工程建设过程中认真履行下列职责,并在工程设计使用年限内承担相应终身质量责任。
1、工程建设坚持先勘察、后设计、再施工的原则。
向勘察、设计、施工、监理、检测和施工图审查等单位提供真实、准确、齐全的建设项目相关的原始材料。
2、及时办理项目选址、用地规划许可、建设工程规划许可、项目施工图审查和备案、质量安全监督、合同备案、开工安全生产条件审查等手续,领取施工许可证(含依法分项发包工程)后方开工建设。
3、工程发包给具有相应资质等级的施工、监理、勘察、设计等单位,对规定必须招标的工程项目严格依法依规进行招标,不将建设工程肢解发包,不强迫承包方以低于成本价竞标情况,不压缩合理工期。
向施工现场提供经施工图审查机构审查合格并加盖专用章的施工用图和设计变更等相关设计文件。
对依法分项发包而未指定总包管理的分部分项工程的质量负总责。
4、无明示或暗示勘察、设计、施工、检测等单位违反工程建设强制性标准或使用不合格的建筑材料、建筑配件和设备,降低工程质量的情况。
5、涉及到工程建设强制性标准、地基基础和主体结构安全性等方面的设计变更,均经原施工图审查机构审查合格,并加盖审查机构专用章后组织施工。
关于各责任主体项目负责人工程质量终身责任承诺书和委托书等核查情况的说明
根据《建筑工程五方责任主体项目负责人质量终身责任追究暂行办法》的规定,建设单位应当建立各方责任主体项目负责人质量信息档案。
经核查,参与
项目工程建设的各参建单位(含建设单位独立发包的专业分部分项工程的参建方)均已按规定提供项目负责人质量终身责任承诺书和委托书,内容符合法律法规和合同要求,信息真实有效。
如存在疏漏或者弄虚作假,由本人承担责任。
建设单位项目负责人签名:单位(公章):年月日年月日
勘察单位项目负责人质量终身责任承诺书
本人承诺:在工程建设过程中认真履行下列职责,并在工程设计使用年限内承担相应终身质量责任。
1、严格按照本单位核定的工程勘察资质等级和业务范围开展勘察业务,无越级和超范围勘察或以其他工程勘察单位的名义承揽勘察业务,未转包或违法分包所承揽的勘察业务。
依法签订工程勘察业务合同,自觉执行国家规定的工程勘察收费标准,无恶性压价竞争情况。
2、严格执行工程建设强制性标准,坚决杜绝弄虚作假,不提供虚假的勘察成果资料。
3、在勘察过程中及时整理、核对工程勘察工作的原始记录,确保取样、记录的真实、准确,无离开现场追记或者补记情况。
室内试验符合有关规范、规程的要求。
4、确保本单位向业主提供的勘察文件真实、准确,相关的签字、盖章手续齐全,符合国家规定的勘察文件编制深度要求。
5、及时将勘察报告及相关原始资料归档保存。
6、参加工程质量相关验收,及时解决工程设计和施工中与勘查工作有关的问题。