平面图移动式操作平台
- 格式:pdf
- 大小:68.70 KB
- 文档页数:1
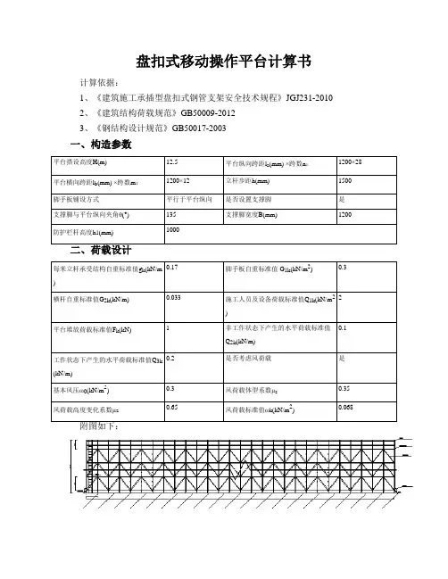
盘扣式移动操作平台计算书计算依据:1、《建筑施工承插型盘扣式钢管支架安全技术规程》JGJ231-20102、《建筑结构荷载规范》GB50009-20123、《钢结构设计规范》GB50017-2003一、构造参数立面图(平台纵向)立面图(平台横向)平面图三、材料参数因脚手板两端搁置在横杆上,按简支梁计算,集中荷载按最不利位置(抗弯按跨中,抗剪按支座附近)考虑,计算简图如下图:承载能力极限状态q=γ0b(γG G1k+γQ Q1k)=1×0.25×(1.2×0.3+1.4×2)=0.79kN/mp=γ0γQ F k/K=1×1.4×1/2=0.7kN正常使用极限状态q'=b(γG G1k+γQ Q1k)=0.25×(1×0.3+1×2)=0.575kN/mp'=γQ F k/K=1×1/2=0.5kN计算简图(抗弯不利)计算简图(抗剪不利)1、抗弯验算M max=ql2/8+pl/4=0.79×(1200/1000)2/8+0.7×1200/1000/4=0.352kN·mM max=0.352kN.m≤[M]=5kN.m满足要求!2、抗剪验算V max=ql/2+p=0.79×1200/1000/2+0.7=1.174kNV max=1.174kN≤[V]=10kN满足要求!3、挠度验算νmax=5q′l4/(384EI)+p′l3/(48EI)=5×0.575×12004/(384×206000×16.55×104)+0.5×103×120 03/(48×206000×16.55×104)=0.983mm≤[ν]=5mm满足要求!4、支座反力承载能力极限状态:R1=ql+p=0.79×1.2+0.7=1.648kN正常使用极限状态:R1'=q'l+p'=0.575×1.2+0.5=1.19kN五、横杆验算脚手板通过爪钩传递给横杆的支座反力为:p=R1/j=1.648/2=0.824kN横杆自重设计值:q=γ0γG G2k=1×1.2×0.033=0.04kN/m 正常使用极限状态:脚手板通过爪钩传递给横杆的支座反力为:p'=R1'/j=1.19/2=0.595kN横杆自重标准值:q'=γG G2k=1×0.033=0.033kN/m计算简图如下:1、抗弯验算弯矩图(kN·m)M max=1.16kN·mM max=1.16kN.m≤[M]=205kN.m满足要求!2、抗剪验算剪力图(kN) V max=3.32kN≤[V]=125kN满足要求!3、挠度验算变形图(mm) 跨中νmax=5.544mm≤[ν]=min{1200/150,10}=8mm 满足要求!4、支座反力承载能力极限状态:R max=3.32kN正常使用极限状态:R max'=2.4kN六、工作状态立杆验算l0=μh=1.45×1500=2175mm查表得:φ=0.276λ=l0/i=2175/15.9=136.792≤[λ]=210满足要求!2、立杆轴力计算将活荷载乘以活荷载组合系数φc=0.9,重新带入第四-六步计算,即得横杆传递至立杆的支座反力R max=3.012kNN=R max+γ0γG g k H =3.012+1×1.2×0.17×12.5=5.562kN3、可刹脚轮验算N=5.562kN≤[N]=20kN满足要求!4、立杆稳定性计算M w=γ0γQφcωk×max[l a,l b]h2/10=1×1.4×0.9×0.068×max[1.2,1.2]×1.52/10=0.023kN.mσ=N/(φA)+M w/W=5.562×103/(0.276×4.24×102)+0.023×106/4.49×103=52.681N/mm2≤[f] =300N/mm2满足要求!5、架体高宽比实际高宽比Ж=H/min[nl a,ml b]=12.5×103/min[28×1200,12×1200]=0.868≤[Ж]=36、施工过程抗倾覆验算计算简图如下:在操作平台上施工过程中,需进行倾覆验算,倾覆力矩M T由风荷载W和考虑施工过程中未预见因素产生的水平荷载F产生:W=ωk nl a H=0.068×28×1.2×12.5=28.56kNF=Q3k nl a=0.2×28×1.2=6.72kNM T=γQφc(WH/2+FH)=1.4×0.9×(28.56×12.5/2+6.72×12.5)= 330.75kN·m抗倾覆力矩M R由操作平台自重G承担:G=g k nmH+G1k nl a ml b=0.17×28×12×12.5+0.3×28×1.2×12×1.2=859.152kNM R=γ0γG G(ml b/2+Bsinθ) =1×0.9×859.152×(12×1.2/2+1.2×sin135°)=6223.418kN·m M T=330.75kN·m≤M R=6223.418kN·m满足要求!七、非工作状态立杆验算1、立杆轴力计算未知因素等带来的附加轴力(nl a=28×1200=33600>ml b=12×1200=14400,取平台纵向验算)F=γ0φcγQ Q2k l a=1×0.9×1.4×0.1×1.2=0.151kN最大附加轴力N1=3FH/[(I+1)ml b]=3×0.151×12.5/[(5+1)×12×1.2]=0.066kN N=N1+γ0γG(g k H+l a l b G1k)=0.066+1×1.2×(0.17×12.5+1.2×1.2×0.3)=3.134kN2、脚轮验算N=3.134kN≤[N]=20kN满足要求!3、立杆稳定性计算l0=μh=1.45×1500=2175mmλ=l0/i=2175/15.9=136.792查表得:φ=0.276σ=N/(φA)=3.134×103/(0.276×4.24×102)=26.781N/mm2≤[f]=300N/mm2满足要求!4、行进状态抗倾覆验算计算简图如下:在操作平台上移动过程中,需进行倾覆验算,倾覆力矩M T由风荷载W和考虑地面平整度、脚手架移动速度等不合要求的未预见因素产生的水平荷载F产生:W=ωk nl a H=0.068×28×1.2×12.5=28.56kNF=Q2k nl a=0.1×28×1.2=3.36kNM T=γQφc(WH/2+FH)=1.4×0.9×(28.56×12.5/2+3.36×12.5)= 277.83kN·m抗倾覆力矩M R由操作平台自重G承担:G=g k nmH+G1k nl a ml b=0.17×28×12×12.5+0.3×28×1.2×12×1.2=859.152kNM R=γ0γG G(ml b/2) =1×0.9×859.152×(12×1.2/2)=5567.305kN·mM T=277.83kN·m≤M R=5567.305kN·m满足要求!。
移动式操作平台专项施工方案一、项目背景移动式操作平台是一种用于高空施工和作业的机械设备,通常用于建筑工地、维修现场等高空作业需求。
为确保施工过程安全高效进行,特制定此移动式操作平台专项施工方案。
二、施工准备1.施工前检查:核实移动平台设备完好无损,检查安全防护设施是否齐全有效。
2.人员分工:明确施工人员任务分工,设定责任人。
3.安全培训:对施工人员进行安全操作及应急处理的培训,提高施工人员的安全意识和操作技能。
三、工作流程1.搭建平台:根据施工需求确定平台高度和搭建方式,在选址后严格按照操作手册规范进行搭建。
2.安全防护:设置警示标识,确保操作区域内无人员闲杂活动,避免意外伤害。
3.施工作业:根据施工计划进行相应作业,确保操作平台稳固可靠。
4.监控维护:定期巡检平台设备,发现问题及时处理,保障平台的正常使用和安全性。
四、安全措施1.安全带:施工人员需佩戴安全带,确保安全高空作业。
2.防护栏杆:操作平台设置防护栏杆,防止工人从高处坠落。
3.临边防护:操作平台边沿设置安全网或其他防护设施,防止材料等物品从边缘掉落。
五、施工总结经过多次施工实践,移动式操作平台专项施工方案在提高作业效率的同时,也大大降低了高空作业风险,取得了良好的安全效果和社会效益。
在未来的工程实践中,我们将进一步优化施工方案,提升操作平台的功能及安全性能,为高空作业提供更加便捷高效的解决方案。
结语移动式操作平台专项施工方案的制定和实施,不仅是一次成功的实践,更是对高空作业安全管理的持续探索和完善。
我们将不断总结经验,优化措施,为建设更安全、高效的施工环境而努力奋斗。
以上是移动式操作平台专项施工方案的全文,谢谢阅读!。
建筑工程安全档案一、建筑工程安全管理档案1、工程项目安全管理组织机构资料2、安全生产责任制(1)项目部安全生产责任制(2)各工种安全技术操作规程(3)工程项目承包合同(4)工程项目部安全生产资金保障制度(5)安全资金使用计划(6)安全资金使用计划实施情况资料(7)安全生产责任目标责任制(8)安全生产责任制和责任目标考核制度(9)项目管理人员安全生产责任制和责任目标考核(10)安全会议记录(11)工程项目安全生产管理目标表(12)工程项目安全生产责任目标分解表(13)项目安全生产奖罚及违章处理记录3、施工组织设计与专项施工记录(1)施工组织设计(2)其他工程专项施工方案(3)专项施工方案专家认证审查表及认证审查报告(4)专项方案审批表(5)专项方案(论证后修改)审批表(6)专项方案审批表(专业承包工程)(7)专项方案(认证后修改)审批表(专业承包工程)4、安全技术交底书5、安全检查(1)项目部安全检查制度(2)重大隐患整改复查验收资料(3)各级签发的隐患整改通知书或指令书(4)项目部下发的隐患整改通知书(5)安全检查、整改及复查记录表(6)建筑施工安全分项检查评分表(7)建筑工程隐患整改情况报告书(8)《安全监理通知书》6、安全教育(1)项目部安全教育培训制度(2)安全教育培训试卷(3)其它安全教育记录资料(4)三级安全教育汇总表(5)三级安全教育培训考核登记表(6)变换工种及采用“四新”安全教育登记表(7)安全教育记录(8)施工管理人员、专职安全员安全培训记录表7、应急救援(1)项目部应急救援领导组织机构(2)各专项应急救援预案(3)应急救援演练、培训记录(4工程项目重大危险源登记表(5)应急救援队伍人员登记表(6)应急救援器材设备登记表8、分包单位安全管理(1)安全生产协议书(2)分包单位资质证书上、安全生产许可证复印件(3)分包合同(4)分包单位安全机构资料(5)分包单位人员证件复印件(6)项目分包单位登记表(7)分包单位主要负责人、安全员登记表(8)分包单位特种作业人员登记表9、持证上岗(1)项目经理、安全员证件复印件(2)特种作业人员的证件复印件(3)项目经理、安全员登记表(4)特种作业人员登记表10、生产安全事故处理(1)事故报告、调查分析处理资料(2)施工人员的保险资料(3)伤亡事故登记表11、安全标志安全标志布置图二、文明施工安全档案1、制度(1)门卫值守管理制度(2)消防安全管理制度(3)动火审批制度(4)治安保卫制度(5)卫生责任制度2、措施(1)易燃易爆物品防火措施(2)消防措施(3)治安防范措施(4)施工现场防粉尘、防噪声、防光污染措施(5)施工不扰民措施3、证件(1)食堂卫生许可复印件(2)炊事人员健康证复印件(3)活动房质量合格证、质量检查、验收表4、图表(1)施工现场平面图(2)动火审批表(3)炊事员登记表(4)施工现场施工噪声监测登记表三、脚手架工程安全档案1、脚手架工程概况及方案(1)脚手架工程专项施工方案(2)脚手架工程专项施工方案专家论证审查表及论证审查报告(3)脚手架工程概况(4)脚手架工程专项施工方案审批表(5)脚手架工程专项施工方案(论证后修改)审批表(6)脚手架安全技术交底2、扣件式钢管脚手架(1)扣件式钢管脚手架构配件验收单(2)扣件式钢管脚手架基础验收表(3)扣件式钢管脚手架()米部位验收表(4)门洞搭设验收表(5)斜道验收表3、门式钢管脚手架(1)门式脚手架构配件验收单(2)门式脚手架搭设验收表4、碗扣式钢管脚手架(1)碗扣式脚手架概况表(2)碗扣式钢管脚手架构配件验收表(3)碗扣式钢管脚手架()部位验收表5、承插型盘扣式钢管支架(1)承插型盘扣式钢管脚手架主要构配件制作质量检查验收表(2)承插型盘扣式钢筋双排脚手架施工验收记录表6、满堂脚手架(1)满堂脚手架工程概况表(2)满堂脚手架搭设验收表7、悬挑式脚手架(1)悬挑式脚手架构配件验收表(2)悬挑脚手架第()次悬挑验收表8、高处作业吊篮高处作业吊篮使用验收表9、附着式升降脚手架(1)附着式升降脚手架首次安装完毕及使用检查验收表(2)附着式升脚手架提升、下降作业前检查验收表四、基坑工程安全档案1、基坑工程施工方案2、基坑工程施工方案专家认证审查表及论证审查报告3、基坑监测(1)基坑监测方案(2)基坑监测记录和阶段性检测报告、完整的检测报告4、基坑工程概况5、基坑工程施工方案审批表6、基坑工程施工方案(论证后修改)审批表7、基坑工程安全技术交底五、模板支架施工及交底1、模板支架施工方案及交底(1)模板支架施工方案(2)模板支架施工方案专家论证审查表及论证审查报告(3)模板支架施工方案审批表(4)模板支架施工方案(论证后修改)审批表(5)模板工程安全技术交底2、模板支架概况及验收(1)模板支架工程概况表(2)模板木支架工程验收表(3)扣件式钢管模板支架工程验收表(4)碗扣式模板支架工程验收表(5)门式模板支架工程验收表(6)承插型盘扣式钢管模板支架施工验收记录表六、高处作业安全档案1、移动式操作平台(1)移动式操作平台施工方案(2)移动式操作平台施工方案审批表(3)移动式操作平台验收表2、悬挑式物料钢平台(1)悬挑式物料钢平台施工方案(2)县挑式物料钢平台方案审批表(3)悬挑式物料钢平台验收表3、高处作业防护验收表4、悬空作业的索具吊具验收表5、安全产品登记台帐6、安全产品存档资料(1)安全帽生产(制造)许可证、产品合格证、检测报告、厂家备案证复印件(2)安全带生产(制造)许可证、产品合格证、检测报告、厂家备案证复印件(3)安全网生产(制造)许可证、产品合格证、检测报告、厂家备案证复印件(4)其他安全产品生产(制造)许可证、产品合格证、检测报告、厂家备案证复印件七、施工用电安全档案1、总承包单位与分包单位临时用电管理协议2、临时用电施工组织设计3、外电防护方案4、电工安装巡检维修拆除工作记录5、临时用电施工组织设计审批表6、外电防护方案审批表7、各种测试记录(1)临时用电接地电阻测试记表(2)临时用电线路绝缘电阻测试项目记录(3)临时用电漏电保护器参数测定记录8、临时用电工程验收表9、临时用电工程定期检(复)查表10、临时用电工程安全技术交底11、手持式电动工具检查表八、物料提升机与施工升降机安全档案1、物料提升机(1)物料提升机安装拆卸单位专业承包资质证书和安全生产许可证复印件(2)物料提升机安装拆卸方案(3)物料提升机司机交接班记录(4)物料提升机、施工升降机检验报告(5)物料提升机使用说明书(6)物料提升机、施工升降机生产(制造)许可证、产品合格证、监检证、备案证(7)物料提升机安装拆卸方案审批表(8)物料提升机安装拆卸安全技术交底(9)物料提升机安装自检记录(10)物料提升机安装验收表(11)物料提升机每月检查表2、施工升降机(1)施工升降机安装拆卸单位专业承包资质证书和安全生产许可证复印件(2)施工升降机安装拆卸方案(3)施工升降机司机交接班记录(4)施工升降机检验报告(5)施工升降机使用说明书(6)施工升降机生产(制造)许可证、产品合格证、监检证、备案证(7)施工升降机安装拆卸方案审批表(8)施工升降机安装拆卸安全技术交底书(9)施工升降机安装自检表(10)施工升降机基础验收表(11)施工升降机安装验收表(12)施工升降机每月检查表九、塔式起重机安全档案(1)塔式起重机安装拆卸单位专业承包资质证书和安全生产许可证复印件(2)塔式起重机安装拆卸方案(3)多塔作业专项施工方案(4)塔吊司机交接班记录(5)塔式起重机检验报告(6)塔式起重机使用说明书(7)塔式起重机生产(制造)许可证、产品合格证、监检证、备案证(8)塔式起重机安装拆卸方案审批表(9)塔式起重机安装拆卸安全技术交底书(10)塔式起重机基础验收表(11)塔式起重机安装自检表(12)塔式起重机安装验收记录(13)塔式起重机周期检查表(14)塔吊顶升概况及现场顶升人员情况(15)塔式起重机附着装置检查验收表(16)多塔作业专项施工方案审批表十、起重吊装安全档案1、起重吊装工程施工方案2、起重吊装工程方案专家论证审查表及论证报告3、起重吊装工程施工方案审批表4、起重吊装工程施工方案(论证后修改)审批表5、起重吊装工程安全技术交底书6、起重吊装施工准备验收表十一、施工机具安全档案1、施工现场机械设备登记表2、平刨安装验收表3、圆盘电锯安装验收表4、钢筋机械安装验收表5、电焊机安装验收表6、搅拌机安装验收表7、桩工机械安装验收表十二、建筑工程安全生产其他归档资料1、建筑施工安全法律、法规、规范、规程2、企业安装生产规章制度3、上级、企业安全文件4、安全监督受理书5、施工单位资质6、安全生产许可证7、建设工程施工许可证8、中标通知书9、施工合同10、安措费存档资料(1)建筑工程安全防护、文明施工费用上缴报告单(复印件)(2)建筑工程安全防护、文明施工措施费专项存款凭证(复印件)(3)工程项目安全防护、文明施工措施费使用计划(4)施工单位购买安全防护、文明施工措施项目费用清单及凭证(复印件)(5)建筑工程安全防护、文明施工措施费用支付申请表(6)项目监理部总监理工程师审查并签认发生的费用审查意见11、工程项目安全防护文明施工措施费用台账。
目录一、编制依据 (1)二、工程概况 (1)三、总体筹划及施工部署 (1)四、落地操作平台搭设流程及施工工艺 (2)五、材料选择及构造要求 (6)六、劳动力安排 (7)七、脚手架检查与验收 (8)八、脚手架搭设安全技术措施 (9)九、脚手架拆除安全技术措施 (9)十、设计计算 (11)一、编制依据(1)《建筑施工扣件式钢管脚手架安全技术规范》(JGJ 130-2011);(2)《建筑施工安全检查标准》(JGJ 59-2011);(3)《建筑施工高处作业安全技术规范》(JGJ 80-91);(4)《建筑施工手册》(第四版)(中国建筑工业出版社出版);(5)《建筑结构荷载规范》GB50009-2012;(6)《建筑地基基础设计规范》GB50007-2011;(7)《建筑地基基础工程施工质量验收规范》GB50202-2002;二、工程概况工程名称大运城邦花园(二区)21~59号住宅楼、65~70号住宅楼、71号地下室工程建设单位东莞市益田奥城房地产投资有限公司施工单位中铁建工集团有限公司设计单位奥义建筑工程设计有限公司监理单位广东华工工程建设监理有限公司建设地点东莞市凤岗镇官井头村本项目由东莞市益田奥城房地产投资有限公司开发,项目地点位于东莞市凤岗镇龙平南路南侧。
总用地面积53074.085平方米,总建筑面积48247.378平方米。
计容建筑面积25364.237平方米,不计入容积率面积22883.141平方米,其中:地下建筑面积22883.141平方米,首层建筑占地面积12268.499平方米。
本项目包括:22栋独栋别墅,23栋联排别墅及1个地下室。
共设有机动车停车位226个,其中:地上停车位88个,地下停车位138个。
三、总体筹划及施工部署(1)、总体筹划本方案考虑到施工工期、质量、安全和现场实际需要,故在选择方案时,应充分考虑以下几点:1、架体的结构设计,力求做到结构要安全可靠,造价经济合理。
2、在规定的条件下和规定的使用期限内,能够充分满足预期的安全性和耐久性。
一种带有止动装置的可移动式操作平台设计及应用苏国良摘要:一种可以用于装修或维修工程较高处作业施工中的新式简易操作平台,主要针对该操作平台的设计、使用要求以及保障措施进行分析。
关键词:操作平台;移动式;止动装置;设计;措施引言在装修工程或维修工程施工中,常常会出现一些较高处施工作业的情况,为了确保施工人员在高处作业的施工安全,一定要使用安全的高处作业操作平台。
操作平台的形式很多,因此设计了一种针对在装修工程或维修工程用于走廊或阳台等悬挑位置高处作业的简易可移动式操作平台。
1.设计一种带止动装置的可移动式操作平台目的本工程是某学校校园提升改造、安全隐患改造项目。
通道铁栏杆更换改造、天棚吊顶维修更换、饭堂吊顶天花改造、图书馆副楼会议室改造、演艺中心改造、校园建筑屋面渗漏维修、建筑装饰维修改造(外墙饰面、地砖、木地板、内墙乳胶漆、内墙砖、吊顶天花、屋面及墙面防水渗漏等)、学生宿舍阳台防盗网整体维修等对校园环境进行改善。
因本工程涉及维修的范围广,基本每栋教学楼的每层楼也需要进行装饰维修改造,特别是走廊的天花改造工程量较大,在走廊的天花改造施工时,需要搭设操作平台来进行施工,根据现场的实际情况,选用落地式的脚手架操作平台存在搭设时间长、搭设条件不足、存在安全隐患多等不利因素,因此落地式操作平台不太适合本工程,选择采用移动式操作平台最为合适。
因为施工期间为学校正常上课时段,所以为了施工期间的安全和效率,特定根据现场的施工环境条件进行分析和研究,从而研发一种既安全又便捷的移动式操作平台用于本工程。
2.操作平台的设计要求在装修或维修工程施工中为便于建筑物走廊或阳台等悬挑位置高处施工,搭设可移动式操作平台进行施工。
每个操作平台拟允许一人进行施工,不做材料堆放使用。
操作平台立杆设置上下反顶,保证架体稳固,反顶采用顶托加木枋。
立杆底部搭接设置有滚轮,移动时松开顶托,用滚轮移动到位再拧紧顶托。
操作平台设计立面图和平面图如从下:3.操作平台分析计算平台拟同时允许1人进行施工,为便于计算,拟人的体重是1KN,架体悬挑部位自重为1KN,以最不利情况进行计算,把受力看为全部作用在悬挑部位的最外端。
盘扣式移动操作平台计算书计算依据:1、《建筑施工承插型盘扣式钢管支架安全技术规程》JGJ231-20102、《建筑结构荷载规范》GB50009-20123、《钢结构设计标准》GB50017-2017一、构造参数每米立杆承受结构自重标准值g k(kN/m) 0.17 脚手板自重标准值G1k(kN/m2) 0.3横杆自重标准值G2k(kN/m) 0.028 施工人员及设备荷载标准值Q1k(kN/m2)2平台堆放荷载标准值F k(kN) 1 非工作状态下产生的水平荷载标准值Q2k(kN/m)0.1工作状态下产生的水平荷载标准值Q3k(kN/m)0.2 是否考虑风荷载是基本风压ω0(kN/m2) 0.3 风荷载体型系数μs0.35 风荷载高度变化系数μz0.65 风荷载标准值ωk(kN/m2) 0.068 附图如下:立面图(平台纵向)立面图(平台横向)平面图三、材料参数中,抗剪按支座附近)考虑,计算简图如下图:承载能力极限状态q=γ0b(γG G1k+γQ Q1k)=1×0.25×(1.2×0.3+1.4×2)=0.79kN/mp=γ0γQ F k/K=1×1.4×1/2=0.7kN正常使用极限状态q'=b(γG G1k+γQ Q1k)=0.25×(1×0.3+1×2)=0.575kN/mp'=γQ F k/K=1×1/2=0.5kN计算简图(抗弯不利)计算简图(抗剪不利)1、抗弯验算M max=ql2/8+pl/4=0.79×(1200/1000)2/8+0.7×1200/1000/4=0.352kN·m M max=0.352kN.m≤[M]=5kN.m满足要求!2、抗剪验算V max=ql/2+p=0.79×1200/1000/2+0.7=1.174kNV max=1.174kN≤[V]=10kN满足要求!3、挠度验算νmax=5q′l4/(384EI)+p′l3/(48EI)=5×0.575×12004/(384×206000×16.55×104)+0.5×103×12003/(48×206000×16.55×104)=0.983mm≤[ν]=5mm满足要求!4、支座反力承载能力极限状态:R1=ql+p=0.79×1.2+0.7=1.648kN正常使用极限状态:R1'=q'l+p'=0.575×1.2+0.5=1.19kN五、横杆验算脚手板通过爪钩传递给横杆的支座反力为:p=R1/j=1.648/2=0.824kN横杆自重设计值:q=γ0γG G2k=1×1.2×0.028=0.034kN/m正常使用极限状态:脚手板通过爪钩传递给横杆的支座反力为:p'=R1'/j=1.19/2=0.595kN横杆自重标准值:q'=γG G2k=1×0.028=0.028kN/m计算简图如下:1、抗弯验算弯矩图(kN·m)M max=0.621kN·mσ=M max/W=0.621×106/3860=160.931N/mm2≤[f]=205N/mm2 满足要求!2、抗剪验算剪力图(kN)τmax=2V max/A=2×2.487×1000/357=13.934N/mm2≤[τ]=125N/mm2满足要求!3、挠度验算变形图(mm) 跨中νmax=2.008mm≤[ν]=min{900/150,10}=6mm 满足要求!4、支座反力承载能力极限状态:R max=2.487kN正常使用极限状态:R max'=1.798kN六、工作状态立杆验算l0=μh=1.45×1500=2175mm查表得:φ=0.276λ=l0/i=2175/15.9=136.792≤[λ]=210满足要求!2、立杆轴力计算将活荷载乘以活荷载组合系数φc=0.9,重新带入第四-六步计算,即得横杆传递至立杆的支座反力R max=2.256kNN=R max+γ0γG g k H =2.256+1×1.2×0.17×4.5=3.174kN3、可刹脚轮验算N=3.174kN≤[N]=20kN满足要求!4、立杆稳定性计算M w=γ0γQφcωk×max[l a,l b]h2/10=1×1.4×0.9×0.068×max[1.2,0.9]×1.52/10=0.023kN.mσ=N/(φA)+M w/W=3.174×103/(0.276×4.5×102)+0.023×106/4.55×103=30.642N/mm2≤[f]= 300N/mm2满足要求!5、架体高宽比实际高宽比Ж=H/min[nl a,ml b]=4.5×103/min[3×1200,2×900]=2.5≤[Ж]=36、施工过程抗倾覆验算计算简图如下:在操作平台上施工过程中,需进行倾覆验算,倾覆力矩M T由风荷载W和考虑施工过程中未预见因素产生的水平荷载F产生:W=ωk nl a H=0.068×3×1.2×4.5=1.102kNF=Q3k nl a=0.2×3×1.2=0.72kNM T=γQφc(WH/2+FH)=1.4×0.9×(1.102×4.5/2+0.72×4.5)= 7.205kN·m抗倾覆力矩M R由操作平台自重G承担:G=g k nmH+G1k nl a ml b=0.17×3×2×4.5+0.3×3×1.2×2×0.9=6.534kNM R=γ0γG G(ml b/2+Bsinθ) =1×0.9×6.534×(2×0.9/2+1.2×sin135°)=10.282kN·mM T=7.205kN·m≤M R=10.282kN·m满足要求!七、非工作状态立杆验算1、立杆轴力计算未知因素等带来的附加轴力(nl a=3×1200=3600> ml b=2×900=1800,取平台纵向验算)F=γ0φcγQ Q2k l a=1×0.9×1.4×0.1×1.2=0.151kN最大附加轴力N1=3FH/[(I+1)ml b]=3×0.151×4.5/[(0+1)×2×0.9]=1.134kNN=N1+γ0γG(g k H+l a l b G1k)=1.134+1×1.2×(0.17×4.5+1.2×0.9×0.3)=2.441kN2、脚轮验算N=2.441kN≤[N]=20kN满足要求!3、立杆稳定性计算l0=μh=1.45×1500=2175mmλ=l0/i=2175/15.9=136.792查表得:φ=0.276σ=N/(φA)=2.441×103/(0.276×4.5×102)=19.652N/mm2≤[f]=300N/mm2满足要求!4、行进状态抗倾覆验算计算简图如下:在操作平台上移动过程中,需进行倾覆验算,倾覆力矩M T由风荷载W和考虑地面平整度、脚手架移动速度等不合要求的未预见因素产生的水平荷载F产生:W=ωk nl a H=0.068×3×1.2×4.5=1.102kNF=Q2k nl a=0.1×3×1.2=0.36kNM T=γQφc(WH/2+FH)=1.4×0.9×(1.102×4.5/2+0.36×4.5)= 5.164kN·m抗倾覆力矩M R由操作平台自重G承担:G=g k nmH+G1k nl a ml b=0.17×3×2×4.5+0.3×3×1.2×2×0.9=6.534kNM R=γ0γG G(ml b/2) =1×0.9×6.534×(2×0.9/2)=5.293kN·mM T=5.164kN·m≤M R=5.293kN·m满足要求!。
建筑施工高处作业安全技术规范1.总则1.0.1为了在建筑施工高处作业中,贯彻“安全第一、预防为主”的安全生产方针,做到防护要求明确,技术措施合理和经济适用,特制订本规范。
1.0.2本规范适用于工业与民用房屋建筑及一般构筑物施工时,高处作业中的临边、洞口、攀登、悬空、操作平台、交叉及施工安全网搭设等项作业。
本规范亦适用于其他各类洞、坑、沟、槽等工程的高处作业。
1.0.3本规范所称的高处作业,应符合国家标准《高处作业分级》GB3608—93规定的“凡在坠落高度基准面2m以上(含2m)有可能坠落的高处进行的作业”。
1.0.4进行高处作业时,除执行本规范外,还应符合国家现行的有关高处作业及相关安全技术标准的规定。
2.术语2.1临边作业workside operation施工现场中,在工作面边沿无围护或围护设施高度低于2000px时的高处作业。
2.2洞口作业portal operation施工现场中,在使人有踏入、坠入或物料有坠落可能的楼、地面和墙面的开口处的高处作业。
2.3攀登作业climb operation借助登高用具或登高设施,在攀登条件下进行的高处作业。
2.4悬空作业suspending operation在周边临空状态下进行的高处作业。
2.5悬挂作业suspended operation在建筑物或构筑物上用绳索通过悬挂方式沿立面在悬挂着的专门搭载作业人员及其工具的装置上进行的作业。
2.6操作平台operation platform现场施工中用以站人、载物并可进行作业的平台。
2.7移动式操作平台movable operation platform可以搬移的操作平台。
2.8悬挑式钢平台overhanging steel platform可以吊运并搁置于楼层边的操作平台。
2.9固定式平台fixed operation platform不能移动,固定在墙、梁等结构上的操作平台2.10交叉作业cross operation在施工现场的垂直空间呈贯通状态下,上下不同层面同时进行的高处作业。
深圳地铁蛇口西车辆段上盖物业工程三号地块移动式操作平台施工方案编制:审核:批准:施工单位:深圳市第一建筑工程有限公司编制时间:年月日目录一、编制依据 (1)二、工程概况 (1)三、移动式操作平台的构造、搭设及使用要求 (2)四、材料质量 (8)五、移动式操作平台搭、拆一般规定 (9)六、施工准备 (9)七、移动式操作平台的拆除 (10)八、移动式操作平台计算书错误!未定义书签。
一、编制依据1、《建筑施工扣件式钢管脚手架安全技术规范》 JGJ130-20012、《建筑施工安全检查评分标准》 JGJ59-993、《特殊作业人员安全技术考核管理规则》 GB5306-854、《钢管脚手架扣件》 GB15831-19955、《建筑结构荷载规范》GB5007-20026、《建筑施工高处作业安全技术规范》 JGJ80-917、《高处作业分级》 GB3608-938、施工现场安全生产保证体系与建筑施工安全技术标准选编。
二、工程概况1.单位工程概况项目内容工程名称深圳地铁蛇口西车辆段地铁上盖物业工程主体3标工程地址深圳市南山区蛇口街道松湖支路建筑面积75180m²建设单位深圳市地铁集团有限公司设计单位中建国际(深圳)设计顾问有限公司监理单位深圳市中海建设监理有限公司总承建单位深圳市第一建筑工程有限公司建筑层数建筑高度11、12、13栋本工程未设地下室,11~13号楼均为26层,高度为98.01米,为高层住宅楼,标准层层高为3米;主要结构型式框架剪力墙结构2.一般说明因裙楼平台楼层高度分别为6.7米,4.55,5.35米,11.2米,为了满足装修等工种的施工需要,采用移动式操作平台进行施工。
操作平台尺寸有四种:①1.8M×3M,高3.5米,用于6.7米及以下的楼层;② 3M×4M,高3.5米,用于6.7米及以下的楼层;③ 4M×4M,高4.5米,用于6.7米及以下的楼层;④ 6M ×6M,搭设高度9米,用于11.2米楼层;9米高操作平台高度过大,使用时采用抱柱加强平台稳定性。
门式移动操作平台计算书计算依据:1、《建筑施工门式钢管脚手架安全技术规范》JGJ128-20102、《建筑结构荷载规范》GB50009-20123、《钢结构设计规范》GB50017-2003一、构造参数脚手板自重标准值G1k(kN/m2) 0.3 每榀门架自重标准值G2k(kN) 0.27 每副交叉支撑自重标准值G3k(kN) 0.04 水平加固杆自重标准值G4k(kN/m) 0.038 每个连接棒自重标准值G5k(kN) 0.006 每副锁臂自重标准值G6k(kN) 0.008每米门架构配件自重标准值N G1k(kN/m) 0.398 剪刀撑自重标准值G7k(kN/m)0.038栏杆自重标准值G8k(kN/m) 0.038 每米门架附件自重标准值N G2k(kN/m) 0.083施工人员及设备荷载标准值Q1k(kN/m2) 2 平台堆放荷载标准值Fk(kN)1非工作状态下产生的水平荷载标准值Q2k(kN/m) 0.1 工作状态下产生的水平荷载标准值Q3k(kN/m)0.2是否考虑风荷载否附图如下:立面图(平台纵向)立面图(平台横向)平面图三、材料参数中,抗剪按支座附近)考虑,计算简图如下图:承载能力极限状态q=γ0b(γG G1k+γQ Q1k)=1×0.25×(1.2×0.3+1.4×2)=0.79kN/mp=γ0γQ F k/K=1×1.4×1/3=0.467kN正常使用极限状态q'=b(γG G1k+γQ Q1k)=0.25×(1×0.3+1×2)=0.575kN/mp'=γQ F k/K=1×1/3=0.333kN计算简图(抗弯不利)计算简图(抗剪不利)1、抗弯验算M max=ql2/8+pl/4=0.79×(1800/1000)2/8+0.467×1800/1000/4=0.53kN·m M max=0.53kN.m≤[M]=5kN.m满足要求!2、抗剪验算V max=ql/2+p=0.79×1800/1000/2+0.467=1.178kNV max=1.178kN≤[V]=10kN满足要求! 3、挠度验算 νmax =5q ′l 4/(384EI)+p ′l 3/(48EI)=5×0.575×18004/(384×206000×16.55×104)+0.333×103×18003/(48×206000×16.55×104)=3.493mm ≤[ν]=5mm 满足要求! 4、支座反力 承载能力极限状态:R 1=ql+p=0.79×1.8+0.467=1.889kN 正常使用极限状态:R 1'=q'l+p'=0.575×1.8+0.333=1.368kN五、工作状态立杆验算门架型号MF1219(Φ48×3.5) 门架高度h 0(mm)1900 门架立杆钢管类型 Φ48×3.5 门架立杆毛截面惯性矩I 0(mm 4) 121900 门架立杆毛截面积A(mm 2) 489 门架加强杆高度h 1(mm) 1550 门架钢材的强度设计值f(N/mm 2) 205 加强杆钢管类型 Φ48×3.5 门架加强杆的毛截面惯性矩I 1(mm 4) 121900 水平加固杆钢管类型 Φ48×3.5 剪刀撑钢管类型 Φ48×3.5 水平加固杆设置 1步1设 剪刀撑设置1步1跨 脚手板设置1步1设架体稳定允许高宽比[Ж]41、荷载计算每步架高内门架构配件自重标准值:脚手板(1步1设):N 1= G 1k l a l b ×1/1=0.3×1.8×1.2×1/1=0.648kN 门架(1榀):N 2= 1×G 2k =1×0.27=0.27kN 交叉支撑(2副):N 3= 2×G 3k =2×0.04=0.08kN水平加固杆(1步1设):N 4= G 4k l a ×1/1=0.038×1.8×1/1=0.137kN 连接棒(2个):N 5= 2×G 5k =2×0.006=0.012kN锁臂(2副):N6= 2×G6k=2×0.008=0.016kN每米门架构配件自重标准值:N G1k=(N1+ N2+ N3+ N4+ N5+N6)/h=(0.648+0.27+0.08+0.137+0.012+0.016)/1.9=0.612kN/m每步架高内门架附件自重标准值:剪刀撑(1步1跨):N7=4×G7k×((1l a)2+(1h)2)0.5/(1×1)=4×0.038×((1×1.8)2+(1×1.9)2)0.5/(1×1)=0.398 kN 栏杆:N8= 2×G8k l a=2×0.038×1.8=0.137kN每米门架附件自重标准值:N G2k=N7/h+ N8/H=0.398/1.9+0.137/2.9=0.257kN/m作用于每榀门架的施工荷载标准值:N Qk=Q1k l a l b=2×1.8×1.2=4.32 kN门架稳定承载力设计值:I=I0+I1·h1/h0=121900+121900×1550/1900=221344.737mm4i=(I/A)0.5=(221344.737/489)0.5=21.276 mmλ=kh0/i=1.13×1900/21.276=100.914由λ查规范《建筑施工门式钢管脚手架安全技术规范》(JGJ128-2010)表B.0.6,得φ=0.588N d=φ·A·f=0.588×489×2×205×10-3=117.888kN2、门架稳定性计算N=γ0[γG(N G1k+N G2k)H+γQ N Qk]=1×[1.2×(0.612+0.257)×2.9+1.4×4.32]=9.071kNN=9.071kN≤N d=117.888kN门架承载力满足要求!3、可刹脚轮验算N/2=9.071/2=4.535kN≤[N]=20kN满足要求!4、架体高宽比实际高宽比Ж=H/min[nl a,l b]=2.9×103/min[1×1800,1200]=2.417≤[Ж]=45、施工过程抗倾覆验算计算简图如下:在操作平台上施工过程中,需进行倾覆验算,倾覆力矩M T由考虑施工过程中未预见因素产生的水平荷载F产生:F=Q3k nl a=0.2×1×1.8=0.36kNM T=γQ FH=1.4×0.36×2.9= 1.462kN·m抗倾覆力矩M R由操作平台自重G承担:G=n(N G1k+N G2k)H=1×(0.612+0.257)×2.9=2.519kNM R=γ0γG G(l b/2) =1×0.9×2.519×(1.2/2)=1.36kN·mM T=1.462kN·m>M R=1.36kN·m不满足要求,请增加稳固措施!六、非工作状态立杆验算1、行进状态抗倾覆验算计算简图如下:在操作平台上移动过程中,需进行倾覆验算,倾覆力矩M T由考虑地面平整度、脚手架移动速度等不合要求的未预见因素产生的水平荷载F产生:F=Q2k nl a=0.1×1×1.8=0.18kNM T=γQ FH=1.4×0.18×2.9= 0.731kN·m抗倾覆力矩M R由操作平台自重G承担:G=n(N G1k+N G2k)H=1×(0.612+0.257)×2.9=2.519kNM R=γ0γG G(l b/2) =1×0.9×2.519×(1.2/2)=1.36kN·mM T=0.731kN·m≤M R=1.36kN·m满足要求!。
登高作业理论复习题登高判断题(第一套)1、织带折头连接使用线缝,可使用铆钉、胶粘、热合等工艺。
(1.0分)2、安全带护腰带宽度不应小于30mm,长度不应小于500mm,接触腰的一面应有柔软、吸汗、透气的材料。
(1.0分)3、防坠落安全防护用品主要有:安全带、安全帽、安全网、安全自锁器、速差自控器、水平安全绳、防滑鞋等。
(1.0分)4、水平安全绳即水平固定安全绳。
(1.0分)5、安全绳是安全带上面的保护人体不受到伤害的系绳。
(1.0分)6、安全带是指高处作业人员预防坠落的防护用品,由带子、绳子和金属配件组成。
(1.0分)7、登高板又称踏板,是用来攀登楼宇的工具。
(1.0分)8、高处作业时,可以酌情使用安全防护用品,堆放的材料可随意。
(1.0分)9、防护杆和安全网可以随意设置,无需按照规定。
(1.0分)10、高处作业的人数较多,基数大,即使发生伤亡的几率较小,其发生伤亡事故的人次数也较多。
(1.0分)11、六级以上强风、大雾天气不得露天进行攀登与悬空高处作业。
(1.0分)12、人们处于紧张状态时,神经系统和平时状态无异。
(1.0分)13、登的越高时,坠落危害就越小。
(1.0分)14、人离地面愈高,就不易产生恐惧心理。
(1.0分)15、用人单位应当为劳动者创造符合国家职业卫生标准和卫生要求的工作环境和条件,并采取措施保障劳动者或者职业卫生保护。
(1.0分)16、从业人员有了解其作业场所和工作岗位存在的危险因素、防范措施和事故应急措施的权利。
(1.0分)17、特种作业人员不需要专门的安全技术培训就可以上岗。
(1.0分)18、特种作业操作证每三年复审一次。
(1.0分)19、具有小学及以上文化程度的人员可以申报特种作业培训考证。
(1.0分)20、未经安全生产教育和培训合格的从业人员,不得上岗作业。
(1.0分)21、生产经营单位应当安排用于配备劳动防护用品、进行安全生产培训的经费。
(1.0分)22、“预防为主”要求在工作中应时刻注意预防安全事故的发生。
安哥拉罗安达新国际机场项目航站楼施工工程第III标段装饰工程日期:2016年2月移动操作平台施工方案●北京市建筑工程装饰集团有限公司安哥拉项目部目录1.编制依据 (1)2.工程概况 (2)2.1总体简介 (2)2.2建筑设计概况 (2)2.3移动操作平台设计概况 (3)2.4移动式操作平台的剖面图及详图 (4)3.施工准备 (4)3.1技术准备 (4)3.2现场准备 (4)3.3劳动力准备 (5)3.4材料进场计划 (5)3.4主要材料质量要求 (5)4.施工安排 (7)4.1 脚手架形式的确定 (7)4.2 工期安排 (8)5. 移动式操作平台搭设施工方法 (8)5.1概述 (8)5.2构造形式 (8)5.3施工顺序 (9)5.4移动式操作平台搭设要求 (9)5.4.1立杆 (9)5.4.2纵、横向扫地杆 (9)5.4.3剪刀撑 (9)5.4.4人形马道 (10)5.5垂直度的校正 (10)6. 移动式操作平台拆除施工方法 (10)6.1拆除准备 (10)6.2拆除顺序 (10)6.3拆除方法 (11)7.各项管理措施 (11)7.1人员管理措施 (11)7.2材料管理措施 (11)7.3成品管理措施 (12)7.4环保措施 (12)7.5安全措施 (12)7.6消防措施 (12)7.7 移动操作平台倒塌事故应急准备和响应预案 (12)8.检查与验收 (13)8.1移动式操作平台检查验收的时间 (13)8.2验收依据 (14)8.3使用中定期检查项目 (14)8.4验收的项目 (14)9.附图 (21)10.施工技术方案的修订 (21)1.编制依据2.工程概况2.1总体简介2.2建筑设计概况2.3移动操作平台设计概况2.4移动式操作平台的剖面图及详图2.4.1移动式操作平台剖面图1.移动式操作平台立面图1(附图一)2.移动式操作平台立面图2(附图二)3.移动式操作平台立面图3(附图三)4.移动式操作平台立面图4(附图四)2.4.2移动式操作平台特殊部位搭设详图1.移动式操作平台脚轮大样图(附图五)3.施工准备3.1技术准备1、针对本工程的需要,一层到港大厅、国际行李提取大厅结构层高为8.000m,吊顶标高为4.500m,按常规施工,吊杆长度超过施工规范要求,故设计院在吊杆层之上设计钢结构装换层,以满足施工规范要求。
建筑架子工(普通架子工)题库(附参考答案)一、单选题(共41题,每题1分,共41分)1.分段悬挑脚手架的高度一般控制在( )m以内。
A、20B、24C、25D、18正确答案:A2.遇到( )以上大风和雾、雨、雪天时,应暂时停止架子的搭拆工作。
A、三级B、五级C、六级D、四级正确答案:C3.胸外按压要以匀速进行,每分钟( )左右,每次按压和放松的时间相等。
A、60次B、80次C、70次D、50次正确答案:B4.模板支架的水平拉杆的步距应由计算决定,通常为( )mm。
A、800B、1200~1800C、1000D、2000正确答案:B5.剪刀撑斜杆应采用( )接长,搭接长度不宜小于1000mm。
A、绑扎链接B、搭接C、焊接D、对接正确答案:B6.纵向水平杆接长应交错布置,两根相邻纵向水平杆的接头不宜设置在同步或同跨内;不同步或不同跨两个相邻接头在水平方向错开的距离不应小于( )mm。
A、400B、500C、300D、600正确答案:B7.下列关于防护用品发放的阐述,不正确的是( )。
A、安全防护用品可以以货币发放B、施工作业人员所在的单位,按国家规定免费发放安全防护用品C、施工单位必须更换已损坏或已到使用期限的安全防护用品D、安全防护用品的发放和管理,坚持“谁用工,谁负责”的原则正确答案:A8.纵向水平杆的对接接头应交错布置,各接头中心至最近主节点的距离不宜大于纵距的( )。
A、1/3B、1/2C、1/4D、1/5正确答案:A9.扣件式钢管脚手架上的剪刀撑,抛撑和连墙杆用以确保脚手架的整体刚度和稳定性,加强其抵抗( )的能力。
A、水平B、垂直C、斜向风力D、垂直和水平正确答案:D10.采用扣件式钢管脚手架作模板支架时,立柱底部必须设置纵横向扫地杆,纵上横下,使直角扣件扣牢。
纵向扫地杆距离底座的限制高度为( )。
A、350mmB、250mmC、200mmD、300mm正确答案:C11.脚手架上各构配件( )时严禁抛掷至地面。
可移动式悬挑操作平台施工技术摘要:在建筑工程建设中,针对框架结构外部施工在无其他安全保护措施,搭设可移动悬挑操作平台在满足安全的前提下极大的提高了施工效率降低了施工成本。
关键词:钢结构、框架结构、可移动式悬挑操作平台1工程概况及创新背景1)中小学工程由教学楼、实验楼、行政办公楼、风雨操场、食堂组成,地上4层、地下1层。
建筑高度:地上18.0m。
地上建筑面积17962.04㎡,分为6个区,6个区地上各层标高一样,平面图二或三层同层互通。
2)该项目为钢结构根据设计要求周圈外侧钢梁需要增加劲肋、喷涂防火涂料等施工,施工需搭设操作架。
经测算如按常规方法搭设落地式双排架或采用吊篮经济成本较高,项目经过论证,结合现场实际情况采用搭设可移动式悬挑操作平台的做法。
创新优点:;利用本工程地上六个区楼板标高同高,可同层互通移动式操作架机动灵活,各施工点工作量不大,相比双排架体、吊篮利用率高,架体外排能有效解决外檐施工,移动式操作架搭设简单,花费材料少,满足安全要求,满足使用要求。
2原理和创新点1)可移动式悬挑操作架满足现场工人操作要求,搭设有上下人爬梯,宽3M,高3M,长4M,悬挑出去部分设置斜撑,操作层兜设安全水平网,满铺脚手板固定到位,设置护身栏杆使用密目网封闭,操作便捷,底部装有四个滑轮,同一层内可以随时移动,滑轮上有保险装置,施工时可以锁定,防止移动,后部可以加设油托顶在顶板上双层保护,安全系数高。
2)移动式悬挑操作平台,搭设方便,使用材料少,花费人工少,安全系数高,同层可以移动施工,悬挑出去部分外立面可以正常施工。
3)可移动式悬挑操作平台作业区域不需要拆除临边防护就可施工,减少反复拆除搭设临边防护用工,又保证临边防护齐全。
3操作要点1)移动式悬挑操作平台后面加设支撑杆,前端作业人员作业时不会晃动,作业人员系挂好安全带,双层保护,移动式悬挑操作平台移动全靠底部四个滑轮,移动时滑轮保险打开,推动到作业面即可,底部滑轮保险固定时可以锁定防止移动,架体承载力进行了现场实际试验,在未使用支撑杆时,悬挑操作面放置了300kg水泥,没有发生倾覆现象(后部未加设固定措施),平常都是双人作业(200kg左右),满足使用安全要求。
危大工程、易发事故、关键节点风险控制考试题--答案姓名:单位:一、单项选择题(共24题,每题1分,共计24分)1、以下哪项不属于危险性较大的模板工程及支撑体系分部分项工程?(A)A.悬挑式脚手架工程。
B.各类工具式模板工程,包括滑模、爬模、飞模、隧道模等工程。
C.混凝土模板支撑工程,搭设高度5m及以上,或搭设跨度10m及以上,或施工总荷载(荷载效应基本组合的设计值,以下简称设计值)10kN/m²及以上,或集中线荷载(设计值)15kN/m及以上,或高度大于支撑水平投影宽度且相对独立无联系构件的混凝土模板支撑工程。
D.承重支撑体系,用于钢结构安装等满堂支撑体系。
2、以下哪项不属于超过一定规模的危险性较大的模板工程及支撑体系分部分项工程?(A)A.悬挑式脚手架工程。
B.各类工具式模板工程,包括滑模、爬模、飞模、隧道模等工程。
C.混凝土模板支撑工程,搭设高度8m及以上,或搭设跨度18m及以上,或施工总荷载(设计值)15kN/m²及以上,或集中线荷载(设计值)20kN/m及以上。
D.承重支撑体系,用于钢结构安装等满堂支撑体系,承受单点集中荷载7kN及以上。
3、下列关于扣件拧紧力描述正确的是:(D)A.35~60N·mB.45~60N·mC.35~60N·mD.40~65N·m4、扣件式钢管脚手架采用的钢管的最小壁厚是(B)A.3.00mmB.3.24mmC.3.50mmD.3.60mm5、《混凝土结构工程施工规范》GB-2011规定,单根立杆的轴力标准值不宜大于()kN,高大模板支架单根立杆的轴力标准值不宜大于()kN。
A.15.10B.15.8C.12.10D.10.8正确答案:C6、为了防止地下车库覆土顶板垮塌事故发生,地下车库覆土顶板宜采用梁板结构,地下车库顶板覆土厚度不宜超过()米。
A.3B.2.5C.1.5D.1正确答案:C7、以下关于单排脚手架的说法中,哪项是错误的?(B)A.单排架搭设高度不应超过24m;B.单排架搭设高度不应超过25m;C.因为单排外脚手架每个主节点处不得缺少小横杆,而搁置小横杆的外墙洞眼可能会在房屋使用时透过洞眼渗漏雨水,且洞眼较多,所以砖混结构不宜采用单排外脚手架;8、扣件式双排脚手架的最大高度是50米。
门式移动操作平台专项施工方案编制人:审核人:审批人:二零一七年十月目录第一章工程概况--------------------------------------------------- 3一、工程概况--------------------------------------------------- 3二、施工要求--------------------------------------------------- 3三、技术保证条件----------------------------------------------- 3第二章编制依据--------------------------------------------------- 4第三章施工计划--------------------------------------------------- 5一、材料与设备计划--------------------------------------------- 5第四章施工工艺技术----------------------------------------------- 6一、技术参数--------------------------------------------------- 6二、工艺流程--------------------------------------------------- 7三、施工方法--------------------------------------------------- 7四、检查验收--------------------------------------------------- 9第五章施工安全保障措施------------------------------------------ 10一、组织保障-------------------------------------------------- 10二、技术措施-------------------------------------------------- 13三、应急预案-------------------------------------------------- 16第六章劳动力计划------------------------------------------------ 17一、专职安全生产管理人员-------------------------------------- 17二、特种作业人员---------------------------------------------- 18第七章计算书及相关图纸------------------------------------------ 18一、计算书---------------------------------------------------- 18第一章工程概况一、工程概况1、。