雨水管道及配件安装工程检验批质量验收记录
- 格式:doc
- 大小:162.00 KB
- 文档页数:5
提 示(一)主控项目1.主控项目第一项 检查数量:全数检查。
检验方法:满水15min水面下降后,再灌满观察5min,液面不降,管道及接口无渗漏为合格。
隐蔽或埋地的排水管道在隐蔽前作灌水试验,主要是防止管道本身及管道接口渗漏。
灌水高度不低于底层卫生器具的上边缘或底层地面高度,主要是按施工程序确定的,安装室内排水管道一般均采取先地下后地上的施工方法。
从工艺要求看,铺完管道后,经试验检查无质量问题,为保护管道不被砸碰和不影响土建及其他工序,必须进行回填。
如果先隐蔽,待一层主管做完再补做灌水试验,一旦有问题,就不好查找是哪段管道或接口漏水。
该项为强制性条文,应严格执行。
2.主控项目第二项 检验方法:水平尺、拉线尺量检查。
3.主控项目第三项 检验方法:水平尺、拉线尺量检查。
坡度应较均匀一致,如出现高底起伏,或中间有凹凸现象,应及时让施工人员进行整改,排水管道有倒泛水的一定进行更换并重新调整安装。
测量点的长度,在30m及以上长管段上测量,每测点长不少于4m,管段长小于30m,测点长不小于2m,管段长小于2m可不检查。
4.主控项目第四项 检查方法:观察检查。
检查数量:全数检查。
经调研,凡直线长度超过4m的排水塑料管道没有设伸缩节的都出现变形、裂漏等现象,伸缩节的间距不得大于4m是合适的;高层建筑中明设排水塑料管道在楼板下设阻火圈或防火套管是防止发生火灾时塑料管被烧坏后火势穿过板楼使火灾蔓延到其他层。
5.主控项目第五项 检查方法:通球检查,全数检查。
根据对排水工程质量常见病的调研,保证工程质量要求排水立管及水平干管均应作通球试验;通球要必保100%;球径以不小于排水管径的2/3为宜。
(二)一般项目1、一般项目第一项 检验方法:观察和尺量检查。
参照《建筑给水排水设计规范》GBJ15(以下简称《给排水设计规范》)第3.5.3条,结合近年施工经验对检查口或清扫口作了规定。
其第4款中的污水横管的直线管段上检查口或清扫口之间的最大距离应实测检查。
1全/全2全/全(1)/(2)/(3)/(4)/(5)/(6)/(7)/1全/全2全/全////////5全/全焊缝加强面+1mm 长度施工单位 检查结果 抽样检查,主控和一般项目均符合要求监理单位 验收结论符合要求施工单位300米安徽省恒创建设工程有限公司项目负责人全恒检验批容量专业监理工程师:年 月 日主控项目334焊缝允许偏差专业工长:项目专业质量检查员:年 月 日总长度(两侧)小于焊缝长度的10%//雨水管道安装的允许偏差同室内排水管第5.3.7条符合要求合格咬边深度小于0.5mm //连续长度22mm //高度//宽度//管径≤200≯20mm //焊口平直度管壁厚10mm以内管壁厚1/4//悬吊式雨水管道检查口间距雨水斗安装设计要求符合要求合格管径≤150≯15mm //悬吊雨水管最小坡度≥5‰//雨水管不得与生活污水管相连接设计要求符合要求合格地下埋设雨水管道最小坡度150mm 5‰//200-400mm4‰//100mm 8‰//125mm 6‰//50mm 20‰//75mm 15‰//室内雨水管道灌水试验第5.3.1条符合要求合格塑料雨水管安装伸缩节第5.3.2条符合要求合格施工依据建筑给排水及采暖施工图:公寓A栋(S-01~S-21);B栋(S-01~S-17);地下室B4区(S-01~S-07)验收依据《建筑给水排水及采暖工程质量验收规范》GB50242-2002验收项目设计要求及规范规定最小/实际抽样数量检查记录检查 结果 分包单位分包单位 项目负责人检验批部位公寓B栋层雨水管道及配件安装检验批质量验收记录GD-C5-7125单位(子单位)工程名称博智林机器人创研中心服务型公寓A栋、B栋及地下室B4区分部(子分部)工程名称建筑给水排水及供暖/室内排水系统分项工程名称雨水管道及配件安装。
SG-A016
雨水管道及配件安装工程检验批质量验收记录
四川省建设厅制
SG—A016填写说明
一、本表适用于厂区及民用建筑群(住宅小区)室内雨水聚氯乙烯塑料管和碳素钢管、管道的安装工程质量检验与验收。
二、检验批的划分:
雨水管道及配件安装的检查应以区段或雨水管道系统来划分。
三、主控项目中:
1.安装在室内的雨水管道安装后应做灌水试验,灌水高度必须到每根立管上部的雨水斗。
检查方法:灌水试验持续1小时,不渗不漏。
2.雨水管道如采用塑料管,其伸缩节安装应符合设计要求。
检查节法:对照图纸检查。
四、一般项目中:
1.雨水管道不得与生活污水管道相连接。
检查方法:观察检查。
2.雨水斗管的连接应固定在屋面承重结构上,雨水斗边缘与屋面相连处应严密不漏。
连接管管径当设计无要求时,不得小于100 mm。
检查方法:观察和尺量检查。
3.雨水管道安装的允许偏差应符合规范5.2.16的规定。
4.雨水钢管管道焊接的焊口允许偏差应符合表5.3.8的规定。
精品文档.。
雨水管道及配件安装工程检验批质量验收记录表GB50242—2002说明050202主控项目:1.安装在室内的雨水管道安装后应做灌水试验,灌水高度必须到每根立管上部的雨水斗。
2.灌水试验持续1h,不渗不漏。
全部系统或区(段)。
灌水观察检查。
3.雨水管道如采用塑料管,其伸缩节安装应符合设计要求。
对照图纸观察检查。
4.悬吊式雨水管道的敷设坡度不得小于5‰;埋地雨水管道的最小坡度,应符合主控项目第三条规定。
用水平尺、拉线及尺量检查。
一般项目:1.雨水管道不得与生活污水管道相连接。
观察检查。
2.雨水斗管的连接应固定在屋面承重结构上。
雨水边缘与屋面相连接应严密不漏。
连接管管径当设计无要求时,不得小于100mm。
观察和尺量检查。
3.悬吊式雨水管道的检查口或带法兰堵口的三通的间距。
管径≤150mm时检查口间距≯15m。
管径≥200mm时,检查口间距≯20m。
拉线、尺量检查。
4.雨水钢管管道焊接的焊口允许偏差。
焊接检验尺和游标卡尺检查,直尺检查。
5.雨水管道安装的允许偏差应符合规范表5.2.16的规定。
尺量检查。
雨水管道及配件安装工程检验批质量验收记录表GB50242—2002般项目2雨水斗安装 第5.3.5条4悬吊前检查口间距≤150 ≯15m ≥200 ≯20m焊缝允许偏差焊口平直度管壁厚10mm 以内管壁厚1/4 焊缝加强面高 度 +1mm 宽 度 咬边深 度小于0.5mm 长度连续长度 25mm 总长度(两侧)小于焊缝长度的10%5雨水管道安装的允许偏差同室内排水管第5.3.7条施工单位检查评定结果专业工长(施工员)施工班组长主控项目全部合格、一般项目符合规范要求项目专业质量检查员: 年 月 日 监理(建设)单位验收结论专业监理工程师:(建设单位项目专业技术负责人) 年 月 日。
《雨水管道及配件安装工程检验批质量验收记录)填写说明与依据一、总说明(1)适用范围,适用于室内雨水管道安装工程的质量检验与验收。
(2)检验批的划份,按系统、区城,施工段或楼层等划分。
分项工程应划分成着干检验批进行验收。
(3)验收人员,由监理工程师(建设单位项目专业技术负责人)组织施工单位项目经理和有关勘察、设计单位项目负责人等进行验收。
二、表格项目填写说明1.主控项目(1)室内雨水管道灌水试验1)规范要求:安装在室内的雨水管道安装后应做灌水试验,灌水高度必须到每根立管上部的雨水斗。
2)检查方法:灌水试验持续1h,不渗不漏;检查数量:全部系统或区(段)。
(2)塑料雨水管安装伸缩节1)规范要求:雨水管道如采用塑料管,其伸缩节安装应符合设计要求。
2)检查方法:对照图纸检查;检查数量:抽查3 根立管和3 根横管,最少不少于1根立管和1根横管。
3)填写说明与依据:管端插人伸缩节处预留的间隙应为:夏季5~10mm;冬季15~20mm。
(3)地下埋设雨水管道最小坡度1)规范要求:悬吊式雨水管道的敷设坡度不得小于5%;埋地雨水管道的最小坡度应符合表12-14 的规定。
表12-14 地下埋设雨水排水管道的最小坡度2)检查方法:水平尺、拉线尺量检查;检查数量:按系统内直线管段长度每30m抽查2 段,不足30m,不少于1段。
2.一般项目(1)雨水管道不得与生活污水管道连接1)规范要求:雨水管道不得与生活污水管道相连接。
2)检查方法:观察检查;检查数量:全数检查。
(2)雨水斗管的连接1)规范要求:雨水斗管的连接应固定在屋面承重结构上。
雨水斗边缘与屋面相连处应严密不漏,连接管管径当设计无要求时,不得小于100mm。
2)检查方法:观察和尺量检查;检查数量。
不少于10个雨水斗和连接管,3)镇写说明与依据,主要是为厂安全防止断裂用水斗边缘与屋面相连处应严密不洞,主要防止接触不严水,DN100用水斗的最小现称规格。
(3) 悬吊管检查口间距1)规范要求,悬吊式雨水臂道的检查口或带法兰堵口的三通的间距不得大于表12-15 的规定。
室内雨水管道及配件安装检验批质量验收记录项目名称:室内雨水管道及配件安装项目地点:xxxx日期:xxxx年xx月xx日一、工程概况本项目为室内雨水管道及配件的安装,旨在保障建筑物内部雨水排放的正常运行。
本次检验批质量验收旨在核实工程质量是否达到设计要求,以确保施工质量。
二、检验依据1.《建筑给排水工程施工及验收规范》2.《室内给水工程施工及验收规范》3.《建筑给排水工程质量验收标准》4.相关设计文件三、检验内容1. 垂直雨水管道的安装2. 排水立管的安装3. 雨水管道与排水管道的连接4. 雨水斜管的安装5. 雨水井、雨水口的安装6. 雨水泵站的安装7. 其他与室内雨水管道安装相关的工作四、检验方法1. 目视检查:对已安装的管道和配件进行目视检查,确认是否存在明显的缺陷和损坏。
2. 尺寸测量:测量管道和配件的尺寸,与设计要求进行对比,检查是否符合要求。
3. 试压检验:对安装完成的管道进行试压,确保密封性能良好,不发生漏水现象。
4. 强度检验:对管道和配件的强度进行检测,确认其承载能力符合设计要求。
5. 设备运行检验:对雨水泵站进行运行测试,检查其工作是否正常、稳定。
五、检验结果1. 垂直雨水管道的安装:检验结果:通过备注:垂直雨水管道的安装位置符合设计要求,与建筑结构连接牢固,无明显缺陷。
2. 排水立管的安装:检验结果:通过备注:排水立管的安装位置准确、稳固,与雨水下水道连接紧密,无渗漏现象。
3. 雨水管道与排水管道的连接:检验结果:通过备注:雨水管道与排水管道连接紧密,无明显缺陷,连接处无泄漏。
4. 雨水斜管的安装:检验结果:通过备注:雨水斜管的安装位置符合设计要求,斜度适合,无明显缺陷。
5. 雨水井、雨水口的安装:检验结果:通过备注:雨水井和雨水口的安装位置准确,井盖密封良好,无渗漏现象。
6. 雨水泵站的安装:检验结果:通过备注:雨水泵站的设备安装合理,运行正常,无异常噪音,各部件工作正常。
7. 其他相关工作:检验结果:通过备注:其他与室内雨水管道安装相关的工作符合设计要求,无明显缺陷。
雨水管道及配件安装检验批质量验收记录范文一上来写这个雨水管道及配件安装检验批质量验收记录啊,还真有点小复杂,但只要掌握了一些要点,就没那么难啦。
然后就是分项工程名称啦。
这个分项工程名称其实是对雨水管道及配件安装这个事儿更细致的划分。
从我的经验来看,它能让别人一眼就看出来你这个验收具体是针对哪一块的工作内容的。
接着就是施工单位和专业工长这些信息了。
施工单位肯定要写全称啦,这是基本的要求嘛。
专业工长呢,他可是在这个雨水管道及配件安装过程中起到关键作用的人,写上他的名字,也算是一种责任的体现吧。
你想啊,如果以后有啥问题,也好知道是谁负责这一块的工作不是吗?再说说项目经理这块。
项目经理那可是整个项目的大管家呀!他的名字写上去,就代表着他要对这个雨水管道及配件安装的质量负总责呢。
接下来就是验收部位了。
这个验收部位啊,要写得特别精确。
比如说某栋楼的第几层到第几层的雨水管道安装部分,可别笼统地写个大概范围哦。
这就好比你去超市找东西,你要是只知道大概区域,找起来得多费劲呀!然后我们就到了那些具体的验收内容了。
像管道的材质、规格这一类的,那必须要和设计要求相符啊。
我见过有些验收记录,这里写得模棱两可的,这可不行!你得清清楚楚地写出来,这个管道是什么材质的,是PVC的呢,还是铸铁的?规格是多少,直径多大之类的。
管道的连接方式也很重要哦。
是热熔连接呢,还是法兰连接呀?不同的连接方式有不同的质量要求呢。
你要是不写清楚,别人怎么知道这个连接符不符合标准呢?而且啊,我认为在写这部分的时候,你可以稍微详细一点,比如说描述一下连接得是否牢固,有没有渗漏之类的情况。
还有管道的坡度,这也是不容忽视的一点。
雨水管道要是坡度不对,那水可就排不畅啦!你可以简单地写一下这个坡度是否满足设计要求,或者实际测量的坡度数值是多少。
这部分其实还蛮简单的,但别忘了前面提到的几点哦。
配件的安装也是一个重点呢。
比如说雨水斗、检查口这些配件,它们的位置是否正确,数量够不够,安装得牢不牢固等等。
雨水管道及配件安装工程检验批质量验收记录表(6)明龙骨吊顶工程检验批质量验收记录表(1)暗龙骨吊顶工程检验批质量验收记录表(1)护栏和扶手制作与安装工程检验批质量验收记录表(3)、溶剂型涂料涂饰工程检验批质量验收记录表(3)地面水磨石面层工程检验批质量验收记录表(2)地面灰土垫层工程检验批质量验收记录表(1)装饰抹灰工程检验批质量验收记录表(2)卫生器具及给水配件安装工程检验批质量验收记录表(1)找平层工程检验批质量验收记录表(1)单位(子单位)工程验收程序监督记录(3)主体结构分部工程观感质量检查记录(1)砌体工程施工质量控制等级检查记录(1)屋面卷材防水层工程检验批质量验收记录表(1)屋面涂膜防水层工程检验批质量验收记录表(1)主体结构工程检验批质量验收记录表(1)细石混凝土防水层工程检验批质量验收记录表(1)地下防水隐蔽工程检验批质量验收记录表(2)地基基础工程检验批质量验收记录表(1)工程洽商联系单(3)施工组织设计(方案)审批表(1)工程变更单(1)窗帘盒、窗台板和散热器制作安装工程检验批质量验收记录表(1)建设工程现场建筑材料有见证取样登记台账(1)地基基础分部工程观感质量检查记录(1)分部(子)分部工程验收程序监督记录(2)设计变更洽商记录(1)沉溢观测记录(1)填充墙砌体工程检验批质量验收记录表(6)屋面找平层工程检验批质量验收记录表(6)班组日安全上岗记录(15)给排水管道通水试验记录(1)配筋砌体试验记录(1)清水砌体勾缝试验记录(1)装饰装修隐蔽工程验收记录表(1)电气接地电阻测试记录(1)电气照明通电试运行记录(1)普通灯具安装工程检验批质量验收记录表(3)开关插座风扇安装工程检验批质量验收记录表(2)系统试运转调试记录(1)混凝土小型空心块砌体工程检验批质量验收记录表(3)室内排水管道通球试验记录(3)卫生器具通(满)水试验记录(4)管道设备强度及严密性试验记录(1)采暖系统冲洗及试运行测试记录(3)给水管道冲洗(消毒)检验记录(3)屋面保温层工程检验批质量验收记录表(6)屋面细部结构工程检验批质量验收记录表(8)防水工程试水检查试验记录(8)细石混凝土防水工程检验批质量验收记录表(8)屋面卷材防水层工程检验批质量验收记录表(6)卫生器具排水管道安装工程检验批质量验收记录表(5)室内排水管道及配件安装工程检验批质量验收记录表(7)室内给水管道及配件安装工程检验批质量验收记录表(4)室内采暖安装工程检验批质量验收记录表(4)室内给水设备安装工程检验批质量验收记录表(5)建筑给排水及采暖分部工程安全和功能检验和抽样检测记录(12)低温热水地板辐射采暖安装工程检验批质量验收记录表(3)管道(设备)灌(满)水试验记录(1)管道系统冲(吹)洗(脱脂)试验记录(6)消火栓试射记录(1)施工试验见证取样汇总表(4)施工现场质量检查记录(5)测量放线及复核记录施工任务完成情况月报(8)安全检查记录表(2)施工现场临时用电检查验收表、续表(6)混凝土结构同条件试件导效养护龄期温度记录(1)混凝土质量合格证书(1)建筑物垂直度、标高,全高测量记录(2)钢结构防水涂料涂装工程检测记录(1)焊接球钢网架制作工程检测记录(1)焊接球钢网架安装工程检验记录(1)钢结构制作(安装)焊接工程检验记录(2)工程开工/复工报审表(1)竣工验收证明书(3)竣工报告(4)施工记录(通用)(3)中间交接检验记录(1)地基钎探记录(1)桩基支护测量放线记录(5)工程变更单(1)混凝土原材料及配给比设计检验批质量验收记录表(28)金属门窗(铝合金门窗)安装工程检验批质量验收记录表(7)塑料门窗安装工程检验批质量验收记录表(2)门窗玻璃安装工程检验批质量验收记录表(3)玻璃幕墙工程检验批质量验收记录表(2)窗帘盒、窗台板和散热器和散热罩制作与安装工程检验批质量验收记录表(2)混凝土施工工程检验批质量验收记录表(30)混凝土试件抗压强度统计评定单(3)砂浆试件抗压强度统计评定单(6)。
雨水管道及配件安装检验批质量验收记录范文下载提示:该文档是本店铺精心编制而成的,希望大家下载后,能够帮助大家解决实际问题。
文档下载后可定制修改,请根据实际需要进行调整和使用,谢谢!本店铺为大家提供各种类型的实用资料,如教育随笔、日记赏析、句子摘抄、古诗大全、经典美文、话题作文、工作总结、词语解析、文案摘录、其他资料等等,想了解不同资料格式和写法,敬请关注!Download tips: This document is carefully compiled by this editor. I hope that after you download it, it can help you solve practical problems. The document can be customized and modified after downloading, please adjust and use it according to actual needs, thank you! In addition, this shop provides you with various types of practical materials, such as educational essays, diary appreciation, sentence excerpts, ancient poems, classic articles, topic composition, work summary, word parsing, copy excerpts, other materials and so on, want to know different data formats and writing methods, please pay attention!雨水管道及配件安装检验批质量验收记录范文1. 引言本次雨水管道及配件安装检验质量验收记录旨在详细记录安装过程中的各项质量验收情况,确保工程质量符合相关标准要求。
雨水管道及配件安装检验批质量验收记录
填写说明
一、填写依据
1 《建筑给水排水及采暖工程施工质量验收规范》GB50242-2002。
2 《建筑工程施工质量验收统一标准》GB50300-2013。
二、检验批划分
可按设计系统、楼层、施工段、单元划分。
三、GB50242-2002规范摘要
主控项目
5.3.1 安装在室内的雨水管道安装后应做灌水试验,灌水高度必须到每根立管上部的雨水斗。
检验方法:灌水试验持续1h,不渗不漏。
5.3.2 雨水管道如采用塑料管,其伸缩节安装应符合设计要求。
检验方法:对照图纸检查。
5.3.3 悬吊式雨水管道的敷设坡度不得小于5‰;埋地雨水管道的最小坡度,应符合表5.3.3的规定。
检验方法:水平尺、拉线尺量检查。
一般项目
5.3.4 雨水管道不得与生活污水管道相连接。
检验方法:观察检查。
5.3.5 雨水斗管的连接应固定在屋面承重结构上。
雨水斗边缘与屋面相连处应严密不漏。
连接管管径当设计无要求时,不得小于100mm。
检验方法:观察和尺量检查。
5.3.6 悬吊式雨水管道的检查口或带法兰堵口的三通的间距不得大于表5.3.6的规定。
表5.3.6 悬吊管检查口间距
检验方法:拉线、尺量检查。
5.3.7 雨水管道安装的允许偏差应符合本规范表5.2.16的规定。
5.3.8 雨水钢管管道焊接的焊口允许偏差应符合表5.3.8的规定。
表5.3.8 钢管管道焊口允许偏差和检验方法。
建筑中水系统及雨水利用系统管道及配件安装检验批质量验收记录一、工程概况项目名称:xxxx建筑工程项目地点:xxxx施工单位:xxxx监理单位:xxxx施工日期:xxxx年xx月xx日-xxxx年xx月xx日二、检验依据1.《建筑给水排水设计规范》2.《建筑给水排水工程施工及验收规范》3.《建筑生活污水及雨水利用工程技术规范》4.《建筑雨水利用工程施工及验收规范》5.相关图纸、设计文件及合同约定三、检验基本原则1.符合设计要求2.合规施工3.材料符合要求4.安装质量符合标准5.提供合格的验收记录和文件四、检验内容及方法1.管道材料及配件的合格证明文件是否齐全2.管道材料及配件的型号、规格、质量是否符合设计要求3.管道安装位置是否符合设计要求4.管道安装是否符合相关标准5.管道连接是否紧固密实6.阀门、管件及附件的安装质量是否符合要求7.管道支架安装是否牢固稳定8.管道清洗、保温等工序是否符合规范要求9.雨水利用设备的安装是否符合要求10.雨水管道的布置是否合理11.雨水收集设备的功能是否良好12.其他相关检验内容五、检验结果及处理意见1.管道材料及配件的合格证明文件齐全,型号、规格、质量均符合设计要求。
2.管道安装位置符合设计要求,安装质量符合标准,连接紧固密实。
3.阀门、管件及附件的安装质量符合要求,管道支架安装牢固稳定。
4.管道清洗、保温等工序符合规范要求。
5.雨水利用设备安装符合要求,雨水管道布置合理,雨水收集设备功能良好。
六、存在问题及整改措施1.标出存在的问题及整改措施2.确保问题整改到位七、质量验收结论依据以上检验结果及整改措施,经过施工单位整改后,建筑中水系统及雨水利用系统管道及配件安装质量符合要求,达到设计及验收标准。
八、备注1.若有其他需要备注的内容,需在此处明确说明。
2.附上相关的图片、纸质资料等。
以上为建筑中水系统及雨水利用系统管道及配件安装检验批质量验收记录,检验记录应详尽、真实,是验收工作中的重要证据之一、相关项目应按照验收结果及整改措施进行后续工作,确保施工质量符合要求和标准。
检验批质量验收报验申请表
致:福建省中福建设工程监理有限公司(监理单位)
我单位已完成了雨水管道及配件安装工程检验批质量验收工作,现报上该工程报验申请表,请予以审查和验收。
附件:
1、雨水管道及配件安装工程检验批质量验收纪录。
承包单位(章)
项目经理
日期
审查意见:
项目监理机构
总/专业监理工程师
日期
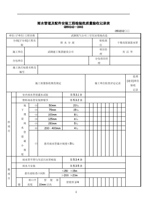
050202□0□1
单位(子单位)工程名称江南水都七期(飞地)地块一6#楼
分部(子分部)工程名称给排水与采暖验收部位一梯位YL-Y5~10
YL-W5~9
施工单位福建省永泰建筑工程公司项目经理赵子奇
分包单位/ 分包项目经理/
施工执行标准名称及编号建筑给水排水硬聚氯乙烯管道安装工程施工技术操作规程(DBJ13-23-99)
施工质量验收规范的规定施工单位检查评定记录监理(建设)单位验收记录
主控项目1 室内雨水管道灌水试验第5.3.1条详见灌水试验纪录质控(水)表4.2.6-1
2 塑料雨水管安装伸缩节第5.3.2条√
3
地下埋
设雨水
管道最
小坡度
(1)管径50mm 20‰
(2)管径75mm 15‰
(3)管径100mm 8‰
(4)管径125mm 6‰
(5)管径150mm 5‰
(6)管径200~400mm 4‰
4 悬吊雨水管最小坡度≤5‰
一般项目1
雨水管不得与生活污水管道
连接
第5.3.4条√2 雨水斗管安装第5.3.5条/ 3
悬吊式雨水管
道检查口间距
管径≤150≯15m √
管径≥200 ≯20m / 4
焊
口
允
许
偏
差
焊口平直度管壁厚10mm以内管壁厚1/4
焊缝加强面
高度
+1mm
宽度
咬
边
深度小于0.5mm
长度
连续长度25mm
总长度(两侧)小于焊缝长度的10%
5
雨水管道安装的允许偏差
同室内排水管
第5.3.7条√
施工单位检查评定结果专业工长(施工员)施工班组长
主控项目和一般项目全部合格,符合设计及施工质量验收规范要求。
项目专业质量检查员:年月日
监理(建设)单位验收结论专业监理工程师:
(建设单位项目专业技术负责人)年月日
雨水管道及配件安装工程检验批质量验收记录
050202□0□2单位(子单位)工程名称江南水都七期(飞地)地块一6#楼
分部(子分部)工程名称给排水与采暖验收部位二梯位YL-Y3~4、11~13
YL-W3~4、10~11施工单位福建省永泰建筑工程公司项目经理赵子奇
分包单位/ 分包项目经理/
施工执行标准名称及编号建筑给水排水硬聚氯乙烯管道安装工程施工技术操作规程(DBJ13-23-99)
施工质量验收规范的规定施工单位检查评定记录监理(建设)单位验收记录
主控项目1 室内雨水管道灌水试验第5.3.1条详见灌水试验纪录质控(水)表4.2.6-1
2 塑料雨水管安装伸缩节第5.3.2条√
3
地下埋
设雨水
管道最
小坡度
(1)管径50mm 20‰
(2)管径75mm 15‰
(3)管径100mm 8‰
(4)管径125mm 6‰
(5)管径150mm 5‰
(6)管径200~400mm 4‰
4 悬吊雨水管最小坡度≤5‰
一般项目1
雨水管不得与生活污水管道
连接
第5.3.4条√2 雨水斗管安装第5.3.5条/ 3
悬吊式雨水管
道检查口间距
管径≤150≯15m √
管径≥200 ≯20m / 4
焊
口
允
许
偏
差
焊口平直度管壁厚10mm以内管壁厚1/4
焊缝加强面
高度
+1mm
宽度
咬
边
深度小于0.5mm
长度
连续长度25mm
总长度(两侧)小于焊缝长度的10%
5
雨水管道安装的允许偏差
同室内排水管
第5.3.7条√
施工单位检查评定结果专业工长(施工员)施工班组长
主控项目和一般项目全部合格,符合设计及施工质量验收规范要求。
项目专业质量检查员:年月日
监理(建设)单位验收结论专业监理工程师:
(建设单位项目专业技术负责人)年月日
单位(子单位)工程名称江南水都七期(飞地)地块一6#楼
分部(子分部)工程名称给排水与采暖验收部位三梯位YL-Y1~2、14~17
YL-W1~2、12~14
施工单位福建省永泰建筑工程公司项目经理赵子奇
分包单位/ 分包项目经理/
施工执行标准名称及编号建筑给水排水硬聚氯乙烯管道安装工程施工技术操作规程(DBJ13-23-99)
施工质量验收规范的规定施工单位检查评定记录监理(建设)单位验收记录
主控项目1 室内雨水管道灌水试验第5.3.1条详见灌水试验纪录质控(水)表4.2.6-1
2 塑料雨水管安装伸缩节第5.3.2条√
3
地下埋
设雨水
管道最
小坡度
(1)管径50mm 20‰
(2)管径75mm 15‰
(3)管径100mm 8‰
(4)管径125mm 6‰
(5)管径150mm 5‰
(6)管径200~400mm 4‰
4 悬吊雨水管最小坡度≤5‰
一般项目1
雨水管不得与生活污水管道
连接
第5.3.4条√2 雨水斗管安装第5.3.5条/ 3
悬吊式雨水管
道检查口间距
管径≤150≯15m √
管径≥200 ≯20m / 4
焊
口
允
许
偏
差
焊口平直度管壁厚10mm以内管壁厚1/4
焊缝加强面
高度
+1mm
宽度
咬
边
深度小于0.5mm
长度
连续长度25mm
总长度(两侧)小于焊缝长度的10%
5
雨水管道安装的允许偏差
同室内排水管
第5.3.7条√
施工单位检查评定结果专业工长(施工员)施工班组长
主控项目和一般项目全部合格,符合设计及施工质量验收规范要求。
项目专业质量检查员:年月日
监理(建设)单位验收结论专业监理工程师:
(建设单位项目专业技术负责人)年月日雨水管道及配件安装
工程名称江南水都七期(飞
地)地块一6#楼
结构类型框架检验批数 3
施工单位永泰建筑工程公司项目经理赵子奇项目技术
负责人
林孔生
分包单位/ 分包单位
负责人
/
分包项目
经理
/
序号检验批部位、区、段施工单位检查评定结果监理(建设)单位验收结论
1 一梯位YL-Y5~10
YL-W5~9
√
2 二梯位YL-Y3~4、11~13
YL-W3~4、10~11
√
3 三梯位YL-Y1~2、14~17
YL-W1~2、12~14
√
检查结论
符合设计及施工质量验收规范
要求,合格。
项目专业技术负责人:
年月日
验
收
结
论
监理工程师:
(建设单位项目技术负责人)
年月日。