低位发热量计算公式
- 格式:doc
- 大小:27.50 KB
- 文档页数:1
烟煤低位发热量的最新公式
烟煤低位发热量是指单位质量烟煤完全燃烧后所释放的热量,通常以千卡/千克(kcal/kg)或千焦/千克(kJ/kg)为单位。
烟煤低位发热量是煤炭品质的重要指标之一,对于烟煤的利用效率和能源计量都具有重要的意义。
最新的烟煤低位发热量计算公式如下:
QLV(kcal/kg)=Img × CVr – Qr
其中,QLV为烟煤的低位发热量(kcal/kg);
Img为煤的灰分质量分数;
CVr为煤的收到基低位发热量(kcal/kg);
Qr为煤的内真实发热量(kcal/kg)。
在计算烟煤低位发热量时,首先需要获得煤样的灰分质量分数、收到基低位发热量和内真实发热量的数值。
灰分质量分数(Img)是指煤炭中不可燃物质的质量分数,通常以百分比表示。
可以通过实验室测定或者基于煤的化学成分来计算得到。
煤的收到基低位发热量(CVr)是指煤炭在收到基状态下,燃烧时产生的热量。
同样,收到基低位发热量的数值可以通过实验室测定或者通过计算得到。
煤的内真实发热量(Qr)是指煤炭在干燥无灰无硫的状态下,燃烧时产生的热量。
计算内真实发热量时,需要考虑煤的水分含量、灰分含量和硫分含量等因素。
总之,烟煤低位发热量是煤炭品质的重要指标之一,对于烟煤的利用和能源计量都具有重要意义。
最新的煤炭低位发热量计算公式提供了一种准确计算烟煤低位发热量的方法,以满足不同实际情况下对烟煤低位发热量的需求。
煤炭发热量的计算公式煤炭发热量的计算公式以煤工业分析结果,创立计算煤炭低位发热量新公式的原理与方法,不再详述。
仅就实际应用的计算公式介绍如下:1.计算烟煤低位发热量新公式以焦耳表示的计算方式:Qnet.ad =35859.9-73.7Vad-395.7Aad-702.0Mad+173.6CRC 焦/克或用卡制表示的计算式:Qnet.ad =8575.63-17.63Vad-94.64Aad-167.89Mad+41.52CRC 卡/克Qnet.ad——分析基低位发热量;Vad——分析基挥发分(%);Aad——分析基灰分(%);Mad——分析基水分(%);CRC——焦渣特征。
2.计算无烟煤低位发热量新公式以焦耳表示的计算方式:Qnet.ad =34813.7-24.7Vad-382.2Aad-563.0Mad焦/克或者以卡制表示的计算式:Qnet.ad =8325.46-5.92Vad-91.41Aad-134.63Mad卡/克如果有条件能测定H值,或者从固定用煤矿区取得矿区以往H值的平均值,用下式计算的无烟煤低位发热量结果精度更高。
以焦耳表示的计算式:Qnet.ad =32346.8-161.5Vad-345.8Aad-360.3Mad+1042.3Had焦/克或者用卡制表示的计算式:Qnet.ad =7735.52-38.63Vad-82.70Aad-86.16Mad+249.27Had卡/克3.计算褐煤低位发热量新公式以焦耳表示的计算式:Qnet.ad =31732.9-70.5Vad-321.6Aad-388.4Mad焦/克或者用卡制表示的计算式:Qnet.ad =7588.69-16.85Vad-76.91Aad-92.88Mad卡/克4.在水泥生产使用中,计算标准煤耗时,按上述公式计算的分析基低位发热量(Qnet.ad )用下式换算成应用煤低位发热量(Qnet.ar)后,再计算标准煤耗。
收到基低位发热量计算公式
Q=100K1-(K1+6)(M+A)-3V-40M式中Q-收到基发热量;M-收到基水分;A-收到基灰分;V-收到基挥发分;K1-为“经验系数”,可从V-焦渣特征号-K1的关系表中查到(K1随V的增加而降低,或焦渣特征号的增加而增加)。
该表请在下面参考书中查阅。
(注意:原书中该公式中的M、A和V是分析基,将它们转算成应用基即可)烟煤收到基(旧称“应用基”)低位发热量公式为: Q=100K1-(K1+6)(M+A)-3V-40M。
式中Q-收到基发热量;M-收到基水分;A-收到基灰分;V-收到基挥发分;K1-为“经验系数”,可从V-焦渣特征号-K1的关系表中查到(K1随V的增加而降低,或焦渣特征号的增加而增加)。
该表请在下面参考书中查阅。
计算无烟煤低位发热量新公式以焦耳表示的计算方式:
Qnet.ad=34813.7-24.7Vad-382.2Aad-563.0Mad 焦/克。
或者以卡制表示的计算式:
Qnet.ad=8325.46-5.92Vad-91.41Aad-134.63Mad 卡/克。
如果有条件能测定H值,或者从固定用煤矿区取得矿区以往H值的平均值,用下式计算的无烟煤低位发热量结果精度更高。
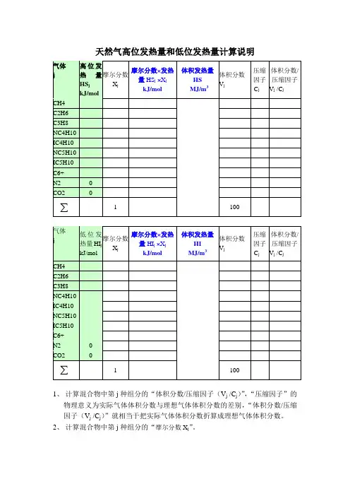
天然气高位发热量和低位发热量计算说明1、计算混合物中第j种组分的“体积分数/压缩因子(V j /C j)”,“压缩因子”的物理意义为实际气体体积分数与理想气体体积分数的差别,“体积分数/压缩因子(V j /C j)”就相当于把实际气体体积分数折算成理想气体体积分数。
2、计算混合物中第j种组分的“摩尔分数X j”。
101j j j j j jV CX V C ==∑3、 计算1 mol 混合物中第j 种组分的高位发热量。
HS j ×X j4、 计算1 mol 混合物的高位发热量。
101()jj j HSX =⨯∑5、 计算在P 压力、T 温度下的高位体积发热量,计算公式:101()8.31451j j j PHS HS X T ==⨯⨯⨯∑ MJ/m 3式中:8.31451为天然气混合物的气体常数R 。
6、 计算在P 压力、T 温度下的低位体积发热量,与高位体积发热量相似,从步骤1到步骤5,只不过把步骤3、4、5中的高位发热量换成低位发热量。
性能计算中用到的是天然气的低位发热量,燃烧室的能量平衡关系公式为:(3.9)式中:— 燃烧室的空气摩尔流量 — 压气机出口空气焓 — 燃烧室的燃料摩尔流量 — 燃料的低位发热量 — 燃烧室的燃烧效率— 燃气透平进口燃气焓上式中燃料的低位发热量Q l 单位为MJ/kMol ,所以3122.4/36.37/22.4/814.688/Q HI L Mol MJ m L Mol MJ kMol =⨯=⨯=,其中22.4L/Mol 为天然气在标准状态下的摩尔体积。
由于Q 1单位为MJ/kMol ,所以在计算天然气的低位发热量时,统一使用标准状态下的压力P 和温度T 计算HI ,其目的是能够使用标准状态下天然气的摩尔体积22.4L/Mol 。
高位发热量和低位发热量的计算公式
燃料是人类生产和生活中必不可少的能源,而燃料的热值是衡量其能量含量的重要指标。
燃料的热值可以分为高位发热量和低位发热量两种,它们的计算公式如下:
高位发热量=燃料完全燃烧放出的热量/燃料的质量
低位发热量=燃料完全燃烧放出的热量-燃料中水分蒸发时吸收的热量/燃料的质量
其中,高位发热量是指燃料在完全燃烧的情况下,放出的全部热量,包括燃料中的水分蒸发时释放的热量。
而低位发热量则是指燃料在完全燃烧的情况下,除了水分蒸发时吸收的热量外,放出的全部热量。
以煤为例,其高位发热量为燃烧1千克煤可以放出的热量,通常为5500-6500千卡;而低位发热量则为燃烧1千克煤可以放出的净热量,通常为4000-5000千卡。
这是因为煤中含有一定的水分,当煤燃烧时,水分会蒸发并吸收热量,因此低位发热量要比高位发热量低。
在实际应用中,高位发热量和低位发热量的计算公式可以用于燃料的选择和热能设备的设计。
例如,在选用燃料时,可以根据其高位发热量和低位发热量来判断其能源含量和燃烧效率,从而选择更加
经济、环保的燃料。
而在热能设备的设计中,需要根据燃料的高位发热量和低位发热量来确定设备的热效率和热损失,从而提高设备的能源利用率。
高位发热量和低位发热量是燃料热值的重要指标,其计算公式可以帮助我们更好地了解燃料的能源含量和燃烧效率,从而更加科学地选择燃料和设计热能设备。
天然气高位发热量和低位发热量计算说明1、计算混合物中第j种组分的“体积分数/压缩因子(V j /C j)”,“压缩因子”的物理意义为实际气体体积分数与理想气体体积分数的差别,“体积分数/压缩因子(V j /C j)”就相当于把实际气体体积分数折算成理想气体体积分数。
2、计算混合物中第j种组分的“摩尔分数X j”。
101j j j j j jV CX V C ==∑3、 计算1 mol 混合物中第j 种组分的高位发热量。
HS j ×X j4、 计算1 mol 混合物的高位发热量。
101()jj j HSX =⨯∑5、 计算在P 压力、T 温度下的高位体积发热量,计算公式:101()8.31451j j j PHS HS X T ==⨯⨯⨯∑ MJ/m 3式中:8.31451为天然气混合物的气体常数R 。
6、 计算在P 压力、T 温度下的低位体积发热量,与高位体积发热量相似,从步骤1到步骤5,只不过把步骤3、4、5中的高位发热量换成低位发热量。
性能计算中用到的是天然气的低位发热量,燃烧室的能量平衡关系公式为:(3.9)式中:— 燃烧室的空气摩尔流量— 压气机出口空气焓— 燃烧室的燃料摩尔流量— 燃料的低位发热量— 燃烧室的燃烧效率— 燃气透平进口燃气焓上式中燃料的低位发热量Q l 单位为MJ/kMol ,所以3122.4/36.37/22.4/814.688/Q HI L Mol MJ m L Mol MJ kMol =⨯=⨯=,其中22.4L/Mol 为天然气在标准状态下的摩尔体积。
由于Q 1单位为MJ/kMol ,所以在计算天然气的低位发热量时,统一使用标准状态下的压力P 和温度T 计算HI ,其目的是能够使用标准状态下天然气的摩尔体积22.4L/Mol 。
煤炭发热量的计算公式关键词:煤炭发热量的计算公式以煤工业分析结果,创立计算煤炭低位发热量新公式的原理与方法,不再详述。
仅就实际应用的计算公式介绍如下:1.计算烟煤低位发热量新公式以焦耳表示的计算方式:Q net.ad=35859.9-73.7V ad-395.7A ad-702.0M ad+173.6CRC 焦/克或用卡制表示的计算式:Q net.ad=8575.63-17.63V ad-94.64A ad-167.89M ad+41.52CRC 卡/克Q net.ad——分析基低位发热量;V ad——分析基挥发分(%);A ad——分析基灰分(%);M ad——分析基水分(%);CRC——焦渣特征。
2.计算无烟煤低位发热量新公式以焦耳表示的计算方式:Q net.ad=34813.7-24.7V ad-382.2A ad-563.0M ad焦/克或者以卡制表示的计算式:Q net.ad=8325.46-5.92V ad-91.41A ad-134.63M ad卡/克如果有条件能测定H值,或者从固定用煤矿区取得矿区以往H值的平均值,用下式计算的无烟煤低位发热量结果精度更高。
以焦耳表示的计算式:Q net.ad=32346.8-161.5V ad-345.8A ad-360.3M ad+1042.3H ad焦/克或者用卡制表示的计算式:Q net.ad=7735.52-38.63V ad-82.70A ad-86.16M ad+249.27H ad卡/克3.计算褐煤低位发热量新公式以焦耳表示的计算式:Q net.ad=31732.9-70.5V ad-321.6A ad-388.4M ad焦/克或者用卡制表示的计算式:Q net.ad=7588.69-16.85V ad-76.91A ad-92.88M ad卡/克4.在水泥生产使用中,计算标准煤耗时,按上述公式计算的分析基低位发热量(Q net.ad)用下式换算成应用煤低位发热量(Q net.ar)后,再计算标准煤耗。
天然气高位发热量和低位发热量计算说明Document number:NOCG-YUNOO-BUYTT-UU986-1986UT天然气高位发热量和低位发热量计算说明1、计算混合物中第j种组分的“体积分数/压缩因子(V j /C j)”,“压缩因子”的物理意义为实际气体体积分数与理想气体体积分数的差别,“体积分数/压缩因子(V j /C j)”就相当于把实际气体体积分数折算成理想气体体积分数。
2、计算混合物中第j种组分的“摩尔分数X j”。
3、计算1 mol混合物中第j种组分的高位发热量。
HS j ×X j4、 计算1 mol 混合物的高位发热量。
5、计算在P 压力、T 温度下的高位体积发热量,计算公式:101()8.31451j j j PHS HS X T ==⨯⨯⨯∑ MJ/m 3式中:为天然气混合物的气体常数R 。
6、 计算在P 压力、T 温度下的低位体积发热量,与高位体积发热量相似,从步骤1到步骤5,只不过把步骤3、4、5中的高位发热量换成低位发热量。
性能计算中用到的是天然气的低位发热量,燃烧室的能量平衡关系公式为:GM air ?h 2+GM fuel ?Q l ?ηcb =(GM air +GM fuel )?h 3式中: GM air— 燃烧室的空气摩尔流量 h 2 — 压气机出口空气焓 GM fuel— 燃烧室的燃料摩尔流量 Q l — 燃料的低位发热量 ηcb — 燃烧室的燃烧效率 h 3—燃气透平进口燃气焓上式中燃料的低位发热量Q l 单位为MJ/kMol ,所以3122.4/36.37/22.4/814.688/Q HI L Mol MJ m L Mol MJ kMol =⨯=⨯=,其中Mol 为天然气在标准状态下的摩尔体积。
由于Q 1单位为MJ/kMol ,所以在计算天然气的低位发热量时,统一使用标准状态下的压力P 和温度T 计算HI ,其目的是能够使用标准状态下天然气的摩尔体积Mol 。
根据石油的高位发热量和低位发热量计算
说明
石油是一种重要的能源资源,其发热量是评价其能量价值的重
要指标之一。
常见的指标是石油的高位发热量和低位发热量。
高位发热量(Hs)指的是燃烧单位质量(常用单位是千克或磅)的石油所释放的热能。
它是指将完全燃烧的石油所释放的热量与其
质量之间的比值。
具体计算公式如下:
Hs = Q / m
其中,Hs为高位发热量,Q为完全燃烧所释放的热量,m为石油的质量。
低位发热量(Ls)也称净发热量,是指经燃烧后,石油实际释
放的热能。
计算低位发热量时,需要减去燃烧过程中产生的凝结水
的热量。
具体计算公式如下:
Ls = Hs - (m' * Cw)
其中,Ls为低位发热量,Hs为高位发热量,m'为石油的质量,Cw为凝结水的热量。
在实际应用中,石油的高位发热量常用于能源评价和计量,而
低位发热量更加符合实际使用。
理解和计算石油的高位发热量和低
位发热量对于合理利用石油资源,进行能源规划和经济评估具有重
要意义。
注意:以上计算公式中的参数需要根据具体情况进行调整和计算,确保准确性和可靠性。
以上为根据石油的高位发热量和低位发热量计算的说明,希望
能对您有所帮助。
低位发热量计算公式
以下是一些常见燃料的低位发热量计算公式:
1.含碳燃料的低位发热量计算公式:
其中,Qv为低位发热量(kJ/kg),C为燃料中的碳含量(%),H为
燃料中的氢含量(%),S为燃料中的硫含量(%),O为燃料中的氧含量(%)。
2.含氢燃料的低位发热量计算公式:
其中,Qv为低位发热量(kJ/kg),H为燃料中的氢含量(%),O为
燃料中的氧含量(%)。
需要注意的是,这些公式只是近似计算公式,实际情况可能会有一定
的误差。
对于一些特殊燃料或复杂的燃料组成,可能需要进行更为详细的
分析和计算。
此外,低位发热量还可以通过实验测定来获得。
实验测定的方法包括
热量计法、燃烧热量测定法等。
这些方法可以直接测量燃料在燃烧过程中
释放的热量,得到比计算公式更准确的结果。
总之,低位发热量计算公式提供了一种估算燃料能量释放情况的方法,但考虑到燃料的复杂性,实际情况可能还需要结合其他因素进行综合分析。
天然气高位发热量和低位发热量计算说明1、计算混合物中第j种组分的“体积分数/压缩因子(V j /C j)”,“压缩因子”的物理意义为实际气体体积分数与理想气体体积分数的差别,“体积分数/压缩因子(V j /C j)”就相当于把实际气体体积分数折算成理想气体体积分数。
2、计算混合物中第j种组分的“摩尔分数X j”。
101j j j j j jV CX V C ==∑3、 计算1 mol 混合物中第j 种组分的高位发热量。
HS j ×X j4、 计算1 mol 混合物的高位发热量。
101()jj j HSX =⨯∑5、 计算在P 压力、T 温度下的高位体积发热量,计算公式:101()8.31451j j j PHS HS X T ==⨯⨯⨯∑ MJ/m 3式中:为天然气混合物的气体常数R 。
6、 计算在P 压力、T 温度下的低位体积发热量,与高位体积发热量相似,从步骤1到步骤5,只不过把步骤3、4、5中的高位发热量换成低位发热量。
性能计算中用到的是天然气的低位发热量,燃烧室的能量平衡关系公式为:GM air ?h 2+GM fuel ?Q l ?ηcb =(GM air +GM fuel )?h 3式中:GM air — 燃烧室的空气摩尔流量 h 2 — 压气机出口空气焓 GM fuel —燃烧室的燃料摩尔流量 Q l — 燃料的低位发热量 ηcb — 燃烧室的燃烧效率 h 3 —燃气透平进口燃气焓上式中燃料的低位发热量Q l 单位为MJ/kMol ,所以3122.4/36.37/22.4/814.688/Q HI L Mol MJ m L Mol MJ kMol =⨯=⨯=,其中Mol 为天然气在标准状态下的摩尔体积。
由于Q 1单位为MJ/kMol ,所以在计算天然气的低位发热量时,统一使用标准状态下的压力P 和温度T 计算HI ,其目的是能够使用标准状态下天然气的摩尔体积Mol 。
天然气高位发热量和低位发热量计算说明Revised as of 23 November 2020天然气高位发热量和低位发热量计算说明1、计算混合物中第j种组分的“体积分数/压缩因子(V j /C j)”,“压缩因子”的物理意义为实际气体体积分数与理想气体体积分数的差别,“体积分数/压缩因子(V j /C j)”就相当于把实际气体体积分数折算成理想气体体积分数。
2、计算混合物中第j种组分的“摩尔分数X j”。
3、计算1 mol混合物中第j种组分的高位发热量。
HS j ×X j4、 计算1 mol 混合物的高位发热量。
5、计算在P 压力、T 温度下的高位体积发热量,计算公式:101()8.31451j j j PHS HS X T ==⨯⨯⨯∑ MJ/m 3式中:为天然气混合物的气体常数R 。
6、 计算在P 压力、T 温度下的低位体积发热量,与高位体积发热量相似,从步骤1到步骤5,只不过把步骤3、4、5中的高位发热量换成低位发热量。
性能计算中用到的是天然气的低位发热量,燃烧室的能量平衡关系公式为:GM air h 2+GM fuel Q l ηcb =(GM air +GM fuel )h 3式中:GM air— 燃烧室的空气摩尔流量 h 2 — 压气机出口空气焓 GM fuel— 燃烧室的燃料摩尔流量 Q l — 燃料的低位发热量 ηcb — 燃烧室的燃烧效率 h 3—燃气透平进口燃气焓上式中燃料的低位发热量Q l 单位为MJ/kMol ,所以3122.4/36.37/22.4/814.688/Q HI L Mol MJ m L Mol MJ kMol =⨯=⨯=,其中Mol 为天然气在标准状态下的摩尔体积。
由于Q 1单位为MJ/kMol ,所以在计算天然气的低位发热量时,统一使用标准状态下的压力P 和温度T 计算HI ,其目的是能够使用标准状态下天然气的摩尔体积Mol 。
低位热值计算公式低位热值是指单位质量燃料完全燃烧并释放出的热量,通常以MJ/kg (兆焦/千克)或kcal/kg(千卡/千克)为单位。
低位热值是衡量燃料燃烧能力的重要指标,也是煤炭、石油和天然气等能源的重要技术参数之一低位热值的计算公式基于燃料的元素成分,其中碳(C)和氢(H)是燃料的主要元素,氧(O)和硫(S)是燃料中次要的元素。
低位热值计算公式根据这些元素的摩尔比例关系来推导。
一般而言,低位热值=(碳的摩尔分数x碳的热值+氢的摩尔分数x氢的热值-氧的摩尔分数x氧的热值-硫的摩尔分数x硫的热值)/燃料的摩尔质量其中,燃料的摩尔质量可以通过其组成元素的摩尔质量之和来计算,即:燃料的摩尔质量=碳的摩尔分数x碳的摩尔质量+氢的摩尔分数x氢的摩尔质量+氧的摩尔分数x氧的摩尔质量+硫的摩尔分数x硫的摩尔质量具体地,碳的摩尔质量为12.01g/mol,氢的摩尔质量为 1.008g/mol,氧的摩尔质量为16.00g/mol,硫的摩尔质量为32.07g/mol。
对于煤炭这样的复杂混合物,其元素含量和比例是不确定的,因此需要进行煤质分析来确定具体的元素组成。
煤质分析通常包括对煤样进行干基元素分析和湿基元素分析,以获取精确的元素含量数据。
煤质分析可以通过不同的方法来进行,包括传统的干燥基和湿燥基分析方法,以及近期发展起来的高温氧化热解分析方法。
无论采用何种方法,分析实验通常都包括测定煤质样品中的碳、氢、氧和硫的含量。
一旦煤样的元素含量数据得到确定,就可以根据上述公式计算出低位热值。
仅以煤炭为例,可以用下列公式计算煤炭的低位热值(以MJ/kg为单位):低位热值=7.94xC%+34.77x(H%-O%)+1.30xS%-4.84xO%-0.78xN%其中,C%表示煤中的碳含量,H%表示煤中的氢含量,O%表示煤中的氧含量,S%表示煤中的硫含量,N%表示煤中的氮含量。
需要注意的是,以上述公式计算得到的低位热值仅仅是一种估算值,实际的燃烧过程可能会因煤样中的杂质、灰渣等因素而发生变化。
根据柴油的高位发热量和低位发热量计算
说明
根据柴油的高位发热量和低位发热量可以计算出柴油的燃烧效率。
高位发热量和低位发热量都是用来表示柴油燃烧产生的热能的指标。
高位发热量(HHV)是指在完全燃烧柴油时,产生的热能,也就是柴油完全燃烧的最大热能输出。
高位发热量一般以单位质量的柴油所释放的热能来表示,单位为千焦尔/千克(kJ/kg)。
低位发热量(LHV)是指在完全燃烧柴油时,产生的热能减去水蒸气的反应潜热。
由于柴油的燃烧反应中生成了水蒸气,水蒸气的反应潜热会使燃烧产生的热能降低。
低位发热量一般是指单位质量柴油所释放的除去水蒸气反应潜热后的热能,单位也为千焦尔/千克(kJ/kg)。
通过计算高位发热量和低位发热量的比例,可以得到柴油的燃烧效率。
燃烧效率是指柴油燃烧过程中热能的利用率,也就是产生
的热能与输入的热能之间的比值。
燃烧效率一般用百分比表示,计算公式为:
燃烧效率 = (高位发热量 - 低位发热量)/ 高位发热量 * 100%
通过上述计算,可以得到柴油的燃烧效率,从而评估柴油的质量和燃烧性能。
以上是关于根据柴油的高位发热量和低位发热量计算说明的内容。
计算煤低位发热量新公式煤是一种重要的燃料资源,其能源含量主要通过煤的低位发热量来衡量。
低位发热量指的是单位质量的煤在完全燃烧时释放的热量。
根据国际通用的计算公式,煤的低位发热量可以通过煤的元素含量来计算。
在计算煤的低位发热量时,需要知道煤的元素含量,主要包括碳、氢、氧、氮、硫等。
其中,元素的质量比例决定了煤的低位发热量。
以下是计算煤低位发热量的新公式:\[Q_{\text{ar}} = 337C + 1442(H - \frac{O}{8}) +\frac{93.7}{2}(S - \frac{O}{8}) + 50N - 15(\text{Moisture} +\frac{O}{8})\]其中,\(Q_{\text{ar}}\)表示煤的低位发热量(单位:大卡/克),C、H、O、N、S分别表示煤中的碳、氢、氧、氮、硫的质量比例(单位:百分比),Moisture表示煤中的水分含量(单位:百分比)。
这个新公式是根据国内外煤化学研究的最新成果和实测数据综合而得。
相比于传统公式,该新公式在考虑了水分的影响和研究更加细致的元素质量比例时,计算结果更加准确。
值得注意的是,该公式中的质量比例需要根据实测数据来确定。
可以通过煤化验实验室或相关煤质分析仪器来测定煤中各元素的含量。
此外,煤低位发热量还受到矿物质组成、煤的燃烧过程以及煤的结构等因素的影响。
因此,在实际应用中,还需要根据具体情况和实验数据进行修正和校正。
总之,煤的低位发热量是计算煤燃烧所释放热能的重要参数。
通过该新公式,可以更准确地计算煤的低位发热量,为煤的利用和应用提供基础数据。
低位发热量计算公式(一)低位发热量计算公式1. 什么是低位发热量低位发热量(Lower Heating Value,LHV),也称为净热值(Net Calorific Value,NCV),是指在燃烧过程中,燃料所释放出的热量减去烟气中水蒸气的凝结热量后剩余的热量。
低位发热量是在工程领域和能源计量中常用的一个重要参数。
2. 低位发热量计算公式低位发热量计算公式根据燃料的组成和热值参数来计算。
以下是几种常见的低位发热量计算公式:1.对于固体燃料:低位发热量 = 高位发热量 - 反应热损失反应热损失一般包括燃气蒸发热损失和水的凝结热损失。
例子:如果一个固体燃料的高位发热量为6000大卡/千克,反应热损失为500大卡/千克,则低位发热量为5500大卡/千克。
2.对于液体燃料:低位发热量 = 高位发热量 - 燃料的蒸汽损失热量例子:如果一个液体燃料的高位发热量为10000大卡/千克,蒸汽损失热量为1000大卡/千克,则低位发热量为9000大卡/千克。
3.对于气体燃料:低位发热量 = 高位发热量 - 燃料的水分损失热量 - 燃料的可燃气体损失热量水分损失热量和可燃气体损失热量是气体燃料特有的损失热量。
例子:如果一个气体燃料的高位发热量为8000大卡/立方米,水分损失热量为500大卡/立方米,可燃气体损失热量为200大卡/立方米,则低位发热量为7300大卡/立方米。
需要注意的是,不同的燃料类型有不同的计算公式,在实际应用中需根据燃料的特性选择相应的低位发热量计算公式。
3. 总结低位发热量是燃料燃烧释放出的热量减去烟气中水蒸气的凝结热量后剩余的热量。
根据燃料的类型,可以选择相应的计算公式来计算低位发热量。
固体燃料、液体燃料和气体燃料的计算公式有所不同,需要根据实际情况选择使用。
煤炭发热量的计算公式煤炭发热量的计算公式以煤工业分析结果,创立计算煤炭低位发热量新公式的原理与方法,不再详述。
仅就实际应用的计算公式介绍如下:1.计算烟煤低位发热量新公式以焦耳表示的计算方式:Qnet.ad=35859.9-73.7Vad-395.7Aad-702.0Mad+173.6CRC 焦/克或用卡制表示的计算式:Qnet.ad=8575.63-17.63Vad-94.64Aad-167.89Mad+41.52CRC 卡/克Qnet.ad——分析基低位发热量;Vad——分析基挥发分(%);Aad——分析基灰分(%);Mad——分析基水分(%);CRC——焦渣特征。
2.计算无烟煤低位发热量新公式以焦耳表示的计算方式:Qnet.ad=34813.7-24.7V ad-382.2Aad-563.0Mad焦/克或者以卡制表示的计算式:Qnet.ad=8325.46-5.92V ad-91.41Aad-134.63Mad卡/克如果有条件能测定H值,或者从固定用煤矿区取得矿区以往H值的平均值,用下式计算的无烟煤低位发热量结果精度更高。
以焦耳表示的计算式:Qnet.ad=32346.8-161.5Vad-345.8Aad-360.3Mad+1042.3Had焦/克或者用卡制表示的计算式:Qnet.ad=7735.52-38.63Vad-82.70Aad-86.16Mad+249.27Had卡/克3.计算褐煤低位发热量新公式以焦耳表示的计算式:Qnet.ad=31732.9-70.5V ad-321.6Aad-388.4Mad焦/克或者用卡制表示的计算式:Qnet.ad=7588.69-16.85Vad-76.91Aad-92.88Mad 卡/克4.在水泥生产使用中,计算标准煤耗时,按上述公式计算的分析基低位发热量(Qnet.ad)用下式换算成应用煤低位发热量(Qnet.ar)后,再计算标准煤耗。
应用煤低位发热量计算公式100-Mad100-MarQnet.ar=Qnet.ad×──────-23(Mar-Mad×─────)焦/克100-Mad100-Mad原文链接:/read-htm-tid-1483.html。