应急灯电路图
- 格式:pdf
- 大小:1.63 MB
- 文档页数:21
消防应急照明布线分享
图1为简化版接线配图,图中的FU为熔断器(有的也是有1匹空开的),应急灯的接线一定是同一相位接一盏灯的接法。
如图2中的排序,第一组第一个1匹空开接A相的话旁边的1匹空开必须接T1(T1T2T3为接触器的出线端)依次两个空开为一组接线即可,每组空开的负载接入同一应急照明的电源。
强行点亮是需要通过强启接触器来点亮应急灯的,接触器的控制电源通过消防主机来联控,接触器上端进线L1L2L3需按ABC顺序接入,这样T1T2T3的接线才可以实现与ABC同相位。
新国标消防应急灯参考电路原理图-HN1203一、概述自主设计的 ASIC 芯片,主要应用于消防应急与疏散指示照明产品上,符合国标GB17945-2019。
具有应急转换,12 小时定时充电,模拟断电,30 天、360 天定时放电,信号加注模拟测试,故障指示、故障报警、电池开路、短路检测,负载光源开路、短路检测,瞬间跳闸延时计时充电等功能。
单芯片结构,外围电路简单,无须编程,内置晶振,外部无复位电路,泄放电流低,一个功能按键 K1 等特点。
芯片可应用于应急灯、标志灯、吸顶灯、地埋灯、应急日光灯等应急类 LED 光源照明产品上,以及使用镍隔电池的充电产品中。
二、功能描述:1、应急转换功能:在交流电瞬间断电或交流电压低于 187V 时,系统自动转入电池供电状态;2、12 小时定时充电功能:在交流电上电后,系统正常状态下,进入对电池充电,主充时间为 12 小时,12 小时过后自动转入辅充(涓流)状态,充电指示红色 LED 指示灯3、故障指示功能:当系统出现故障时,黄色 LED 指示灯发光,蜂鸣器发出报警声,表示有故障,在不同工作状态下的故障指示如下:灯具正常充电工作状态时故障指示:由亮变灭;A、灯源短路(任一负载光源短路):黄色 LED 指示灯以 2Hz 频率频率闪烁,蜂鸣器响两声(后续每分钟内向两声),故障排除后回到正常主电工作状态;B、灯源开路(任一负载光源开路):黄色 LED 指示灯以 2Hz 频率频率闪烁,蜂鸣器响两声(后续每分钟内鸣响两声),故障排除后回到正常主电工作状态;C、电池短路:黄色 LED 指示灯以 1Hz 频率频率闪烁,蜂鸣器响两声(后续每分钟内鸣响两声),故障排除后回到正常主电工作状态;D、电池开路:黄色 LED 指示灯以1Hz 频率频率闪烁,蜂鸣器响两声(后续每分钟内鸣响两声),故障排除后回到正常主电工作状态。
灯具在月检/年检时(包括手动、自动和快测的月检/年检)的故障指示:A、灯源短路(任一负载光源短路):退出月检/年检,黄色 LED 指示灯以 2Hz 频率闪烁,蜂鸣器响两声(后续每分钟内响两声),故障排除后回到正常主电工作状态。
自动应急灯本例介绍的自动应急灯,在白天或夜晚有灯光时不工作,当夜晚关灯后或停电时能自动点亮,延时一段时间后能自动熄灭。
一、电路工作原理电路原理如下图所示。
图自动应急灯电路图该自动应急灯电路由光控灯电路、电子开关电路和延时照明电路组成。
在白天或晚上有灯光时,光敏二极管VLS 受光照射而呈低阻状态,VT 截止,IC 内部的电子开关因⑤脚电压为0V而处于断开状态,EL 不亮。
此时整机的耗电极低。
当夜晚光线由强逐渐变弱时,VLS的内阻也开始缓慢的增大,VT 由截止转入导通状态,R2 上的电压也逐渐增大,但由于C1的隔直流作用,此缓慢变化的电压仍不能使IC 的⑤脚电压高于1.6V,故EL 仍不会点亮。
若晚上关灯或停电时,光线突然变得很弱,则VLS 呈高阻状态,VT 迅速饱和导通,在R2 上产生较大的电压降。
由于C1 上电压不能突变,故在IC 的⑤脚上产生一个大于1.6V的触发电压,使IC 内部的电子开关接通,EL 通电点亮。
与此同时,+4.8V 电压通过R3、VD1和IC 对C2 充电,以保证即使VT 截止,IC 的⑤脚仍会有1.6V 以上的电压,IC 内部的电子开关仍维持接通状态,EL 仍维持点亮。
随着C2 的充电,IC 的⑤脚电压逐渐降低,当该电压低于1.6V 时,IC 内部的电子开关关断,EL 熄灭,C2 通过R5、EL、R4 和VD2 放电,为下次工作做准备。
若将S 接通,该应急灯可用于停电时的连续照明。
二、元器件选择及调试IC 选用TWH8778 型电子开关集成电路,VT 选用9015 或8550 型硅PNP 晶体管;VLS选用2DU 系列的光敏二极管;VD1 和VD2 均选用IN4007 或IN4148 型整流二极管。
C1 和C2 选用耐压10V 以上铝电解电容,R1~R4 选用普通1/8 或1/4W 金属膜电阻器,R5 选用1W的金属膜电阻器,EL 选用3.8V、0.3A 的手电筒用小电珠,S 选用小型拨动式开关,GB 用电池供电。
LAT型消防应急照明灯的电路原理与故障维修分析本文介绍的LAT型消防应急照明灯安装在一般工业与民用建筑中,以便停电时,为人员的疏散或消防作业提供应急性的照明,同时该灯具还具有"自检"和"自保"功能,是一款全自动型消防应急照明灯具。
灯具的外形如图1所示。
内部电路如图2所示。
图1 灯具的外形图图2 内部电路图一、电路工作原理分析1.正常状态的自动充电电路市电AC220V经C4、R16降压,由D1~D4整流、C2滤波,形成5.5-5.9V直流充电电压(与电池电压高低有关系),经R13限流、D8隔离,加到镍镉电池组正极,进行自动充电。
在充电时,由于R6和R3分压为Q2的b极提供偏压偏低,Q2截止,此时红色充电指示灯LED3经Rl0可获得1.79V电压而发光,表示电池处于充电状态。
当电池充满时(实测约为4,37V),Q2的b极偏压增高并使Q2导通,c极电压降低,LED3熄灭,表示充满电后自动转入涓流浮充状态。
2.应急状态的自动放电电路在充电过程中,充电电压经R15加到D6正极,在D6和D7的负极形成4.53V电压,该电压将D7封锁住,使D7无法导通,导致Q4的b极无偏置,使Q4截止。
正在充电时,即充电灯亮时,Q4的c极电压为一0.1V;当电池充满时,即充电灯灭时,电压变为0.03V,Q5都因b极偏压太低而截止,此时c极为高电位,电压在4.27~5.91V之间变化,所以在充电的全过程中,Lal、La2聚光灯不会亮。
当突然停电时,充电电压立刻消失,但在充电过程中,充电电压经R15、R1、D5向Cl充电,并在Q3的b极形成的0.73V电压不会立刻消失。
另一方面,当充电电压消失后,封锁在D7负极上的4.53V电压也随之消失,即D6对D7的封锁被解除,电池电压立刻经。
应急灯电路的制作
这里介绍一个简单、实用的应急灯的制作。
它可以在停电时自动实现切换供电。
正常供电时,自动对后备蓄电池充电,并有充电保护功能。
其电路见图1。
下面介绍其工作原理。
在供电正常时,J2得电吸合,其动触点与“N/O(常开点)”接通,后备蓄电池正端与IC1的反相端相联。
IC1(LM308)和D5、D6组成电压比较器,参考电压由D5、D6决定。
这里用一个硅二极管(D5)和一个6.2V的稳压二极管(D6)组成6.9V的参考电压,对充电压电压进行监控。
当IC1的2脚输入电压(既蓄电池电压)低于6.9V时,IC1的6脚输出高电平,T1导通,J1得电,其动触点与“N/O(常开点)”接通,电源电压通过R2对蓄电池充电,同时LED2点亮为充电指示。
改变R2阻值可调整充电电流。
随着充电时间增加,IC1的2脚电压逐渐增加,当电压大于参考电压6.9V时,IC1的6脚输出低电平,T1截止,J1失电,断开充电回路,实现自动充电保护功能。
当停电时,J2失去电源,其动触点与“N/C(常闭点)”接通,蓄电池通过。
消防应急灯电路图
1.电池充电电路外电源经Q2, Q6, R8, D10对电池进行恒流充电。
当有外电源供电时,充电电流经R8, D10向电池充电,且使充电指示灯D12点亮。
图:消防应急灯电路图
2.灯控制电路由Q3,仍、Q5、Q7和键K, G构成,在无市电时,按一下K(开)键,Q5饱和导通,Q5的集电极电流通过R12使Q7维持导通;D11反向击穿工作在稳压状态,Q5的集电极电压给Q3, Q4提供偏置使其导通,点亮L1、L2。
当按一下G(关)键时,Q7截止,撤除了Q5导通条件,灯关闭。
当有市电供电时,外电源经D9使D7反向截止,Q5无法导通,键K和G都不能控制灯Ll, L2的开和关。
停电后二极管D7负极电位变为零,使其瞬间正向导通,Q5饱和导通,构成点灯电路条件,L1、L2点亮。
来一电后D7负极电位变高又反向截止,Q5截止,灯灭(起到自动控制的作用)。
点灯控制电路中D7、Q7通过R6工作在临界状态,开关键K,G只起到触发作用。
3.试验电路当按住试验按键S不放时,Ql截止,D7负极电位变低而正偏导通,使Q5导通满足点灯条件,使
L1、L2点亮。
松开S键灯随即熄灭。
试验电路的作用是测试点灯电路是否芷常。
4.电源电路220V交流经变压器(未画出)变压,整流滤波,由Ql集电极输出4.6V的直流电压。
主要提供给充电电路给电池充电。
并经R9使D14发光指示。
5.k障显示电路由D13, Q8, R17和D11组成故障指示电路,如果外电源电压过高使Q8导通,D13点亮压故障。
12v 自动应急照明电源电路
1.系统功能
该12v 自动应急照明电源系统主要适用于:1)在AC220V 交流市电突然断
电时,能够迅速的自动开启系统中所配置的LED 照明灯,向该灯所在的周围环境提供相应亮度的照明。
2)系统配备了光控自动开、关灯辅助功能控制电路。
也即可以在黑暗的环境中自动开启LED 照明灯;在天明的时候自动关闭LED 照明灯。
3)系统提供了手动开、关灯控制功能。
在需要的任何时候可以进行手动开、关灯操作。
4)系统自带储能蓄电池及蓄电池自动控制充电功能电路,能时刻保持蓄电池在任何情况下具有充足的电量待用.以供随时点亮系统自带的LED 应急灯。
2 系统构成
12vLED 应急照明灯系统电路如图1 所示。
整机主控电路包含如下部分:
虚线框图I 为电源供给电路及LED2 电源指示灯电路部分。
虚线框图Ⅱ为蓄
电池充电及防止过充电控制电路与储能蓄电池(本文制作中实际使用的是
7A·h/12V 免维护铅酸蓄电池)构成。
虚线框图Ⅲ为AC220v 交流市电电源断
电自动检测、控制、驱动及开启LED 照明灯电路。
虚线框图Ⅳ为光控自动。
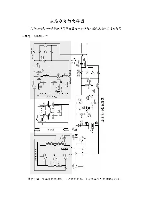
应急台灯的电路图本文介绍的是一种比较简单的带有蓄电池在停电后还能点亮的应急台灯的电路图。
电路图如下:简单介绍一下各部分的功能,只是简单介绍。
这个电路图可分为四个部分,第一个部分也就是右上角灰色区域的部分,这是一个标准的220伏交流电子镇流器,这部分工作原理不详细叙述。
第二部分就是左上角是一个6伏直流电子镇流器,这是个自激震荡电路,原理也不详细叙述。
第三部分是有5伏继电器组成的在低压和高压继电器之间切换的电路。
第四部分就是蓄电池的充电电路。
下面介绍镇流器切换的过程,当台灯插在交流电源上时,不按着照明开关时,220伏通过电容C5,桥D6~D9,D12,给蓄电池充电,并让继电器J1吸合,继电器吸合后就将荧光灯管接到220伏电子镇流器上,这时按下照明开关就会点亮荧光灯。
这时如果按下应急开关则6伏电子镇流器不会工作,因为Q6的基极由于接有D13(D13两端电压差太低,无法击穿)而无法导通,Q4和Q5的基极无法得到偏置电压,从而不会工作。
当没有220伏交流电压时,J1得不到供电,继电器脱开,将6伏电子镇流器接到荧光灯上,这时由于D13的右端没有直流电压,而且通过R9,R10接到蓄电池的负端,从而D13能被击穿,Q6的基极能得到应有的偏置电压,进而能工作点亮荧光灯。
整个充电电路的电流,也就流过J1和R10的电流约等于I=U/Z,Z=1/2fπC,I=220/1447mA=152mA,U R10=0.152X(68//Rj)=0.15X40=6v,所以C6两端的电压大概14V左右。
Q3于外围的R11,R12,D10,D11,LED1,LED2组成蓄电池充电控制及指示电路,Q3,D10,R11组成蓄电池限压电路,蓄电池的电压最高不会超过7.5伏。
R11,R12,LED1组成交流指示电路。
D11,LED2,R11组成蓄电池充满指示电路。
分析过程比较简单可能有些许错误,水平有限望见谅。
应急灯电路的设计
班级:XXX 学号:123456 姓名:XXX
一、电路分析:
本电路的功能是:当电网有电的时候,变压器T1的次级输出电压为12V,通过整流、滤波,自举电路给蓄电池进行充电。
充电完毕后,合上开关K,555芯片产生50Hz方波信号。
方波信号加到继电器上,在T2初级线圈产生交变电流,次级就有220V感应交变电压,使灯泡点亮。
二、电路创建:
1.创建项目文件.
1.原理图的设计:如下图1所示。
①放置元件;
②元件布局;
③元件连线;
④生成网络表。
图1 应急照明灯原理图
2.设计PCB版图:如下图2所示.
①设置PCB参数:
选择结构模板
设置环境参数
工作界面设置;
②规划电路板;
③导入网络表和元件;
④元件布局;
⑤自动布线;
⑥PCB板后处理:
手动调整导线
手动添加导线
完善PCB板。
图2 PCB版图3.显示3D效果图:如下图3所示。
图3 3D效果图
三、设计方案总结
本实验利用原理图设计,PCB版图设计及3D效果图同步进行的方法,介绍了应急照明灯的设计过程。
在整个实验的制作完成期间,我对设计PCB版图以及生成3D效果图的过程,有了更好地掌握。
为了制作一份完整的protel,不仅需要熟练操作步骤,更对操作者的耐心有了要求。
无论是对添加元件修改属性参数的原理图设计,还是对PCB版图设计的后处理,都需要细心认真的态度。
虽然在其中遇到过各种各样的问题,但通过请教同学,查阅书籍,最终完成了这次报告,
这让我对自己更加的有自信,去迎接以后的挑战。
消防应急灯接线实物图接线方式各应急灯具宜设置专用线路,中途不设置开关。
二线制和三线制型应急灯具可统一在专用电源上。
各专用电源的设置应和相应的防火规范结合。
应急电源与灯具分开旋转的,其电气连接应采用耐高温电线,以满足防火要求。
二线制两线线路的连接方法也是很简单的,而且这种连接方法,主要还是使用常用性的接法。
平时针对应急灯灯具的开关位置,也需要注意合理性的控制。
当存在着断网以及断电的情况下,消防应急灯就会自动启动工作状态,是比较合适的一种连接线的方式。
三线制的连接方式,针对各种不同的连接方式,以及不同的连接特点,都能够很好的避免掉,起到很好的应急作用。
对于各种不同的建筑物体,如果不能够充分的掌握好消防控制中心的话,各种不同位置的应急照明灯具,也可以适当的添加开关控制,或者是添加配电箱三线式的连接方式,就能够放应急灯的工作变得更加灵敏。
下图中1、2号接线桩接外部的充电电池,1接电池正极,2接电池负极。
3号桩接从墙壁控制开关出来的火线,(注意是经过开关控制、能开能关才行),4号桩接零线。
没有外接电池的话,停电时,灯是不会自动亮的。
安装应急灯的安全规范一:在日常监督检查中发现,由于接线方式错误导致应急照明灯具不能正常使用的情况很普遍。
各应急灯具直设置专用线路,中途不设置开关。
二线制和三线制型应急灯具可统-在专用电源上。
各专用电源的设置应和相应的防火规范结合。
应急电源与灯具分开旋转的,其电气连接应采用耐高温电线,以满足防火要求。
二:-般安装于疏散通道大门出[的门框上方,走廊、安全出口走道的墙壁上,距离地面约2米以上的高度;大型的电子市场、购物中心等场所,双头应急灯有直接壁挂安装于立柱上面的。
三:在火灾状态下,靠近地面的烟少、氧气多,人疏散的本能反应是弯腰或匍匐前进,因而局部高照度照明比高位安装带来的均匀照度更为有效。
所以应提倡低位安装,即在靠近地面或在地面高度上提供疏散应急照明。
11.自制简易应急灯夜晚突然停电会给你的生活带来不便。
本文的应急灯电路简单、成本低廉,只要市电一停应急灯自动点亮,给你的生活带来方便。
工作原理:电路如图所示,220V市电经变压器T降压、VD1整流后,在电容器C1 上得到大约9V的直流电压。
此电压一路经VD2对蓄电池充电,一路经电阻R2为V1提供基极偏压,使V1饱和导通,V2截止,灯泡H不亮。
当市电突然停电后,C1两端的电压消失,由于VD2的隔离作用,使R2上无电流流过,V1截止,此时蓄电池的正极经R3为V2提供基极电流使其导通,灯泡H点亮。
R1、LED组成电源指示电路。
制作与调试:所有元件无特殊要求,变压器可用3~5W的小型变压器。
V1用3DG130、β值大于50。
V2用3DD15 β值大于30。
H 可选用3V的小灯泡。
本电路调试简单,只要焊接无误,开机即可工作。
60.电子保健小夜灯心理医学研究表明,长时间处在黑暗之中,人的心情就会变得忧郁,人体内分泌的调节就会受到影响。
因此,在入睡环境中适当地增加一点光线有益于人体健康。
为此,在这里介绍一款电子保健小夜灯。
该灯的内部接线如下图所示。
电容C将220V市电降压,经二极管D1-D4整流后供给发光二极管D5-D9发光。
发光二极管应采用发绿色光的,因为绿色能让人安静、放松。
电子保健小夜灯光线柔和,能产生类似月光的照明效果,创造出朦胧温馨的光照环境,有助于使人平心静气,安然入睡。
炎夏之夜,该小夜灯还能给人以清静、凉爽的视觉感受。
由于采用半导体发光元件,该灯功率只有0.3瓦,非常省电,并且经久耐用。
65.实用的晶振测试电路笔者利用简单几个元件制作一个可测量10kHz-100MHz晶振的测试电路(电路如图),BG1和所接阻容元件构成多频振荡器,经C3、D1、D2进行检波后可在LED上得到下正上负的电压,驱动LED发光。
若晶振已坏,LED不亮。
可将此小电路安装在维修用的电源上,留两个插测晶振元件的小孔。
制作中应注意:晶振的两条引出线不能相距过近,否则振荡幅度大大减小导致发光管不亮。
6V应急灯制作应急灯电路本文介绍的应急灯,采用6V蓄电池作电源,点亮双U节能灯管,功率只有5W,制作简单、耗电省,可作为停电时家庭应急使用。
工作原理图1是电路原理图。
220V市电经变压器T1降压后,次级输出6V 的交流电,经过二极管VD2~VD5桥式整流后,向蓄电池充电,充电电流约200mA,随着充电的进行,蓄电池的电压不断上升,充电电流将随之减少,直到充满为止。
当打开开关S之后,蓄电池的电压加到集成电路IC等元件上,IC是时基电路,它和外围元件构成矩形波振荡电路,产生约25kHz的矩形波信号、由IC的③ 脚输出。
经电阻R4限流后加到三极管VT的基极上,使三极管交替导通和截止。
这样,通过升压变压器T2上的线圈L1中的电流时通时断,并在线圈L2上感应出高压去点燃节能灯管。
电容C3用于加快灯管的点燃。
元件选择变压器T1选用3W,单6V的小型变压器,集成电路IC用NE555。
三极管VT用MJE13005,β=30。
升压变压器T2用EE25的铁氧化磁芯,初级用0.64mm的漆包线在骨架上绕15匝,次级用0.21mm漆包线绕160匝制成,灯管L用5W 双U节能灯管。
开关S用2×2的小型拨动开关。
蓄电池GB用6V 4AH 的。
VD1用Φ3的红色发光管。
制作和调试按图2制成线路板,并为三极管制作一个铝散热片。
检查焊接元件无误后将变压器T1、线路板和灯管用导线连接起来,先关闭开关S,接上220V的电源,发光管VD1应能发光,用万用表测充电电流应在200mA左右。
打开开关S,灯管应能正常发光。
如不发光,应检查振荡电路工作是否正常,变压器T2 上的线圈接头是否焊接良好。
如能发光,但光线暗,应测T2中线圈L1 的电流是否在700mA左右,如出入太大,可调整电阻R3。
同时,还可以检查灯管是否良好,三极管β值选择是否正确,直到正常发光,并且三极管散热片不烫手。
最后,将变压器、线路板和蓄电池装入塑料外壳中,把灯管装在塑料壳的上方。
6V应急灯电路图集应急灯电路图消防应急灯广泛用于公共场所的走廊、消防通道内。
现在各厂矿企业、大型超市、医院学校等都安装了这种应急灯。
市场上众多的消防应急灯具是由消防公安及安监部门监制的产品.品种繁多,但功能基本一致。
当市电停电时,消防应急灯自动点亮,来电时自动熄灭。
消防应急灯作为一种备用照明设备,在灯具内装有停电时提供电源的蓄电池G(或称电瓶)。
由于应急灯长时间与市电并联在一起工作,所以容易出现故障。
因属于专用产品.大多数都不提供电路图,为便于维修,笔者剖析了四款应急灯,画出了电路图见图1~图4所示,供参考。
图1所示的应急灯,是一款最简单的应急灯。
当有市电时.通过变压器B降压、整流、滤波.此时6V的直流继电吸合,常开触点闭合,使整流后的直流电通过R1降压向电瓶充电,LED作电源指示灯。
当市电停电时,6V的继电器失电.常开点断开,接通常闭点,应急灯泡ZD接到电瓶端.得电发光起到应急照明作用。
市电恢复时.回复到上述过程。
常见故障:(1)电瓶长期充电,电液干枯,过早损坏。
(2)变压器长期通电过热烧坏。
(3)最常见的是继电器线圈长期通电烧坏或其接点烧蚀。
这种灯较简易价格低.然而故障也出现得多。
图2、图3是较图1有所改进的电路,用晶体管作为无触点开关。
有市电时通过变压器降压整流滤波后的电压,一路给D2对电瓶充电,另一路给电阻R2为Q1提供基极偏压,使Q1饱和导通,Q2(或Q3)截止.灯泡ZD1、ZD2不亮,当停电时,C1端的电压消失,由于图2中D2(或图3中D3)的隔离作用,使Q1截止,此时电瓶经R3向Q2提供基极电流使其导通.灯泡ZD1、ZD2点亮。
来电时恢复上述过程.发光管LED作电源指示作用。
常见故障:由于电瓶长期充电。
又无充满保护电路.故最容易坏,其次是变压器,再就是驱动三极管Q2(或Q3),如果灯泡长期被点亮。
管于发热,也容易损坏。
一般更换这几个元件便能正常工作。
图4所示的电路是一款比较正规的产品.当市电正常供电时。
消防应急疏散标志灯电路原理及维修辽宁凌丽消防应急疏散标志灯上标有“安全出口”和“ EXIT ”字样,还有人形跑动和箭头指示图案。
一旦发生火灾,导致突然断电将使照明系统瘫痪,然而此刻标志灯却是亮的,建筑物内人员可按标志灯的指引找到安全出口.迅速逃离现场,以免造成重大人员伤亡事故。
本文以LAT-380 型标志灯为例,介绍其电路工作原理及测试与维修方法,供参考。
一、电路工作原理1 .标志灯正常状态显示及后备电池充电电路正常状态显示及充电电路如图 1 所示。
220V 交流电源L 线经C1 降压、D1-D4 整流,再经R3 、C2 、ZD1 平滑、限压形成比较稳定的14 .5V 直流电压。
一路经R5 、D5 给标志灯背光管( 高亮度绿色LED1 、LED2 、IJED3 、LED4 四管串联) 供电发光显示。
同时该电压又经R7 加到IC1 ⑥脚和⑦脚。
另一路直接加到V1 发射极,又经R5 、R6 加到V1 基极。
第三路经R4 限流并降压为7 .04V 。
该电压在电路板上代号为“ A ”,A 电压从主板上经导线加到副板上,在副板上 A 电压经R10 、LED5( 红色) 、LED6( 绿色) 变为“ B ”电压,充电时LED5 及LED6 亮。
在 A 、B 电压之间并联试验开关SW1 和电阻R11 。
B 电压又经导线从副板回到主板,给后备电池BAT1 进行充电。
B 电压将随着BAT1 电压的变化而变化。
2 .由正常状态到应急状态自动转换电路自动转换及应急状态工作电路如图 2 所示。
由V1 和R7 组成了自动转换电路。
正常状态V1 饱和导通.集电极输出14 .20V ,使IC1 ⑤脚为高电平。
禁止IC1 输出,也就是在正常状态只允许对BAT1 充电,而不允许BAT1 放电。
当电网断电时.V1 集电极电压迅速降为0 .04V 。
对IC1 解禁,允许IC1 输出。
正常状态12 .87V 工作电压经R7 降为6 .10V 加到IC1 ⑥脚,作为IC1 工作电压,使IC1 内部振荡器起振。
应急照明接线原理
应急照明接线原理是指在紧急情况下,通过一些特殊的电路设计,将电源切换到备用电源上,以提供照明功能。
这种设计常见于一些需要24小时不间断照明的场所,例如商场、办公楼等。
下面是一种常见的应急照明接线原理示意图:
在平常情况下,照明电路的电源来源于市电,通过开关控制灯具的开关状态。
当市电正常供电时,灯具就可以正常工作。
然而,一旦市电供电中断,应急照明系统会自动切换到备用电源上。
备用电源通常采用蓄电池或柴油发电机等,可以在市电中断后立即为照明电路提供电力。
在市电中断后,应急照明系统会感应到市电的中断信号,并迅速将电源切换到备用电源上。
同时,系统会通过一系列的保护装置,例如保护继电器和电路断路器,保证照明电路的正常运行。
当市电恢复供电后,应急照明系统会再次感应到市电的恢复信号,并立即将电源切换回市电。
这样,照明电路就可以继续使用市电供电,同时备用电源也会自动充电,以备下次市电中断时使用。
此外,为了保证应急照明系统的可靠性,设计中还应包括自动测试功能。
系统会定时进行自检,测试备用电源的电量和性能,以确保在紧急情况下备用电源的可靠性。
一、ﻩ概述自主设计的 ASIC芯片,主要应用于消防应急与疏散指示照明产品上,符合国标GB 17945-2010.具有应急转换,12 小时定时充电,模拟断电,30 天、360天定时放电,信号加注模拟测试,故障指示、故障报警、电池开路、短路检测,负载光源开路、短路检测,瞬间跳闸延时计时充电等功能.单芯片结构,外围电路简单,无须编程,内置晶振,外部无复位电路,泄放电流低,一个功能按键K1 等特点。
芯片可应用于应急灯、标志灯、吸顶灯、地埋灯、应急日光灯等应急类 LED 光源照明产品上,以及使用镍隔电池的充电产品中。
二、功能描述:1、应急转换功能:在交流电瞬间断电或交流电压低于 187V 时,系统自动转入电池供电状态;2、12小时定时充电功能:在交流电上电后,系统正常状态下,进入对电池充电,主充时间为12小时,12小时过后自动转入辅充(涓流)状态,充电指示红色LED指示灯由亮变灭;3、故障指示功能:当系统出现故障时,黄色LED 指示灯发光,蜂鸣器发出报警声,表示有故障,在不同工作状态下的故障指示如下:灯具正常充电工作状态时故障指示:A、灯源短路(任一负载光源短路):黄色LED指示灯以2Hz频率频率闪烁,蜂鸣器响两声(后续每分钟内向两声),故障排除后回到正常主电工作状态;B、灯源开路(任一负载光源开路):黄色LED指示灯以2Hz频率频率闪烁,蜂鸣器响两声(后续每分钟内鸣响两声),故障排除后回到正常主电工作状态;C、电池短路:黄色LED指示灯以1Hz频率频率闪烁,蜂鸣器响两声(后续每分钟内鸣响两声),故障排除后回到正常主电工作状态;D、电池开路:黄色LED指示灯以1Hz频率频率闪烁,蜂鸣器响两声(后续每分钟内鸣响两声),故障排除后回到正常主电工作状态.灯具在月检/年检时(包括手动、自动和快测的月检/年检)的故障指示:A、灯源短路(任一负载光源短路):退出月检/年检,黄色LED指示灯以2Hz频率闪烁,蜂鸣器响两声(后续每分钟内响两声),故障排除后回到正常主电工作状态。