protel99考试试题
- 格式:doc
- 大小:63.00 KB
- 文档页数:3
一、填空1、Protel99共有(6)个基本组成部分。
2、使用Protel99软件绘图的最小精度单位是(mil)。
3、Protel99原理图设计系统包括(原理图)编辑器和(元件)编辑器。
4、Protel99软件提供了大量的(标准模板)供用户使用。
5、SCH软件包提供三种连线种类是:电连线、总线和(总线引入线)。
6、电原理图中,电子元器件的引脚之间的连接关系称为(网络)。
7、把某内容存入剪贴板时,该内容必须是处于(选择)状态。
8、在放置元器件的过程中,按下( tab)键可以修改元器件的参数。
9、(元件名)是为外形和引脚功能相同的零件取的一个通用的名称。
10、(网络表)是电路原理图设计与PCB设计之间的沟通纽带11、零件参数值应该在零件属性的( part type )项进行设置。
12、(网络标号)是电连接网络的名字,也是网络相互区分的依据。
13、(元件编号)在原理图设计里是一项重要指针,不可缺少也不可重复。
14、母图与子图之间是通过(子图端口)实现相互之间的信号连接关系。
15、某元件属于复合封装元件中的哪一个单元是在元件属性的(part)项中体现。
16、在Protel99中连接线路,一定要遵守(节点)到(节点)的连接要领。
17、如果要把交叉穿越的两条导线连接,则必须在交叉点上放置(节点)。
18、如果需要不断线移动已经放置好了的元件,应选择(drag)命令。
19、(子图端口)是电路方块图连接内外层间信号传递的通道。
20、(总线)是一种相同性质导线的集合。
21. 在Protel 99中,(网络表)是描述电路元件的标号、封装及元件引脚之间连接关系的列表。
22. PCB中,布线前反映电子元器件的引脚之间连接关系的线称为(飞线)。
23. PCB设计中连通两个层面的导线称为(过孔)24. PCB软件中自动布局指令名称是(outo place)。
25. 若需要自制零件封装应该在PCB电路板的(丝印层)层绘制。
26. 电路板上的(焊盘)对应了元件的引脚编号。
Protel99se 专业技能竞赛试题1. 建立DDB 文档,建立SCH 文件,SCH 工作环境设置(10分)(1) 在D 盘以自己姓名为名称建立一个文件夹;(1,)(2) 打开Protel99se,在上面所建立的文件夹屮以自己姓名为文件名建立一个ddb 文件;(2,)(3) 打开上面所建立的ddb 文件,在设计文件夹document 屮建立一个名为“显示控 制电路.sch ”的原理图文件;(V )(4) 设置图纸大为A4,水平放置,工作区颜色为216,边框颜色为3; 设置捕捉栅格为10,可视栅格为10,电气捕捉栅格为6; 设置字体为“隶书”,10号字;(3,)(5) 在图纸标题栏屮填上:原理图标题一栏填入“AT89C2051七段显示电路”,制图者一栏上填上你的姓名,并将所填信息显示出来。
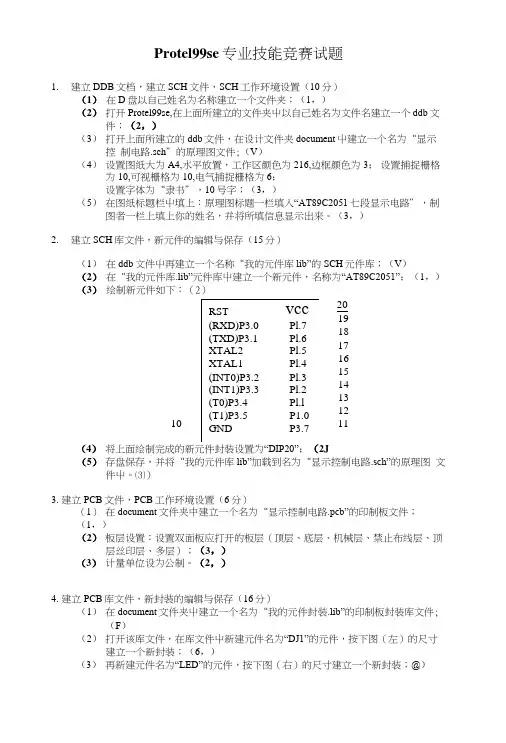
(3,) 2. 建立SCH 库文件,新元件的编辑与保存(15分)(1) 在ddb 文件屮再建立一个名称“我的元件库lib”的SCH 元件库;(V )(2) 在“我的元件库.lib”元件库屮建立一个新元件,名称为“AT89C2051”;(1,) (3) 绘制新元件如下:(2)(4) 将上面绘制完成的新元件封装设置为“DIP20”;(2J(5) 存盘保存,并将“我的元件库lib”加载到名为“显示控制电路.sch”的原理图 文件屮。
⑶) 3. 建立PCB 文件,PCB 工作环境设置(6分)(1) 在document 文件夹中建立一个名为“显示控制电路.pcb”的印制板文件;(1,)(2) 板层设置:设置双面板应打开的板层(顶层、底层、机械层、禁止布线层、顶层丝印层、多层);(3,) (3) 计量单位设为公制。
(2,)4. 建立PCB 库文件,新封装的编辑与保存(16分)(1) 在document 文件夹屮建立一个名为“我的元件封装.lib”的印制板封装库文件;(F )(2) 打开该库文件,在库文件屮新建元件名为“DJ1”的元件,按下图(左)的尺寸建立一个新封装;(6,)(3) 再新建元件名为“LED”的元件,按下图(右)的尺寸建立一个新封装;@)1020 19 18 17 16 15 14 13 12 11电解电容外形 LED 发光管外形存盘保存,并将“我的元件封装.lib”加载到名为“显示控制电路.pcb”的印制 电路板文件中。
PROTELL99练习题一、选择题1、Protel99Se在初次启功时有以下( )菜单。
A.File B.View C.Design2、下列( )选项不是电路设计的步骤之一。
A.绘制原理图 B.绘制PCb图 C.生成器件清单3、电路原理图中的某—个元件已经与其他一些元件有了相应的电气连接关系,如果想在移动元件的过程中保持这种连接关系,应该使州Move子菜单中的( )命令。
A.Move命令 B.Drag命令 C.DragSeleion命令4、如果要删除原理图中的许多对象,可以先选取这些对象,然后利用Edit菜单中的( )命令将它们—次性全部删除。
A.Cut命令 B.Delete命令 C.Clear命令5、使用window菜单中的( )命令,可以让Protel99sE中所有打开的窗口重叠排列。
A.Tile命令 B.Cascade命令 C.Arrangelcon命令6、在Preferences对话框的Schematic选项卡中,如果取消选择Auto-Junction复选框,当原理图中出现T字形连接的时候,表面上连在一起的导线实际上并没有在电气意义上连接,需要用( )命令才能将交叉的导线连接起来。
A.Place菜单下的NetLabel命令。
B. Place菜单下的wire命令。
C. Place菜单下的Junction7、如果想将Protel99中原理图的一部分元件复制并粘贴到Powerpoint文档中,必须在Preferences对话框的GraphicalEditing选项卡中取消选择( )A.Add Template to Clipboard选项。
B. ClipboardReference选项。
C. ConvertSpecial Strings选项8、在电气规则检查中,有很多警告是用户不需要关注的,为了把注意力集中到错误上而忽略警告,可以选中SetupElectrical RuleCheck对话框中的( )A.Buslabel format errors选项。
Protel 99SE测试题
一、填空题(每小题4分,共24分)
1、电路板是用来安装、固定()并实现其相互连接的一块基板。
2、根据电路板布线层面的多少,一般可将其分为()()()
3、画图工具栏主要是用来()和()原理图的。
4、()是用来确定当两条导线交叉时是否在电气上相连的。
5、绘制电路原理图前首先要建立()文件和()文件。
6、删除元器件选取菜单命令[编辑]下的()命令。
二、选择题(每小题8分,共48分)
1、按()可以退出放置电气节点的命令。
A.Tab B.Esc C.shift D.Al
2、新建设计数据库文件时选取菜单命令【文件】下的()
A.新建
B.打开
C.新建-----
D.保存
3、元器件的旋转时每按一次()被选中的元器件旋转900
A空格键 B.X C.Y D.Esc
4、执行绘制贝尔曲线的方法有()种。
A.1
B.2
C.3
D.4
5、放置电源符号,按下Tab键弹出()对话框。
A.电源符号属性 B.编辑文本框
C.设置电气法则测试 D.设置元器件列表中的内容
6、电路板设计的基本步骤不包含()
A.原理图符号设计
B.原理图设计
C.PCB设计
D.文件的自动备份
三、问答题
1、绘制电路原理图基本流程是什么?(9分)
2、ERC的含义及作用是什么?(9分)
3、放置总线的操作步骤?(11分)
4、放置工具栏中放置电气节点的按钮是什么?电气节点的作用是什么?(11分)。
习题 1一、填空:(1)Protel 99 SE主要分为设计系统和设计系统两大部分。
(2)设计电路板最基本的过程有以下三个步骤:、产生和的设计。
(3)写出英语全称:PCB 印制电路板SCH 原理图EDA电子设计自动化二、选择:(1)Protel99SE是一个( )A)操作系统B)高级语言 C)CAD软件 D)办公应用软件(2)电子CAD是()A)高级语言B)计算机辅助制造C)计算机辅助分析D)计算机辅助设计习题2一、填空:1.在元件处于放置状态时,应该按键开启其属性编辑对话框。
2.要使浮动元件左右翻转,可按键;要使浮动元件上下翻转,可按键;刷新屏幕的快捷键为。
二、选择:1.电路原理图的设计是从那个步骤开始( )A)原理图布线 B)设置电路图纸大小 C)放置元件 D)编辑或调整2.把一个编辑好的在D盘下的原理图文件保存到软盘中用:( )A)File / Save B)File / Save As…C)File / Save All D)Edit/Save 3.原理图中将浮动元件逆时针旋转90度,要用到下面那个键:( )A)X 键B) Y键C) Shift 键D) Space 键4.Wiring tools 工具栏和drawing tools工具栏都有画直线的工具,它们的区别是。
( )A) 都没有电气关系B)前有电气关系后者没有C)后有电气关系前没有D) 都有电气关系5.SCH 不可以完成的工作( )A) 自动布线B)画导线C)插入文字标注D)元件移动习题4一、填空(1)层次原理图中的方块图有和两个名字。
(2)在层次电路设计中,把整个电路系统视为一个设计项目,并以作为项目文件的扩展名。
(3)Protel99SE编辑电原理图时,将电源、地线视为一个元件,通过来进行区分,即使电源、地线符号不同,但只要它们的相同,也将其视为相连。
一般,电源的网络标号定义为,地线的网络标号定义为。
二、选择:(1)在原理图中,每单击一次使元件逆时针旋转90°;()(A)空格键(B)X 键(C)Y键(D)W 键(2)SCH系统画一条导线最少击鼠标次. ()(A)4 (B)1 (C)2 (D)3习题5一、填空(1)元件封装的编号一般为“ + + ”。
一、单选题1.Protel99SE是一个()A.操作系统B.高级语言C.EDA软件D.办公应用软件2.Protel中1mil等于多少毫米?()A.0.01mm B2.54mm. C.40mm D.0. 0254mm3.Protel中1mm约等于多少mil?()A.40milB.0.0254milC.1milD.2.54mil4.计算机辅助设计软件的英文缩写为:()A.CAMB.CADC.EDAD.CAE5.电路原理图的电器规则检查的英文缩写为:()A.ERCB.PCBC.DRCD.PLD6.在Protel中,同一个元件允许有多个不一致的电气符号与之对应,这反映了设计的()A.兼容性B.普适性C.灵活性D.逻辑性7.在原理图环境设计中,【电气栅格】选项可以设置()A.可视栅格B.跳跃栅格C.捕捉栅格D.标题栏8.主窗口的标签分布在()A.左边B.右边C.下面D.以上都有可能9.用Protel中,电路原理图设计步骤首先进行()A.设置电路原理图设计环境B.创建元器件库C.放置元器件D.电路原理图布线10.在我们用Protel绘制电路原理图时,首先须进行文档设置,即设定图纸大小.方向.套用图纸模板等操作,能实现上述操作的是()A.Edit\ChangeB.Design\Document OptionsC.Tool\Schematic PreferencesD.Project\Project Options11.电路原理图设计的结果不产生()A.电路原理图B.PCB库C.元器件列表D.网络表12.网络标识符中不包括哪一项()A.电路连线B.网络标号C.总线入口D.元器件引脚13.在画电路原理图时,编辑电路对象的属性中,哪些不是地线的符号?()A.BarB.Power GroundC.Signal GroundD.EARTH14.Protel电路原理图中,将元件在水平方向上翻转,要用到下面哪个键:()A.X键B.Y键C.Shift键D.Space键15.Windows目录的文件结构是()。
1.(X )Protel 99SE可以在DOS系统中运行。
2.(√)Protel 99SE只能运行于Windows95以上的操作系统。
3.(√)Protel 99SE采用设计数据库的管理方式。
4.(√)Protel 99SE中使用集成器件库。
5.( X )Protel99SE也可以采用设计数据库文件管理方式。
6.(√)Protel 99SE可以直接创建一个原理图编辑文件。
7.(√)Protel 99SE可以直接创建一个PCB图编辑文件。
8.( X )Protel 99SE的安装与运行对计算机的系统配置没有要求。
9.( X)Grids栏选项“Visiable”用于设置光标位移的步长。
10.( X )层次原理图设计时,只能采用自上而下的设计方法。
11.(√)如果只绘制电路原理图,可以创建一个自由原理图文件。
12.(√)原理图文件设计必须先装载元器件库,方可放置元器件。
13.( X )打开原理图编辑器,就可以在图样上放置元器件。
14.( X )原理图设计连接工具栏中的每个工具按钮都与Place选单中的命令一一对应。
15.(√)原理图的图样大小是“Document Options”对话框中设置的。
16.(√)Grids(图样栅格)栏选项“snap”用于设定光标位移的步长。
17.(√)Portel 99 SE提供的是混合信号仿真器,可以同时观察模拟信号和数字信号波形。
18.(√)电路的瞬态分析即动态分析,其输出是设计者定义时间间隔内计算变量瞬态输出电流或电压值。
19.(√)原理图设计中,要进行元器件移动和对齐操作,必须先选择该元器件。
20.(√)将一个复杂的原理图画在多张层次不同的图样上,称为层次原理图。
21.( X )在原理图的图样上,具有相同网络标号的多条导线不一定是连接在一起的。
22.(√)层次原理图的上层电路方块图之间,只有当方块电路端口名称相同时才能连接在一起的。
23.(√)层次原理图的上层电路方块图之间,只能用总线连接方块电路端口。
Protel99se专业技能竞赛试题1.建立DDB文档,建立SCH文件,SCH工作环境设置(10分)(1)在D盘以自己姓名为名称建立一个文件夹;(1’)(2)打开Protel99se,在上面所建立的文件夹中以自己姓名为文件名建立一个ddb文件;(2’)(3)打开上面所建立的ddb文件,在设计文件夹document中建立一个名为“显示控制电路.sch”的原理图文件;(1’)(4)设置图纸大为A4,水平放置,工作区颜色为216,边框颜色为3;设置捕捉栅格为10,可视栅格为10,电气捕捉栅格为6;设置字体为“隶书”,10号字;(3’)(5)在图纸标题栏中填上:原理图标题一栏填入“AT89C2051七段显示电路”,制图者一栏上填上你的姓名,并将所填信息显示出来。
(3’)2.建立SCH库文件,新元件的编辑与保存(15分)(1)在ddb文件中再建立一个名称“我的元件库.lib”的SCH元件库;(1’)(2)在“我的元件库.lib”元件库中建立一个新元件,名称为“AT89C2051”;(1’) (3)绘制新元件如下:(8’)(4)将上面绘制完成的新元件封装设置为“DIP20”;(2’)(5)存盘保存,并将“我的元件库.lib”加载到名为“显示控制电路.sch”的原理图文件中。
(3’)3.建立PCB文件,PCB工作环境设置(6分)(1)在document文件夹中建立一个名为“显示控制电路.pcb”的印制板文件;(1’)(2)板层设置:设置双面板应打开的板层(顶层、底层、机械层、禁止布线层、顶层丝印层、多层);(3’)(3)计量单位设为公制。
(2’)4.建立PCB库文件,新封装的编辑与保存(16分)(1)在document文件夹中建立一个名为“我的元件封装.lib”的印制板封装库文件;(1’)(2)打开该库文件,在库文件中新建元件名为“DJ1”的元件,按下图(左)的尺寸建立一个新封装;(6’)(3)再新建元件名为“LED”的元件,按下图(右)的尺寸建立一个新封装;(6’)(4)存盘保存,并将“我的元件封装.lib”加载到名为“显示控制电路.pcb”的印制电路板文件中。
在“我的电脑”中F盘根目录下新建一个文件夹,文件夹的名称为考生班级号+姓名。
图1 One.Sch请建立一个protel设计数据库,命名为Test.ddb。
在该设计中建立原理图文件,命名为One.Sch,正确画出下图,并保存在该设计中。
注:上图各元件参考模型如下表所示(元件序号可与下表所列不一致,但同一个序号不能重复出现)表1 参考元件模型元件类型元件序号参考库封装参考元件Part Type DesignatorFootprint1N4001 D1 Miscellaneous Devices.lib DIODE0.4 DIODE1N4001 D2 Miscellaneous Devices.lib DIODE0.4 DIODE1N4001 D4 Miscellaneous Devices.lib DIODE0.4 DIODE1N4001 D3 Miscellaneous Devices.lib DIODE0.4 DIODE4 HEADER JP1 Miscellaneous Devices.lib SIP4 4 HEADER4 HEADER JP2 Miscellaneous Devices.lib SIP4 4 HEADER10k R1 Miscellaneous Devices.lib AXIAL0.3 RES2100u C4 Miscellaneous Devices.lib RB.2/.4 CAPACITOR POL 100u C3 Miscellaneous Devices.lib RB.2/.4 CAPACITOR POL 150p C1 Miscellaneous Devices.lib RAD0.1 CAPADC0804 U1 Protel DOS Schematic Analogdigital.lib DIP20 ADC0804CON4 J3 Miscellaneous Devices.lib SIP4 CON4DB25 J1 Miscellaneous Devices.lib DB25/M DB25SN74HC157 U2 自制DIP16 自制SW SPST S2 Miscellaneous Devices.lib Key SW SPSTuA7805 U3 Miscellaneous Devices.lib TO220H VOLTREG绘制一个PCB元件封装,命名为Key,其尺寸和参考外形如下图所示:新建一PCB文件,命名为Two.pcb,将One.sch各元件填上封装后,制成PCB板,PCB设计要求为:双面自动布线,电路板尺寸为5000mil×4000mil,焊盘之间允许走3根导线,普通导线铜膜线宽30 mil,电源接地铜膜线宽60 mil,各元件参考封装如表1所示。
Protel99SE练习题(综合)《电⼦CAD 》练习题1.在当前设计数据库⽂件中,新建⼀个原理图⽂件的菜单操作如图所⽰,应选择的操作步骤是(B)A)File->new Design...B) File->new...C)File->Open...D) File->Open Full Project2.执⾏File/New 菜单,画原理图时,选择( C )图标。
A)PCB DOCUMENTSB)PCB LIBRARY DOCUMENTSC)SCHEMATIC DOCUMENTSD)SCHEMATIC LIBRARY DOCUMENTS3.在原理图设计窗⼝中,打开当前窗⼝中没有的⼯具栏的菜单操作是( C ):A)Edit->UndoB) Place-> Sheet SymbolC)View->ToolbarsD) Design->Loads Nets4.Wiring tools ⼯具栏和Drawing tool⼯具栏都有画直线的⼯具,它们的区别是( B )。
A)都没有电⽓关系B)前有电⽓关系后者没有C)后有电⽓关系前没有D)都有电⽓关系5. 执⾏File/New 菜单,画原理图时,选择( C )图标。
A)PCB DOCUMENTSB)PCB LIBRARY DOCUMENTSC)SCHEMATIC DOCUMENTSD)SCHEMATIC LIBRARY DOCUMENTS6. 禁⽌布线框画在( A )A)禁⽌布线层B)顶层C)底层D)丝印⾯7. 在PCB板中,⼀般将放置元器件的⾯称为( D )A)焊接⾯B)丝印⾯C)禁⽌布线层D)元件⾯8.被选中元件周围,有⼀个( A )⾊矩形框A)黄⾊B) 蓝⾊C)红⾊D) 紫⾊9.SCH 不可以完成的⼯作( A )A)⾃动布线B)画导线C)插⼊⽂字标注D)元件移动10.SCH系统中不可以改变元件放置⽅向的功能键是( B )。
Protel99se中级单选题一、单选题1. Protel99SE是一个( C )A.操作系统B.高级语言C.EDA软件D.办公应用软件2. Protel中1mil等于多少毫米?( D )A.0.01mm B2.54mm. C.40mm D.0. 0254mm3. Protel中1mm约等于多少mil?(A)A.40milB.0.0254milC.1milD.2.54mil4. 计算机辅助设计软件的英文缩写为:( B )A.CAMB.CADC.EDAD.CAE5. 电路原理图的电器规则检查的英文缩写为:(A)A.ERCB.PCBC.DRCD.PLD6. 在Protel中,同一个元件允许有多个不一致的电气符号与之对应,这反映了设计的( C )A.兼容性B.普适性C.灵活性7. 在原理图环境设计中,【电气栅格】选项可以设置( C )A.可视栅格B.跳跃栅格C.捕捉栅格D.标题栏8. 主窗口的标签分布在( D )A.左边B.右边C.下面D.以上都有可能9. 用Protel中,电路原理图设计步骤首先进行(A)A.设置电路原理图设计环境B.创建元器件库C.放置元器件D.电路原理图布线10. 在我们用Protel绘制电路原理图时,首先须进行文档设置,即设定图纸大小.方向.套用图纸模板等操作,能实现上述操作的是( B )A.Edit\ChangeB.Design\Document OptionsC.Tool\Schematic PreferencesD.Project\Project Options11. 电路原理图设计的结果不产生( B )A.电路原理图B.PCB库C.元器件列表D.网络表12. 网络标识符中不包括哪一项( D )A.电路连线C.总线入口D.元器件引脚13. 在画电路原理图时,编辑电路对象的属性中,哪些不是地线的符号?(A)A.BarB.Power GroundC.Signal GroundD.EARTH14. Protel电路原理图中,将元件在水平方向上翻转,要用到下面哪个键:(A)A.X键B.Y键C.Shift键D.Space键15. Windows目录的文件结构是(D )。
protel99试题及答案Protel99理论试题库一、填空题1、软件环境要求运行在Window98/2000/NT或者__________操作系统下。
硬件环境要求P166CPU/RAM32MB/HD剩余400MB以上,显示分辨率为__________.2、Protel99SE主要由原理图设计模块(Schematic模块),印制电路板设计模块(PCB设计模块),__________模块和__________模块组成。
3、文件管理,Protel9SE的各菜单主要是进行各种文件命令操作,设置视图的显示方式以及编辑操作。
系统包括File,Edit,__________,__________和Help共5个下拉菜单。
4、Protel99SE提供了一系列的工具来管理多个用户同时操作项目数据库。
每个数据库默认时都带有设计工作组(DeignTeam),其中包括Member,Permiion,Seion3个部分。
Member自带两个成员:系统管理员(Admin)和__________。
系统管理员可以进行修改密码,增加__________,删除设计成员,修改权限等操作。
5、Protel99SE主窗口主要由标题栏,菜单栏,工具栏,设计窗口,__________,__________,状态栏以及命令指示栏等部分组成。
6、原理图设计窗口顶部为主菜单和主工具栏,左部为设计管理器(DeignManager),右边大部分区域为__________,底部为状态栏和命令栏,中间几个浮动窗口为常用工具。
除__________外,上述各部件均可根据需要打开或关闭。
7、图纸方向:设置图纸是纵向和横向。
通常情况下,在__________时设为横向,在__________时设为纵向。
10、原理图设计工具包括画总线、画总线进出点、__________、放置节点、放置电源、__________、放置网络名称、放置输入/输出点、放置电路方框图、放置电路方框进出点等内容。
一、Protel试题集---单选题1.Protel 99SE是用于()的设计软件。
BA电气工程B电子线路C机械工程D建筑工程2.Protel 99 SE原理图文件的格式为()。
CA*.Schlib B*.SchDoc C*.Sch D*.Sdf C3.Protel 99 SE原理图设计工具栏共有(7 )个。
?A. 5B. 6C. 7D. 84.执行()命令操作,元器件按水平中心线对齐。
CA.CenterB.Distribute HorizontallyC.Center HorizontalD.Horizontal5.执行()命令操作,元器件按垂直均匀分布。
BA.V erticallyB.Distribute VerticallyC.Center VerticallyD.Distribute6.执行()命令操作,元器件按顶端对齐。
BA.Align RightB.Align TopC.Align LeftD.Align Bottom7.执行( )命令操作,元器件按低端对齐.DA. Align RightB.Align TopC.Align LeftD.Align Bottom8.执行( )命令操作,元器件按左端对齐.CA.Align Right B.Align Top C.Align Left D.Align Bottom风嗯9.执行( )命令操作,元气件按右端对齐.AA.Align RightB.Align TopC.Align LeftD.Align Bottom10.原理图设计时,按下( )可使元气件旋转90°。
BA.回车键B.空格键C.X键D.Y键11.原理图设计时,实现连接导线应选择( )命令.BA.Place/Drawing Tools/LineB.Place/WireC.WireD.Line12.要打开原理图编辑器,应执行( )菜单命令. CA.PCB ProjectB.PCBC.SchematicD.Schematic Library13.在原理图设计图样上放置的元器件是()。
单选题1.Protel 99SE是用于( B )的设计软件。
A电气工程B电子线路C机械工程D建筑工程2.在 Protel99se 的设计环境中,刷新视图的快捷键为:( B)A HomeB EndC Page upD Page downProtel 99 SE原理图文件的格式为( C )。
A.SchlibB.SchDocC.SchD.Sdf电路原理图设计步骤首先进行:( A )A 设置电路原理图设计环境B 创建元器件库C 放置元器件D 电路原理图布线Protel 99 SE原理图设计工具栏共有( C )个。
A. 5B. 6C. 7D. 8电路原理图的电气规则检查的英文缩写为( A )扩展名结尾的。
A ERCB PCBC DRCD PLD.执行(C )命令操作,元器件按水平中心线对齐。
A.CenterB.Distribute HorizontallyC.Center HorizontalD.Horizontal下面哪种连接方式不是真正的电气连接?( C )A、总线连接B、放置端口连接C、放置网络标号D、用连线工具连接在原理图编辑中,电阻元件的名称是( A ) 。
A RES2 B、CAP C、NPN D、DIODE执行( B )命令操作,元器件按垂直均匀分布。
A.VerticallyB.Distribute VerticallyC.Center VerticallyD.Distribute执行(B)命令操作,元器件按顶端对齐。
A.Align RightB.Align TopC.Align LeftD.Align Bottom执行( D)命令操作,元器件按低端对齐.A. Align RightB.Align T opC.Align LeftD.Align Bottom在制作印制线路板,元件一般放在( D )A、丝印层B、底层C、机械层D、顶层执行( A)命令操作,元气件按右端对齐.A.Align RightB.Align TopC.Align LeftD.Align Bottom原理图设计时,按下(B )可使元气件旋转90°。
1. Protel99SE是用于()的软件。
A. 电气工程B. 电子线路C. 机械工程D. 建筑工程2. Protel99SE的设计数据库文件扩展名是()。
A. SchB. LibC. PcbD. Ddb3. Protel99SE中的杂元件库是()。
A. SimB. Miscellaneous DevicesC. Inter DataBooksD. Nsc Databooks4. Protel99SE使用英制单位,下列英制单位值与公制之间关系正确的是()。
A. 1mil=0.2254mmB. 1inch=25.4mmC. 1mm=4milD. 1inch=100mil5. 下列关键词中哪个是捕获栅格()。
A. GridB. Electrical GridC. Visiable GridD. Snap Grid6.如果删除原理图中的许多对象,可以先选取这些对象,然后利用Edit菜单中的()命令将它们一次性全部删除。
A. CutB. DeleteC. ClearD. Copy7. Protel99SE中放置元件应使用Place菜单中哪个选项()。
A. PortB. Power PortC. PartD. Wire8.Protel99SE中属于模板文件的是()。
A. B. C. D.9.印刷电路板又称为()。
A.SCH B. PCB C. DDB D. Lib10. Protel99SE原理图设计中清除被选中对象按钮是()。
A. B. C. D.11.软件在PCB板编辑器自动装入原理图图中的网络连接及元件封装需要()。
A.在项目文件下进行 B. 不在项目文件下进行C. 在原理图文件下进行D. 不在原理图文件下进行12. Protel中二极管的名称是()。
A. RESB. CAPC. DIODED. SW13.下列属于电阻封装的是()。
A. B. AXIAL0.3 C. SIP4 D. RES414. 绘制层次电路图用到的特殊工具是()。
Protel 99SE试题
第一单元原理图环境设置
【操作要求】
1.图纸设置:在考生文件夹中创建新文件,命名为X1-01.sch。
设置图纸大小为A4,水平放置,工作区颜色为233号色,边框颜色为63号色。
2.栅格设置:设置捕捉栅格为5mil,可视栅格为8mil。
3.字体设置:设置系统字体为Tahoma,字号为8,带下划线。
4.标题栏设置:用“特殊字符串”设置制图者为Motorola,标题为“我的设计”,字体为华文行云,颜色为221号色,如样图1-01所示。
5.保存操作结果。
【样图1-01】
原理图库操作
【操作要求】
1.原理图文件中的库操作:
●在考生文件夹中新建原理图文件,命名为X2-01A.sch。
●在X2-01A.sch文件中打开ADM Analog,Altera Memory和Analog Devices三个库文件。
●向原理图中添加元件AM2942/B3A(28),EPCIPC8(8)和AD8079ARL(8),依次命名为IC1,IC2和IC3A,如样图2-01A所示。
●保存操作结果。
2.库文件中的库操作:
●在考生文件夹中新建库文件,命名为X2-01B.lib。
●在X2-01B.lib库文件中建立样图2-01B所示的新元件。
●保存操作结果,元件封装命名为X2-01。
【样图2-01A】
第三单元原理图设计
【操作要求】
1.绘制原理图:打开C:﹨2003Protel﹨Unit3﹨Y3-01.sch文件,按照样图3-01绘制原理图。
2.编辑原理图:
●按照样图3-01编辑元件,连线,端口和网络等。
●重新设置所有元件名称,字体为方正舒体,大小为10。
●重新设置所有元件类型,字体为方正舒体,大小为9。
●在原理图中插入文本框,输入文本“原理图301”,字体为方正舒体,大小为15。
将操作结果保存在考生文件夹中,命名为X3-01.sch。
【样图3-01】
第四单元检查原理图及生成网络表
【操作要求】
1.检查原理图:打开C:﹨2003Protel
﹨Unit4﹨Y4-01.sch原理图文件,如样图4-01所示,对该原理图进行电气规则检查。
●针对检查报告中的错误修改原理图,重复上述过程直到无误为止。
●将最终的电气规则检查文件保存到考生文件夹中,命名为X4-01.erc
●将修改后的原理图文件保存到考生文件夹中,命名为X4-01.sch
2. 生成网络表:依据修改后的原理图生成格式为protel2网络表,将生成的网络表文件保存到考生文件夹中,命名为
【样图4-01】
第五单元印刷线路板(PCB)环境设置
【操作要求】
在考生文件夹中新建X5-01.pcb文件,按照以下要求完成操作。
1.工作层设置:在X5-01.pcb文件夹中,信号层选择顶层和底层,机械层选择第一层,防焊层和锡高层选择顶层。
2.选项设置:
●设置当出现重叠图件时,系统会自动删除重叠的图
件。
●设置进行整体编辑时,系统会自动弹出确认对话框。
●取消自动边移功能。
3.数值设置:
●设置测量单位为“英制”,可视删格2为1000mil。
●设置水平,垂直捕捉栅格和水平,垂直元件栅格均为20mil,电器栅格为8mil。
●设置旋转角度为45度,操作撤销次数为30次。
4.显示设置:
●设置栅格类型为“线型”,显示“飞线”,“导孔”和“焊盘孔”。
●设置只显示当前板层,不显示网络名称和焊点序号。
●设置所有显示对象的颜色均为程序默认颜色。
●设置路经和弧线为“精细显示”,其余“隐藏显示”。
5.默认值设置:设置导孔直径为50mil,孔径为28mil,始于顶层,止于底层。
设置完毕,保存操作结果。
第六单元 PCB库操作
【操作要求】
1.PCB文件中的库操作:
●新建一个PCB文件,装载Single Row Connector,DC to DC和PQFPIPC三个文件。
●向PCB图中添加元件SILFKV4S,UM407和PQFP164(N),依次命名为IC1,IC2和IC3。
●将操作结果保存在考生文件夹中,命名为X6-01.pcb。
2.PCB库文件中的库操作:
●建交一个新的库文件,按照样图6-01创建QUAD PCB 元件封装。
●将操作结果保存在考生文件夹中,库文件命名为X6-01.lib,元件封装命名为X6-01。
【样图6-01】
第七章 PCB布局
【操作要求】
1.调整元件位置:打开C:﹨2003Protel﹨Unit7﹨Y7-01.pcb文件,按照样图7-01放置元件。
2.编辑元件:按照样图7-01编辑元件,修改元件的序号和型号等。
●更改所有元件序号,字体高度为90mil,宽度为5mil。
●更改所有元件型号,字体高度为80mil,宽度为4mil。
●更改所有元件封装型号,字体高度为85mil,宽度为4.5mil。
3.放置安装孔:按照样图7-01在机构层1放置安装孔(Arc),半径为110mil,线宽为2mil。
将上述操作结果保存到考生文件夹中,命名为X7-01.pcb。
【样图7-01】
第八单元 PCB布线及设计规则检查
【操作要求】
1.布线设计:
●打开C:﹨2003Protel﹨Unit8﹨Y8-01.pcb文件。
●加载C:﹨2003Protel﹨Unit8﹨,用Protel的自动布线功能进行布线。
●设置自动布线线宽为12mil,双层板,Via直径为52mil,Via Hole直径为28mil;Pad直径为62mil,Pad Hole直径为30 mil;Top层垂直布线,BOTTOM层水平布线,最小安全间距为5 mil。
●不能自动布线的可采取手工布线,手工布线时可适当减小线宽。
2.板的整理及设计规则检查:
●对NET239,NET355和NET619进行适当调整,调整NET239的线宽为13 mil,NET355的线宽为10 mil,NET619的线宽为9 mil。
●把NET 343当做地线,在TOP层和BOTTOM层加“地”填充(主要在板的四周位置)。
●布线,调整完毕,对整板进行设计规则检查,直到无错为止。
将上述操作结果保存到考生文件夹中,命名为X8-01.pcb。
最终效果如样图8-01所示。
【样图8-01】。