研发费用加计扣除案例附表-12张表
- 格式:xls
- 大小:251.00 KB
- 文档页数:1
研发费用加计扣除项照鉴定案例一、案例背景。
咱就说有个科技小公司,叫智创科技。
这公司专门捣鼓一些智能穿戴设备相关的新技术。
他们觉得自己在研发上投入了不少钱,应该能享受研发费用加计扣除的政策,就去找税务机关认定了。
二、研发项目。
智创科技的这个项目呢,是开发一种超轻便且续航超久的智能手表电池。
他们的目标就是让这个电池在小小的手表里能撑好几天,而且重量还不能增加太多,这可不容易啊。
三、费用明细及鉴定。
1. 人员人工费用。
首先是他们的研发团队。
这个团队里有几个专门搞电池技术的博士和一群经验丰富的工程师。
这些人的工资、奖金、五险一金啥的都算在研发费用里。
鉴定的时候呢,税务人员就查看了公司的人员花名册,看这些人是不是真的在研发部门,然后又核对了工资单和奖金发放记录,确定这些费用都是实实在在发给这些搞研发的人员的。
比如说那个李博士,他的工资一个月好几万呢,就因为他天天在实验室研究怎么改进电池的化学成分,让电池更耐用,所以他的工资妥妥地可以算在研发人员人工费用里。
2. 直接投入费用。
直接投入的东西可不少。
像原材料,他们买了各种特殊的电池材料,有一些还是从国外进口的高科技材料呢。
这些材料的采购发票都被税务人员仔细检查了,确保是用于这个智能手表电池研发的。
还有设备的折旧费用。
他们为了研发这个电池,专门买了一些高精度的测试设备,用来检测电池的性能。
这些设备都挺贵的,按照设备的折旧年限和方法,计算出来的折旧费用也能加计扣除。
比如说那台价值50万的电池性能测试仪,每年折旧10万,这10万就可以算在直接投入费用里的设备折旧部分。
3. 折旧费用与长期待摊费用。
除了前面提到的测试设备,公司还有一个专门用于研发的实验室。
这个实验室的装修费用当初花了不少钱呢。
这部分装修费用就作为长期待摊费用,按照规定的年限进行摊销,每年摊销的那部分也可以算在研发费用里。
税务人员检查了装修合同、发票还有摊销的计算方法,确认无误后,这部分费用就被认定可以加计扣除了。
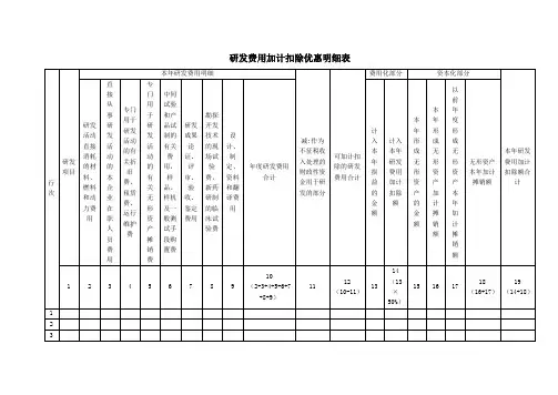
研发费用加计扣除优惠明细表行次研发项目本年研发费用明细减:作为不征税收入处理的财政性资金用于研发的部分可加计扣除的研发费用合计费用化部分资本化部分本年研发费用加计扣除额合计研发活动直接消耗的材料、燃料和动力费用直接从事研发活动的本企业在职人员费用专门用于研发活动的有关折旧费、租赁费、运行维护费专门用于研发活动的有关无形资产摊销费中间试验和产品试制的有关费用,样品、样机及一般测试手段购置费研发成果论证、评审、验收、鉴定费用勘探开发技术的现场试验费,新药研制的临床试验费设计、制定、资料和翻译费用年度研发费用合计计入本年损益的金额计入本年研发费用加计扣除额本年形成无形资产的金额本年形成无形资产加计摊销额以前年度形成无形资产本年加计摊销额无形资产本年加计摊销额1 2 3 4 5 6 7 8 910(2+3+4+5+6+7+8+9)1112(10-11)1314(13×50%)15 16 1718(16+17)19(14+18)1 2 345678910 合计填报说明本表适用于享受研发费用加计扣除优惠的纳税人填报。
纳税人根据税法、《国家税务总局关于印发〈企业研究开发费用税前扣除管理办法(试行)〉的通知》(国税发〔2008〕116号)、《财政部海关总署国家税务总局关于支持文化企业发展若干税收政策问题的通知》(财税〔2009〕31号)、《财政部国家税务总局关于研究开发费用税前加计扣除有关政策问题的通知》(财税〔2013〕70号)等相关税收政策规定,填报本年发生的研发费用加计扣除优惠情况。
一、有关项目填报说明1.第1列“研发项目”:填报纳税人研发项目名称。
2.第2列“研发活动直接消耗的材料、燃料和动力费用”:填报纳税人从事研发活动直接消耗的材料、燃料和动力费用。
3.第3列“直接从事研发活动的本企业在职人员费用”:填报纳税人在职直接从事研发活动人员的工资、薪金、奖金、津贴、补贴,及纳税人依照国务院有关主管部门或者省级人民政府规定的范围和标准为在职直接从事研发活动人员缴纳的基本养老保险费、基本医疗保险费、失业保险费、工伤保险费、生育保险费和住房公积金。
税前扣除宝典6:研发费用加计扣除(一张表全了解N个案例)一、一张图了解研发费用加计扣除二、加计扣除方式案例【例1】财税〔2015〕119号及国家税务总局公告2015年第97号文件规定研发费用加计扣除政策,适用于2016年度及以后年度企业所得税汇算清缴,2016年度及以后年度研发费用加计扣除政策不适用国税发〔2008〕116号和财税〔2013〕70号文件规定.特别提醒:国税发〔2008〕116号和财税〔2013〕70号文件自2016年1月1日起废止.【例2】企业2016年度收入为200万元,纳税调整可扣除成本费用为120万元,其中符合条件的研发费用为40万元,当年应纳税所得额为80万元:情形A:不加计应纳税额=(200-120)×25%=20万元情形B:可以加计应纳税额=(200-120-40×50%)×25%=15万元节省税额:加计扣除额×税率=20×25%=5万元【例3】A企业2016年进行甲研发项目的研发工作,在此期间,研发活动直接消耗的材料、燃料和动力费用20万元,直接从事研发活动的本企业在职人员费用30万元,用于研发活动的有关折旧费、租赁费、运行维护费15万元,用于研发活动的有关无形资产摊销费10万元,中间试验和产品试制的有关费用,样品、样机及一般测试手段购置费5万元,研发成果论证、评审、验收、鉴定费用5万元,勘探开发技术的现场试验费,新药研制的临床试验费5万元,设计、制定、资料和翻译费用5万元.企业共投入95万元.最终符合资本化条件的有45万元,其余50万元费用化处理.在整体投入中,其中40万元资金来源于财政拨款(符合不征税收入条件并已做不征税收入处理),40万元中有10万元符合资本化条件,30万元进行了费用化处理. 以往年度研发形成无形资产50万元,当年加计摊销额为5万元.研发形成的无形资产均按直线法10年摊销.本年度研发费用加计扣除额计算过程:1.年度研发费用合计为95万元2.可加计扣除的研发费用=年度研发费用合计-作为不征税收入处理的财政性资金用于研发部分=95-40=55万元3.费用化处理的加计扣除额=计入本年损益的金额×50%=(50-30)×50%=10万元4.资本化处理的加计扣除额=本年形成无形资产加计摊销额+以前年度形成无形资产本年加计摊销额=(45-10)×50%/10+5=6.75万元5.本年研发费用加计扣除额合计=计入本年研发费用加计扣除额+无形资产本年加计摊销额=10+6.75=16.75万元.三、适用企业范围财税〔2015〕119号第五条第1项规定,研发费用加计扣除政策适用于会计核算健全、实行查账征收并能够准确归集研发费用的居民企业.【例1】研发费用加计扣除政策,不适用实行核定征收的居民企业,不适用非居民企业.【例2】《企业所得税法》及其实施条例、财税〔2015〕119号等相关文件的规定并没有限定只是高新技术企业才可以享受,只限定了”适用于会计核算健全、实行查账征收并能够准确归集研发费用的居民企业”,即不论是高新技术企业还是非高新技术企业,只要会计核算健全、实行查账征收并能够准确归集研发费用的居民企业,均可以享受研发费用加计扣除优惠政策.【例3】风险点提示,高新技术企业没有享受”研发费用加计扣除”政策,您懂得! 【例4】根据《财政部、国家税务总局关于执行企业所得税优惠政策若干问题的通知》(财税〔2009〕69号)第二条规定,企业所得税法及其实施条例中规定的各项税收优惠,凡企业符合规定条件的,可以同时享受,即时企业已享受了小型微利企业减半征纳应纳税所得并按20%税率征收或减半征收的优惠政策,也可以同时享受研究开发费加计扣除的税收优惠政策.需要提醒的是,小型微利企业年应纳税所得额的标准,是在享受研发费用加计扣除后的标准.【例5】亏损会计核算健全、实行查账征收并能够准确归集研发费用的居民企业,可以享受享受研究开发费的加计扣除优惠政策,如果企业处于亏损阶段,享受享受研究开发费的加计扣,则亏损额增加,企业形成年度亏损,可以用以后5年的所得弥补,也就是增加未来可弥补亏损额.小编寄语:会计学是一个细节致命的学科,以前总是觉得只要大概知道意思就可以了,但这样是很难达到学习要求的。
研发费用加计扣除优惠政策实例解析一、案例介绍甲企业属于境内A集团公司的全资子公司,甲企业财务健全,配有专门的研发技术人员,拥有自主研发能力,2016年度实现营业收入20000万,营业成本8000万,管理费用4800万。
2016年度主要涉及以下4个研发项目:(一)自主研发甲企业自2016年1月份开始自行研究开发一项新项目(编号RD0001),2016年9月份该项目已经达到预定用途,投入使用,未取得专利,研发支出符合费用化支出条件。
2016年度有关经济业务如下:1、直接从事研发人员工资200万元,“五险一金”15万元;外聘研发人员的劳务费用30万元。
其中,2016年1月,甲企业收到市科技部门的科研项目扶持资金50万元,符合且选择作为不征税收入处理,全部用于该项目研究阶段的研发人员工资发放。
2、直接投入材料费用100万元、燃料10万元、动力费用10万元。
3、用于研发活动的固定资产折旧费用100万元,其中房屋折旧50万元,设备会计折旧50万元,该设备原值500万元,会计上按10年折旧,税收上因享受加速折旧优惠政策缩短年限为5年,可以扣除的折旧额是100万元。
4、用于研发活动的软件摊销25万元。
5、新产品设计费60万元。
6、其他相关费用中,发生差旅费20万元、会议费20万元、评审费20万元。
(二)委托研发甲企业于2015年与境内有关联关系的乙企业签订委托技术开发协议(编号RD0002),协议约定,委托研发费用总额为420万元,该费用包含受托方研发所涉及的一切费用,包括但不限于设备费、材料费、人工费、测试化验费及相关税金等,委托方无需就该次委托研发事项向乙方及其工作人员支付其他任何费用。
截至2015年12月31日,该项目研究阶段已完成,正在开发阶段,符合资本化条件的可加计研发投入余额为60万元;2016年度9月份研发成功,取得专利证书,当年发生研发投入360万元,该项目经甲企业验收合格,10月份投入使用,按10年进行摊销。
A06587研发费用加计扣除优惠明细表(A107012)《研发费用加计扣除优惠明细表》填报说明本表适用于享受研发费用加计扣除优惠(含结转)的纳税人填报。
纳税人根据税法、《财政部 国家税务总局 科技部关于完善研究开发费用税前加计扣除政策的通知》(财税〔2015〕119号)、《国家税务总局关于企业研究开发费用税前加计扣除政策有关问题的公告》(国家税务总局公告2015年第97号)、《财政部 税务总局 科技部关于提高科技型中小企业研究开发费用税前加计扣除比例的通知》(财税〔2017〕34号)、《科技部 财政部 国家税务总局关于印发〈科技型中小企业评价办法〉的通知》(国科发政〔2017〕115号)、《国家税务总局关于提高科技型中小企业研究开发费用税前加计扣除比例有关问题的公告》(国家税务总局公告2017年第18号)、《国家税务总局关于研发费用税前加计扣除归集范围有关问题的公告》(国家税务总局公告2017年第40号)等相关税收政策规定,填报本年发生的研发费用加计扣除优惠情况及以前年度结转情况。
一、有关项目填报说明1.第1行“□一般企业 □科技型中小企业”:纳税人按照《科技部 财政部 国家税务总局关于印发<科技型中小企业评价办法>的通知》(国科发政〔2017〕115号)的相关规定,取得相应年度科技型中小企业登记编号的,选择“科技型中小企业”,并填写“科技型中小企业登记编号”,否则选择“一般企业”。
2.第2行“本年可享受研发费用加计扣除项目数量”:填报纳税人本年研发项目中可享受研发费用加计扣除优惠政策的项目数量。
3.第3行“一、自主研发、合作研发、集中研发”:填报第4+8+17+20+24+35行的合计金额。
4.第4行“(一)人员人工费用”:填报第5+6+7行的合计金额。
直接从事研发活动的人员、外聘研发人员同时从事非研发活动的,填报按实际工时占比等合理方法分配的用于研发活动的相关费用。
5.第5行“1.直接从事研发活动人员工资薪金”:填报纳税人直接从事研发活动人员包括研究人员、技术人员、辅助人员发生的工资、薪金、奖金、津贴、补贴以及按规定可以在税前扣除的对研发人员股权激励的支出。
研发费用加计扣除优惠政策案例解析案例一:科技公司开展研发工作科技公司是一家从事软件开发的企业,公司近年来不断推动研发工作,不断开发出创新的产品和技术。
今年,公司投入了300万元用于研发,其中包括研究人员的薪酬、实验设备的购置费用、实验材料的采购费用等。
公司年度总营业收入为1000万元,税率为25%。
根据研发费用加计扣除优惠政策,该公司可以将实际发生的研发费用加计扣除一定比例后再计算税款。
按照政策规定,加计扣除比例为150%,即将实际发生的研发费用乘以1.5后再计算税款。
公司的实际发生研发费用为300万元,计算加计扣除后的研发费用为450万元(300万元*1.5)。
根据政策,税务部门将计算税款时将450万元纳入扣除,计算的应纳税所得额则是1000万元-450万元=550万元。
最终,按照税率25%,该公司需要缴纳的税款为550万元*25%=137.5万元。
与没有研发费用加计扣除优惠政策相比,该政策使得该公司减少了38.75万元的税款。
案例二:制造企业进行新产品研发制造企业是一家从事机械设备制造的企业,公司近年来积极推动新产品的研发工作,力求提升产品技术水平和市场竞争力。
今年,公司投入了800万元用于研发新产品,其中包括研究人员的薪酬、实验设备的购置费用、实验材料的采购费用等。
公司年度总营业收入为2000万元,税率为20%。
根据研发费用加计扣除优惠政策,该公司可以将实际发生的研发费用加计扣除一定比例后再计算税款。
按照政策规定,加计扣除比例为150%。
公司的实际发生研发费用为800万元,计算加计扣除后的研发费用为1200万元(800万元*1.5)。
根据政策,税务部门将计算税款时将1200万元纳入扣除,计算的应纳税所得额则是2000万元-1200万元=800万元。
最终,按照税率20%,该公司需要缴纳的税款为800万元*20%=160万元。
与没有研发费用加计扣除优惠政策相比,该政策使得该公司减少了40万元的税款。
研发费用加计扣除项目鉴定案例2023年07月31日企业享受研发费用加计扣除政策的前提之一是企业开展的项目属于研发活动范畴。
从政策执行情况来看,研发活动的判断具有较强的专业性,是准确执行研发费用加计扣除政策的难点。
为推动解决这一问题,科技部政策法规与创新体系建设司、税务总局所得税司从研发费用加计扣除提请专家鉴定的项目中,挑选了3个典型案例,并详细解释判断依据,帮助纳税人和税务人员更好地理解研发活动特征。
案例1:机电伺服电子助力器一、企业提供的项目基本情况(一)项目研发目标和内容企业分析国内外电子助力制动系统的现状以及汽车智能化和电动化技术的发展前景,提出了该项目研发目标,使制动系统在具备足够制动效能的基础上,实现比现行标准更快的响应速度、更精确的制动压力控制及主动制动能力。
在电动及混动车型上,还需要具备一定的解耦能力,能够配合再生制动,提高制动能量回收效率。
项目属于国家重点支持的高新技术领域—先进制造与自动化—“汽车关键零部件技术”。
(二)企业拟突破的核心技术和技术创新点企业认为该项目的核心技术包括基础助力踏板支撑感、能量回收过程中车辆减速度平顺性、无真空制动助力情况下的刹车助力、其他软硬件技术等。
技术创新点包括通过系统及算法开发、电控软件及硬件开发、机械结构开发、以及系统集成验证等设计开发,达到项目设定的六大功能;具有十个“创新点”、两个“先进性”,显示了技术上的创新性和先进性。
(三)已达到的技术指标通过项目研发,企业认为基本实现了目标提出的六项技术指标,且六项技术指标数值(或数值范围)与目前国内外同类产品技术指标数值(或数值范围)比较,显示本项目处于国内领先水平。
二、专家鉴定情况该项目经提请科技部门组织专家鉴定,专家认为属于研发活动。
专家判断的理由如下:(一)项目具有明确创新目标该项目的目标是为了使制动系统在具备足够制动效能的基础上,实现比现行标准更快的响应速度、更精确的制动压力控制及主动制动能力,属于“突破现有的技术瓶颈”的情形。
研发费用加计扣除项目鉴定案例研发费用加计扣除项目是指企业在开展科学研究、试验发展等创新活动中所发生的费用,经过鉴定合格后,可按一定比例予以税前扣除,从而减少企业应缴纳的所得税额。
下面以公司申请研发费用加计扣除项目的案例来具体展开说明。
公司是一家从事生物医药研发的企业,近年来在新药研发领域取得了一系列的突破性进展。
为了进一步加大研发投入,提高自主创新能力,该公司决定申请研发费用加计扣除项目,以减少企业所得税负担,从而增加研发投入的回报。
1.鉴定项目及依据:该公司主要申请研发费用加计扣除项目的研发费用包括:工资、奖金、福利费、技术人员培训费、购买实验用品费、设备维护保养费等。
鉴定依据主要包括《中华人民共和国企业所得税法》、《财政部税务总局关于研发费用税前加计扣除有关政策的通知》等相关法规文件。
该公司的研发费用具备相应的法定资格,可满足研发费用加计扣除条件。
2.实施过程:该公司依法按照企业所得税法和相关通知文件的规定,在年度结束后,提供了研发费用的相关票据、凭证、账册等材料,提交给税务部门审核。
税务部门在接到材料后,组织相关专家进行现场核查,对研发费用的真实性、合理性进行评估,确保申请材料的完整性和真实性。
3.鉴定结果:经过专家的评估和税务部门的审核,该公司的研发费用加计扣除项目被鉴定为合格。
鉴定结果显示,该公司的研发费用符合相关政策和法规的规定,且研发活动的性质属于高新技术领域,具备一定的创新性和针对性。
4.推动效应:该公司获得研发费用加计扣除项目后,可以在纳税时按照一定比例将研发费用予以税前扣除。
这将有效减少企业的所得税负担,为企业提供更多的资金支持和发展空间,有助于进一步加大研发投入,提高科技水平和创新能力。
总之,研发费用加计扣除项目的鉴定对企业的研发活动和自主创新具有积极的推动作用。
通过研发费用的税前扣除,企业可以减少所得税负担,释放出更多的资金用于研发投入,促进企业的科技创新,提高竞争力和发展潜力。
附件6研发项目可加计扣除研究开发费用情况归集表纳税人名称(盖章):纳税人识别号:1.本表在企业所得税汇算清缴时随申报表一并报送;2.本表应当按照“研发支出”辅助账汇总表填报;3.序号1“一、人员人工费用小计”:等于序号1.1至1.3的合计;4.序号1.1“1.直接从事研发活动人员工资薪金”:取自《“研发支出”辅助账汇总表》序号1.1第4行“结转管理费用”;5.序号1.2“1.直接从事研发活动人员五险一金”:取自《“研发支出”辅助账汇总表》序号1.2第4行“结转管理费用”;6.序号1.3“2.外聘研发人员的劳务费用”:取自《“研发支出”辅助账汇总表》序号1.3第4行“结转管理费用”;7.序号2“二、直接投入费用小计”:等于序号2.1至2.8的合计;8.序号2.1“研发活动直接消耗材料”:取自《“研发支出”辅助账汇总表》序号2.1第4行“结转管理费用”;9.序号2.2“研发活动直接消耗燃料”:取自《“研发支出”辅助账汇总表》序号2.2第4行“结转管理费用”;10.序号2.3“研发活动直接消耗动力费用”:取自《“研发支出”辅助账汇总表》序号2.3第4行“结转管理费用”;11.序号2.4“研发活动直接消耗材料用于中间试验和产品试制的模具、工艺装备开发及制造费”:取自《“研发支出”辅助账汇总表》序号2.4第4行“结转管理费用”;12.序号2.5“用于不构成固定资产的样品、样机及一般测试手段购置费”:取自《“研发支出”辅助账汇总表》序号2.5第4行“结转管理费用”;13.序号2.6“用于试制产品的检验费”:取自《“研发支出”辅助账汇总表》序号2.6第4行“结转管理费用”;14.序号2.7“用于研发活动的仪器、设备的运行维护、调整、检验、维修等费用”:取自《“研发支出”辅助账汇总表》序号2.7第4行“结转管理费用”;15.序号2.8“通过经营租赁方式租入的用于研发活动的仪器、设备租赁费”:取自《“研发支出”辅助账汇总表》序号2.8第4行“结转管理费用”;16.序号3“三、折旧费用小计”:等于序号3.1加3.2;17.序号3.1“用于研发活动的仪器的折旧费”:取自《“研发支出”辅助账汇总表》序号3.1第4行“结转管理费用”;18.序号3.2“用于研发活动的设备的折旧费”:取自《“研发支出”辅助账汇总表》序号3.2第4行“结转管理费用”;19.序号4“四、无形资产摊销小计”:等于序号4.1至4.3的合计;20.序号4.1“用于研发活动的软件的摊销费用”:取自《“研发支出”辅助账汇总表》序号4.1第4行“结转管理费用”;21.序号4.2“用于研发活动的专利权的摊销费用”:取自《“研发支出”辅助账汇总表》序号4.2第4行“结转管理费用”;22.序号4.3“用于研发活动的非专利技术(包括许可证、专有技术、设计和计算方法等)的摊销费用”:取自《“研发支出”辅助账汇总表》序号4.3第4行“结转管理费用”;23.序号5“五、新产品设计费等小计”:等于序号5.1至5.4的合计;24.序号5.1“新产品设计费”:取自《“研发支出”辅助账汇总表》序号5.1第4行“结转管理费用”;25.序号5.2“新工艺规程制定费”:取自《“研发支出”辅助账汇总表》序号5.2第4行“结转管理费用”;26.序号5.3“新药研制的临床试验费”:取自《“研发支出”辅助账汇总表》序号5.3第4行“结转管理费用”;27.序号5.4“勘探开发技术的现场试验费”:取自《“研发支出”辅助账汇总表》序号5.4第4行“结转管理费用”;28.序号6“六、其他相关费用小计”:等于序号6明细的合计;29.序号6明细:取自《“研发支出”辅助账汇总表》序号6第4行“结转管理费用”明细,应当将明细名称一并填入;30.序号7“七、委托外部机构或个人进行研发活动所发生的费用”:取自《“研发支出”辅助账汇总表》序号7第4行“结转管理费用”;31.序号7.1“其中:委托境外进行研发活动所发生的费用(包括存在关联关系的委托研发)”:取自《“研发支出”辅助账汇总表》序号7.1第4行“结转管理费 用”;32.序号8“八、允许加计扣除的研发费用中的第1至5类费用合计(1+2+3+4+5)”:取自《“研发支出”辅助账汇总表》序号8第4行“结转管理费用”;33.序号9“九、当期费用化支出可加计扣除总额”:取自《“研发支出”辅助账汇总表》序号9第4行“结转管理费用”;34.序号10“十、研发项目形成无形资产当期摊销额”:应当按照以前年度及当期形成无形资产的研发项目当期摊销额填报;35.序号10.1“其中:准予加计扣除的摊销额”:应当按照以前年度及本年度对应项目的资本化可加计扣除的研发费用率乘以当年度摊销额合计数填报。
5个实务计算案例:研发费用加计扣除新政研发费用税前加计扣除的外聘研发人员范围有哪些?费用如何归集?答:根据《国家税务总局关于研发费用税前加计扣除归集范围有关问题的公告》(国家税务总局公告〔2017〕40号)规定:“外聘研发人员是指与本企业或劳务派遣企业签订劳务用工协议(合同)和临时聘用的研究人员、技术人员、辅助人员。
接受劳务派遣的企业按照协议(合同)约定支付给劳务派遣企业,且由劳务派遣企业实际支付给外聘研发人员的工资薪金等费用,属于外聘研发人员的劳务费用。
”例:2017年某劳务派遣公司向A企业派遣5人,企业根据合同规定支付劳务费120万元(已取得相关发票),根据劳务派遣公司提供的劳务派遣单位派遣员工工资薪金及费用明细表,120万元劳务费中:工资薪金86万元、五险一金15万元(其中住房公积金3万元)、补充养老保险4万元(无补充医疗保险)、补充住房公积金2万元、职工福利费5万元、职工教育经费1万元、工会经费1万元,管理费6万元。
若A企业将外聘5人全部作为研发人员参与甲项目的研发。
则2017年甲项目可归集的外聘人员的人工费用103万元(86+15+2),甲项目可归入其他相关费用外聘人员费用9万元(4+5)。
若派遣人员中同时从事非研发活动的,企业应对其人员活动情况做必要记录,并将其实际发生的相关费用按实际工时占比等合理方法在研发费用和生产经营费用间分配,未分配的不得加计扣除。
对研发人员的股权激励支出是否可以加计扣除?答:根据《国家税务总局关于研发费用税前加计扣除归集范围有关问题的公告》(国家税务总局公告〔2017〕40号)规定:“工资薪金包括按《国家税务总局关于我国居民企业实行股权激励计划有关企业所得税处理问题的公告》(国家税务总局公告2012年第18号)规定可以在税前扣除的对研发人员股权激励的支出。
”例:A公司是一家上市公司,股东大会决议对新产品研发团队的甲高级工程师(以下简称“甲高工”)以股票期权的方式实施股权激励,以鼓励甲高工完成XX研发项目。
研发费用加计扣除填报实例
研发费用加计扣除是指企业在计算应纳税所得额时,将实际发生的研发费用加计扣除一定比例后计算应纳税所得额的政策。
以下是一份研发费用加计扣除填报实例:
假设某企业在2021年实际发生研发费用为100万元,其中符合加计扣除条件的费用为80万元,加计扣除比例为75%。
企业所得税税率为25%。
填报过程如下:
1. 确定加计扣除费用
符合加计扣除条件的费用为80万元,根据加计扣除比例计算,可得加计扣除费用为60万元(80万元×75%)。
2. 计算应纳税所得额
企业所得税税前利润为200万元,扣除研发费用加计扣除后即为140万元(200万元-60万元)。
按照企业所得税税率为25%计算,应纳税额为35万元(140万元×25%)。
3. 填报研发费用加计扣除表格
企业需要在年度所得税汇算清缴申报表中填报研发费用加计扣除表格。
填报时需要如实填写研发费用和加计扣除费用,并提供相关凭证材料。
以上是一份研发费用加计扣除填报实例,仅供参考。
企业在填报时需严格按照政策要求操作,并咨询专业财税人士进行指导。
- 1 -。
研发费用加计扣除计算例题
以下是一个关于研发费用加计扣除的计算例题:
假设某公司在某一年度内进行了研发项目,并于年底申请了研发费用加计扣除。
根据税法规定,研发费用加计扣除的比例为50%。
该公司在该年度内的研发费用总额为100万美元。
根据税法规定,研发费用加计扣除的上限为该公司当年度实际缴纳的企业所得税的50%。
该公司在该年度内的营业收入为200万美元,应纳税所得额为150万美元,企业所得税税率为25%。
根据以上信息,我们可以按照以下步骤计算该公司的研发费用加计扣除金额:
步骤1:计算研发费用加计扣除的上限
根据该公司当年度实际缴纳的企业所得税的50%,研发费用加计扣除的上限为150万美元 × 25% × 50% = 18.75万美元。
步骤2:计算实际可扣除的研发费用金额
根据研发费用总额100万美元和研发费用加计扣除的上限18.75万美元,实际可扣除的研发费用金额为较小值,即18.75万美元。
因此,该公司的研发费用加计扣除金额为18.75万美元。
需要注意的是,此为一个计算过程的例题,实际的研发费用加计扣除金额可能还受到其他税法规定的影响。
请在实际操作中结合具体情况进行计算。
研发费用加计扣除的案例
咱就说有个科技小公司,叫酷创科技。
这公司啊,专门搞一些智能小玩意儿的研发,像那种超酷的智能手表,不仅能看时间,还能监测你的健康状况,什么心跳、血压啥的,老厉害了。
这一年呢,酷创科技在研发这个超级智能手表的过程中,总共花了100万的研发费用。
这里面包括给那些聪明的程序员发工资啦,买各种研发设备啦,还有做实验的材料费用啥的。
按照正常的情况,这100万的费用就只能在计算企业所得税的时候当作成本扣掉100万。
但是呢,因为有研发费用加计扣除这个好政策。
如果加计扣除比例是75%(这里只是假设一种常见比例哈),那就不一样喽。
这时候,酷创科技在计算应纳税所得额的时候,可以扣除的研发费用就不是100万了,而是100万加上100万的75%,也就是100 + 75 = 175万。
这多扣的75万,就相当于给企业省了一笔税钱呢。
假设企业所得税税率是25%,那这75万乘以25%,就给企业省了18.75万的税。
您看,这研发费用加计扣除是不是就像给企业发了个大红包呀,鼓励企业不断创新研发呢。
案例附件:4-4-2(2)
集中研发研发支出多栏式明细账——资本化支出
填写说明:
(一)本表与《研发项目可加计扣除研究开发费用情况归集表》之间关系:1.第1-1列=序号2;2.第1-2列=序号3;3.第1-3列=序号4;4.第2-1列=序号6;5.第2-2列=序号7;6.第2-3列=序号8;7.第2-4列=序号9;8.第3-1列=序号11;9.第3-2列=序号14;10.第3-3列=序号16;11.第3-4列=序号24;12.第3-5列=序号12;13.第3-6列=序号15;14.第3-7列=序号17;15.第3-8列=序号24;16.第4-1列=序号19;17.第4-2列=序号20;
18.第4-3列=序号21;19.第5-1列=序号23;20.第5-3列=序号25;21.第5-4列=序号26;22.第6-1列=序号27;23.第6-2列=序号27;24.第8-1列=序号30;25.第8-2列=序号31;26.第8-3列=序号32;27.第8-4列=序号33;28.第8-5列=序号28;29.第8-6列=序号28。
(二)可加计扣除税收金额=(第1-1列+第1-2列+第1-3列+第2-1列+第2-2列+第2-3列+第2-4列+第3-1列+第3-2列+第3-3列+第3-4列+第3-5列+第3-6列+第3-7列+第3-8列+第4-1列+第4-2列+第4-3列+第5-1列+第5-3列+第5-4列+第6-1列+第6-2列+第8-1列+第8-2列+第8-3列+第8-4列+第8-5列+第8-6列)×50%。
(三)企业可根据自身实际情况选择设立费用项目。
(四)研发人员同时研发多个研发项目的,工资等相关费用一般按工时进行分配;其他情况,企业根据自身实际制定合理的分配方法。