《砌体结构习题》
- 格式:doc
- 大小:218.00 KB
- 文档页数:2
砌体结构练习题及参考答案砌体结构练习题答案一.填空题1.结构的安全性、适用性和耐久性统称为结构的可靠性。
2.砌体结构设计采用基于引入理论的极限状态设计方法,采用分项系数表达式进行设计。
3.砌体由砌块和砂浆组成。
4、砌体受拉、受弯破坏可能发生三种破坏:沿齿缝(灰缝)的破坏,沿块体和竖向灰缝的破坏,沿通缝(水平灰缝)的破坏。
5.砌体强度一般随砌块和砂浆强度的增加而增加;6.砂浆强度越低,变形越大,砖的拉应力和剪应力越大,砌体强度越低;流动性越大,灰缝越密,可以降低砖的弯曲剪应力;7、灰缝平整、均匀、等厚可以降低弯剪应力。
8.普通粘土砖国家统一规格:240×115×53。
这种尺寸的砖称为标准砖;9.砌体的抗拉强度、抗弯抗拉强度和抗剪强度主要取决于灰缝的强度;10.附着力可分为法向附着力和切向附着力;11、在实际工程中,按σ=0.4fm时的变形模量为砌体的弹性模量。
12、结构的功能要求:安全性、适用性、耐久性。
13.在一定截面尺寸和材料强度等级的条件下,在保证施工质量的前提下,影响无筋砌体抗压承载力的主要因素是构件的高厚比和相对偏心距。
砌体规范中的承载力影响系数考虑了上述两个因素的影响。
14、在设计无筋砌体偏心受压构件时,偏心距过大,容易在截面受拉边产生水平裂缝,致使受力截面减小,构件刚度降低,纵向弯曲影响变大,构件的承载力明显降低,结构既不安全又不经济,所以《砌体规范》限制偏心距不应超过0.6y。
为了减小轴向力的偏心距,可采用设置中心垫块或设置缺口垫块等构造措施。
15、局部受压分为局部均匀受压和局部非均匀受压两种情况。
通过对砌体局部受压破坏的试验表明,局部受压可能发生三种破坏:竖向裂缝发展引起的破坏、劈裂破坏和直接与垫板接触的砌体的局压破坏。
其中直接与垫板接触的砌体的局压破坏仅在砌体材料强度过低时发生,一般通过限制材料的最低强度等级,可避免发生这种破坏。
16.当砌体处于局部受压状态时,非直压砌体对直压砌体的约束作用和力的扩散效应提高了砌体的局部抗压强度。
例:砌体沿齿缝截面破坏的抗拉强度,主要是由( )决定的。
A.块体强度B.砂浆强度C.砂浆和块体的强度D.上述A、B、C均不对解:由砌体的性能可知,砌体轴心抗拉强度主要取决于块体与砂浆之间的粘结强度,一般与砂浆粘结强度有关;当沿齿缝截面破坏时,其抗拉强度ft.m与砂浆抗压强度有关,故应选B项。
例:验算截面尺寸为240mm×1000mm的砖柱,采用水泥砂浆砌筑,施工质量为A级,则砌体抗压强度的调整系数γa应取( )。
A. 0.9 X (0.24+0.7)B. (0.24十0.7) X1.00C. 0.9 X (0.24+0.7) X 1. 05D.上述A、B、C均不对解:水泥砂浆调整系数为0.9;施工质量为A级,计算时不调整γa,又截面面积0.24X1=0.24m2<0. 3m2,应调整γa,所以有:γa=0.9X (0.24十0. 7)所以应选A项。
1. 烧结普通砖具有全国统一的规格,其尺寸为( A)。
(A) 240mmXl15mmX53mm; (B) 240mmX120mmX53mm;(C) 240mmX 115mmX 60mm; (D) 230mmX 115mmX 53mm。
2 块体和砂浆的强度等级是按(B)划分。
(A)抗拉强度; (B)抗压强度; (C)抗剪强度; (D)弯曲抗压强度。
3 下面关于砂浆强度等级为0的说法哪些是正确的?(A)①施工阶段尚未凝结的砂浆;②抗压强度为零的砂浆;③用冻结法施工解冻阶段的砂浆;④抗压强度很小接近零的砂浆。
(A)①、③; (B)①、②; (C)②、④; (D)②。
4下面关于砌体抗压强度的说法哪种正确?(A)(A)由于砖的表面不平整、砂浆铺砌又不可能十分均匀,所以轴心受压的砌体中的砖都不是均匀受压,且同时受弯曲和剪切的作用。
因此砖砌体抗压强度恒小于砖的抗压强度;(B)由于砂浆横向变形比砖小,两者之间要共同变形,砖阻止砂浆变形,使砂浆在横向也受到压力。
中南大学现代远程教育课程考试复习题及参考答案《砌体结构》一、填空题:1。
《砌体结构设计规范》(GB50003-2001)为了适当提高砌体结构的安全可靠指标,将B 级施工质量等级的砌体材料的分项系数由 提高到 .2.如果砌体结构的弹性模量为E ,剪变模量为G ,则G 和E 的关系近似为 。
3.砌体结构最基本的力学性能指标是 。
4。
砌体的轴心抗拉强度、弯曲抗拉强度以及剪切强度主要与砂浆或块体的强度等级有关。
当砂浆强度等级较低,发生沿齿缝或通缝截面破坏时,它们主要与 有关;当块体强度等级较低,常发生沿块体截面破坏时,它们主要与 有关。
5。
我国《砌体结构设计规范》(GB50003-2001)将烧结普通砖、烧结多孔砖分为五个强度等级,其中最低和最高强度等级分别为 和 .6.结构的可靠性包括 、 和 。
7。
在我国结构的极限状态分为 和 ,均规定有明显的极限状态标志或极限.8.砌体结构应按 设计,并满足正常使用极限状态的要求。
根据砌体结构的特点,砌体结构的正常使用极限状态的要求,一般通过相应的 来保证。
9.我国《砌体结构设计规范》(GB50003-2001)采用了定值分项系数的极限状态设计表达式,砌体结构在多数情况下是以承受自重为主的结构,除考虑一般的荷载组合以外 , 还应考虑以 为主的荷载组合,这种组合的恒载分项系数G γ为 ,可变荷载分项系数Q γ为 乘以组合系数.10。
假设砌体结构的强度平均值为m f ,变异系数为f δ,则其具有95%保证率的强度标准值k f 为 .11。
《砌体结构设计规范》(GB50003-2001)中所列砌体强度设计值是按照施工质量等级为B 级确定的,当施工质量等级不为B 级时,应对砌体强度设计值进行调整.具体调整的方法就是,按《砌体结构设计规范》所查砌体强度设计值乘以调整系数a γ,对于施工质量控制等级为C 级的,其取值为 ;当施工质量控制等级为A 级时,其取值为 。
12.砌体构件受压承载力计算公式中的系数ϕ是考虑高厚比β和偏心距e 综合影响的系数,在《砌体结构设计规范》(GB50003-2001)偏心距按内力的 (填“设计值”或“标准值”)计算确定,并注意使偏心距e 与截面重心到轴向力所在偏心方向截面边缘的距离y 的比值不超过 。
砌体结构复习题一、填空题1.烧结普通砖的尺寸为【答案】:240*115*532.石材按其加工后的外形规格程度可分为和两种。
【答案】:料石、毛石3.砂浆的主要技术指标有、、。
【答案】:强度、流动性、保水性4.按照《砌体结构设计规范》,砌体结构可分为、和。
【答案】:砖砌体、砌块砌体、石砌体5.墙体的砌筑方式主要有、、。
【答案】:一顺一丁、三顺一丁、梅花丁6.砌体施工质量控制等级分为、、三个等级。
【答案】:A B C7.无筋砌体构件按受力分为、、、。
【答案】:受压构件、受拉构件、受弯构件、受剪构件8.砌体局部受压破坏形态有、、【答案】:纵向裂缝发展破坏劈裂破坏压碎破坏9. 各类砌体材料抗压强度设计值是以龄期为天的毛截面计算,按施工质量等级为级时,标准试验方法所得到材料抗压极限强度的平均值来表示的。
【答案】:28天、B级10.用砖砌体和钢筋混凝土面层或砂浆面层组成的构件称为。
【答案】:组合砖砌体构件11、当无筋砌体的偏心距 ______时,砌体按通缝弯曲抗拉强度来确定______承载能力。
【答案】:e>0.95y 截面12、块材的______是影响砌体轴心抗压强度的主要因素。
【答案】:强度等级和厚度13、无筋砌体受压构件,当0.7<e/y≤0.95时,构件不仅应满足______要求,还应满足______要求。
【答案】:承压裂缝控制14、各类砌体,当用______砌筑时,对抗压强度设计值乘以0.85的调整系数,以考虑其______差的影响。
【答案】:水泥砂浆和易性15、不宜采用网状砖砌体的情况是:对于矩形截面______>0.17,或______>16。
【答案】:e/h 高厚比16、影响砖砌体抗压强度的主要因素有块材的______,砂浆的______及砌筑质量。
【答案】:强度等级及厚度强度等级和性能17、砌体的破坏不是由于砖受压耗尽其______,而是由于形成______,侧面凸出,破坏了砌体的整体工作。
砌体结构习题及答案_2砌体结构习题及答案一、填空题:1.《砌体结构设计规范》(GB50003,2001)为了适当提高砌体结构的安全可靠指标,将B级施工质量等级的砌体材料的分项系数由提高到。
2.如果砌体结构的弹性模量为E,剪变模量为G,则G和E的关系近似为 G0.4E 。
3.砌体结构最基本的力学性能指标是轴心抗压强度。
4.砌体的轴心抗拉强度、弯曲抗拉强度以及剪切强度主要与砂浆或块体的强度等级有关。
当砂浆强度等级较低,发生沿齿缝或通缝截面破坏时,它们主要与砂浆的强度等级有关;当块体强度等级较低,常发生沿块体截面破坏时,它们主要与块体的强度等级有关。
5.我国《砌体结构设计规范》(GB50003,2001)将烧结普通砖、烧结多孔砖分为五个强度等级,其中最低和最高强度等级分别为和。
结构的可靠性包括、安全性,适用性,耐久性和。
6.7.在我国结构的极限状态分为承载力极限状态,正常使用极限状态,均规定有明显的极限状态标志或极限。
8.砌体结构应按承载力极限状态设计,并满足正常使用极限状态的要求。
根据砌体结构的特点,砌体结构的正常使用极限状态的要求,一般通过相应的构造措施来保证。
9.我国《砌体结构设计规范》(GB50003,2001)采用了定值分项系数的极限状态设计表达式,砌体结构在多数情况下是以承受自重为主的结构,除考虑一般的荷载组合以外,还应考虑以承受自重为主的荷载组合,这种组合的恒载分项系数 G为 Q为以组合系数。
10.假设砌体结构的强度平均值为fm,变异系数为 f,则其具有95,保证率的强度标准值fk 为。
11.《砌体结构设计规范》(GB50003,2001)中所列砌体强度设计值是按照施工质量等级为B级确定的,当施工质量等级不为B级时,应对砌体强度设计值进行调整。
具体调整的方法就是,按《砌体结构设计规范》所查砌体强度设计值乘以调整系数 a,对于施工质量控制等级为C级的,其取值为0.89 ;当施工质量控制等级为A级时,其取值为 1.05 。
第三章 无筋砌体构件承载力的计算3.1柱截面面积A=0.37×0.49=0.1813m 2<0.3 m 2砌体强度设计值应乘以调整系数γa γa =0.7+0.1813=0.8813查表2-8得砌体抗压强度设计值1.83Mpa ,f =0.8813×1.83=1.613Mpa7.1037.06.31.10=⨯==h H βγβ 查表3.1得:ϕ= 0.8525 kN N kN N fA 1403.249103.249101813.0613.18525.036=>=⨯=⨯⨯⨯=ϕ满足要求。
3.2(1)沿截面长边方向按偏心受压验算 偏心距mm y mm N M e 1863106.06.03210350102.1136=⨯=<=⨯⨯== 0516.062032==h e 548.1362070002.10=⨯==h H βγβ 查表3.1得:ϕ= 0.6681 柱截面面积A=0.49×0.62=0.3038m 2>0.3 m 2 γa =1.0查表2-9得砌体抗压强度设计值为2.07Mpa , f =1.0×2.07=2.07 MpakN N kN N fA 35015.4201015.420103038.007.26681.036=>=⨯=⨯⨯⨯=ϕ满足要求。
(2)沿截面短边方向按轴心受压验算14.1749070002.10=⨯==h H βγβ 查表3-1得:φ0= 0.6915因为φ0>φ,故轴心受压满足要求。
3.3(1)截面几何特征值计算截面面积A=2×0.24+0.49×0. 5=0.725m 2>0.3m 2,取γa =1.0 截面重心位置m y 245.0725.025.024.05.049.012.024.021=⎪⎭⎫ ⎝⎛+⨯⨯+⨯⨯= y 2=0.74-0.245=0.495m截面惯性矩()()232325.0495.05.049.0125.049.012.0245.024.021224.02-⨯⨯+⨯+-⨯⨯+⨯=I =0.02961m 4截面回转半径 m A I i 202.0725.002961.0=== T 形截面折算厚度h T =3.5i=3.5×0.202=0.707m(2)承载力m y m N M e 147.0245.06.06.01159.0630731=⨯=<=== 164.0707.01159.0==T h e 22.12707.02.72.10=⨯==T h H βγβ 查表3-1得:ϕ= 0.4832 查表2-7得砌体抗压强度设计值f =2.07Mpa则承载力为 kN kN N fA 63016.7251016.72510725.007.24832.036>=⨯=⨯⨯⨯=ϕ3.4(1)查表2-8得砌体抗压强度设计值f =1.83 Mpa砌体的局部受压面积A l =0.2×0.24=0.048m 2影响砌体抗压强度的计算面积A 0=(0.2+2×0.24)×0.24=0.1632m 2(2)砌体局部抗压强度提高系数 5.1542.11048.01632.035.01135.010>=-+=-+=l A A γ 取5.1=γ (3)砌体局部受压承载力kNN kN N fA l 13576.1311076.13110048.083.15.136=≈=⨯=⨯⨯⨯=γ%5%46.2%10076.13176.131135<=⨯- 承载力基本满足要求。
《砌体结构》习题集答案练习一一、判断题1、施工阶段砂浆尚未硬化的新砌体,可按砂浆强度为零确定其砌体强度。
(√)2、由砌体建造的结构称为砌体结构。
(√)3、空洞率小于25%,孔的尺寸小而数量多,主要用于承重部位的砖。
简称多孔砖。
目前多孔砖分为P型砖和M型砖。
(×)4、砌体构件截面尺寸A<0.3 m2时,其强度设计值调整系数γa=0.8+A。
(×)5、各种砌体,当用水泥砂浆砌筑时,其抗压强度设计值,应按规范表中数值乘以调整系数0.85。
(×)二、选择题1、砌体抗震性能是好是差?因为( D )A、砌体抗震性能是好,因砌体自重大B、砌体灰缝多,延性差,有利于地震产生的变形,因此抗震性能很好C、砌体转角处,因刚度发生变化,故抗震性能好D、砌体自重大,强度低,灰缝多,延性差,抗震性能很差2、砌体承受弯、剪、拉作用时,主要依靠(A )A、砌体间砂浆的粘结力B、砌体本身的强度C、砌体尺寸的大小D、砌体的形状是方形或长方形3、砌体抗压强度(A )A、随块材强度的提高而提高B、随块材厚度的加大而降低C、随砂浆强度的提高而降低D、用水泥砂浆砌筑比用相同强度的混合砂浆砌筑时高4、标准砖的尺寸为(A )A、240×115×53mmB、240×100×70mmC、240×150×53mmD、300×215×60mm5、砖砌体可否作为受拉构件使用,(B )A、砖砌体体积不大可作为受拉构件使用B、砖砌体为脆性材料,承压较好,只能承受很小的拉力故一般不作受拉构件使用C、砖砌体承受拉力很好一般作受拉构件使用D、砖砌体可受弯、受剪、受拉,且强于受压,故可作为受拉构件使用6、计算砂浆和块体间的粘结强度时(B )A、水平灰缝和垂直灰缝均考虑B、仅考虑水平灰缝C、仅考虑垂直灰缝D、水平灰缝和垂直灰缝均不考虑7、砖的强度等级确定是根据(C )A、抗压强度B、抗压强度及抗拉强度C、抗压强度及抗折强度D、抗剪强度及抗折强度8、影响砌体抗压强度的主要因素为(B )A、块体的尺寸应大,灰缝的厚度应小B、块体和砂浆的强度高,砌体强度高C、块体形状应歪曲不平,砂浆应稀D、铺砂浆时,转角应铺满,其余地方可有可无9、提高砖砌体轴心抗压强度的最有效方法是(D )A、提高砂浆的强度等级.B、加大砖的尺寸.C、提高施工质量.D、提高砖的强度等级.10、砌体结构自重大是其缺点之一,为此应(C )A、减小截面尺寸B、采用空斗墙或空心砖砌体C、发展轻质高强材料D、采用多孔砖及轻砂浆三、多项选择1、砖砌体的抗压强度与砂浆的抗压强度的关系正确的是(CD)A、砖的抗压强度恒大于砖砌体的抗压强度B、砂浆的抗压强度恒大于砖砌体的抗压强度C、砌体的抗压强度随砂浆强度的提高而提高D、砌体的抗压强度随块体强度的提高而提高2、烧结普通砖由粘土、页岩、煤矸石或粉煤灰为主要原料,经焙烧而成的实心或孔洞率不大于规定值且外形尺寸符合规定的砖,分(ABCD )。
吉大15秋学期《砌体结构》在线作业一满分答案吉大15秋学期《砌体结构》在线作业一满分答案一、单选题(共 20 道试题,共 20 分。
)1.从宏观上,将砌体工程施工质量控制等级分为()A.A、B、C三级B.A、B、C、D四级C.A、B、C、D、E五级——————选择:A2. ()是作用在厂房结构上的不变荷载A.可变荷载B.动力荷载砌体结构课后习题答案C.永久荷载——————选择:C3. 烧结多孔砖孔洞率不小于()A.20℅B.25℅C.30℅——————选择:B4. 在一般的单层厂房中,()是主要承重结构A.纵向排架B.横向排架C.纵、横向混合排架——————选择:B5. 中型以上厂房大都选用()A.砌体结构B.钢筋混凝土结构C.钢结构——————选择:B6. 对于砖和小型砌块砌体,灰缝厚度应控制在()为宜A.8-10mmB.8-12mmC.10-12mm——————选择:B7. 目前在单层厂房中用的较多的是两铰和()两种形式A.三铰B.单铰C.混合式——————选择:A8. 我国目前在承重墙体材料中使用最为普遍的砌块是()A.混凝土小型空心砌块B.混凝土中型空心砌块C.混凝土大型空心砌块——————选择:A9. 对于五层及五层以上房屋的墙,砌块的最低强度等级为()A.MU20B.MU30C.MU40——————选择:B10. 在砌体结构中,最常用的是()A.受压构件B.受拉构件C.受弯构件——————选择:A11. 当建筑物相邻部位刚度相差较大时,应在交界处设置()A.伸缩缝B.沉降缝C.抗震缝——————选择:C12. 混凝土空心砌块的密度一般在()之间A.14-18kN/m3B.12-18kN/m3C.14-20kN/m3——————选择:B13. 我国通常把砌块高度为()的称为小型砌块A.180-350mmB.160-350mmC.170-360mm——————选择:A14. 砂浆强度等级确定时立方体标准试块的边长为()A.150B.70.7C.200——————选择:B15. 当单层厂房纵向尺寸较大时,应设置()A.伸缩缝B.沉降缝C.抗震缝——————选择:A16. 对于受振动或层高大于6m的墙,砖的最低强度等级为()A.MU5B.MU7.5C.MU10——————选择:C17. 我国通常把砌块高度大于()的称为大型砌块A.800mmB.900mmC.1000mm——————选择:B18. 混凝土小型空心砌块的主要规格尺寸为()A.390mm×190mm×190mmB.390mm×190mm×150mmC.390mm×190mm×180mm——————选择:A19. 烧结普通砖重力密度在()之间A.16-18kN/m3B.17-18kN/m3C.16-17kN/m3——————选择:A20. 对于五层及五层以上房屋的墙,砌筑砂浆的最低强度等级为()A.MU5B.MU7.5C.MU10——————选择:A吉大15秋学期《砌体结构》在线作业一二、多选题(共 20 道试题,共 20 分。
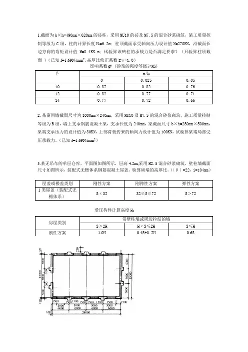
1.截面为b ×h=490mm ×620mm 的砖柱,采用MU10的砖及M7.5的混合砂浆砌筑,施工质量控制等级为C 级,柱的计算长度H 0=6.2m ;柱顶截面承受轴向压力设计值N=270KN ,沿截面长边方向的弯矩设计值M=8.4KN.m ;试验算该砖柱的承载力是否满足要求?(只验算柱顶截面 )(已知f=1.69N/mm 2,高厚比修正系数r β=1.0)
影响系数 (砂浆的强度等级≥M5)
2.某窗间墙截面尺寸为1000mm ×240mm ,采用MU10及M7.5的混合砂浆砌筑,施工质量控制等级为B 级,墙上支承钢筋混凝土梁,支承长度为240mm ,梁截面尺寸b ×h=250mm ×500mm ,梁端支承压力的设计值为80KN ,上部荷载传来的轴向力设计值为100KN ,
试验算梁端局部受压承载力。
(已知f=1.69N/mm 2)
3.某无吊车的单层仓库,平面图如图所示,层高
4.2m,采用M2.5混合砂浆砌筑,壁柱墙截面尺寸如图所示,装配式无檩体系钢筋混凝土屋盖。
验算纵墙的高厚比。
(〔β〕=22,i=104mm )
受压构件计算高度H 0。
《砌体结构》习题及参考答案1. 一单层单跨无吊车工业房屋窗间墙,截面尺寸如图所示,高5.2m ,墙计算高度m H2.60=,采用MU20灰砂砖及M5水泥砂浆砌筑,施工质量控制B 级。
荷载设计值产生的轴向力N=456KN ,弯矩M=54.72KN.m ,荷载偏向翼缘一侧。
试验算该墙截面的承载能力。
(15分) (构件高厚比修正系数2.1=βγ; 砌体抗压强度a MP f 12.2=2011αβϕ+=0015.0=α,20)11(1211211⎥⎦⎤⎢⎣⎡-++=ϕϕh e )解:截面几何特征:2510582.8mm A ⨯=;mm y 1872=;mm h T 527=; mm m e 12012.045672.54===;3.0227.0527120<==T h e 1.142.1527.02.60=⨯==βγβT h H ;77.01.140015.01111220=⨯+=+=αβϕ 360.0)177.01(1215271201211)11(121121122=⎥⎦⎤⎢⎣⎡-++=⎥⎦⎤⎢⎣⎡-++=ϕϕh eKN KN N f A a 4565.589105.58912.29.010582.8360.035>=⨯=⨯⨯⨯⨯=γϕ承载力满足要求。
2.混凝土小型空心砌块砌体外墙,支承着钢筋混凝土楼盖梁(梁端支承处灌实一皮砌块)。
已知梁的截面尺寸mm mm h b 400200⨯=⨯,梁支承长度mm a 190=,荷载设计值产生的支座反力KN N l 60=,墙体的上部荷载KN N u 260=(作用在整个窗间墙上),窗间墙截面尺寸mm 1901200⨯,采用MU10砌块,M5混合砂浆砌筑,试验算砌体的局部受压承载力。
(15分) (砌体抗压强度a MP f 22.2=) 解:mm fh a c134100==;2026800mm b a A L ==;20110200)2(mm b h h A =+=62.1135.010=-+=LA A γ N U 作用在整个窗间墙上,a MP 14.112001902600000⨯=σN A N l 305522680014.100=⨯==σ f A N N l l ηγψ≤+00,31.40=>=ψlA A ;N N f A l 600005.6746822.22680062.17.0>=⨯⨯⨯=ηγ局部受压承载力满足要求。
砌体结构基础练习题一、填空题1、当无筋砌体的偏心距______时,砌体按通缝弯曲抗拉强度来确定______承载能力。
【答案】:e>0.95y截面2、块材的______是影响砌体轴心抗压强度的主要因素。
【答案】:强度等级和厚度3、无筋砌体受压构件,当0.7<e/y≤0.95时,构件不仅应满足______要求,还应满足______要求。
【答案】:承压裂缝控制4、各类砌体,当用______砌筑时,对抗压强度设计值乘以0.85的调整系数,以考虑其______差的影响。
【答案】:水泥砂浆和易性5、不宜采用网状砖砌体的情况是:对于矩形截面______>0.17,或______>16。
【答案】:e/h高厚比6、影响砖砌体抗压强度的主要因素有块材的______,砂浆的______及砌筑质量。
【答案】:强度等级及厚度强度等级和性能7、砌体的破坏不是由于砖受压耗尽其______,而是由于形成______,侧面凸出,破坏了砌体的整体工作。
【答案】:抗压强度半砖小柱8、砌体轴心受拉有两种破坏形式:当砖强度较高而砂浆强度较低时,砌体将沿______破坏;当砖强度较低而砂浆强度较高时,砌体将沿______破坏。
【答案】:齿缝竖向通缝9、根据原料成分,常用砂浆可分为______砂浆、______砂浆和、______。
【答案】:水泥砂浆,混合砂浆,石灰砂浆10、常用刚性砂浆的主要成分是砂和______。
【答案】:水泥11、常用混合砂浆的主要成分为______、______和砂。
【答案】:石灰,水泥12、块体的厚度越______、抗压强度越______,砂浆的抗压强度越______,则砌体的抗压强度越高。
【答案】:大高高13、砌体有______种弯曲受拉破坏形态,其中沿______截面破坏时的弯曲抗拉强度可按块体的强度等级确定。
【答案】:三竖缝与块体14、砌体受压构件按______可分为短柱和长柱,其界限值为______。
第一章绪论1.砌体、块体、砂浆这三者之间有何关系?答:由块体与砂浆砌筑而成的墙、柱作为建筑物主要受力构件的结构称为砌体结构。
它就是砖砌体、砌块砌体与石砌体结构的统称。
2.哪项措施使砌体结构在地震区的应用得以复兴?答:1950年以来,各工业发达国家对砌体结构进行了研究与改进,块体向高强、多孔、薄壁、大块等方向发展,最重要的就是发展了配筋砌体,才使砌体结构能用于地震区,使砌体结构得到了复兴。
3.砌体的基本力学特征就是什么?答:抗压强度很高,抗拉强度却很低。
因此,砌体结构构件主要承受轴心压力或小偏心压力,而很少受拉或受弯。
4.砌体结构的优缺点对于其应用有何意义?答:砌体结构的主要优点就是:1)容易就地取材。
砖主要用粘土烧制;石材的原料就是天然石;砌块可以用工业废料——矿渣制作,来源方便,价格低廉。
2)砖、石或砌块砌体具有良好的耐火性与较好的耐久性。
3)砌体砌筑时,不需要模板与特殊的施工设备。
在寒冷地区,冬季可用冻结法砌筑,不需要特殊的保温措施。
4)砖墙与砌块墙体有良好的隔声、隔热与保温性能。
并有良好的耐火性与耐久性,所以既就是较好的承重结构,也就是较好的维护结构。
砌体结构的缺点就是:1)与钢与混凝土相比,砌体的强度较低,因而构件的截面尺寸较大,材料用量多,自重大。
2)砌体的砌筑基本上就是手工方式,施工劳动量大。
3)砌体的抗拉强度与抗剪强度都很低,因而抗震性能较差,在使用上受到一定的限制;砖、石的抗拉强度也不能充分发挥。
4)粘土砖需要用粘土制造,在某些地区过多占用农田,影响农业生产。
5.与其她结构形式相比,砌体结构的发展有何特点?答:相对于其她结构形式,砌体结构的设计理论发展得较晚,还有不少问题有待进一步研究。
随着社会与科学技术的进步,砌体结构也需要不断发展才能适应社会的要求。
砌体结构的发展方向如下:1)使砌体结构适应可持续性发展的要求2)发展高强、轻质、高性能的材料3)采用新技术、新的结构体系与新的设计理论第二章砌体结构的设计原则1.极限状态设计法与破坏阶段设计法、容许应力设计法的主要区别就是什么?答:极限状态设计法考虑荷载的不确定性以及材料强度的变异性,将概率论引入结构的设计,可以定量估计所设计结构的可靠水平。
《砌体结构》习题1. 已知一轴心受压柱,承受纵向力N=118kN ,柱截面尺寸为490mm ×370mm,计算高度H 0=3.6m ,采用MU10烧结普通砖,混合砂浆,试验算该柱底承载力。
解:α=,β=γβH 0/h= ×= ,Φ0=1/(1+αβ2)= 1/(1+.002*^2)=A=*=<0.3 m 2,γa =+A= +=N =118 kN<Φ0A γa f = *490*370***1e-3= 175 kN ,满足要求。
2. 试验算一矩形截面偏心受压柱的承载能力。
已知:柱截面尺寸为370mm ×620mm ,柱的计算高度为5.55m ,承受纵向力设计值N=108kN ,由荷载设计值产生的偏心距e=0.185m ,采用MU10砖及M5混合砂浆砌筑。
解:(1)偏压验算e=185<=*620/2=186,α=.0015,β=γβH 0/h=×=,φ0=1/(1+αβ2)=1/(1+.0015*^2)= ,φ=1/(1+12(e/h+sqrt((1/φ0-1)/12))^2)= 1/(1+12*(185/620+sqrt((10.2294 m 20.3 m 2015*15^2)=N=108 kN<φ0A γa f= *370*620***1e-3= 239 kN ,满足要求。
3. 验算某教学楼的窗间墙的受压承载力,截面如图所示,轴向力设计值N=450kN ,弯矩设计值M=.m(荷载偏向翼缘一侧),教学楼层,计算高度H 0=,采用MU10砖及混合砂浆砌筑。
解:A=(2500-370)*240+370*490= 692500mm 2y 1= ((2500-370)*240*120+370*490^2/2) /692500=152.725mmy 2=490-y 1=337.274mmI=(2500-370)*240^3/12+(y 1-120)^2*(2500-370)*240+370*490^3/12+(490/2-y 1)^2*370*490=+09i=sqrt(I/A)= sqrt+09/ 692500)= 109 mm ,h T =*109 =382 mmβ=γβH 0/h T ==,e=M/N=450*1e3=,φ0=1/(1+.002*^2)= ,φ= 1/(1+12(e/h T +sqrt((1/φ0-1)/12))^2)= ,N= 450 kN<φAf=*692500**1e-3= 727 kN ,满足要求。
第一章绪论1.砌体、块体、砂浆这三者之间有何关系答:由块体和砂浆砌筑而成的墙、柱作为建筑物主要受力构件的结构称为砌体结构。
它是砖砌体、砌块砌体和石砌体结构的统称。
2.哪项措施使砌体结构在地震区的应用得以复兴答:1950年以来,各工业发达国家对砌体结构进行了研究与改进,块体向高强、多孔、薄壁、大块等方向发展,最重要的是发展了配筋砌体,才使砌体结构能用于地震区,使砌体结构得到了复兴。
3.砌体的基本力学特征是什么答:抗压强度很高,抗拉强度却很低。
因此,砌体结构构件主要承受轴心压力或小偏心压力,而很少受拉或受弯。
4.砌体结构的优缺点对于其应用有何意义答:砌体结构的主要优点是:1)容易就地取材。
砖主要用粘土烧制;石材的原料是天然石;砌块可以用工业废料——矿渣制作,来源方便,价格低廉。
2)砖、石或砌块砌体具有良好的耐火性和较好的耐久性。
3)砌体砌筑时,不需要模板和特殊的施工设备。
在寒冷地区,冬季可用冻结法砌筑,不需要特殊的保温措施。
4)砖墙和砌块墙体有良好的隔声、隔热和保温性能。
并有良好的耐火性和耐久性,所以既是较好的承重结构,也是较好的维护结构。
砌体结构的缺点是:1)与钢和混凝土相比,砌体的强度较低,因而构件的截面尺寸较大,材料用量多,自重大。
2)砌体的砌筑基本上是手工方式,施工劳动量大。
3)砌体的抗拉强度和抗剪强度都很低,因而抗震性能较差,在使用上受到一定的限制;砖、石的抗拉强度也不能充分发挥。
4)粘土砖需要用粘土制造,在某些地区过多占用农田,影响农业生产。
5.与其他结构形式相比,砌体结构的发展有何特点答:相对于其他结构形式,砌体结构的设计理论发展得较晚,还有不少问题有待进一步研究。
随着社会和科学技术的进步,砌体结构也需要不断发展才能适应社会的要求。
砌体结构的发展方向如下:1)使砌体结构适应可持续性发展的要求2)发展高强、轻质、高性能的材料3)采用新技术、新的结构体系和新的设计理论第二章砌体结构的设计原则1.极限状态设计法与破坏阶段设计法、容许应力设计法的主要区别是什么答:极限状态设计法考虑荷载的不确定性以及材料强度的变异性,将概率论引入结构的设计,可以定量估计所设计结构的可靠水平。
砌体结构复习题一、填空题2、多层砌体房屋的高度不超过40m,质量和刚度沿高度分布比较均匀,水平振动时以变形为主,因此采用简化分析方法。
3、砌体结构设计采用以理论为基础的设计方法,用度量结构的可靠度,用表达式进行设计。
4、砌体是由_ 和组成的。
5、砌体受拉、受弯破坏可能发生三种破坏:,,。
6、一般情况下,砌体强度随块体和砂浆强度的提高而;7、砂浆强度越低,变形越,砖受到的拉应力和剪应力越,砌体强度越;流动性越,灰缝越密实,可砖的弯剪应力;但会灰缝的变形能力,砖的拉应力;8、灰缝平整、均匀、等厚可以弯剪应力;方便施工的条件下,砌块越越好;9、普通粘土砖全国统一规格:,具有这种尺寸的砖称为标准砖;10、砌体抗拉、弯曲抗拉及抗剪强度主要取决于的强度;11、粘接力分为和两种;12、在实际工程中,按时的变形模量为砌体的弹性模量。
14、在截面尺寸和材料强度等级一定的条件下,在施工质量得到保证的前提下,影响无筋砌体受压承载力的主要因素是和。
《砌体规范》用考虑以上两种因素的影响。
15、在设计无筋砌体偏心受压构件时,偏心距过,容易在截面受拉边产生水平裂缝,致使受力截面,构件刚度,纵向弯曲影响,构件的承载力明显,结构既不安全又不经济,所以《砌体规范》限制偏心距不应超过。
为了减小轴向力的偏心距,可采用或等构造措施。
16、局部受压分为和两种情况。
通过对砌体局部受压破坏的试验表明,局部受压可能发生三种破坏:、和。
其中破坏仅在砌体材料强度过低时发生,一般通过,可避免发生这种破坏。
17、砌体在局部受压时,未直接受压砌体对直接受压砌体的约束作用以及力的扩散作用,使砌体的局部受压强度。
18、当局部受压承载力不满足要求时,一般采用设置的方法,满足设计要求。
19、房屋的静力计算,根据房屋的空间工作性能分为、和三类。
20、在进行墙体设计时必须限制其,保证墙体的稳定性和刚度。
21、影响高厚比的主要因素为:砂浆强度越高,允许高厚比越;横墙间距越小,墙体刚度越,稳定性越;刚性方案允许高厚比可以一些,弹性和刚弹性方案可以一些;毛石墙刚度,允许高厚比要;砌体的截面惯性矩大,稳定性;砌体的柱柱间距小、截面大,刚度。
《砌体结构》习题
1.已知一轴心受压柱,承受纵向力N=118kN,柱截面尺寸为490mm×370mm,计算高度H0=3.6m,采用MU10烧结普通砖,M2.5混合砂浆,试验算该柱底承载力。
2.试验算一矩形截面偏心受压柱的承载能力。
已知:柱截面尺寸为370mm×620mm,柱的计算高度为5.55m,承受纵向力设计值N=108kN,由荷载设计值产生的偏心距e=0.185m,采用MU10砖及M5混合砂浆砌筑。
3.验算某教学楼的窗间墙的受压承载力,截面如图所示,轴向力设计值N=450kN,弯矩设计值M=33.5kN.m(荷载偏向翼缘一侧),教学楼层3.6m,计算高度H0=3.6m,采用MU10砖及M2.5混合砂浆砌筑。
4.钢筋混凝土柱,截面尺寸为200mm×240mm,支承在砖墙上,墙厚240mm,采用MU10烧结普通砖及M2.5混合砂浆砌筑,柱传给墙的轴向力设计值N=100kN,试进行砌体局部受压验算。
5.试验算房屋外纵墙上跨度为5.8m的大梁端部下砌体局部受压承载力,已知大梁载面尺寸b×h=200mm ×500mm,支承长度a=240mm,支座反力N1=100Kn,梁端墙体载面处的上部荷载设计值为240kN,窗间墙载面1200mmx370mm,如图所示。
用MU10烧结普通砖,M2.5混合砂浆砌筑。
如不能满足要求,请设置刚性垫块,重新进行验算。
6.一圆形砖砌水池,壁厚370mm,采用MU10烧结普通砖和M7.5水泥砂浆砌筑,池壁承受的最大环向拉力设计值按45kN/m计算,试验算池壁的抗拉强度。
7.一矩形浅水池,壁高H=1.2m,采用MU10砖,M5水泥砂浆砌筑,壁厚d=490mm,如不考虑池壁自重所产生的不大的垂直压力,试计算池壁承载力。
8.暗沟,其拱及墙厚为240mm,用MU10砖,M7.5纯水泥砂浆砌筑,根据计算,求得拱支座水平、反力设计值为25kN/m,支座垂直反力设计值为42kN/m,试验算支座处的受剪承载力。
9.某厂房柱承受吊车荷载,柱载而尺寸为370mm×620mm,计算高度H0=4m,承受轴向力设计值N=230kN,弯矩设计值M=20kN.M,试选用适当等级的材料,并按网状配筋设计该柱。
10.如图所示教学楼平面(部分)图,预制钢筋混凝土楼盖,底层外墙厚为370mm,内墙厚240mm(内纵墙带壁柱),底层层高3.6m,室内隔墙厚120mm,墙高为2.9m,砂浆强度等级M2.5,试验算底层墙体的高厚比。
11.试验算第10题中内纵墙的高厚比,壁柱尺寸370mm×370mm。
(注:素材和资料部分来自网络,供参考。
请预览后才下载,期待你的好评与关注!)。