1HT盖板涵、圆管涵说明
- 格式:doc
- 大小:31.00 KB
- 文档页数:2
圆管涵设计说明一、技术标准与设计规范1、《公路工程技术标准》JTGB01-20142、《公路桥涵设计通用规范》JTGD60-20153、《公路用工桥涵设计规范》JTGD61-20054、《公路钢筋混凝土及预应力混凝土桥涵设计规范》JTGD62-20045、《公路桥涵施工技术规范》JTG/TF50-20116、《公路涵洞设计细则》JTG∕TD65-04-20077、《公路桥涵地基与基础设计规范》JTGD63-2007二、技术指标1.孔径:0.3m、0.8m、1.Om>1.5m;2.汽车荷载等级:公路一H级:3.设计安全等级:三级;4.环境类别:I类;三、主要材料1、圆管涵主要材料2、原材料原材料应有供应商提供的出厂检验合格证明书,并应按《公路桥涵施工技术规范》(JTG/TF50-2011)规定的检验项目、批次规定,严格实施进场检验。
1)混凝土水泥:应采用品质稳定的普通硅酸盐水泥或硅酸盐水泥,碱含量不宜大于0.60%,熟料中C3A含量不应大于&0%。
其余技术要求尚应符合《通用硅酸盐水泥》(GB175-2007)的规定,不应使用其它品种水泥。
细骨料:应采用硬质洁净的天然中粗河砂,也可使用经专门机组生产、并经试验确认的机制砂,其细度模数宜为2.6~3.2,含泥量不应大于2.0%,泥块含量不应大于0.5%(高性能混凝土),其余技术要求应符合《公路工程集料试验规程》(JTGE42-2005)的规定。
粗骨料:应采用坚硬耐久的碎石或卵石,空隙率宜小于40%,压碎指标宜小于20%,粗骨料母岩的抗压强度与混凝土设计强度之比应不小于1.5,含泥量不应大于1.0%,泥块含量不应大于0.5%,针片状含量宜小于10%;粒径宜为5mm~20mm,连续级配,最大粒径不应超过25mm,且不应大于钢筋最小净距的3/4;其余技术要求应符合《公路工程集料试验规程》(JTGE42-2005)的规定。
选用的骨料应在施工前进行碱活性试验,应优先采用非活性骨料;不应使用碱-碳酸盐反应活性骨料和膨胀率大于0.20舟的碱-硅酸反应活性骨料;当所采用骨料的碱-硅酸反应膨胀率在0.10%~0.20%时,混凝土中的总碱含量不宜大于3.0kg∕m3,且应经碱-骨料反应抑制措施有效性试验验证合格。
圆管涵、盖板涵涵洞安全交底1. 文档概述本文档旨在对圆管涵和盖板涵涵洞的安全交底进行说明。
通过本文档,工程人员可以了解涵洞的定义、涵洞施工过程、安全操作要点以及应急措施等相关内容,以确保施工过程中的安全性和顺利完成工作任务。
2. 涵洞概述2.1 圆管涵圆管涵是一种用于解决道路交通中沟渠跨越问题的工程结构。
其主要由预制的圆管组成,具有排水、通行和顶压等功能。
在施工过程中,需要考虑涵洞的设计、组装和安装等工作。
2.2 盖板涵盖板涵是一种道路涵洞结构,通过使用预制的盖板来覆盖沟渠,起到排水的作用。
盖板涵施工过程中需要注意的问题包括盖板的选择、安装和固定等。
3. 涵洞施工过程3.1 圆管涵施工过程圆管涵施工的一般步骤如下:1.确定涵洞的位置和尺寸。
2.准备施工所需的材料、设备和工具。
3.利用挖掘设备进行沟槽的开挖。
4.进行地基处理,确保涵洞的稳定性。
5.组装圆管,并进行预安装。
6.将组装好的圆管放入开挖的沟槽中,并进行最终安装,确保涵洞的密封性和稳固性。
7.进行涵洞的测试和验收。
3.2 盖板涵施工过程盖板涵施工的一般步骤如下:1.确定盖板涵的位置和尺寸。
2.准备施工所需的材料、设备和工具。
3.在沟渠两侧的基础上进行盖板的安装。
4.进行盖板的固定,确保盖板的稳固性和密封性。
5.进行盖板涵的测试和验收。
4. 安全操作要点4.1 施工前的准备在涵洞施工之前,需要进行充分的准备工作。
包括但不限于:•确定施工方案和流程,明确安全措施和操作要点。
•对施工人员进行安全教育和培训,提高他们的安全意识。
•检查施工设备和工具的完好性,并确保其能够正常使用。
•检查施工现场的环境和条件是否符合施工要求。
4.2 施工过程的安全操作在涵洞施工的过程中,需要特别注意以下安全操作要点:•严格按照操作规程进行,不得擅自更改施工工艺和步骤。
•使用正确的工具和设备,保证施工的质量和效率。
•注意施工现场的临时通行和安全标识,确保行人和车辆的安全。
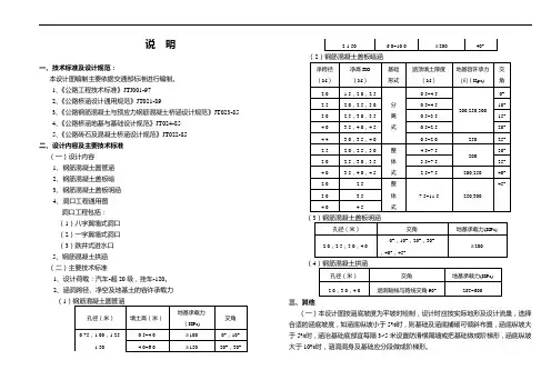
第 1 页说明一、技术标准:(一)管节孔径:Φ1.0m,Φ1.50m。
(二)管顶填土高度:0.5~10.0m。
(三)涵洞斜度Ф(指与路中心线的法线的夹角):0°、5°、10°、15°、20°、25°、30°、35°、40°、45°。
(四)洞口型式:八字式。
(五)地基容许承载力:0.15MPa。
(六)设计荷载:汽车-超20级,挂车-120。
二、设计标准与规范:1、交通部标准《公路工程技术标准》JTJ001-97。
2、交通部标准《公路桥涵设计通用规范》JTJ021-89。
3、交通部标准《公路钢筋混凝土及预应力混凝土桥涵设计规范》JTJ023-85。
三、主要材料:钢筋:螺旋形主钢筋为甲级冷拔低碳钢丝、直径为Фb5mm,抗拉设计强度为Rg=520MPa,纵向钢筋为Ⅰ级钢筋(3号钢)直径Ф6mm。
混凝土:管节C30;端墙墙身20号;端墙基础15号;管基10号。
浆砌片石:洞口翼墙墙身、翼墙基础、洞口河床铺砌及隔水墙7.5号。
三、施工要求:(一)预制管节建议采用离心法旋转成型的工艺,工厂集中预制Ф1.0圆管一般仅用于互通匝道、联络线和被交叉道路上;Ф1.5圆管一般用于主线上,圆管涵的设置应按2.0米标准管节执行,0.5米标准管节仅作为调整管节使用。
(二)当Ф1.0涵顶填土高度大于6米或Ф1.5涵顶填土高度大于4米时,螺旋钢筋采用双肢平行并绕。
(三)若地质土质较差,其地基允许承载力小于0.15MPa时,应采取换土措施,其换土深度由计算确定。
对于膨胀土地段,管底砂砾垫层改为砂垫层,厚度为1.0米。
(四)涵洞长每4~6m设沉降缝一道。
(五)施工放样时,必须注意管涵的全长、管节的合理配置以及洞口端墙的准确位置。
根据设计图的计算长度L,斜交管涵首先配置两端各一斜管节(两节合计长度为Lj+0.5m)和若干个2m正管节,余下不足 2.0m部分以0.5m正管节调整,故实际涵长L=(Li+0.5)+2n1+0.5n2+E(式中:n1、n2分别为2.0m、0.5m正管节节数,E为沉降缝宽度和考虑误差的预加长度3~5cm),L与L之差上下两端平均分配。
一、设计依据(1) 部颁《公路工程技术标准》(JTG B01-2003)(2) 部颁《公路桥涵设计通用规范》(JTGD60-2004)(3) 部颁《公路钢筋混凝土及预应力混凝土桥涵设计规范》(JTGD62-2004)(4) 部颁《公路砖石及混凝土桥涵设计规范》(JTJ022-85)(5) 部颁《公路工程抗震设计规范》(JTJ004-89)(6) 部颁《公路桥涵地基与基础设计规范》(JTJ024-85)(7) 部颁《公路桥涵施工技术规范》(JTJ041-2000)二、技术标准三、主要材料四、设计要点结构计算考虑承载能力极限状态和正常使用极限状态下的各种最不利组合,对强度、裂缝、变形进行控制。
(一) 圆管涵、倒虹吸1. 管壁各断面的弯矩计算采用刚性圆管涵计算方法计算;φ1.0米管涵管壁厚度与孔径比采用3∶20,φ1.5米管涵管壁厚度与孔径比采用1∶10。
2. 管身荷载:管身所受恒载包括管身自重、管身侧面及顶面土压力。
管身所承受的活载即车辆荷载通过填土按30°扩散角分布于管顶假定的水平面上,当分布宽度小于计算孔径时,按局部均布荷载计算;基底竖向反力假定通过基础均匀分布;圆管的侧压力强度按管顶水平面以上土柱引起的水平荷载计算;填土容重为18kN/m3,内摩擦角为35°。
3. 据管顶及管侧内力计算结果,按单筋截面砼配置管壁内、外两层受力钢筋。
4. 内径为1.5m的圆管涵用于主线上,内径为1.0m的圆管涵用于填土高度小于4.0m的互通匝道上。
5. 倒虹吸水头差(竖井进出口至管涵中心处的高差)≤12米。
(二) 箱涵1. 箱身按闭合箱形截面,取1m箱长进行内力计算,顶、底板按受弯构件配筋,侧墙按偏心受压构件计算。
2. 箱身荷载箱身所受恒载包括箱身自重、箱身侧面及顶面土压力、搭板重(填土高度小于0.5m时)。
箱身所受活载,按30°角扩散车轮荷载,不计冲击力。
活载通过填土引起的侧压力,按箱身全长范围内的箱后填土破坏棱体上的活载换算成等代均布土层厚度计算。
遂西高速公路SX1合同段圆管涵、盖板涵专项施工方案四川蜀工高速公路机械化工程有限公司遂西高速公路sx1项目部二0一三年八月二十四日圆管涵、盖板涵专项施工方案一、盖板涵1.1、施工工艺流程1.2、施工方法1.2.1、施工放样各涵洞开工前,根据设计资料,结合现场实际地形、地质情况,对其位置、方向、长度、出入口高程以及排灌系统的连接等,进行核对,以及与现场监理工程师、设计人员等优化设计后再开工。
用全站仪放出涵洞中线及放坡后的开挖边线,检测合格后进行基坑开挖。
1.2.2、开挖及清理采用1.2m3的反铲开挖,自卸车运输。
将基坑控制桩延长于基坑外2m加以固定,并适当做好截排水沟。
石方采用浅眼松动爆破。
当开挖至设计基底标高之上20cm左右时,停止用机械开挖,采用人工开挖至设计基底标高。
随后采用动力触探仪检查基底承载力,如不能满足设计承载力要求的,按图纸或监理工程师要求,进行基底换填或夯实。
在开挖基坑时,观察地下水的情况,及时设置排水措施。
雨季施工或遇有地下水时,基坑开挖时应加设支挡,要在基坑周围挖排水沟和集水坑,用抽水机将水抽干,防止基底被水浸泡。
一旦基底浸泡必须重新清底,重新报检,并在经监理工程师同意的情况下对超挖的部分铺设一层碎石或砂垫层,然后方可进行基础施工。
1.2.3、基础模板与支架(1)、基础砼模板采用尺寸标准、表面平整光洁的木模板,模板必须保证其表面平整,板缝间不漏浆等要求。
(2)、模板安装前,在模板表面涂层脱模剂,不得使用易粘在混凝土上或使混凝土变色的油料。
(3)、支立模板时为了防止模板移位变形,支立基础侧模时在模板外设立支撑固定。
墙身的侧模设立对拉杆固定,浇筑在混凝土中的拉杆,按拉杆拔出的要求设计,拉杆外套塑料管,模板拆出后拔出重复利用。
(4)、模板安装完毕后,为保证位置正确,必须对其平面位置、平整度、垂直度、顶部标高、节点联系及纵横向稳定性进行自检,合格后方可报监理工程师抽检,监理工程师认可后方能浇筑。
一、设计依据(1) 部颁《公路工程技术标准》(JTG B01-2003)(2) 部颁《公路桥涵设计通用规范》(JTGD60-2004)(3) 部颁《公路钢筋混凝土及预应力混凝土桥涵设计规范》(JTGD62-2004)(4) 部颁《公路砖石及混凝土桥涵设计规范》(JTJ022-85)(5) 部颁《公路工程抗震设计规范》(JTJ004-89)(6) 部颁《公路桥涵地基与基础设计规范》(JTJ024-85)(7) 部颁《公路桥涵施工技术规范》(JTJ041-2000)二、技术标准三、主要材料四、设计要点结构计算考虑承载能力极限状态和正常使用极限状态下的各种最不利组合,对强度、裂缝、变形进行控制。
(一) 圆管涵、倒虹吸1. 管壁各断面的弯矩计算采用刚性圆管涵计算方法计算;φ1.0米管涵管壁厚度与孔径比采用3∶20,φ1.5米管涵管壁厚度与孔径比采用1∶10。
2. 管身荷载:管身所受恒载包括管身自重、管身侧面及顶面土压力。
管身所承受的活载即车辆荷载通过填土按30°扩散角分布于管顶假定的水平面上,当分布宽度小于计算孔径时,按局部均布荷载计算;基底竖向反力假定通过基础均匀分布;圆管的侧压力强度按管顶水平面以上土柱引起的水平荷载计算;填土容重为18kN/m3,内摩擦角为35°。
3. 据管顶及管侧内力计算结果,按单筋截面砼配置管壁内、外两层受力钢筋。
4. 内径为1.5m的圆管涵用于主线上,内径为1.0m的圆管涵用于填土高度小于4.0m的互通匝道上。
5. 倒虹吸水头差(竖井进出口至管涵中心处的高差)≤12米。
(二) 箱涵1. 箱身按闭合箱形截面,取1m箱长进行内力计算,顶、底板按受弯构件配筋,侧墙按偏心受压构件计算。
2. 箱身荷载箱身所受恒载包括箱身自重、箱身侧面及顶面土压力、搭板重(填土高度小于0.5m时)。
箱身所受活载,按30°角扩散车轮荷载,不计冲击力。
活载通过填土引起的侧压力,按箱身全长范围内的箱后填土破坏棱体上的活载换算成等代均布土层厚度计算。
圆管涵设计说明范文圆管涵是一种常见且广泛应用的桥梁结构,用于解决河道、溪涧、道路等水流交汇处的涵洞需求。
圆管涵有着简单、经济、施工方便等优点,广泛应用于交通、水利、城市建设等领域。
本文将对圆管涵的设计进行说明,包括设计基本原理、设计参数、结构设计等方面。
一、设计基本原理圆管涵的设计基本原理是在交汇处设置一段圆形截面的管道,通过控制管道的直径和长度,使水流通过管道,达到解决水流交汇处的涵洞需求。
在设计过程中,需要考虑水流量、水流速度、土质条件、地质条件、环境条件等因素,确保圆管涵能够承受预期的水流冲击和地下水位压力,并且不会对周围环境和结构造成不利影响。
二、设计参数在进行圆管涵设计时,需要确定以下参数:1.内径:圆管涵的内径主要根据预计的水流量和水流速度来确定,通常根据经验公式计算得出。
2.厚度:圆管涵的厚度应根据土质条件和地下水位压力等因素来确定,并确保其能够承受预期的水流冲击力。
3.长度:圆管涵的长度应根据实际需要进行确定,通常需要考虑水流过涵洞时的水力压力等因素,并确保涵洞内的水流速度和水压都处于合理范围内。
三、结构设计圆管涵的结构设计主要包括涵洞底部设置、连接方式、加固措施等方面:1.涵洞底部设置:涵洞底部应进行适当处理以确保水流顺畅通过,并避免堆积淤塞。
常用的处理方式包括设置挡板、提升涵洞底部、改善涵洞底部坡度等。
2.连接方式:对于较长的圆管涵,需要设置适当的连接方式,以确保涵洞整体的连续性。
常用的连接方式包括搭接连接、螺栓连接等。
3.加固措施:对于需要加固的圆管涵,可以采取增加加固环、钢筋混凝土增强等措施,提高涵洞的承载能力和抗冲击能力。
四、验算与施工在完成圆管涵的设计之后,需要进行相应的验算,确保其能够满足设计要求。
常用的验算包括水流冲击力验算、土压力计算、地下水位压力计算等。
根据验算结果,进行相应的修正和调整,并编制涵洞施工图纸。
在施工中,需要注意涵洞的基坑开挖、管道安装、边坡稳定等方面的施工要求,并进行相关的检查和验收。
涵洞、通道涵、涵式小桥设计说明涵洞、通道涵、涵式小桥设计说明一、技术标准及规范1、交通部部颁标准《公路工程技术标准》JTG B01-2003。
2、交通部部颁标准《公路桥涵设计通用规范》JTG D60-2004。
3、交通部部颁标准《公路钢筋混凝土及预应力混凝土桥涵设计规范》JTG D62-2004。
4、交通部部颁标准《公路桥涵地基及基础设计规范》JTG63-2007。
5、交通部部颁标准《公路工程混凝土结构防腐蚀技术规范》JTG/TB07-01-2006。
6、交通部部颁标准《公路涵洞设计细则》JTG/T D65-04--2007。
7、钢筋混凝土箱涵参考:JT/GQB 016-2000。
8、其它相关标准及规范二、主要技术指标1、设计荷载:公路-I级。
2、设计洪水频率:1/100。
3、地震动峰值加速度值:0.1g。
三、主要材料1、圆管涵:管节采用C40混凝土,钢筋采用R235、HRB335钢筋,管基采用C20混凝土;帽石、端墙墙身及基础采用C25混凝土;八字墙墙身及基础采用C20片石砼;洞口铺砌、隔水墙采用M7.5砂浆砌片石,片石标号不小于30号。
2、盖板涵(用于跨径不大于4m,且填土高小于8m的盖板涵):3、盖板涵及涵式小桥(除跨径不大于4m,且填土高小于8m的盖板涵外):4、箱涵:涵身及翼墙采用C30混凝土,钢筋采用II级钢筋;涵身基础采用C20混凝土;洞口河床铺砌、隔水墙、锥形护坡均采用M7.5砂浆砌片石及M7.5砂浆勾缝。
四、设计要点根据实地调查的有关资料及地方要求,结合桥梁兼排水通道的设置情况,综合考虑布设涵洞、通道。
根据地基承载力、路基填土高度、设计流量及材料来源分别选用了圆管涵、盖板涵、箱涵、涵式小桥。
其中箱涵涵顶填土高度<0.5m时视为明涵。
明涵需要设置搭板,在箱涵涵身设置牛腿。
箱涵温度应力按±10°C考虑,并考虑了底板、侧墙与顶板分期浇筑时的混凝土的收缩影响,故施工时按降温10°C处理。
(1)钢筋混凝土圆管涵施工方案1.施工总体安排圆管涵施工时采用挖掘机开挖基坑,人工配合基底修整成型,基底验收合格后施工垫层和管基,然后安装管节,施工防水和沉降缝,施工进出口,最后基坑回填2.施工方法及施工顺序圆管涵按以下几个施工顺序进行施工:测量放线→基坑开挖→基底验收→垫层与基础施工→施做护涵→进出水口施工→基坑回填。
(1)测量放线在基坑开挖前应先对涵洞的轴线位置进行测量放样,测量原地面标高,确定基坑开挖的深度。
(2)基坑开挖基坑开挖采用挖掘机作业,当挖至高于设计标高0.3~0.4m时,用人工配合继续开挖修整成型。
对硬土和软岩石基础采用风动凿岩机钻孔小炮松动开挖。
有水基坑采取集中排水或挖井降水施工。
当在原有灌溉水流的沟渠修筑时,应开挖临时通道保护好灌溉水流。
(3)基底验收当基坑开挖到设计标高成行后,应再次测量其基底高程,基坑开挖的深度不得小于设计值。
自检合格后通知监理验槽。
用动力触探仪检查基地承载力,锤击数根据设计基底承载力确定。
如有实际基底承载力与设计不符,或软硬不均以及两类以上土壤交错的情况,请设计人员根据实际情况确定采取换填等方法处理,直至达到设计承载力,方可进行基础沙砾垫层的施工。
(4)垫层和基础垫层与基础应符合图纸有关规定,基础应按要求设置沉降缝沉降缝垂直、整齐,在浇注垫层之后用粘土进行回填捣实。
垫层采用沙砾铺砌,涵底基础用C20混凝土浇注。
涵底铺砌密实平整。
(5)管节安装圆管涵管节采取订购,管节运到现场拼装。
钢筋混凝土管节的装卸与拼装采用批准的吊具进行作业,严禁利用滚板或斜板卸管。
管节接头防水层严格按设计规范施工,必须特别严密,不得漏水。
(6)接头防水处理圆管涵管节间的缝隙用沥青麻絮填塞,外面用涂满热沥青的油毛毡包裹三道。
涵身每4~6米设置一道沉降缝,沉降缝贯穿整个断面,沉降缝中用沥青麻絮填塞,灌以热沥青,以防止渗水浸泡基础。
(7)施做护涵在管节接头和沉降缝防水处理完成后可以施做护涵混凝土。
说明一、技术标准及设计规范:本设计图编制主要依据交通部标准进行编制。
1、《公路工程技术标准》JTJ001-972、《公路桥涵设计通用规范》JT021-893、《公路钢筋混凝土与预应力钢筋混凝土桥涵设计规范》JT023-854、《公路桥涵地基与基础设计规范》JT024-855、《公路砖石及混凝土桥涵设计规范》JT022-85二、设计内容及主要技术标准(一)设计内容1、钢筋混凝土圆管涵2、钢筋混凝土盖板暗3、钢筋混凝土盖板明涵4、洞口工程通用图洞口工程包括:(1)八字翼墙式洞口(2)一字翼墙式洞口(3)跌井式进水口5、钢筋混凝土拱涵(二)主要技术标准1、设计荷载:汽车-超20级,挂车-120。
2、涵洞跨径、净空及地基土的容许承载力(1(4三、其他(一)本设计图按涵底坡度为平坡时绘制,设计时应按实际地形及设计流量,选择合适的涵底坡度,如涵底纵坡小于5%时,则基础及涵底铺砌可倾斜布置,涵底纵坡大于5%时,涵治基础底部宜每隔3~5米设置防滑横隔墙或把基础做成阶梯形,涵底纵坡大于10%时,涵洞洞身及基础应分段做成阶梯形。
(二)本设计图未考虑涵洞预留拱度,施工时可参考施工技术规范办理。
说明(一)一、主要材料:1、管身砼:30号砼。
2、管身钢筋:纵向钢筋采用I级钢筋;螺旋主筋采用II级钢筋。
3、基础:管身基础采用20号砼,八字墙、一字墙基础均采用15号砼。
4,洞口:1)八字墙身和一字墙身及帽石采用20号砼。
2)洞口铺砌、一字墙护坡、隔水墙均采用7.5号浆砌片石,片石标号不小于30号。
3)勾缝材料用7.5号砂浆。
二、设计要点:(一)设计计算:1、采用容许应力、极限应力两种方法分别对截面进行了应力与裂缝计算。
2、活载计算理论:按刚性管节计算即不考虑管节的变形,也不考虑涵洞顶土柱和周围填土间的摩擦力,采用角度分布法计算,半无限弹性体理论核算。
3、管节配筋按纯弯板断面分析,采用双向配筋管壁设置内外圈两层钢筋,并根据管径大小区别配用不同等级的钢筋,管节配筋由裂缝控制设计。
说明圆管涵一、设计依据(一)中华人民共和国交通部标准《公路工程技术标准》JTG B01—2003(二)中华人民共和国交通部标准《公路桥涵设计通用规范》JTG D60—2004(三)中华人民共和国交通部标准《公路钢筋混凝土及预应力混凝土桥涵设计规范》JTG D62—2004(四)中华人民共和国交通部标准《公路圬工桥涵设计规范》JTG D61—2005(五)中华人民共和国交通部标准《公路桥涵施工技术规范》JTGT F50—2011二、技术指标(一)圆管涵孔径: 1.5m。
(二)管顶填土高度:不小于0.7m。
(三)洞口型式:锥坡式、八字墙。
(四)要求地基容许承载力最低值300Kpa,。
(五)汽车荷载:公路Ⅱ级。
三、主要材料管节:C30混凝土;螺旋形主钢筋为R235钢筋φ8 mm、φ10 mm、φ12mm;纵向钢筋为R235钢筋,直径为φ8mm;帽石、洞口端墙、端墙基础及管基均为C20混凝土;洞口河床铺砌,隔水墙为C20片石混凝土,锥形护坡为M7.5浆砌片石,M7.5水泥砂浆勾缝。
四、设计要点(一)管节设计1.各种管节分别采用一种规格(材料、尺寸及配筋均相同),以便于工厂集中预制,并适用于不同填土高度。
2.管节计算考虑管基参与受力,按管壁与管基共同作用计算管壁内力,因此应根据不同的填土高度和车辆荷载分布情况来设计涵洞基础,以调整管壁内力。
3.管壁各断面的弯距计算公式,系将圆管对称分割成两个单阶变截面悬臂曲杆,作为基本结构进行推导,假定管壁厚与孔径之比为1/10,基础为两倍管壁厚度的环形局部加强断面,基础材料与管壁材料的弹性模量比取0.7,刚性管壁的轴向力对计算应力值影响很小,忽略不计。
4.圆管的外荷载:管顶填土竖向压力为土柱重;车辆荷载竖向压力通过填土按30°扩散角分布于管顶的假定水平面上。
当分布宽度小于计算孔径时,按局部均布荷载计算;基底竖向反力假定通过基础均布于组合断面中性轴的水平投影面,圆管侧压力强度按管顶水平面以上的土柱引起的水平均布荷载计算。
标准文档徐州市市政设计院有限公司2010年课题海特涵洞软件的应用与出图范本目录第一部分 (4)海特涵洞软件操作方法说明 (4)1.1基本操作 (5)1.2涵洞设计 (7)1.2.1圆管涵设计步骤 (7)1.2.2盖板涵设计步骤 (18)1.2.3倒虹吸涵设计步骤 (21)第二部分 (23)海特涵洞软件操作注意事项 (23)范例一:圆管涵设计范例 (32)范例二:盖板涵设计范例 (34)范例三:倒虹吸涵设计范例 (36)海特软件操作说明及注意事项第一部分海特涵洞软件操作方法说明1.1基本操作1.1.1运行软件软件启动时间稍长,请耐心等待1.1.2确认项目管理器软件完全打开后,在屏幕左端应出现项目管理器的窗口,如没有,请在屏幕上方嵌入的一排海特菜单栏中选择“视图”,在下拉菜单中单击“项目管理器”。
这样就会打开项目管理器窗口。
如下图:1.1.3新建项目组在屏幕上方嵌入的一排海特菜单栏中选择“文件”,,在下拉菜单中单击“新建项目组”,在弹出的对话框中输入项目组名称及保存路径,然后确定。
(初次使用时,新建项目组命令可能会自动弹出,只需将左下角的方框勾选去掉即可)如下图:1.1.4添加涵洞新建的项目组会在项目管理器中显示出来。
在项目管理器中右击项目组的名称,在弹出的菜单中选择添加涵洞命令。
然后在接下来弹出的对话框中选择涵洞类型模板并输入涵洞桩号,最后确定。
如下图:1.2涵洞设计新建的涵洞桩号会出现在项目管理器中,右击新建的涵洞,弹出的菜单里会显示出所有可以进行的操作及参数的编辑。
下面以新建的圆管涵进行详细说明。
1.2.1圆管涵设计步骤设计步骤1.涵洞选型。
右击涵洞桩号在弹出菜单中选择“涵洞选型”,在弹出的对话框中选择左右洞口的形式(一般可选锥坡洞口)和洞口与洞身结合部类型(一般可选一字墙)。
然后输入涵洞斜交角度,最后选择涵洞孔数。
在“高级参数”里,可以选择设计荷载,如下图。
2.输入地面线。
右击涵洞桩号在弹出菜单中选择“地面线”,先输入地面线中心高。
涵洞工程(一)圆管涵施工1.基坑开挖采用人工配合机械的形式进行开挖。
开挖之前先进行精确的测量放线,画出开挖轮廓,确定开挖机具停放的位置及弃碴位置,开挖时采用放坡开挖,必要时进行坑壁防护。
当基坑位于原有的灌溉水流的沟渠修筑时,要开挖临时通道保护好灌溉水流。
基槽开挖后,应紧接着进行垫层铺设。
压实度应在90%以上,按重型击实法试验测定。
2.基座的施工基座可立模现浇,砼使用强制式砼搅拌机现场拌合,基座的尺寸应符合设计要求。
管基砼可分两次浇筑,先浇筑管底以下部分,并预留管基厚度及安放管节座浆砼2~3cm,待安放管节后再浇筑管底以上部分。
3.管节的安装圆管涵的砼管节计划在专业预制厂购买,用汽车运输到施工现场进行安装。
管节从下游开始安装,使接头面向上游,每节涵管应紧贴于基座上,使涵管受力均匀,所有管节应按正确的轴线和坡度敷设。
4.接缝处理涵管接缝宽度不应大于10mm,严禁加大接缝来满足涵长的要求,应用沥青或其它具有弹性的不透水材料填塞接缝内、外侧,以形成一柔性密封层。
(二)盖板涵施工(1)基坑开挖根据涵洞位置施工测量定出的涵台纵横中心线,放出上口开挖线,边坡根据地质情况采用适当的放坡率,为避免边坡冲刷坑壁,基坑顶四周做好排水,基坑开挖大小应满足基础施工要求,土方可采用机械开挖,至坑底标高前预留20cm 在验槽后采用人工清除(2)涵台施工现浇混凝土涵台、侧墙、一字墙基础,台墙身水泥、集料、水等均应选用符合图纸及技术规范要求的质量合格认证的材料。
并按有关规定进行检验,以确定其各种性能均能满足使用要求,不合格材料坚决杜绝使用,并按选定的合格材料,进行配合比试验。
砼浇注施工:在施工前,应把配合比试验结果,实施性施工方法等全部细节资料报请监理工程师审批,在监理工程师批准后,才可进行浇筑。
模板制作:内外模板采用钢模板,模板要具有必须的强度、刚度和稳定性,能承受施工中可能产生的各项荷载,保证结构物各部形状、尺寸准确。
模板内要平整、严密不漏浆,拆装容易,施工方便,保证安全。
钢筋混凝土盖板暗涵设计说明1.设计内容(1)涵洞盖板2.设计要点(1)本涵洞通用图进出口设计图仅示出八字翼墙,涵洞进出口处理时应结合实际地形进行处理,选择适当的进出口方式。
(2)装配式钢筋混凝土预制盖板按简支板计算内力,不考虑涵台传来的水平力。
(3)计算涵洞上车辆荷载引起的竖向力时,车轮着地面积的边缘向下作30度角分布,当几个车轮的扩散线重叠时,以最外边扩散线为准。
(4)在具体涵台计算时,分离式基础盖板涵假定盖板和涵底铺砌为支撑,涵台作为上下简支的竖梁,承受台后水平压力;整体式基础盖板涵,按上端简支、下端台身与基础固接的竖梁模式计算。
其中活载引起的台后土压力按换算土柱高计算。
(5)涵洞整体式基础,按承受地基反力作用的简支板计算。
3、主要材料(1)混凝土及浆砌片石①钢筋混凝土盖板采用C30混凝土。
②涵台及基础均采用C20混凝土,台帽采用C25混凝土;涵底铺砌、截水墙及其他洞口工程均采用M7.5浆砌片石。
(2)钢筋凡直径<12mm者采用R235级钢筋(A3),凡直径≥12mm者用HRB335级钢筋。
4、施工要点(1)装配式钢筋混凝土预制盖板按99厘米和74厘米两种宽度预制,如块件需要零数的增宽,可按需要的宽度进行预制,板内钢筋按99厘米宽的配筋进行折算。
当为斜交涵洞时,洞口两端盖板按实际设计为梯形板,可预制拼装,亦可就地现浇。
(2)盖板搭接、盖板安装完毕后,应采用M30水泥砂浆填充台背与盖板间的间隙,当其强度达到设计强度的70%后,方可进行台后填土。
(3)预制板必须在混凝土达到设计强度70%后,才能脱底模、移运和堆放,堆放时应在块件端部两点搁置,不得把上下面倒置,可用钢丝绳梆捆吊运。
(4)在整体式基础涵洞的涵台筑砌前,应在基础与涵台的接触面处将基础顶面进行正规拉毛处理,冲洗干净,以利基础与涵台间牢固结合。
(5)台后在不小于两倍孔径范围内,选用透水性能良好的砂质土或砂砾石土等对分层夯实。
压实度应符合路基压实度的要求。
说明一、技术标准及设计规范:本设计图编制主要依据交通部标准进行编制。
1、《公路工程技术标准》JTJ001-972、《公路桥涵设计通用规范》JT021-893、《公路钢筋混凝土与预应力钢筋混凝土桥涵设计规范》JT023-854、《公路桥涵地基与基础设计规范》JT024-855、《公路砖石及混凝土桥涵设计规范》JT022-85二、设计内容及主要技术标准(一)设计内容1、钢筋混凝土圆管涵2、钢筋混凝土盖板暗3、钢筋混凝土盖板明涵4、洞口工程通用图洞口工程包括:(1)八字翼墙式洞口(2)一字翼墙式洞口(3)跌井式进水口5、钢筋混凝土拱涵(二)主要技术标准1、设计荷载:汽车-超20级,挂车-120。
2、涵洞跨径、净空及地基土的容许承载力(1(2)钢筋混凝土盖板暗涵(4三、其他(一)本设计图按涵底坡度为平坡时绘制,设计时应按实际地形及设计流量,选择合适的涵底坡度,如涵底纵坡小于5%时,则基础及涵底铺砌可倾斜布置,涵底纵坡大于5%时,涵治基础底部宜每隔3~5米设置防滑横隔墙或把基础做成阶梯形,涵底纵坡大于10%时,涵洞洞身及基础应分段做成阶梯形。
(二)本设计图未考虑涵洞预留拱度,施工时可参考施工技术规范办理。
说明(一)一、主要材料:1、管身砼:30号砼。
2、管身钢筋:纵向钢筋采用I级钢筋;螺旋主筋采用II级钢筋。
3、基础:管身基础采用20号砼,八字墙、一字墙基础均采用15号砼。
4,洞口:1)八字墙身和一字墙身及帽石采用20号砼。
2)洞口铺砌、一字墙护坡、隔水墙均采用7.5号浆砌片石,片石标号不小于30号。
3)勾缝材料用7.5号砂浆。
二、设计要点:(一)设计计算:1、采用容许应力、极限应力两种方法分别对截面进行了应力与裂缝计算。
2、活载计算理论:按刚性管节计算即不考虑管节的变形,也不考虑涵洞顶土柱和周围填土间的摩擦力,采用角度分布法计算,半无限弹性体理论核算。
3、管节配筋按纯弯板断面分析,采用双向配筋管壁设置内外圈两层钢筋,并根据管径大小区别配用不同等级的钢筋,管节配筋由裂缝控制设计。
说明一、原有桥涵现状及利用情况某市爱工队至芒三村公路工程,全路段没有桥梁,原有涵洞1道,增设2道。
根据调查了解到的路基排水现状,再考虑到乡村公路改造的资金投资规模的控制,全路段需整拆除重建1道,增设2道,可基本满足路基、路面的排水需要。
二、参照的技术标准、规范及指标㈠技术标准、规范1、中华人民共和国交通部部颁标准《工程建设标准强制性条文》(公路工程部分);2、中华人民共和国交通部部颁标准《公路工程技术标准》(JTG B01—2003);3、中华人民共和国交通部部颁标准《公路桥涵设计通用规范》(JTG D60—2004);4、中华人民共和国交通部部颁标准《公路钢筋混凝土及预应力桥涵设计规范》(JTG D62—2004);5、中华人民共和国交通部部颁标准《公路桥涵地基与基础设计规范》(JTJ024—85);6、中华人民共和国交通部部颁标准《公路圬工桥涵设计规范》(JTG D61—2005);7、中华人民共和国交通部部颁标准《公路工程水文勘测设计规范》(JTG C30—2002);8、中华人民共和国交通部部颁标准《公路工程抗震设计规范》(JTJ004-89)。
㈡技术指标1、汽车荷载等级:公路—Ⅱ级;2、设计洪水频率为1/25;3、地震基本烈度为Ⅵ度区,抗震设防采用地震动峰值加速度系数0.05;三、涵洞设计要点㈠盖板涵⑴盖板明涵上部1、明涵顶上标高通过涵台高度调整。
⑵盖板明涵、暗涵下部1、涵台利用盖板及涵底铺砌作为上、下端的支撑,涵台作为上、下端简支承受台背水平土压力的竖梁进行计算。
2、为使涵台与盖板连接起到支撑作用,涵台顶面做成椅背式台帽与盖板顶面齐平抵紧。
3、盖板涵的地基容许承载力不得低于0.25MPa。
㈡圆管涵1、圆管节按刚性管节计算内力,即不考虑管节的变形,也不考虑涵洞顶土柱和周围填土间的摩擦力,采用角度分布法计算,半无限弹性体理论核算。
2、管节配筋按纯弯板断面分析,采用双向配筋管壁设置内外圈双层钢筋,并根据管径大小区别配用不同等级的钢筋,管节配筋由裂缝控制设计。
涵洞设计说明
1、设计荷载
公路—Ⅱ级。
2、建筑材料
2.1、圆管涵
2.1.1、管身混凝土为C30,钢筋为R235钢筋和HRB335钢筋。
2.1.2、洞口竖井采用C20混凝土,河床铺砌、隔水墙、锥坡及水沟采用M10砂浆砌
片石,石料强度不低于MU30号。
勾缝用M10砂浆。
2.1.3、管节接头基础,从下倒上依次为C20混凝土管座,C20混凝土基础。
3、施工要点
3.1、圆管涵
3.1.1、圆管涵管节在对头拼接时,先浇筑管底C20片石混凝土,再浇筑中部.
3.1.2、管节预制、运输、存放时,应注意轻放,堆放的底面应平整,必要时铺设
5~10c m的砂垫层,使受力均匀,以免管节开裂。
3.1.3、当洞顶填土厚0.5~1.0 m时,管顶路基及管身两侧,在不小于两倍孔径范围
内应用含水量9%的石灰土每10 cm一层,分层夯实,使密度达到石灰土最佳含水量的90%,或用天然级配砂石料保持最佳含水量每10 cm一层,分层夯实,相对密度应达到95%。
3.1.4、施工时,必须注意管涵的全长与管节及端部竖井位置配置准确,对斜交
管涵应首先配置两端的斜管节,其余按1 m标准管节配置,余下不足1 m的
管节以0.5 m正管节调整,当管节长度之和与实际涵长有微小差值时,应将
差值平分于上下游两端。
为避免放样时的误差,可将一端洞口竖井于管节
安装完毕后,再行浇筑。
3.1.5、管涵基底应按设计要求铺设,必须注意平整,砂砾垫层必须均匀、密实。
3.1.6、预制管节建议采用离心旋转成型工艺,工厂集中预制或向水泥预制管厂定制。
3.1.7、施工时,当管顶填土小于0.5 m时,严禁任何重型机械和车辆通行。
3.1.8、其它未提及之处,请按设计图施工。
4、其它
4.1、施工中基坑开挖若发现局部地质较软弱时,必须进行局部处理,开挖台阶基础
产生的楔体必须采用相应标号的浆砌片石填筑,不得随意回填。
说明中未提
到之处,严格按《公路桥涵施工技术规范》有关条款执行。
4.2、施工中,开挖的基坑一律不得长期暴露,避免暴晒或雨水浸泡从而软化地基。
4.3、施工中除严格控制台背填土外,施工车辆一律不得在裸板情况下通行。
4.4、软基地段的盖板涵,盖板与涵台接触部分在砂浆找平初凝后应加油毛毡,才能
就位盖板。
4.5、如涵洞出口铺砌较长,且横坡较陡时,应设防滑台。
4.6、洞口锥坡、护坡均采用30 cm厚浆砌片石。
4.7、涵洞进出口改沟时,施工时应注意和原沟相配合。
4.8、涵洞洞口八字墙与挡墙相接时,挡墙数量已计入挡墙工程数量表中。
4.9、如在填方地段设圆管涵,施工时,必须分层填土(压实度必须达95%)
至洞顶后,才能开挖基础设涵。