全国职业院校技能大赛建筑CAD识图试卷
- 格式:pdf
- 大小:478.92 KB
- 文档页数:11
2023年全国职业院校建筑CAD技能大赛试卷-绘图
一、绘图题
根据以下要求,使用CAD软件完成对给定建筑平面图的绘制。
1. 建筑平面图绘制要求
在CAD软件中,根据以下要求绘制给定的建筑平面图:
1.绘制建筑平面图,包含建筑的外部轮廓、内部分区、
房间等信息。
2.按照建筑设计要求,绘制建筑平面图的比例为
1:100。
3.绘制建筑平面图时,应使用合适的图层管理功能,
将不同的元素分配到不同的图层中,方便管理和修改。
4.在绘制建筑平面图时,应提供合适的图例和比例尺,
使得平面图的信息清晰明了。
5.平面图绘制完成后,需要导出为标准的CAD绘图文
件格式,以便后续审查和修改。
以下为建筑平面图的基本要素:
•外部轮廓:建筑的外部边界,包括墙体、门窗等开口以及外部的景观元素。
•内部分区:建筑内部的分区,包括隔墙、楼梯、走廊等。
•房间:建筑内部的房间,包括客厅、卧室、厨房、卫生间等。
每个房间应标注房间号和面积。
评分标准
•图纸比例及准确性(20分):绘制的建筑平面图的比例是否准确。
•图纸内容完整性(30分):绘制的建筑平面图是否包含了全部要求的基本要素。
•图层管理及命名规范(20分):图纸中是否使用了合适的图层管理功能,图层的命名是否规范。
•图例和比例尺的使用(10分):图纸中是否提供了合适的图例和比例尺。
•CAD文件导出(20分):绘制的建筑平面图是否成功导出为标准的CAD绘图文件格式。
二、参考文献
•《CAD软件使用教程》
•《建筑平面图绘制原理与技巧》
•《建筑CAD设计与制图》。
2016年全国职业院校技能大赛中职组建筑CAD赛项“建筑施工图识图与理论”环节试题共50题,其中建筑识图25题,每题0.8分;房建理论25题,每题0.4分,总分30分,时间50分钟。
1.根据所给构件正立面图和左侧立面图,选择正确的平面图。
()2.根据所给构件左侧立面图和平面图,选择正确的正立面图。
()3.根据所给构件正立面图和左侧立面图,选择正确的平面图。
( )4.根据所给1-1、3-3剖面图,选择正确的2-2剖面图。
( )5.已知某构件的平面图,请选择1-1剖面图正确的一项。
()6.已知某构件的平面图和正立面图,请选择正确的A向局剖视图。
()7.已知某构件的正立面和左侧立面图,请选择正确的1-1断面图。
( )8.图中关于建筑物入口朝向说法正确的是()。
A.朝东B.朝西C.朝南D.朝北9.图中为某办公楼的檐沟详图,本图详图符号表示内容为:()。
A.详图在编号为3号的施工图上B.详图在编号为5号的施工图上C.被索引的图纸在编号为3号的施工图上D.被索引的图纸在编号为5号的施工图上10、图示为石材幕墙干挂龙骨的断面,请选择石材、角钢、柱子材料图例表示均正确的选项。
()11. 新旧建筑埋深不合理的是()。
12.地下室防水中防水层需高出最高地下水位()mm。
13.图中哪一项注写错误?()14. 下列图示墙身水平及垂直防潮层位置做法错误的是( )。
15. 下列为单向板的是()。
A.①②③⑥⑦ B.①②③⑥ C.①②③ D.②③16. 图示木地面的构造方式为()。
A.空铺式 B.实铺式 C.粘贴式 D.拼装式17. 下图所示楼地面,面层做法和图最匹配的是()。
A.水磨石面层 B.细石混凝土面层 C.缸砖面层 D.木地板面层18. 图示为某住宅自行车坡道详图,请选择坡道长度L正确的选项。
()A. 6500mmB. 4500mmC. 4000mmD. 3500mm19. 下图中楼梯栏杆高度表达正确的选项是()。
职业学校技能竞赛试题项目:学生AutoCAD制图比赛时间:180分钟一、按下图所示1∶1标注尺寸。
要求字高为3.5mm,箭头长度为3.5mm,尺寸界线超出尺寸线2mm,图示水平标注的尺寸仍然要水平标注。
(10分)二、补画俯视图。
(10分)三、补画左视图。
(10分)四、按尺寸抄画下图,不标注尺寸。
文件名保存为4.dwg(10分)五、抄画零件图,图纸幅面为A3。
(60分)文件名保存为5.dwg2011年技能节-----AutoCAD技能竞赛须知请认真阅读,否则,事后的抱怨将不被接受。
一、选手须知1.参赛选手必须提前15分钟到场、抽签。
迟到15分钟取消比赛资格。
2.参赛选手必须按指定座位号参加竞赛。
3.参赛选手应严格遵守赛场纪律,除携带竞赛必备的用具(笔、尺)外,不准带入技术资料和任何工具书。
所有通讯工具一律不得带入竞赛现场。
4.参赛选手在竞赛过程中不得擅自离开赛场,如有特殊情况,需经裁判人员同意后作特殊处理。
5.参赛选手在竞赛过程中,如遇问题需举手向裁判人员示意,经裁判人员同意后再发言,选手之间相互询问按作弊行为处理。
6.在竞赛规定时间结束时应立即停止答题或操作,不得以任何理由拖延竞赛时间。
7.如遇死机等突发情况,请及时报告裁判,并服从裁判裁决。
8.如果选手提前结束竞赛,应举手向裁判员示意提前结束操作。
竞赛终止时间由裁判员记录,选手提前结束比赛后不得再进行任何操作。
二、试卷说明1.本试卷共两部分,考试时间为120分钟。
满分为100分。
全部在计算机上完成答题。
2.第一部分的文件名格式为:姓名1.dwg,第二部分的文件名格式为:姓名2.dwg 。
3.保存前把绘制的内容最大化显示在绘图区域(可双击鼠标滚轮完成)。
4.完成任务后,上传文件,经老师确认已经上交后方可关机。
5.选手得分大于等于95分时,每提前五分钟交卷加五分。
否则,提前交卷不加分。
注:本说明和须知解释权归裁判长。
2011年5月2011年AutoCAD 技能竞赛试题第一部分(满分40分)1.基本体为三棱锥,被一个正垂面切割,补画三个视图的缺线。
2022年全国职业院校技能大赛中职组建筑CAD赛项“建筑施工图识图与理论”模块赛题注意事项:1. 共90题,其中识图单选题15题,每题3分,识图多选题15题,每题4分;理论单选题30题,每题2分,理论多选题30题,每题4分,总分285分,时长120分钟。
2. 在规定时间内完成即可,提前交卷的选手不予加分。
3. 遇到意外情况,应及时向裁判报告,听从裁判安排,不要自行处理。
4. 选手在提交竞赛结果前,务必再次核对结果,确认无误后再提交。
一、识图单选题(共15题,每题3分,共45分)1.根据所给构件的正立面图和平面图,选择正确的左侧立面图()。
2.已知某构件的正立面图与左侧立面图,选择正确的平面镜像图()。
3.根据所给正立面图和1-1剖面图,选择正确的2-2剖面图()。
4.检查口图例辨识。
5.总图中各类建筑表示。
6.尺寸标注的规则。
7.砌体结构大放脚的构造。
8.砖基础大放脚构造。
9.砖墙勾缝做法。
10.外墙防震缝及盖缝构造。
11.卫生间排水方案设置。
12.室外疏散楼梯的尺度要求。
13.屋面排气构造。
14.屋面上人孔构造。
15.门的设置要求。
二、识图多选题(共15题,每题4分,共60分)1.根据所给构件的正立面图和平面图,选择正确的左侧立面图( )。
2.根据所给构件的左侧立面图和平面图,选择正确的正立面图( )。
3.三面投影都正确的视图组有( )。
4.窗的类型及开启方式。
5.孔洞图例辨识。
6.墙体的材料图例。
7.地下室穿墙螺栓防水构造节点构造。
8.地下室顶板节点构造。
9.圈梁的构造。
10.附加圈梁的构造。
11.木地板的辨识及应用。
12.折角楼梯的构造要求。
13.高层屋面的排水方式。
14.平屋面构造层次。
15.窗的形式与应用。
三、理论单选题(共30题,每题2分,共60分)1.下列可用于所有防水等级及防水部位的变形缝处的防水措施是()。
A. 外涂防水涂料B. 外贴防水卷材C. 膨胀止水条D. 中埋式防水止水带2.以下关于新旧建筑物基础埋置深度的说法,错误的是()。
2022年建筑CAD国赛识图单选题1.根据所给构件平面图和正立面图,选择正确的左侧立面图。
(C)。
A. AB.BC. CD. D2.已知某构件的正立面图与左侧立面图,选择正确的平面图(B )。
A. AB.BC. CD. D3.根据所给平面图和 1-1 剖面图,选择正确的 2-2 剖面图(A)。
A. AB.BC. CD. D4.下图图例表示的是( C )A.人防单扇密闭门B.单层外开平开窗C.人防单扇防护密闭门D.单层内开平开窗5.下列符号直径尺寸绘制应为14mm的选项是()。
A. AB.BC. CD. D6. 下列关于方格网交叉点标高的说法,正确的是()。
A. AB.BC. CD. D7.下列变形缝符合构造要求的是()。
A. AB.BC. CD. D8.下列刚性基础示意图中,不能满足构造要求的是()。
A. AB.BC. CD. D9.外墙体外保温构造中图中所示构造层是()。
A.找平层B.粘结层C.隔汽层D.隔离层10.下图中,中型砌块搭接错误的是()A. AB.BC. CD. D11.以下楼板中整体性比较差的是(B)。
A. AB.BC. CD. D12.住宅公共楼梯平面图,满足规范要求的是(C)。
A. AB.BC. CD. D13.下列平屋面泛水构造详图准确的是(B)。
A. AB.BC. CD. D14.关于图中说法,正确的组合是(B)①该屋面为保温正置式屋面②所用的防水材料是聚氨酯防水涂料③该檐口下端设置了鹰嘴和滴水槽④墙体采用内保温体系⑤该檐口为钢筋混凝土檐口A.①②③B.①③⑤C.②③④D.②④⑤15.木窗框与墙缝的构造处理符合要求的是(A)A. AB.BC. CD. D。
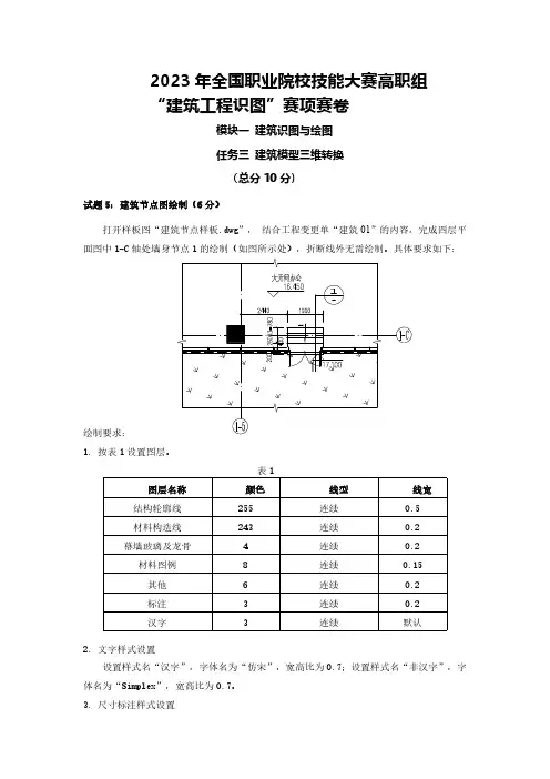
2023年全国职业院校技能大赛高职组“建筑工程识图”赛项赛卷模块一建筑识图与绘图任务三建筑模型三维转换(总分10分)试题5:建筑节点图绘制(6分)打开样板图“建筑节点样板.dwg”,结合工程变更单“建筑01”的内容,完成四层平面图中1-C轴处墙身节点1的绘制(如图所示处),折断线外无需绘制。
具体要求如下:绘制要求:1.按表1设置图层。
表1图层名称颜色线型线宽结构轮廓线255连续0.5材料构造线243连续0.2幕墙玻璃及龙骨4连续0.2材料图例8连续0.15其他6连续0.2标注3连续0.2汉字3连续默认2.文字样式设置设置样式名“汉字”,字体名为“仿宋”,宽高比为0.7;设置样式名“非汉字”,字体名为“Simplex”,宽高比为0.7。
3.尺寸标注样式设置尺寸标注样式名为“尺寸”。
文字样式选用“非汉字”,箭头大小为1.2mm,基线间距8mm,尺寸界限偏移尺寸线2mm,尺寸界限偏移原点5mm,文字高度3mm,使用全局比例为20。
4.其他1)窗台做钢筋混凝土压顶,内外均出挑墙面100mm,厚100mm;外窗台铝板面层,坡度3%;厚度8mm;2)面层粉刷厚度按50mm绘制;其余(板底、梁等)粉刷按20mm绘制;3)屋面保护层以上构造如下:20厚成品塑料排水板,凸点向上;1厚土工布一层;500厚种植土;且设置卵石隔离带宽≥400mm;4)须标注必要的尺寸和标高,且进行文字注释;5)正确进行材料图例填充。
5.绘图比例1:1,出图比例1:20。
保存要求:完成绘制任务后,将绘制好的试题5保存在以赛位号命名的文件夹,文件名为“试题5-xxx.dwg”,xxx为赛位号。
注:样板图中已设置图层...........“.样板.....................”.,该图层已锁定,不得删除不得编辑修改。
试题6:建筑节点三维转换(4分)将完成的试题5建筑节点图,在建模软件内创建节点构造模型。
模型建立要求:1、建模比例1:10。
2016年全国职业院校技能大赛中职组建筑CAD赛项“建筑施工图识图与理论”环节试题1.根据所给构件正立面图和平面图,选择正确的左侧立面图。
()2.根据所给构件正立面图和左侧立面图,选择正确的平面图。
()3.根据所给构件正立面图和左侧立面图,选择正确的平面图。
()4.根据所给1-1、3-3剖面图,选择正确的2-2剖面图。
()5.已知某构件的平面图和正立面图,选择正确的1-1剖面图。
()6.已知某构件的正立面图与左侧立面图,选择正确的平面镜像图。
()7.钢筋混凝土翼墙平面图,选择正确的1-1断面图。
()8.以下哪个符号为室外总平面图的标高符号?()9.如图下图所示,墙体线宽为1,图中e处线宽应为。
()10.下列图例表示建筑材料是石膏板的?()11.如图所示基础埋置深度正确的为()。
12.如图所示地下室采光井构造尺寸正确的为()。
13.请选择附加圈梁构造要求正确的一项。
( )A. L≥h且 L≥800 mmB. L≥h且 L≥1000mmC. L≥2h且 L≥800 mmD. L≥2h且 L≥1000 mm14.水平防潮层作法不正确的是()。
15.请选择地面垫层留缝不正确的选项。
()16.请选择水磨石楼面图示正确的选项。
()17.以下板端处理合理的是()。
18.下图为某建筑第五层楼梯间,其中门的设置有误的选项是()。
19.某高层建筑剪刀楼梯平面图如下,请选择梯段与平台宽度均符合规范的一项。
()20.已知楼梯平面图,请选择楼梯剖面图B-B正确的一项。
()21.构件式遮阳是结合窗过梁等构件,在窗前设置遮阳板进行遮阳。
在我国海南省的夏季,房屋正南向窗遮阳形式宜采用()。
A.①③B.②③C.③④D. ①②22.木窗框与墙缝的构造处理符合要求的一项是()。
23.下列屋面构造属于倒置式屋面的是()。
A.①③B. ①④C.②③D.②④24.下图中属于坡屋面有组织封檐构造是()。
25.防火间距合理的是()。
26.当地基持力层比较软弱或部分地基有一定厚度的软弱土层时,我们常采用哪种方法来加固地基?()A.压实法 B.打桩法 C.换土法 D.机械压实法27.当地基条件较好,基础埋置深度较浅,且为砖混结构的建筑的基础多采用()。
2016年全国职业院校技能大赛中职组建筑CAD赛项“建筑施工图识图与理论”环节试题1.根据所给构件正立面图和左侧立面图,选择正确的平面图。
()2.根据所给构件的左侧立面图和平面图,选择正确的正立面图。
()3.根据所给构件正立面图和左侧立面图,选择正确的平面图。
()4.已知某构件的正立面图和平面图,请选择正确的1-1剖面图。
()5.已知某构件的平面图与正立面图,请选择正确的1-1剖面图。
()6.已知某构件的局部平面图与正立面图,请选择正确的A向斜视图。
()7.下图为工字钢的移出断面图,表达正确的是()。
8.请选择总平面图中尺寸标注正确的选项:。
()9.请选择图中标高符号标注规范的选项。
()10.下图表示哪一种图例。
()11.基础埋深合理的是()。
12.请选择图中截面附合构造要求的混凝土基础。
( )13.以下明沟构造表达有误的是()。
14.图中构造柱的马牙槎构造错误的是()。
15.下列图示中属于凹阳台的是()。
16.图示为一梁板式雨篷的1-1剖面图,请问图示中的Ⅰ;Ⅱ分别代表()。
A.水舌;淌水B. 排水;流水C.水舌;滴水D.排水;滴水17.某建筑物地面为水泥混凝土防水地面,构造做法见图中表格,请选择地面构造简图正确的一项。
()18.以下楼梯剖面中,()所示为梁板式楼梯中的暗步楼梯。
19.下图为某建筑二层安全疏散楼梯平面图,其安全疏散设计合理的是()。
20.下图中楼梯入口净高设置合理的是()。
21.黑龙江某街道办事处一层平面图如下,请选择门类型选用不合理的一项是()。
(不考虑门位置和数量设置的合理性)22.卫生间带百叶门的外立面图,其百叶部分的剖面详图正确的一项是()。
23.下列屋顶最高点标高最高的是()。
24.屋面坡度为20%时,油毡铺贴应采用以下哪种形式()。
25.下列房屋选址合理的是()。
26.建筑物地下室墙身防潮,应在墙面外侧填()。
A.低渗透性土壤 B.高渗透性土壤C. 任意土壤D. 素混凝土27.地基中需要进行计算的土层为()。
2016年全国职业院校技能大赛中职组建筑CAD赛项“建筑施工图识图与理论”环节试题1.根据所给构件正立面图和平面图,选择正确的左侧立面图。
()2.根据所给构件左侧立面图和平面图,选择正确的正立面图。
()3.根据所给构件正立面图和平面图,选择正确的左侧立面图。
()4.已知构件平面图与正立面图,请选择正确的1-1剖面图。
()5.已知某构件的平面图与正立面图,请选择正确的1-1剖面图。
()6.已知某构件的正立面图与左侧立面图,选择正确的平面镜像图。
()7.已知某构件的正立面和平面图,请选择正确的1-1断面图。
()8.图中关于建筑物入口朝向说法正确的是()。
A.朝东B.朝西C.朝南D.朝北9.某建筑平屋顶采用材料找坡排水设计,请选择i=2%排水坡度符号表示正确的选项。
( )10.下面哪个选项在总图中代表散状材料露天堆场?()11.基础埋深合理的是()。
12.如图所示地下室采光井构造尺寸正确的为()。
13.图中砖墙组砌方式哪种为一顺一丁式?()14. 下列图示墙身水平及垂直防潮层位置做法错误的是( )。
15. 图示中住宅的阳台栏杆设置合理的是()。
16. 下列图示中属于挑板式阳台的为()。
17. 某建筑物地面为水泥混凝土防水地面,构造做法见图中表格,请选择地面构造简图正确的一项。
()18. 下图为某建筑第五层楼梯间,其中门的设置有误的选项是()。
19. 某七层住宅楼无障碍出入口设计如下,图中数据表示不正确的是()。
20. 某七层住宅楼无障碍出入口设计如下,请选择图中坡道及入口平台设计正确的选项。
()21.图中门尺寸设计不合理的是()。
22.下列门窗图例与名称对应正确的是()。
A.①②③④⑤B.①③④C.②③⑤D.②③④⑤23.下列屋顶最高点标高最高的是()。
24.下图中属于坡屋面有组织封檐构造是()。
25. 下列合适的建筑平面的形状是()。
26. 下列对于深基础和浅基础的说法,正确的是()。
A.当基础埋深大于或等于4m叫深基础B.确定基础埋深时,应优先考虑浅基础C.当基础埋深大于或等于基础宽度5倍是叫深基础D.基础埋深小于4m或基础埋深小于基础宽度的4倍时叫浅基础27. 基础埋深不超过()的称为浅基础。
2016年全国职业院校技能大赛中职组建筑CAD赛项“建筑施工图识图与理论”环节试题共50题,其中建筑识图25题,每题0.8分;房建理论25题,每题0.4分,总分30分,时间50分钟。
1.根据所给构件正立面图和左侧立面图,选择正确的平面图。
()2.根据所给构件左侧立面图和平面图,选择正确的正立面图。
()3.根据所给构件正立面图和左侧立面图,选择正确的平面图。
( )4.根据所给1-1、3-3剖面图,选择正确的2-2剖面图。
( )5.已知某构件的平面图,请选择1-1剖面图正确的一项。
()6.已知某构件的平面图和正立面图,请选择正确的A向局剖视图。
()7.已知某构件的正立面和左侧立面图,请选择正确的1-1断面图。
( )8.图中关于建筑物入口朝向说法正确的是()。
A.朝东B.朝西C.朝南D.朝北9.图中为某办公楼的檐沟详图,本图详图符号表示内容为:()。
A.详图在编号为3号的施工图上B.详图在编号为5号的施工图上C.被索引的图纸在编号为3号的施工图上D.被索引的图纸在编号为5号的施工图上10、图示为石材幕墙干挂龙骨的断面,请选择石材、角钢、柱子材料图例表示均正确的选项。
()11. 新旧建筑埋深不合理的是()。
12.地下室防水中防水层需高出最高地下水位()mm。
13.图中哪一项注写错误?()14. 下列图示墙身水平及垂直防潮层位置做法错误的是( )。
15. 下列为单向板的是()。
A.①②③⑥⑦ B.①②③⑥ C.①②③ D.②③16. 图示木地面的构造方式为()。
A.空铺式 B.实铺式 C.粘贴式 D.拼装式17. 下图所示楼地面,面层做法和图最匹配的是()。
A.水磨石面层 B.细石混凝土面层 C.缸砖面层 D.木地板面层18. 图示为某住宅自行车坡道详图,请选择坡道长度L正确的选项。
()A. 6500mmB. 4500mmC. 4000mmD. 3500mm19. 下图中楼梯栏杆高度表达正确的选项是()。
附件2.全国职业院校技能大赛“建筑工程识图”赛卷及评分标准2022 年全国职业院校技能大赛高职组“建筑工程识图”赛项竞赛任务(三)建筑专业竣工图绘图(节选)试题1:建筑平面图绘制(20分)打开样板图“试题1.dwg”,按照工程变更单“建筑01”的内容,完成B座四层平面图绘制。
绘制要求:1.按表1设置图层设置样式名“汉字”,字体名为“仿宋”,宽高比为0.7;设置样式名“非汉字”,字体名为“Simplex”,宽高比为0.7。
3.尺寸标注样式设置尺寸标注样式名为“尺寸”。
文字样式选用“非汉字”,箭头大小为1.2mm,基线间距10mm,尺寸界线偏移尺寸线2mm,尺寸界线偏移原点5mm,文字高度3mm,使用全局比例为100。
4.其他1)须注写房间名称,采用3.5号字;图名无须注写;2)电梯轿厢、卫生洁具、消防设施、配电设施、排水设施、空调室外机、消防救援口等无须绘制;索引符号、引出标注、箭头、门窗编号等无须绘制;剪力墙无须材料填充;尺寸只需标注外部两道尺寸及轴线号;须标注标高;3)所有门居墙中;门开启线均为90度;4)除注明外,细节绘制示意图如下:5.绘图比例1:1,出图比例1:100。
保存要求:完成绘制任务后,将绘制好的试题1保存在指定文件夹,文件名为“试题1-xxx.dwg”,xxx为赛场机位号。
试题2:建筑立面图绘制(20分)打开样板图“试题2.dwg”,按照工程变更单“建筑01”的内容,完成B座①-⑪轴立面图(折断线以外无须绘制)。
绘制要求:1.按表2设置图层,线宽默认。
1)图名、尺寸、标高等无须标注;2)A座投影无须绘制;①号轴左侧剩余建筑投影无须绘制;3)门窗分格线均用单线绘制,样式以建筑工程变更单01附图为准;须绘制门开启线,窗开启线无须绘制;4)须图案填充,比例合适。
3.绘图比例1:1,出图比例1:100。
保存要求:完成绘制任务后,将绘制好的试题2保存在指定文件夹,文件名为“试题2-xxx.dwg”,xxx为赛场机位号。
2016年全国职业院校技能大赛中职组建筑CAD赛项“建筑施工图识图与理论”环节试题1.根据所给构件左正立面图和左侧立面图,选择正确的平面图。
()2.根据所给构件正立面图和平面图,选择正确的正立面图。
()3.根据所给正立面图和左侧立面图,选择正确的平面图。
()4.已知某构件的平面图,请选择正确的2-2剖面图。
()5.根据所给的1-1、3-3剖面图,选择正确的2-2剖面图。
()6.已知某构件的平面图和正立面图,请选择正确的A向局剖视图。
()7.已知某构件的正立面和平面图,请选择正确的1-1断面图。
()8.选择图中标注规范的一组剖视剖切符号。
()9.请选择关于散水构造详图说法正确的一项。
()A.建施2中的9号详图B.建施9中的2号详图C.建施1中的9号详图D.建施9中的1号详图10.下列图例在总图中表示坑槽正确的一项。
()11.如图所示基础形式为()。
A. 独立基础B. 条形基础C.箱形基础D. 筏形基础12.如图所示相邻基础净距不满足要求的为()选项。
13.图中砖墙组砌方式哪种为一顺一丁式?()14.水平防潮层设置正确的是()。
15.下图中板厚为( )。
16.如图楼板所示,该板X1=1800mm, X2=4200mm,此板应平行于哪个方向配置主筋?()。
A.X1 B.X2 C.两个方向均需配置 D.两个方向均无需配置17.下图所示楼地面,面层做法和图最匹配的是()。
A.木地板面层 B.缸砖面层 C.细石混凝土面层 D.水磨石面层18.本图为某幼儿园楼梯踏步详图,请选择尺寸正确的一项。
()19.某七层住宅楼无障碍出入口设计如下,图中数据表示不正确的是()。
20.某耐火等级为三级的学校建筑楼梯间设置不当的是()。
21.图中开向公共走道的窗,其标高设计合理的一项是()。
22.房间中门窗位置对室内自然通风影响很大,下图中室内自然通风效果由好到差依次是()。
A.②①③④B. ①②③④C.①②④③D.③①②④23.上人屋面栏杆高度设置合理的一项是()。
2018年全国职业院校技能大赛中职组建筑CAD赛项“建筑施工图识图与理论”环节试题注意事项:1. 共60题,其中识图单选题15题,每题3分,识图多选题15题,每题4分;理论单选题15题,每题2分,理论多选题15题,每题4分,总分195分,时长50分钟。
2. 在规定时间内完成即可,提前交卷的选手不予加分,但可以进入下一环节。
3. 遇到意外情况,应及时向裁判报告,听从裁判安排,不要自行处理。
4. 选手在提交竞赛结果前,务必再次核对结果,确认无误后再提交。
5. 提交竞赛结果后,不能离开赛位,申请进入绘图竞赛环节。
一、识图单选题(共15题,每题3分,共45分)1.根据所给构件的正立面图和平面图,选择正确的左侧立面图()。
2.已知某构件的正立面图与左侧立面图,选择正确的平面图()。
3.根据所给正立面图和平面图,选择正确的1-1剖面图()。
4.门窗图例辨识。
5.梁式悬挂起重机图例的辨识。
6.索引符号表示的含义。
7.天然地基和人工地基的辨识。
8.柔性基础构造。
9.砖墙勾缝做法。
10.装配式墙板水平空腔的作用。
11.楼板板缝处理。
12.住宅共用楼梯的栏杆尺寸要求。
13.屋面形式的辨识。
14.蓄水屋面的构造。
15.门的开启方式及其应用。
二、识图多选题(共15题,每题4分,共60分)1.根据所给构件的正立面图和平面图,选择正确的左侧立面图()。
2.根据所给构件的正立面图和左侧立面图,选择正确的平面图()。
3.三面投影都正确的视图组有()。
4.窗图例辨识。
5.涵洞图例辨识。
6.风道图例辨识。
7.地下室穿墙螺栓防水构造。
8.地下室底板角部防水构造。
9.墙身防潮层的做法。
10.建筑物“冷桥”处的处理方式。
11.层高和净高的定义。
12.缘石坡道的坡度要求。
13.坡屋顶屋架构件名称。
14.坡屋顶檐沟构造。
15.门的开启方式及其应用。
三、理论单选题(共15题,每题2分,共30分)1.地下室外墙施工缝处的附加卷材层宽度至少为()mm。
2018年全国职业院校技能大赛高职组“建筑工程识图”赛项样卷第一部分识图卷(满分180分)※※※※※※※※※※※※※※※※※※※※※※※※※※※一、单项选择题(1~28每题2分,29~48每题3分)1.以下各项中,属于内填充墙功能的是()。
A. 承重B. 围护C. 分隔水平空间D. 分隔竖向空间2.本工程装有消火栓的墙体采用的砌墙材料是()。
A. 混凝土实心砖B. 混凝土空心砖C. 加气混凝土砌块D. 多孔页岩砖3. 本工程不上人保温屋面采用的保温材料是()。
A. 100mm厚膨胀珍珠岩B. 100mm厚陶粒C. 90mm厚矿棉板D. 30mm厚矿棉板4.总平面图中“5.70”高程指的是()。
A. 新建办公楼首层室内地面完成面的相对高程B. 新建办公楼首层室内地面结构层顶面的相对高程C. 新建办公楼首层室内地面完成面的绝对高程D. 新建办公楼首层室内地面结构层顶面的绝对高程5.符号“”在总平面图中表示的是()。
A. 室外地坪相对标高B. 室外地坪绝对标高C. 室内地坪相对标高D. 室内地坪绝对标高6.在平面图中,剖切符号“∟1”的正确含义是()。
A. 表示剖切位置、剖面代号,向右观察,只在首层平面图中标出B. 表示剖切位置、剖面代号,向右观察,需在每层平面图中标出C. 表示剖切位置、剖面代号,向左观察,只在首层平面图中标出D. 表示剖切位置、剖面代号,向左观察,需在每层平面图中标出7.本工程中的“FM1221(乙)”表示的是()。
A. 洞口宽度为1200mm、高度为2100mm的双扇平开木门B. 洞口宽度为1200mm、高度为2100mm的双扇平开自由门C. 洞口宽度为1200mm、高度为2100mm的双扇平开乙级防火门D. 洞口宽度为1200mm、高度为2100mm的双扇平开自由乙级防火门8.本工程A-F轴立面的外墙装饰做法有()。
A. 12种B. 10种C. 6种D. 5种9.本工程烟灰色毛面花岗岩外墙采用的施工方法是()。
2018年全国职业院校建筑CAD识图⼤赛样卷-理论⼋2018年全国职业院校技能⼤赛中职组建筑CAD赛项“建筑施⼯图识图与理论”环节试题注意事项:1. 共60题,其中识图单选题15题,每题3分,识图多选题15题,每题4分;理论单选题15题,每题2分,理论多选题15题,每题4分,总分195分,时长50分钟。
2. 在规定时间内完成即可,提前交卷的选⼿不予加分,但可以进⼊下⼀环节。
3. 遇到意外情况,应及时向裁判报告,听从裁判安排,不要⾃⾏处理。
4. 选⼿在提交竞赛结果前,务必再次核对结果,确认⽆误后再提交。
5. 提交竞赛结果后,不能离开赛位,申请进⼊绘图竞赛环节。
⼀、识图单选题(共15题,每题3分,共45分)1.已知某构件的正⽴⾯图与左侧⽴⾯图,选择正确的平⾯镜像图()。
2.根据所给构件的正⽴⾯图和平⾯图,选择正确的左侧⽴⾯图()。
3.根据所给正⽴⾯图和1-1剖⾯图,选择正确的2-2剖⾯图()。
4.建筑材料图例辨识。
5.轴号圆、索引圆、详图号圆和指北针圆的直径值。
6.新开洞的图例辨识。
7.侧墙施⼯缝防⽔构造。
8.地下室类型的定义。
9. 隔汽层在保温外墙中的层次位置。
10.外墙保温板构造及尺⼨要求。
11.卫⽣间⽯材板楼⾯图⽰表达。
12.⼩学楼梯的栏杆扶⼿尺⼨要求。
13.种植屋⾯的构造层次。
14.保温柔性防⽔平屋⾯的檐⼝构造。
15.图中门开启⽅向要求。
⼆、识图多选题(共15题,每题4分,共60分)1.根据所给构件的正⽴⾯图和平⾯图,选择正确的左侧⽴⾯图()。
2.根据所给构件的正⽴⾯图和平⾯图,选择正确的左侧⽴⾯图()。
3.三⾯投影都正确的视图组有()。
4.各种承重墙图例辨识。
5.简单平⾯图识读。
6.总平⾯图识读。
7.地下室外墙防⽔构造做法。
8.地下车库侧墙变形缝构造。
9.墙体伸缩缝盖缝板结构。
10.填充加⽓混凝⼟砌块框架结构外墙与现浇混凝⼟板或柱连接节点做法。
11.⾬篷构造。
12.⽆障碍楼梯梯踏步形式。
13.挂⽡保温屋⾯构造。
2016年全国职业院校技能大赛中职组建筑CAD赛项
“建筑施工图识图与理论”环节试题
1.根据所给构件正立面图和平面图,选择正确的左侧立面图。
()
2.根据所给构件正立面图和左侧立面图,选择正确的平面图。
()
3.根据所给构件正立面图和左侧立面图,选择正确的平面图。
()
4.根据所给1-1、3-3剖面图,选择正确的2-2剖面图。
()
5.已知某构件的平面图和正立面图,选择正确的1-1剖面图。
()
6.已知某构件的正立面图与左侧立面图,选择正确的平面镜像图。
()
7.钢筋混凝土翼墙平面图,选择正确的1-1断面图。
()
8.以下哪个符号为室外总平面图的标高符号?()
9.如图下图所示,墙体线宽为1,图中e处线宽应为。
()
10.下列图例表示建筑材料是石膏板的?()
11.如图所示基础埋置深度正确的为()。
12.如图所示地下室采光井构造尺寸正确的为()。
13.请选择附加圈梁构造要求正确的一项。
( )
A. L≥h且 L≥800 mm
B. L≥h且 L≥1000mm
C. L≥2h且 L≥800 mm
D. L≥2h且 L≥1000 mm
14.水平防潮层作法不正确的是()。
15.请选择地面垫层留缝不正确的选项。
()
16.请选择水磨石楼面图示正确的选项。
()
17.以下板端处理合理的是()。
18.下图为某建筑第五层楼梯间,其中门的设置有误的选项是()。
19.某高层建筑剪刀楼梯平面图如下,请选择梯段与平台宽度均符合规范的一项。
()
20.已知楼梯平面图,请选择楼梯剖面图B-B正确的一项。
()
21.构件式遮阳是结合窗过梁等构件,在窗前设置遮阳板进行遮阳。
在我国海南省的夏季,房屋正南向窗遮阳形式宜采用()。
A.①③
B.②③
C.③④
D. ①②
22.木窗框与墙缝的构造处理符合要求的一项是()。
23.下列屋面构造属于倒置式屋面的是()。
A.①③
B. ①④
C.②③
D.②④
24.下图中属于坡屋面有组织封檐构造是()。
25.防火间距合理的是()。
26.当地基持力层比较软弱或部分地基有一定厚度的软弱土层时,我们常采用哪种方法来加固地基?()
A.压实法 B.打桩法 C.换土法 D.机械压实法27.当地基条件较好,基础埋置深度较浅,且为砖混结构的建筑的基础多采用()。
A.独立基础 B.条形基础 C.片筏基础 D.箱形基础
28.下列关于刚性基础的叙述,哪一条有误?()
A. 由刚性材料制作的基础称为刚性基础;
B. 由混凝土、钢筋混凝土制作的基础是刚性基础;
C. 砖、石砌筑的基础是刚性基础;
D. 通常砖砌基础的刚性角应控制在26度至33度之间,混凝土基础的刚性角控制在45°以内。
29.横墙承重方案适用于房间()的建筑。
A.开间尺寸不大
B.是大空间
C.进深尺寸不大
D.开间大小变化较多
30.墙脚采用()等材料,可不设防潮层。
①土砖②砌块③条石④混凝土
A.①③④
B.②③
C.③④
D. ①②④
31.一般抹灰包括水泥砂浆、混合砂浆及( )等。
A. 花岗岩
B.水刷石
C.纸筋灰
D.干粘石
32.钢筋混凝土圈梁的最小截面为( )。
A.240mm×120mm B.240mm×180mm
C.180mm×120mm D. 160mm×120mm
33.底层地面的基本构造层次为面层、垫层和( )。
A. 滤水层
B.楼板
C.地基
D.基础
34.请对卫生间陶瓷锦砖楼面构造做法从上到下进行排序()。
① 60厚C15混凝土垫层
②素土夯实
③ 5厚陶瓷锦砖,干水泥擦缝
④ 1.5厚聚氨酯防水层
⑤ 30厚1:3水泥干硬性砂浆结合层
⑥水泥浆一道⑦1:3水泥砂浆找平层
A.③④⑤⑦⑥①② B.③④⑤⑥⑦①②.
C.③⑤④⑥⑦①② D.③⑤④⑦⑥①②
35.现浇混凝土楼板中,双向板的厚度最小为( )。
A. 120mm
B. 100mm
C. 80mm
D. 60mm
36.空心板在安装前,孔的两端常用混凝土或碎砖块堵严,其目的是()。
A.增加保温性 B.避免板端滑移
C.增加整体性 D.避免板端被压坏
37.当建筑物的层高较高或利用楼梯间顶部天窗采光时,常用下列哪一种形式的楼梯。
()
A.折行三跑式
B.平行双跑式
C. 直跑式
D.弧形
38.下列哪一项不是双跑楼梯的显著特点。
()
A.形式活泼
B.平面紧凑
C.结构简单
D.使用方便
39.楼梯栏杆的高度一般为()。
A. 1100mm
B. 1050mm
C. 1000mm
D. 900mm
40.常见楼梯的坡度范围为()。
A.30°~60°
B. 45°~60°
C. 20°~45°
D.30°~45°
41.下面哪些是预制装配式钢筋混凝土楼梯()。
A. 墙承式、梁承式、墙悬臂式
B. 梁承式、扭板式、墙悬臂式
C. 扭板式、梁承式、墙悬臂式
D. 墙悬臂式、扭板式、墙承式
42.在通行人数少的住宅过道中,考虑到两人相对通行和搬运家具的需要,走道的最小宽度不宜小于()。
A. 1200mm
B. 1100mm
C. 1000mm
D. 850mm
43.下列窗类型中不便于安装纱窗的()。
A.平开窗
B.推拉窗
C.中悬窗
D. 上悬窗
44.门设置贴脸板的主要作用是()。
2016年全国职业院校技能大赛中职组建筑CAD赛项试题
A.门框和墙面抹灰之间的裂缝
B.在墙体转角时起护角作用掩盖
C.加强门框与墙体之间的连接
D.隔声
45.刚性防水屋面在施工完成后出现裂缝和漏水,最常见的原因是屋面层在室内外、早晚、冬夏,包括太阳辐射所引起的胀缩、移位、起挠和变形。
为了适应防水层的变形,常采用的处理方法中不包括以下哪一项()。
A.在细石混凝土防水层内配置钢筋
B.屋顶增设保温层
C.屋面设置分仓缝
D.在刚性防水层与结构层之间增设隔离层
46.关于屋面排水方式说法正确的是()。
①无组织排水一般用于低矮、次要及降雨量较大地区的建筑;
②屋面雨水汇集在檐沟,经过雨水口和室外雨水管排下的排水方式属于有组织排水;
③屋面雨水汇集在天沟,经过雨水口和室内雨水管排下的排水方式属于有组织排水;
④相对于无组织排水,有组织排水的造价较高,不易发生堵塞。
A.①②④
B.②③④
C.②③
D. ①③
47.屋面坡度是由( )来表示。
A.斜面的垂直投影高度与水平投影长度之比
B.斜面的水平投影长度与垂直投影高度之比
C.屋顶的底面长度与斜面的垂直投影高度之比
D.屋顶的底面长度与斜面的水平投影长度之比
48.分格缝设置于()中。
A.刚性防水屋面
B. 柔性防水屋面
C.散水
D.雨蓬
49.住宅使用面积是()。
A.居住面积减去结构面积
B.建筑面积减去辅助面积
C.居住面积加上辅助面积
D.建筑面积减去结构面积
50.设置自动灭火系统的地下建筑,防火分区最大允许建筑面积为()。
A. 2000㎡
B. 1500㎡
C. 1000㎡
D. 500㎡
11。