线路光纤差动保护资料
- 格式:ppt
- 大小:862.50 KB
- 文档页数:37
光纤差动保护动作原理今天来聊聊光纤差动保护动作原理,这可是个很有趣却又有些复杂的东西呢。
我记得以前家里用电的时候,要是哪里突然出问题了,电路就会断开,这是一种简单的保护措施。
那光纤差动保护呢,其实也像一个非常智能又敏感的电路保镖。
先给你解释下什么是光纤差动保护。
简单说,光纤差动就是通过光纤来比较线路两端的电流情况。
打个比方,就好比两个人在路的两端看守一个宝藏(这里宝藏可以看作是需要保护的电力线路等设备),他们时刻观察着经过到手边的水流(把电流比作水流,比较形象)的大小和方向。
这两个人怎么判断是不是有异常情况呢?如果宝藏安安稳稳的,正常情况下,从路的一头流进宝藏的水量和从宝藏流向另一头的水量应该是差不多的,这就类似于电路正常的时候,进线端的电流和出线端的电流差值很小。
要是有小偷(故障,可以是相间短路或者接地短路等故障像小偷偷宝藏一样破坏电路的正常运行)突然出现,从一头流入宝藏的水突然增多或者减少,另一个看守的就能通过他们之前定好的通信方式(光纤就是他俩的通信方式)迅速知道情况不对了。
说到这里,你可能会问,那光纤在这当中到底起什么特别的作用呢?其实光纤就像一个信息高速公路,两端收集到的电流信息能快速又准确地在上面传送,这样一旦线路两端电流差值超过了我们设定的一个正常范围(这个范围是根据工程实际和相关原理设定的,就好比看守宝藏的两人心里清楚正常水流波动范围是多少一样),保护装置就会迅速动作,把电路断开,防止故障进一步影响整个电力系统。
老实说,我一开始也不明白为什么一定要用光纤呢。
后来研究了才知道,光纤传输信息又快又不容易受干扰,对于精确地比较两端电流的差动保护来说是非常理想的。
比如说,如果用普通电缆传输电流检测信号,就像是用一条嘈杂的小路传递消息,可能会有杂音(干扰),但是光纤就干净利落多了。
在实际应用上,在大型变电站和发电厂的电力线路保护中经常能看到光纤差动保护的身影。
这就像给那些电力系统的心脏和血管加上了一道道精准的防护栏,一旦哪里有差池,立马就保护起来,避免大面积停电之类的严重后果。
首先,光纤差动保护的原理和一般的纵联差动保护原理基本上是一样的,都是保护装置通过计算三相电流的变化,判断三相电流的向量和是否为零来确定是否动作,当接在电流互感器的二次侧的电流继电器(包括零序电流)中有电流流过达到保护动作整定值是,保护就动作,跳开故障线路的开关。
即使是微机保护装置,其原理也是这样的。
但是,光纤差动保护采用分相电流差动元件作为快速主保护,并采用PCM光纤或光缆作为通道,使其动作速度更快,因而是短线路的主保护!另外,光纤差动保护和其它差动保护的不同之处,还在于所采用的通道形式不同。
纵联保护的通道一般有以下几种类型:1.电力线载波纵联保护,也就是常说的高频保护,利用电力输电线路作为通道传输高频信号;2.微波纵联保护,简称微波保护,利用无线通道,需要天线无线传输;3.光纤纵联保护,简称光纤保护,利用光纤光缆作为通道;4.导引线纵联保护,简称导引线保护,利用导引线直接比较线路两端电流的幅值和相位,以判别区内、区外故障。
差动保护差动保护是输入CT(电流互感器)的两端电流矢量差,当达到设定的动作值时启动动作元件。
保护范围在输入CT的两端之间的设备(可以是线路,发电机,电动机,变压器等电气设备)。
中文名差动保护外文名Differential protection目录1. 1概述2. 2原理3. 3技术参数4. ▪环境条件1. ▪工作电源2. ▪控制电源3. ▪交流电流回路4. ▪交流电压回路5. ▪开关量输入回路1. ▪继电器输出回路2. 4功能3. 5主要措施4. 6缺点概述编辑电流差动保护是继电保护中的一种保护。
正相序是A超前B,B超前C各是120度。
反相序(即是逆相序)是A 超前C,C 超前B各是120度。
有功方向变反只是电压和电流的之间的角加上180度,就是反相功率,而不是逆相序[1]。
差动保护是根据“电路中流入节点电流的总和等于零”原理制成的。
差动保护把被保护的电气设备看成是一个节点,那么正常时流进被保护设备的电流和流出的电流相等,差动电流等于零。
线路光纤差动保护原理线路光纤差动保护是一种应用于电力系统的保护方式,它能够在电力系统出现故障时,快速准确地切除故障部分,保护系统的安全稳定运行。
本文将介绍线路光纤差动保护的原理及其应用。
一、差动保护原理。
1. 差动保护的基本原理。
差动保护是利用电力系统各部分之间的电流差值来判断系统是否发生故障的一种保护方式。
当系统正常运行时,各部分之间的电流差值应该为零;而当系统出现故障时,故障部分的电流与其他部分的电流就会有差异,通过检测这种差异来实现对故障的快速切除。
2. 光纤差动保护原理。
线路光纤差动保护是利用光纤通信技术将保护装置与被保护设备连接起来,通过光纤传输电流信息,实现对电力系统的差动保护。
光纤差动保护具有传输速度快、抗干扰能力强、适应性好等特点,能够有效应对电力系统的各种故障。
二、线路光纤差动保护的应用。
1. 高压输电线路。
在高压输电线路中,线路光纤差动保护能够实现对线路的快速差动保护,当线路出现短路、接地故障时,能够迅速切除故障部分,保护线路的安全运行。
2. 变电站。
在变电站中,线路光纤差动保护可以应用于母线保护、断路器保护等方面,实现对变电站设备的差动保护,提高变电站的安全可靠性。
3. 其他电力系统。
除了高压输电线路和变电站,线路光纤差动保护还可以应用于其他电力系统,如风电场、光伏电站等,为电力系统提供可靠的差动保护。
三、总结。
线路光纤差动保护是一种先进的电力系统保护方式,它利用光纤通信技术实现对电力系统的快速差动保护,能够有效应对各种故障,提高电力系统的安全可靠性。
随着技术的不断发展,线路光纤差动保护将在电力系统中得到更广泛的应用,为电力系统的稳定运行提供有力保障。
以上就是关于线路光纤差动保护原理的介绍,希望能对您有所帮助。
线路光纤差动保护原理光纤差动保护原理。
线路光纤差动保护是一种保护系统,用于监测输电线路的电流和电压,以便及时检测出线路出现的故障,并采取相应的保护措施,保证输电系统的安全稳定运行。
光纤差动保护系统利用光纤通信技术,能够实现远距离的数据传输和高速的故障检测,具有很高的可靠性和灵敏度。
光纤差动保护系统的原理是基于差动保护原理,通过比较线路两端的电流和电压的差异来判断线路是否存在故障。
当线路正常运行时,两端的电流和电压应该是相等的,如果出现故障,两端的电流和电压就会出现差异。
光纤差动保护系统通过传感器实时监测线路两端的电流和电压信号,将监测到的信号通过光纤传输到中央控制器进行比对分析,一旦检测到线路存在故障,就会立即发出保护动作,切断故障区段,保护线路的安全运行。
光纤差动保护系统具有以下特点:1. 高速响应,光纤传输速度快,能够在毫秒级别内完成故障检测和保护动作,保证线路的安全稳定运行。
2. 远距离传输,光纤传输距离远,可以实现对远距离输电线路的监测和保护,适用于大型输电系统。
3. 高可靠性,光纤传感器具有高灵敏度和抗干扰能力,能够准确地监测线路的电流和电压信号,保证保护系统的可靠性。
4. 自动化管理,光纤差动保护系统采用先进的数字化技术,能够实现对线路的自动监测和故障诊断,减轻运维人员的工作负担。
总之,光纤差动保护系统作为一种先进的输电线路保护技术,具有快速响应、远距离传输、高可靠性和自动化管理等优点,能够有效地保护输电系统的安全稳定运行。
随着技术的不断进步和创新,光纤差动保护系统将在输电领域发挥越来越重要的作用,为输电系统的安全运行提供强大的保障。
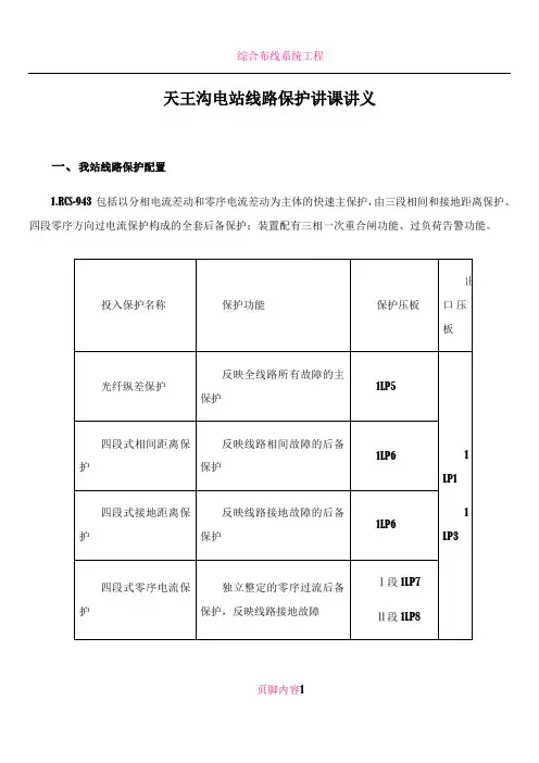
天王沟电站线路保护讲课讲义一、我站线路保护配置1.RCS-943 包括以分相电流差动和零序电流差动为主体的快速主保护,由三段相间和接地距离保护、四段零序方向过电流保护构成的全套后备保护;装置配有三相一次重合闸功能、过负荷告警功能;二、线路保护简介1.光纤纵差保护首先,光纤的原理和一般的纵联差动保护原理基本上是一样的,都是保护装置通过计算三相电流的变化,判断三相电流的向量和是否为零来确定是否动作,当接在的二次侧的电流继电器包括零序电流中有电流流过达到保护动作整定值是,保护就动作,跳开故障线路的开关;即使是微机保护装置,其原理也是这样的;但是,光纤差动保护采用分相电流差动元件作为快速主保护,并采用PCM光纤或光缆作为通道,使其动作速度更快,因而是短线路的主保护另外,光纤差动保护和其它差动保护的不同之处,还在于所采用的通道形式不同;的通道一般有以下几种类型:以下几点作为了解,我站为第3种1.电力线载波,也就是常说的高频保护,利用电力输电线路作为通道传输高频信号;2.微波纵联保护,简称微波保护,利用无线通道,需要天线无线传输;3.光纤纵联保护,简称光纤保护,利用光纤光缆作为通道;4.导引线纵联保护,简称导引线保护,利用导引线直接比较线路两端电流的幅值和相位,以判别区内、区外故障;2.线路距离保护我站线路距离保护分为接地距离、相间距离保护接地距离:以保护安装处故障相对地电压为测量电压、以带有零序电流补偿的故障相电流为测量电流的方式,就能够正确地反应各种接地故障的故障距离,所以它称为接地距离保护接线方式;相间距离:以保护安装处两故障相相间电压为测量电压、以两故障相电流之差为测量电流的方式称为相间距离保护接线方式;是反应故障点至保护安装地点之间的距离或阻抗;并根据距离的远近而确定动作时间的一种保护装置;该装置的主要元件为距离阻抗继电器,它可根据其端子上所加的电压和电流测知保护安装处至短路点间的阻抗值,此阻抗称为继电器的测量阻抗;当短路点距保护安装处近时,其测量阻抗小,动作时间短;当短路点距保护安装处远时,其测量阻抗增大,动作时间增长,这样就保证了保护有选择性地切除故障线路;用电压与电流的比值即阻抗构成的继电保护,又称阻抗保护,阻抗元件的阻抗值是接入该元件的电压与电流的比值:U/I=Z,也就是短路点至保护安装处的阻抗值;因线路的阻抗值与距离成正比,所以叫或阻抗保护;距离保护分的动作行为反映保护安装处到短路点距离的远近;与电流保护和电压保护相比,距离保护的性能受系统运行方式的影响较小;距离保护保护范围讲解:一般距离保护为Ⅲ断式距离保护,第一段保护范围为线路全长85%,二段保护范围位前面与一段重合,后面为剩余线路的20%,三段保护范围为线路全长的120%;一般情况下,距离保护装置由以下4种元件组成;①起动元件:在发生故障的瞬间起动整套保护,并可作为距离保护的第Ⅲ段;起动元件常取用过电流继电器或低阻抗继电器;②方向元件:保证保护动作的方向性,防止反方向故障时保护误动作;方向元件可取用单独的功率方向继电器,也可取用功率方向继电器与距离元件结合构成方向阻抗继电器;③距离元件:距离保护装置的核心部分;它的作用是量测短路点至保护安装处的距离;一般采用阻抗继电器;④时限元件:配合短路点的远近得到所需的时限特性,以保证保护动作的选择性;一般采用时间继电器;3.保护装置面板操作说明根据说明书在实际设备上进行讲解,主要讲解日常操作。
天王沟电站线路保护讲课讲义一、我站线路保护配置1.RCS-943 包括以分相电流差动和零序电流差动为主体的快速主保护,由三段相间和接地距离保护、四段零序方向过电流保护构成的全套后备保护;装置配有三相一次重合闸功能、过负荷告警功能。
页脚内容1二、线路保护简介1.光纤纵差保护首先,光纤差动保护的原理和一般的纵联差动保护原理基本上是一样的,都是保护装置通过计算三相电流的变化,判断三相电流的向量和是否为零来确定是否动作,当接在电流互感器的二次侧的电流继电器(包括零序电流)中有电流流过达到保护动作整定值是,保护就动作,跳开故障线路的开关。
即使是微机保护装置,其原理也是这样的。
但是,光纤差动保护采用分相电流差动元件作为快速主保护,并采用PCM光纤或光缆作为通道,使其动作速度更快,因而是短线路的主保护!另外,光纤差动保护和其它差动保护的不同之处,还在于所采用的通道形式不同。
纵联保护的通道一般有以下几种类型:(以下几点作为了解,我站为第3种)1.)电力线载波纵联保护,也就是常说的高频保护,利用电力输电线路作为通道传输高频信号;2.)微波纵联保护,简称微波保护,利用无线通道,需要天线无线传输;3.)光纤纵联保护,简称光纤保护,利用光纤光缆作为通道;4.)导引线纵联保护,简称导引线保护,利用导引线直接比较线路两端电流的幅值和相位,以判别区内、区外故障。
页脚内容22.线路距离保护我站线路距离保护分为接地距离、相间距离保护接地距离:以保护安装处故障相对地电压为测量电压、以带有零序电流补偿的故障相电流为测量电流的方式,就能够正确地反应各种接地故障的故障距离,所以它称为接地距离保护接线方式。
相间距离:以保护安装处两故障相相间电压为测量电压、以两故障相电流之差为测量电流的方式称为相间距离保护接线方式。
距离保护是反应故障点至保护安装地点之间的距离(或阻抗)。
并根据距离的远近而确定动作时间的一种保护装置。
该装置的主要元件为距离(阻抗)继电器,它可根据其端子上所加的电压和电流测知保护安装处至短路点间的阻抗值,此阻抗称为继电器的测量阻抗。
光纤差动保护原理分析光纤差动保护(Differential Protection)是一种常用于保护传输线路的保护方案。
该方案利用光纤在不同电流或电压下的传输特性,比较两个终点处的信号差异来判断是否发生了故障,并在出现故障时及时切除故障线路,以保护设备和人员的安全。
1.信号采集:在传输线路的起点和终点处,分别安装光纤差动保护装置。
这些装置会通过光纤将电流或电压信号从起点传输到终点,并将信号转换为光纤差动保护中的数值信号。
2.信号处理:在终点处,光纤差动保护装置会将采集到的信号进行处理。
一般会采用数字信号处理(DSP)技术,将信号转换为数字形式,并进行数字滤波、相位比对等处理,以消除噪声和干扰,提高保护的可靠性。
3.比较判断:在信号处理完成后,光纤差动保护装置将起点和终点处的信号进行比较。
如果信号差异超过设定的阈值,说明发生了故障,信号差异大于阈值即为正序故障,信号差异小于负序阈值即为负序故障。
4.故障判定:根据比较结果,光纤差动保护装置判定发生了故障。
一般情况下,如果信号差异大于正序阈值,装置会判定为正序故障,触发保护动作;如果信号差异小于负序阈值,装置会判定为负序故障,同样触发保护动作。
同时,装置还可以通过对信号进行频率和相位分析,判断故障类型和位置。
5.动作响应:一旦发生故障,光纤差动保护装置将立即触发保护动作,通过输出的信号实现线路的切除或其他必要的操作。
同时,还可以通过通信接口将故障信息发送给上位系统,以便进一步的处理和分析。
光纤差动保护的优点是灵敏度高、动作速度快、可靠性强。
通过比较两个终点的信号差异,可以及时判断和定位故障,并采取相应的措施,避免故障扩大和对系统的损害。
此外,光纤差动保护可以实现对多回路的保护,提高了传输线路的可靠性和安全性。
总之,光纤差动保护是一种基于光纤传输原理的传输线路保护方案。
通过比较起点和终点处的信号差异,及时判断和定位故障,并触发相应的保护动作。
光纤差动保护具有灵敏度高、动作速度快、可靠性强等优点,是一种常用的传输线路保护方案。