磨煤机检修规程
- 格式:doc
- 大小:348.00 KB
- 文档页数:14
HP863磨煤机检修规程1. 检修目的本文档旨在规范HP863磨煤机的检修流程,确保该设备在运行过程中的安全性、稳定性和有效性。
通过定期的检修和保养,延长设备的使用寿命,提高工作效率,减少故障发生,从而降低维护成本。
2. 检修前准备在进行检修工作之前,需要进行以下的准备工作:•确保磨煤机已经停机,并且切断了电源;•使用安全锁装置将磨煤机进行固定,防止误操作引发事故;•获得相关工具和备件,确保检修过程中的需要;•检查检修过程的安全措施,确保符合相关标准和要求。
3. 检修步骤3.1 清洁检修3.1.1 清理磨煤机外表面的灰尘和杂物,使用柔软的布擦拭磨煤机表面,不得使用尖锐物品或有碱性溶液进行清洗。
3.1.2 清除磨煤机内部的杂物和积灰,使用吸尘器或刷子进行清理,确保设备内部清洁。
3.2 零部件检修3.2.1 检查磨煤机的滚筒,并对其进行清洁和润滑。
检查滚筒表面是否有损伤或异物,如有需要及时更换或清理。
对滚筒的轴承和传动装置进行润滑,确保其正常运转。
3.2.2 检查磨煤机的传动系统,包括皮带、齿轮等零部件,确保其完好无损。
如发现有损坏或磨损,及时更换。
3.2.3 检查磨煤机的电气系统,包括开关、线路等,确保其正常工作。
修复或更换损坏的电气零部件。
3.3 检修完成后的检测和试运行3.3.1 检查所有检修过的零部件是否安装正确、紧固可靠。
确保所有螺丝和紧固件已被紧固并处于正确位置。
3.3.2 检查磨煤机的润滑系统,确保正常工作,没有泄漏或堵塞。
3.3.3 重新接通电源,进行试运行。
观察磨煤机的运行情况,检查是否有异常现象或噪音。
如有异常,及时停机检查并修复。
4. 检修记录在进行检修工作的过程中,应当及时记录检修的日期、检修的内容、维护的零部件等相关信息。
确保记录的完整性和准确性,便于后续的维护和检查。
5. 检修注意事项5.1 在检修过程中,严禁有未经授权的人员接近磨煤机,以免发生人身伤害。
5.2 在进行润滑、调整和更换零部件时,应当使用适当的工具和方法,防止意外事故的发生。
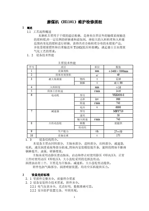
气化磨煤机检修规程1. 总则本规程适用于煤化工集团公司年产30万吨合成氨装置气化磨煤机的日常维护和检修。
1.1 工艺流程概述磨煤机是制浆工段的主要设备,用于水、煤、石灰石、添加剂的混和并磨制,产生60-67%浓度的水煤浆,其中添加剂作用是增加煤浆流动性,石灰石用于降低灰熔点。
1.2 设备结构及参数简介气化磨煤机为棒磨机,采用交流电机驱动,主要由筒体、驱动系统、润滑系统三大部份组成。
驱动系统由驱动电机,齿轮减速箱、空气离合器及齿轮传动装置组成。
润滑系统由低压滑系统、高压滑系统和齿轮喷射系统组成。
介质:煤+石灰石+添加剂+NaOH+水温度:50℃电机功率:525kw 额定电流:≤64A磨机转数:15.50rpm 电机转速:970rpm主贮油槽容积:416l低压油泵出口压力:≤80PSI(0.55IMPaG)高压油泵出口压力:500PSI(3.45MPaG)≤Pi≤4000PSI(27.6MPaG)高压油泵抽吸压力:20PSI(0.13MPaG)离合器空气压力源:80PSI(0.552MPaG)空气罐操作压力:80PSI(0.552MPaG)齿轮喷射系统空气压力:≥80PSI(0.552MPaG)磨机加速时间:4-7秒耳轴轴承温度:32℃-51℃副齿轮轴承温度:≤60℃低压油流量:5.5gol/min1.2.2 进料端进料端内衬不锈钢板,防止物料磨损基体,内衬钢板用螺栓固定于基体上,便于拆装、更换。
1.2.3 耳轴承磨机筒体两端采用滑动轴承,并配以自动润滑系统,进料端为自由端,出料端为固定端,耳轴承表面覆盖一层巴氏合金,底部中心开有φ4油孔,同高压润滑油系统相联,提升耳轴用。
1.2.4 筒体筒体由中部圆筒体同两端锥形端盖组合而成,内衬为65Mn衬板,用于保护筒体不受磨损,每块衬板由两条螺栓固定于筒体上,便于更换。
1.2.5 滚筒筛滚筒筛位于出料端,上开10×33长圆孔,内侧有螺旋上料装置,将煤浆中的粗离子滤出排掉,滚筒筛可两侧倒换安装。
磨煤机检修规程
1 主题内容与适用范围
1.1 本标准规定了华能汕头电厂HP1003型磨煤机的检修程序和检修工艺及验收标准。
1.2 本标准适用于华能汕头电厂HP1003型磨煤机的检修工作。
2 引用标准
2.1《电站磨煤机及制粉系统选型导则》DL466-92。
2.2 《磨煤机实验规程》DL467-92。
2.3 《电业安全规程》DL408-91。
2.4 《HP1003磨煤机使用和维护说明书》。
3 工具使用标准
6 检修后的验收
6.1静态验收
6.1.1检查:现场检修原始记录,检修项目,零部件质检记录,润滑油质检记录,分步验收单等是否齐备。
6.1.2各人孔门是否关闭严密
6.1.3现场文明生产
6.1.4其它项目见分步验收质量标准。
6.2动态验收
6.2.1检查各处严密性、记录。
6.2.2检查各处温度是否合格、记录。
6.2.3检查各处轴承振动是否合格、记录。
11。
B-FH101JIANGUI1. 总则本规程适用于高压锅炉A/B炉磨煤机。
1.1 工艺流程简介原煤经给煤机进入落在磨盘上,磨盘由电机减速后驱动,磨辊从动旋转。
由于离心力的作用,原煤被甩至磨盘边缘,被磨辊冲击、剪切、碾压为煤粉,合格的煤粉经出口蝶阀送至煤粉管道,较粗的煤粉被粗粉分离器重新送至磨盘再行碾压。
磨辊采用液压加载。
设备运行时通入密封风以保护内部设备正常运转。
1.2 设备的技术特性型号:LM 18.2D +LDS32Z型号:中速平盘磨立式出力:23.5~9.4 t/h煤粉细度:R90≤25%驱动电机功率:250Kw电压:6000V驱动电机转速:980 rpm减速比:1:22.868该磨煤机占地面积小,单位耗电少,噪音低,在负荷变化时单位电耗变化较小,运行经济性高,调节比较灵敏,维护量较小。
但中速平盘磨主要靠挤压方式磨煤,不适宜水分过多的煤,煤质过硬或灰分过多都会导致碾磨件严重磨损。
另外中速平盘磨的维护要求较高。
2. 设备维护:2.1 日常维护2.1.1 调节密封风挡板开度保证磨煤机内部有足够的密封风。
2.1.2 摇臂密封填料的安全密封。
2.1.3 废料箱的正常清理。
2.1.4 油系统的正常稳定工作。
2.1.5 各部连接螺栓的检查紧固。
2.1.6 定位螺钉的检查调整。
2.2 定期检查2.2.1 出口蝶阀手柄的运行位置。
2.2.2 减速箱的油位、油质。
2.2.3 磨煤机的地脚螺栓是否松动。
2.2.4 低压油系统压差。
2.2.5 氮气瓶气压。
2.2.6 密封风管连接各部位是否存在漏风现象。
2.2.7 各部振动数据并记录。
2.3 常见故障及处理方法:2.4 紧急停车:有下列情况之一者实施紧急停车2.4.1 磨煤机剧烈震动且响声巨大。
2.4.2 磨辊轴承温度超过100℃且仍有上涨趋势。
2.4.3高压油系统损坏并且无法继续建立。
2.4.4涨紧压力急剧下降至10Kg/cm2以下。
2.4.5回油中发现合金碎片。
磨煤机检修规程(经典版)编制人:__________________审核人:__________________审批人:__________________编制单位:__________________编制时间:____年____月____日序言下载提示:该文档是本店铺精心编制而成的,希望大家下载后,能够帮助大家解决实际问题。
文档下载后可定制修改,请根据实际需要进行调整和使用,谢谢!并且,本店铺为大家提供各种类型的经典范文,如工作报告、合同协议、心得体会、演讲致辞、规章制度、岗位职责、操作规程、计划书、祝福语、其他范文等等,想了解不同范文格式和写法,敬请关注!Download tips: This document is carefully compiled by this editor. I hope that after you download it, it can help you solve practical problems. The document can be customized and modified after downloading, please adjust and use it according to actual needs, thank you!Moreover, our store provides various types of classic sample texts, such as work reports, contract agreements, insights, speeches, rules and regulations, job responsibilities, operating procedures, plans, blessings, and other sample texts. If you want to learn about different sample formats and writing methods, please pay attention!磨煤机检修规程磨煤机的检修1.1设备规范1.2准备工作1.2.1安排清理好检修场地1.2.1.1检修场地应宽敞方便设备摆放及检修1.2.1.2清理检修场地,应无杂物,干净无尘1.2.1.3检修场地不得有易燃、易爆物品1.2.1.4准备足够的枕木与橡胶垫1.2.1.5起重工具应动作可靠灵活1.2.1.6将检修场地用标志栏围好1.2.2准备好起吊及运输工具1.2.2.1过轨吊电源正常,保险合格,操纵灵活可靠1.2.2.2准备好葫芦及钢丝绳若干1.2.2.3准备好运输汽车1.2.3准备好专用工具及检修常用工具1.2.3.1磨辊专用工具、磨盘衬板专用工具1.2.3.2、传动盘顶起工具: 四个顶传动盘支架、30吨千斤顶、超高压手动泵1.2.3.3盘车装置、滚柱小车1.2.3.4百分表及表座、塞尺、游标卡尺、水平仪、千分尺等测量工具1.2.3.5 敲击扳手、活动扳手、内六脚扳手、锤子等通用工具1.2.3.6 煤油、纱布、油漆刷、油盘若干1.2.4备品配件及图纸资料齐全1.2.4.1机壳导向块、导向板及调整垫1.2.4.2磨辊套及轴承1.2.4.3磨盘瓦及衬板1.2.4.4辊套、油封、o形胶圈、加载油缸用密封件1.2.4.5机壳防磨护板、辊架防磨板、衬板1.2.4.6刮板,各门耐火纤维密封绳、密封垫圈以及炭精密封环1.2.4.7涉及到拆卸的所有螺栓、螺钉、螺母、防松垫圈1.2.4.9各部分装置用润滑油脂等1.2.5开工作票并检查安全措施的落实情况1.2.5.1切断主传动电动机电源,拆下联轴器螺栓1.2.5.2关闭磨前热风管道挡板,并挂标志牌1.2.5.3关闭分离器出粉管道上的阀门1.2.5.4关闭消防蒸汽手动阀门,并挂标志牌1.2.5.5给煤机已停止,电源已切断1.2.5.6切断高压油站电源1.2.5.7切断润滑油站电源1.2.6打开人空门测量各部分数据1.2.6.1测量压架与限位板的间隙1.2.6.2测量喷嘴环与机壳的间隙1.2.6.3测量检查磨辊的磨损1.2.6.4测量密封环与传动盘的间隙1.2.6.5测量检查减速机中心对正情况1.2.6.6测量传动盘和减速机输出法兰结合面间隙1.2.6.7测量刮板与机座、机壳密封环上连接环的间隙1.3磨煤机解体1.3.1分离器的拆出1.3.1.1将出粉管编号并做好安装标记1.3.1.2挂好葫芦,用索具将出粉管锁紧吊好1.3.1.3拆除出粉管与分配器及一次风管法兰连接螺栓1.3.1.4吊下出粉管,放在指定位置1.3.1.5用同样的方法拆除其他出粉管及落煤短管1.3.1.6拆除分离器煤粉测温元件接线1.3.1.7将分离器内通往磨辊的垂直密封短管编号标记,并拆除1.3.1.8拆除磨辊测温元件接线1.3.1.9拆开密封风管道的连接法兰螺栓和中间连接管道1.3.1.10拆消防蒸汽管连接法兰螺栓1.3.1.11准备好起吊工具将分离器吊住1.3.1.12拆除爬梯连接法兰螺栓,并移走下部爬梯1.3.1.13拆分离器与机壳结合面螺栓1.3.1.14用滚柱小车将分离器顶起1.3.1.15拆除滚柱小车1.3.1.16吊出分离器并放置在指定位置的枕木上1.3.2磨辊的吊出1.3.2.1在压架及磨辊上做好标记,以便回装1.3.2.2将磨辊盘车至合适位置,装上磨辊保持架1.3.2.3拆开压架悬吊装置上的螺栓1.3.2.4在悬吊装置处穿上钢丝绳并吊住1.3.2.5拆去压架与磨辊之间的连板1.3.2.6 拆去压架与磨辊的连接绞轴1.3.2.7拆去压架上部拉杆位置的三个盖板1.3.2.8拆去上下拉杆的三个连接卡套1.3.2.9吊出三个上拉杆并拆除球面调心轴承1.3.2.10用吊具将压架吊起并放在指定位置1.3.2.11装上磨辊吊具,吊住磨辊1.3.2.12拆去磨辊保持架,吊出磨辊1.3.2.13用同样的方法吊出其他磨辊1.3.3磨盘的吊出1.3.3.1将磨盘锥形罩做好标记1.3.3.2拆下磨盘锥形罩上的螺栓,将其吊走1.3.3.3将磨盘的安装位置做好标记1.3.3.4将吊环螺钉装到磨盘的三个吊耳上1.3.3.5吊出并放在指定位置1.3.4传动盘拆出1.3.4.1拆除传动盘与减速器输出法兰连接螺栓1.3.4.2做好传动盘的安装标记1.3.4.3安装传动盘顶起专用工具1.3.4.4将传动盘顶起30~50mm1.3.4.5将固定销穿入顶起装置,并装上保险销。
4.3 双进双出钢球磨煤机检修4.3.1 概述BBD3854BIS双进双出筒式钢磨煤机是胜利发电厂Ⅱ期工程锅炉直吹式制粉系统中主要的主体煤粉制备设备,其作用是把给煤机送入的原煤通过钢球撞击、挤压和研磨,磨制成煤粉。
其工作原理如下:原煤通过给煤机送至料斗落下,经过混料箱并在此得到旁路风的预干燥,通过落煤管到达位于中空轴心部的螺旋输送装置中。
输送装置随磨机筒体做旋转运动,使原煤通过中空轴进入磨机筒体内。
磨机的筒体内装有一定量的钢球,在筒体的旋转过程中,钢球对原煤的冲砸和互相摩擦作用使煤块逐渐被磨制成煤粉。
通过一次热风由中空轴内的中空管进入磨机,使原煤和煤粉进一步得到干燥,并将煤粉从原煤进入口的相反方向吹出磨机筒体,带有煤粉的一次热风在磨机出口再一次与旁路风混合,通过煤粉管路进入磨煤机上方的分离器。
通过分离器调整调整,可以实现出口煤粉细度的调节和控制。
合格的煤粉从分离器上方出口直接送往锅炉燃烧器,而不合格的煤粉则依靠惯性和重力的作用,通过回煤管返回磨机,再次进行研磨。
4.3.2 规范4.3.2.1 型号:BBD3854BIS (4台/炉)4.3.2.2组成部分:每台双进双出磨煤机由磨机筒体、螺旋输送装置、静压主轴承密封风装置、混料箱、分离器、大小齿轮主传动系统,主轴承润滑系统,大齿轮喷射润滑系统,压差和噪音测料位系统和慢速传动系统等组成,并与给煤机相连,同时还配以加钢球装置,煤粉截止阀,隔音罩等辅助装置。
4.3.2.3 主要规范(见表7)。
表7 磨煤机主要规范4.3.3 修前准备工作:4.3.3.1 熟悉磨煤机的结构,了解磨煤机的各项参数、特性及技术要求。
4.3.3.2查阅档案,了解磨煤机的运行情况:a) 运行中发现的缺陷、异常和事故情况;b) 磨煤机出入口风门、挡板门的运行状况;c) 磨煤机加钢球的记录;d) 运行中驱动电机电流值、电流波动值;e) 运行中转子的轴向、径向跳动情况;f) 轴承组件及润滑油系统的运行状况(温度、振动、化学化验结果等);g) 查阅试验记录,了解磨煤机出入口管道的漏风状况。
动力磨煤机检修规程1总则本规程适用于煤化工集团有限公司160T/H生产锅炉磨煤机检修维护。
1.3 编写依据化工部《设备维护检修规程》随机资料《LOESCHE磨煤机说明书》2 磨煤机技术原理性能概述2.1 原理概述宇部Loesche磨煤机为种液压轧辊系统,可同时进行煤粉的研磨与分离。
原煤由落煤管,经磨煤机锥形料斗落到磨盘上(研磨台),磨盘直接与减速机输出轴相连,以匀速旋转。
研磨台的煤在离心力作用下被推到盘的边缘,在两个磨辊的压力、冲力和剪切力作用下研磨。
同时,潮湿的煤由进入磨机内热风(一次风)干燥。
经研磨的煤被一次风送到磨煤机上部的分离装置,经过分离后,合格的煤粉由一次风送至锅炉的燃烧室,由分离装置分送出的粗煤落到研磨台上再次研磨。
2.2 各部润滑油规格表12.3 技术性能 (表2)3检修周期与内容(表3)3.1 检修周期一般应符合表3要求。
3.2 根据运行情况经主管领导批准,可适当调整检修周期。
3.3 检修内容3.3.1 小修3.3.1.1 检修测量磨辊油位、油质(N#680重载荷齿轮油)。
3.3.1.2 检查测量磨盘衬板、磨辊磨损量及表面情况。
3.3.1.3 检查、检修筒体内衬磨损。
3.3.1.4 密封风管道清理。
3.3.1.5 检查氮气瓶压力并根据检查情况补充。
氮气瓶压力为液压张紧压力的80%,即张紧力为50kgf/cm2,则氮气瓶压力应为35~40 kgf/cm2,不得低于30 kgf/cm2。
3.3.1.6 高低压油泵、液压加载系统,油管线、滤网检查清理、消漏。
3.3.1.7 减速机联轴器检查、检修。
3.3.1.8 摇臂填料检查、必要时更换。
3.3.1.9 润滑脂(2#锂基脂)管路检查、疏通。
3.3.2 中修3.3.2.1 包括小修内容。
3.3.2.2 清洗磨辊轴承,更换润滑油。
3.3.2.3 检查、紧固各紧固螺栓。
3.3.2.4 检查、更换档煤圈。
3.3.2.5 废料刮板检查。
3.3.2.6 检查、更换磨盘衬板、磨辊套。
磨煤机检修规范一.罐体应作如下复查,并做好记录:1.测量罐体直径和长度;2.罐体无变形、裂纹、漏焊等缺陷。
二.端盖与罐体的装配应符合下列要求:1.装配以字头和稳钉为依据,端盖与罐体应同心,两端空心轴中心线及罐体中心线不同心度应符合设备技术文件的规定;2.法兰结合面应涂一层干黄油或黑铅粉,结合紧密,其间不准加任何调整垫片,端盖螺栓必须均匀的拧紧,并有背帽或防松装置;3.空心轴衬套内螺纹的方向应正确,当罐体转动时能使原煤进入罐内。
隔热层应符合设备技术文件的规定。
三.检查空心轴:1.复查空心轴的不圆度、锥度和平整度;2.轴颈表面应光洁,无伤痕、锈迹等。
检查后应涂油并有防止碰伤措施。
四.主轴承球面应动作灵活,接触良好。
以色印检查,每30mm×30mm内不少于2点。
五.球面座与台板应接触良好,以色印检查,每30mm×30mm内不少于1点。
周界局部间隙不大于0.10mm,每段长度不大于l00mm,累计长度不超过周界总长的25%。
六.主轴乌金瓦的研刮应符合下列要求:1.接触角应符合设备技术文件的规定,一般为60°~90°;2.乌金瓦与轴颈接触均匀,用色印检查,不少于1点/cm2;3.轴瓦两侧(瓦口)间隙总和应符合设备技术文件的规定,一般为轴颈直径的1.5‰~2‰,并开有舌形下油间隙;4.推力总间隙误差为士0.15mm5.研瓦时,不得使用代用轴颈。
6.研瓦时,应考虑到热膨胀后的实际工作位置。
七.主轴承的内壁、上盖、油槽、注油孔和回油孔必须彻底清理干净,保证油管畅通。
八.主轴承水室水压试验压力应符合设备技术文件的规定,一般为所用冷却水最高压力的1.25倍。
九.齿圈(大齿轮)检查:1.需要时按设备技术文件规定的允许误差做样板检查齿形;2.齿面应无缩孔、疏松和裂纹等缺陷。
齿圈的各连接法兰面应平滑;3.齿圈罩焊缝质量应良好,并应试验其严密性。
4.传动机的推力总间隙应符合设备技术文件的规定。
4.3 双进双出钢球磨煤机检修4.3.1 概述BBD3854BIS双进双出筒式钢磨煤机是胜利发电厂Ⅱ期工程锅炉直吹式制粉系统中主要的主体煤粉制备设备,其作用是把给煤机送入的原煤通过钢球撞击、挤压和研磨,磨制成煤粉。
其工作原理如下:原煤通过给煤机送至料斗落下,经过混料箱并在此得到旁路风的预干燥,通过落煤管到达位于中空轴心部的螺旋输送装置中。
输送装置随磨机筒体做旋转运动,使原煤通过中空轴进入磨机筒体内。
磨机的筒体内装有一定量的钢球,在筒体的旋转过程中,钢球对原煤的冲砸和互相摩擦作用使煤块逐渐被磨制成煤粉。
通过一次热风由中空轴内的中空管进入磨机,使原煤和煤粉进一步得到干燥,并将煤粉从原煤进入口的相反方向吹出磨机筒体,带有煤粉的一次热风在磨机出口再一次与旁路风混合,通过煤粉管路进入磨煤机上方的分离器。
通过分离器调整调整,可以实现出口煤粉细度的调节和控制。
合格的煤粉从分离器上方出口直接送往锅炉燃烧器,而不合格的煤粉则依靠惯性和重力的作用,通过回煤管返回磨机,再次进行研磨。
4.3.2 规范4.3.2.1 型号:BBD3854BIS (4台/炉)4.3.2.2组成部分:每台双进双出磨煤机由磨机筒体、螺旋输送装置、静压主轴承密封风装置、混料箱、分离器、大小齿轮主传动系统,主轴承润滑系统,大齿轮喷射润滑系统,压差和噪音测料位系统和慢速传动系统等组成,并与给煤机相连,同时还配以加钢球装置,煤粉截止阀,隔音罩等辅助装置。
4.3.2.3 主要规范(见表7)。
表7 磨煤机主要规范4.3.3 修前准备工作:4.3.3.1 熟悉磨煤机的结构,了解磨煤机的各项参数、特性及技术要求。
4.3.3.2查阅档案,了解磨煤机的运行情况:a) 运行中发现的缺陷、异常和事故情况;b) 磨煤机出入口风门、挡板门的运行状况;c) 磨煤机加钢球的记录;d) 运行中驱动电机电流值、电流波动值;e) 运行中转子的轴向、径向跳动情况;f) 轴承组件及润滑油系统的运行状况(温度、振动、化学化验结果等);g) 查阅试验记录,了解磨煤机出入口管道的漏风状况。
达电磨煤机检修规程1. 检修目的本规程的目的是确保磨煤机设备的正常运行,保证生产的连续性和安全性,延长设备的使用寿命。
2. 检修周期磨煤机设备的检修周期为每年一次。
如果发现设备故障或异常情况,应及时进行检修。
3. 检修前的准备工作在进行磨煤机设备的检修之前,要做好以下准备工作:3.1 停机准备停机前应通知相关人员,并确保设备运行平稳后方可停止。
3.2 断电准备在检修前,应切断磨煤机设备的电源,并进行安全标识,防止误操作导致人员伤害。
3.3 环境准备检修现场要保持清洁、整洁,排除杂物和障碍物,确保安全。
4. 检修内容及步骤4.1 外观检查首先进行磨煤机设备的外观检查,包括设备表面是否有异常损伤、机械部件是否有松动以及设备周围的安全防护设施是否完好。
4.2 电气系统检查检查磨煤机设备的电气系统,包括电缆、控制器、传感器等是否正常工作,有无短路、断路、漏电等问题。
4.3 冷却系统检查检查冷却系统,包括冷却水的流量是否正常,冷却器是否堵塞、漏水等情况。
4.4 润滑系统检查检查润滑系统,包括润滑油的油位和质量是否符合要求,油路是否通畅。
4.5 传动系统检查检查磨煤机的传动系统,包括皮带、链条等是否磨损、松动或破损,调整或更换相应的零部件。
4.6 磨辊检查检查磨辊的磨损情况,如果发现磨损严重,应及时更换磨辊。
4.7 输送系统检查检查输送系统,包括皮带输送机、挡块、承重滚筒、滑槽等是否正常工作,有无松动、滑动、断裂等情况。
4.8 磨煤机腔体清理清理磨煤机的磨煤腔体,包括煤粉、灰渣及其他杂物的清理,确保煤磨腔体的清洁。
4.9 复查及试运行在检修结束后,需要对所有的检修内容进行复查,确保每一项都符合要求。
之后进行试运行,观察设备运行是否正常,无异常情况后,方可结束检修。
5. 检修后的工作检修完毕后,应记录检修情况,包括检修日期、检修内容以及存在的问题与处理措施。
同时,还要做好设备的清洁和防护工作,确保设备的安全可靠。
磨煤机检修规程办法1. 前言磨煤机是热电厂中重要的发电设备之一,厂内的经济效益和安全稳定性直接与其正常运行状态相关。
为了保障磨煤机的正常运行,需要制定检修规程办法来指导员工进行日常检修和维护。
本文将从磨煤机的检修范围、检修操作、检修周期等方面详细介绍磨煤机检修规程办法。
2. 检修范围2.1 整机检修整机检修主要包括以下内容:1.清理磨盘、挡板、空气环、导流板等零部件;2.对转子、轴承、联轴器、齿轮箱等重要部件进行检查和维护;3.检查电机、电缆线路的接线情况,消除可能存在的不安全因素;4.检查润滑系统,维护和更换润滑油;5.检查安全阀和监测设备的工作状态。
2.2 部件检修部件检修主要包括以下内容:1.磨盘的清理,包括清理外表面和内表面,同时清理其上的螺纹和接口,以防止脱落和损坏;2.轴承的检查,包括检查轴承的磨损情况、密封情况、轴承的安装情况等;3.检查雷达计数器和其他监测设备是否正常工作;4.检查磨盘、挡板和导流板的密封情况,防止内部粉尘泄漏;5.检查空气环和排风管道的清洁和通畅情况。
3. 检修操作3.1 工具和设备在检修过程中需要使用的工具和设备包括:1.料斗;2.工具箱;3.丝刷;4.镊子;5.牵伸器;6.装置密闭板。
3.2 保护设备在检修过程中需要使用到的保护设备包括:1.带有安全帽的硬帽;2.护目镜;3.防护手套。
3.3 操作步骤1.断电和油路;2.卸下影响检修的支撑和定位零件;3.将液压管路拆卸,保护管道口;4.在支撑点下方装置支撑并悬挂齿轮箱和劳氏环;5.拆除连接转子和磨盘组件的联轴器;6.拆除固定转子和电机的法兰盘;7.拆卸轴承箱体。
4. 检修周期定期检修周期为两年,每次检修需要彻底清理磨盘、挡板、空气环、导流板等零部件,检查转子、轴承、联轴器、齿轮箱等重要部件的运作状态。
同时根据设备运行状况灵活调整检修周期,确保磨煤机的正常运行。
5. 结束语本文从磨煤机的检修范围、检修操作、检修周期等方面详细介绍了磨煤机检修规程办法。
磨煤机检修规程
1 主题内容与适用范围
1.1本标准规定了:华能沁北电厂ZGM113N型磨煤机的检修程序和检修工艺及验收标准。
1.2本标准适用于:华能沁北电厂ZGM113N 型磨煤机的检修工作。
2 引用标准
2.1《电站磨煤机及制粉系统选型导则》DL 466-92。
2.2《磨煤机实验规程》 DL 467-92。
2.3《电业安全规程》 DL 408-91。
2.4《ZGM113N磨煤机使用和维护说明书》。
3 检修工具使用标准
5 检修工艺及质量标准
6检修后的验收
6.1 静态验收
6.1.1 检查: 现场检修原始记录,检修项目,零部件质检记录,润滑油质检记录,分步验收单等是否齐备。
6.1.2 各人孔门是否关闭严密
6.1.3现场文明生产
6.1.4其它项目见分步验收质量标准。
6.2动态验收
6.2.1检查各处严密性、记录。
6.2.1检查各处温度是否合格、记录。
6.2.3检查各处轴承振动是否合格、记录。