磁选工艺
- 格式:ppt
- 大小:1.55 MB
- 文档页数:32
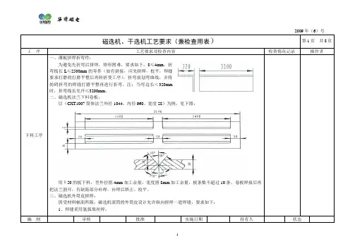
)为例,见下图:用δ50的板下料,里外径留4mm加工余量,宽度留8mm加工余量,板条数不超过10条,卷板焊接后再把法兰割开,有缺陷部分补焊,补焊后矫正、校平。
三、磁选机外筒皮拼焊:因受材料幅面所限,磁选机滚筒的外筒皮设计允许纵向拼焊一道焊缝,要求如下:1、焊缝采用氩弧填丝焊。
审核批准实施日期持有人磁选机滚筒轴组焊:铜管加热要均匀,温度控制在100~120℃之间,轴头放入后不允许直接点焊,要等到自然冷却抱紧后再焊接(轴头要靠紧钢管端面),焊接后轴头同轴度不得>。
一、磁声与底板粘合:磁声与底板粘合前,底板粘合表面用输送带清洗济进行清污,晾干后将佳维胶A、板上,用涂胶塑料片混合,3分钟内将磁块在常温下指压粘接(25℃),5~10分钟定位,然后在再磁声上涂胶混合、粘接,以此类推。
注:粘合面涂胶应涂满、均匀,不得有露底现象,磁块与底板粘合时必须对齐、对正。
二、磁系组装:批准实施日期持有人P16或P24号砂纸打磨,然后将打磨处及粘接面用30A+308B清洁剂清洗粘接表面主、从动齿轮的轮齿几何中心平面应重合,其偏移量一般不大于两轮中心距的千分之二,链条与轮齿合时工作边必须拉紧,保证齿合平称稳,非工作边的下垂度一般按两轮中心距的1%~5%调整。
阀门一件、低压表二块(0~0.25MPa)。
的螺栓,一个按下示意图接打压装置,另一个接低螺栓部位,观测是否有气泡产生,如有表面泄露部位应做好标记,解压后用铝修补剂把泄号砂布将表面打磨一遍,两端面外表面喷涂铝粉。
及调度令执行。
②保压检查:用肥皂液涂抹所有焊道,检查漏点,作好标记。
、补焊:”形式。
时,上、下盖板采取”形式焊接。
°斜角,翼缘直角对接。
、拼缝两端要求圆滑饱满,不得有弧坑,必要时要点焊引弧和熄弧工艺板。
持有人审核批准实施日期持有人实施日期持有人。
磁选工艺流程磁选工艺是一种利用磁性矿物和非磁性矿物在外加磁场的作用下,通过磁性矿物与非磁性矿物之间的磁性差异实现分离的一种物理选矿方法。
磁选工艺流程通常包括破碎、磨矿、磁选和脱水等环节。
下面将详细介绍磁选工艺的流程。
首先是破碎环节,破碎是矿石经过矿山开采后的第一步处理工序。
破碎的目的是将原矿石从矿山中采出后,经过机械粉碎,将其破碎成适当的颗粒度,以便后续的选矿工艺能够更好地进行。
破碎后的矿石颗粒度适中,有利于磨矿的进行。
接下来是磨矿环节,磨矿是将破碎后的矿石进行细化处理的过程。
磨矿的目的是将矿石进一步细化,使得磨矿后的矿石颗粒度更加细致,为后续的磁选工艺提供更好的条件。
磨矿通常采用球磨机、磨矿机等设备进行,通过机械力对矿石进行研磨,使得矿石颗粒度更加均匀。
然后是磁选环节,磁选是磁性矿物和非磁性矿物在外加磁场的作用下进行分离的过程。
磁选通常采用磁选机进行,利用磁选机的磁场作用,将磁性矿物和非磁性矿物分离开来,从而达到提取磁性矿物的目的。
磁选工艺的关键是选择合适的磁场强度和磁选机参数,以实现磁性矿物和非磁性矿物的有效分离。
最后是脱水环节,脱水是将磁选后的矿石进行脱水处理的过程。
脱水的目的是将磁选后的矿石中的水分进行脱除,使得矿石达到适当的含水率,以便后续的干燥、运输和储存。
脱水通常采用压滤机、脱水离心机等设备进行,通过机械力对矿石进行脱水处理,使得矿石达到理想的含水率。
总的来说,磁选工艺流程包括破碎、磨矿、磁选和脱水等环节,通过这些环节的有机组合,可以实现磁性矿物和非磁性矿物的有效分离,达到提取磁性矿物的目的。
磁选工艺在矿石的选矿过程中起着至关重要的作用,是一种高效、节能、环保的选矿方法,具有广阔的应用前景。
石英砂色选工艺种类
石英砂色选工艺有以下几种:
1. 重选工艺:通过重力分选的原理,将石英砂中的杂质分离出来,从而提高石英砂的品位。
2. 浮选工艺:利用药剂来对矿物进行抑制,是对微细粒矿物的一种有效的方法。
3. 磁选工艺:磁选法的优点是选择性强,在保持有效地去除杂质的同时,还能获得很高的石英砂产量。
主要用于除去石英砂中的磁性矿物。
4. 重介质分选工艺:利用不同密度的介质将石英砂中的杂质分离出来。
5. 筛分工艺:通过不同规格的筛子将石英砂分成不同粒度的级别。
6. 酸浸工艺:利用酸溶液将石英砂中的杂质溶解掉,从而得到高纯度的石英砂。
7. 焙烧-水淬工艺:将石英砂加热到一定温度后进行快速冷却,通过水淬的作用将杂质去除。
请注意,以上仅是常见的石英砂色选工艺,如果需要了解更多信息,建议咨询专业人士。
磁选工艺流程
《磁选工艺流程》
磁选工艺是一种利用磁性矿物与非磁性矿物的磁性差异进行分离的技术。
它在矿业领域中被广泛应用,可以有效地提高矿石的品位和提取率,降低生产成本,是一种重要的矿石选矿技术。
磁选工艺流程一般包括以下几个步骤:
1. 粗选:首先将矿石经过破碎、磨矿等步骤后,将其送入磁选机进行粗选。
在这一步骤中,磁性矿物和非磁性矿物会被分离开来,实现初步的选矿目的。
2. 磨矿:将经过粗选的磁性矿物再次进行磨矿处理,使其颗粒度更加均匀,以便更好地进行后续的磁选处理。
3. 磁选:通过磁选机对磨矿后的磁性矿物进行进一步的磁选处理,将其中的磁性矿物和非磁性矿物进一步分离,提高磁性矿物的品位和提取率。
4. 选矿尾矿处理:将磁选过程中产生的尾矿进行处理,通常采用浮选、重选等方法,将其中的有用矿物进行回收,以减少浪费和资源损失。
总的来说,磁选工艺流程通过磁性矿物和非磁性矿物的磁性差异进行分离,将有用的矿物提取出来,实现了资源的有效利用
和提高了矿石的品位和提取率。
在矿业生产中具有重要的应用价值,为矿石的加工提供了有效的技术支持。
磁选设备工艺效果评定磁选设备工艺效果评定是确保磁选工艺有效运行的重要步骤。
以下是一些用于评估磁选设备工艺效果的关键指标和步骤:1.磁选设备效率:评估磁选设备的效率,包括磁选机的分选能力和磁选强度。
高效的磁选设备应能有效地分离目标矿物或物料。
2.矿石成分分析:对经过磁选处理的矿石样本进行成分分析,以确定分选效果。
比较分选前后的矿石成分,包括目标矿物和杂质的含量。
3.磁选设备的维护:评估磁选设备的维护状况,确保设备处于良好运行状态。
设备的磁力和机械部分应保持清洁和完好。
4.流程控制:确保磁选过程的流程控制得当,包括矿石的供给速率、磁选机的设置和调整,以及废料的排放。
5.废料回收率:评估磁选工艺的废料回收率,即非目标矿物的去除效果。
废料回收率应尽可能低,以最大程度地提高目标矿物的回收率。
6.目标矿物回收率:确定目标矿物的回收率,即从原始矿石中成功提取的量。
高回收率是磁选工艺的成功标志。
7.产品质量:评估经过磁选的产品的质量,包括目标矿物的纯度和质量。
产品应符合规定的质量标准。
8.成本效益:评估磁选工艺的成本效益,包括设备维护成本、能源消耗和人力成本。
工艺应具有合理的经济性。
9.安全性:确保磁选工艺的操作是安全的,工作人员应受到适当的培训,设备操作应符合安全标准。
10.环保影响:评估磁选工艺对环境的影响,包括废料处理和废水排放。
工艺应符合环保法规和标准。
综合评估这些因素可以帮助确定磁选设备工艺的效果。
根据评估结果,可以采取必要的措施来改进工艺、优化设备设置和流程控制,以确保磁选工艺的高效运行和高回收率。
石英砂的磁选工艺流程下载温馨提示:该文档是我店铺精心编制而成,希望大家下载以后,能够帮助大家解决实际的问题。
文档下载后可定制随意修改,请根据实际需要进行相应的调整和使用,谢谢!并且,本店铺为大家提供各种各样类型的实用资料,如教育随笔、日记赏析、句子摘抄、古诗大全、经典美文、话题作文、工作总结、词语解析、文案摘录、其他资料等等,如想了解不同资料格式和写法,敬请关注!Download tips: This document is carefully compiled by theeditor. I hope that after you download them,they can help yousolve practical problems. The document can be customized andmodified after downloading,please adjust and use it according toactual needs, thank you!In addition, our shop provides you with various types ofpractical materials,such as educational essays, diaryappreciation,sentence excerpts,ancient poems,classic articles,topic composition,work summary,word parsing,copy excerpts,other materials and so on,want to know different data formats andwriting methods,please pay attention!石英砂是一种重要的工业矿物原料,广泛应用于玻璃、陶瓷、铸造、化工等领域。
铁矿磁选工艺铁矿磁选工艺是一种利用磁力对铁矿石进行分离和提纯的技术方法。
它主要通过磁性物质与非磁性物质之间的差异,将铁矿石中的杂质分离出来,从而获得纯净的铁矿石。
铁矿磁选工艺的主要步骤包括破碎、磨矿、磁选和脱水等过程。
首先,需要将原始的铁矿石进行破碎和磨矿,将其破碎成适当的颗粒大小,并使其颗粒尺寸更加均匀。
然后,将磨矿后的铁矿石通过磁选机进行磁选。
磁选机利用磁场对铁矿石中的磁性物质进行吸附,实现磁性和非磁性物质的分离。
磁选机通常采用湿式磁选机和干式磁选机两种类型。
湿式磁选机适用于处理含水量较高的铁矿石,而干式磁选机适用于处理含水量较低的铁矿石。
在磁选过程中,通过调节磁场的强度和磁选机的工作状态,可以实现对铁矿石中不同磁性物质的有效分离。
对于磁性物质,磁选机会产生较强的吸附作用,将其吸附在磁选机的磁极上;而对于非磁性物质,则不会受到磁力的作用,会被排除出去。
通过这种方式,可以将铁矿石中的杂质如硅酸盐、硫化物等分离出来,从而提高铁矿石的品位和质量。
在磁选过程结束后,还需要对磁选后的铁矿石进行脱水处理。
脱水可以去除铁矿石中的多余水分,提高铁矿石的干燥度。
脱水通常采用离心脱水机或真空过滤机进行。
离心脱水机通过离心力将水分从铁矿石中分离出来,而真空过滤机则利用负压将水分抽出。
脱水后的铁矿石可以直接用于冶炼或其他工业用途。
铁矿磁选工艺具有高效、环保的特点。
相比传统的物理分离方法,磁选工艺不需要使用化学试剂,减少了对环境的污染。
同时,磁选工艺还能够实现对矿石的大规模自动化处理,提高了生产效率和产品质量。
然而,铁矿磁选工艺也存在一些问题和挑战。
首先,不同矿石的磁性特性有所差异,需要根据具体情况进行调整和优化。
其次,对于一些磁性较弱的矿石,磁选效果可能不理想,需要采用其他方法进行处理。
此外,磁选过程中的设备维护和运行成本较高,需要进行定期检修和保养。
铁矿磁选工艺是一种重要的铁矿石分离和提纯技术。
它通过利用磁性物质与非磁性物质之间的差异,实现对铁矿石中的杂质分离,从而获得纯净的铁矿石。
磁铁矿的选矿工艺和提取技术磁铁矿是一种重要的铁矿石资源,广泛应用于钢铁工业和其他相关领域。
为了更有效地提取磁铁矿中的铁矿石,减少资源的浪费和环境污染,工程技术人员一直在探索磁铁矿的选矿工艺和提取技术。
选矿工艺是指将磁铁矿中的有用矿物与无用矿物分离的过程。
磁性是磁铁矿的重要特点,也是其提取的关键技术。
目前常用的选矿工艺包括磁选、重选和浮选。
磁选是磁铁矿常用的选矿方法之一。
它利用磁性的差异来分离矿石中的铁矿石和非磁性矿物。
通过磁选机可以实现对磁铁矿的初步选矿,选择性地提取磁性较强的矿石。
磁选工艺通常分为干法磁选和湿法磁选两种形式。
干法磁选适用于对粗颗粒的矿石进行选矿,湿法磁选则适用于对细颗粒的矿石进行选择。
重选是利用重力和离心力的差异来分离磁铁矿石和非磁铁矿石的一种方法。
重力分选机、螺旋分选机和离心机等设备常用于磁铁矿的重选过程。
重选流程可以根据矿石的粒度、磁性和密度等特性进行调整和优化,以实现更好的分离效果。
浮选是利用不同矿石在悬浮液中的亲水性和疏水性差异来分离的一种选矿方法。
它常用于复杂的矿石中,可以有效地分离磁铁矿石和其他有用矿石,如铜、铅、锌等。
浮选过程通过喷泡剂和搅拌装置使矿石中的有用矿物浮起,然后通过刮板装置将浮起的矿物收集起来,从而实现对磁铁矿的提取。
除了选矿工艺,提取技术也是磁铁矿提取过程中的关键环节之一。
目前常用的磁铁矿提取技术包括磁化还原法、热还原法和湿法冶金法等。
磁化还原法是将磁铁矿通过磁场处理,使其发生磁化,并与还原剂一起在高温条件下进行反应,从而将铁矿石还原成铁精矿的一种方法。
该技术具有操作简便、适应性广和工艺流程短等优点。
热还原法是通过高温条件下将磁铁矿与还原剂一起进行反应,使铁的氧化物还原为金属铁的一种方法。
热还原法常用于磁铁矿中铁矿石含量较低、氧化物较多且难以被磁化的情况下。
湿法冶金法是利用酸性或碱性介质通过浸出和沉淀的方式将矿石中的有用矿物提取出来的一种方法。
其优点是反应速度快、产率高、对矿石成分适应性较广,但同时也会产生较多的废水和尾渣。
碳酸锰磁选工艺流程英文回答:The process of manganese carbonate magnetic separation involves several steps to separate the manganese carbonate from other impurities. Here is a detailed description ofthe process:1. Crushing and Grinding: The manganese carbonate oreis first crushed into smaller pieces using a crusher. Then, it is further ground into fine particles in a grinding mill. This step helps to increase the surface area of the ore, making it easier for the magnetic separation process.2. Magnetic Separation: After grinding, the manganese carbonate ore is subjected to magnetic separation. This process utilizes the magnetic properties of manganese carbonate to separate it from other non-magnetic impurities.A magnetic separator is used to attract and separate the manganese carbonate particles from the rest of the ore.3. Concentration: Once the manganese carbonateparticles are separated, they are concentrated to increase the manganese content. This is done by passing theseparated particles through a series of concentration equipment, such as a spiral concentrator or a shaking table. These devices use gravity and centrifugal force to separate the manganese carbonate particles based on their density.4. Dewatering: After concentration, the manganese carbonate concentrate is dewatered to remove excess water. This is typically done using a thickener or a filter press. The dewatered concentrate is then ready for further processing or transportation.5. Product Refining: Depending on the desired final product, the manganese carbonate concentrate may undergo additional refining steps. This can include processes such as leaching, precipitation, or calcination to furtherpurify the manganese carbonate and remove any remaining impurities.中文回答:碳酸锰磁选工艺流程包括几个步骤,用于将碳酸锰与其他杂质分离。
磁选工艺流程磁选是一种常用的固体分离工艺,适用于不同尺寸和磁性的矿石进行分离。
下面将介绍一个典型的磁选工艺流程。
首先,将原矿经过粗碎和细碎的工序,使其达到适当的颗粒大小。
然后,将破碎后的矿石送入磁选机进行初选。
磁选机通常由磁轮、排渣槽和出矿槽组成。
磁轮内置有强磁体,利用其产生的磁场对磁性矿石进行吸附,实现初步的分离。
同时,磁选机的排渣槽用于收集非磁性矿石,出矿槽则用于收集磁性矿石。
接下来,将初选后的磁性矿石送入磁选机进行精选。
精选磁选机通常由多个磁轮组成,根据不同的矿石性质和分离要求,可以调整磁轮的磁力强度和排列方式。
磁性矿石在磁场的作用下被吸附在磁轮表面,而非磁性矿石则从磁轮内部经过,并通过排渣槽收集。
通过多次精选,可将磁性矿石从原矿中进一步提纯。
然后,将经过磁选的磁性矿石送至湿式磁选进行脱水处理。
湿式磁选通常由高频振动筛、浓缩槽和脱水槽组成。
高频振动筛用于将磁性矿石分级,以便后续的浓缩。
浓缩槽则用于利用水流的作用将磁性矿石进行浓缩处理,减少杂质的含量。
脱水槽则用于将浓缩后的磁性矿石进行脱水,提高固体含量。
最后,经过脱水处理的磁性矿石可经过干燥、烧结等工序得到最终产品。
干燥通常采用气流干燥炉,将磁性矿石在高温高压的气流中进行脱水和干燥。
烧结则通过高温烧结矿石,使其粒子结合成块状,提高产品的强度和耐久性。
总的来说,磁选工艺流程包括初选、精选、湿式磁选、脱水、干燥和烧结等环节。
通过磁轮的磁场作用,可将磁性矿石从原矿中分离出来,并通过多次精选和脱水处理,使其达到要求的质量和纯度。
磁选工艺具有工艺流程简单、设备投资较少、操作方便等优点,因此在矿石分离中得到广泛应用。
铁矿干选磁选工艺
铁矿干选磁选工艺是一种用于从铁矿石中提取铁矿物的工艺方法。
它主要包括矿石破碎、筛选、磁选三个步骤。
本文将详细介绍这三个步骤。
第一步:矿石破碎
铁矿石中通常含有大量的杂质,比如岩石、泥土等非矿物质。
在进行干选磁选之前,需要将矿石破碎,去除其中的杂质,使之达到一定的颗粒度,方便后续的筛选和磁选。
矿石破碎通常使用破碎机进行。
破碎机的种类有很多,例如颚式破碎机、圆锥破碎机等。
破碎机的原理是利用机器的力量,将原有的矿石压碎,达到一定的颗粒度。
第二步:筛选
经过破碎之后,矿石中的杂质已经被去除,但是还需要将不同大小的铁矿物分离出来。
这就需要用到筛分。
筛分是通过筛网的不同孔径来将物料分为不同的颗粒级别。
常常用的筛分机器有振动筛、离心式筛分机等。
利用筛分机器不同的筛孔大小,可以将铁矿物分为不同的粒度。
第三步:磁选
经过筛选之后,需要将铁矿物从矿石中提取出来。
这就需要用到磁选。
铁矿物具有一定的磁性,可以通过磁力的作用从矿石中分离出来。
磁选通常使用磁选机进行。
磁选机内设置有磁铁,铁矿物在经过磁场时,被吸附在磁铁上。
利用磁选机的不同规格和磁场大小,可以实现对不同粒度的铁矿物的分离。
综上所述,铁矿干选磁选工艺主要包括矿石破碎、筛选、磁选。
通过这些步骤,铁矿物可以从矿石中提取出来,为后续的钢铁生产提供原材料。
磁选机的那些事儿嘿,大家好!今天咱们聊聊矿山里的一个好帮手——磁选机。
这玩意儿听起来高大上,其实原理挺简单,就是利用磁力把矿石中的铁啊啥的给挑出来。
那么它是怎么工作的呢?咱们就来唠唠这个流程。
首先,得从矿石开始说。
矿石从山上挖下来以后,可不是一堆堆的石头那么简单,里面混杂着各种杂质,想要提炼出有用的金属,就得把这些杂质给去掉。
这时候,磁选机就派上用场了。
第一步,矿石得先碎成小块。
这个过程叫破碎,用的是破碎机,把大块的矿石给打碎成小块,这样磁选机能更好地处理。
破碎完之后,还得再磨细,这个过程叫磨矿,磨完之后的矿石就变成了粉末状,这样里面的铁粉和其他杂质就能更容易地被分开了。
第二步,这些磨好的矿粉就会被送到磁选机里。
磁选机里面装着一些强磁铁,当矿粉通过这些磁铁的时候,那些含有铁的矿粉就会被吸引到磁铁上,而那些不含铁的杂质就不会受影响,继续往前走。
这样,铁和其他杂质就被初步分开了。
第三步,就是调整磁选机的工作参数了。
因为不同的矿石含铁量不一样,所以有时候需要调整磁选机的磁场强度,还有矿粉通过的速度,这样才能确保铁粉能被有效地吸附住,而其他杂质能顺利排出。
最后一步,就是收集分离出来的铁粉和其他物质了。
铁粉会被送到下一个工序,比如冶炼;而剩下的杂质,如果不是完全没有价值的话,还可以通过其他方法进一步处理,争取物尽其用。
总的来说,磁选机就是一个利用磁力来分拣矿石中不同成分的好工具。
它的工艺流程就是这么几步,听起来是不是还挺简单的?其实操作起来也是有技术含量的,得根据实际情况不断调整,才能达到最好的效果。
好了,今天就聊到这里吧,希望对大家了解磁选机有所帮助!。
非金属矿除杂提纯的磁选工艺设备介绍自然界中除较个别单一的黄金、金刚石、水晶、(方解石)与较纯的煤炭等固体矿物外,各种矿物均以多种成份的共生结合体存在,加上开采和粗加工时的混杂等因素,使绝大矿产品需要不同程度的碎裂、研磨、分选、(除杂与提纯)等加工处理,如金属矿的选矿与冶炼;炼焦煤的洗煤以及非金属矿的除杂提纯等。
但非金属矿的除杂工艺和技术指标要求与金属矿并不相同,它是除去影响制品白度和理化性能的少量有害杂质,如(高岭土)原矿含Fe2O31.0%左右,需降低到0.2%~0.5%,才能获得优质高岭土精泥产品,直接供陶瓷、造纸、油漆、涂料或填料等各种行业应用,故是终端产品,其质量和稳定性尤为紧要。
非金属矿则以重选和磁选为主,虽浮选也能除去高岭土矿中的黄铁矿或(长石)矿中的含铁(云母)等矿物,但除铁效果差,加工成本高和难于工业化,过去是从优质原矿动手,采纳分挖分采和人工手选等较原始的除杂方法。
由于用户对优质非金属矿产品的用量和质量不断提升,迫使非金属矿的除杂提纯工艺也要不断地提高与完善,而影响产品白度的铁、钛、锰等杂质矿物,虽均属顺磁性物,但因其具有磁性弱、粒度细(微米级)、含量少(1%左右)等特性,用常规的磁选工艺设备处理,难于达到较好的除铁效果,故非金属矿磁选除铁工艺的讨论和新奇高效磁选设备的研制,值得重视。
1磁选机原理我国在上世纪五六十时代引进日本技术仿制了“除铁皿”,在陶瓷厂广泛应用,因该皿磁场低,只能除去原材料中的机械铁,解决了瓷皿表面的黑色斑点,难于提高瓷皿白度。
造纸用优质高岭土、石英和长石等精粉是通过酸浸和漂白等化学方法达到除铁目的,但有加工成本高、环境污染严重、劳动强度大等缺点。
由于科学技术和高性能材料的快速进展,也促进了磁选工艺设备的进展。
上世纪七十时代美国物理学界在找寻单磁子的讨论工作中,应用了高梯度磁场技术,该技术能分别微细的弱磁性物料,适合高岭土等微细非金属矿粉料的磁选除铁,称为高梯度磁分别技术(HGNS)。
铁矿石干式粉磨干法磁选工艺简介概述:本文介绍一种选矿工艺及设备,即一种采用干法磨矿分级的工艺及设备,该工艺及设备可以根据矿石中每种矿物可磨度和密度的差异,实现差别磨矿,可以有效的避免因有用矿物过磨造成的境况损失以及降低因磨细脉石矿物而带来的能耗。
此方法特别适用于干旱缺水地区铁矿石的粉磨与磁选。
背景技术:我国铁矿资源较为丰富,而且随着铁矿勘察技术的不断提高,探明的铁矿资源储量不断增加。
从我国铁矿石的质量来看,主要呈“贫矿多、富矿少、嵌部粒度细、多金属共(伴)生矿石比例高、矿石组分复杂”的特点。
在当前技术条件下,具有工业利用价值的主要是磁铁矿、赤铁矿、褐铁矿、菱铁矿、钛铁矿和黄铁矿等。
经济建设的持续高速发展,带动了国内钢铁工业的迅猛发展。
我国作为世界第一铁矿石的生产和消费大国,加上铁矿资源“贫、细、杂”的特点,使国内的铁矿资源供给远远无法满足内需,每年必须从国外进口大量铁矿石或铁精粉。
目前我国铁矿选矿技术研究主要集中在以下几个方面:1、实施“提铁降硅”;2、开发高效节能的选矿新工艺、新技术;3、新型破碎、磨矿、分级、选矿设备的研究。
几十年来,北方重工集团公司针对我国铁矿资源“贫、细、杂”的特点开展了大量的研究工作,尤其是近年来,在综合利用难磨的矿渣微粉生产复合水泥方面,北方重工集团公司研制并成功应用了新的高效单臂加载结构的立式矿渣辊磨机,使得在矿石细磨阶段用立式辊磨机代替球磨机成为可能。
这一进展为选矿工艺指标的提升带来了希望。
干式粉磨干法的优势及特点:目前,铁矿石的选矿工艺,通常采用湿法选矿工艺,这种工艺历史悠久,技术成熟,但耗水量较大,工艺流程相对复杂,基建费用高。
对于干旱缺水的中西部地区,该方法将会大大提高选矿成本。
而干法粉磨干法磁选工艺的出现,很好了解决了这个难题,采用这种工艺,可以缩短选矿流程,减少流程中的用水量,甚至选矿全流程采用干法工艺。
我国铁矿选矿的磨矿分级工艺通常采用湿式工艺。
近些年来,随着入选铁矿粒度的逐渐细化,磨矿分级的段数也相应增加,同时对磨矿分级设备的要求也越来越高。
铁矿干选磁选选矿工艺介绍在整个矿产品生产过程中,选矿可以说是最为重要的环节,由于矿物质的复杂多样,选矿工艺也大有不同,下面亿矿网就来为大家介绍一下铁矿干选磁选选矿工艺。
铁矿干选机磁场强度一般要求在3500高斯以上,选出的矿石称为中矿,品位一般在20%左右。
主要选矿工艺流程如下:原矿石送入上料斗,经过振动电机振动布料,出料量可通过手轮来进行精确调整。
干式磁选机磁辊通过调速电机拖动,转速的快慢通过调速表来进行调节,可控制磁选机的产量和精矿品位。
矿粒经输送带被送入上磁辊分选,由于矿石的矿粒有磁性,立即被强磁场吸附在磁辊上,而脉石粒(杂石、砂土)由于没有磁性(磁性很弱),磁辊的强磁对它不产生吸力,随着磁辊的转动,矿粒一直被吸在磁辊上,而脉石粒在磁辊转到前端位置时被抛出掉在隔矿板的前面(通过改变隔矿板角度的大小可调整精矿的品位),矿粒继续被磁辊带到脱磁区时自动掉入一选集矿斗收集为精矿成品。
由于上磁辊掉下的脉石中还夹带有一些磁性更弱的矿粒,它们将进入下磁辊继续进行磁选,磁选后的成品矿粒进入二选集矿斗收集为成品,被抛出的脉石经尾矿口排出,至此磁选工序结束。
由于原矿中的脉石被抛弃,所以使矿石的品位得到提高。
对于一些含钒磁铁矿石、钛磁铁矿石的选矿方案则需要区别,含钒磁铁矿是强磁性矿物,钛铁矿是弱磁性矿物,但比重较大,可用重选回收。
如矿石中含有硫化物和磷灰石,则尚需考虑钛精矿浮选除硫、磷,或在选钛之前优先浮选硫、磷。
若矿石中共生矿物嵌布很细,致密共生或呈类质同象,常需直接采用冶金方法或选冶联合流程分离。
故此类矿石的选别方案有:1、用弱磁选回收磁铁矿,重选法回收钛铁矿,钛铁精矿用浮选法脱除钴、镍硫化物。
2、用弱磁选回收磁铁矿,浮选法选钴、镍硫化物,重选-浮选联合流程或重选(选粗粒)强磁选(选细粒)强磁精矿浮选联合流程选钛铁矿。
3、用弱磁选回收磁铁矿,浮选法选钴、镍硫化物,重选-强磁选-浮选联合流程选钛,最后用电选法精选钛精矿,以提高钛精矿品位。
冶金固废处理工艺
冶金固废处理工艺,是指针对冶金行业产生的固体废弃物进行处理的工艺。
冶金行业的固体废弃物主要包括炉渣、炉渣微粉、废渣、废石等。
常见的冶金固废处理工艺包括:
1. 磁选工艺:通过磁选设备对废渣中的可磁性物质进行分离,如铁矿石、钢渣等。
2. 浮选工艺:通过浮选设备将废渣中的有用矿物与杂质分离,可回收有价值的矿石。
3. 焙烧工艺:通过高温焙烧废渣,使废渣中的有机物、杂质等转化或挥发,得到更稳定、无害的处理产物。
4. 酸洗工艺:使用酸性溶液对废渣进行酸洗处理,去除表面的氧化物或铁锈等污染物。
5. 压滤工艺:将湿废渣经过压滤设备进行脱水处理,减少污染物的含水率,方便后续处理或处置。
6. 氧化处理工艺:利用氧化剂对废渣进行氧化处理,促使废渣中的有害物质转变为无害或难溶于水的形式。
7. 固化处理工艺:将废渣与固化剂混合后经过固化处理设备,形成坚固的固体块,减少废渣的渗漏和风化。
以上只是一些常见的冶金固废处理工艺,具体的处理工艺会根据废渣的性质、处理要求等因素进行选择和优化。
磁选设备工艺效果评定磁选设备工艺效果评定1. 引言磁选设备是一种常用的固体物料分离技术,它利用磁性材料对具有磁性的固体颗粒进行分离和提纯。
在矿山、冶金、化工等行业中广泛应用。
然而,磁选设备的工艺效果评定对于提高磁选效率、优化工艺参数以及降低生产成本具有重要意义。
本文将对磁选设备工艺效果评定进行全面探讨。
2. 磁选设备工艺效果的测量指标2.1 磁选率磁选率是衡量磁选设备工艺效果的重要指标之一。
它反映了被磁选物料中磁性物质的分离效率。
磁选率的计算方法为:磁选率 = (磁选浓度/进料浓度) × 100%。
磁选率越高,磁选设备的工艺效果越佳。
2.2 回收率回收率是另一个衡量磁选设备工艺效果的重要指标。
它表示被磁选物料中磁性物质的回收程度。
回收率的计算方法为:回收率 = (产出浓度/进料浓度) × 100%。
回收率越高,表示磁选设备能够有效地从原料中回收目标物质。
2.3 磁选指数磁选指数是综合评估磁选设备工艺效果的指标,它综合考虑了磁选率和回收率。
磁选指数的计算方法为:磁选指数 = 磁选率× 回收率。
磁选指数越高,表明磁选设备的分离效果越好。
3. 磁选设备工艺效果评定方法3.1 实验研究实验研究是评定磁选设备工艺效果的常用方法之一。
通过真实的实验操作,可以精确地测量磁选率、回收率和磁选指数等指标。
实验研究可以通过改变磁选设备的工艺参数,如磁场强度、进料流速和磁选时间等,来评估其对磁选效果的影响。
3.2 数值模拟数值模拟是辅助评定磁选设备工艺效果的重要方法。
通过数学建模和计算机仿真,可以模拟出磁选设备的工艺过程,预测磁选率、回收率和磁选指数等指标。
数值模拟可以快速评估不同工艺参数对磁选效果的影响,节省时间和成本。
4. 个人观点和理解在评定磁选设备工艺效果时,我认为应该综合考虑磁选率、回收率和磁选指数等指标,以全面衡量其分离效果。
磁选设备的工艺参数也是影响工艺效果的关键因素,合理调整这些参数可以提高磁选效率和降低成本。