塔吊基础设计计算书(桩基础)
- 格式:docx
- 大小:119.60 KB
- 文档页数:7
塔吊基础设计(单桩)计算书1.计算参数(1)基本参数采用2台QTZ63塔式起重机,1台45米、1台40米,塔身尺寸1.63m,承台面标高-12.20m。
(2)计算参数1)塔机基础受力情况基础荷载P(kN) M(kN.m)F k FhM MZ503.80 35.00 1500.00 200.00MkFM zkF =F =M =zM =基础顶面所受垂直力基础顶面所受水平力基础所受扭矩基础顶面所受倾覆力矩hF h塔吊基础受力示意图比较桩基础塔机的工作状态和非工作状态的受力情况,塔机基础按工作状态计算如图:F k =503.80kN,Fh=35.00kN,M=1500.00+35.0×1.10=1538.50kN.mF k ‘=503.80×1.35=680.13kN,Fh,=35.00×1.35=47.25kN,Mk=(1500.00+35.0×1.10)×1.35=2076.98kN.m2)桩顶以下岩土力学资料序号地层名称厚度 L(m)极限侧阻力标准值q sik(kPa ) 岩石饱和单轴抗压强度标准值f rk (kPa) q sik*ιi(kN/m) 抗拔系数λiλi q sik*ιi(kN/m)1 粘性土 1.9 55.00 100.00 104.50 0.7073.15 2 粉质粘土 0.9 95.00 150.00 85.50 0.70 59.85 3 强风化 6.2 120.00 245.00 148.00 0.70 103.88 4 中风化1.10 200.00420.00 174.40 0.70 121.8 桩长10.10∑q sik*ιi512.40∑λi q sik*ιi358.683)基础设计主要参数基础桩采用1根φ1400人工挖孔灌注桩,桩顶标高-12.20m ,桩端设扩大头,桩端入中风化 1.10m ;桩混凝土等级C30,f C =14.30N/mm 2 ,E C =3.00×104N/mm 2;f t =1.43N/mm 2,桩长10.10m ;钢筋HRB335,f y =300.00N/mm 2 ,E s =2.00×105N/mm 2;承台尺寸长(a)=3.50m 、宽(b)=3.50m 、高(h)=1.20m ;桩中心与承台中心重合,面标高-12.20m ;承台混凝土等级C30,f t =1.43N/mm 2,f C =14.30N/mm 2,γ砼=25kN/m 3。
TC6013塔吊桩基础计算书本计算书主要依据施工图纸及以下规范及参考文献编制:《塔式起重机混凝土基础技术规程》(JGJ187-2009)、《建筑桩基技术规范》(JGJ94-2008)、《混凝土结构设计规范》(GB50010-2010)、《钢结构设计规范》(GB50017-2003)、《建筑地基基础设计规范》(GB 50007-2011)、《建筑结构荷载规范》(GB 50009-2012)等编制。
一、参数信息塔吊型号:QTZ100-TC6013, 自重(包括压重)F1=744.8kN,最大起重荷载F=80.0kN,塔吊倾覆力距M=1000.0kN.m,塔吊起重高度H=120.0m,塔身宽度B=1.6m,承台长度Lc或宽度Bc=5.00m,承台厚度Hc=1.40m,桩直径或方桩边长 d=0.40m,桩间距a=4.20m,基础埋深D=0.00m,保护层厚度:50.00mm,承台混凝土强度等级:C35,承台钢筋级别:HRB335,桩混凝土强度等级:C35,桩钢筋级别:HRB335,承台箍筋间距S=400.00mm。
二、荷载的计算1.自重荷载及起重荷载(1)塔机自重标准值:F kl=744.80kN(2)基础及附加构造自重标准值:G k = 25.0×Bc×Bc×Hc+0.00= 25.0×5.00×5.00×1.40+0.00 = 875.00kN;(3)起重荷载标准值:F qk=80.00kN1.风荷载计算(1)非工作状态下塔机塔身截面对角线方向所受风荷载标准值:塔机所受风线荷载标准值q sk'=0.8aβzμsμz W0a0BH/H=0.8×1.2×1.85×1.60×0.99×0.50×0.35×1.60=0.79kN/m塔机所受风荷载水平合力标准值F vk'=q sk'×H = 0.79×120.00 = 94.52kN标准组合的倾翻力矩标准值M k = 1000.00kN.m三、桩基承载力验算1.桩基竖向承载力验算取最不利的非工作状态荷载进行验算。
塔吊基础专项施工方案编制人:审核人:施工单位:日期:2011年3月25日一、工程概况1、地理位置2、设计概况本工程结构形式为框架剪力墙结构,人工挖孔桩承重,建筑高度为:楼54.15m 一、二层为地下室,正负零以上为住房,层高3.00m。
为:楼18层、建筑等级:一级,耐火等级为地下室一级,主体二级,安全等级二级,抗震设防烈度小于六度。
主体结构设计使用年限为50年。
二、塔吊选型和位置确定根据施工现场条件及周围环境条件和工程结构情况,该项目采用一台TC5510塔式起重机,臂长55米,用于栋施工,塔高安装高度72m。
(塔吊安装位置见塔吊定位平面布置图)塔吊在此位置可满足塔臂就位与拆除以及工程施工的需要。
三、塔吊基础设计方案本工程栋±0.00相当于绝对高程57.6m,负二层地下室基础顶面标高-11.9m,则相等于绝对标高45.70m,塔吊按保用说明书基础为高度1.42m,则塔吊基础底绝对标高为44.28m,按照塔吊定位图在确定其基础附近最近地勘钻孔为ZK165,根据ZK165钻孔柱状图显示塔吊基础底板下为回填土,一直至第⑥岩土层(强风化岩体)方可作为持力层,基第⑥岩土层底绝对标高为35.80m,相差8.48m,故需采用桩基础方可用于塔吊基础持力。
拟采用人工挖孔桩灌注桩,桩径800mm共4根用于塔吊基础持力。
由于第⑥岩土层风化程度高,强度较低且厚度小,所以以第⑦中风化层作为持力层,有效桩长按8.5m计算,桩身及承台混凝土强度等级C30,承台按塔吊基础原图尺寸5.0m×5.0m×1.42m进行设计,配筋根据受力情况进行计算。
四、塔吊桩基础计算书1、设计依据.《建筑桩基技术规范》JGJ94—2008.《混凝土结构设计规范》GB50010—2002.《建筑地基基础设计规范》GB50007—2002.《建筑机械使用安全规程》JGJ33—2001.《建筑结构荷载规范》GB50009—2001. 本工程《岩石工程勘察报告》. 施工图纸. 简明施工计算手册. 塔吊使用说明书2、地质参数以本工程《岩石工程勘察报告》中有关资料为计算依据(以ZK175孔为依据),其主要设计参数(见土层设计计算参数表)。
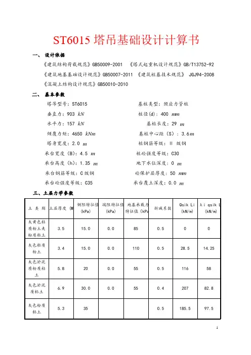
ST6015塔吊基础设计计算书一、设计依据《建筑结构荷载规范》GB50009-2001 《塔式起重机设计规范》GB/T13752-92《建筑地基基础设计规范》GB50007-2011 《建筑桩基技术规范》 JGJ94-2008《混凝土结构设计规范》GB50010-2010二、基本参数塔吊型号:ST6015 基桩类型:预应力管桩垂直力:903 kN桩径(d): 400 mm水平力:157 kN基桩长度:29 m倾覆力矩:4650 kNm基桩中心距(S): 3.6m塔身宽度:2.0 m桩钢筋等级:Ⅱ 级钢承台宽度(B):4.5 m桩砼强度等级:C30承台高度(h):1.35 m地下水位深度: 0 m承台钢筋等级:C级钢砼保护层厚度: 50 mm承台砼强度等级:C35 承台覆土深度:0.0 m三、土层力学参数四、塔吊基桩承载力验算1.计算简图:图中:k F 塔吊作用于基础上的垂直力标准值(kN ); ok M 塔吊作用于基础上的倾覆力矩标准值(kNm ); k H 塔吊作用于基础上的水平力标准值(kN ); k G 承台自重及其上覆土自重标准值(kN ); S 基桩中心距(m ); B 承台宽度(m ); h 承台高度(m )。
2.荷载计算:取地基土容重为163/kN m ,则 承台自重及上覆土自重标准值:k G =4.5×4.5×(1.35×25+0×16)= 683.4kN作用于承台基础底的弯矩:0k k k M M H h =+⋅ = 4650 + 157×1.35= 4862.0kNm3.基桩顶作用效应计算:(绕Z 轴)i x = 0.52S ⋅=0.5×2×3.6 = 2.545 m垂直力(轴心受压):k kF G N n+== =396.6 kN垂直力(偏心受压):2k k k iiF G M x N n x +=±∑=±max N = 1351.8kN min N = -558.6kN水平力:H ik= H k /n=157/4=39.25kN 4.桩基竖向承载力验算(1)单桩竖向极限承载力标准值计算A p=π(d2²-d1²)/4 =3.14×(0.40²-0.22²)/4=0.087㎡ Q sk=u ∑q sikL i=3.14×0.40×1046.5=1314.4kN Q pk=qpkA p=3500×0.087=304.5kN Q uk =Qsk+Qpk=1314.4+304.5=1618.9kNR a=1/KQ uk=1/2×1618.9=809.5kN (2)桩基竖向承载力计算 1) 轴心竖向力作用下N k=329.85kN<R a=809.5kN ,竖向承载力满足要求。
塔机四桩灌注桩基础计算书1. 计算参数(1) 基本参数采用1台QTZ6020塔式起重机,臂长60m,初装高度为40m,塔身尺寸1.70m,地下室开挖深度为-6.8m,现场地面标高为-0.30m,塔机基础面标高-0.30m,采用四桩灌注桩基础。
(2) 计算参数1) 塔吊基础受力情况(表1及图1)表1图1 塔吊基础受力示意图比较塔机的工作状态和非工作状态的受力情况,塔吊基础按非工作状态计算(图2):F k’=850.00×1.2=1020.00kN ,F h’=70.00×1.4=98.00kNM k=(2000.00+70.00×1.40)×1.4=2937.20kN.m2) 桩顶以下岩土力学资料(表2)表2序号 地层名称厚度L(m)极限侧阻力标准值q sik(kPa)岩石饱和单轴抗压强度标准值f rk (kPa)q sik L i(kN/m)抗拔系数λiλi q sik L i(kN/m)1 松散粉细砂 0.20 40.00 8.00 0.50 4.002 中密中粗砂 8.50 60.00 510.000.60 306.003 强风化粉砂岩 1.50 170.00 255.00 1.00 255.004 中风化粉砂岩 1.00 10000.00桩长 11.20 ∑q sik L i=773.00∑λi q sik L i= 565.00(3) 基础设计主要参数(图3)基础桩采用4根Φ600钻(冲)孔 灌注桩,桩顶标高-1.70m,桩端不设扩大头,桩端入中风化粉砂岩 1.00m;桩混凝土等级C25,f C=11.90N/mm2 ,E C=2.80×104N/mm2;f t=1.27N/mm2 ,桩长11.20m;钢筋HRB335,f y=300N/mm2,E s=2.00×105N/mm2;承台尺寸长(a)=4.20m,宽(b)=4.20m,高(h)=1.50m,桩中心与承台中心1.50m,承台面标高-0.30m;承台混凝土等级C35,f t=1.57N/mm2 ,f C=16.70N/mm2,γ混凝土=25kN/m3。
(TC7020)塔吊四桩基础的计算书依据《塔式起重机混凝土基础工程技术规程》(JGJ/T 187-2009)。
二. 荷载计算1. 自重荷载及起重荷载1) 塔机自重标准值F k1=1260kN2) 基础以及覆土自重标准值G k=4.5×4.5×1.60×25=810kN3) 起重荷载标准值F qk=160kN2. 风荷载计算1) 工作状态下塔机塔身截面对角线方向所受风荷载标准值a. 塔机所受风均布线荷载标准值 (Wo=0.2kN/m 2)W k=0.8×1.59×1.95×1.2×0.2=0.60kN/m2q sk=1.2×0.60×0.35×2=0.50kN/mb. 塔机所受风荷载水平合力标准值F vk=q sk×H=0.50×46.50=23.25kNc. 基础顶面风荷载产生的力矩标准值M sk=0.5F vk×H=0.5×23.25×46.50=540.62kN.m2) 非工作状态下塔机塔身截面对角线方向所受风荷载标准值a. 塔机所受风均布线荷载标准值 (本地区 Wo=0.35kN/m 2)W k=0.8×1.62×1.95×1.2×0.35=1.06kN/m2q sk=1.2×1.06×0.35×2.00=0.89kN/mb. 塔机所受风荷载水平合力标准值F vk=q sk×H=0.89×46.50=41.46kNc. 基础顶面风荷载产生的力矩标准值M sk=0.5F vk×H=0.5×41.46×46.50=963.93kN.m3. 塔机的倾覆力矩工作状态下,标准组合的倾覆力矩标准值M k=1639+0.9×(1400+540.62)=3385.55kN.m非工作状态下,标准组合的倾覆力矩标准值M k=1639+963.93=2602.93kN.m三. 桩竖向力计算非工作状态下:Q k=(F k+G k)/n=(1260+810.00)/4=517.50kNQ kmax=(F k+G k)/n+(M k+F vk×h)/L=(1260+810)/4+Abs(2602.93+41.46×1.60)/4.95=1056.85kNQ kmin=(F k+G k-F lk)/n-(M k+F vk×h)/L=(1260+810-0)/4-Abs(2602.93+41.46×1.60)/4.95=-21.85kN工作状态下:Q k=(F k+G k+F qk)/n=(1260+810.00+160)/4=557.50kNQ kmax=(F k+G k+F qk)/n+(M k+F vk×h)/L=(1260+810+160)/4+Abs(3385.55+23.25×1.60)/4.95=1249.11kNQ kmin=(F k+G k+F qk-F lk)/n-(M k+F vk×h)/L=(1260+810+160-0)/4-Abs(3385.55+23.25×1.60)/4.95=-134.11kN四. 承台受弯计算1. 荷载计算不计承台自重及其上土重,第i桩的竖向力反力设计值:工作状态下:最大压力 N i=1.35×(F k+F qk)/n+1.35×(M k+F vk×h)/L=1.35×(1260+160)/4+1.35×(3385.55+23.25×1.60)/4.95=1412.92kN 最大拔力 N i=1.35×(F k+F qk)/n-1.35×(M k+F vk×h)/L=1.35×(1260+160)/4-1.35×(3385.55+23.25×1.60)/4.95=-454.42kN 非工作状态下:最大压力 N i=1.35×F k/n+1.35×(M k+F vk×h)/L=1.35×1260/4+1.35×(2602.93+41.46×1.60)/4.95=1153.38kN最大拔力 N i=1.35×F k/n-1.35×(M k+F vk×h)/L=1.35×1260/4-1.35×(2602.93+41.46×1.60)/4.95=-302.88kN2. 弯矩的计算依据《塔式起重机混凝土基础工程技术规程》第6.4.2条其中 M x,M y1──计算截面处XY方向的弯矩设计值(kN.m);x i,y i──单桩相对承台中心轴的XY方向距离(m);N i──不计承台自重及其上土重,第i桩的竖向反力设计值(kN)。
塔吊基础设计(单桩)计算书1.计算参数(1)基本参数采用1台QTZ63塔式起重机,塔身尺寸1.51m,基坑开挖深度-3.20m;现场地面标高31.00m,承台面标高-1.80m。
(2)计算参数1)塔机基础受力情况M基础顶面所受垂直力基础顶面所受水平力基础所受扭矩基础顶面所受倾覆力矩塔吊基础受力示意图比较桩基础塔机的工作状态和非工作状态的受力情况,塔机基础按工作状态计算如图:F k =765.00kN,Fh=35.00kN,M=1658.00+35.0×1.30=1703.50kN.mF k ‘=765.00×1.35=1032.75kN,Fh,=35.00×1.35=47.25kN,Mk=(1658.00+35.0×1.30)×1.35=2299.73kN.m2)桩顶以下岩土力学资料基础桩采用1根φ1800钻(冲)孔灌注桩,桩顶标高-3.10m ,桩端不设扩大头,桩端入粉质粘土 1.70m ;桩混凝土等级C25,f C =11.90N/mm 2 ,E C =2.80×104N/mm 2;f t =1.27N/mm 2,桩长12.85m ;钢筋HRB335,f y =300.00N/mm 2 ,E s =2.00×105N/mm 2;承台尺寸长(a)=4.50m 、宽(b)=4.50m 、高(h)=1.40m ;桩中心与承台中心重合,承台面标高-1.80m ;承台混凝土等级C25,f t =1.27N/mm 2,f C =11.90N/mm 2,γ砼=25kN/m 3。
G k =a ×b ×h ×γ砼=4.50×4.50×1.40×25=708.75kN2.桩顶作用效应计算 (1)轴心竖向力作用下N k =(F k +G k )/n=(765.00+708.75)/1=1473.75kN(2)水平力作用下H ik =Fh/n=35.00/1=35.00kN3.桩基竖向承载力验算(1)单桩竖向极限承载力标准值计算h r =1.70m,d=1.80m=1800mm,hr/d=1.70/1.80=0.94,查表得,ζr=1.04Ap=πd2/4=3.14×3.24/4=2.54m2Q sk =u∑qsik i=πd∑qsia i=3.14×1.80×592.00=3345.98kNQ rk =ζrfrkAp=1.04×160×2.54=422.66kNQ uk =Qsk+Qsk=3345.98+422.66=3768.64kNR a =1/KQuk=1/2×3768.64=1884.32kN4.桩基竖向承载力计算轴心竖向力作用下N k =1473.75kN<Ra=1884.32kN,竖向承载力满足要求。
塔吊基础方案一、塔吊基础选择铺设混凝土基础的地基应能承受0.2MPa的压力,本工程强风化砂岩加泥层的承载力达0.25MPa,满足塔吊基础对地基承载力的要求,且该土层也是建筑物基础所在土层,以该土层作塔吊基础的持力层,既能满足塔吊使用要求,也不会有基坑开挖时引起塔吊基础变形的问题。
因塔吊基础上表面在自然地面以下,为保证基础上表面处不积水,将场地排水沟与塔吊基础相连通。
沿塔吊基础四周砖砌300×500排水沟,与场地排水沟相连并及时排除,确保塔吊基础不积水。
塔吊基础配筋及预埋件等均按使用说明书。
二、QTZ63塔吊基础计算书(一)参数信息塔吊型号:QTZ63,自重(包括压重)F1=450.80kN,最大起重荷载F2=60.00kN,塔吊倾覆力距M=630.00kN.m,塔吊起重高度=70.00m,塔身宽度B=1.50m,混凝土强度等级:C35,基础埋深D=0.2m,基础最小厚度h=1.5m,基础最小宽度Bc=5.00m。
(二)基础最小尺寸计算基础的最小厚度取:H=1.5m基础的最小宽度取:Bc=5.00m(三)塔吊基础承载力计算依据《建筑地基基础设计规范》(GB50007-2002)第5.2条承载力计算。
计算简图:当不考虑附着时的基础设计值计算公式:当考虑附着时的基础设计值计算公式:当考虑偏心距较大时的基础设计值计算公式:式中 F──塔吊作用于基础的竖向力,它包括塔吊自重,压重和最大起重荷载,F=1.2×510.8=612.96kN;G──基础自重与基础上面的土的自重,G=1.2×(25.0×Bc×Bc×Hc+20.0×Bc ×Bc×D) =1245kN;Bc──基础底面的宽度,取Bc=5.00m;W──基础底面的抵抗矩,W=Bc×Bc×Bc/6=20.83m3;M──倾覆力矩,包括风荷载产生的力距和最大起重力距,M=1.4×630.00=882.00kN.m;a──合力作用点至基础底面最大压力边缘距离(m),按下式计算:a=5.00/2-882.00/(612.96+1245)=1.93m。
目录一、设计依据 (2)二、工程概况 (2)三、塔吊基础平面布置及基础形式 (2)四、塔吊基础验算 (3)(一)、塔吊的基本参数信息 (3)(二)、塔吊基础承台顶面的竖向力和弯矩计算 (4)(三)、承台弯矩及单桩桩顶竖向力的计算 (4)(四)、承台截面主筋的计算 (5)(五)、承台斜截面抗剪切计算 (6)(六)、桩承载力验算 (7)(七)、桩竖向极限承载力验算 (7)(八)塔吊基础配筋 (9)五、塔机接地 (9)塔吊基础布置图详附图一、设计依据1、《建筑地基基础设计规范》GB50007-20022、《建筑桩基技术规范》JGJ94-20083、《混凝土结构设计规范》(GB50010-2002)4、岩土工程勘察报告5、《TC6015塔式起重机使用说明》6、工程施工图纸7、本工程施工组织设计二、工程概况*************程位于天津空港经济区******************,包含4栋建筑:1#、3#、4#、9#楼,工程总建筑面积为47010.46平方米,其中:1#楼7588.57㎡,3#楼7632.94㎡,4#楼10084.96㎡9#楼21699.99㎡。
在4#楼、1#楼、9#楼位置各布置1台TC6015塔式起重机。
该塔式起重机的独立式起升高度为60m,臂长为60m,额定起重力矩为1250KN.m,最大额定起重量为8t,臂端可起吊1.5t。
三、塔吊基础平面布置及基础形式1、塔机平面布置位置:4#楼处塔吊位于4-F轴外侧,4-31、4-32轴处,该塔吊编号为1#塔;1#楼处塔吊位于1-A轴外侧,1-13轴处,该塔吊编号为2#塔;9#楼处塔吊位于9-A轴外侧,9-14、9-17轴之间处,该塔吊编号为3#塔。
2、设计塔吊基础底标高-2.500米。
塔吊基础采用桩基承台基础,设计承台尺寸5800×5800,高1500mm(塔机基础图要求尺寸),承台顶标高-2.450m,混凝土采用C35混凝土。
塔吊分项参数计算塔吊是施工场地最重要的施工机械之一,其使用贯穿了整个工程。
在这过程中间隔时间长,不可预见性因素多,为确保塔吊的安全,以下计算都按极限苛刻条件下能保证塔吊正常工作计算。
即:塔吊设置在最大开挖深度处;型钢柱与混凝土灌注桩连接按光滑面锚固。
(计算详值见计算表格) 1. 基础竖向极限承载力计算F=F1+ F2F ——基础竖向极限承载力kn F1——塔吊自重(包括压重)kn F2最大起吊重量kn 2.单桩抗压承载力、抗拔力计算桩顶竖向力的计算(依据《建筑桩技术规范》JGJ94-94的第条)F 十。
iV V-A- M =1.2 —±士 弱尹2" Z* ("+”计算结果为抗压,“-”为抗拔)其中 N i ——单桩桩顶竖向力设计值kNn 单桩个数,n=4;F ——作用于桩基承台顶面的竖向力设计值TG ——塔吊基础重量KNMx,My 承台底面的弯矩设计值kN.mxi,yi 单桩相对承台中心轴的XY 方向距离mM ——塔吊的倾覆力矩kN.m3.桩长以及桩径计算 桩采用钻孔灌注桩R =f A +U £ f l >R = N xgk 实际 ppp s ii1U P =n d其中Rk 实际一一实际钻孔灌注桩承载能力KN桩端面承载能力KN桩侧摩擦阻力总和IUp£fsliKNR——单桩轴向承力安全值KN孔一一桩安全系数取2d桩直径m4.桩抗拔验算Ok=入RQk八k实际5.桩配筋计算桩身配筋率可取0.20%〜0.65% (计算取上限0.65%),抗压主筋不应少于6①10,箍筋采用不少于①6@3mm的螺旋箍筋,在桩顶5倍桩身直径范围内箍筋①6@1mm,每隔2m设一道2①12焊接加强箍筋。
As = S桩截面*配筋率n = 4As/ (n 巾2)其中n ——竖筋根数根As ——钢筋总截面积m①一一竖筋直径m6.桩上部钢支柱计算钢支柱采用 hxbxtwxt = 350 * 350 x 12 x 19, H 型钢。
QTZ60(独立式)塔吊桩基础的计算书一. 参数信息塔吊型号:QTZ60,自重(包括压重)F1=378kN,最大起重荷载F2=60kN塔吊倾覆力距M=600kN.m,塔吊起重高度H=40.1m,塔身宽度B=1.6m混凝土强度:C35,钢筋级别:Ⅱ级,承台长度Lc或宽度Bc=5m桩直径d=0.6m,桩间距a=3.6m,承台厚度Hc=0.8m基础埋深D=1.5m,承台箍筋间距S=200mm,保护层厚度:50mm二. 塔吊基础承台顶面的竖向力与弯矩计算塔吊自重(包括压重)F1=378kN塔吊最大起重荷载F2=60kN作用于桩基承台顶面的竖向力 F=1.2×(F1+F2)=525.6kN塔吊的倾覆力矩 M=1.4×600.00=840.00kN.m三. 矩形承台弯矩的计算计算简图:图中x轴的方向是随机变化的,设计计算时应按照倾覆力矩M最不利方向进行验算。
1. 桩顶竖向力的计算(依据《建筑桩技术规范》JGJ94-2008的第5.1.1条)其中 n──单桩个数,n=4;F──作用于桩基承台顶面的竖向力设计值,F=1.2×438=525.6kN; G──桩基承台的自重,G=1.2×(25.0×Bc×Lc×Hc+20.0×Bc×Lc×D)=1500.00kN;Mx,My──承台底面的弯矩设计值(kN.m);xi,yi──单桩相对承台中心轴的XY方向距离(m);Ni──单桩桩顶竖向力设计值(kN)。
经计算得到单桩桩顶竖向力设计值:最大压力:N=(525.6+1500)/4+840×(3.6×1.414/2)/[2×(3.6×1.414/2)2]=671.4kN没有抗拔力!2. 矩形承台弯矩的计算(依据《建筑桩技术规范》JGJ94-2008的第5.9.2条)其中 Mx1,My1──计算截面处XY方向的弯矩设计值(kN.m);xi,yi──单桩相对承台中心轴的XY方向距离(m);Ni1──扣除承台自重的单桩桩顶竖向力设计值(kN),Ni1=Ni-G/n。
塔吊桩基础计算书一. 参数信息塔吊型号: 中联QTZ80(5610)自重(包括压重): F1=694.3kN最大起重荷载: F2=60.00kN 塔吊倾覆力距: M=630.00kN.m塔吊起重高度: H=105.60m 塔身宽度: B=1.60m桩混凝土等级: C20 承台混凝土等级: C30 保护层厚度: 50mm 矩形承台边长: 6.00m承台厚度: Hc=1.350m 承台箍筋间距: S=200mm承台钢筋级别: Ⅱ级承台预埋件埋深: h=0.50m承台顶面埋深: D=5.000m 桩直径: d=0.400m桩间距: a=4.000m 桩钢筋级别: Ⅱ级桩入土深度: 23.0m 桩型与工艺: 干作业钻孔灌注桩二. 基础最小尺寸计算基础的最小厚度取:H=1.35m基础的最小宽度取:Bc=6.00m三. 塔吊基础承载力计算依据《建筑地基基础设计规范》(GB50007-2002)第5.2条承载力计算。
计算简图:由于偏心距 e=M/(F×1.2+G×1.2)=882.00/(904.8+5778.00)=0.13≤B/6=1.00所以按小偏心计算,计算公式如下:当考虑附着时的基础设计值计算公式:式中 F──塔吊作用于基础的竖向力,它包括塔吊自重,压重和最大起重荷载,F=754.3kN;G──基础自重与基础上面的土的自重,G=25.0×B c×B c×H c+20.0×B c×B c×D =4815.00kN;B c──基础底面的宽度,取B c=6.00m;W──基础底面的抵抗矩,W=B c×B c×B c/6=36.00m3;M──倾覆力矩,包括风荷载产生的力距和最大起重力距,M=1.4×630.00=882.00kN.m;经过计算得到:最大压力设计值 P max=1.2×(754.3+4815.00)/6.002+882.00/36.00=210.14kPa最小压力设计值 P min=1.2×(754,3+4815.00)/6.002-882.00/36.00=161.14kPa有附着的压力设计值 P k=1.2×(754.3+4815.00)/6.002=185.64kPa四. 地基基础承载力验算Quk =Qsk + Q pk = u ∑qsik l i + q pk * Ap=1.257 (0.35*35+1.5*40+1.8*50+6.4*70+3*50+9.95*60) +2500*0.126=2021.06kN按规范安全系数标准计算单桩竖向承载力特征值Ra = Quk/2 =1010.53 kN复合地基承载力计算桩间距4m,采用正方形或矩形布桩m =0.0157取β=0.80fsp,k=m*Ra/Ap+β*(1-m)*fs,k= 0.0157*1010.53/0.1256+0.8*(1-0.0157)*120= 218.81kPa> P K偏心荷载作用:1.2×fsp,k=262.57 kPa >P kmax=210.14kPa满足要求。
塔吊桩基础的计算书1. 参数信息塔吊型号:QTZ63自重(包括压重)F1=750.8 kN最大起重荷载F2=60 kN塔吊倾覆力距M=630kN.m塔吊安装高度H=110m塔身宽度B=1.65m混凝土强度:C30承台长度Lc或宽度Bc=4.5m桩直径或方桩边长d=0.5m承台厚度Hc=1.5m2. 塔吊基础承台顶面的竖向力与弯矩计算1). 塔吊自重(包括压重)F1=750.8kN2). 塔吊最大起重荷载F2=60 kN作用于桩基承台顶面的竖向力F=F1+F2=510.8 kN塔吊的倾覆力矩M=630 kN.m3. 矩形承台弯矩的计算计算简图:图中x轴的方向是随机变化的,设计计算时应按照倾覆力矩M最不利方向进行验算。
1). 桩顶竖向力的计算(依据《建筑桩技术规范》JGJ94-94的第5.1.1条)其中n──单桩个数,n=4F──作用于桩基承台顶面的竖向力设计值,F=510.8 kN;G──桩基承台的自重,G=25.0×Bc×Bc×Hc=25.0×4.5×4.5×1.5=759.38kN;Mx,My──承台底面的弯矩设计值(kN.m),630 kN.m;xi,yi──单桩相对承台中心轴的XY方向距离(m);Ni──单桩桩顶竖向力设计值(kN)。
经计算得到单桩桩顶竖向力设计值:最大压力:(M为塔吊的倾覆力矩,a为桩间距)2). 矩形承台弯矩的计算(依据《建筑桩技术规范》JGJ94-94的第5.6.1条)其中Mx1,My1──计算截面处XY方向的弯矩设计值(kN.m);xi,yi──单桩相对承台中心轴的XY方向距离(m);Ni1──扣除承台自重的单桩桩顶竖向力设计值(kN),Ni1=Ni-G/n。
经过计算得到弯矩设计值:Mx1=My1= 2×(N-G/n) ×(a/1.414)MX1=My1= 2×(497.5-759.38/4)×(2.5÷1.414)=1089.1KN.m4、矩形承台截面主筋的计算依据《混凝土结构设计规范》(GB50010-2002)第7.5条受弯构件承载力计算。
5.塔吊基础设计计算书塔吊基础的受力过程:塔吊→整板基础→钢格构柱→桩基5.1. 整板基础平台计算复核5.1.1塔吊技术参数(以6028塔吊为例)垂直压力:133.49t倾覆力矩:285t·m扭矩:48t·m水平力:6.5t5.1.2整板基础设计5.1.2.1塔吊基础采用整板基础,板厚h=1300mm,基础底比结构板高500mm,平面尺寸为4000×4000mm。
5.1.2.2 砼强度等级C30 fy=16.5N/mm2 fc=15N/mm2 ft=1.5N/mm25.1.2.3 Ⅱ级钢筋fy=310N/mm2 Ⅰ级钢筋fy=210N/mm25.1.3 荷载计算5.1.3.1基础自重G=4×4×1.3×25=520kN荷载值 520×1.2=624kN5.1.3.2 基础顶部荷载中心轴向力:133.49×10=1334.9kN弯矩:285×10=2850kN·m扭矩:48×10=480kN·m5.4配筋计算:5.4.1基础自重均布荷载:q=520/4=120kN/m由自重引起的弯矩:M=qL2/8=120×42/8=240kN·m5.4.2 As=M/fyr ho= (2850+240) ×106/(310×0.9×1270)=8720mm2((ho=h-70=1300-70=1230mm) 选27ф25@150As=27×490.9=13230mm2>8720mm25.5 抗剪强度验算V≤0.07fcAA=4×103×1300=5.2×106mm2V=1334.9+624=1958 kN07fcA=0.07×15×5.2×106=5.46×106N=5.46×103kNV<0.07 fcA5.6 抗冲切验算:FL≤0.6 fcbm hoFL=1334.9kN ho=1230mmbm=(2100+2100+1230×2)/2=3330mmFL=1340kN<0.6×1.5×3330×1230×10-3=3686.3kN5.7 综合所述,塔吊平台基础设计为:截面尺寸:4m* 4m*1.3m砼等级:C30商品砼配筋:底筋:双向27ф25@150(HRB335);面筋:双向27ф25@150(HRB335);中部构造筋:双向ф12@200(HRB335)5.2 钢格构柱计算复核单根格构柱钢平面积:4L180*18=4*69.3*100=27720mm2四根格构柱钢平面积:27720*4=110880mm2四根格构柱钢可承受压力:110880*210=23284800≈2.33*104KN竖直力:133.49*10+4*4*1.3*24=1834KN竖直力远远小于四根格构柱可承受压力。
QTZ5013型塔吊桩基础计算书一. 参数信息塔吊型号QTZ63(5013)主要部件重量如下表:即塔吊自重(包括压重)F1=67221.2=.9659.22kN,最大起重荷载80665⨯1000÷F2=846=⨯kN.980665.58塔吊倾覆力距M=1832.01kN.m,塔吊起重高度H=117.00m,塔身宽度B=1.6m 混凝土强度:C35,钢筋级别:Ⅱ级,承台长度Lc或宽度Bc=5.00m桩直径d=0.80m,桩间距a=3.40m,承台厚度Hc=1.20m基础埋深D=0.00m,承台箍筋间距S=150mm,保护层厚度:50mm二. 塔吊基础承台顶面的竖向力与弯矩计算1. 塔吊自重(包括压重)F1=659.22KN2. 塔吊最大起重荷载F2=58.84kN作用于桩基承台顶面的竖向力F=1.2×(F1+F2)=863.06kN塔吊的倾覆力矩M=1.4×1832.01=2564.81kN.m三.矩形承台弯矩及单桩桩顶竖向力的计算A Axy图中x轴的方向是随机变化的,设计计算时应按照倾覆力矩M最不利方向进行验算M ZF----基础顶面所受垂直力F h----基础顶面所受水平力M ----基础所受倾翻力矩M Z----基础所受扭矩塔吊基础受力示意图F hFM。
1. 桩顶竖向力的计算i依据《建筑桩技术规范》JGJ94-94的第5.1.1条。
其中 n ──单桩个数,n=4;F ──作用于桩基承台顶面的竖向力设计值,F=863.06kN ;G ──桩基承台的自重G=1.2×(25×Bc ×Bc ×Hc/4+20×Bc ×Bc ×D/4)= 1.2×(25×5.00×5.00×1.20+20×5.00×5.00×0.00)=900.00kN ;Mx,My ──承台底面的弯矩设计值,取2564.81kN.m ; xi,yi ──单桩相对承台中心轴的XY 方向距离a/2=1.90m ; Ni ──单桩桩顶竖向力设计值(kN); 经计算得到单桩桩顶竖向力设计值,最大压力:N=(863.06+900.00)/4+2564.81×1.90/(4× 1.902)=778.24kN 。
塔吊基础设计计算书(桩基础)一、编制依据1、《建筑地基基础设计规范》(GB50007-2002 );2、《建筑地基基础设计规范》(DBJ 15-31-2003 );3、《建筑结构荷载规范》(GB 50009-2001 );4、《混凝土结构设计规范》(GB 50010-2002 );5、《简明钢筋混凝土结构计算手册》;6、《地基及基础》(高等学校教学用书)(第二版);7、建筑、结构设计图纸;8、塔式起重机使用说明书;9、岩土工程勘察报告。
二、设计依据1、塔吊资料根据施工现场场地条件及周边环境情况,选用1台QTZ160 自升塔式起重机。
塔身自由高度56m,最大吊运高度为203米,最大起重量为10t,塔身尺寸为1.70m x1.70m,臂长65m。
2、岩土力学资料,(BZK8孔)3、塔吊基础受力情况基础顶面所受垂直力 基础顶面所受水平力 基础所受倾翻力矩 基础所受扭矩三、基础设计主要参数基础桩: 4①800钻孔桩,桩顶标高-2.90m,桩长为15.96m,桩端入微风化0.5m 。
承台尺寸:平面4.0 X 4.0m ,厚度h=1.50m,桩与承台中心距离为1.20m ;桩身混凝土等级:C25。
承台混凝土等级:C35 ;承台面标高:-1.50m(原地面标高为-0.6m ,建筑物基坑开挖深度 为-11.9m)。
比较桩基础塔吊基础的工作状态和非工作状态的受力情况,桩基础 按非工作状态计算,受力如上图所示:F k =850.0kNG k = 25 X 4 X 4 X 1.50=600kN F h =70kNM k =3630+70 X 1.50=3735kN.m四、单桩允许承载力特征值计算1、单桩竖向承载力特征值:1 )、按地基土物理力学指标与承载力参数计算 A p = n r2 = 0.5027m2R a R sa R ra R pa(DBJ15-31-2003) ( 10.2.4-1)C 1 0.40; C 20.05; f rs 10MPa; f rp 10MPaR sa u q sia l i 3.1415926 0.8 (40 13.76 60 0.7) 1488.9kNF (1= /OlkliL团/ =3630kN,tnJ丈h80(1 2400--4000dFk -- Fh-- M ---- M Z ----塔吊基础受力示意图Fk=850kN3 14R paR a 0.8U p C 2 f rs h r 0.8U p C 2 f rs h rCd p A p 0.4 1488.9 502.6 0.8 3.1415926 0.8 0.05 10 10 0.5 30.8 3.1415926 0.8 0.05 10 101.0 10 103 3.1415926 0.42 2010.6kN 1005.2 2010.6 5007.3kN 桩身截面强度计算 c f c A p = 0.7X 16.7 X 103 X 0.5027 =5877kN 式中:c= 0.7 ; f c = 16.7 X10 3kN/m A p = 0.5027m 502.6kN 1005.2kN2、单桩水平承载力特征值计算 C25 砼:E c =2.80 X 104N/mm 2=3.15 X 10 7 kN/m ,f tk =1.78 X10 3 kN/m 2Es=2.0 X10 8kN/m 0.32000 800 2000 400 (0.65% 0.3%)0.5625%32 d 2 2E 1 g d 2 314 °.8[0.82 32 2( 2.0 10 7 2.80 10 1) 0.5625% (0.8 0.062)2]=0.07226m W 0d EI=0.85E mb 。
■ Ec I 0.0722608=0.0289mc I o =0.85X 2.80 X 107 X 0.0 289=6878205 35 1031.53=0.60m687820 (DBJ15-31-2003(10.2.19 )式中:m=35 X10 3 kN/m 4oa= 0.01mb o =0.9(1.5d+0.5)=1.53m桩长 L = 15.96m -L=0.60 X15.96=9.576>4, -L=4查表 得: x =2.441;m =0.768 ;2 (按圆形截面取值) N 1kFk G k362.5kN ;4N0.8 A n0.8 8-20冬 1 0.5625%0.65m 22.80 10R Ha「L%.2522 g )(1N 1k )m f tk A n(DBJ15-31-2003 ) (10.2.22 )R Ha(10.6248 2 1.78 1030.05286“(1.25 22 0.5625%)0.768362.5阴 2 1.78 103 0.65)236杯单桩抗拔力特征值计算R ta U p i q sia l i 0.9G0 (DBJ15-31-2003 )(10.2.10 ) =950.9+180.5 = 1131.4kNUp iqsiali= 3.14 X 0.8 X (0.4 X 40 X 13.76+0.6 X 60 X 0.7 +0.7 X 100 X 1.0+0.7 X 180 X 0.5) = 950.9kN0.9G 0 = 0.9 Xn X 0.4 2X 15.96 X 25 = 180.5kN五、1、单桩桩顶作用力计算和承轴心竖向力作用下F kG kQ ik= k——k载力验算(DBJ15-31-2003 (1021-1 )n850 600362.5kN<R a =4906.7kN4偏心竖向力作用下(满足要求)按照M x作用在对角线进行计算M x=M k = 3735kN •mQ ikmax—F kG k M kxYi2 Y iM k y x i2X i(DBJ15-31-2003 ) ( 10.2.1-2 ) 850 600=362.51462.9kN737.9kN1.2 22 (1.2 、2)37351100.41.2R z6008.76kNc f c A p 5877.0kN单桩承载力满足要求R ta 1081.0kN (单桩抗拔力满足要求)水平力作用下:H ik (DBJ15-31-2003 ) ( 10.2.1-3 )70=17.5kN<R Ha = 236.8kN4六、抗倾覆验算根据上图所示,可得:倾覆力矩M倾M F h H 3630 70 10.4 4358kN.m抗倾覆力矩M抗(F k GQa2R ta2b i(850 600) 3.6 221081.0 2.8 8663.6kN.m故由上述计算结果,得七、承台受冲切、受剪切承载力验算按照广东省地基基础设计规范中明确承台受冲切、受剪切承载力采用验算h o的高度来判断。
h o 2岸才(DBJ 15-31-2003 ) ( 10.5.4-1 )F l= F —1.2 刀Q ki = F k ‘ = 950kN ,C35 混凝土:f c = 16.7N/mm 2,u c = 4 x 0.2 = 0.8m ; h 0 = 1500 —100 —35 = 1365mm(满足要求)8663.643581.99 1.6 (抗倾覆满足要求)Fk:=950tN其中:N i X i = F k2 X 1312.9 X 1.2=3151kN.m M kxW2 yiM ky X i2 Xi(GB50007— 2002 ) ( 8.5.16-1 )850 3735「221312.9kN ;4 2 (1.2 2)21 22、基础配筋X i2.4 1.2m基础采用HRB335 钢筋300N/mm p = 0.1 % , 故按As 1配筋As 2 = 0.1 % X 4000 X 13652=5460mmA s =26 X 380.仁9882.6 mm2 2> As 1 = 8549.7 mm(承台受冲切、受剪切承载力满足要求)八、承台配筋计算基础弯矩计算h 。
= 1500 — 100 — 35 = 1365mm3151 1068549.7mm 20.9 300 1365取 26 ① 22 (① 22@150 )(满足要求)1365mm 2;詈 2 33950 10 0.8 1077 mm16.78塔吊基础平面塔吊基础大样九、灌注桩桩身配筋根据DBJ 15-31-2003 中的10.3.9 的要求,本方案设计中的桩不属于抗拔桩及承受水平力为主的桩,所以桩身配筋按最小配筋率计算。
灌注桩桩身按最小配筋率0.5625 %计算。
Asi A 0.5625 %400 22827 .4 mm 2所以桩身按最小配筋率配筋,桩身配筋为12①20 ,A si 314 .2 12 3770 .4mm 2> Asi。