三级安全教育记录及表格(全)
- 格式:doc
- 大小:246.00 KB
- 文档页数:37
新工人入场三级安全教育汇总表填表人:填表日期:年月日填表说明:1.应建立健全定期的安全生产教育培训制度。
2.新工人入场必须填写登记表个人部分的内容。
3.进行公司、项目部、班组每级安全教育后,经教育人和受教育人分别签名。
填表人:年月日填表说明:1.对新工人或调换工种的工人,必须按规定进行安全教育或技术培训,经考核合格,方准上岗。
三级安全教育是每个刚进企业的新工人须接受的首次安全生产方面的基本教育,三级安全教育是指公司(即企业)、项目部(或工程处、施工处、工区)、班组这三级。
对新工人或调换工种的工人,必须按规定进行安全教育和技术培训,经考核合格,方准上岗。
2.工程项目进行二级安全教育,主要进行现场规章制度、作业环境、遵章守纪教育。
3.教育内容只写培训教育提纲,将具体内容(教材)附后。
4.工程项目二级安全教育不得少于15学时。
填表说明:1.对新工人或调换工种的工人,必须按规定进行安全教育或技术培训,经考核合格,方准上岗。
三级安全教育是每个刚进企业的新工人须接受的首次安全生产方面的基本教育,三级安全教育是指公司(即企业)、项目部(或工程处、施工处、工区)、班组这三级。
对新工人或调换工种的工人,必须按规定进行安全教育和技术培训,经考核合格,方准上岗。
2.工程项目进行二级安全教育,主要进行现场规章制度、作业环境、遵章守纪教育。
3.教育内容只写培训教育提纲,将具体内容(教材)附后。
4.工程项目二级安全教育不得少于15学时。
填表人:年月日填表说明:1.对新工人或调换工种的工人,必须按规定进行安全教育或技术培训,经考核合格,方准上岗。
三级安全教育是每个刚进企业的新工人须接受的首次安全生产方面的基本教育,三级安全教育是指公司(即企业)、项目部(或工程处、施工处、工区)、班组这三级。
对新工人或调换工种的工人,必须按规定进行安全教育和技术培训,经考核合格,方准上岗。
2.工程项目进行二级安全教育,主要进行现场规章制度、作业环境、遵章守纪教育。
新入职职工“三级”安全教育记录表一、岗前安全教育培训1、工作现场禁止吸烟、乱写乱画。
2、高空作业需按规定系好安全带。
3、严禁违章接线、违章用电、私自乱拉乱接电线。
4、严禁违章指挥,违章作业,酒后作业。
5、严禁损坏成品、半成品。
6、工作人员进入工作区域必须佩带工牌。
7、工作区域严禁存放易燃易爆物品,使用易燃易爆物品要做好安全防护工作,用后存放专用库房。
8、严格执行操作规范。
严禁违章作业。
二、岗位职责及安全生产1、熟悉所属系统设备性能、运行状况、控制状态,制定合理运行方案,研究改进措施,减低能耗。
2、经常检查设备运行情况,如有发现问题,应及时处理。
如果无法处理时,应迅速报班组工程师或总工程师,并详细分析故障的各种现象,汇报上级取得总维修方案。
3、负责本班组报修工作的具体落实,对《工作单》报修及时完成后,保证客户及各部门的满意。
4、做好应急抢修工作,当班人员接到应急报告应立即赶赴现场,处理应急事故。
5、班组员工应积极参加业务学习和技术培训,不断提高业务水平。
积极处理日常遇到的技术难题,对于无法处理或重要问题应及时报告班组工程师及总工程师,同时提出个人建议或解决措施。
6、做好所属系统及相关设备的巡视检查工作,并做好巡检记录。
如有发现设备发生异常或故障,应立即做出正确的判断,采取有效措施,避免造成损失。
各设备的巡视记录依照有关表格执行。
7、做好所属设备机房及所属设备的清洁和维护保养工作,做到无污迹,无灰尘,无垃圾,无杂物,设备内外整洁,做到无线头、无故障。
8、做好所属机房的管理工作,严禁无关人员进入,对必须进入机房的人员按规定进行登记。
9、认真贯彻执行工程部及总工程师、班组工程师下达的维修、保养计划,并认真讨论实施,确保安全生产。
三、员工安全生产职责的主要内容1、自觉遵守安全生产规章制度和劳动纪律,不违章作业,并随时制止他人违章作业;2、遵守有关设备维修保养制度的规定;3、爱护和正确使用机器设备,工具正确佩戴防护用品;4、关心安全生产情况,箱有关领导或部门提出合理化建议;5、发现事故隐患和不安全因素要及时向主管或相关部门汇报;6、发生工伤事故,要及时抢救伤员、保护现场,报告领导,并协助调查工作;7、努力学习掌握安全知识和技能,熟练掌握本工种操作程序和安全操作规程;8、牢固树立安全第一的思想和自我保护意识,对个人安全生产负责;四、火灾应急预案一、四懂、四会、及四个能力1、四懂⑴懂得本岗位火灾危险性;⑵懂得预防火灾的措施;⑶懂得扑救火灾; ⑷懂得疏散逃生的知识.2、四会⑴会报警(119)、⑵会用消防器材,⑶会扑救初期火灾, ⑷会疏散逃生.3、四个能力⑴检查和整改火灾隐患能力、⑵扑救初期火灾能力、⑵组织引导人员疏散逃生能力、⑷消防安全知识宣传教育培训能力4、发现火灾事故苗头或遇有火灾事故时应在第一时间切断电源,火源。
新工人入场三级安全教育汇总表填表人:填表日期:年月日填表说明:1.应建立健全定期的安全生产教育培训制度。
2.新工人入场必须填写登记表个人部分的内容。
3.进行公司、项目部、班组每级安全教育后,经教育人和受教育人分别签名。
新工人入场三级安全教育登记表注:1.三级安全教育是指公司分组教育,项目经济部教育和班组教育三级。
2.凡进入施工现场的施工队伍,项目经理部必须进行安全教育及试卷考核,不合格者不得进入施工项目部(第二级)安全教育记录填表人:年月日填表说明:1.对新工人或调换工种的工人,必须按规定进行安全教育或技术培训,经考核合格,方准上岗。
三级安全教育是每个刚进企业的新工人须接受的首次安全生产方面的基本教育,三级安全教育是指公司(即企业)、项目部(或工程处、施工处、工区)、班组这三级。
对新工人或调换工种的工人,必须按规定进行安全教育和技术培训,经考核合格,方准上岗。
2.工程项目进行二级安全教育,主要进行现场规章制度、作业环境、遵章守纪教育。
3.教育内容只写培训教育提纲,将具体内容(教材)附后。
4.工程项目二级安全教育不得少于15学时。
项目部(第二级)安全教育记录工程名称:xxxxxx施工单位:xxxx填表说明:1.对新工人或调换工种的工人,必须按规定进行安全教育或技术培训,经考核合格,方准上岗。
三级安全教育是每个刚进企业的新工人须接受的首次安全生产方面的基本教育,三级安全教育是指公司(即企业)、项目部(或工程处、施工处、工区)、班组这三级。
对新工人或调换工种的工人,必须按规定进行安全教育和技术培训,经考核合格,方准上岗。
2.工程项目进行二级安全教育,主要进行现场规章制度、作业环境、遵章守纪教育。
3.教育内容只写培训教育提纲,将具体内容(教材)附后。
4.工程项目二级安全教育不得少于15学时。
项目部(第二级)安全教育记录填表人:年月日填表说明:1.对新工人或调换工种的工人,必须按规定进行安全教育或技术培训,经考核合格,方准上岗。
新工人入场三级安全教育汇总表工程名称:紫金名城施工单位:莱州润德房地产开发建设有限公司填表人:填表日期:年月日填表说明:1.应建立健全定期的安全生产教育培训制度。
2.新工人入场必须填写登记表个人部分的内容。
3.进行公司、项目部、班组每级安全教育后,经教育人和受教育人分别签名。
新工人入场三级安全教育登记表工程名称:紫金名城施工单位:莱州润德房地产开发建设有限公司注:1.三级安全教育是指公司分组教育,项目经济部教育和班组教育三级.2。
凡进入施工现场的施工队伍,项目经理部必须进行安全教育及试卷考核,不合格者不得进入施工项目部(第一级)安全教育记录工程名称:紫金名城施工单位:莱州润德房地产开发建设有限公司填表人:年月日填表说明:1.对新工人或调换工种的工人,必须按规定进行安全教育或技术培训,经考核合格,方准上岗。
三级安全教育是每个刚进企业的新工人须接受的首次安全生产方面的基本教育,三级安全教育是指公司(即企业)、项目部(或工程处、施工处、工区)、班组这三级。
对新工人或调换工种的工人,必须按规定进行安全教育和技术培训,经考核合格,方准上岗。
2.工程项目进行一级安全教育,进行安全基本知识、法规、法制教育。
3。
教育内容只写培训教育提纲,将具体内容(教材)附后。
4。
工程项目一级安全教育不得少于15学时。
项目部(第一级)安全教育记录工程名称:紫金名城施工单位:莱州润德房地产开发建设有限公司填表人:年月日填表说明:1。
对新工人或调换工种的工人,必须按规定进行安全教育或技术培训,经考核合格,方准上岗。
三级安全教育是每个刚进企业的新工人须接受的首次安全生产方面的基本教育,三级安全教育是指公司(即企业)、项目部(或工程处、施工处、工区)、班组这三级。
对新工人或调换工种的工人,必须按规定进行安全教育和技术培训,经考核合格,方准上岗。
2.工程项目进行一级安全教育,进行安全基本知识、法规、法制教育。
3.教育内容只写培训教育提纲,将具体内容(教材)附后.4。
新工人三级安全教育记录卡表6-2 编号:姓名:身份证号码:单位名称:xx 班组及工种:从业人员手册证号:本工地建卡日期:三级安全教育签字表安全教育制度为保证安全生产,使职工熟悉和自觉遵守安全生产中的各项章程,特制定如下制度:一、凡新吸收或调换工种的工人,上岗前必须进行安全教育,经考试合格后,方可入位操作。
二、特殊工程工人应参加主管部门办的培训班,经考试合格后,持证上岗。
三、要结合安全合同,每年进行一次安全技术知识理论考核,并建立考核成绩档案。
四、安全教育主要内容有:1.贯彻和国家关于安全施工的方针、政策、法令和规定。
2.安全生产管理规定。
3.机电及各种安全技术操作规程。
4.施工生产中危险域和安全工作中的经验教训惟及预防措施。
5.尘毒的危害防护。
6.执行班组教育、现场教育、岗位教育等三级安全教育。
公司一级安全教育内容我们建筑业和其他行业不同,有自己的特点:产品不固定、施工作业流动性大、露天、高处作业多、手工操作、体力劳动、施工现场变换不定、临时工多、工期不固定,特别地现今经济体制的改革和建筑业开放劳务市场后,建筑队伍不断地壮大,而且又多为年轻新手,安全知识极其贫乏,不安全因素多,比较容易形成监时观念,不采取可靠的安全防护措施,靠侥幸心理过日子,伤亡事故必然会发生。
所以,安全教育是提高职工安全生龙活虎知识的重要方法,开展安全教育更显出其重要意义,以确保工人在生产过程中的安全和健康。
“三级安全教育”是企业必须坚持的安全生产基本教育制度和主要形式是:一级教育由公司负责执行,二级教育由项目部负责进行,三级教育由班组负责进行。
今天,我向大家进行公司一级安全教育,其主要内容:国家和地方的有关安全生产方针、政策、法律、法规等;本公司《安全生产手册》;安全生产与劳动保护生产过程中的目的;安全生产形势和近年来建安企业发生的重大事故及应吸取的教训;发生事故后应采取什么措施等方面。
一、国家和地方有关安分生产、劳动保护的方针、政策、法律、法规、规范标准及规章制度等:1.我国安全生产的方针是“安全第一、预防为主”。
公司(第一级)安全教育记录
工程名称:施工单位:
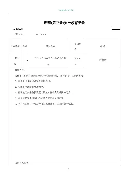
项目部(第二级)安全教育记录
工程名称:施工单位:
年月日
工程名称:施工单位:
工程名称:施工单位:
工程名称:施工单位:
工程名称:施工单位:
工程名称:施工单位:
安全教育记录
工程名称:施工单位:
安全教育记录工程名称:施工单位:
工程名称:施工单位:
工程名称:施工单位:
工程名称:施工单位:
工工程名称:施工单位:
工程名称:施工单位:
工程名称:施工单位:
工程名称:施工单位:
工程名称:施工单位:
安全教育记录
工程名称:施工单位:。
新工人入场三级安全教育汇总表工程名称:xxxx楼施工单位:xxxx填表人:填表日期:年月日填表说明:1。
应建立健全定期的安全生产教育培训制度.2。
新工人入场必须填写登记表个人部分的内容。
3.进行公司、项目部、班组每级安全教育后,经教育人和受教育人分别签名。
新工人入场三级安全教育登记表〈26743 6877 桷.]24680 6068 恨i30400 76C0 盀{工程名称:xxxxxx施工单位:xxxx注:1。
三级安全教育是指公司分组教育,项目经济部教育和班组教育三级。
2.凡进入施工现场的施工队伍,项目经理部必须进行安全教育及试卷考核,不合格者不得进入施工项目部(第二级)安全教育记录工程名称:xxxxxx施工单位:xxxx填表人:年月日填表说明:1。
对新工人或调换工种的工人,必须按规定进行安全教育或技术培训,经考核合格,方准上岗。
三级安全教育是每个刚进企业的新工人须接受的首次安全生产方面的基本教育,三级安全教育是指公司(即企业)、项目部(或工程处、施工处、工区)、班组这三级。
对新工人或调换工种的工人,必须按规定进行安全教育和技术培训,经考核合格,方准上岗。
2。
工程项目进行二级安全教育,主要进行现场规章制度、作业环境、遵章守纪教育。
3。
教育内容只写培训教育提纲,将具体内容(教材)附后。
4。
工程项目二级安全教育不得少于15学时。
项目部(第二级)安全教育记录工程名称:xxxxxx施工单位:xxxx填表人:年月日填表说明:1.对新工人或调换工种的工人,必须按规定进行安全教育或技术培训,经考核合格,方准上岗。
三级安全教育是每个刚进企业的新工人须接受的首次安全生产方面的基本教育,三级安全教育是指公司(即企业)、项目部(或工程处、施工处、工区)、班组这三级。
对新工人或调换工种的工人,必须按规定进行安全教育和技术培训,经考核合格,方准上岗.2。
工程项目进行二级安全教育,主要进行现场规章制度、作业环境、遵章守纪教育。
新工人三级安全教育记录卡表6-2编号:姓名:身份证号码:单位名称:xx 班组及工种:从业人员手册证号:本工地建卡日期:三级安全教育签字表项目名称:日期:安全教育制度为保证安全生产,使职工熟悉和自觉遵守安全生产中的各项章程,特制定如下制度:一、凡新吸收或调换工种的工人,上岗前必须进行安全教育,经考试合格后,方可入位操作。
二、特殊工程工人应参加主管部门办的培训班,经考试合格后,持证上岗。
三、要结合安全合同,每年进行一次安全技术知识理论考核,并建立考核成绩档案。
四、安全教育主要内容有:1.贯彻和国家关于安全施工的方针、政策、法令和规定。
2.安全生产管理规定。
3.机电及各种安全技术操作规程。
4.施工生产中危险域和安全工作中的经验教训惟及预防措施。
5.尘毒的危害防护。
6.执行班组教育、现场教育、岗位教育等三级安全教育。
公司一级安全教育内容我们建筑业和其他行业不同,有自己的特点:产品不固定、施工作业流动性大、露天、高处作业多、手工操作、体力劳动、施工现场变换不定、临时工多、工期不固定,特别地现今经济体制的改革和建筑业开放劳务市场后,建筑队伍不断地壮大,而且又多为年轻新手,安全知识极其贫乏,不安全因素多,比较容易形成监时观念,不采取可靠的安全防护措施,靠侥幸心理过日子,伤亡事故必然会发生。
所以,安全教育是提高职工安全生龙活虎知识的重要方法,开展安全教育更显出其重要意义,以确保工人在生产过程中的安全和健康。
“三级安全教育”是企业必须坚持的安全生产基本教育制度和主要形式是:一级教育由公司负责执行,二级教育由项目部负责进行,三级教育由班组负责进行。
今天,我向大家进行公司一级安全教育,其主要内容:国家和地方的有关安全生产方针、政策、法律、法规等;本公司《安全生产手册》;安全生产与劳动保护生产过程中的目的;安全生产形势和近年来建安企业发生的重大事故及应吸取的教训;发生事故后应采取什么措施等方面。
一、国家和地方有关安分生产、劳动保护的方针、政策、法律、法规、规范标准及规章制度等:1.我国安全生产的方针是“安全第一、预防为主”。
新工人入场三级安全教育汇总表
工程名称:兴安盟扎赉特旗都尔本新大桥工程施工单位:江西通威建设集团有限公司
填表人:填表日期:年月日
填表说明:
1.应建立健全定期的安全生产教育培训制度。
2.新工人入场必须填写登记表个人部分的内容。
3.进行公司、项目部、班组每级安全教育后,经教育人和受教育人分别签名。
新工人入场三级安全教育登记表
工程名称:兴安盟扎赉特旗都尔本新大桥工程施工单位:江西通威公路建设集团有限公司
注:1.三级安全教育是指公司分组教育,项目经济部教育和班组教育三级。
2.凡进入施工现场的施工队伍,项目经理部必须进行安全教育及试卷考核,不合格者不得进入施工
项目部(第一级)安全教育记录
工程名称:兴安盟扎赉特旗都尔本新大桥工程施工单位:江西通威公路建设集团有限公司
填表人:年月日
填表说明:
1.对新工人或调换工种的工人,必须按规定进行安全教育或技术培训,经考核合格,方准上岗。
三级安全教育是每个刚进企业的新工人须接受的首次安全生产方面的基本教育,三级安全教育是指公司(即企业)、项目部(或工程处、施工处、工区)、班组这三级。
对新工人或调换工种的工人,必须按规定进行安全教育和技术培训,经考核合格,方准上岗。
2.工程项目进行一级安全教育,进行安全基本知识、法规、法制教育。
3.教育内容只写培训教育提纲,将具体内容(教材)附后。
4.工程项目一级安全教育不得少于15学时。
项目部(第一级)安全教育记录
工程名称:兴安盟扎赉特旗都尔本新大桥工程施工单位:江西通威公路建设集团有限公司
填表人:年月日
填表说明:
1.对新工人或调换工种的工人,必须按规定进行安全教育或技术培训,经考核合格,方准上岗。
三级安全教育是每个刚进企业的新工人须接受的首次安全生产方面的基本教育,三级安全教育是指公司(即企业)、项目部(或工程处、施工处、工区)、班组这三级。
对新工人或调换工种的工人,必须按规定进行安全教育和技术培训,经考核合格,方准上岗。
2.工程项目进行一级安全教育,进行安全基本知识、法规、法制教育。
3.教育内容只写培训教育提纲,将具体内容(教材)附后。
4.工程项目一级安全教育不得少于15学时。