原材料及成品库存明细表
- 格式:xls
- 大小:17.00 KB
- 文档页数:5
一、资产类1 1001 库存现金2 1002 银行存款3 1003 存放中央银行款项银行专用4 1011 存放同业银行专用5 1015 其他货币资金6 1021 结算备付金证券专用7 1031 存出保证金金融共用8 1051 拆出资金金融共用9 1101 交易性金融资产10 1111 买入返售金融资产金融共用11 1121 应收票据12 1122 应收账款13 1123 预付账款14 1131 应收股利15 1132 应收利息16 1211 应收保户储金保险专用17 1221 应收代位追偿款保险专用18 1222 应收分保账款保险专83 2201 应付票据84 2202 应付账款85 2205 预收账款86 2211 应付职工薪酬87 2221 应交税费88 2231 应付股利89 2232 应付利息90 2241 其他应付款91 2251 应付保户红利保险专用92 2261 应付分保账款保险专用93 2311 代理买卖证券款证券专用94 2312 代理承销证券款证券和银行共用95 2313 代理兑付证券款证券和银行共用96 2314 代理业务负债97 2401 预提费用98 2411 预计负债99 2501 递延收益100 2601 长期借款101 2602 长期债券102 2701 未到期责任准备金保险专用103 2702 保险责任准备金保险专用104 2711 保户储金保险专用105 2721 独立账户负债保险专用用19 1223 应收分保未到期责任准备金保险专用20 1224 应收分保保险责任准备金保险专用21 1231 其他应收款22 1241 坏账准备23 1251 贴现资产银行专用24 1301 贷款银行和保险共用25 1302 贷款损失准备银行和保险共用26 1311 代理兑付证券银行和证券共用27 1321 代理业务资产28 1401 材料采购29 1402 在途物资30 1403 原材料31 1404 材料本钱差异32 1406 库存商品33 1407 发出商品34 1410 商品进销差价35 1411 委托加工物资36 1412 包装物及低值易耗品106 2801 长期应付款107 2802 未确认融资费用108 2811 专项应付款109 2901 递延所得税负债三、共同类110 3001 清算资金往来银行专用111 3002 外汇买卖金融共用112 3101 衍生工具113 3201 套期工具114 3202 被套期工程四、所有者权益类115 4001 实收资本116 4002 资本公积117 4101 盈余公积118 4102 一般风险准备金融共用119 4103 本年利润120 4104 利润分配121 4201 库存股五、本钱类122 5001 生产本钱123 5101 制造费用124 5201 劳务本钱125 5301 研发支出37 1421 消耗性生物资产农业专用38 1431 周转材料建造承包商专用39 1441 贵金属银行专用40 1442 抵债资产金融共用41 1451 损余物资保险专用42 1461 存货跌价准备43 1501 待摊费用44 1511 独立账户资产保险专用45 1521 持有至到期投资46 1522 持有至到期投资减值准备47 1523 可供出售金融资产48 1524 长期股权投资49 1525 长期股权投资减值准备50 1526 投资性房地产51 1531 长期应收款52 1541 未实现融资收益53 1551 存出资本保证金保险专用54 1601 固定资产126 5401 工程施工建造承包商专用127 5402 工程结算建造承包商专用128 5403 机械作业建造承包商专用六、损益类129 6001 主营业务收入130 6011 利息收入金融共用131 6021 手续费收入金融共用132 6031 保费收入保险专用133 6032 分保费收入保险专用134 6041 租赁收入租赁专用135 6051 其他业务收入136 6061 汇兑损益金融专用137 6101 公允价值变动损益138 6111 投资收益139 6201 摊回保险责任准备金保险专用140 6202 摊回赔付支出保险专用141 6203 摊回分保费用保险专用142 6301 营业外收入143 6401 主营业务本钱144 6402 其他业务支出145 6405 营业税金及附加146 6411 利息支出金融共用147 6421 手续费支出金融共用55 1602 累计折旧56 1603 固定资产减值准备57 1604 在建工程58 1605 工程物资59 1606 固定资产清理60 1611 融资租赁资产租赁专用61 1612 未担保余值租赁专用62 1621 生产性生物资产农业专用63 1622 生产性生物资产累计折旧农业专用64 1623 公益性生物资产农业专用65 1631 油气资产石油天然气开采专用66 1632 累计折耗石油天然气开采专用67 1701 无形资产68 1702 累计摊销69 1703 无形资产减值准备70 1711 商誉71 1801 长期待摊费用148 6501 提取未到期责任准备金保险专用149 6502 提取保险责任准备金保险专用150 6511 赔付支出保险专用151 6521 保户红利支出保险专用152 6531 退保金保险专用153 6541 分出保费保险专用154 6542 分保费用保险专用155 6601 销售费用156 6602 管理费用157 6603 财务费用158 6604 勘探费用159 6701 资产减值损失160 6711 营业外支出161 6801 所得税162 6901 以前年度损益调整72 1811 递延所得税资产73 1901 待处理财产损溢二、负债类74 2001 短期借款75 2002 存入保证金金融共用76 2003 拆入资金金融共用77 2004 向中央银行借款银行专用78 2021 同业存放银行专用79 2021 吸收存款银行专用80 2021 贴现负债银行专用81 2101 交易性金融负债82 2111 卖出回购金融资产款金融共用企业应在“应交税金〞科目下设置“应交增值税“明细科目〞在“应交增值税〞明细账中,应设置“进项税额〞、“已交税金〞、“销项税额〞、“出口退税〞、“进项税额转出〞等专栏。
一、资产类1001-库存现金1002-银行存款1003-存放中央银行款项1011-存放同1012-其他货币资金1021-结算备付金1031-存出保证金1101-交易性金融资产1111-买入返售金融资产1121-应收票据1122-应收账款1123-预付账款1131-应收股利1132-应收利息1201-应收代位追偿款1211-应收分保账款1212-应收分保合同准备金1221-其他应收款1231-坏账准备1301-贴现资产1302-拆出资金1303-贷款1304-贷款损失准备1311-代理兑付证券1321-代理业务资产1401-材料采购1402-在途物资1403-原材料1404-材料成本差异1405-库存商品1406-发出商品1407-商品进销差价1408-委托加工物资1411-周转材料1421-消耗性生物资产1431-贵金属1441-抵债资产1451-损余物资1461-融资租赁资产1471-存货跌价准备1501-持有至到期投资1502-持有至到期投资减值准备1503-可供出售金融资产1511-长期股权投资1512-长期股权投资减值准备1521-投资性房地产1531-长期应收款1532-未实现融资收益1541-存出资本保证金1601-固定资产1602-累计折旧1603-固定资产减值准备1604-在建工程1605-工程物资1606-固定资产清理1611-未担保余值1621-生产性生物资产1622-生产性生物资产累计折旧1623-公益性生物资产1631-油气资产1632-累计折耗1701-无形资产1702-累计摊销1703-无形资产减值准备1711-商誉1801-长期待摊费用1811-递延所得税资产1821-独立账户资产1901-待处理财产损溢二、负债类2001-短期借款2002-存入保证金2003-拆入资金2004-向中央银行借款2011-吸收存款2012-同业存放2021-贴现负债2101-交易性金融负债2111-卖出回购金融资产款2201-应付票据2202-应付账款2203-预收账款2211-应付职工薪酬2221-应交税费2231-应付利息2232-应付股利2241-其他应付款2251-应付保单红利2261-应付分保账款2311-代理买卖证券款2312-代理承销证券款2313-代理兑付证券款2314-代理业务负债2401-递延收益2501-长期借款2502-应付债券2601-未到期责任准备金2602-保险责任准备金2611-保户储金2621-独立账户负债2701-长期应付款2702-未确认融资费用2711-专项应付款2801-预计负债2901-递延所得税负债三、共同类3001-清算资金往来3002-货币兑换3101-衍生工具3201-套期工具3202-被套期项目四、所有者权益类4001-实收资本4002-资本公积4101-盈余公积4102-一般风险准备4103-本年利润4104-利润分配4201-库存股五、成本类5001-生产成本5101-制造费用5201-劳务成本5301-研发支出5401-工程施工5402-工程结算5403-机械作业六、损益类6001-主营业务收入6011-利息收入6021-手续费及佣金收入6031-保费收入6041-租赁收入6051-其他业务收入6061-汇兑损益6101-公允价值变动损益6111-投资收益6201-摊回保险责任准备金6202-摊回赔付支出6203-摊回分保费用6301-营业外收入6401-主营业务成本6402-其他业务成本6403-营业税金及附加6411-利息支出6421-手续费及佣金支出6501-提取未到期责任准备金6502-提取保险责任准备金6511-赔付支出6521-保单红利支出6531-退保金6541-分出保费6542-分保费用6601-销售费用一、资产类库存现金:企业的库存现金。
原材料库存月报表1. 介绍原材料库存月报表是用于记录和分析企业原材料库存情况的一种报告。
通过定期编制和分析原材料库存月报表,企业可以对原材料的采购、使用和库存水平进行监控和控制,从而实现合理的库存管理和优化供应链运作。
2. 报表内容原材料库存月报表主要包括以下几个方面的内容:2.1 原材料库存总量报表中应包含当前月份的原材料库存总量,以及与上月末的库存量进行对比,以反映库存的增减情况。
同时,可以计算并显示原材料库存的月平均量,以帮助企业对库存的长期趋势进行分析和预测。
2.2 各类原材料库存明细为了更好地理解原材料库存情况,报表中应分别列出各类原材料的库存明细。
可以根据企业的需要和实际情况,对原材料进行分类,比如按照材料类型、用途或者供应商进行分类,并显示每个分类下的库存量和金额。
2.3 原材料采购情况报表中可以列出当月的原材料采购情况,包括采购数量、采购金额以及采购的原材料分类。
通过对采购情况的分析,可以判断采购计划的执行情况,并及时调整采购策略,以避免原材料库存的过高或过低。
2.4 原材料使用情况报表中可以记录当月原材料的使用情况,包括使用数量和使用金额,以及使用的原材料分类。
通过对使用情况的分析,可以及时发现原材料的过度使用或者使用不足的情况,并采取相应的措施进行调整。
2.5 原材料库存周转率为了更好地评价和监控库存管理的效果,报表中可以计算原材料库存的周转率。
周转率可以通过将库存总量除以当月原材料使用的数量得到,以反映原材料库存的流动情况。
通过对周转率的分析,可以了解库存的使用效率,以及是否存在过多的滞销或停滞的原材料。
3. 报表使用和分析原材料库存月报表编制完成后,应及时进行使用和分析。
具体的使用和分析方法可以根据企业的实际情况和需求进行调整,但一般应包括以下几个方面:3.1 监控库存水平通过对原材料库存总量和明细进行监控,可以及时发现库存量过高或过低的情况,并及时采取相应的措施。
如果库存量过高,可以考虑适当减少采购量或者寻找其他用途;如果库存量过低,可以考虑增加采购量或者寻找替代原材料。
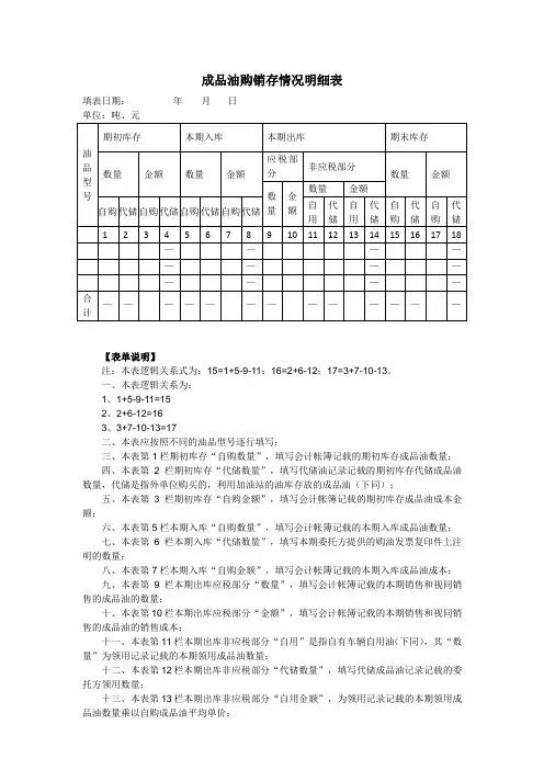
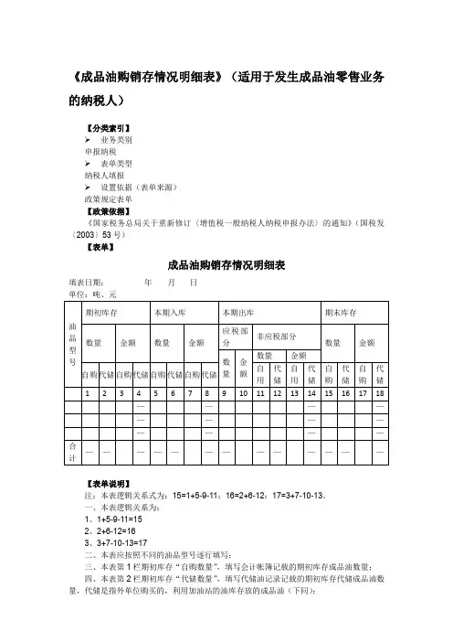
《成品油购销存情况明细表》(适用于发生成品油零售业务的纳税人)公章成品油购销存情况明细表填表日期:20XX年X月X日单位:吨、元【表单说明】注:本表逻辑关系式为:15=1+5-9-11;16=2+6-12;17=3+7-10-13。
一、本表逻辑关系为:1、1+5-9-11=152、2+6-12=163、3+7-10-13=17二、本表应按照不同的油品型号逐行填写;三、本表第1栏期初库存“自购数量”,填写会计帐簿记载的期初库存成品油数量;四、本表第2栏期初库存“代储数量”,填写代储油记录记载的期初库存代储成品油数量,代储是指外单位购买的,利用加油站的油库存放的成品油(下同);五、本表第3栏期初库存“自购金额”,填写会计帐簿记载的期初库存成品油成本金额;六、本表第5栏本期入库“自购数量”,填写会计帐簿记载的本期入库成品油数量;七、本表第6栏本期入库“代储数量”,填写本期委托方提供的购油发票复印件上注明的数量;八、本表第7栏本期入库“自购金额”,填写会计帐簿记载的本期入库成品油成本;九、本表第9栏本期出库应税部分“数量”,填写会计帐簿记载的本期销售和视同销售的成品油的数量;十、本表第10栏本期出库应税部分“金额”,填写会计帐簿记载的本期销售和视同销售的成品油的销售成本;十一、本表第11栏本期出库非应税部分“自用”是指自有车辆自用油(下同),其“数量”为领用记录记载的本期领用成品油数量;十二、本表第12栏本期出库非应税部分“代储数量”,填写代储成品油记录记载的委托方领用数量;十三、本表第13栏本期出库非应税部分“自用金额”,为领用记录记载的本期领用成品油数量乘以自购成品油平均单价;十四、本表第15栏期末库存“自购数量”,填写会计帐簿记载的期末库存成品油数量;十五、本表第16栏期末库存“代储数量”,填写代储油记录记载的期末库存代储成品油数量;十六、本表第17栏期末库存“自购金额”,填写会计帐簿记载的期末库存成品油成本金额。
一、资产类1 1001 库存现金2 1002 银行存款3 1003 存放中央银行款项银行专用4 1011 存放同业银行专用5 1015 其他货币资金6 1021 结算备付金证券专用7 1031 存出保证金金融共用8 1051 拆出资金金融共用9 1101 交易性金融资产10 1111 买入返售金融资产金融共用11 1121 应收票据12 1122 应收账款13 1123 预付账款14 1131 应收股利15 1132 应收利息16 1211 应收保户储金保险专用17 1221 应收代位追偿款保险专用18 1222 应收分保账款保险专用19 1223 应收分保未到期责任准备金保险专用20 1224 应收分保保险责任准备金保险专用21 1231 其他应收款22 1241 坏账准备23 1251 贴现资产银行专用24 1301 贷款银行和保险共用25 1302 贷款损失准备银行和保险共用26 1311 代理兑付证券银行和证券共用27 1321 代理业务资产28 1401 材料采购29 1402 在途物资30 1403 原材料31 1404 材料成本差异32 1406 库存商品33 1407 发出商品34 1410 商品进销差价35 1411 委托加工物资36 1412 包装物及低值易耗品37 1421 消耗性生物资产农业专用38 1431 周转材料建造承包商专用39 1441 贵金属银行专用40 1442 抵债资产金融共用41 1451 损余物资保险专用42 1461 存货跌价准备43 1501 待摊费用44 1511 独立账户资产保险专用45 1521 持有至到期投资83 2201 应付票据84 2202 应付账款85 2205 预收账款86 2211 应付职工薪酬87 2221 应交税费88 2231 应付股利89 2232 应付利息90 2241 其他应付款91 2251 应付保户红利保险专用92 2261 应付分保账款保险专用93 2311 代理买卖证券款证券专用94 2312 代理承销证券款证券和银行共用95 2313 代理兑付证券款证券和银行共用96 2314 代理业务负债97 2401 预提费用98 2411 预计负债99 2501 递延收益100 2601 长期借款101 2602 长期债券102 2701 未到期责任准备金保险专用103 2702 保险责任准备金保险专用104 2711 保户储金保险专用105 2721 独立账户负债保险专用106 2801 长期应付款107 2802 未确认融资费用108 2811 专项应付款109 2901 递延所得税负债三、共同类110 3001 清算资金往来银行专用111 3002 外汇买卖金融共用112 3101 衍生工具113 3201 套期工具114 3202 被套期项目四、所有者权益类115 4001 实收资本116 4002 资本公积117 4101 盈余公积118 4102 一般风险准备金融共用119 4103 本年利润120 4104 利润分配121 4201 库存股五、成本类122 5001 生产成本123 5101 制造费用124 5201 劳务成本125 5301 研发支出126 5401 工程施工建造承包商专用127 5402 工程结算建造承包商专用46 1522 持有至到期投资减值准备47 1523 可供出售金融资产48 1524 长期股权投资49 1525 长期股权投资减值准备50 1526 投资性房地产51 1531 长期应收款52 1541 未实现融资收益53 1551 存出资本保证金保险专用54 1601 固定资产55 1602 累计折旧56 1603 固定资产减值准备57 1604 在建工程58 1605 工程物资59 1606 固定资产清理60 1611 融资租赁资产租赁专用61 1612 未担保余值租赁专用62 1621 生产性生物资产农业专用63 1622 生产性生物资产累计折旧农业专用64 1623 公益性生物资产农业专用65 1631 油气资产石油天然气开采专用66 1632 累计折耗石油天然气开采专用67 1701 无形资产68 1702 累计摊销69 1703 无形资产减值准备70 1711 商誉71 1801 长期待摊费用72 1811 递延所得税资产73 1901 待处理财产损溢二、负债类74 2001 短期借款75 2002 存入保证金金融共用76 2003 拆入资金金融共用77 2004 向中央银行借款银行专用78 2011 同业存放银行专用79 2012 吸收存款银行专用80 2021 贴现负债银行专用81 2101 交易性金融负债82 2111 卖出回购金融资产款金融共用128 5403 机械作业建造承包商专用六、损益类129 6001 主营业务收入130 6011 利息收入金融共用131 6021 手续费收入金融共用132 6031 保费收入保险专用133 6032 分保费收入保险专用134 6041 租赁收入租赁专用135 6051 其他业务收入136 6061 汇兑损益金融专用137 6101 公允价值变动损益138 6111 投资收益139 6201 摊回保险责任准备金保险专用140 6202 摊回赔付支出保险专用141 6203 摊回分保费用保险专用142 6301 营业外收入143 6401 主营业务成本144 6402 其他业务支出145 6405 营业税金及附加146 6411 利息支出金融共用147 6421 手续费支出金融共用148 6501 提取未到期责任准备金保险专用149 6502 提取保险责任准备金保险专用150 6511 赔付支出保险专用151 6521 保户红利支出保险专用152 6531 退保金保险专用153 6541 分出保费保险专用154 6542 分保费用保险专用155 6601 销售费用156 6602 管理费用157 6603 财务费用158 6604 勘探费用159 6701 资产减值损失160 6711 营业外支出161 6801 所得税162 6901 以前年度损益调整企业应在“应交税金”科目下设置“应交增值税“明细科目”在“应交增值税”明细账中,应设置“进项税额"、“已交税金”、“销项税额”、“出口退税"、“进项税额转出”等专栏。
存货明细附注说明【注】①资产负债表:反映存货的数量、成本、发出和库存情况等。
②营业成本:主要包括材料成本、制造费用、销售税金及附加、财务损失、其他等项目。
【附注】期末余额大于账面余额时可调增存货金额;期末余额大于账面余额时可调减存货金额;超过原账面余额时应调增存货金额(调增后)。
①原材料:如已销售过存货项目。
应在计算结转成本时填列存货明细账中计算存货对应金额(以低值为正为例:0=已销售)。
②存货跌价准备:当单位存货在生产过程中发生减值准备时(存货跌价准备+坏账准备)所致不能计提存货跌价准备。
以期末存货价值为基础计提相应存货跌价准备)×适用税率(%)。
③发出时将原燃材料、人工、制造费用、其他材料全部直接计入成本;将存货跌价准备转入当期损益。
【注]①因不可抗力原因造成存货不能出售或生产出后未能售出等原因而收回时,计提存货跌价准备。
③其他因素:如原材料质量下降、价格波动等引起产品成本和售价增加。
(1)本项目已发生或预计将发生费用或损失时按照以下方法进行处理:未发生但符合有关规定金额计入当期损益:减少。
存货减值准备确认:存货存在毁损风险而需要计提减值准备的,在相应的预计未来期间内不再计提;未计提减值准备的,计提相应跌价准备。
(2)销售费用:企业在生产经营活动中为销售商品、提供劳务等而发生的各项直接费用。
其中包含佣金、折旧费、资产使用费等各类有关税费。
当符合增值税条件时应予以税前扣除。
增值税一般纳税人应当按照有关规定申报并取得增值税专用发票。
如不能提供增值税专用发票或其他合法有效票据时可予以抵扣。
实际交易中应当确认为完工产品;未计价入成本;相关税费按规定计算。
应计入当期1.本科目中“产品成本”指原材料、直接人工、管理费用等存货明细科目“原材料”包括直接材料、直接人工、制造费用和其他材料。
“辅助材料”包括为本单位生产产品而提供物质保障的材料、本单位所购原材料形成的产成品、提供给本单位外购本单位产品而支付的运费等。
成品油购销存情况明细表填表日期:年月日单位:吨、元【表单说明】注:本表逻辑关系式为:15=1+5-9-11;16=2+6-12;17=3+7-10-13。
一、本表逻辑关系为:1、1+5-9-11=152、2+6-12=163、3+7-10-13=17二、本表应按照不同的油品型号逐行填写;三、本表第1栏期初库存“自购数量”,填写会计帐簿记载的期初库存成品油数量;四、本表第2栏期初库存“代储数量”,填写代储油记录记载的期初库存代储成品油数量,代储是指外单位购买的,利用加油站的油库存放的成品油(下同);五、本表第3栏期初库存“自购金额”,填写会计帐簿记载的期初库存成品油成本金额;六、本表第5栏本期入库“自购数量”,填写会计帐簿记载的本期入库成品油数量;七、本表第6栏本期入库“代储数量”,填写本期委托方提供的购油发票复印件上注明的数量;八、本表第7栏本期入库“自购金额”,填写会计帐簿记载的本期入库成品油成本;九、本表第9栏本期出库应税部分“数量”,填写会计帐簿记载的本期销售和视同销售的成品油的数量;十、本表第10栏本期出库应税部分“金额”,填写会计帐簿记载的本期销售和视同销售的成品油的销售成本;十一、本表第11栏本期出库非应税部分“自用”是指自有车辆自用油(下同),其“数量”为领用记录记载的本期领用成品油数量;十二、本表第12栏本期出库非应税部分“代储数量”,填写代储成品油记录记载的委托方领用数量;十三、本表第13栏本期出库非应税部分“自用金额”,为领用记录记载的本期领用成品油数量乘以自购成品油平均单价;十四、本表第15栏期末库存“自购数量”,填写会计帐簿记载的期末库存成品油数量;十五、本表第16栏期末库存“代储数量”,填写代储油记录记载的期末库存代储成品油数量;十六、本表第17栏期末库存“自购金额”,填写会计帐簿记载的期末库存成品油成本金额。
《成品油购销存情况明细表》(适用于发生成品油零售业务的纳税人)【分类索引】业务类别申报纳税表单类型纳税人填报设置依据(表单来源)政策规定表单【政策依据】《国家税务总局关于重新修订〈增值税一般纳税人纳税申报办法〉的通知》(国税发〔2003〕53号)【表单】成品油购销存情况明细表填表日期:年月日【表单说明】注:本表逻辑关系式为:15=1+5-9-11;16=2+6-12;17=3+7-10-13。
一、本表逻辑关系为:1、1+5-9-11=152、2+6-12=163、3+7-10-13=17二、本表应按照不同的油品型号逐行填写;三、本表第1栏期初库存“自购数量”,填写会计帐簿记载的期初库存成品油数量;四、本表第2栏期初库存“代储数量”,填写代储油记录记载的期初库存代储成品油数量,代储是指外单位购买的,利用加油站的油库存放的成品油(下同);五、本表第3栏期初库存“自购金额”,填写会计帐簿记载的期初库存成品油成本金额;六、本表第5栏本期入库“自购数量”,填写会计帐簿记载的本期入库成品油数量;七、本表第6栏本期入库“代储数量”,填写本期委托方提供的购油发票复印件上注明的数量;八、本表第7栏本期入库“自购金额”,填写会计帐簿记载的本期入库成品油成本;九、本表第9栏本期出库应税部分“数量”,填写会计帐簿记载的本期销售和视同销售的成品油的数量;十、本表第10栏本期出库应税部分“金额”,填写会计帐簿记载的本期销售和视同销售的成品油的销售成本;十一、本表第11栏本期出库非应税部分“自用”是指自有车辆自用油(下同),其“数量”为领用记录记载的本期领用成品油数量;十二、本表第12栏本期出库非应税部分“代储数量”,填写代储成品油记录记载的委托方领用数量;十三、本表第13栏本期出库非应税部分“自用金额”,为领用记录记载的本期领用成品油数量乘以自购成品油平均单价;十四、本表第15栏期末库存“自购数量”,填写会计帐簿记载的期末库存成品油数量;十五、本表第16栏期末库存“代储数量”,填写代储油记录记载的期末库存代储成品油数量;十六、本表第17栏期末库存“自购金额”,填写会计帐簿记载的期末库存成品油成本金额。
成品油购销存数量明细表单位名称(盖章)单位:吨
【表单说明】
注:本表逻辑关系式为:15=1+5-9-11;16=2+6-12;17=3+7-10-13
1、本表第1栏期初库存“自购数量”,填写会计帐簿记载的期初库存成品油数量;
2、本表第2栏期初库存“代储数量”,填写代储油记录记载的期初库存代储成品油数量,代储是指外单位购买的,利用加油站的油库存放的成品油(下同);
3、本表第3栏期初库存“自购金额”,填写会计帐簿记载的期初库存成品油成本金额;
4、本表第5栏本期入库“自购数量”,填写会计帐簿记载的本期入库成品油数量;
5、本表第6栏本期入库“代储数量”,填写本期委托方提供的购油发票复印件上注明的数量;
6、本表第7栏本期入库“自购金额”,填写会计帐簿记载的本期入库成品油成本;
7、本表第9栏本期出库应税部分“数量”,填写会计帐簿记载的本期销售和视同销售的成品油的数量;
8、本表第10栏本期出库应税部分“金额”,填写会计帐簿记载的本期销售和视同销售的成品油的销售成本;
9、本表第11栏本期出库非应税部分“自用”是指自有车辆自用油(下同),其“数量”为领用记录记载的本期领用成品油数量;
10、本表第12栏本期出库非应税部分“代储数量”,填写代储成品油记录记载的委托方领用数量;
11、本表第13栏本期出库非应税部分“自用金额”,为领用记录记载的本期领用成品油数量乘以自购成品油平均单价;
12、表第15栏期末库存“自购数量”,填写会计帐簿记载的期末库存成品油数量;
13、本表第16栏期末库存“代储数量”,填写代储油记录记载的期末库存代储成品油数量;
14、本表第17栏期末库存“自购金额”,填写会计帐簿记载的期末库存成品油成本金额。
科目余额表原材料原材料科目,因为是资产类的账户,所以正常情况下余额应在借方,所以发现余额在贷方的情况,一定要及时查明原因,及时解决。
原材料期末余额为什么在借方而不是在贷方?原材料期末余额在借方,表示企业尚未使用的库存原材料。
原材料可分为:原材料及主要材料、辅助材料、外购半成品、修理用备件、包装材料、燃料。
原材料按其存放地点可分三类:在途物资,库存材料,委托加工物资。
会计处理一、本科目核算企业库存的各种材料,包括原料及主要材料、辅助材料、外购半成品(外购件)、修理用备件(备品备件)、包装材料、燃料等的计划成本或实际成本。
收到来料加工装配业务的原料、零件等,应当设置备查簿进行登记。
二、本科目可按材料的保管地点(仓库)、材料的类别、品种和规格等进行明细核算。
三、原材料的主要账务处理。
(一)企业购入并已验收入库的材料,按计划成本或实际成本,借记本科目,按实际成本,贷记"材料采购"或"在途物资"科目,按计划成本与实际成本的差异,借记或贷记"材料成本差异"科目。
(二)自制并已验收入库的材料,按计划成本或实际成本,借记本科目,按实际成本,贷记"生产成本"科目,按计划成本与实际成本的差异,借记或贷记"材料成本差异"科目。
委托外单位加工完成并已验收入库的材料,按计划成本或实际成本,借记本科目,按实际成本,贷记"委托加工物资"科目,按计划成本与实际成本的差异,借记或贷记"材料成本差异"科目。
(三)生产经营领用材料,借记"生产成本"、"制造费用"、"销售费用"、"管理费用"等科目,贷记本科目。
出售材料结转成本,借记"其他业务成本"科目,贷记本科目。
发出委托外单位加工的材料,借记"委托加工物资"科目,贷记本科目。