出纳工作流程图-精选文档
- 格式:ppt
- 大小:138.00 KB
- 文档页数:1
出纳岗位流程一、日常事务1. 每天10:00前将前一日的收款明细统计后发给相关负责人(银行收款根据网银流水查询,现金收款必须填写现金收据,交客户联需盖财务专用章)2. 根据总经理审核后的付款单和费用报销单准备无误的录入到银行,并提请财务经理复核,原则上每周一、三、五付款,周二、四收取付款单和费用报销单交总经理答案审核,投标类付款除外,付款成功后将付款信息通知相关责任人3. 每周二、四到银行提取回单,并将整理好的单据交给会计做帐4. 票据整理,同一单位或同一员工多笔申请付款或报销的可数张单据相加支付5. 投标类的付款,付款成功后通知标书人员进行登记;收到投标单位退回的投标保证金当日通知标书人员进行登记 二、日记帐的登记每日收付款业务根据发生时间顺序登记现金、银行存款日记帐,下班前对资金进行盘点,做到日清月结工作内容 细则相关部门 公司领导统计前一日的收款明细日常事务付款单和报销单整理和录入财务部 领导审核提取银行回单,交会计做账招标类的付款,保证金的退回接收登记 行政部 记日记账 收付款业务、银行存款及资金盘点财务部 1号进行现金、银行盘点,制作资金盘点表 财务部 盘点月底进行办公用品盘点,写盘点总结行政部周五将应收帐款明细表发至郑总,李总QQ 邮箱 领导审核 出纳往来报表 周一将投标保证金、履约保证金、质保金三表QQ 邮箱发给标书人员进行核对行政部 每月5号将上月应收帐款明细表,投标保证金三表及个人往来明细表发给财务经理财务部领导审核登记公司租房信息及付款记录及开具发票所需的资料 行政部 其他事务 银行业务相关事宜财务部 登记保管因公需要的个人银行卡,支付U 盾等 每月1号将上月开票明细导出后存档 开票事宜财务部开票系统的维护及年费的续缴三、盘点1.每月1日同会计对现金,银行进行盘点,并制作资金盘点表2.每月26-28日对办公用品进行盘点,并写盘点总结四、往来报表3.每周五下班前将应收帐款明细表发至郑总,李总QQ邮箱4.每周一将投标保证金、履约保证金、质保金三表QQ邮箱发给标书人员进行核对5.每月5号将上月应收帐款明细表,投标保证金三表及个人往来明细表发给财务经理五、其他事项1.登记公司所有租房信息及付款记录2.登记整理所有租房开具发票时所需资料3.银行业务相关的一功事务4.登记并保管因公需要的个人银行卡(包括个人支付U盾)发票购买及开具流程步骤细则发票购买实名认证后带身份证到税务机关购买(可跨区)普票发票开具流程专票(首次开具,提供一般纳税人资格证明)发票联及抵扣联一定要盖发票专用章登记发票领用表并且签字一、发票购买已购发票开完后,带发票领购本及身份证到税务机关购买发票(发票购买人必须是在税务局实名认证后才可以买票,可跨区购买)二、发票开具:根据“开票申请表”上的内容开具发票1.所有政府单位或事业单位一律开具增值税普通发票或电子发票,不得开具增值税专用发票2.企业单位申请开票时,要核实清楚对方需开具专票还是普票,若首次开具专票的一定要求对方单位提供“一般纳税人资格证明”,否则不得开具专票3.发票开好后发票联及抵扣联一定要盖发票专用章,否则此发票为无效发票4.根据开具的发票明细登记“发票领用表”,领票人签字后将发票交给签字人三、每月1号将上月开票明细导出后存档四、开票系统的维护及年费的续缴五、其他事项:月初将上月开票明细导出后存档。
我吹过你吹过的晚风,那我们算不算相拥,我吹过你吹过的晚风,是否看到同样风景
我吹过你吹过的晚风,那我们算不算相拥,我吹过你吹过的晚风,是否看到同样风景
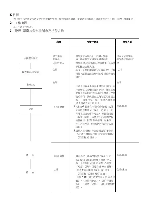
1.目的
为了加强和完善货币资金使用的监督和管理,加速资金的周转,提高资金利润率,保证资金平安,制定制度、明确职责。
2.工作范围
会计出纳工作岗位。
3.流程、职责和关键控制点及相关人员
我吹过你吹过的晚风,那我们算不算相拥,我吹过你吹过的晚风,是否看到同样风景
最后总结以上会计工作如下
1、取得或填制原始凭证
2、根据原始凭证或原始凭证汇总表填制记账凭证。
3、根据收付记账凭证登记现金日记账和银行存款日记账。
3、根据记账凭证登记明细分类账。
5、根据记账凭证汇总、编制科目汇总表。
6、根据科目汇总表登记总账。
7、期末,根据总账和明细分类账编制资产负债表和利润表。
8、将凭证归档保存。
出纳流程图及管理制度出纳流程图及管理制度一、流程图1. 收款流程收款人→销售单确认→开具收据→存入现金或银行→记录收款信息→报告到财务部门2. 付款流程申请付款→审批→支付给供应商或员工→记录付款信息→核对银行流水账→报告到财务部门3. 现金管理流程开具小额备用金→确定备用金使用部门或人员→备用金使用人员申请备用金支出→审批→使用人员进行备用金消费→填写备用金使用单据→报和财务部门备案和核算。
二、管理制度1. 收款管理制度(1)应严格执行收款流程图,落实责任人,确保收款的真实性和规范性。
(2)收款时应认真核对客户的身份,确认销售单的真实性和完整性,并开具正式收据,归档保存。
(3)收款人员应该负责每日现金的清点,同时建立现金支出统计表,对每天的现金支出进行记录和核对。
(4)所有的现金和支票都应该存入银行,并在存款单上记录明细,每日更新银行存款余额。
(5)对于不符合规定的收款,应及时向部门领导汇报,严肃追究责任。
2. 付款管理制度(1)应严格执行付款流程图,确保支付流程的规范性和真实性。
(2)付款申请单需要填写详细的信息,包括付款对象、金额、时间等,并在付款前进行审核,确定付款的合法性。
(3)所有的付款都应该记录在付款汇总表中,详细记录付款对象、金额、时间等信息。
(4)对于付款问题,应及时在财务部门内部沟通解决,确保付款的准确无误。
3. 现金管理制度(1)应建立准确的现金账户,确保每笔现金收支的准确性,并及时更新现金支出统计表。
(2)每个部门都应有明确的现金使用规定,如不得超过备用金上限、使用预算等。
(3)应将现金存入银行,确保资金安全,并及时记录资金的流动状况。
(4)对于不符合规定的现金行为,应及时纠正和追究责任,防止现金的挪用和浪费。
总之,出纳流程图及管理制度是企业财务管理的重要保障,必须严格执行。
只有做好了这些管理措施,才能确保企业的财务安全,并维护企业的形象和声誉。
出纳员岗位工作流程一、现金出纳报销准备工作二、银行业务办理工作(一)支票业务办理流程(二)汇票、电汇等结算方式操作流程(三)其他银行业务办理三、编制、上报资金日报表每天按照集团规定时间,查询出各账户资金余额,根据当日资金增、减变动情况,编制资金日报表,上报集团资金部。
(一)资金日报表报送流程:登录GS系统→财务会计→报表→报表操作→打开报表→左边选择“ZJYE0001资金余额日报表”→右边勾选单元编号。
如图所示:注意:选择打开报表功能后,系统默认的是月报表,此时选择“日报表”(圈内所示)才能查看到“资金余额日报表”。
点击确定按钮打开报表,如下图所示(具体操作同总账报表流程)。
(二)编制方法:资金日报表的“当前余额”列不能通过公式自动计算取数(系统报表不支持凭证“未记账”状态下取数,即系统暂不支持“实时”功能,如圈内所示),需手工填报,操作步骤:1、将本单位所有开户银行的“银行账号”、“开户单位名称”、查询的各银行账户当前余额填列到本表,并进行报表保存;2、点击工具栏中的“数据”菜单→选择计算本表功能→计算完成后选择报表保存功能保存本表,(上日余额、本日增减列必须定义单元公式)。
3、钮。
四、日常费用报销根据《门店出纳岗位工作指导意见》、《费用开支管理办法》、《费用预算管理办法》等相关制度规定来审核报销凭证,支付款项等。
(一)费用报销流程2、押金、保证金退款,由退款人持相关部门开据退款单(指定人签名)和收据进行退款,不退工本费,出纳支付现金后凭收据及退款单制作凭证。
(二)主要费用项目的审核规范五、工资发放及账务处理(一)工资发放流程(二)工资账务处理财务人员以签批手续齐全“工资汇总表”、自制的“工会经费、职工教育经费、帮困基金计提表“为凭证附件,进行账务处理,工资明细表不作为凭证附件,按月装订备查。
摘要:计提×月工资借:销售费用-正式及聘用人员工资-××部门贷:应付职工薪酬-工资-正式员工工资摘要:发放×月工资借:应付职工薪酬-工资-正式员工工资贷:应付职工薪酬-社会保险费-医疗保险应付职工薪酬-社会保险费-养老保险应付职工薪酬-社会保险费-失业保险应付职工薪酬-住房公积金应交税费-应交个人所得税银行存款摘要:计提工会经费、职工教育经费、帮困基金(分别按应发工资金额的帮困基金1%、工会经费2%、职工教育经费%)。
出纳岗位流程图出纳工作流程图出纳岗位流程图出纳岗位职责1.负责公司日常的费用报销。
2.负责日常现金、支票的收与支出,信用卡的核对,及时登记现金及银行存款日记账;3.每日核对、保管收银员交纳的营业收入。
4.每日盘点库存现金,做到日清月结,账实相符。
库存现金不得超过公司规定数额。
5.负责向银行换取备用的收银零钱,以备收银员换零。
6.信用卡的对账及定期核对银行账目,编制银行存款余额调节表。
7.月末与会计核对现金/银行存款日记账的发生额与余额。
8.每周编制《货币资金周报表》,并上报营运总监、财务总监、财务主管等。
9.每月编制《现金流量表》,并上报营运总监、财务总监、财务主管。
10.每月配合人事编制好工资表,并协助发放。
11.完成领导布置的其他工作。
财务部出纳岗位职责出纳员是按照有关规定和制度,办理本单位的现金收付、银行结算等有关账务,保管库存现金、有价证券、财务印章及有关票据工作。
主要工作职责有:第一条做好现金的日常管理及收付工作,保证现金收付的正确性和合法性。
第二条每天工作日结束前,及时盘点库存现金并与有关报表和凭证进行核对,填写《奖金日报表》,做到帐实、帐表、帐证、帐帐相符。
第三条严格执行现金管理制度和结算制度,根据公司规定的费用报销和收付款审批手续,办理现金及银行结算业务。
对于重大的开支项目,必须经过会计主管人员、公司领导审核签章,方可办理。
第四条根据审核无误的收、付款原始凭证,填制记账凭证,记账凭证的内容必须填齐,附有原始凭证。
填制会计凭证的字迹必须清晰、工整并正确使用会计科目。
要妥善保管会计凭证,应按编号顺序,折叠整齐,按月装订成册,加盖封面、封底、盖章归档。
第五条根据帐务处理需要,及时将在手单据整理移交会计主管编制记账凭证。
.配合会计人员做好每月的报税和工资的发放工作;做到及时准确,不得无故延误。
第六条负责银行账户的日常结算,银行存款日记帐,并做到日清月结,月末与银行核对存款余额,不符时编制《银行存款余额调节表》。
出纳工作内容及流程(图)工作的具体流程包括以下几个方面:(1)出纳的工作。
①办理银行存款和现金领取。
②负责支票,汇票,发票,收据管理。
③做银行账和现金账,并负责保管财务章。
④负责报销差旅费的工作。
员工出差分借支和不可借支,若需要借支就必须填写借支单,然后交总经理审批签名,交由财务审核,确认无误后,由出纳发款。
员工出差回来后,据实填写支付证明单,并在支付证明后面贴上收据或发票,先交由证明人签名,然后由总经理签名,进行实报实销,再经会计审核后,由出纳给予报销。
⑤员工工资的发放。
(2)出纳工作细则。
①工作事项及审验等程序。
②失误防范及纠正程序。
(3)现金收付。
①现金收付的,要当面点清金额,并注意票面的真伪。
若收到假币予以没收,由责任人负责。
②现金一经付清,应在原单据上加盖“现金付讫章”。
多付或少付金额,由责任人负责。
③把每日收到的现金送到银行。
(4)不得“坐支”。
①每日做好日常的现金盘存工作,做到账实相符。
做好现金结报单,防止现金盈亏。
②一般不办理大面额现金的支付业务,大额支付用转账或汇兑手续。
特殊情况需审批。
③员工外出借款无论金额多少,都须总经理签字,批准并用借支单借款。
若无批准借款,引起纠纷,由责任人自负。
(5)银行账处理。
①登记银行日记账时先分清账户,避免张冠李戴。
开汇兑手续。
②每日结出各账户存款余额,以便总经理及财务会计了解公司资金运作情况,以调度资金。
每日下班之前填制结报单。
③保管好各种空白支票,不得随意乱放。
④公司账务章平时由出纳保管。
每日下班后上交财务章。
(6)报销审核。
①在支付证明单上经办人是否签字,证明人是否签字。
若无,应补。
②附在支付证明单后的原始票据是否有涂改。
若有,问明原因或不予报销。
③正规发票是否与收据混贴。
若有,应分开贴。
④支付证明单上填写的项目是否超过3项。
若超过,应重填。
⑤大、小写金额是否相符。
若不相符,应更正重填。
⑥报销内容是否属合理的报销。
若不属,应拒绝报销,有特殊原因,应经审批。
出纳职责和工作流程图出纳职责和工作流程图一、出纳职责1. 日常账务管理。
负责公司的日常账务管理,包括银行存款、日记账、备查账等,确保账务准确无误。
2. 财务报表制作。
负责根据公司的财务政策和管理要求,及时准确地制作财务报表和财务分析报告,向公司领导汇报财务状况和预测。
3. 银行业务处理。
负责公司与银行的业务往来,包括办理银行开户、办理贷款、处理汇款、结算等业务,保证银行业务运转顺畅。
4. 税务管理。
负责公司税务管理工作,包括税务申报、纳税、税收筹划等,确保公司遵守税收法规,不违反相关法律法规。
5. 现金管理。
负责公司现金管理工作,包括资金收支、现金管理、现金监管等,确保公司现金流动充足,不出现现金短缺。
二、出纳工作流程图1. 收款工作流程图:(1)收款收据领取:当客户来公司缴费时,出纳首先要出具收款收据,领取客户缴费。
(2)收取现金:当客户缴费时,出纳要收取客户缴纳的现金或支票,并核对缴费金额是否正确。
(3)销售系统录入:在收到缴费后,出纳要及时在销售系统中录入收款信息,包括缴费时间、缴费金额、客户姓名等。
(4)发放缴费收据:在销售系统录入后,出纳要及时发放缴费收据给客户,确保缴费流程完成。
2. 付款工作流程图:(1)付款申请:当公司有支出需要时,相关部门需要向出纳提交付款申请,申请付款。
(2)审批确认:出纳需要对付款申请进行审核,核对付款金额、付款对象、支付方式等信息,确保付款申请合法、合规。
(3)财务系统录入:当付款申请审核通过后,出纳需要及时在财务系统中录入付款信息,包括付款时间、付款金额、付款对象等,确保付款信息准确无误。
(4)银行支付:当付款信息录入财务系统后,出纳需要办理银行支付手续,将付款金额转账给指定收款方。
(5)备份资料:在支付完成后,出纳需要将相关付款信息备份,记录资料,确保备查性和可追溯性。
以上是出纳的职责和工作流程图,出纳在日常工作中,需要非常注重准确性、及时性、完整性,以保证公司财务信息的安全性和稳定性,是一个非常重要的岗位。
K目得为了加强与完善货币资金使用得监督与管理,加速资金得周转,提髙资金利润率,保证资金安全,制圧制度、明确职责。
2、工作范围会计出纳工作岗位。
3. 流程.职贵与关键控制点及相关人员1、取得或填制原始凭证2、根据原始凭证或原始凭证汇总表填制记账凭证。
3、根据收付记账凭证登记现金日记账与银行存款日记账.3、根据记账凭证登记明细分类账.5、根据记账凭证汇总、编制科目汇总表。
6、根据科目汇总表登记总账。
7上、期末,根据总账与明细分类账编制资产负债表与利润表。
弘、将凭证归档保存工资支付流程图1、大量支付工资时申报工资部门领导财务会计公司负责人会计公司负责人出纳出纳/会计根据每月工资核算并审核金额签字批准后签章传递给会计人员。
会计人员进行工资审査,审核无误后签字确认,报公司领导人审批.审批工资签字确认。
根据公司负责人得签字及会计签字确认得工资进行发放工资。
1、出纳登记日记账并递交工资支付淸单及打款凭证给会计做账。
2、会计根据岀纳给得凭证做总账并登记工资明细表。
部门领导财务会计公司负责人刘丹公司负责人陈发辉刘丹陈发辉领勺岀纟卩咅付核对J资数额领勺1审批出纟卩咅付流程关键控制点相关人员2、个人请款支付工资时个人根据实际情况情况填写借支单部门领导人根据情况询问审批会计根据其工资情况进行审核审批借支单根据公司负责人得签字及会计签字确认得工资进行发放工资。
1、出纳登记日记账并递交工资支付淸单及打款凭证给会计做账。
2、会计根据出纳给得凭证做总账并登记工资明细表。
相关人员部门领导人刘丹公司负责人陈发辉陈发辉刘丹。
财务工作流程一、出纳岗位工作流程(一)现金收付1、收现根据会计岗开具的收据(销售会计开具的发票)收款——→检查收据开具的金额正确、大小写一致、有经手人签名——→在收据(发票)上签字并加盖财务结算章——→将收据第②联(或发票联)给交款人——→凭记账联登记现金流水账——→登记票据传递登记本——→将记账联连同票据登记本传相应岗位签收制证工资及固定资产岗(水电费、代收款项)管理费用岗(其他应收款)销售核算岗(货款)成本核算岗(加工费、材料款)注:a原则上只有收到现金才能开具收据,在收到银行存款或下账时需开具收据的,核实收据上已写有“转账”字样,后加盖“转账”图章和财务结算章,并登记票据传递登记本后传给相应会计岗位。
b随工资发放时代收代扣的款项,由工资及固定资产岗开具收据,可以没有交款人签字。
2、付现(1)费用报销审核各会计岗传来的现金付款凭证金额与原始凭证一致——→检查并督促领款人签名——→据记账凭证金额付款——→在原始凭证上加盖“现金付讫”图章——→登记现金流水账——→将记账凭证及时传主管岗复核(2)人工费、福利费发放凭人力资源部开具的支出证明单付款(包括车间工资差额、需以现金形式发放的兑现、奖金等款项)——→在支出证明单上加盖“现金付讫”图章——→登记现金流水账——→登记票据传递登记本——→将支出证明单连同票据传递登记本传工资福利岗签收制证3、现金存取及保管每天上午按用款计划开具现金支票(或凭建行存折)提取现金——→安全妥善保管现金、准确支付现金——→及时盘点现金——→下午3:30视库存现金余额送存银行注:a下午下班后,现金库存应在限额。
b从银行提取现金以及将现金送存银行时都须通知保安人员随从,注意保密,确保资金安全。
4、管理现金日记账,做到日清月结,并及时与微机账核对余额。
(二)银行存款收付1、银收(1)收货款整理销售会计传来支票、汇票→核查和补填进账单→上午上班时交主管岗背书→送交司机进账及取回单——→整理从银行拿回的回款单据——→将第一联与回执粘贴在一起——→在微机中编制回款登记表并共享—→打印—→将回款登记表连同回款单传销售会计(2)其他项目收款收到除货款以外项目的支票、汇票——→填写进账单——→进账——→回单——→登记票据传递登记本——→相关岗位(3)贷款收到银行贷款上账回单——→登记票据传递登记本——→传管理费用岗位2、银付(1)日常性业务款项根据付款审批单,审核调节表中无该部门前期未报账款项—→开具支票(汇票、电汇)—→登记支票使用登记本—→将支票、汇票存根粘贴到付款审批单上(无存根的注明支票号及银行名称)——→加盖“转账”图章—→登记单据传递登记本——→传相关岗位制证—→材料核算岗(材料采购)成本核算岗(外协加工、车间质保费用)管理费用岗(管理部门用款)销售费用岗(销售部门用款)工资福利岗(工资兑现、福利)及固定资产岗(GMP部门费用、固定资产购建)注:a开出的支票应填写完整,禁止签发空白金额、空白收款单位的支票。
1.目的
为了加强和完善货币资金使用的监督和管理,加速资金的周转,提高资金利润率,保证资金安全,制定制度、明确职责。
2.工作范围
会计出纳工作岗位。
3.流程、职责和关键控制点及相关人员
最后总结以上会计工作如下
1、取得或填制原始凭证
2、根据原始凭证或原始凭证汇总表填制记账凭证。
3、根据收付记账凭证登记现金日记账和银行存款日记账。
3、根据记账凭证登记明细分类账。
5、根据记账凭证汇总、编制科目汇总表。
6、根据科目汇总表登记总账。
7、期末,根据总账和明细分类账编制资产负债表和利润表。
8、将凭证归档保存
工资支付流程图
1、大量支付工资时
工资支付流程图。
出纳人员岗位职责
一、严格按照公司财务制度办理各种现金收付业务、费用报销业务、银行结算业务。
二、负责公司的涉税事宜,按月计提员工所得税并做好其它税项的申报、缴纳的发放工作。
三、及时、准确、完整地向会计人员传递各种原始凭证。
四、妥善保管库存现金和各种有价证券。
五、妥善保管有关印鉴、空白票据和空白支票。
六、妥善保管各种银行凭证,并定期整理、装订银行对账单。
七、认真登记现金日记账和银行存款日记账,并做到日清月结。
八、每日核对库存现金,做到账实相符,出现差异及时汇报。
九、定期与银行进行账目核对,编制《银行存款余额调节表》。
十、及时编制公司资金日报表、月报表并报计财处负责人。
十一、负责银行账户的管理包括贷款证、税务登记证、收费许可证的更换及年审工作。
十二、负责学院收费项目的审核、申报、公示工作。
十三、负责涉及公司财务各种统计报表的填报。
十四、按照报账规定期限及时清理各种借款、应收款项,严禁以白条子顶库。
十五、管理收费信息,保证其真实、合法、准确。
出纳人员岗位职责
一、严格按照公司财务制度办理各种现金收付业务、费用报销业务、银行结算业务。
二、负责公司的涉税事宜,按月计提员工所得税并做好其它税项的申报、缴纳的发放工作。
三、及时、准确、完整地向会计人员传递各种原始凭证。
四、妥善保管库存现金和各种有价证券。
五、妥善保管有关印鉴、空白票据和空白支票。
六、妥善保管各种银行凭证,并定期整理、装订银行对账单。
七、认真登记现金日记账和银行存款日记账,并做到日清月结。
八、每日核对库存现金,做到账实相符,出现差异及时汇报。
九、定期与银行进行账目核对,编制《银行存款余额调节表》。
十、及时编制公司资金日报表、月报表并报计财处负责人。
十一、负责银行账户的管理包括贷款证、税务登记证、收费许可证的更换及年审工作。
十二、负责学院收费项目的审核、申报、公示工作。
十三、负责涉及公司财务各种统计报表的填报。
十四、按照报账规定期限及时清理各种借款、应收款项,严禁以白条子顶库。
十五、管理收费信息,保证其真实、合法、准确。
;..
;..。